Pulse Width Modulation-Controlled Switching Impedance for Wireless Power Transfer
Abstract
:1. Introduction
1.1. Related Work
- (1)
- Switched capacitor: In [8], a self-tuning power supply uses a switching capacitor array to tune the main power supply. This new capacitor matrix can reconfigure impedance by itself and track the best impedance matching points at different distances. However, it will affect the volume of the whole system if it is too large. Meanwhile, the whole system will only be tuned discretely. In [9], a switching control capacitor (SCC) is proposed to compensate for the load impedance related to coil coupling coefficient and load change. However, this control needs signals of voltage and current obtained by the RF modules to work, which requires the system to have more precise clock synchronization. In [10], it proposes a novel switching control capacitor for wireless power transfer (WPT) that achieves variable capacitance and optimizes efficiency. But the signal from each SCC needs to be modulated byzero-crossing detection, which necessitates more accurate current sensors and comparators. The authors of [11] introduce an enhanced LCC-S compensated IPT system featuring variable frequency switching capacitor control. The tuning process involves communication modules connected in series with an extra capacitor and compensating inductor. But the inclusion of the RF module increases the overall cost of the system. Additionally, the system incorporates an excessive number of resonant energy storage components, leading to increased losses. In [12], this paper proposes a self-tuning power transmission system that utilizes switch-controlled capacitors on both the primary and secondary sides. While Wi-Fi communication is not mandatory, magnetic shielding is employed to enhance the power factor of the entire system, thereby escalating the construction cost.
- (2)
- Recently, a semiactive rectifier (SAR) has been used to deal with detuning. In [13,14], an active variable reactance rectifier is employed to offset the coupling change between the two systems. However, inductors are introduced to ensure impedance matching during rectifier integration. The inclusion of energy storage inductors leads to a predominant portion of the system’s losses occurring in these components. Additionally, the issue of circulating current in the parallel loop is noteworthy, contributing to increased system control complexity. In [15], this paper employs an impedance decoupling algorithm to address bilateral capacitance drift. The reactance can be eliminated by adjusting the system frequency and the phase shift angle of the active rectifier. However, it is noteworthy that this paper exclusively addresses the phenomenon of negative drift in the resonant capacitor and neglects the occurrence of positive drift, indicating a lack of generality.
- (3)
- A variable reactor is also used to deal with the detuning problem. In [16], the variable reactor is proposed to eliminate the cross-interference among the transmitters under multiple transmitters. However, this method compensates for the detuning of the resonant frequency owing to natural tolerance and cross-interference among the transmitters. In [17], it proposes a pure electronic resonant frequency regulation circuit that does not require any complex control and can realize the problems of long transmission distance and coil misalignment. However, this circuit is applied to systems with high Q values. But it also provides a basis for further research. On this basis, in [18], this paper introduces a novel 6.78 MHz multiplex transmitter featuring a straightforward active variable reactance component known as an Automatic Tuning Auxiliary Circuit (ATAC). The entire system requires an envelope detector to measure current outcomes. This necessitates a higher level of communication channel integrity; otherwise, it could impact the overall system performance.
1.2. Innovation and Contribution
- (1)
- When implementing the proposed topology in the LCC-S topological network, the additional circuits mentioned in the previous literature are automatically assigned specific positions. However, the rationale for their placement is not analyzed. This paper rigorously examines the specific placement of the PCSI circuit.
- (2)
- In the case of capacitive or inductive detuning, adjusting the output voltage phase of the proposed topology is sufficient to bring the system back to its resonant state, ensuring optimal performance. This approach offers straightforward control without requiring Wi-Fi, RF modules, or other forms of communication.
- (3)
- The proposed topology not only provides a broader range of adjustments but also addresses the issue of simultaneous drift in two resonant capacitors.
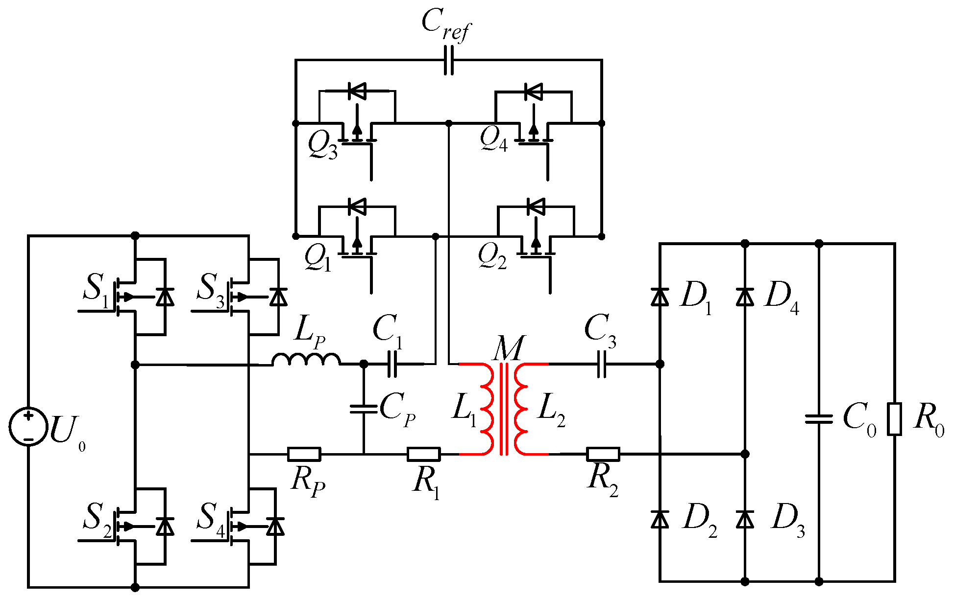
2. WPT System with PCSI Topology
2.1. PCSI Topology
2.2. PCSI Topology Position
2.3. Principle of PCSI Operation
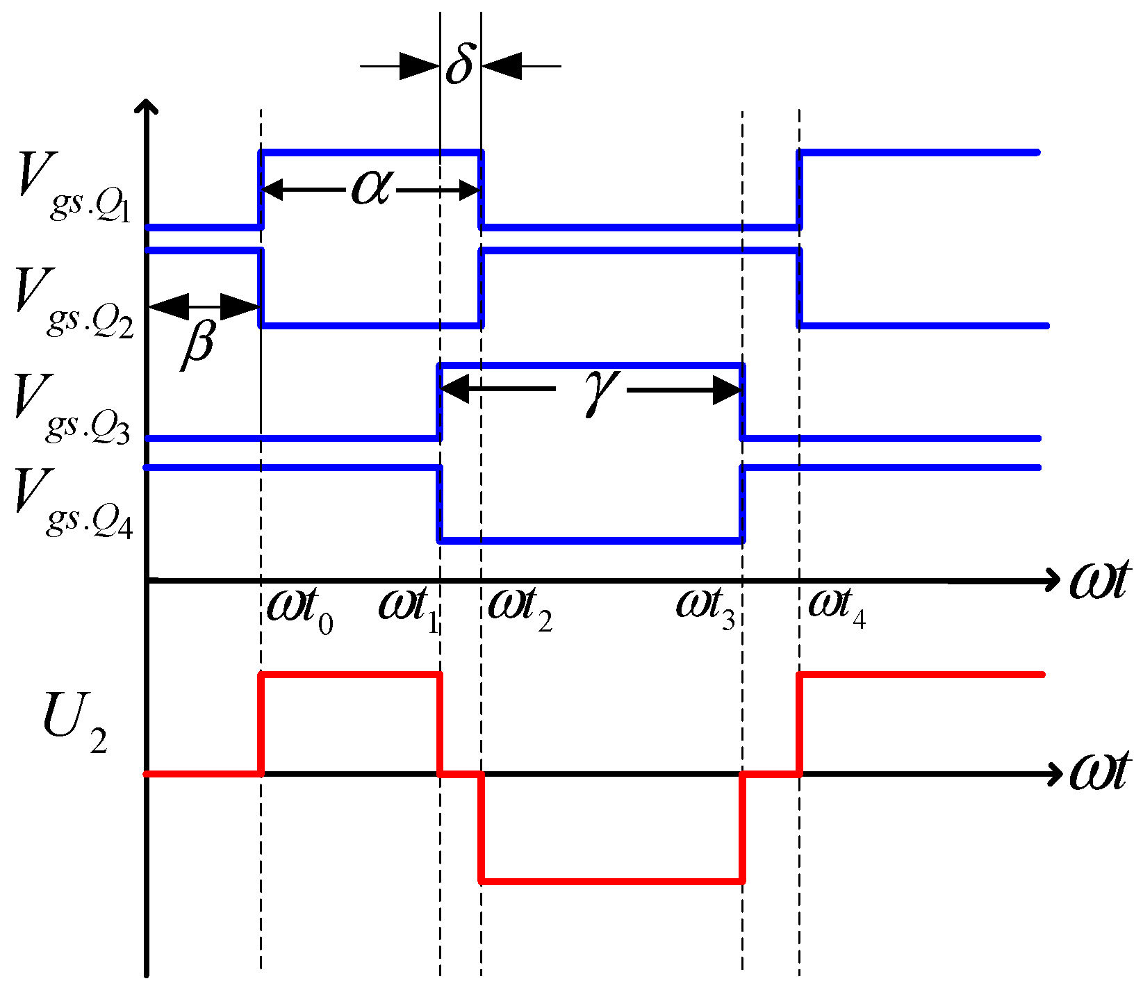
2.3.1. Working Principle of PCSI Topology
2.3.2. Waveforms of PCSI Topology
2.3.3. Tuning Principle of PCSI Topology
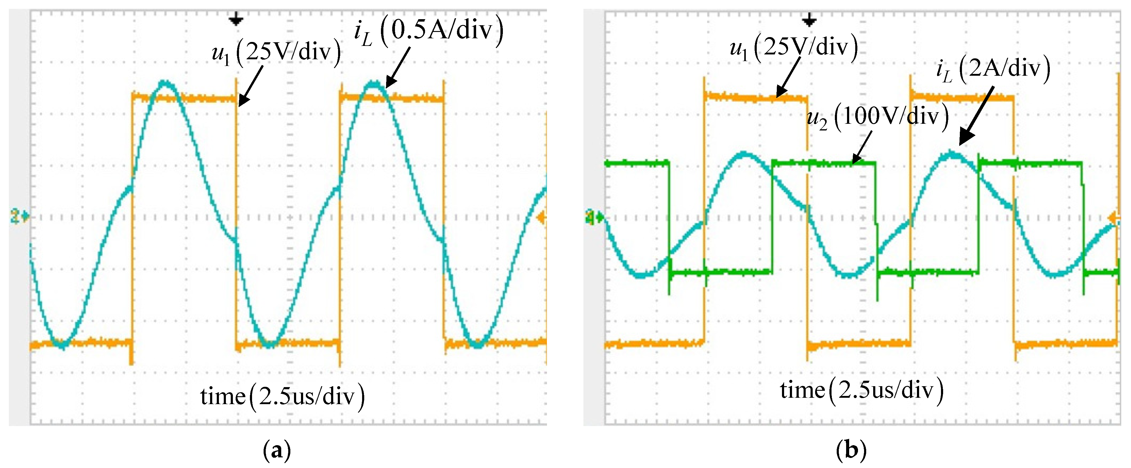
3. Result Simulation and Experimental Verification
4. Conclusions
Author Contributions
Funding
Data Availability Statement
Conflicts of Interest
References
- Liang, M.; Khamlichi Drissi, K.E.; Pasquier, C. Optimal frequency for Dynamic Wireless Power Transfer. In Proceedings of the 2022 24th European Conference on Power Electronics and Applications (EPE’22 ECCE Europe), Hanover, Germany, 5–9 September 2022; pp. 1–10. [Google Scholar]
- Vailshery, L.S. Number of IoT Connected Devices Worldwide 2019–2021, with Forecasts to 2030. Available online: https://www.statista.com/statistics/1183457/iot-connected-devices-worldwide/ (accessed on 12 September 2023).
- Sinha, S.; Regensburger, B.; Kumar, A.; Afridi, K. A very-high-power-transfer-density GaN-based capacitive wireless power transfer system. In Proceedings of the 2017 IEEE 5th Workshop on Wide Bandgap Power Devices and Applications (WiPDA), Albuquerque, NM, USA, 30 October–1 November 2017; pp. 360–365. [Google Scholar]
- Li, S.; Liu, Z.; Zhao, H.; Zhu, L.; Shuai, C.; Chen, Z. Wireless Power Transfer by Electric Field Resonance and Its Application in Dynamic Charging. IEEE Trans. Ind. Electron. 2016, 63, 6602–6612. [Google Scholar] [CrossRef]
- Mahesh, A.; Chokkalingam, B.; Mihet-Popa, L. Inductive Wireless Power Transfer Charging for Electric Vehicles—A Review. IEEE Access 2021, 9, 137667–137713. [Google Scholar] [CrossRef]
- Gu, L.; Rivas-Davila, J. 1.7 kW 6.78 MHz Wireless Power Transfer with Air-Core Coils at 95.7% DC-DC Efficiency. In Proceedings of the 2021 IEEE Wireless Power Transfer Conference (WPTC), San Diego, CA, USA, 1–4 June 2021; pp. 1–4. [Google Scholar]
- Peng, P.; Zhou, W.; Li, L.; He, J.B.; Peng, B.; Yu, H.J.; He, X.P. Drift of MEMS Capacitive Accelerometers for One-Year Room-Temperature Storage: A Simulation and Experimental Study. IEEE Sens. J. 2023, 23, 202–210. [Google Scholar] [CrossRef]
- Lim, Y.S.; Tang, H.Y.; Lim, S.; Park, J.S. An Adaptive Impedance-Matching Network Based on a Novel Capacitor Matrix for Wireless Power Transfer. IEEE Trans. Power Electron. 2014, 29, 4403–4413. [Google Scholar] [CrossRef]
- Zhao, J.; Zhang, J.Z.; Zhu, Y.D. A Flexible Wireless Power Transfer System With Switch Controlled Capacitor. IEEE Access 2019, 7, 106873–106881. [Google Scholar] [CrossRef]
- Zhang, J.Z.; Zhao, J.; Zhang, Y.Q.; Deng, F.J. A Wireless Power Transfer System With Dual Switch-Controlled Capacitors for Efficiency Optimization. IEEE Trans. Power Electron. 2019, 35, 6091–6101. [Google Scholar] [CrossRef]
- Wang, X.Q.; Xu, J.P.; Ma, H.B.; He, S.Z. Inductive Power Transfer Systems With Digital Switch-Controlled Capacitor for Maximum Efficiency Point Tracking. IEEE Trans. Ind. Electron. 2021, 68, 9467–9480. [Google Scholar] [CrossRef]
- Luo, Z.C.; Zhao, Y.Y.; Xiong, M.; Wei, X.Z.; Dai, H.F. A Self-Tuning LCC/LCC System Based on Switch-Controlled Capacitors for Constant-Power Wireless Electric Vehicle Charging. IEEE Trans. Ind. Electron. 2022, 70, 709–720. [Google Scholar] [CrossRef]
- Sinha, S.; Regensburger, B.; Kumar, A.; Afridi, K. A Multi-MHz Large Air-gap Capacitive Wireless Power Transfer System Utilizing an Active Variable Reactance Rectifier Suitable for Dynamic Electric Vehicle Charging. In Proceedings of the 2019 IEEE Energy Conversion Congress and Exposition (ECCE), Baltimore, MD, USA, 29 September–3 October 2019; pp. 5726–5732. [Google Scholar]
- Maji, S.; Etta, D.; Afridi, K. A High-Power Large Air-Gap Multi-MHz Dynamic Capacitive Wireless Power Transfer System Utilizing an Active Variable Reactance Rectifier for EV Charging. In Proceedings of the 2022 IEEE Energy Conversion Congress and Exposition (ECCE), Detroit, MI, USA, 9–13 October 2022; pp. 1–6. [Google Scholar]
- Song, K.; Yang, G.; Zhang, H.; Huang, X.L.; Jiang, J.H.; Lan, Y.; Huang, X.H.; Li, J.; ZHU, C.B. An Impedance Decoupling-Based Tuning Scheme for Wireless Power Transfer System Under Dual-Side Capacitance Drift. IEEE Trans. Power Electron. 2021, 36, 7526–7536. [Google Scholar] [CrossRef]
- Ishihara, M.; Matsuura, K.; Konishi, A.; Umetani, K.; Hiraki, E. Cross-Interference Free 6.78 MHz Multiple-Transmitter Using Power Factor Based Control for Wide-Area Wireless Power Transfer Systems. In Proceedings of the 2022 IEEE Energy Conversion Congress and Exposition (ECCE), Detroit, MI, USA, 9–13 October 2022; pp. 1–7. [Google Scholar]
- Endo, Y.; Furukawa, Y. Proposal for a new resonance adjustment method in magnetically coupled resonance type wireless power transmission. In Proceedings of the 2012 IEEE MTT-S International Microwave Workshop Series on Innovative Wireless Power Transmission: Technologies, Systems, and Applications, Kyoto, Japan, 10–11 May 2012; pp. 263–266. [Google Scholar]
- Mastuura, K.; Narusue, Y.; Morikawa, H. Magnetic field intensity suppression using communication-less impedance adjust-ment for inductive power transfer systems. IEICE Electron. Exp. 2023, 20, 20230153. [Google Scholar]
- Mastuura, K.; Kobuchi, D.; Narusue, Y.; Morikawa, H. Communication-Less Receiver-Side Resonant Frequency Tuning for Magnetically Coupled Wireless Power Transfer Systems. IEEE Access 2023, 11, 23544–23556. [Google Scholar]
- Shi, L.X.; Alou, P.; Oliver, J.A.; Rodriguez, J.C.; Delgado, A.; Cobos, J.A. A Self-Adaptive Wireless Power Transfer System to Cancel the Reactance. IEEE Trans. Ind. Electron. 2020, 68, 12141–12151. [Google Scholar] [CrossRef]
- Sinha, S.; Kumar, A.; Regensburger, B.; Afridi, K.K. A New Design Approach to Mitigating the Effect of Parasitics in Capacitive Wireless Power Transfer Systems for Electric Vehicle Charging. IEEE Trans. Transp. Electrif. 2019, 5, 1040–1059. [Google Scholar] [CrossRef]
- Shi, L.X.; Alou, P.; Oliver, J.A.; Cobos, J.A. A Novel Self-adaptive Wireless Power Transfer System to Cancel the Reactance of the Series Resonant Tank and Deliver More Power. In Proceedings of the 2019 IEEE Energy Conversion Congress and Exposition (ECCE), Baltimore, MD, USA, 29 September–3 October 2019; pp. 4207–4211. [Google Scholar]
- Lee, W.C.; Ahn, D. Wireless Power Transfer under Wide Distance Variation Using Dual Impedance Frequency. Electronics 2020, 9, 110. [Google Scholar] [CrossRef]
- Hu, H.S.; Cai, T.; Duan, S.X.; Zhang, X.M.; Niu, J.T.; Feng, H. An Optimal Variable Frequency Phase Shift Control Strategy for ZVS Operation Within Wide Power Range in IPT Systems. IEEE Trans. Power Electron. 2019, 35, 5517–5530. [Google Scholar] [CrossRef]
- Ahn, D.; Hong, S.C. Wireless Power Transmission with Self-Regulated Output Voltage for Biomedical Implant. IEEE Trans. Transp. Electrif. 2014, 61, 2225–2235. [Google Scholar] [CrossRef]
- Huang, Z.C.; Lam, C.S.; Mak, P.I.; Martins, R.P.; Wong, S.C.; Tse, C.K. A Single-Stage Inductive-Power-Transfer Converter for Constant-Power and Maximum-Efficiency Battery Charging. IEEE Trans. Power Electron. 2020, 35, 8973–8984. [Google Scholar] [CrossRef]


















| Parameters | Values | Unit |
|---|---|---|
| Input voltage | 60 | V |
| Inductance | 100 | |
| Resistance of | 0.5 | |
| Capacitor | 80 | |
| Capacitor | 20 | |
| Capacitor | 25 | |
| Coupling factor | 0.3 | |
| Primary inductance | 132 | |
| Secondary inductance | 132 | |
| Mutual inductance | 44 | |
| Resistance of TX&RX coils | 0.4 | |
| Load | 5 |
Disclaimer/Publisher’s Note: The statements, opinions and data contained in all publications are solely those of the individual author(s) and contributor(s) and not of MDPI and/or the editor(s). MDPI and/or the editor(s) disclaim responsibility for any injury to people or property resulting from any ideas, methods, instructions or products referred to in the content. |
© 2023 by the authors. Licensee MDPI, Basel, Switzerland. This article is an open access article distributed under the terms and conditions of the Creative Commons Attribution (CC BY) license (https://creativecommons.org/licenses/by/4.0/).
Share and Cite
Ma, B.; Chai, L.; Lu, J.; Sun, S. Pulse Width Modulation-Controlled Switching Impedance for Wireless Power Transfer. Energies 2023, 16, 8103. https://doi.org/10.3390/en16248103
Ma B, Chai L, Lu J, Sun S. Pulse Width Modulation-Controlled Switching Impedance for Wireless Power Transfer. Energies. 2023; 16(24):8103. https://doi.org/10.3390/en16248103
Chicago/Turabian StyleMa, Bole, Lin Chai, Jianghua Lu, and Shixiong Sun. 2023. "Pulse Width Modulation-Controlled Switching Impedance for Wireless Power Transfer" Energies 16, no. 24: 8103. https://doi.org/10.3390/en16248103
APA StyleMa, B., Chai, L., Lu, J., & Sun, S. (2023). Pulse Width Modulation-Controlled Switching Impedance for Wireless Power Transfer. Energies, 16(24), 8103. https://doi.org/10.3390/en16248103
