Practical Dead-Time Control Methodology of a Three-Phase Dual Active Bridge Converter for a DC Grid System
Abstract
:1. Introduction
- ▪
- System Flexibility: The large-scale integration of renewable energy sources implies potentially significant power injections during peak load times that require more system flexibility to balance energy supply and demand.
- ▪
- Integration of Inverter-Connected Devices: Another challenge for the energy transition is the mandatory integration of inverter-connected devices. Including these devices can reduce system inertia and fault current, decreasing the overall system stability.
- ▪
- Decreased Grid Inertia: The conventional power grid heavily relies on the inertia of large rotating turbines and generators of traditional power plants to provide this frequency stability. As these sources are replaced with inertia-less renewable energy sources, alternative methods to maintain frequency stability become necessary.
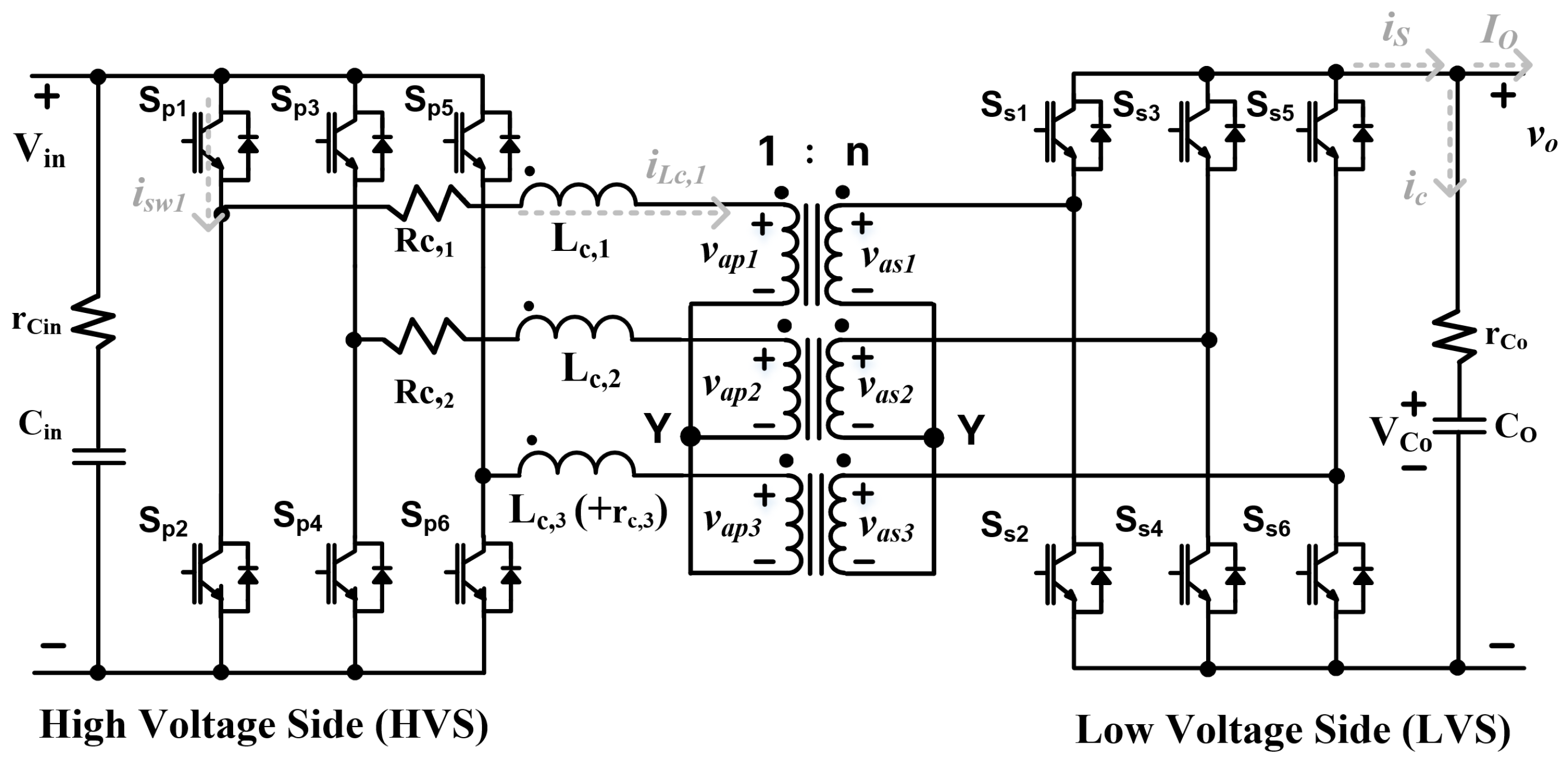
2. Analysis of the Three-Phase Dual Active Bridge Converter
2.1. Basic Operation Principles of Three-Phase Dual Active Bridge Converter
- ▪
- The input and output voltage are constant.
- ▪
- All the coupling inductances are the same in each leg.
- ▪
- The parasitics are constant and the same in the same power switches.
- ▪
- The transformer’s magnetizing inductance is infinite.
2.2. The Analysis of Soft-Switching Mechanism and Dead Time
3. Dead-Time Effect of Three-Phase Dual Active Bridge Converters
3.1. Analysis of the Dead-Time Effect in Three-Phase Dual Active Bridge Converters
3.2. Proposed Practical Dead-Time Control Methodology
4. Experimental Results and Analysis of Results
5. Discussion
6. Conclusions
Author Contributions
Funding
Data Availability Statement
Conflicts of Interest
References
- Strielkowski, W.; Civín, L.; Tarkhanova, E.; Tvaronavičienė, M.; Petrenko, Y. Renewable Energy in the Sustainable Development of Electrical Power Sector: A Review. Energies 2021, 14, 8240. [Google Scholar] [CrossRef]
- Abubakr, H.; Vasquez, J.C.; Mahmoud, K.; Darwish, M.M.F.; Guerrero, J.M. Comprehensive Review on Renewable Energy Sources in Egypt—Current Status, Grid Codes and Future Vision. IEEE Access 2022, 10, 4081–4101. [Google Scholar] [CrossRef]
- Yang, C.; Huang, L.; Xin, H.; Ju, P. Placing Grid-Forming Converters to Enhance Small Signal Stability of PLL-Integrated Power Systems. IEEE Trans. Power Syst. 2021, 36, 3563–3573. [Google Scholar] [CrossRef]
- Tayyebi, A.; Groß, D.; Anta, A.; Kupzog, F.; Dörfler, F. Frequency Stability of Synchronous Machines and Grid-Forming Power Converters. IEEE J. Emerg. Sel. Top. Power Electron. 2020, 8, 1004–1018. [Google Scholar] [CrossRef]
- Zhang, Z.; Sun, D.; Nian, H.; Yang, L.; Liu, T.; Chen, C. Coordinated Control Strategy of Grid-Forming Wind Power Generation System with Energy Storage System for Primary Frequency Regulation. In Proceedings of the 2023 IEEE 14th International Symposium on Power Electronics for Distributed Generation Systems (PEDG), Shanghai, China, 5–8 June 2023; pp. 579–583. [Google Scholar]
- Jeong, D.K.; Ryu, M.H.; Kim, H.G.; Kim, H.J. Optimized design of bi-directional dual active bridge converter for low-voltage battery charger. J. Power Electron. 2014, 14, 468–477. [Google Scholar] [CrossRef]
- Choi, H.; Jung, J. Enhanced power line communication strategy for DC microgrids using switching frequency modulation of power converters. IEEE Trans. Power Electron. 2017, 32, 4140–4144. [Google Scholar] [CrossRef]
- Mi, C.; Bai, H.; Wang, C.; Gargies, S. Operation, design and control of dual h-bridge-based isolated bidirectional DC–DC converter. IET Power Electron. 2008, 1, 507–517. [Google Scholar] [CrossRef]
- De Doncker, R.W.A.A.; Divan, D.M.; Kheraluwala, M.H. A three-phase soft-switched high-power-density DC/DC converter for high-power applications. IEEE Trans. Ind. Electron. 1991, 27, 63–73. [Google Scholar] [CrossRef]
- Choi, H.-J.; Seo, B.; Ryu, M.; Cho, Y.; Jung, J. Effective magnetic component design of three phase dual active bridge converter for LVDC distribution system. IEEE Trans. Ind. Electron. 2020, 68, 1828–1840. [Google Scholar] [CrossRef]
- Van Hoek, H.; Neubert, M.; De Doncker, R.W. Enhanced modulation strategy for a three-phase dual active bridge—Boosting efficiency of an electric vehicle converter. IEEE Trans. Power Electron. 2013, 28, 5499–5507. [Google Scholar] [CrossRef]
- Baars, N.H.; Everts, J.; Wijnands, C.G.; Lomonova, E.A. Performance evaluation of a three-phase dual active bridge DC–DC converter with different transformer winding configurations. IEEE Trans. Power Electron. 2016, 31, 6814–6823. [Google Scholar] [CrossRef]
- Baars, N.H.; Everts, J.; Huisman, H.; Duarte, J.L.; Lomonova, E.A. A 80-kW isolated DC–DC converter for railway applications. IEEE Trans. Power Electron. 2015, 30, 6639–6647. [Google Scholar] [CrossRef]
- Huang, J.; Li, Z.; Shi, L.; Wang, Y.; Zhu, J. Optimized modulation and dynamic control of three-phase dual active bridge converter with variable duty cycles. IEEE Trans. Power Electron. 2019, 34, 2856–2873. [Google Scholar] [CrossRef]
- Hiltunen, J.; Vaisanen, V.; Juntunen, R.; Silventoinen, P. Variable frequency phase shift modulation of a dual active bridge converter. IEEE Trans. Power Electron. 2015, 30, 7138–7148. [Google Scholar] [CrossRef]
- Choi, H.-J.; Lee, W.-B.; Jung, J.-H. Practical Controller Design of Three-Phase Dual Active Bridge Converter for Low Voltage DC Distribution System. Electronics 2020, 9, 2101. [Google Scholar] [CrossRef]
- Zhao, B.; Song, Q.; Liu, W.; Sun, Y. Dead-Time Effect of the High-Frequency Isolated Bidirectional Full-Bridge DC-DC Converter: Comprehensive Theoretical Analysis and Experimental Verification. IEEE Trans. Power Electron. 2014, 29, 1667–1680. [Google Scholar] [CrossRef]
- Lin, J.-Y.; Chen, C.-T.; Chen, K.-H.; Lin, Y.-F. Analysis of Three-Phase Wye-Delta Connected LLC. Energies 2021, 14, 3606. [Google Scholar] [CrossRef]
- Wang, L.; Luo, W.; Wang, Y.; Lan, H. A Novel Dead Time Design Method for Full-Bridge LLC Resonant Converters with SiC Semiconductors. Processes 2023, 11, 973. [Google Scholar] [CrossRef]
- Tang, J.; Guo, T.; Kim, J.S.; Roh, J. A Current-Mode Four-Phase Synchronous Buck Converter with Dynamic Dead-Time Control. IEEE Access 2021, 9, 81078–81088. [Google Scholar] [CrossRef]
- Joo, D.M.; Lee, B.K.; Kim, J.S. Dead-time optimization for a phase-shifted DC–DC full bridge converter with GaN HEMT. IET Electron. Lett. 2016, 52, 769–770. [Google Scholar] [CrossRef]
- Lee, J.-Y.; Chen, J.-H.; Lo, K.-Y. An Interleaved Phase-Shift Full-Bridge Converter with Dynamic Dead Time Control for Server Power Applications. Energies 2021, 14, 853. [Google Scholar] [CrossRef]


















| Symbol | Quantity | Value |
|---|---|---|
| Vin | Input voltage | 550 V |
| Vout | Output voltage | 278 V |
| m | Voltage gain | 0.986 |
| fSW | Switching frequency | 8 kHz |
| Po,rated | Rated power | 25 kW |
| Lc,x | Coupling inductance | 43.7 μH (CH740060) |
| Coes | Effective output capacitance of Power switches | 4 nF |
| NL | Turns | 13 |
| - | Transformer material | Nano-crystalline |
| NP:NS | Turn ratio | 39:20 |
| RS,HVS | Parasitic resistor on LVS | 850 mΩ |
| RS,LVS | Parasitic resistor on HVS | 380 mΩ |
| Cof | Output filter capacitance | 1.4 mF |
| ESR | Equivalent series resistance | 138 mΩ |
| td | Dead time | Variable |
| - | Controller | TMS320F28335 |
Disclaimer/Publisher’s Note: The statements, opinions and data contained in all publications are solely those of the individual author(s) and contributor(s) and not of MDPI and/or the editor(s). MDPI and/or the editor(s) disclaim responsibility for any injury to people or property resulting from any ideas, methods, instructions or products referred to in the content. |
© 2023 by the authors. Licensee MDPI, Basel, Switzerland. This article is an open access article distributed under the terms and conditions of the Creative Commons Attribution (CC BY) license (https://creativecommons.org/licenses/by/4.0/).
Share and Cite
Choi, H.-J.; Ahn, J.-H.; Jung, J.-H.; Song, S.-G. Practical Dead-Time Control Methodology of a Three-Phase Dual Active Bridge Converter for a DC Grid System. Energies 2023, 16, 7679. https://doi.org/10.3390/en16227679
Choi H-J, Ahn J-H, Jung J-H, Song S-G. Practical Dead-Time Control Methodology of a Three-Phase Dual Active Bridge Converter for a DC Grid System. Energies. 2023; 16(22):7679. https://doi.org/10.3390/en16227679
Chicago/Turabian StyleChoi, Hyun-Jun, Jung-Hoon Ahn, Jee-Hoon Jung, and Sung-Geun Song. 2023. "Practical Dead-Time Control Methodology of a Three-Phase Dual Active Bridge Converter for a DC Grid System" Energies 16, no. 22: 7679. https://doi.org/10.3390/en16227679
APA StyleChoi, H.-J., Ahn, J.-H., Jung, J.-H., & Song, S.-G. (2023). Practical Dead-Time Control Methodology of a Three-Phase Dual Active Bridge Converter for a DC Grid System. Energies, 16(22), 7679. https://doi.org/10.3390/en16227679

