Decomposition of the Voltages in a Three-Phase Asymmetrical Circuit with a Non-Sinusoidal Voltage Source
Abstract
1. Introduction
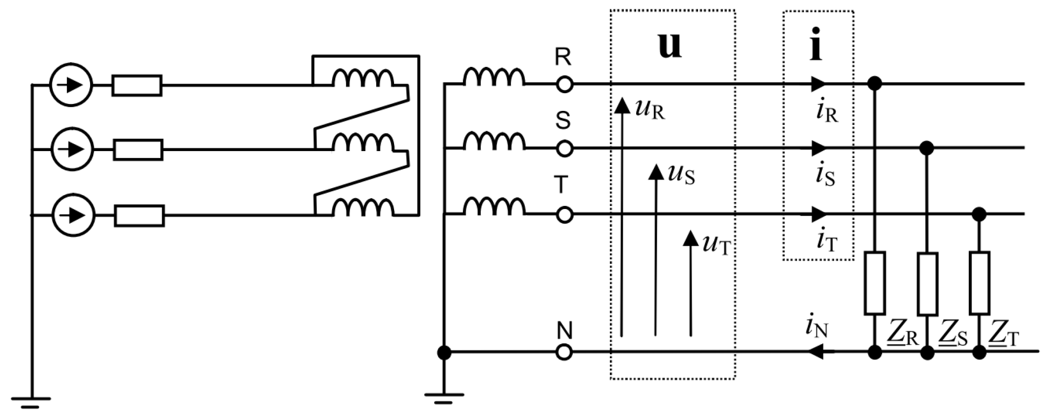
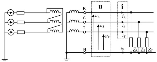
2. Decomposition into Three-Phase Voltages’ Physical Components
3. Numerical Illustration
- The three-phase active voltage physical components (10).
- The scattered component us in this example is equal to zero because, according to (12), there is no dispersion of the resistance Re(n) around the equivalent resistance Re for all harmonics and all phases.
- The three-phase reactive voltage physical components (16):
- The three-phase unbalanced voltage physical components (32):
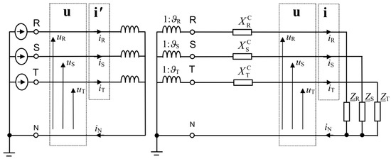
4. The Concept of Compensation of Voltage Components
5. Evaluation of the Compensation Method Using the VPC Power Theory
- (a)
- Unidirectional energy flow in phases.
- (b)
- Modeling distributed and renewable energies.
- (c)
- The use of VPC theory for large distribution networks.
- (d)
- Analysis of the profitability of compensation in a series connection.
- Before compensation, the power factor is λ = 0.4079.
- The classical method of compensation consisting only of affecting the reactive component ir = 0 improves the power factor to the value λ = 0.4468.
- As a result of the operation of the two-stage compensator presented in [36], it is possible to zero the unbalanced component iu = 0, which causes the power factor to reach the value λ = 0.9992.
- Only zeroing the scattered component is = 0 gives the power factor λ = 1, but this is only possible as a result of the cooperation of the series compensator.
6. Conclusions
Author Contributions
Funding
Data Availability Statement
Conflicts of Interest
Nomenclature
| Symbols | |
| β(n) | generalized complex rotation coefficient |
| Dui | unbalanced power, VA |
| Dsi | scattered power, VA |
| i | vector of instantaneous currents in a three-phase system, A |
| I | vector of complex currents in a three-phase system, A |
| iR, iS, iT | instantaneous values of line currents, A |
| λ | power factor |
| m | number of active phases |
| P | active power, W |
| Qi | reactive power, var |
| Re | equivalent resistance, Ω |
| S | apparent power, VA |
| t | time, s |
| u | vector of instantaneous voltages in a three-phase system, V |
| U | vector of complex voltages in a three-phase system, V |
| uR, uS, uT | instantaneous voltage values relative to the virtual star point, V |
| ua | active component of voltage—three-phase vector, V |
| us | scattered component of voltage—three-phase vector, V |
| ur | reactive component of voltage—three-phase vector, V |
| uu | unbalanced component of voltage—three-phase vector, V |
| ω1 | basic pulsation, rad/s |
| X | receiver reactance, Ω |
| Xe | equivalent reactance, Ω |
| Z | impedance of the receiver, Ω |
| Ze | equivalent impedance, Ω |
| Zu | unbalanced impedance, Ω |
| ϑ | transformer ratio |
| Subscripts, superscripts | |
| R,S,T,N | phase and neutral wires |
| n | harmonic number |
| k | phase number |
| p, n, z | positive, negative, zero sequence |
| C | compensator parameters |
| Acronyms | |
| CPC | Currents’ Physical Components |
| VPC | Voltages’ Physical Components |
References
- Zajkowski, K. Settlement of reactive power compensation in the light of white certificates. In E3S Web Conferences; EDP Sciences: Les Ulis, France, 2017; Volume 19. [Google Scholar] [CrossRef]
- Zajkowski, K.; Rusica, I. Comparison of electric powers measured with digital devices relative to powers associated with distinctive physical phenomena. IOP Conf. Ser. Mater. Sci. Eng. 2019, 564, 012133. [Google Scholar] [CrossRef]
- Zajkowski, K.; Duer, S.; Paś, J.; Pokorádi, L. Cooperation of a Non-Linear Receiver with a Three-Phase Power Grid. Energies 2023, 16, 1418. [Google Scholar] [CrossRef]
- Ginn, H.; Chen, G. Switching compensator control strategy based on CPC power theory. In Proceedings of the International School on Nonsinusoidal Currents and Compensation, Łagów, Poland, 10–13 June 2008. [Google Scholar]
- Czarnecki, L.S. Reactive and unbalanced currents compensation in three-phase circuits under nonsinusoidal conditions. IEEE Trans. Instrum. Meas. 1989, 38, 754–759. [Google Scholar] [CrossRef]
- Czarnecki, L.S.; Haley, P.M. Unbalanced Power in Four-Wire Systems and Its Reactive Compensation. IEEE Trans. Power Deliv. 2015, 30, 53–63. [Google Scholar] [CrossRef]
- Czarnecki, L.S.; Almousa, M. Adaptive balancing by reactive compensators of three-phase linear loads supplied by nonsinusoidal voltage from four-wire lines. Am. J. Electr. Power Energy Syst. 2021, 10, 32–42. [Google Scholar] [CrossRef]
- Czarnecki, L.S.; Hsu, S.M. Thyristor controlled susceptances for balancing compensators operated under nonsinusoidal conditions. IEE Proc.-Electr. Power Appl. 1994, 141, 177–185. [Google Scholar] [CrossRef]
- Shepherd, W.; Zakikhani, P. Suggested definition of reactive power for nonsinusoidal systems. In Proceedings of the Institution of Electrical Engineers; IET Digital Library: Stevenage, UK, 1972; Volume 119, pp. 1361–1362. [Google Scholar]
- Jeltsema, D.; Woude, J. Currents’ Physical Components (CPC) in the time-domain: Single-phase systems. In Proceedings of the 2014 European Control Conference (ECC), Strasbourg, France, 24–27 June 2014. [Google Scholar]
- Czarnecki, L.S. Currents’ Physical Components (CPC) in systems with semi-periodic voltages and currents. In Proceedings of the International School on Nonsinusoidal Currents and Compensation (ISNCC), Łagów, Poland, 15–18 June 2015. [Google Scholar]
- Czarnecki, L.S.; Toups, T.N. Working and Reflected Active Powers of Three-Phase Loads. In Proceedings of the 12th International School on Nonsinusoidal Currents and Compensation (ISNCC), Łagów, Poland, 15–18 June 2015. [Google Scholar]
- Bhattarai, P.D.; Czarnecki, L.S. Currents’ Physical Components (CPC) of the Supply Current of Unbalanced LTI Loads at Asymmetrical and Nonsinusoidal Voltage. Przegląd Elektrotechniczny 2017, 93, 30–35. [Google Scholar] [CrossRef][Green Version]
- Grasso, F.; Luchetta, A.; Manetti, S.; Piccirilli, M.C.; Reatti, A.; Somma, M.; Cenghialta, F.; D’Antuono, E. Improvement of Power Flow Analysis based on Currents’ Physical Component (CPC) Theory, Circuits and Systems (ISCAS). In Proceedings of the IEEE International Symposium on Circuits and Systems (ISCAS), Florence, Italy, 27–30 May 2018; pp. 1–5. [Google Scholar]
- Izaguirre, A.R.; Macias, M.E.; Martell, F. Accurate CPC Power Analysis under Extreme EAF’s Distortion Conditions. In Proceedings of the 12th International School on Nonsinusoidal Currents and Compensation (ISNCC), Łagów, Poland, 15–18 June 2015. [Google Scholar]
- Martell, F.; Izaguirre, A.; Macías, M. CPC power theory for analysis of Arc Furnaces. In Proceedings of the International School on Nonsinusoidal Currents and Compensation (ISNCC), Łagów, Poland, 15–18 June 2015. [Google Scholar]
- Busarello, T.D.C.; Péres, A.; Mortezaei, A.; Simões, M.G. Application of the current decomposition of the Conservative Power Theory in Distributed Energy Resources. In Proceedings of the 12th IEEE International Conference on Industry Applications (INDUSCON), Curitiba, Brazil, 20–23 November 2016. [Google Scholar]
- Czarnecki, L.S. Degradation of the Energy Transfer Effectiveness Described in Terms of Currents’ Physical Components (CPC)-based Power Theory. In Proceedings of the 2017 International Symposium on Computer Science and Intelligent Controls (ISCSIC), Budapest, Hungary, 20–22 October 2017. [Google Scholar]
- Busarello, T.D.C.; Mortezaei, A.; Péres, A.; Simões, M.G. Application of the Conservative Power Theory Current Decomposition in a Load Power-Sharing Strategy Among Distributed Energy Resources. IEEE Trans. Ind. Appl. 2018, 54, 3771–3781. [Google Scholar] [CrossRef]
- Popescu, M.; Bitoleanu, A.; Suru, V. Currents’ physical components theory implementation in shunt active power filtering for unbalanced loads. In Proceedings of the International School on Nonsinusoidal Currents and Compensation (ISNCC), Zielona Góra, Poland, 20–21 June 2013. [Google Scholar]
- Borges, A.M.; Alves, S. Currents’ physical components (CPC): Case studies in single phase systems. In Proceedings of the 2018 Simposio Brasileiro de Sistemas Eletricos (SBSE), Niteroi, Brazil, 12–16 May 2018. [Google Scholar]
- Czarnecki, L.S.; Haley, P.M. Power Properties of Four-Wire Systems at Nonsinusoidal Supply Voltage. IEEE Trans. Power Deliv. 2016, 31, 513–521. [Google Scholar] [CrossRef]
- Mikulovic, J.; Sekara, T.; Skrbic, B. Currents’ physical component (CPC) power theory for three-phase four-wire systems. In Proceedings of the Mediterranean Conference on Power Generation, Transmission, Distribution and Energy Conversion, Belgrade, Serbia, 6–9 November 2016. [Google Scholar]
- Li, W.; Rahmani, B.; Liu, G. Expansion of Current Physical Components (CPC) to Three-Phase Four-Wire Systems under Non-Ideal Waveforms by the AUPQS. In Proceedings of the 2016 Sixth International Conference on Instrumentation & Measurement, Computer, Communication and Control, Los Alamitos, CA, USA, 21–23 July 2016. [Google Scholar]
- Czarnecki, L.S.; Almousa, M. Conversion of fixed-parameters compensator in four-wire system with nonsinusoidal voltage into adaptive compensator. Przegląd Elektrotechniczny 2021, 97, 1–6. [Google Scholar] [CrossRef]
- Czarnecki, L.S.; Almousa, M. Adaptive Compensation of Reactive, Unbalanced and DC Currents of AC Arc Furnaces. Przegląd Elektrotechniczny 2023, 99. [Google Scholar] [CrossRef]
- Smyczek, J.; Zajkowski, K. Simulation of overvoltages for switching off lagging load from mains. In Proceedings of the 2nd International Industrial Simulation Conference, Malaga, Spain, 7–9 June 2004; pp. 278–281. [Google Scholar]
- Siergiejczyk, M.; Pas, J.; Rosinski, A. Modeling of Process of Maintenance of Transport Systems Telematics with Regard to Electromagnetic Interferences. Tools Transp. Telemat. 2015, 531, 99–107. [Google Scholar]
- Zajkowski, K. An innovative hybrid insulation switch to enable/disable electrical loads without overvoltages. E3S Web Conf. 2017, 19, 01033. [Google Scholar] [CrossRef]
- Paś, J.; Rosiński, A.; Wisnios, M.; Stawowy, M. Assessing the Operation System of Fire Alarm Systems for Detection Line and Circuit Devices with Various Damage Intensities. Energies 2022, 15, 3066. [Google Scholar] [CrossRef]
- Czarnecki, L.S.; Bahattarai, P.D. A Method of Calculating LC Parameters of Balancing Compensators for AC Arc Furnaces. IEEE Trans. Power Deliv. 2017, 32, 688–695. [Google Scholar] [CrossRef]
- Savant, V.; Kadrolkar, A.; Gupte, S. Bidirectional tie-line inverter based on instantaneous reactive power theory for microgrid applications. In Proceedings of the 2017 Second International Conference on Electrical, Computer and Communication Technologies (ICECCT), Coimbatore, India, 22–24 February 2017. [Google Scholar]
- Salim, C. Five-level series active power filter performances based on modified instantaneous reactive power theory for harmonic voltage disturbances compensation. In Proceedings of the 2017 5th International Conference on Electrical Engineering-Boumerdes (ICEE-B), Boumerdes, Algeria, 29–31 October 2017. [Google Scholar]
- Zajkowski, K. Reactive power compensation in a three-phase power supply system in an electric vehicle charging station. J. Mech. Energy Eng. 2018, 2, 75–84. [Google Scholar] [CrossRef]
- Zajkowski, K.; Rusica, I. The method of calculating LC parameters of balancing compensators in a three-phase four-wire circuit for an unbalanced linear receiver. IOP Conf. Ser. Mater. Sci. Eng. 2019, 564, 012134. [Google Scholar] [CrossRef]
- Zajkowski, K. Two-stage reactive compensation in a three-phase four-wire systems at nonsinusoidal periodic waveforms. Electr. Power Syst. Res. 2020, 184, 106296. [Google Scholar] [CrossRef]
- Haugan, T.S.; Tedeschi, E. Active power filtering under non-ideal voltage conditions using the conservative power theory. In Proceedings of the IEEE 13th Brazilian Power Electronics Conference and 1st Southern Power Electronics Conference (COBEP/SPEC), Fortaleza, Brazil, 29 November–2 December 2015. [Google Scholar]
- Janabi, A.; Wang, B. Hybrid matrix converter based on instantaneous reactive power theory. In Proceedings of the IECON 2015-41st Annual Conference of the IEEE Industrial Electronics Society, Yokohama, Japan, 9–12 November 2015. [Google Scholar]
- Rosa, R.B.; Vahedi, H.; Godoy, R.B.; Pinto, J.O.P.; Al-Haddad, K. Conservative Power Theory Used in NPC-Based Shunt Active Power Filter to Eliminate Electric Metro System Harmonics. In Proceedings of the 2015 IEEE Vehicle Power and Propulsion Conference (VPPC), Montreal, QC, Canada, 19–22 October 2015. [Google Scholar]
- Taher, S.A.; Alaee, M.H.; Dehghani, A.Z. Model predictive control of PV-based shunt active power filter in single phase low voltage grid using conservative power theory. In Proceedings of the 2017 8th Power Electronics, Drive Systems & Technologies Conference (PEDSTC), Mashhad, Iran, 14–16 February 2017. [Google Scholar]
- Alaee, M.H.; Taher, S.A.; Dehghani, A.Z. Improved performance of single-phase shunt active power filter by using conservative power theory and model predictive control. In Proceedings of the 2018 9th Annual Power Electronics, Drives Systems and Technologies Conference (PEDSTC), Tehran, Iran, 13–15 February 2018. [Google Scholar]
- Javadi, A.; Hamadi, A.; Al-Haddad, K. Three-phase power quality device tor weak Systems based on SRF and p-q theory controller. In Proceedings of the IECON 2015-41st Annual Conference of the IEEE Industrial Electronics Society, Yokohama, Japan, 9–12 November 2015. [Google Scholar]
- Kong, X.; Yuan, Y.; Huang, H.; Wang, Y. Overview of the instantaneous reactive power theory in three-phase systems. In Proceedings of the 5th International Conference on Electric Utility Deregulation and Restructuring and Power Technologies (DRPT), Changsha, China, 26–29 November 2015; pp. 2331–2336. [Google Scholar]
- Abdullah, A.; Biswal, G.R.; Roy, A.K. Modeling and control of hybrid power filter using p-q theory. In Proceedings of the 2016 IEEE 1st International Conference on Power Electronics, Intelligent Control and Energy Systems (ICPEICES), Delhi, India, 4–6 July 2016. [Google Scholar]
- Abbasi, M.; Tousi, B. Novel controllers based on instantaneous p-q power theory for transformerless SSSC and STATCOM. In Proceedings of the 2017 IEEE International Conference on Environment and Electrical Engineering and 2017 IEEE Industrial and Commercial Power Systems Europe (EEEIC/I&CPS Europe), Milan, Italy, 6–9 June 2017. [Google Scholar]
- Souza, W.A.; Liberado, E.V.; da Silva, L.C.P.; Paredes, H.K.M.; Marafão, F.P. Load analyser using conservative power theory. In Proceedings of the International School on Nonsinusoidal Currents and Compensation (ISNCC), Zielona Góra, Poland, 20–21 June 2013. [Google Scholar]
- Busarello, T.D.C.; Simões, M.G. Power quality enhancement by means of shunt compensators based on the conservative power theory. In Proceedings of the Clemson University Power Systems Conference (PSC), Clemson, SC, USA, 10–13 March 2015. [Google Scholar]
- Haugan, T.S.; Tedeschi, E. Reactive and harmonic compensation using the conservative power theory. In Proceedings of the Tenth International Conference on Ecological Vehicles and Renewable Energies (EVER), Monte Carlo, Monaco, 31 March–2 April 2015. [Google Scholar]
- Busarello, T.D.C.; Pomilio, J.A.; Simões, M.G. Passive Filter Aided by Shunt Compensators Based on the Conservative Power Theory. IEEE Trans. Ind. Appl. 2016, 52, 3340–3347. [Google Scholar] [CrossRef]
- Mortezaei, A.; Simões, M.; Savaghebi, M.; Guerrero, J.; Durra, A.A. Cooperative control of multi-master-slave islanded microgrid with power quality enhancement based on conservative power theory. In Proceedings of the 2017 IEEE Power & Energy Society General Meeting, Chicago, IL, USA, 16–20 July 2017. [Google Scholar]
- Oruganti, V.S.R.V.; Bubshait, A.S.; Dhanikonda, V.S.S.S.; Simões, M.G. Real-time control of hybrid active power filter using conservative power theory in industrial power system. IET Power Electron. 2017, 10, 196–207. [Google Scholar] [CrossRef]
- Monteiro, L.F.C.; Afonso, J.L.; Pinto, J.G.; Watanabe, E.H.; Aredes, M.; Akagi, H. Compensation algorithms based on the p-q and CPC theories for switching compensators in micro-grids. In Proceedings of the Brazilian Power Electronics Conference, Bonito-Mato Grosso do Sul, Brazil, 27 September–1 October 2009. [Google Scholar]
- Harirchi, F.; Simoes, M.G. Enhanced Instantaneous Power Theory Decomposition for Power Quality Smart Converter Applications. IEEE Trans. Power Electron. 2018, 33, 9344–9359. [Google Scholar] [CrossRef]
- Kumar, H.; Patra, J.; Yadav, A.; Pal, N. Power quality assessment and improvement of 3-phase 3-wire non-linear system using instantaneous power theory based DSTATCOM. In Proceedings of the 4th International Conference on Recent Advances in Information Technology (RAIT), Dhanbad, India, 15–17 March 2018. [Google Scholar]
- Busarello, T.D.C.; Pomilio, J.A. Synergistic operation of distributed compensators based on the conservative power theory. In Proceedings of the IEEE 13th Brazilian Power Electronics Conference and 1st Southern Power Electronics Conference, (COBEP/SPEC), Fortaleza, Brazil, 29 November–2 December 2015. [Google Scholar]
- Duer, S.; Zajkowski, K.; Harnicarova, M.; Charun, H.; Bernatowicz, D. Examination of multivalent diagnoses developed by a diagnostic program with an artificial neural network for devices in the electric hybrid power supply system “House on Water”. Energies 2021, 14, 2153. [Google Scholar] [CrossRef]
- Suproniuk, M.; Pas, J. Analysis of electrical energy consumption in a public utility buildings. Przegląd Elektrotechniczny 2019, 95, 97–100. [Google Scholar] [CrossRef]
- Wisnios, M.; Pas, J. The assessment of exploitation process of power for access control system. E3S Web Conf. 2017, 19, 01034. [Google Scholar] [CrossRef]
- Marcu, M.; Popescu, F.G.; Niculescu, T.; Pana, L.; Handra, A.D. Simulation of power active filter using instantaneous reactive power theory. In Proceedings of the 2014 16th International Conference on Harmonics and Quality of Power (ICHQP), Bucharest, Romania, 25–28 May 2014; pp. 581–585. [Google Scholar]
- Zajkowski, K.; Rusica, I.; Palkova, Z. The use of CPC theory for energy description of two nonlinear receivers. MATEC Web Conf. 2018, 178, 09008. [Google Scholar] [CrossRef]
- Moghaddam, F.K.; Farhangi, S. Improvement of the stand-alone DFIG performance feeding nonlinear and unbalanced loads using active and reactive power theory. In Proceedings of the 2015 IEEE Conference on Energy Conversion (CENCON), Johor Bahru, Malaysia, 19–20 October 2015; pp. 128–133. [Google Scholar]
- Hanzelka, Z. Blueprint for the combinatorial strategy in transactive energy-based control mechanism by using energy flexibility platform and interface. CIRED-Open Access Proc. J. 2017, 2017, 1597–1600. [Google Scholar]
- Lada, M.Y.; Mohamad, S.S.; Gani, J.A.M.; Nawawi, M.R.M.; Kim, G.C. Reduction of harmonic using single phase shunt active power filter based on instantaneous power theory for cascaded multilevel inverter. In Proceedings of the 2016 IEEE International Conference on Power and Energy (PECon), Melaka, Malaysia, 28–30 November 2016. [Google Scholar]
- Tobola, A.; Mikołajuk, K. Multiobjective Optimization Approach to the Active Power Filter Control. In Proceedings of the 17th International Conference Computational Problems of Electrical Engineering (CPEE), Sandomierz, Poland, 14–17 September 2016. [Google Scholar]
- Tobała, A.; Mikołajuk, K. Reference Signal Detection for Voltage Harmonic Damping in Three-Phase Systems. In Proceedings of the 18th International Conference on Computational Problems of Electrical Engineering (CPEE), Kutna Hora, Czech Republic, 11–13 September 2017. [Google Scholar]
- Zhu, L.; Chang, L.; Yan, J.; Li, F.; Yang, Y.; Su, X.; Wu, Z.; Cui, D. Research on shunt active power filter based on the improved instantaneous reactive power theory. In Proceedings of the 2015 Sixth International Conference on Intelligent Control and Information Processing (ICICIP), Wuhan, China, 26–28 November 2015; pp. 459–464. [Google Scholar]
- Hanzelka, Z.; Mondzik, A. Different LC power filter topologies-effectiveness of reducing voltage distortion. Renew. Energy Power Qual. J. 2016, 14, 322–327. [Google Scholar]
- Mboving, C.S.A.; Hanzelka, Z. Hybrid Power Active Filter-Effectiveness of Passive Filter on the Reduction of Voltage and Current Distortion. In Proceedings of the Electric Power Quality and Supply Reliability (PQ), Tallinn, Estonia, 29–31 August 2016. [Google Scholar]







| n | ZR(n) [Ω] | Ze(n) [Ω] | I(n) [A] |
|---|---|---|---|
| 1 | 1 + j1 | 1 + j1 | 115 − j115 |
| 5 | 1 + j5 | 1 + j5 |
Disclaimer/Publisher’s Note: The statements, opinions and data contained in all publications are solely those of the individual author(s) and contributor(s) and not of MDPI and/or the editor(s). MDPI and/or the editor(s) disclaim responsibility for any injury to people or property resulting from any ideas, methods, instructions or products referred to in the content. |
© 2023 by the authors. Licensee MDPI, Basel, Switzerland. This article is an open access article distributed under the terms and conditions of the Creative Commons Attribution (CC BY) license (https://creativecommons.org/licenses/by/4.0/).
Share and Cite
Zajkowski, K.; Duer, S. Decomposition of the Voltages in a Three-Phase Asymmetrical Circuit with a Non-Sinusoidal Voltage Source. Energies 2023, 16, 7616. https://doi.org/10.3390/en16227616
Zajkowski K, Duer S. Decomposition of the Voltages in a Three-Phase Asymmetrical Circuit with a Non-Sinusoidal Voltage Source. Energies. 2023; 16(22):7616. https://doi.org/10.3390/en16227616
Chicago/Turabian StyleZajkowski, Konrad, and Stanisław Duer. 2023. "Decomposition of the Voltages in a Three-Phase Asymmetrical Circuit with a Non-Sinusoidal Voltage Source" Energies 16, no. 22: 7616. https://doi.org/10.3390/en16227616
APA StyleZajkowski, K., & Duer, S. (2023). Decomposition of the Voltages in a Three-Phase Asymmetrical Circuit with a Non-Sinusoidal Voltage Source. Energies, 16(22), 7616. https://doi.org/10.3390/en16227616

