Next Article in Journal
The Optimization of a Pipeline Temperature Monitoring Method Based on Non-Local Means with the Black Widow Optimization Algorithm
Next Article in Special Issue
Projected Reductions in CO2 Emissions by Using Alternative Methanol Fuel to Power a Service Operation Vessel
Previous Article in Journal
Based on Wavelet and Windowed Multi-Resolution Dynamic Mode Decomposition, Transient Axial Force Analysis of a Centrifugal Pump under Variable Operating Conditions
Previous Article in Special Issue
Increasing the Efficiency of Marine Engine Parametric Diagnostics Based on Analyses of Indicator Diagrams and Heat-Release Characteristics
 
 
Font Type:
Arial Georgia Verdana
Font Size:
Aa Aa Aa
Line Spacing:
Column Width:
Background:
Article

Reductions in Energy Consumption and Emission of Harmful Exhaust Gases by Fishing Vessels

Faculty of Marine Engineering, Maritime University of Szczecin, 70-500 Szczecin, Poland
*
Author to whom correspondence should be addressed.
Energies 2023, 16(20), 7177; https://doi.org/10.3390/en16207177
Submission received: 8 September 2023 / Revised: 18 October 2023 / Accepted: 19 October 2023 / Published: 20 October 2023

Abstract

:
This article presents an analysis of the influence of engine types, fuel types and selected methods of fuel treatment before injection on reductions in fuel consumption and exhaust emission components. This is the first of such studies, the continuation of which will allow a comprehensive assessment of the impact of cutter operations on environmental pollution. For the selected type of cutter, EEOIs (Energy Efficiency Operational Indicators) were determined to be a measure that takes into account both fuel consumption and harmful gas compound emissions depending on the type of engine used and the type of fuel. The data necessary to prepare this analysis were obtained during operational tests carried out on selected cutters with various types of engines fuelled with liquid fuel and a new catalytic fuel treatment method developed by the authors, while for the case of using gas fuel and a common rail engine, possible effects were forecasted. The effects of engine type, years of manufacture and fuel type (liquid and gas) on fuel consumption and emissions of selected exhaust components are demonstrated. The positive effects on fuel consumption and emissions of harmful exhaust constituents obtained, under laboratory test conditions, for an engine fuelled with catalytically treated fuel have allowed further research directions to be set for cutter engines equipped with injection equipment with applied catalytic coatings.

1. Introduction

The implementation of technologies and devices to reduce energy consumption and the levels of emission of harmful compounds in exhaust gases by marine energy systems is associated with the costs of ship operation and environmental protection regulations. According to sources in the literature [1,2,3,4,5], the costs of fuels, oils and greases constitute 50–80% of the costs of operating a ship, and this situation will worsen due to the obligation to use expensive fuels with low sulphur content when operating ships in special areas. To determine the energy efficiency of marine energy systems, the concept of energy efficiency is used as a measure of the degree of chemical energy conversion of the fuel consumed in a marine power plant. An Energy Efficiency Operational Indicator (EEOI) is helpful for the preparation of a ship’s energy efficiency management plan. An EEOI is determined on the basis of the results of studies conducted on the ship in different conditions of its exploitation [6,7,8].
Due to the great importance of fish as a food source in the European Union countries and the large fishing fleet operating in European coastal waters, the problems related to the energy-saving and pro-ecological exploitation of the fishing fleet have been analysed for many years. Already, in 2013, attention was paid to the economic and energy-saving aspects related to the operation of the fishing fleet, mainly related to the increase in fuel prices [1]. The growing importance of ecological aspects has resulted in the focus on the development of alternative energy sources and fuels for fishing vessels [9,10,11]. Research has also been carried out on methods of reducing the emissions of exhaust gases from engines powered by petroleum fuels. Works [12,13,14] present the results of the operational tests of engines in which this method was used.
In order to apply the methods and technical solutions that will enable an increase in efficiency and reduction in the harmful impact on the environment of a fishing fleet, it is necessary to conduct energy audits on the cutters. The importance of the energy audit of a fishing vessel is presented in publication [6], and the authors of publication [15] have proposed a new method of preparing energy audits for special units, which also includes fishing cutters. The studies presented by the authors of [16] have shown that the use of gas as a fuel for high-tonnage road vehicles has clearly contributed to a reduction in emissions of harmful exhaust components. A very detailed drive tests result analysis for motor vehicle propulsion can be found in [17]. The engines used in high-tonnage road vehicles are often from the same manufacturers and of the same types as those on fishing cutters, so that presented test methodology for motor vehicles may be useful for the development of a test methodology for engines used on fishing cutters.
Many years of cooperation with fishing shipowners have shown their considerable interest in obtaining the highest possible values of the energy efficiency indexes of cutters, mainly in order to reduce fuel consumption.
For this purpose, in this article, based on an example of three cutters of the selected type from the Polish fishing fleet, an analysis of the indicators of their energy efficiency and the degree of threat to the environment was made by determining the EEOIs related to fuel consumption and CO2 emissions, as well as the amounts of emissions of other exhaust components. The individual cutters differed in the type of main propulsion engine used. This is the first time in the country that this type of research has been carried out on the cutters of the Polish fishing fleet.

2. Power Systems of the Cutters of the Polish Fishing Fleet

Internal combustion engines play the most important role in the energy systems of fishing boats. The mechanical energy they produce is supplied to the propeller, converted into electricity in diesel generators or powered by main propulsion engines and supplied to power consumers such as pumps, compressors and trawl winches. The amount of fuel consumed is influenced by the type of internal combustion engine used on the unit, as well as the degree of its technical and technological advancement related to the year of the engine construction. Examples of specific fuel consumption in g at the MCR (maximum continuous rating) by medium- and high-speed internal combustion engines loaded with rated power, depending on the years of their construction, are presented in Table 1. Engines with power below 1000 kW were taken into account.
An analysis of the results of operational research of the energy systems of Polish fishing cutters and sources in the literature [10,20] allowed for the evaluation of the energy consumption of the individual energy receivers (in relation to 100% of the power generated by the main propulsion engine):
  • Main propulsion, 60–75%;
  • Fishing devices (hydraulic drive), 10–15%;
  • Electric appliances, 2–15%.
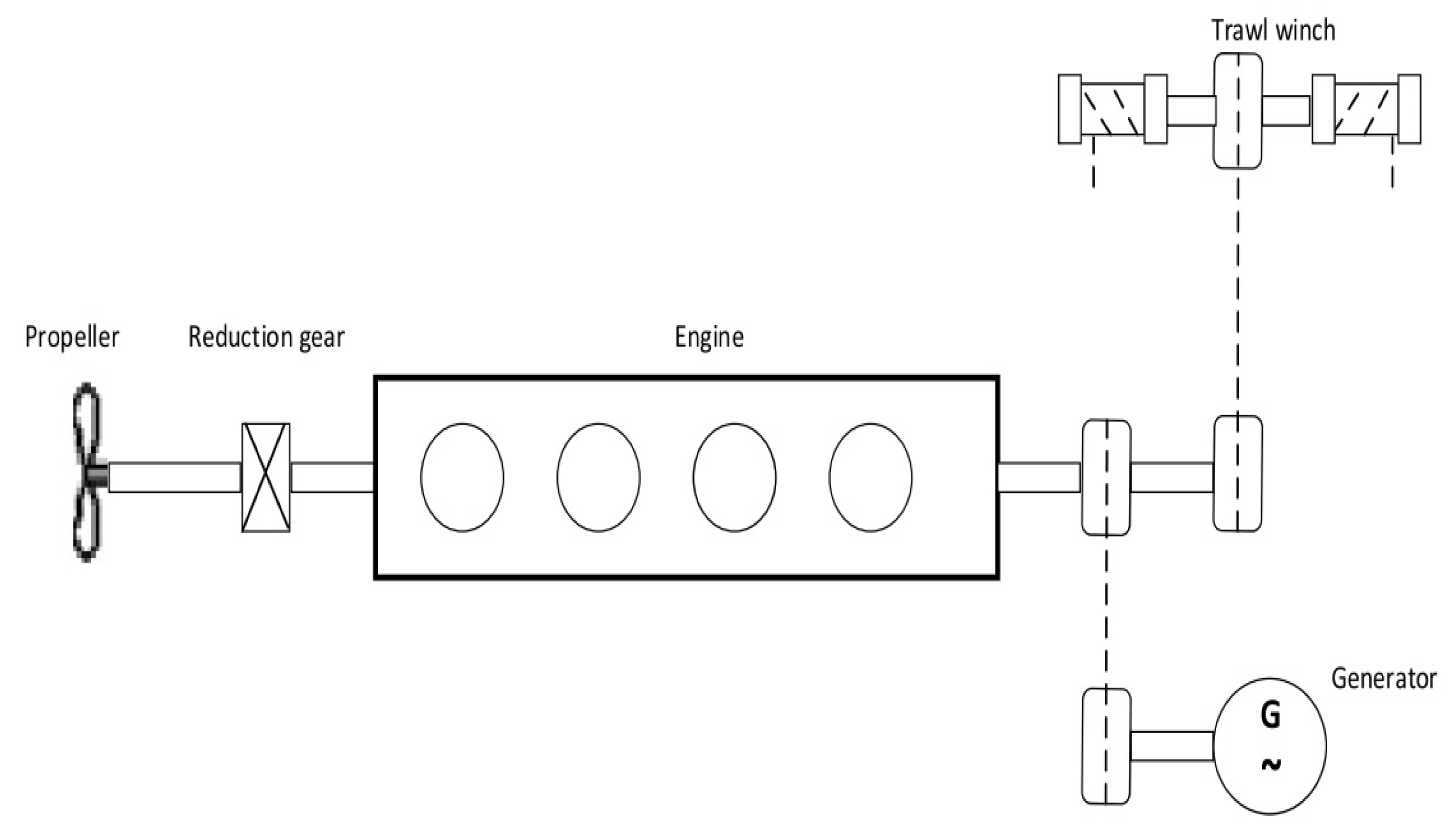
Diagrams of the power systems most commonly found on the 15–25 m-long fishing cutters of the Polish Baltic fishing fleet are shown in Figure 1 and Figure 2 [20,21].
When analysing the power systems shown in Figure 1 and Figure 2, it can be seen that compression ignition internal combustion engines provide mechanical energy to all energy receivers. After transformations, this energy is used to generate electricity, driving pumps, compressors and trawl winches. The energy system of the B 25 s cutters also includes an integrated generating set in which the internal combustion engine, apart from a generator, drives a compressor and a water pump. The energy systems of the cutters do not use the waste heat contained in the flue gas to generate heat; hence, the space heating systems include oil-fired water boilers.

3. Main Propulsion Engines

Over the years, the cutters’ energy systems have undergone modifications, the main goal of which has been to reduce energy consumption. Funding obtained from the European Fisheries Fund has allowed fishermen to replace their main propulsion engines, which has contributed not only to lower fuel consumption but also to limiting the emissions of harmful exhaust gas components.
Table 2 lists the main propulsion engine types that have most often replaced the original engines installed during construction on K-16, Storem 4 and B 25 s series fishing cutters, the energy systems of which are shown in Figure 1 and Figure 2.
When analysing the data contained in Table 2, one can notice a variety of types of replaced engine. Most of the engines replaced were not new; they were purchased at the manufacturers’ service points after renovation.

4. Research Object and Methodology

The energy systems of the B 25 s cutters were adopted as the research object (Figure 2).
The energy system of one of the B 25 s cutters (No. 1 in Table 3) has not been modernised since the unit’s entry into service, while on the second and third units (No. 2 and 3), the modernisation of the energy system has consisted of replacing the engines of the main propulsion Wola-Henschel 30 H 12 A for new-generation and other types of engines. The engines replaced were not brand-new. However, for cutters No. 4 and 5, it was proposed to use the latest generation of engines, one with a common rail system powered by liquid fuel (No. 4) and the other one fuelled by gas (No. 5). The technical data of the engines installed on the tested units are presented in Table 3.
In the data analysis in Table 3, it can be noticed that in relation to the engine used on cutter No. 1, the engines mentioned above (cutters No. 2–3) have approximately 10% more power, while the proposed engines (cutters No. 4 and 5) have power that is greater by about 20%.
Before these tests were started on cutters No. 1–3, a resistance torsiometer for measuring the torque and meters for measuring the fuel consumption by the main propulsion engines were installed on the input shaft of the transmission. The GPS was used to determine the distance travelled and the speed developed by the cutters. The following operational tasks were defined: free navigation without a load, trawling and free navigation with a load. During these, the tests necessary to determine the EEOIs were carried out. For the sake of comparison, it was agreed with the skippers of the vessels that the fishing would be carried out in the same fisheries and would be limited to one trawling for 1 h. The boats were stationed in the same port. These tests were carried out in the summer, with an interval of 1 week for individual cutters in the same operating conditions (the same speed of free swimming and trawling, the same trawling time) and in similar weather conditions. The fired boilers were not in use. When the emissions of individual exhaust components were determined, the methodology of the emissions tests and the calibration procedure for the exhaust gas analysers were used in accordance with the requirements of the IMO [24], which are based on the recommendations of the ISO 8178 standards. The engines were given weighted unit emissions, referring to standard conditions, as the result of averaging the engine operation according to the standard test cycle, with statistical weights taken into account.
As the tested engines worked with the changes in load according to the propeller characteristics and were installed on vessels shorter than 24 m in length, these tests were carried out according to the E5 test cycle [25].

5. Energy Efficiency Operational Indicators (EEOIs) of the Tested Fishing Boats

An EEOI allows for the ongoing assessment of the energy efficiency of marine energy systems. In the cases of ships in service, it is possible to verify the impact of planned or introduced technical and operational changes on the value of this coefficient. For fishing vessels, technical changes include, among others, improvement of the technical condition of the hull, replacement of the propulsion system (including main propulsion engines) and improvement of the technical condition of the machinery and equipment of the energy system. The operational factors, on the other hand, include draft control (especially trim), cruise route planning, ongoing fuel consumption control and the development and implementation of the ship’s energy management process. The EEOI can be determined from the following relationship, (1) [7]:
E E O I = j F C j C F j m c arg o D
where:
FCj—the mass of fuel consumed by the main and auxiliary engines and boilers during the performance of the operational task (t/h);
j—the fuel type;
CFj—the fuel conversion factor expressed as the ratio of the mass of CO2 resulting from the combustion of the type of fuel used, j (tCO2/t.fuel);
mcargo—the weight of the transported cargo (tonnes) or operational task performed (number of TEU containers or cars transported, fish caught, etc.) or the capacity (GT) for passenger ships;
D—the distance in nautical miles over which the operational task was performed [nm].
The above mathematical relationship, (1), was developed by the IMO [7], and in order to use it, it is necessary to know the fuel conversion factor (CF). The value of this coefficient for the fuel used in fishing vessels (which is diesel/gas oil according to ISO 8217), designated as DMX to DMC, was adopted, in accordance with [7], as equal to CF = 3206 (tCO2/tfuel), and for gas, CF = 2750 (tCO2/tfuel).
With data collected during operational tests on units, such as total fuel consumption, distance travelled and weight of fish caught, EEOIs were calculated for individual units using Formula (1). Due to the different weights of fish caught by the individual vessels, the unit EEOI values for 1 tonne of fish were determined for comparison. In the case of cutters No. 4 and 5, the fuel consumption data were obtained on the basis of the characteristics of the Volvo-Penta and Mitsubishi engines [19], and the remaining data were obtained during operational tests on fishing boats No. 1–3. The calculation results are presented in Table 4.
The data contained in Table 4 allowed for the preparation of a diagram (Figure 3) that shows the EEOI values of the analysed cutters.
When analysing the results of the calculations presented in Table 4 and shown in Figure 3, it can be seen that the use of newer-generation engines and a gas-powered engine reduces the EEOI value, which means a reduction in the amount of fuel consumed and the amount of CO2 emitted into the atmosphere.

6. Emissions of Selected Exhaust Gas Components from the Main Propulsion Engines of the Tested Fishing Boats

For the analysed fishing boats, tests were carried out in accordance with the standards in order to determine the mass flows and specific emissions of the following exhaust gas components: CO, NOx and HC. The sets of measurement data made it possible to determine dependence, enabling the determination of the unit emissions of individual exhaust gas components [20]:
E = a Pex + b [g/kWh],
where Pe [-] is the relative value of the engine power load, as this analysis has shown. Equation (2) is universal and can be used for marine main propulsion engines with a wide range of effective power.
The coefficients of Equation (2) for unit No. 1 (Table 1) assumed the values in Table 5.
With the data from the measurements of the exhaust emissions of, fuel consumption of and power developed by the individual engines, it was possible to determine the values of the emissions of individual exhaust components per kilogramme of fuel burned. The calculation results for the changes in engine power within the range of 20–100% are presented in Table 6.
In analysing the results presented in Table 6, it can be seen that the development of the engine design resulted in decreases not only in the specific fuel consumption but also in the exhaust gas emission values. Compared to the oldest, Wola-Henschel 22H12A, engine design, the newest, Volvo Penta D6-400, engine powered by liquid fuel had reductions in CO emissions of about 40%, NOx emissions of about 15% and HC emissions of about 25%. The lowest emission of harmful exhaust components was obtained after the use of a gas-fuelled engine, when the decrease in CO emissions was about 50%, that in NOx about 90% and that in HC about 70%.

7. Bench Research

The presented data on EEOIs (fuel consumption and emissions of toxic compounds in exhaust gases) primarily concern the operation of fishing boats equipped with engines of various generations, but it is very interesting to analyse the possibility of reducing EEOIs with slight changes in the designs of these engines. These changes include, first of all, the design of fuel injectors with fuel pre-treatment [26], which involves contact of the fuel flowing in the injector with a catalytic material, which may be a metal from the platinum group. This proposed change makes it possible to reduce the activation energy of the initial reaction oxidation of the fuel, which will consequently lead to a reduction in the auto-ignition delay period and enable the dehydrogenation reaction with the release of free hydrogen, which will lead to more complete combustion of the fuel [26].
The bench tests were carried out on a four-stroke compression ignition engine with direct fuel injection type 359 (Figure 4); the design of the combustion chamber and injection apparatus was similar to that of fishing boats.
In view of the fact that there were no meters onboard the vessels to measure the power developed by the engines, it was decided to measure fuel consumption and the emissions of the harmful components of the exhaust gas in relation to engine revolution speed. In the engine injectors, needles with catalytic coating were installed.
Each engine was power-loaded via water brake type HH-3. Fuel consumption was measured using an AUTOMEX AMX 212F fuel measuring device installed in the power supply system of the tested engines, between the tanks and the fuel filter. This meter is characterised by a measurement range of consumption time of a constant mass of fuel (42 g) from 0 to 999.9 s, with an accuracy of 0.1 s. Exhaust gas composition was determined using a portable Testo 350 MARITIME analyser with the following parameters:
Temperature:
Measuring range: −200 to +1370 °C;
Accuracy: ±1.0 °C (−200 to +1001.0 °C);
Resolution: ±0.1 °C (−200 to +1370.0 °C);
Flue gas CO (with H2-compensation);
Measuring range: 0 to 3000 ppm;
Accuracy: According to MARPOL Annex VI and NOx Technical Code.
Flue gas CO2—NDIR:
Measuring range: 0 to 40 Vol.%;
Accuracy: According to MARPOL Annex VI and NOx Technical Code.
Flue gas NOx:
Measuring range: 0 to 500 ppm;
Accuracy: According to MARPOL Annex VI and NOx Technical Code.
Exhaust smoke was tested with Mach device type MDO 2 with the following measurement ranges: opacity—0–100% and light absorption coefficient (k)—0–9.99 m−1. The ranges of accuracy were opacity—0.1% and light absorption coefficient (k)—0.01 m−1.
Figure 5, Figure 6, Figure 7, Figure 8, Figure 9, Figure 10 and Figure 11 show the speed characteristics in the form of power; specific fuel consumption; exhaust gas temperature; smoke opacity; and emissions of carbon dioxide, carbon monoxide and nitrogen oxides. The factory injector corresponds to the parameters of the engine working with the factory set of injection equipment and the modified injector to the engine equipped with a set of injectors with needles with a layer of catalyst applied.
As shown in the test results obtained and presented in Figure 5, Figure 6, Figure 7, Figure 8, Figure 9, Figure 10 and Figure 11, the fuel pre-treatment improved both the economic and ecological parameters of the compression ignition engine operation in practically the entire range of rotational frequencies.
Using the obtained results (Figure 5, Figure 6, Figure 7, Figure 8, Figure 9, Figure 10 and Figure 11), it was possible to determine the influence of the fuel prepared in this way in the injection apparatus, with the use of catalytic and turbulent fuel treatment, on the EEOI.
The EEOI value calculated using equation (1) was 118.5 × 10−4 (tCO2/t nm), which is a value similar to that for the new-generation Scania DSI1461M41T engine and the Volvo Penta D6-400 common rail engine (Table 4).

8. Conclusions

This article has shown that the replacement of the compression ignition combustion engines used on the Polish fishing boats has contributed to a reduction in fuel consumption and a reduction in the emissions of harmful exhaust components.
The tests carried out on fishing boats no. 2–3 (Table 3, Table 4 and Table 6), in which the engines were replaced, resulted in decreases in the EEOI value in the range of 14–18%, compared with that of boat No. 1, in which the oldest main propulsion engine type was not replaced. This is mainly related to a decrease in fuel consumption. The use of the proposed common rail (cutter No. 4) and gas (cutter No. 5) engines will reduce the EEOI value by 21% and 25%, respectively, compared with that of cutter No. 1. The proposed preliminary method of fuel treatment may allow for further improvement of the ecological parameters of the self-ignition engines used in Polish fishing. This method will also improve the economic parameters of the fleet. It will not cause any technical problems because it can be used in the production process of injection-device components, as well as on devices already in operation. Catalytic coatings are applied with electro-spark melting, which does not change the accuracy of precise pairs, while the execution of turbulence channels on a properly prepared station (e.g., minilathe) is not complicated and does not require professional training of the operator. As a result of tests carried out on an engine equipped with injectors with a catalytic coating, the specific fuel consumption was reduced by 8% and the emission of nitrogen oxides by 15%, while the emissions of oxides and exhaust smoke and the EEOI value were reduced by 16%. Catalytic coatings can be used on the injection equipment of all diesel engines powered by liquid. The beneficial effects of catalytic coatings on reductions in fuel consumption and emissions of harmful exhaust constituents obtained during laboratory tests of the engine point the way to further research, which will consist of coating the catalytic converter layers of the injection apparatuses of the engines used on the cutters and carrying out performance tests on the engines.

Author Contributions

Conceptualisation, C.B., O.K. and M.S.; methodology, C.B., O.K. and M.S.; software, M.S.; validation, C.B., O.K. and M.S.; formal analysis, C.B. and O.K.; investigation, C.B., O.K. and M.S.; resources, C.B., O.K. and M.S.; data curation, M.S.; writing—original draft preparation, C.B., O.K. and M.S.; writing—review and editing, O.K.; visualisation, M.S.; supervision, C.B.; funding acquisition, O.K. All authors have read and agreed to the published version of the manuscript.

Funding

This research outcome was achieved under research project No. 00004-6520.13-OR1600001/19/20, “Redukcja zużycia energii w aspekcie zmniejszenia negatywnego wpływu rybactwa śródlądowego i morskiego na środowisko”, financed from a subsidy of the EU.

Data Availability Statement

Data available on request due to restrictions resulting from the provisions in the requirements of the contract with the institution financing the research.

Conflicts of Interest

The authors declare no conflict of interest.

References

  1. Cheilari, A.; Guillen, J.; Damalas, D.; Barbas, T. Effects of the Fuel Price Crisis on the Energy Efficiency and the Economic Performance of the European Union Fishing Fleets. Mar. Policy 2013, 40, 18–24. [Google Scholar] [CrossRef]
  2. Zeńczak, W. The Possibilities of Fishing Cutter Energetic Efficiency Improvement through the Application of the Renewable Energy Sources. J. Pol. CIMAC 2014, 9, 144–145. [Google Scholar]
  3. Yoo, B.-Y. Economic Assessment of Liquefied Natural Gas (LNG) as a Marine Fuel for CO2 Carriers Compared to Marine Gas Oil (MGO). Energy 2017, 121, 772–780. [Google Scholar] [CrossRef]
  4. Roll, K.H.; Asche, F.; Bjørndal, T. The Effect of Introducing Fuel Tax to the Norwegian Fishery Industry. Mar. Policy 2022, 135, 104829. [Google Scholar] [CrossRef]
  5. Spoof-Tuomi, K.; Niemi, S. Environmental and Economic Evaluation of Fuel Choices for Short Sea Shipping. Clean Technol. 2020, 2, 34–52. [Google Scholar] [CrossRef]
  6. Notti, E.; Buglioni, G.; Sala, A. An Energy Audit Tool for Increasing Fishing Efficiency; E-Fishing: Vigo, Spain, 2012. [Google Scholar]
  7. MEPC 1/Circ. In 684 Guidelines for Voluntary Use of the Ship Energy Efficiency Operational Indicator; International Maritime Organization: London, UK, 2019.
  8. Sala, A.; Damalas, D.; Labanchi, L.; Martinsohn, J.; Moro, F.; Sabatella, R.; Notti, E. Energy Audit and Carbon Footprint in Trawl Fisheries. Sci. Data 2022, 9, 428. [Google Scholar] [CrossRef] [PubMed]
  9. Green Growth and Energy Use in Fisheries and Aquaculture. Available online: https://one.oecd.org/document/TAD/FI(2009)14/en/pdf (accessed on 19 June 2023).
  10. European Fisheries Technology Platform. Key Challenges to Promote the Energy Efficiency in Fisheries from a Research and Innovation Perspective. Workshop about Energy Efficiency Organized by the European Fisheries Technology Platform; European Fisheries Technology Platform: Madrit, Spain, 2012. [Google Scholar]
  11. Sánchez Pedroche, D.; Amigo, D.; García, J.; Molina, J.M. Architecture for Trajectory-Based Fishing Ship Classification with AIS Data. Sensors 2020, 20, 3782. [Google Scholar] [CrossRef] [PubMed]
  12. Deng, J.; Wang, X.; Wei, Z.; Wang, L.; Wang, C.; Chen, Z. A Review of NOx and SOx Emission Reduction Technologies for Marine Diesel Engines and the Potential Evaluation of Liquefied Natural Gas Fuelled Vessels. Sci. Total Environ. 2021, 766, 144319. [Google Scholar] [CrossRef] [PubMed]
  13. Aakko-Saksa, P.T.; Lehtoranta, K.; Kuittinen, N.; Järvinen, A.; Jalkanen, J.-P.; Johnson, K.; Jung, H.; Ntziachristos, L.; Gagné, S.; Takahashi, C.; et al. Reduction in Greenhouse Gas and Other Emissions from Ship Engines: Current Trends and Future Options. Prog. Energy Combust. Sci. 2023, 94, 101055. [Google Scholar] [CrossRef]
  14. Lebedevas, S.; Raslavičius, L.; Rapalis, P. Simulation of Microalgae Oil Spray Characteristics for Mechanical Fuel Injection and CRDI Systems. Biomass Convers. Biorefinery 2022, 1–16. [Google Scholar] [CrossRef]
  15. Prill, K.; Behrendt, C.; Szczepanek, M.; Michalska-Pożoga, I. A New Method of Determining Energy Efficiency Operational Indicator for Specialized Ships. Energies 2020, 13, 1082. [Google Scholar] [CrossRef]
  16. Wasiak, M.; Zdanowicz, P.; Nivette, M. Research on the Effectiveness of Alternative Propulsion Sources in High-Tonnage Cargo Transport. AoT 2021, 60, 259–273. [Google Scholar] [CrossRef]
  17. Andrych-Zalewska, M.; Chłopek, Z.; Merkisz, J.; Pielecha, J. Analysis of the Operation States of Internal Combustion Engine in the Real Driving Emissions Test. AoT 2022, 61, 71–88. [Google Scholar] [CrossRef]
  18. Wajand, J.A.; Wajand, J.T. Tłokowe Silniki Spalinowe Średnio i Szybkoobrotowe; WNT: Warszawa, Poland, 2015; ISBN 83-204-3054-2. [Google Scholar]
  19. Scania DS14 Engine Specs, Bolt Torques and Manuals. Available online: https://barringtondieselclub.co.za/scania/scania-ds14.html (accessed on 13 May 2023).
  20. Behrendt, C. Energy Efficiency Operational Indicator of the Selected Type of Polish Fleet Fishing Cutter in Dependence of the Main Engine Type. J. Phys. Conf. Ser. 2019, 1172, 012073. [Google Scholar] [CrossRef]
  21. Rabe, M.; Jakubowska, A.; Draskovic, V.; Widera, K.; Pudło, T.; Łopatka, A.; Kuźmiński, Ł. Comparative Analysis on the Performance and Exhaust Gas Emission of Cars with Spark-Ignition Engines. Energies 2022, 15, 6361. [Google Scholar] [CrossRef]
  22. Rajewski, P.; Behrendt, C. The Structure of Main Engine Power Installed on Polish Fishing Vessel Operating from Polish Ports. Maint. Probl. 2008, 1/2008, 147–156. [Google Scholar]
  23. Technical Overview of Mitsubishi LNG Marine Auxiliary Solutions. Available online: www.powerhouse.se (accessed on 11 May 2023).
  24. Annex IV of the Marpol 73/78 Convention. Available online: https://static.pmg.org.za/140729annexiv.pdf (accessed on 9 May 2023).
  25. Emission Test Cycles: ISO 8178. Available online: https://dieselnet.com/standards/cycles/iso8178.php (accessed on 13 May 2023).
  26. Sa, B.; Klyus, O.; Markov, V.; Kamaltdinov, V. A Numerical Study of the Effect of Spiral Counter Grooves on a Needle on Flow Turbulence in a Diesel Injector. Fuel 2021, 290, 120013. [Google Scholar] [CrossRef]
Figure 1. Diagram of the power system of the Storem 4 and K-15 cutters (this study).
Figure 1. Diagram of the power system of the Storem 4 and K-15 cutters (this study).
Energies 16 07177 g001
Figure 2. Diagram of the power system of the B 25 s cutters (this study).
Figure 2. Diagram of the power system of the B 25 s cutters (this study).
Energies 16 07177 g002
Figure 3. EEOI values of the analysed cutters depending on the engine type (this study).
Figure 3. EEOI values of the analysed cutters depending on the engine type (this study).
Energies 16 07177 g003
Figure 4. Test setup of engine type 359 (author’s photos).
Figure 4. Test setup of engine type 359 (author’s photos).
Energies 16 07177 g004
Figure 5. Characteristics of the engine power of the tested engine (this study).
Figure 5. Characteristics of the engine power of the tested engine (this study).
Energies 16 07177 g005
Figure 6. Characteristics of the specific fuel consumption of the tested engine (this study).
Figure 6. Characteristics of the specific fuel consumption of the tested engine (this study).
Energies 16 07177 g006
Figure 7. Characteristics of the exhaust temperature of the tested engine (this study).
Figure 7. Characteristics of the exhaust temperature of the tested engine (this study).
Energies 16 07177 g007
Figure 8. Characteristics of the exhaust smoke of the tested engine (this study).
Figure 8. Characteristics of the exhaust smoke of the tested engine (this study).
Energies 16 07177 g008
Figure 9. Levels of CO2 emission of the studied engine (this study).
Figure 9. Levels of CO2 emission of the studied engine (this study).
Energies 16 07177 g009
Figure 10. Levels of CO emission of the studied engine (this study).
Figure 10. Levels of CO emission of the studied engine (this study).
Energies 16 07177 g010
Figure 11. Levels of NOx emission of the studied engine (this study).
Figure 11. Levels of NOx emission of the studied engine (this study).
Energies 16 07177 g011
Table 1. Unit fuel consumption of medium- and high-speed marine internal combustion engines depending on their years of construction [10,18,19].
Table 1. Unit fuel consumption of medium- and high-speed marine internal combustion engines depending on their years of construction [10,18,19].
Year of Engine ConstructionBefore 19841985–20002001–2014After 2014
Unit Fuel Consumption in g at MCR (g/kWh)225–250205–220195–210190–205
Table 2. Main propulsion engines used on selected types of cutters of the Polish fishing fleet [20,21].
Table 2. Main propulsion engines used on selected types of cutters of the Polish fishing fleet [20,21].
Cutter Series TypeWater Line LengthYear of ConstructionAverage Power of the Main Propulsion DriveOriginal EngineNew Engine
ManufacturerTypeManufacturerType
(−)(m)(−)(kW)(−)(−)(−)(−)
K-1515.11955–1960121Puck
WSK-Mielec
Delfin 4TA U/E680/193/1Volvo-PentaTAMD 122A
TAMD 122AD
TAMD 121C
MAND2840 LE
D2866 E
DSI
ScaniaD112M
STOREM 415.71960–1970121WSK-Mielec22H12AScaniaDSJ-11M01
DSJ-1442
Volvo-PentaTAMD 122A
TAMD 162A
CATPB14C3408
B-25s22.91965–1975258WSK—Mielec30 H 12MAND2542 MTE
D2842 LE
Volvo-PentaTAMD 162C
ScaniaDJ 1643M
C16C-BMH
Greena6F24T
Table 3. Basic technical data of engines in the tested and proposed energy systems of B 25 s type cutters in the fleet [20,22].
Table 3. Basic technical data of engines in the tested and proposed energy systems of B 25 s type cutters in the fleet [20,22].
Cutter No.Engine ManufacturerEngine TypeNominal PowerNominal Rotational SpeedPropeller Rotational SpeedRemarks
PN (kW)nn
(rev/min)
np
(rev/min)
1Wola-Henschel30 H 12 A2581500375Original engine
2ScaniaDS1440M20S2971500375Replaced engine
3ScaniaDSI1461M41T2901600400Replaced engine
4Volvo PentaD6-4003101600400Proposed common rail engine
5MitsubishiGS6R2-PTK3151600400Proposed gas-fuelled engine *
* Natural gas with the following composition: CH4—81–100% vol, C2H5—0–9% vol, C3H8—0–4% vol, i—C4H10—0–4% vol, i—C5H12—0–0.3% vol, C6H16—0–0.3% vol, C7H16—0–0.1% vol, CO2—0–6% vol, N2 0–6 % vol. Methane number > 60 [23].
Table 4. Determined EEOI unit values of the tested cutters.
Table 4. Determined EEOI unit values of the tested cutters.
Engine TypeWola-Henschel
22 H 12 A
Scania
DS1440
M20S
Scania
DSI1461
M41T
Volvo Penta
D6-400
Mitsubishi
GS6R2-PTK
Cutter No.12345
Energy Efficiency Operational Indicator (per Tonne of Fished Fish)
EEOI 10−4 (tCO2/t. fish Nm)
Whole Cruise (Free Navigation, Trawling)140.55122.58115.82110.78104.32
Table 5. Values of the coefficients of equation (2) for specific exhaust emission.
Table 5. Values of the coefficients of equation (2) for specific exhaust emission.
Exhaust Componentabx
CO0.9101.0
NOx0.13510.81.5
HC0.07301.5
Table 6. Unit emissions of selected exhaust gas components from the tested engines.
Table 6. Unit emissions of selected exhaust gas components from the tested engines.
Cutter No.Engine TypeUnit Emission (g/kgfuel)Remarks
CONOxHC
1Wola-Henschel 22H12A18–1248–501.3–1.1Calculated
2Scania DS1440M20S15–1043–481.1–0.9Calculated
3Scania DSI1461M41T12–842–461.0–0.8Calculated
4Volvo Penta D6-40010–840–350.9–0.7Catalogue data
5Mitsubishi GS6R2-PTK8–55–70.4–0.3Catalogue data
Disclaimer/Publisher’s Note: The statements, opinions and data contained in all publications are solely those of the individual author(s) and contributor(s) and not of MDPI and/or the editor(s). MDPI and/or the editor(s) disclaim responsibility for any injury to people or property resulting from any ideas, methods, instructions or products referred to in the content.

Share and Cite

MDPI and ACS Style

Behrendt, C.; Klyus, O.; Szczepanek, M. Reductions in Energy Consumption and Emission of Harmful Exhaust Gases by Fishing Vessels. Energies 2023, 16, 7177. https://doi.org/10.3390/en16207177

AMA Style

Behrendt C, Klyus O, Szczepanek M. Reductions in Energy Consumption and Emission of Harmful Exhaust Gases by Fishing Vessels. Energies. 2023; 16(20):7177. https://doi.org/10.3390/en16207177

Chicago/Turabian Style

Behrendt, Cezary, Oleh Klyus, and Marcin Szczepanek. 2023. "Reductions in Energy Consumption and Emission of Harmful Exhaust Gases by Fishing Vessels" Energies 16, no. 20: 7177. https://doi.org/10.3390/en16207177

APA Style

Behrendt, C., Klyus, O., & Szczepanek, M. (2023). Reductions in Energy Consumption and Emission of Harmful Exhaust Gases by Fishing Vessels. Energies, 16(20), 7177. https://doi.org/10.3390/en16207177

Note that from the first issue of 2016, this journal uses article numbers instead of page numbers. See further details here.

Article Metrics

Back to TopTop