Review of Voltage-Bucking/Boosting Techniques, Topologies, and Applications
Abstract
1. Introduction
2. Categories of Step-Up and Step-Down DC–DC Converters
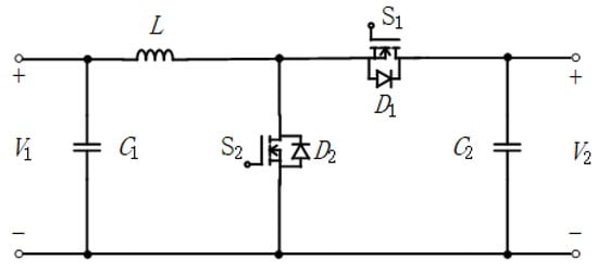
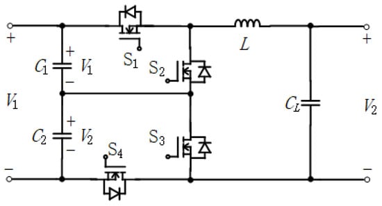
2.1. Unidirectional and Bidirectional
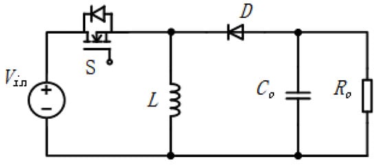
2.2. Voltage-Fed and Current-Fed
2.3. Hard Switching and Soft Switching
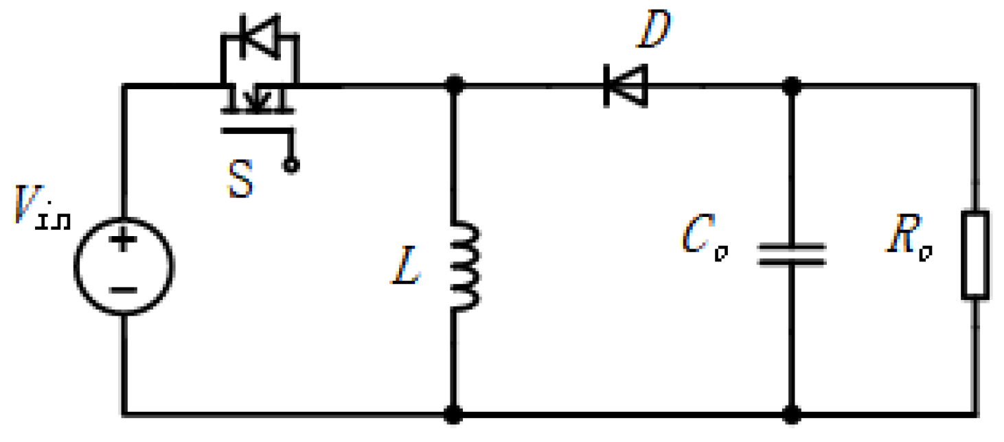
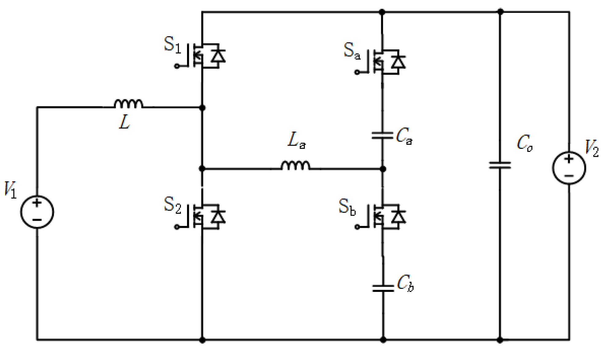
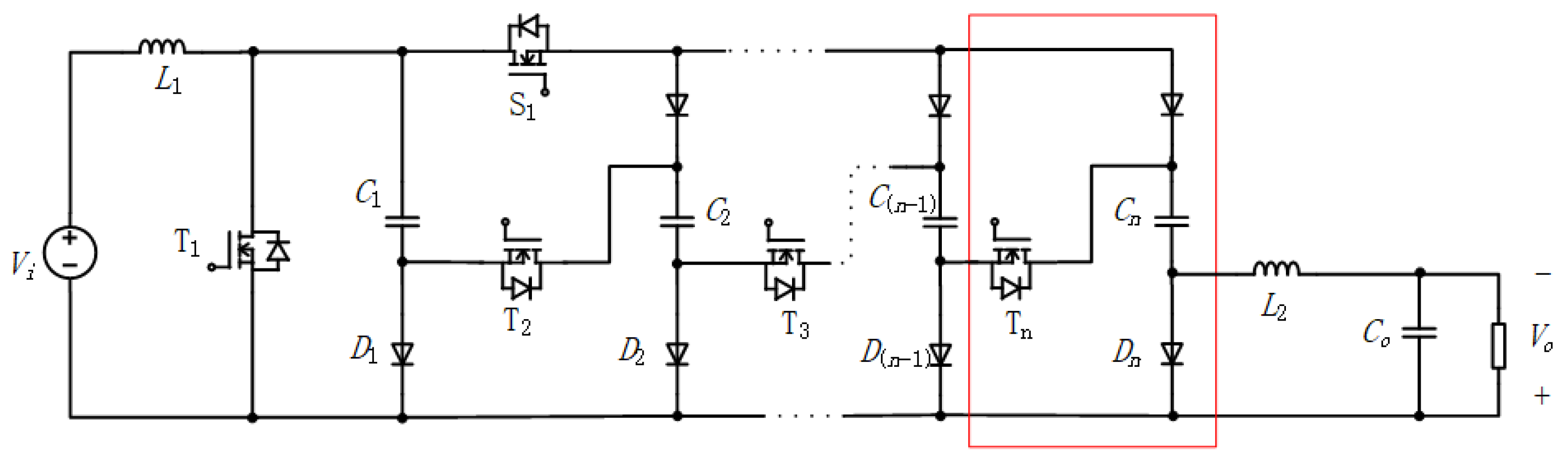
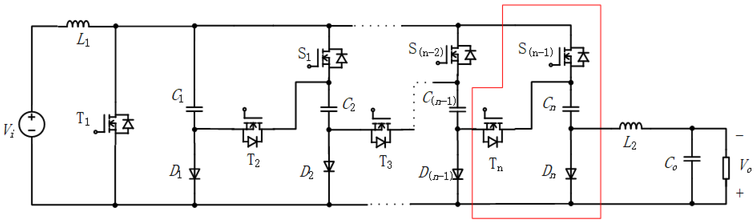
3. Different Step-Up and Step-Down Voltage Techniques
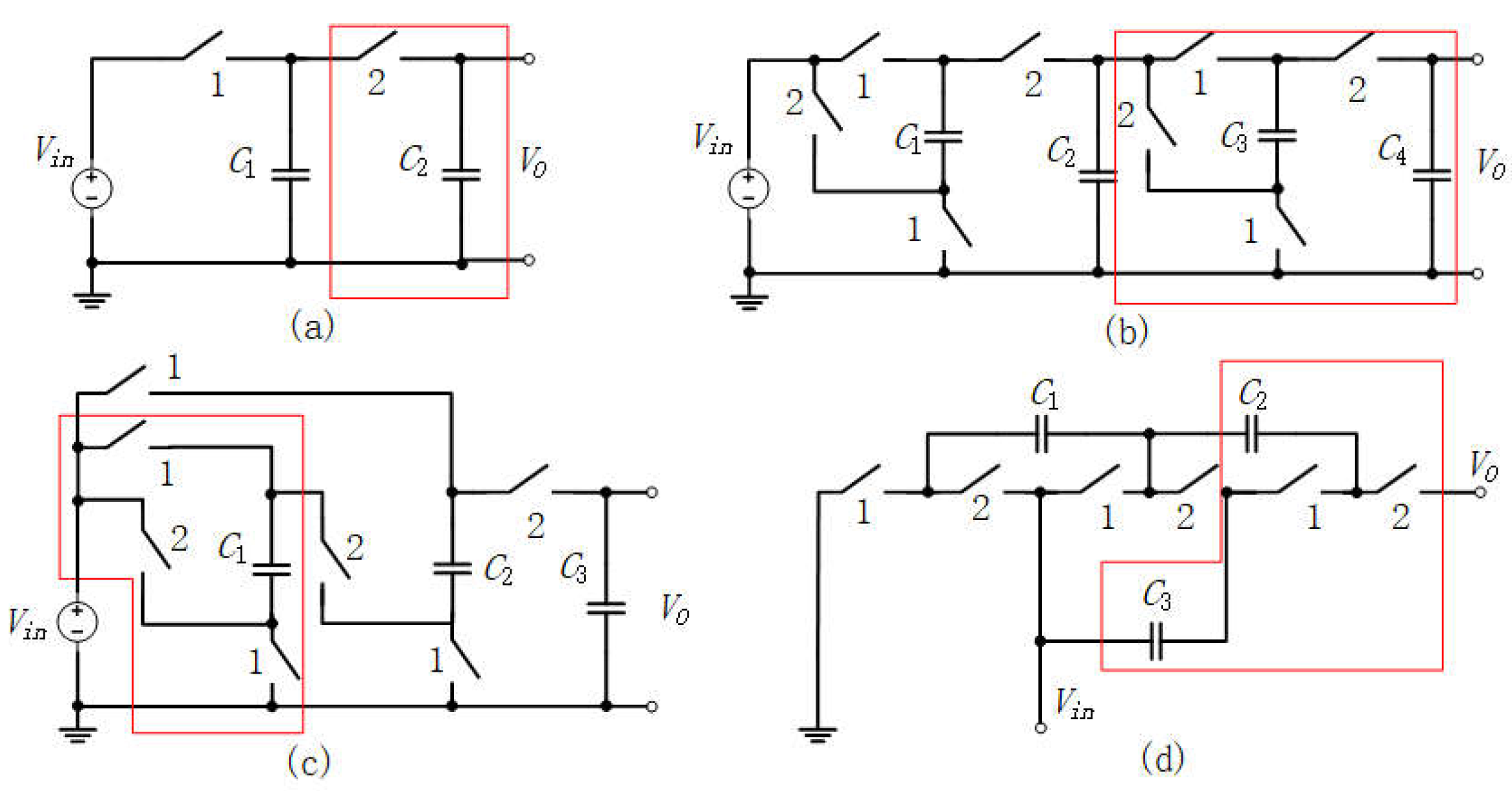
3.1. SC
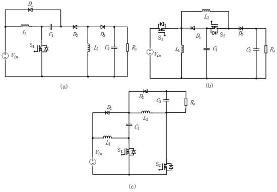
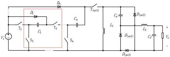
3.2. Voltage Multiplier
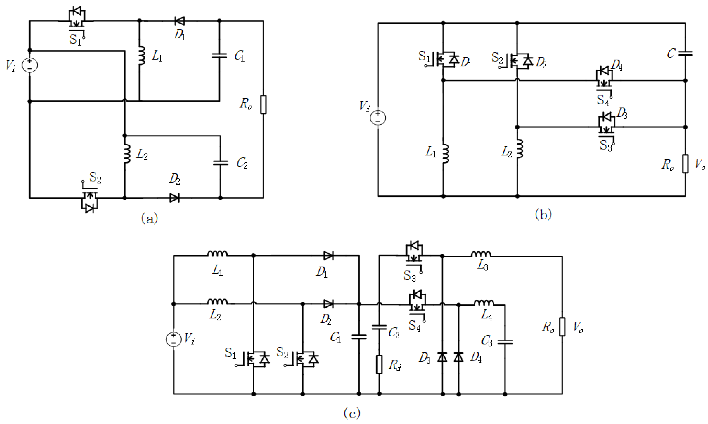
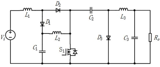
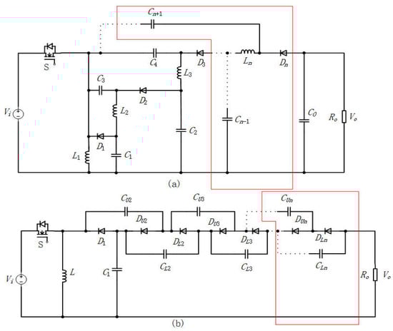
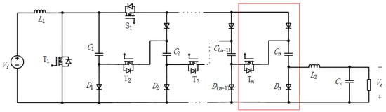
3.3. Switched Inductor
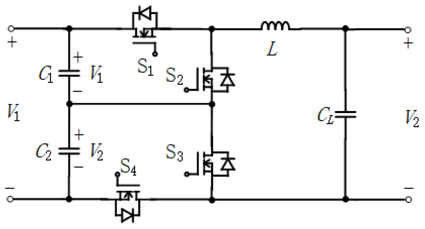
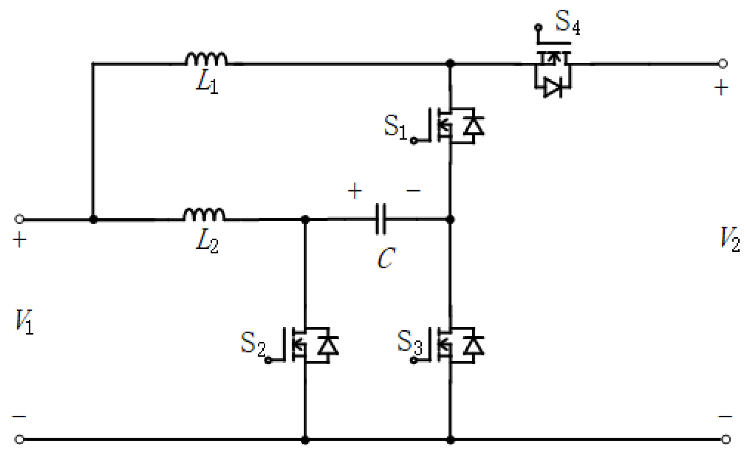
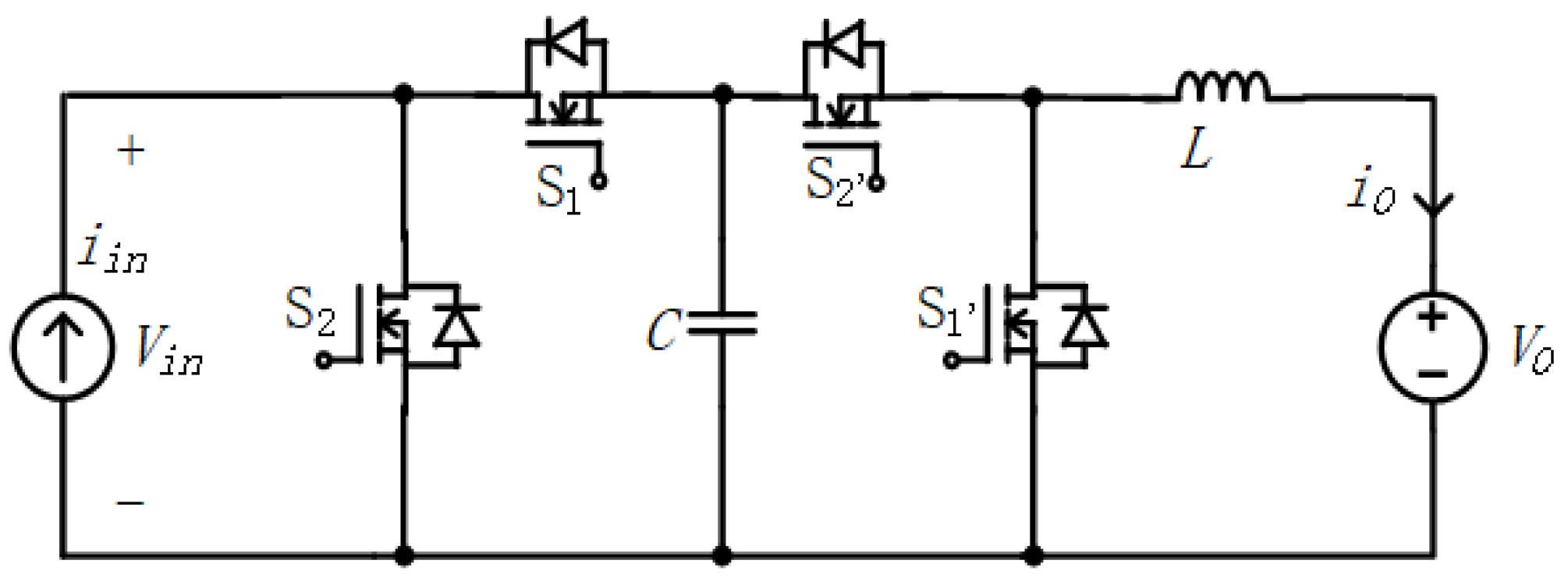
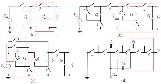
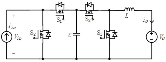
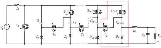
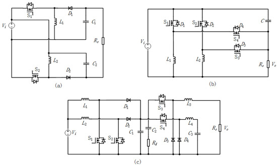
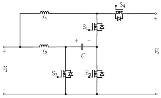
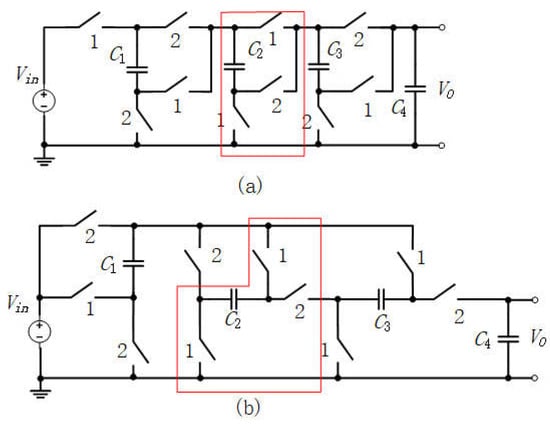
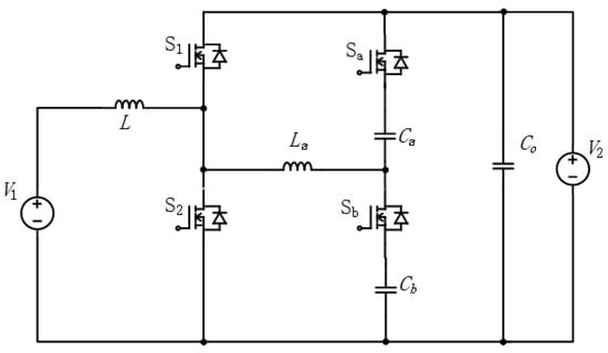
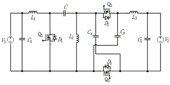
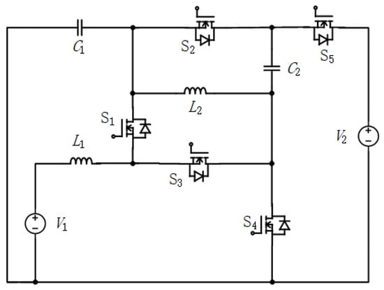
3.4. Different Ways of Connecting
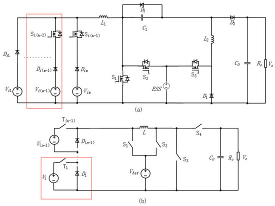
4. Application
5. Conclusions
Author Contributions
Funding
Institutional Review Board Statement
Informed Consent Statement
Data Availability Statement
Conflicts of Interest
References
- Zhang, G.; Li, Z.; Zhang, B.; Halang, A.W. Power Electronic Converters: Past, Present and Future. Renew. Sustain. Energy Rev. 2018, 81, 2028–2044. [Google Scholar] [CrossRef]
- Bose, B.K. The past, present, and future of power electronics. Ind. Electron. Mag. IEEE 2009, 3, 7–11. [Google Scholar] [CrossRef]
- Van Wyk, J.D. Power Electronics Technology At the Dawn of a New Century-Past Achievements and Future Expectations. In Proceedings of the 2000 3rd International Power Electronics and Motion Control Conference, Beijing, China, 15–18 August 2000; pp. 9–20. [Google Scholar]
- Ding, S.; Wang, F. A New Negative Output Buck–Boost Converter with Wide Conversion Ratio. IEEE Trans. Ind. Electron. 2017, 64, 9322–9333. [Google Scholar]
- Banaei, M.R.; Bonab, H.A.F. A Novel Structure for Single-Switch Nonisolated Transformerless Buck–Boost DC–DC Converter. IEEE Trans. Ind. Electron. 2017, 64, 198–205. [Google Scholar] [CrossRef]
- Sarikhani, A.; Allahverdinejad, B.; Torkaman, H. A non-isolated buck-boost DC-DC converter with single switch. In Proceedings of the 2018 9th Annual Power Electronics, Drives Systems and Technologies Conference, Tehran, Iran, 13–15 February 2018; pp. 369–373. [Google Scholar]
- Forouzesh, M.; Siwakoti, Y.P.; Gorji, S.A.; Blaabjerg, F.; Lehman, B. Step-Up DC–DC Converters: A Comprehensive Review of Voltage-Boosting Techniques, Topologies, and Applications. IEEE Trans. Power Electron. 2017, 32, 9143–9178. [Google Scholar] [CrossRef]
- Mohapatra, T.K.; Dey, A.K.; Mohapatra, K.K. A Novel Non-isolated Positive Output TA Converter. In Proceedings of the 2019 IEEE International Conference on Sustainable Energy Technologies and Systems, Bhubaneswar, India, 26 February–1 March 2019; pp. 7–12. [Google Scholar]
- Luo, F. Six self-lift DC-DC converters, voltage lift technique. IEEE Trans. Ind. Electron. 2001, 48, 1268–1272. [Google Scholar]
- Lu, J.; Wu, H.; Shi, W. A non-isolated bidirectional Buck-Boost converter with minimized reverse-recovery losses. In Proceedings of the IECON 2011—37th Annual Conference of the IEEE Industrial Electronics Society, Melbourne, VIC, Australia, 7–10 November 2011; pp. 1085–1090. [Google Scholar]
- Saeed, L.; Khan, M.Y.A.; Arif, M.; Majid, A.; Saleem, J. A multiple-input multiple-output non-inverting non-isolated bidirectional buck/boost converter for storage application. In Proceedings of the 2018 IEEE International Conference on Computing, Mathematics and Engineering Technologies, Sukkur, Pakistan, 3–4 March 2018; pp. 1–6. [Google Scholar]
- Fardoun, A.A.; Ismail, E.H.; Sabzali, A.J.; Al-Saffar, M.A. Bidirectional converter with low input/output current ripple for renewable energy applications. In Proceedings of the 2011 IEEE Energy Conversion Congress and Exposition, Phoenix, AZ, USA, 17–22 September 2011; pp. 3322–3329. [Google Scholar]
- Xiong, S.; Tan, S.C. Cascaded High-Voltage-Gain Bidirectional Switched-Capacitor DC–DC Converters for Distributed Energy Resources Applications. IEEE Trans. Power Electron. 2017, 2, 220–1231. [Google Scholar] [CrossRef]
- Lin, C.C.; Yang, L.S.; Wu, G. Study of a non- isolated bidirectional DC-DC converter. IET Power Electron. 2013, 6, 30–37. [Google Scholar] [CrossRef]
- Ardi, H.; Ajami, A.; Kardan, F.; Avilagh, S.N. Analysis and Implementation of a Nonisolated Bidirectional DC–DC Converter With High Voltage Gain. IEEE Trans. Ind. Electron. 2016, 63, 4878–4888. [Google Scholar]
- Chen, M.M.; Cheng, K.W.E. A new bidirectional DC-DC converter with a high step-up/down conversion ratio for renewable energy applications. In Proceedings of the 2016 International Symposium on Electrical Engineering (ISEE), Hong Kong, China, 14 December 2016; pp. 1–6. [Google Scholar]
- Tymerski, R.; Vorperian, V. Generation and classification of PWM DC-to-DC converters. IEEE Trans. Aerosp. Electron. Syst. 1988, 24, 743–754. [Google Scholar] [CrossRef]
- Capel, A.; Marpinard, J.C.; Jalade, J.; Valentin, M. Current Fed and Voltage Fed Switching DC/DC Converters—Steady State and Dynamic Models their Applications in Space Technology. In Proceedings of the Fifth International Telecommunications Energy Conference, Tokyo, Japan, 18–21 October 1983; pp. 421–430. [Google Scholar]
- Nousiainen, L.; Suntio, T. Dynamic characteristics of current-fed semi-quadratic buck-boost converter in photovoltaic applications. In Proceedings of the 2011 IEEE Energy Conversion Congress and Exposition, Phoenix, AZ, USA, 17–22 September 2011; pp. 1031–1038. [Google Scholar]
- Rathore, A.K.; Patil, D.R.; Srinivasan, D. Non-isolated Bidirectional Soft-Switching Current-Fed LCL Resonant DC/DC Converter to Interface Energy Storage in DC Microgrid. IEEE Trans. Ind. Appl. 2016, 52, 1711–1722. [Google Scholar] [CrossRef]
- Vashisth, N.; Gupta, R. A study of different hard-switched and soft-switched variants of buck-boost converter. In Proceedings of the 2016 IEEE 7th Power India International Conference, Bikaner, India, 25–27 November 2016; pp. 1–6. [Google Scholar]
- Behera, S.; Kumar, B.; Behera, R.; Panigrahi, B.P.; Behera, R.K.; Bagarty, D.P. Regulated Soft-Switching Power Supply Using Buck-Boost Converter. In Proceedings of the 2020 International Conference on Computational Intelligence for Smart Power System and Sustainable Energy, Keonjhar, India, 29–31 July 2020; pp. 1–7. [Google Scholar]
- Cheng, X.F.; Liu, C.; Wang, D.; Zhang, Y. State-of-the-Art Review on Soft-Switching Technologies for Non-Isolated DC-DC Converters. IEEE Access 2021, 9, 119235–119249. [Google Scholar] [CrossRef]
- Kiran, B.R.; Ezhilarasi, G.A. Design and analysis of soft-switched Buck-Boost Converter for PV applications. In Proceedings of the 2015 Annual IEEE India Conference, New Delhi, India, 17–20 December 2015; pp. 1–5. [Google Scholar]
- Wu, T.F.; Liang, S.A. A systematic approach to developing single-stage soft switching PWM converters. IEEE Trans. Power Electron. 2001, 16, 581–593. [Google Scholar]
- Wu, T.F.; Liang, S.A.; Lee, C.H. A unified approach to developing soft switching PWM converters. In Proceedings of the 2000 IEEE 31st Annual Power Electronics Specialists Conference, Galway, Ireland, 23 June 2000; pp. 193–198. [Google Scholar]
- Kim, J.G.; Park, S.W.; Kim, Y.H.; Jung, Y.C.; Won, C.Y. High-efficiency bidirectional soft switching DC-DC converter. In Proceedings of the 2010 International Power Electronics Conference, Sapporo, Japan, 21–24 June 2010; pp. 2905–2911. [Google Scholar]
- Hua, G.; Yang, E.X.; Jiang, Y.; Lee, F.C. Novel zero-current-transition PWM converters. In Proceedings of the IEEE Power Electronics Specialist Conference, Seattle, WA, USA, 20–24 June 1993; pp. 538–544. [Google Scholar]
- Hua, G.; Leu, C.; Jiang, Y.; Lee, F.C.Y. Novel zero-voltage-transition PWM converters. IEEE Trans. Power Electron. 1994, 9, 213–219. [Google Scholar]
- Kwak, D.K.; Lee, S.H.; Jung, D.Y. A new buck-boost DC/DC converter of high efficiency by soft switching technique. In Proceedings of the 2009 IEEE 6th International Power Electronics and Motion Control Conference, Wuhan, China, 17–20 May 2009; pp. 1295–1299. [Google Scholar]
- Bhajana, V.V.S.K.; Drabek, P. A novel ZCS bidirectional buck-boost DC-DC converters for energy storage applications. In Proceedings of the 2015 IEEE International Conference on Industrial Technology, Seville, Spain, 17–19 March 2015; pp. 872–877. [Google Scholar]
- Seeman, M.D.; Sanders, S.R. Analysis and Optimization of Switched-Capacitor DC–DC Converters. IEEE Trans. Power Electron. 2008, 23, 841–851. [Google Scholar] [CrossRef]
- Eguchi, K.; Hirata, S.; Shimoji, M.; Zhu, H. Design of a Step-Up/Step-Down k (=2,3,…)-Fibonacci DC-DC Converter Designed by Switched-Capacitor Techniques. In Proceedings of the 2012 Fifth International Conference on Intelligent Networks and Intelligent Systems, Tianjin, China, 1–3 November 2012; pp. 170–173. [Google Scholar]
- Abbasi, M.; Babaei, E.; Tousi, B. New family of non-isolated step-up/down and step-up switched-capacitor-based DC–DC converters. IET Power Electron. 2019, 12, 1706–1720. [Google Scholar] [CrossRef]
- Abbasi, M.; Abbasi, E.; Tousi, B.; Gharehpetian, G.B. New family of expandable step-up/-down DC-DC converters with increased voltage gain and decreased voltage stress on capacitors. Int. Trans. Electr. Energy Syst. 2020, 30, 1–17. [Google Scholar] [CrossRef]
- Abbasi, M.; Abbasi, E.; Li, L.; Tousi, B. Design and Analysis of a High-Gain Step-Up/Down Modular DC–DC Converter with Continuous Input Current and Decreased Voltage Stress on Power Switches and Switched-Capacitors. Sustainability 2021, 13, 5243. [Google Scholar] [CrossRef]
- Axelrod, B.; Berkovich, Y.; Ioinovici, A. Switched-Capacitor/Switched-Inductor Structures for Getting Transformerless Hybrid DC–DC PWM Converters. IEEE Trans. Circuits Syst. I Regul. Pap. 2008, 55, 687–696. [Google Scholar] [CrossRef]
- Axelrod, B.; Berkovich, Y.; Ioinovici, A. Switched-capacitor (SC)/switched inductor (SL) structures for getting hybrid step-down Cuk/Sepic/Zeta converters. In Proceedings of the 2006 IEEE International Symposium on Circuits and Systems, Kos, Greece, 21–24 May 2006; p. 4. [Google Scholar]
- Veerachary, M. Switching Capacitor Assisted Buck-Boost Converter. In Proceedings of the 2021 International Conference on Sustainable Energy and Future Electric Transportation (SEFET), Hyderabad, India, 21–23 January 2021; pp. 1–6. [Google Scholar]
- Banaei, M.R.; Ardi, H.; Farakhor, A. Analysis and implementation of a new single switch buck-boost converter. IET Power Electron. 2014, 7, 1906–1914. [Google Scholar] [CrossRef]
- Alateeq, A.; Almalaq, Y.; Matin, M. A switched-inductor model for a non-isolated multilevel boost converter. In Proceedings of the 2017 North American Power Symposium, Morgantown, WV, USA, 17–19 September 2017; pp. 1–5. [Google Scholar]
- Gorji, S.A.; Mostaan, A.; My, H.T.; Ektesabi, M. Non-isolated buck–boost DC–DC converter with quadratic voltage gain ratio. IET Power Electron. 2019, 12, 1425–1433. [Google Scholar] [CrossRef]
- Banaei, M.R.; Bonab, H.A.F. High efficiency transformerless buck boost DC/DC converter. Int. J. Circuit Theory Appl. 2017, 45, 1129–1150. [Google Scholar] [CrossRef]
- Bhaskar, M.S.; SreeramulaReddy, N.; Kumar, R.K.P.; Gupta, Y.B.S.S. A novel high step-up DC-DC multilevel buck-boost converter using voltage-lift switched-inductor cell. In Proceedings of the IEEE International Conference on Computer Communication and Systems, Chennai, India, 20–21 February 2014; pp. 271–275. [Google Scholar]
- Mostaan, A.; Gorji, S.A.; Soltani, M.N.; Ektesabi, M. A novel single switch transformerless quadratic DC/DC buck-boost converter. In Proceedings of the 2017 19th European Conference on Power Electronics and Applications, Warsaw, Poland, 11–14 September 2017; pp. 1–6. [Google Scholar]
- Maksimovic, D.; Cuk, S. General properties. synthesis of PWM DC-to-DC converters. In Proceedings of the 20th Annual IEEE Power Electronics Specialists Conference, Milwaukee, Wisconsin, 26–29 June 1989; pp. 515–525. [Google Scholar]
- Miao, S.; Wang, F.; Ma, X. A New Transformerless Buck–Boost Converter with Positive Output Voltage. IEEE Trans. Ind. Electron. 2016, 63, 2965–2975. [Google Scholar] [CrossRef]
- Mostaan, A.; Gorji, S.A.; Soltani, M.; Ektesabi, M. A novel quadratic buck-boost DC-DC converter without floating gate-driver. In Proceedings of the 2016 IEEE 2nd Annual Southern Power Electronics Conference (SPEC), Auckland, New Zealand, 5–8 December 2016; pp. 1–5. [Google Scholar]
- De Britto, J.R.; de Freitas, L.C.; Farias, V.J.; Coelho, E.A.A.; Vieira, J.B. A Non-Insulated Step-Up/Down DC-DC Converter with Wide Range Conversion. In Proceedings of the 2009 Twenty-Fourth Annual IEEE Applied Power Electronics Conference and Exposition, Houston, TX, USA, 15–19 February 2009; pp. 1374–1377. [Google Scholar]
- Zhang, N.; Zhang, G.; See, K.W.; Zhang, B. A Single-Switch Quadratic Buck–Boost Converter With Continuous Input Port Current and Continuous Output Port Current. IEEE Trans. Power Electron. 2018, 33, 4157–4166. [Google Scholar] [CrossRef]
- Ostos, J.C.; Lu, D.D.C. Modeling and analysis of CCM non-isolated high step-up interleaved buck-boost DC/DC converters. In Proceedings of the 2012 IEEE International Conference on Power and Energy (PECon), Kota Kinabalu, Malaysia, 2–5 December 2012; pp. 28–31. [Google Scholar]
- Yaser, B.; Mehran, S.; Babaei, E.; Sun, K. A New Continuous Input Current Nonisolated Bidirectional Interleaved Buck-Boost DC-DC Converter. Int. Trans. Electr. Energy Syst. 2022, 2022, 19. [Google Scholar]
- Gupta, R.; Gautam, S.; Kumar, M. Characterization and Design of Interleaved Buck-Boost Converter. In Proceedings of the 2022 IEEE IAS Global Conference on Emerging Technologies, Arad, Romania, 20–22 May 2022; pp. 593–598. [Google Scholar]
- Liu, F.; Zhao, Y.; Wu, Z.; Wang, W.; Wang, H.; Li, H. Interleaved Bidirectional Buck-Boost DC-DC Converter Based on Multi-mode Control. In Proceedings of the 2022 6th International Conference on Green Energy and Applications, online, 4–6 March 2022; pp. 182–186. [Google Scholar]
- Maalandish, M.; Hosseini, S.H.; Jalilzadeh, T.; Pourjafar, S. A Buck-Boost DC/DC Converter with High Efficiency Suitable for Renewable Energies. Int. J. Emerg. Electr. Power Syst. 2018, 19, 1–17. [Google Scholar] [CrossRef]
- Bhaskar, M.S.; Al-ammari, R.; Meraj, M.; Iqbal, A.; Padmanaban, S. Modified multilevel buck–boost converter with equal voltage across each capacitor: Analysis and experimental investigations. IET Power Electron. 2019, 12, 3318–3330. [Google Scholar] [CrossRef]
- Haghighian, S.K.; Tohid, S.; Feyzi, M.R.; Sabahi, M. Design and analysis of a novel SEPIC-based multi-input DC/DC converter. IET Power Electron. 2017, 10, 1393–1402. [Google Scholar] [CrossRef]
- Mounika, A.; Shankar, S.; Ramprabhakar, J. A Hybrid Energy Source Integration in a DC Microgrid using Multi- Input Buck-Boost Converter. In Proceedings of the 2018 4th International Conference for Convergence in Technology, Mangalore, India, 27–28 October 2018; pp. 1–6. [Google Scholar]
- Varesi, K.; Hosseini, S.H.; Sabahi, M.; Babaei, E. Performance analysis and calculation of critical inductance and output voltage ripple of a simple non-isolated multi-input bidirectional DC-DC converter. Int. J. Circuit Theory Appl. 2017, 46, 543–564. [Google Scholar] [CrossRef]
- Hua, C.; Tu, C. Design and implementation of power converters for wind generator. In Proceedings of the 2009 4th IEEE Conference on Industrial Electronics and Applications, Xi’an, China, 25–27 May 2009; 2009; pp. 3372–3377. [Google Scholar]
- De Britto, J.R.; Demian, A.E.; de Freitas, L.C.; Farias, V.J.; Coelho, E.A.A.; Vieira, J.B. A proposal of Led Lamp Driver for universal input using Cuk converter. In Proceedings of the 2008 IEEE Power Electronics Specialists Conference, Rhodes, Greece, 15–19 June 2008; pp. 2640–2644. [Google Scholar]
- Sahu, B.; Rincon-Mora, G.A. A low voltage, dynamic, noninverting, synchronous buck-boost converter for portable applications. IEEE Trans. Power Electron. 2004, 19, 443–452. [Google Scholar] [CrossRef]
- Ren, X.; Tang, Z.; Ruan, X.; Wei, J.; Hua, G. Four Switch Buck-Boost Converter for Telecom DC-DC power supply applications. In Proceedings of the 2008 Twenty-Third Annual IEEE Applied Power Electronics Conference and Exposition, Houston, TX, USA, 24–28 February 2008; pp. 1527–1530. [Google Scholar]
- Ortuzar, M.; Moreno, J.; Dixon, J. Ultracapacitor-Based Auxiliary Energy System for an Electric Vehicle: Implementation and Evaluation. IEEE Trans. Ind. Electron. 2007, 54, 2147–2156. [Google Scholar] [CrossRef]
- Samosir, A.S.; Yatim, A.H.M. Implementation of Dynamic Evolution Control of Bidirectional DC–DC Converter for Interfacing Ultracapacitor Energy Storage to Fuel-Cell System. IEEE Trans. Ind. Electron. 2010, 57, 3468–3473. [Google Scholar] [CrossRef]
- Chen, J.; Maksimovic, D.; Erickson, R. A new low-stress buck-boost converter for universal-input PPC applications. In Proceedings of the APEC 2001 Sixteenth Annual IEEE Applied Power Electronics Conference and Exposition, Anaheim, CA, USA, 4–8 March 2001; pp. 343–349. [Google Scholar]
- Rajaei, A.; Shahparasti, M.; Nabinejad, A.; Savaghebi, M. A high step-up partial power processing DC/DC T-source converter for ups application. Sustainability 2020, 12, 1–19. [Google Scholar] [CrossRef]
- Ferraz, P.; Kowal, J. A comparative study on the influence of DC/DC converter induced high frequency current ripple on lithium-ion batteries. Sustainability 2019, 11, 6050. [Google Scholar] [CrossRef]






















| Converter | Voltage Gain (V2/V1) | No. of Switches | Feature |
|---|---|---|---|
| Bidirectional converter in [14] | 4 |
| |
| Bidirectional converter in [15] | 4 |
| |
| Bidirectional converter in [16] | 5 |
| |
| Bidirectional converter in [12] | 3 |
|
| Categories of Converter | Feature |
|---|---|
| Unidirectional |
|
| |
| Bidirectional |
|
| Voltage-fed |
|
| |
| |
| Current-fed |
|
| Hard-switching |
|
| Soft-switching |
|
| Converter | Voltage Gain (Vo/Vi) | Voltage Stress | No. of SC Structure | Feature |
|---|---|---|---|---|
| A Cuk-derived step-up/down SC converter [34] | One capacitor Two diodes One switch |
| ||
| A Cuk-derived step-up/down SC converter [35] | One capacitor Two switches One diode |
| ||
| A switched-capacitor-based DC–DC converter [36] | One capacitor Two switches One diode |
|
| Stucture | Buck–Boost | Cuk | Sepic | Zeta | |
|---|---|---|---|---|---|
| VMC | Vo/Vin | ||||
| Dn1 | |||||
| Dn2 | |||||
| Dn3 | |||||
| Up1 | |||||
| Up2 | |||||
| Structure | Buck–Boost | Cuk | Sepic | Zeta | |
|---|---|---|---|---|---|
| VMC | Vo/Vin | ||||
| UP3 | |||||
| Technique | Feature |
|---|---|
| SC |
|
| Voltage Multiplier |
|
| Switched Inductor |
|
| Different Ways of Connecting |
|
| Application of Converter | Feature |
|---|---|
| PV |
|
| |
| Electric Vehicle |
|
| LEDs |
|
| |
| |
| Portable Devices |
|
| Telecommunication Systems |
|
| Power Factor Correction |
|
Disclaimer/Publisher’s Note: The statements, opinions and data contained in all publications are solely those of the individual author(s) and contributor(s) and not of MDPI and/or the editor(s). MDPI and/or the editor(s) disclaim responsibility for any injury to people or property resulting from any ideas, methods, instructions or products referred to in the content. |
© 2023 by the authors. Licensee MDPI, Basel, Switzerland. This article is an open access article distributed under the terms and conditions of the Creative Commons Attribution (CC BY) license (https://creativecommons.org/licenses/by/4.0/).
Share and Cite
Yi, F.; Wang, F. Review of Voltage-Bucking/Boosting Techniques, Topologies, and Applications. Energies 2023, 16, 842. https://doi.org/10.3390/en16020842
Yi F, Wang F. Review of Voltage-Bucking/Boosting Techniques, Topologies, and Applications. Energies. 2023; 16(2):842. https://doi.org/10.3390/en16020842
Chicago/Turabian StyleYi, Feilong, and Faqiang Wang. 2023. "Review of Voltage-Bucking/Boosting Techniques, Topologies, and Applications" Energies 16, no. 2: 842. https://doi.org/10.3390/en16020842
APA StyleYi, F., & Wang, F. (2023). Review of Voltage-Bucking/Boosting Techniques, Topologies, and Applications. Energies, 16(2), 842. https://doi.org/10.3390/en16020842

