Control Methodologies to Mitigate and Regulate Second-Order Ripples in DC–AC Conversions and Microgrids: A Brief Review
Abstract
1. Introduction
- Discuss different active and passive control methods implemented to mitigate the second-order ripples in voltage and source currents.
- Present different virtual impedance control and PWM-based methodologies to mitigation and regulate second-order ripples in DC–AC power converters and single-stage inverters.
- Present control methodologies adopted in distributed power generation systems such as a DC microgrid to manage the ripple distribution among the sources.
- Present and discuss the issues due to the integration of a ripple control loop with the primary and secondary control levels in the microgrid.
2. Need for Power Conversion
3. Effects of SRCs on the Sources
3.1. Fuel Cell
3.2. Battery Storage
3.3. Photovoltaic Panels
3.4. Wind Turbines
3.5. Other Issues Due to SRCs
4. Second-Order Ripple Mitigation Methodologies
4.1. Passive Power Decoupling Methodologies
4.2. Active Power Decoupling Methodologies
5. Control-Based SRC Mitigation Methodologies
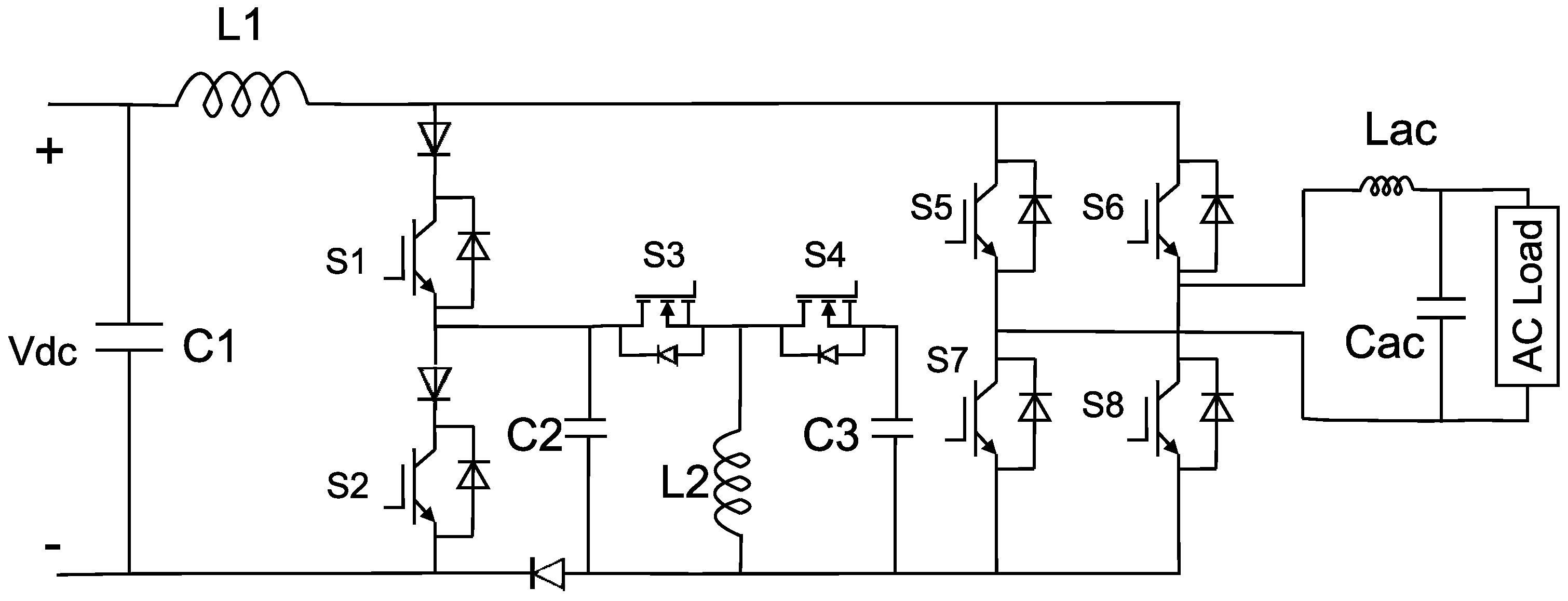
6. Single-Stage Inverters with Nanogrid Applications
Control of SSIs
7. Second-Order Harmonics in Three-Phase System
8. Control of Microgrids
8.1. Centralized Control
8.2. Decentralized Control
8.3. Distributed Control
8.3.1. Primary Control
8.3.2. Secondary Control
8.3.3. Tertiary Control
8.3.4. Ripple Management in Microgrids
9. Concluding Discussion
10. Conclusions and Open Challenges
Author Contributions
Funding
Conflicts of Interest
References
- Wang, J.; Wu, H.; Yang, T.; Zhang, L.; Xing, Y. Bidirectional three-phase DC–AC converter with embedded DC–DC converter and carrier-based PWM strategy for wide voltage range applications. IEEE Trans. Ind. Electron. 2018, 66, 4144–4155. [Google Scholar] [CrossRef]
- Wang, J.; Sun, K.; Zhou, D.; Li, Y. Virtual SVPWM-Based Flexible Power Control for Dual-DC-Port DC–AC Converters in PV–Battery Hybrid Systems. IEEE Trans. Power Electron. 2021, 36, 11431–11443. [Google Scholar] [CrossRef]
- Milbradt, D.M.C.; Hollweg, G.V.; de Oliveira Evald, P.J.D.; da Silveira, W.B.; Gründling, H.A. A robust adaptive One Sample Ahead Preview controller for grid-injected currents of a grid-tied power converter with an LCL filter. Int. J. Electr. Power Energy Syst. 2022, 142, 108286. [Google Scholar] [CrossRef]
- Hollweg, G.V.; de Oliveira Evald, P.D.; Tambara, R.V.; Grundling, H.A. Adaptive super-twisting sliding mode for dc-ac converters in very weak grids. Int. J. Electron. 2022. [Google Scholar] [CrossRef]
- Evald, P.J.; Hollweg, G.V.; Mattos, E.; Borin, L.; Tambara, R.; Montagner, V. A Least-Square-based RMRAC for Grid-tied Voltage Source Inverters with LCL Filter. In Proceedings of the 2022 14th Seminar on Power Electronics and Control (SEPOC), Santa Maria, Brazil, 2–15 November 2022; IEEE: Piscataway, NJ, USA, 2022; pp. 1–6. [Google Scholar]
- Chaturvedi, S.; Fulwani, D. Adaptive Voltage Tuning Based Load Sharing in DC Microgrid. IEEE Trans. Ind. Appl. 2021, 57, 977–986. [Google Scholar] [CrossRef]
- Nami, A.; Rodriguez-Amenedo, J.L.; Arnaltes, S.; Cardiel-Alvarez, M.A.; Baraciarte, R.A. Control of the Parallel Operation of DR-HVDC and VSC-HVDC for Offshore Wind Power Transmission. IEEE Trans. Power Deliv. 2022, 37, 1682–1691. [Google Scholar] [CrossRef]
- Rao, H.; Zhou, Y.; Xu, S.; Cai, X.; Cao, W.; Xu, Y.; Ren, C. Key technologies of ultra-high voltage hybrid LCC-VSC MTDC systems. CSEE J. Power Energy Syst. 2019, 5, 365–373. [Google Scholar] [CrossRef]
- Nejabatkhah, F.; Li, Y.W. Overview of Power Management Strategies of Hybrid AC/DC Microgrid. IEEE Trans. Power Electron. 2015, 30, 7072–7089. [Google Scholar] [CrossRef]
- Wei, B.; Han, X.; Wang, P.; Yu, H.; Li, W.; Guo, L. Temporally Coordinated Energy Management for AC/DC Hybrid Microgrid Considering Dynamic Conversion Efficiency of Bidirectional AC/DC Converter. IEEE Access 2020, 8, 70878–70889. [Google Scholar] [CrossRef]
- Li, X.; Guo, L.; Li, Y.; Guo, Z.; Hong, C.; Zhang, Y.; Wang, C. A Unified Control for the DC–AC Interlinking Converters in Hybrid AC/DC Microgrids. IEEE Trans. Smart Grid 2018, 9, 6540–6553. [Google Scholar] [CrossRef]
- Xia, Y.; Wei, W.; Yu, M.; Wang, X.; Peng, Y. Power Management for a Hybrid AC/DC Microgrid With Multiple Subgrids. IEEE Trans. Power Electron. 2018, 33, 3520–3533. [Google Scholar] [CrossRef]
- Liu, Q.; Caldognetto, T.; Buso, S. Review and comparison of grid-tied inverter controllers in microgrids. IEEE Trans. Power Electron. 2019, 35, 7624–7639. [Google Scholar] [CrossRef]
- Zhang, H.; Xiang, W.; Lin, W.; Wen, J. Grid forming converters in renewable energy sources dominated power grid: Control strategy, stability, application, and challenges. J. Mod. Power Syst. Clean Energy 2021, 9, 1239–1256. [Google Scholar] [CrossRef]
- Hollweg, G.V.; de Oliveira Evald, P.J.D.; Tambara, R.V.; Gründling, H.A. A Robust Adaptive Super-Twisting Sliding Mode Controller applied on grid-tied power converter with an LCL filter. Control Eng. Pract. 2022, 122, 105104. [Google Scholar] [CrossRef]
- Ziouani, I.; Boukhetala, D.; Darcherif, A.M.; Amghar, B.; El Abbassi, I. Hierarchical control for flexible microgrid based on three-phase voltage source inverters operated in parallel. Int. J. Electr. Power Energy Syst. 2018, 95, 188–201. [Google Scholar] [CrossRef]
- Dias de Oliveira Evald, P.J.; Vieira Hollweg, G.; Varella Tambara, R.; Gründling, H.A. A new discrete-time PI-RMRAC for grid-side currents control of grid-tied three-phase power converter. Int. Trans. Electr. Energy Syst. 2021, 31, e12982. [Google Scholar] [CrossRef]
- Hollweg, G.V.; Paulo, J.d.O.; Mattos, E.; Borin, L.; Tambara, R.; Montagner, V. Optimized Parameters Initialization of a RMRAC Controller Applied to Grid-Connected Converters. In Proceedings of the 2022 14th Seminar on Power Electronics and Control (SEPOC), Santa Maria, Brazil, 2–15 November 2022; IEEE: Piscataway, NJ, USA, 2022; pp. 1–6. [Google Scholar]
- Tang, Y.; Blaabjerg, F.; Loh, P.C.; Jin, C.; Wang, P. Decoupling of Fluctuating Power in Single-Phase Systems Through a Symmetrical Half-Bridge Circuit. IEEE Trans. Power Electron. 2015, 30, 1855–1865. [Google Scholar] [CrossRef]
- Singh, A.; Mirafzal, B. An efficient grid-connected three-phase single-stage boost current source inverter. IEEE Power Energy Technol. Syst. J. 2019, 6, 142–151. [Google Scholar] [CrossRef]
- Wang, Z.; Xu, Y.; Liu, P.; Zhang, Y.; He, J. Zero-voltage-switching current source inverter fed PMSM drives with reduced EMI. IEEE Trans. Power Electron. 2020, 36, 761–771. [Google Scholar] [CrossRef]
- Gautam, A.R.; Gourav, K.; Guerrero, J.M.; Fulwani, D.M. Ripple Mitigation With Improved Line-Load Transients Response in a Two-Stage DC–DC–AC Converter: Adaptive SMC Approach. IEEE Trans. Ind. Electron. 2018, 65, 3125–3135. [Google Scholar] [CrossRef]
- Zhang, L.; Ruan, X.; Ren, X. Second-Harmonic Current Reduction and Dynamic Performance Improvement in the Two-Stage Inverters: An Output Impedance Perspective. IEEE Trans. Ind. Electron. 2015, 62, 394–404. [Google Scholar] [CrossRef]
- Nguyen, M.; Lim, Y.; Cho, G. Switched-Inductor Quasi-Z-Source Inverter. IEEE Trans. Power Electron. 2011, 26, 3183–3191. [Google Scholar] [CrossRef]
- Peng, F.Z.; Yuan, X.; Fang, X.; Qian, Z. Z-source inverter for adjustable speed drives. IEEE Power Electron. Lett. 2003, 1, 33–35. [Google Scholar] [CrossRef]
- Fontes, G.; Turpin, C.; Astier, S.; Meynard, T.A. Interactions Between Fuel Cells and Power Converters: Influence of Current Harmonics on a Fuel Cell Stack. IEEE Trans. Power Electron. 2007, 22, 670–678. [Google Scholar] [CrossRef]
- Palma, L.; Todorovic, M.H.; Enjeti, P. Design considerations for a fuel cell powered DC–DC converter for portable applications. In Proceedings of the Twenty-First Annual IEEE Applied Power Electronics Conference and Exposition, Dallas, TX, USA, 19–23 March 2006. [Google Scholar]
- Peng, F.Z.; Li, H.; Su, G.-J.; Lawler, J.S. A new ZVS bidirectional DC-DC converter for fuel cell and battery application. IEEE Trans. Power Electron. 2004, 19, 54–65. [Google Scholar] [CrossRef]
- Boscaino, V.; Miceli, R.; Buccella, C.; Cecati, C.; Latafat, H.; Razi, K. Fuel Cell power system with LLC resonant DC/DC converter. In Proceedings of the 2014 IEEE International Electric Vehicle Conference (IEVC), Florence, Italy, 17–19 December 2014; pp. 1–6. [Google Scholar]
- Xu, H.; Kong, L.; Wen, X. Fuel cell power system and high power DC-DC converter. IEEE Trans. Power Electron. 2004, 19, 1250–1255. [Google Scholar] [CrossRef]
- Choi, W.; Enjeti, P.N.; Howze, J.W. Development of an equivalent circuit model of a fuel cell to evaluate the effects of inverter ripple current. In Proceedings of the Nineteenth Annual IEEE Applied Power Electronics Conference and Exposition, Anaheim, CA, USA, 22–26 February 2004; Volume 1, pp. 355–361. [Google Scholar]
- Li, X.; Zhang, W.; Li, H.; Xie, R.; Chen, M.; Shen, G.; Xu, D. Power Management Unit With Its Control for a Three-Phase Fuel Cell Power System Without Large Electrolytic Capacitors. IEEE Trans. Power Electron. 2011, 26, 3766–3777. [Google Scholar] [CrossRef]
- Jin, K.; Ruan, X.; Yang, M.; Xu, M. A Hybrid Fuel Cell Power System. IEEE Trans. Ind. Electron. 2009, 56, 1212–1222. [Google Scholar] [CrossRef]
- Kim, T.; Jeong, J.-B.; Lee, B.-H.; Shin, D.-H.; Song, H.-S.; Kim, B.-H.; Kim, H.-J. Analytical study on low-frequency ripple effect of battery charging. In Proceedings of the 2012 IEEE Vehicle Power and Propulsion Conference, Seoul, Korea, 9–12 October 2012; pp. 809–811. [Google Scholar]
- IEEE Std 1184-2006; IEEE Guide for Batteries for Uninterruptible Power Supply Systems. IEEE: Piscataway, NJ, USA, 2006; pp. 1–63. [CrossRef]
- IEEE Std 519-2014 (Revision of IEEE Std 519-1992); IEEE Recommended Practice and Requirements for Harmonic Control in Electric Power Systems. IEEE: Piscataway, NJ, USA, 2014; pp. 1–29.
- IEEE Std 1188-2005 (Revision of IEEE Std 1188-1996); IEEE Recommended Practice for Maintenance, Testing, and Replacement of Valve-Regulated Lead-Acid (VRLA) Batteries for Stationary Applications. IEEE: Piscataway, NJ, USA, 2006; pp. 1–44. [CrossRef]
- IEEE P485/D2; IEEE Draft Recommended Practice for Sizing Lead-Acid Batteries for Stationary Applications. IEEE: Piscataway, NJ, USA, 2016; pp. 1–67.
- P1115/D4; IEEE Draft Recommended Practice for Sizing Nickel-Cadmium Batteries for Stationary Applications. IEEE: Piscataway, NJ, USA, 2014; pp. 1–37.
- Kan, S.; Ruan, X.; Dang, H.; Zhang, L.; Huang, X. Second Harmonic Current Reduction in Front-End DC DC Converter for Two-Stage Single-Phase Photovoltaic Grid-Connected Inverter. IEEE Trans. Power Electron. 2019, 34, 6399–6410. [Google Scholar] [CrossRef]
- Lin, S.L.; Wu, G.B.; Liu, W.; Moo, C.S. Ripple current effect on output power of solar-cell panel. In Proceedings of the 2012 International Conference on Renewable Energy Research and Applications (ICRERA), Nagasaki, Japan, 11–14 November 2012; pp. 1–5. [Google Scholar]
- Brunton, S.L.; Rowley, C.W.; Kulkarni, S.R.; Clarkson, C. Maximum Power Point Tracking for Photovoltaic Optimization Using Ripple-Based Extremum Seeking Control. IEEE Trans. Power Electron. 2010, 25, 2531–2540. [Google Scholar] [CrossRef]
- Casadei, D.; Grandi, G.; Rossi, C. Single-phase single-stage photovoltaic generation system based on a ripple correlation control maximum power point tracking. IEEE Trans. Energy Convers. 2006, 21, 562–568. [Google Scholar] [CrossRef]
- Ishaque, K.; Salam, Z.; Amjad, M.; Mekhilef, S. An Improved Particle Swarm Optimization (PSO)–Based MPPT for PV With Reduced Steady-State Oscillation. IEEE Trans. Power Electron. 2012, 27, 3627–3638. [Google Scholar] [CrossRef]
- Sullivan, C.R.; Awerbuch, J.J.; Latham, A.M. Decrease in Photovoltaic Power Output from Ripple: Simple General Calculation and the Effect of Partial Shading. IEEE Trans. Power Electron. 2013, 28, 740–747. [Google Scholar] [CrossRef]
- Liu, Y.; Ge, B.; Abu-Rub, H.; Sun, D. Comprehensive Modeling of Single-Phase Quasi-Z-Source Photovoltaic Inverter to Investigate Low-Frequency Voltage and Current Ripple. In Proceedings of the 2014 IEEE Energy Conversion Congress and Exposition (ECCE), Pittsburgh, PA, USA, 14–18 September 2014; pp. 4226–4231. [Google Scholar]
- Benavides, N.D.; Chapman, P.L. Modeling the effect of voltage ripple on the power output of photovoltaic modules. IEEE Trans. Ind. Electron. 2008, 55, 2638–2643. [Google Scholar] [CrossRef]
- Bati, A.; Luk, P.C.K. Analysis of drive-train resonance and torque ripple smoothing of a 50kW vertical axis wind turbine. In Proceedings of the 2015 IEEE International Conference on Industrial Technology (ICIT), Seville, Spain, 17–19 March 2015; pp. 1263–1268. [Google Scholar]
- Xia, Y.Y.; Fletcher, J.E.; Finney, S.J.; Ahmed, K.H.; Williams, B.W. Torque ripple analysis and reduction for wind energy conversion systems using uncontrolled rectifier and boost converter. IET Renew. Power Gener. 2011, 5, 377–386. [Google Scholar] [CrossRef]
- Parker, M.A.; Soraghan, C.; Giles, A. Comparison of power electronics lifetime between vertical- and horizontal-axis wind turbines. IET Renew. Power Gener. 2016, 10, 679–686. [Google Scholar] [CrossRef]
- Khan, D.; Ahmed Ansari, J.; Aziz Khan, S.; Abrar, U. Power Optimization Control Scheme for Doubly Fed Induction Generator Used in Wind Turbine Generators. Inventions 2020, 5, 40. [Google Scholar] [CrossRef]
- Zhang, L.; Ren, X.; Ruan, X. A Bandpass Filter Incorporated Into the Inductor Current Feedback Path for Improving Dynamic Performance of the Front-End DC–DC Converter in Two-Stage Inverter. IEEE Trans. Ind. Electron. 2014, 61, 2316–2325. [Google Scholar] [CrossRef]
- Zhong, Q.; Ming, W.; Cao, X.; Krstic, M. Control of Ripple Eliminators to Improve the Power Quality of DC Systems and Reduce the Usage of Electrolytic Capacitors. IEEE Access 2016, 4, 2177–2187. [Google Scholar] [CrossRef]
- Shagerdmootaab, A.; Moallem, M. Filter Capacitor Minimization in a Flyback LED Driver Considering Input Current Harmonics and Light Flicker Characteristics. IEEE Trans. Power Electron. 2015, 30, 4467–4476. [Google Scholar] [CrossRef]
- He, J.; Ruan, X.; Zhang, L. Adaptive Voltage Control for Bidirectional Converter in Flicker-Free Electrolytic Capacitor-Less AC–DC LED Driver. IEEE Trans. Ind. Electron. 2017, 64, 320–324. [Google Scholar] [CrossRef]
- Krein, P.T.; Balog, R.S.; Mirjafari, M. Minimum Energy and Capacitance Requirements for Single-Phase Inverters and Rectifiers Using a Ripple Port. IEEE Trans. Power Electron. 2012, 27, 4690–4698. [Google Scholar] [CrossRef]
- Falck, J.; Felgemacher, C.; Rojko, A.; Liserre, M.; Zacharias, P. Reliability of Power Electronic Systems: An Industry Perspective. IEEE Ind. Electron. Mag. 2018, 12, 24–35. [Google Scholar] [CrossRef]
- Balog, R.; Krein, P.T. Automatic tuning of coupled inductor filters. In Proceedings of the 2002 IEEE 33rd Annual IEEE Power Electronics Specialists Conference. Proceedings (Cat. No.02CH37289), Cairns, Australia, 23–27 June 2002; Volume 2, pp. 591–596. [Google Scholar]
- Ale Ahmad, A.; Abrishamifar, A.; Samadi, S. Low-frequency current ripple reduction in front-end boost converter with single-phase inverter load. IET Power Electron. 2012, 5, 1676–1683. [Google Scholar] [CrossRef]
- Chen, R.; Liu, Y.; Peng, F.Z. DC Capacitor-Less Inverter for Single-Phase Power Conversion With Minimum Voltage and Current Stress. IEEE Trans. Power Electron. 2015, 30, 5499–5507. [Google Scholar] [CrossRef]
- Chen, W.; Hui, S.Y.R. Elimination of an Electrolytic Capacitor in AC/DC Light-Emitting Diode (LED) Driver With High Input Power Factor and Constant Output Current. IEEE Trans. Power Electron. 2012, 27, 1598–1607. [Google Scholar] [CrossRef]
- Bose, B.K.; Kastha, D. Electrolytic capacitor elimination in power electronic system by high frequency active filter. In Proceedings of the Conference Record of the 1991 IEEE Industry Applications Society Annual Meeting, Dearborn, MI, USA, 28 September–4 October 1991; Volume 1, pp. 869–878. [Google Scholar]
- Zhang, Y.; Jin, K. A single-stage electrolytic capacitor-less AC/DC LED driver. In Proceedings of the 2014 International Power Electronics and Application Conference and Exposition, Shanghai, China, 5–8 November 2014; pp. 881–886. [Google Scholar]
- Ohnuma, Y.; Orikawa, K.; Itoh, J. A Single-Phase Current-Source PV Inverter With Power Decoupling Capability Using an Active Buffer. IEEE Trans. Ind. Appl. 2015, 51, 531–538. [Google Scholar] [CrossRef]
- Ge, B.; Liu, Y.; Abu-Rub, H.; Balog, R.S.; Peng, F.Z.; Sun, H.; Li, X. An Active Filter Method to Eliminate DC-Side Low-Frequency Power for a Single-Phase Quasi-Z-Source Inverter. IEEE Trans. Ind. Electron. 2016, 63, 4838–4848. [Google Scholar] [CrossRef]
- Chen, M.; Afridi, K.K.; Perreault, D.J. Stacked switched capacitor energy buffer architecture. In Proceedings of the 2012 Twenty-Seventh Annual IEEE Applied Power Electronics Conference and Exposition (APEC), Orlando, FL, USA, 5–9 February 2012; pp. 1404–1413. [Google Scholar]
- Afridi, K.K.; Chen, M.; Perreault, D.J. Enhanced Bipolar Stacked Switched Capacitor Energy Buffers. IEEE Trans. Ind. Appl. 2014, 50, 1141–1149. [Google Scholar] [CrossRef]
- Cao, X.; Zhong, Q.; Ming, W. Ripple Eliminator to Smooth DC-Bus Voltage and Reduce the Total Capacitance Required. IEEE Trans. Ind. Electron. 2015, 62, 2224–2235. [Google Scholar] [CrossRef]
- Li, S.; Zhu, G.; Tan, S.; Hui, S.Y. Direct AC/DC Rectifier With Mitigated Low-Frequency Ripple Through Inductor-Current Waveform Control. IEEE Trans. Power Electron. 2015, 30, 4336–4348. [Google Scholar] [CrossRef]
- Wang, H.; Chung, H.S.; Liu, W. Use of a Series Voltage Compensator for Reduction of the DC-Link Capacitance in a Capacitor-Supported System. IEEE Trans. Power Electron. 2014, 29, 1163–1175. [Google Scholar] [CrossRef]
- Wang, Y.; Wai, R. Adaptive Power Decoupling Strategy for Single-Phase Grid-Connected Converter. IEEE Trans. Ind. Appl. 2019, 55, 4275–4285. [Google Scholar] [CrossRef]
- Altin, N.; Ozdemir, S.; Komurcugil, H.; Sefa, I. Sliding-mode control in natural frame with reduced number of sensors for three-phase grid-tied LCL-interfaced inverters. IEEE Trans. Ind. Electron. 2018, 66, 2903–2913. [Google Scholar] [CrossRef]
- Guo, B.; Su, M.; Sun, Y.; Wang, H.; Dan, H.; Tang, Z.; Cheng, B. A robust second-order sliding mode control for single-phase photovoltaic grid-connected voltage source inverter. IEEE Access 2019, 7, 53202–53212. [Google Scholar] [CrossRef]
- Hollweg, G.V.; Dias de Oliveira Evald, P.J.; Milbradt, D.M.C.; Tambara, R.V.; Gründling, H.A. Lyapunov stability analysis of discrete-time robust adaptive super-twisting sliding mode controller. Int. J. Control 2021, 1–14. [Google Scholar] [CrossRef]
- Hollweg, G.V.; de Oliveira Evald, P.J.D.; Milbradt, D.M.C.; Tambara, R.V.; Gründling, H.A. Design of continuous-time model reference adaptive and super-twisting sliding mode controller. Math. Comput. Simul. 2022, 201, 215–238. [Google Scholar] [CrossRef]
- Hollweg, G.V.; de Oliveira Evald, P.J.D.; Mattos, E.; Tambara, R.V.; Gründling, H.A. Feasibility Assessment of Adaptive Sliding Mode Controllers for Grid-Tied Inverters with LCL Filter. J. Control. Autom. Electr. Syst. 2022, 33, 434–447. [Google Scholar] [CrossRef]
- Teng, Q.; Xu, G.; Zheng, X.; Mai, H.; Ma, X.; Wang, Y. A novel sliding mode observer-based compound sliding mode current control with active damping for single phase grid-tied inverter system in weak grid. Int. J. Electr. Power Energy Syst. 2022, 141, 108117. [Google Scholar] [CrossRef]
- Zhang, X.; Ruan, X.; Kim, H.; Tse, C.K. Adaptive Active Capacitor Converter for Improving Stability of Cascaded DC Power Supply System. IEEE Trans. Power Electron. 2013, 28, 1807–1816. [Google Scholar] [CrossRef]
- Shimizu, T.; Jin, Y.; Kimura, G. DC ripple current reduction on a single-phase PWM voltage-source rectifier. IEEE Trans. Ind. Appl. 2000, 36, 1419–1429. [Google Scholar] [CrossRef]
- Mellincovsky, M.; Yuhimenko, V.; Peretz, M.M.; Kuperman, A. Analysis and Control of Direct Voltage Regulated Active DC-Link Capacitance Reduction Circuit. IEEE Trans. Power Electron. 2018, 33, 6318–6332. [Google Scholar] [CrossRef]
- Nguyen, H.V.; Lee, D. Single-phase multifunctional onboard battery chargers with active power decoupling capability. In Proceedings of the 2018 IEEE Applied Power Electronics Conference and Exposition (APEC), San Antonio, TX, USA, 4–8 March 2018; pp. 3434–3439. [Google Scholar]
- Kong, Z.; Huang, X.; Wang, Z.; Xiong, J.; Zhang, K. Active Power Decoupling for Submodules of a Modular Multilevel Converter. IEEE Trans. Power Electron. 2018, 33, 125–136. [Google Scholar] [CrossRef]
- Ansari, J.A.; Liu, C.; Khan, S.A. MMC Based MTDC Grids: A Detailed Review on Issues and Challenges for Operation, Control and Protection Schemes. IEEE Access 2020, 8, 168154–168165. [Google Scholar] [CrossRef]
- Xia, Y.; Roy, J.; Ayyanar, R. A Capacitance-Minimized, Doubly Grounded Transformer less Photovoltaic Inverter With Inherent Active-Power Decoupling. IEEE Trans. Power Electron. 2017, 32, 5188–5201. [Google Scholar] [CrossRef]
- Ohnuma, Y.; Itoh, J. A Novel Single-Phase Buck PFC AC–DC Converter With Power Decoupling Capability Using an Active Buffer. IEEE Trans. Ind. Appl. 2014, 50, 1905–1914. [Google Scholar] [CrossRef]
- Xiao, S.; Li, X.; Zhang, H.; Balog, R.S. Active power decoupling method based on dual buck circuit with model predictive control. In Proceedings of the 2018 IEEE Applied Power Electronics Conference and Exposition (APEC), San Antonio, TX, USA, 4–8 March 2018; pp. 3089–3094. [Google Scholar]
- Zhu, G.; Wang, H.; Liang, B.; Tan, S.; Jiang, J. Enhanced Single-Phase Full-Bridge Inverter With Minimal Low-Frequency Current Ripple. IEEE Trans. Ind. Electron. 2016, 63, 937–943. [Google Scholar] [CrossRef]
- Serban, I. Power Decoupling Method for Single-Phase H-Bridge Inverters With No Additional Power Electronics. IEEE Trans. Ind. Electron. 2015, 62, 4805–4813. [Google Scholar] [CrossRef]
- Jamatia, A.; Gautam, V.; Sensarma, P. Power Decoupling for Single-Phase PV System Using Ćuk Derived Microinverter. IEEE Trans. Ind. Appl. 2018, 54, 3586–3595. [Google Scholar] [CrossRef]
- Lyu, X.; Li, Y.; Ni, Z.; Cao, D. A minimized DC-bus capacitor with active combinational decoupling method for DC-AC application. In Proceedings of the 2017 IEEE Applied Power Electronics Conference and Exposition (APEC), Tampa, FL, USA, 26–30 March 2017; pp. 2239–2244. [Google Scholar]
- Takaoka, N.; Takahashi, H.; Itoh, J. Isolated Single-Phase Matrix Converter Using Center-Tapped Transformer for Power Decoupling Capability. IEEE Trans. Ind. Appl. 2018, 54, 1523–1531. [Google Scholar] [CrossRef]
- Cai, W.; Jiang, L.; Liu, B.; Duan, S.; Zou, C. A Power Decoupling Method Based on Four-Switch Three-Port DC/DC/AC Converter in DC Microgrid. IEEE Trans. Ind. Appl. 2015, 51, 336–343. [Google Scholar] [CrossRef]
- Tang, Y.; Qin, Z.; Blaabjerg, F.; Loh, P.C. A Dual Voltage Control Strategy for Single-Phase PWM Converters With Power Decoupling Function. IEEE Trans. Power Electron. 2015, 30, 7060–7071. [Google Scholar] [CrossRef]
- Yao, W.; Loh, P.C.; Tang, Y.; Wang, X.; Zhang, X.; Blaabjerg, F. A Robust DC-Split-Capacitor Power Decoupling Scheme for Single-Phase Converter. IEEE Trans. Power Electron. 2017, 32, 8419–8433. [Google Scholar] [CrossRef]
- Shi, Y.; Liu, B.; Duan, S. Low-Frequency Input Current Ripple Reduction Based on Load Current Feedforward in a Two-Stage Single-Phase Inverter. IEEE Trans. Power Electron. 2016, 31, 7972–7985. [Google Scholar] [CrossRef]
- Shimizu, T.; Wada, K.; Nakamura, N. Flyback-Type Single-Phase Utility Interactive Inverter With Power Pulsation Decoupling on the DC Input for an AC Photovoltaic Module System. IEEE Trans. Power Electron. 2006, 21, 1264–1272. [Google Scholar] [CrossRef]
- Hirao, T.; Shimizu, T.; Ishikawa, M.; Yasui, K. A modified modulation control of a single-phase inverter with enhanced power decoupling for a photovoltaic AC module. In Proceedings of the 2005 European Conference on Power Electronics and Applications, Dresden, Germany, 11–14 September 2005; p. 10. [Google Scholar]
- Tan, G.H.; Wang, J.Z.; Ji, Y.C. Soft-switching flyback inverter with enhanced power decoupling for photovoltaic applications. IET Electr. Power Appl. 2007, 1, 264–274. [Google Scholar] [CrossRef]
- Yang, Y.; Ruan, X.; Zhang, L.; He, J.; Ye, Z. Feed-Forward Scheme for an Electrolytic Capacitor-Less AC/DC LED Driver to Reduce Output Current Ripple. IEEE Trans. Power Electron. 2014, 29, 5508–5517. [Google Scholar] [CrossRef]
- Wei, Z.; Deng, X.; Gong, C.; Chen, J.; Zhang, F. A novel technique of low frequency input current ripple reduction in two-stage DC-AC inverter. In Proceedings of the IECON 2012—38th Annual Conference on IEEE Industrial Electronics Society, Montreal, QC, Canada, 25–28 October 2012; pp. 139–143. [Google Scholar]
- Zhu, G.; Ruan, X.; Zhang, L.; Wang, X. On the Reduction of Second Harmonic Current and Improvement of Dynamic Response for Two-Stage Single-Phase Inverter. IEEE Trans. Power Electron. 2015, 30, 1028–1041. [Google Scholar] [CrossRef]
- Zhang, L.; Ruan, X.; Ren, X. Second Harmonic Current Reduction for Two-Stage Inverter With Boost-Derived Front End Converter: Control Schemes and Design Considerations. IEEE Trans. Power Electron. 2018, 33, 6361–6378. [Google Scholar] [CrossRef]
- Peng, F.Z. Z-source inverter. IEEE Trans. Ind. Appl. 2003, 39, 504–510. [Google Scholar] [CrossRef]
- Liu, Y.; Ge, B.; Abu-Rub, H.; Peng, F.Z. Overview of Space Vector Modulations for Three-Phase Z-Source/Quasi-Z-Source Inverters. IEEE Trans. Power Electron. 2014, 29, 2098–2108. [Google Scholar] [CrossRef]
- Li, Y.; Anderson, J.; Peng, F.Z.; Liu, D. Quasi-Z-Source Inverter for Photovoltaic Power Generation Systems. In Proceedings of the 2009 Twenty-Fourth Annual IEEE Applied Power Electronics Conference and Exposition, Washington, DC, USA, 15–19 February 2009; pp. 918–924. [Google Scholar]
- Khan, S.A.; Chongru Liu, C.; Ansari, J.A. Centralized Fuzzy Logic Based Optimization of PI Controllers for VSC Control in MTDC Network. J. Electr. Eng. Technol. 2020, 15, 2577–2585. [Google Scholar] [CrossRef]
- Nguyen, M.; Lim, Y.; Kim, Y. A Modified Single-Phase Quasi-Z-Source AC–AC Converter. IEEE Trans. Power Electron. 2012, 27, 201–210. [Google Scholar] [CrossRef]
- Sun, D.; Ge, B.; Yan, X.; Bi, D.; Zhang, H.; Liu, Y.; Abu-Rub, H.; Ben-Brahim, L.; Peng, F.Z. Modeling, Impedance Design, and Efficiency Analysis of Quasi-Z Source Module in Cascaded Multilevel Photovoltaic Power System. IEEE Trans. Ind. Electron. 2014, 61, 6108–6117. [Google Scholar] [CrossRef]
- Guo, F.; Fu, L.; Lin, C.; Li, C.; Choi, W.; Wang, J. Development of an 85-kW Bidirectional Quasi-Z-Source Inverter With DC-Link Feed-Forward Compensation for Electric Vehicle Applications. IEEE Trans. Power Electron. 2013, 28, 5477–5488. [Google Scholar] [CrossRef]
- Zhou, Y.; Liu, L.; Li, H. A High-Performance Photovoltaic Module-Integrated Converter (MIC) Based on Cascaded Quasi-Z-Source Inverters (qZSI) Using eGaN FETs. IEEE Trans. Power Electron. 2013, 28, 2727–2738. [Google Scholar] [CrossRef]
- Rajakaruna, S.; Jayawickrama, L. Steady-State Analysis and Designing Impedance Network of Z-Source Inverters. IEEE Trans. Ind. Electron. 2010, 57, 2483–2491. [Google Scholar] [CrossRef]
- Yu, Y.; Zhang, Q.; Liu, X.; Cui, S. DC-link voltage ripple analysis and impedance network design of single-phase Z-source inverter. In Proceedings of the 2011 14th European Conference on Power Electronics and Applications, Birmingham, UK, 30 August–1 September 2011; pp. 1–10. [Google Scholar]
- Gajanayake, C.J.; Luo, F.L.; Beng, G.H.; Lam, S.P.; Siow, L.K. Extended boost Z-source inverters. In Proceedings of the 2009 IEEE Energy Conversion Congress and Exposition, San Jose, CA, USA, 20–24 September 2009; pp. 3845–3852. [Google Scholar] [CrossRef]
- Qian, W.; Peng, F.Z.; Cha, H. Trans-Z-Source Inverters. IEEE Trans. Power Electron. 2011, 26, 3453–3463. [Google Scholar] [CrossRef]
- Mo, W.; Loh, P.C.; Blaabjerg, F. Asymmetrical Γ-Source Inverters. IEEE Trans. Ind. Electron. 2014, 61, 637–647. [Google Scholar] [CrossRef]
- Nguyen, M.; Lim, Y.; Park, S. Improved Trans-Z-Source Inverter With Continuous Input Current and Boost Inversion Capability. IEEE Trans. Power Electron. 2013, 28, 4500–4510. [Google Scholar] [CrossRef]
- Nguyen, M.; Lim, Y.; Park, S. A Comparison Between Single-Phase Quasi-Z-Source and Quasi-Switched Boost Inverters. IEEE Trans. Ind. Electron. 2015, 62, 6336–6344. [Google Scholar] [CrossRef]
- Adda, R.; Ray, O.; Mishra, S.K.; Joshi, A. Synchronous-Reference-Frame-Based Control of Switched Boost Inverter for Standalone DC Nanogrid Applications. IEEE Trans. Power Electron. 2013, 28, 1219–1233. [Google Scholar] [CrossRef]
- Nag, S.S.; Mishra, S. Current-Fed Switched Inverter. IEEE Trans. Ind. Electron. 2014, 61, 4680–4690. [Google Scholar] [CrossRef]
- Chaturvedi, S.; Fulwani, D.M. Second Order Ripple Reduction in Switched Boost Inverter For Standalone Nanogrid Applications. In Proceedings of the 2019 IEEE 4th International Future Energy Electronics Conference (IFEEC), Singapore, 25–28 November 2019; pp. 1–6. [Google Scholar] [CrossRef]
- Nguyen, M.; Le, T.; Park, S.; Lim, Y. A Class of Quasi-Switched Boost Inverters. IEEE Trans. Ind. Electron. 2015, 62, 1526–1536. [Google Scholar] [CrossRef]
- Mishra, S.; Adda, R.; Joshi, A. Inverse Watkins–Johnson Topology-Based Inverter. IEEE Trans. Power Electron. 2012, 27, 1066–1070. [Google Scholar] [CrossRef]
- Zhang, Y.; Liu, J.; Li, X.; Ma, X.; Zhou, S.; Wang, H.; Liu, Y. An Improved PWM Strategy for Z-Source Inverter With Maximum Boost Capability and Minimum Switching Frequency. IEEE Trans. Power Electron. 2018, 33, 606–628. [Google Scholar] [CrossRef]
- Abdelhakim, A.; Davari, P.; Blaabjerg, F.; Mattavelli, P. An improved modulation strategy for the three-phase Z-source inverters (ZSIs). In Proceedings of the 2017 IEEE Energy Conversion Congress and Exposition (ECCE), Cincinnati, OH, USA, 1–5 October 2017; pp. 4237–4243. [Google Scholar]
- Liu, Y.; Ge, B.; Abu-Rub, H.; Sun, H. Hybrid Pulsewidth Modulated Single-Phase Quasi-Z-Source Grid-Tie Photovoltaic Power System. IEEE Trans. Ind. Inform. 2016, 12, 621–632. [Google Scholar] [CrossRef]
- Ravindranath, A.; Mishra, S.K.; Joshi, A. Analysis and PWM Control of Switched Boost Inverter. IEEE Trans. Ind. Electron. 2013, 60, 5593–5602. [Google Scholar] [CrossRef]
- Kachhwaha, M.; Chaturvedi, S.; Fulwani, D. Integral Sliding Mode Control to Compensate Parametric Asymmetry and Modeling Errors in Z-Source Converter. In Proceedings of the 2021 IEEE Industry Applications Society Annual Meeting (IAS), Virtual, 10–14 October 2021; pp. 1–6. [Google Scholar] [CrossRef]
- Kachhwaha, M.; Chaturvedi, S.; Fulwani, D. Parametric Uncertainty Compensation and Ripple Mitigation Control for Family of Z-converters. IEEE Trans. Ind. Appl. 2022, 58, 7827–7837. [Google Scholar] [CrossRef]
- Chaturvedi, S.; Fulwani, D. Control of Single Stage Inverters and Second-Order Ripple Regulation Using Sliding Mode Control. In Emerging Trends in Sliding Mode Control: Theory and Application; Mehta, A., Bandyopadhyay, B., Eds.; Springer: Singapore, 2021; pp. 305–324. [Google Scholar] [CrossRef]
- Yu, Y.; Zhang, Q.; Liang, B.; Cui, S. Single-phase Z-Source inverter: Analysis and Low-frequency Harmonics Elimination Pulse Width Modulation. In Proceedings of the 2011 IEEE Energy Conversion Congress and Exposition, Phoenix, AZ, USA, 17–22 September 2011; pp. 2260–2267. [Google Scholar]
- Shen, M.; Wang, J.; Joseph, A.; Peng, F.Z.; Tolbert, L.M.; Adams, D.J. Constant boost control of the Z-source inverter to minimize current ripple and voltage stress. IEEE Trans. Ind. Appl. 2006, 42, 770–778. [Google Scholar] [CrossRef]
- Nguyen, M.; Tran, T.; Lim, Y. A Family of PWM Control Strategies for Single-Phase Quasi-Switched-Boost Inverter. IEEE Trans. Power Electron. 2019, 34, 1458–1469. [Google Scholar] [CrossRef]
- Jiang, W.; Wang, Y.; Wang, J.; Wang, L.; Huang, H. Maximizing Instantaneous Active Power Capability for PWM Rectifier Under Unbalanced Grid Voltage Dips Considering the Limitation of Phase Current. IEEE Trans. Ind. Electron. 2016, 63, 5998–6009. [Google Scholar] [CrossRef]
- Zhang, Y.; Qu, C. Table-Based Direct Power Control for Three-Phase AC/DC Converters Under Unbalanced Grid Voltages. IEEE Trans. Power Electron. 2015, 30, 7090–7099. [Google Scholar] [CrossRef]
- Song, T.; Wang, P.; Zhang, Y.; Gao, F.; Tang, Y.; Pholboon, S. Suppression Method of Current Harmonic for Three-Phase PWM Rectifier in EV Charging System. IEEE Trans. Veh. Technol. 2020, 69, 9634–9642. [Google Scholar] [CrossRef]
- Ma, K.; Chen, W.; Liserre, M.; Blaabjerg, F. Power Controllability of a Three-Phase Converter With an Unbalanced AC Source. IEEE Trans. Power Electron. 2015, 30, 1591–1604. [Google Scholar] [CrossRef]
- Jin, N.; Hu, S.; Gan, C.; Ling, Z. Finite States Model Predictive Control for Fault-Tolerant Operation of a Three-Phase Bidirectional AC/DC Converter Under Unbalanced Grid Voltages. IEEE Trans. Ind. Electron. 2018, 65, 819–829. [Google Scholar] [CrossRef]
- Sun, D.; Wang, X. Low-complexity model predictive direct power control for DFIG under both balanced and unbalanced grid conditions. IEEE Trans. Ind. Electron. 2016, 63, 5186–5196. [Google Scholar] [CrossRef]
- Zhang, X.; Li, M.; Xu, D. PCC Voltage Perturbation Path Analysis and Compensation for Grid-Connected Voltage-Source Converter Under Weak Grid. IEEE Trans. Ind. Electron. 2021, 68, 12331–12339. [Google Scholar] [CrossRef]
- Nian, H.; Liao, Y.; Li, M.; Sun, D.; Xu, Y.; Hu, B. Impedance Modeling and Stability Analysis of Three-Phase Four-Leg Grid-Connected Inverter Considering Zero-Sequence. IEEE Access 2021, 9, 83676–83687. [Google Scholar] [CrossRef]
- Li, Y.; Du, Z. Stabilizing Condition of Grid-Connected VSC as Affected by Phase Locked Loop (PLL). IEEE Trans. Power Deliv. 2022, 37, 1336–1339. [Google Scholar] [CrossRef]
- Thanh, V.V.; Su, W.; Wang, B. Optimal DC Microgrid Operation with Model Predictive Control-Based Voltage-Dependent Demand Response and Optimal Battery Dispatch. Energies 2022, 15, 2140. [Google Scholar] [CrossRef]
- Khan, S.A.; Liu, C.; Ansari, J.A. Unified voltage droop control strategy for VSC-MTDC in HVDC system. In Proceedings of the The 16th IET International Conference on AC and DC Power Transmission (ACDC 2020), Online, 2–3 July 2020; Volume 2020, pp. 846–851. [Google Scholar] [CrossRef]
- Su, W.; Wang, J. Energy Management Systems in Microgrid Operations. Electr. J. 2012, 25, 45–60. [Google Scholar] [CrossRef]
- Tsikalakis, A.G.; Hatziargyriou, N.D. Centralized Control for Optimizing Microgrids Operation. IEEE Trans. Energy Convers. 2008, 23, 241–248. [Google Scholar] [CrossRef]
- Kim, J.; Jeon, J.; Kim, S.; Cho, C.; Park, J.H.; Kim, H.; Nam, K. Cooperative Control Strategy of Energy Storage System and Microsources for Stabilizing the Microgrid during Islanded Operation. IEEE Trans. Power Electron. 2010, 25, 3037–3048. [Google Scholar]
- Niyato, D.; Xiao, L.; Wang, P. Machine-to-machine communications for home energy management system in smart grid. IEEE Commun. Mag. 2011, 49, 53–59. [Google Scholar] [CrossRef]
- Meng, L.; Dragicevic, T.; Guerrero, J.; Vasquez, J.; Savaghebi, M.; Tang, F. Agent-based distributed unbalance compensation for optimal power quality in islanded microgrids. In Proceedings of the 2014 IEEE 23rd International Symposium on Industrial Electronics (ISIE), Istanbul, Turkey, 1–4 June 2014; pp. 2535–2540. [Google Scholar]
- McArthur, S.D.J.; Davidson, E.M.; Catterson, V.M.; Dimeas, A.L.; Hatziargyriou, N.D.; Ponci, F.; Funabashi, T. Multi-Agent Systems for Power Engineering Applications—Part II: Technologies, Standards, and Tools for Building Multi-agent Systems. IEEE Trans. Power Syst. 2007, 22, 1753–1759. [Google Scholar] [CrossRef]
- Katiraei, F.; Iravani, R.; Hatziargyriou, N.; Dimeas, A. Microgrids management. IEEE Power Energy Mag. 2008, 6, 54–65. [Google Scholar] [CrossRef]
- Nasirian, V.; Davoudi, A.; Lewis, F.L. Distributed adaptive droop control for DC microgrids. In Proceedings of the 2014 IEEE Applied Power Electronics Conference and Exposition—APEC 2014, Fort Worth, TX, USA, 16–20 March 2014; pp. 1147–1152. [Google Scholar] [CrossRef]
- Khan, S.A.; Ansari, J.A.; Chandio, R.H.; Munir, H.M.; Alharbi, M.; Alkuhayli, A. AI based controller optimization for VSC-MTDC grids. Front. Energy Res. 2022, 10, 1008099. [Google Scholar] [CrossRef]
- Dragičević, T.; Lu, X.; Vasquez, J.C.; Guerrero, J.M. DC Microgrids—Part I: A Review of Control Strategies and Stabilization Techniques. IEEE Trans. Power Electron. 2016, 31, 4876–4891. [Google Scholar]
- Dragičević, T.; Lu, X.; Vasquez, J.C.; Guerrero, J.M. DC Microgrids—Part II: A Review of Power Architectures, Applications, and Standardization Issues. IEEE Trans. Power Electron. 2016, 31, 3528–3549. [Google Scholar] [CrossRef]
- Rajagopalan, J.; Xing, K.; Guo, Y.; Lee, F.C.; Manners, B. Modeling and dynamic analysis of paralleled DC/DC converters with master-slave current sharing control. In Proceedings of the Applied Power Electronics Conference. APEC ’96, San Jose, CA, USA, 3–7 March 1996; Volume 2, pp. 678–684. [Google Scholar]
- Wu, T.-F.; Chen, Y.-K.; Huang, Y.-H. 3C strategy for inverters in parallel operation achieving an equal current distribution. IEEE Trans. Ind. Electron. 2000, 47, 273–281. [Google Scholar]
- Meng, L.; Dragicevic, T.; Vasquez, J.C.; Guerrero, J.M. Tertiary and Secondary Control Levels for Efficiency Optimization and System Damping in Droop Controlled DC–DC Converters. IEEE Trans. Smart Grid 2015, 6, 2615–2626. [Google Scholar] [CrossRef]
- Farasat, M.; Mehraeen, S.; Arabali, A.; Trzynadlowski, A. GA-based optimal power flow for microgrids with DC distribution network. In Proceedings of the 2015 IEEE Energy Conversion Congress and Exposition (ECCE), Montreal, QC, Canada, 20–24 September 2015; pp. 3372–3379. [Google Scholar]
- Feng, X.; Butler-Purry, K.L.; Zourntos, T. Multi-Agent System-Based Real-Time Load Management for All-Electric Ship Power Systems in DC Zone Level. IEEE Trans. Power Syst. 2012, 27, 1719–1728. [Google Scholar] [CrossRef]
- Sun, K.; Zhang, L.; Xing, Y.; Guerrero, J.M. A Distributed Control Strategy Based on DC Bus Signaling for Modular Photovoltaic Generation Systems With Battery Energy Storage. IEEE Trans. Power Electron. 2011, 26, 3032–3045. [Google Scholar] [CrossRef]
- Gu, Y.; Xiang, X.; Li, W.; He, X. Mode-Adaptive Decentralized Control for Renewable DC Microgrid With Enhanced Reliability and Flexibility. IEEE Trans. Power Electron. 2014, 29, 5072–5080. [Google Scholar] [CrossRef]
- Lu, X.; Guerrero, J.M.; Sun, K.; Vasquez, J.C. An Improved Droop Control Method for DC Microgrids Based on Low Bandwidth Communication With DC Bus Voltage Restoration and Enhanced Current Sharing Accuracy. IEEE Trans. Power Electron. 2014, 29, 1800–1812. [Google Scholar] [CrossRef]
- Moayedi, S.; Nasirian, V.; Lewis, F.L.; Davoudi, A. Team-Oriented Load Sharing in Parallel DC–DC Converters. IEEE Trans. Ind. Appl. 2015, 51, 479–490. [Google Scholar] [CrossRef]
- Dam, D.; Lee, H. A Power Distributed Control Method for Proportional Load Power Sharing and Bus Voltage Restoration in a DC Microgrid. IEEE Trans. Ind. Appl. 2018, 54, 3616–3625. [Google Scholar] [CrossRef]
- Shafiee, Q.; Vasquez, J.C.; Guerrero, J.M. Distributed secondary control for islanded MicroGrids—A networked control systems approach. In Proceedings of the IECON 2012—38th Annual Conference on IEEE Industrial Electronics Society, Montreal, QC, Canada, 25–28 October 2012; pp. 5637–5642. [Google Scholar]
- Schiffer, J.; Seel, T.; Raisch, J.; Sezi, T. Voltage Stability and Reactive Power Sharing in Inverter-Based Microgrids With Consensus-Based Distributed Voltage Control. IEEE Trans. Control Syst. Technol. 2016, 24, 96–109. [Google Scholar] [CrossRef]
- Simpson-Porco, J.W.; Shafiee, Q.; Dörfler, F.; Vasquez, J.C.; Guerrero, J.M.; Bullo, F. Secondary Frequency and Voltage Control of Islanded Microgrids via Distributed Averaging. IEEE Trans. Ind. Electron. 2015, 62, 7025–7038. [Google Scholar] [CrossRef]
- Tucci, M.; Riverso, S.; Ferrari-Trecate, G. Line-Independent Plug-and-Play Controllers for Voltage Stabilization in DC Microgrids. IEEE Trans. Control Syst. Technol. 2018, 26, 1115–1123. [Google Scholar] [CrossRef]
- Li, G.-Y.; Zhou, M.; He, J.; Li, G.; Liang, H. Power flow calculation of power systems incorporating VSC-HVDC. In Proceedings of the 2004 International Conference on Power System Technology, 2004. PowerCon 2004, Singapore, 21–24 November 2004; Volume 2, pp. 1562–1566. [Google Scholar]
- Zhang, X.-P. Multiterminal voltage-sourced converter-based HVDC models for power flow analysis. IEEE Trans. Power Syst. 2004, 19, 1877–1884. [Google Scholar] [CrossRef]
- Li, C.; Chaudhary, S.K.; Vasquez, J.C.; Guerrero, J.M. Power flow analysis for droop controlled LV hybrid AC-DC microgrids with virtual impedance. In Proceedings of the 2014 IEEE PES General Meeting | Conference Exposition, National Harbor, MD, USA, 27–31 July 2014; pp. 1–4. [Google Scholar]
- Haileselassie, T.M.; Uhlen, K. Impact of DC Line Voltage Drops on Power Flow of MTDC Using Droop Control. IEEE Trans. Power Syst. 2012, 27, 1441–1449. [Google Scholar] [CrossRef]
- Palma-Behnke, R.; Benavides, C.; Lanas, F.; Severino, B.; Reyes, L.; Llanos, J.; Sáez, D. A Microgrid Energy Management System Based on the Rolling Horizon Strategy. IEEE Trans. Smart Grid 2013, 4, 996–1006. [Google Scholar] [CrossRef]
- Vaccaro, A.; Popov, M.; Villacci, D.; Terzija, V. An Integrated Framework for Smart Microgrids Modeling, Monitoring, Control, Communication, and Verification. Proc. IEEE 2011, 99, 119–132. [Google Scholar] [CrossRef]
- Mondal, A.; Misra, S.; Obaidat, M.S. Distributed Home Energy Management System With Storage in Smart Grid Using Game Theory. IEEE Syst. J. 2017, 11, 1857–1866. [Google Scholar] [CrossRef]
- Shi, W.; Xie, X.; Chu, C.; Gadh, R. Distributed Optimal Energy Management in Microgrids. IEEE Trans. Smart Grid 2015, 6, 1137–1146. [Google Scholar] [CrossRef]
- Khan, S.A.; Wang, M.; Su, W.; Liu, G.; Chaturvedi, S. Grid-Forming Converters for Stability Issues in Future Power Grids. Energies 2022, 15, 4937. [Google Scholar] [CrossRef]
- Chang, F.; Cui, X.; Wang, M.; Su, W. Region of Attraction Estimation for DC Microgrids With Constant Power Loads Using Potential Theory. IEEE Trans. Smart Grid 2021, 12, 3793–3808. [Google Scholar] [CrossRef]
- Hamzeh, M.; Ghazanfari, A.; Mohamed, Y.A.I.; Karimi, Y. Modeling and Design of an Oscillatory Current-Sharing Control Strategy in DC Microgrids. IEEE Trans. Ind. Electron. 2015, 62, 6647–6657. [Google Scholar] [CrossRef]
- Chaturvedi, S.; Fulwani, D.; Patel, D. Dynamic Virtual Impedance-Based Second-Order Ripple Regulation in DC Microgrids. IEEE J. Emerg. Sel. Top. Power Electron. 2022, 10, 1075–1083. [Google Scholar] [CrossRef]
- Liu, G.; Caldognetto, T.; Mattavelli, P.; Magnone, P. Suppression of Second-Order Harmonic Current for Droop-Controlled Distributed Energy Resource Converters in DC Microgrids. IEEE Trans. Ind. Electron. 2020, 67, 358–368. [Google Scholar] [CrossRef]
- Hamzeh, M.; Ghafouri, M.; Karimi, H.; Sheshyekani, K.; Guerrero, J.M. Power Oscillations Damping in DC Microgrids. IEEE Trans. Energy Convers. 2016, 31, 970–980. [Google Scholar] [CrossRef]
- Chaturvedi, S.; Fulwani, D.; Guerrero, J.M. Adaptive-SMC Based Output Impedance Shaping in DC Microgrids Affected by Inverter Loads. IEEE Trans. Sustain. Energy 2020, 11, 2940–2949. [Google Scholar] [CrossRef]





































| S.No | Type | Method | Ref. | Connection | Application |
|---|---|---|---|---|---|
| (1) | Rectifier | Current source inverter | [63,64] | Parallel | PV panels |
| (2) | Rectifier | q-Z-source inverter | [65] | Parallel | PV |
| (3) | Inverter | Push–pull | [56] | Parallel | Fuel cell |
| (4) | Inverter | Flyback | [96] | Parallel | Fuel cell |
| (5) | Inverter | Flyback | [97] | Parallel | PV panels |
| (6) | Inverter | Flyback | [98] | Series | PV, fuel cell |
| (7) | Inverter | Dual-Boost | [79] | Series | PV panels |
| (8) | Inverter | Stacked switched capacitor | [67] | Parallel | Capacitor reduction |
| (9) | Rectification | Differential rectifier | [69] | Parallel | Power factor correction |
| (10) | Inverter | Switched capacitor | [78] | Series | DC microgrid |
| (11) | Bidirectional converter | ACRC | [80] | Parallel | AC–DC converters |
| (12) | Rectifier | Buck converter | [82] | Parallel | Modular multilevel converters |
| (13) | Rectifier | Buck converter | [81] | Series | Electric vehicle charging |
| (14) | Rectifier | PFC | [85] | Series | Improve power factor |
| (15) | Inverter | Cuk derived | [89] | Series | Grid-connected microinverters |
| (16) | Inverter | Full bridge matrix converter | [91] | Parallel | Battery charge-discharge |
| (17) | Inverter | Combinational power decoupling | [90] | Parallel | DC–AC conversion |
| (18) | Inverter | No separate circuit | [92] | Parallel | DC microgrid |
| (19) | Rectifier | Symmetric half bridge | [93] | Parallel | AC–DC conversions |
| (20) | Rectifier | Half-bridge split cap. | [94] | Parallel | AC–DC conversions |
| S.No | Ref. | Type | Explanation | Application |
|---|---|---|---|---|
| (1) | [95] | LCFF | Load-current feedforward through a bandpass filter | DC–AC conversion |
| (2) | [99] | Feedforward scheme | Inductor current feedforward with a phase shift to regulate a bi-directional converter used in PFCs | LED drivers, PFC |
| (3) | [100] | Resonant based control | Resonant control is used after the voltage controller in dual loop control | Two-stage DC–AC conversion |
| (4) | [101] | Virtual resistance control | Increase the virtual resistance at all frequencies to regulate SRCs; degrades dynamics | Two-stage DC–AC conversions |
| (5) | [52] | BPFICF | Bandpass filter-incorporating inductor current feedback control | DC–DC–AC conversion |
| (6) | [102] | NFLCFFS | Notch-filter-based load current feedforward control scheme to improve the dynamics | DC–DC–AC |
| (7) | [102] | NF+VR+LCFFS | The capacitor current is fed through a notch filter and a virtual resistance loop is also incorporated | DC–DC–AC |
| (8) | [126] | Shoot-through PWM logic | Generate the shoot-through signals for SSIs with improved modulation | qSBI, SBI |
| (9) | [132] | Improved PWM | Novel repeating sequences to improve the modulation index | qSBI |
| (10) | [130] | Phase difference shoot through | The shoot-through signal consists of a controlled ripple component with opposite phase | ZSI, qZSI |
Disclaimer/Publisher’s Note: The statements, opinions and data contained in all publications are solely those of the individual author(s) and contributor(s) and not of MDPI and/or the editor(s). MDPI and/or the editor(s) disclaim responsibility for any injury to people or property resulting from any ideas, methods, instructions or products referred to in the content. |
© 2023 by the authors. Licensee MDPI, Basel, Switzerland. This article is an open access article distributed under the terms and conditions of the Creative Commons Attribution (CC BY) license (https://creativecommons.org/licenses/by/4.0/).
Share and Cite
Chaturvedi, S.; Wang, M.; Fan, Y.; Fulwani, D.; Hollweg, G.V.; Khan, S.A.; Su, W. Control Methodologies to Mitigate and Regulate Second-Order Ripples in DC–AC Conversions and Microgrids: A Brief Review. Energies 2023, 16, 817. https://doi.org/10.3390/en16020817
Chaturvedi S, Wang M, Fan Y, Fulwani D, Hollweg GV, Khan SA, Su W. Control Methodologies to Mitigate and Regulate Second-Order Ripples in DC–AC Conversions and Microgrids: A Brief Review. Energies. 2023; 16(2):817. https://doi.org/10.3390/en16020817
Chicago/Turabian StyleChaturvedi, Shivam, Mengqi Wang, Yaoyu Fan, Deepak Fulwani, Guilherme Vieira Hollweg, Shahid Aziz Khan, and Wencong Su. 2023. "Control Methodologies to Mitigate and Regulate Second-Order Ripples in DC–AC Conversions and Microgrids: A Brief Review" Energies 16, no. 2: 817. https://doi.org/10.3390/en16020817
APA StyleChaturvedi, S., Wang, M., Fan, Y., Fulwani, D., Hollweg, G. V., Khan, S. A., & Su, W. (2023). Control Methodologies to Mitigate and Regulate Second-Order Ripples in DC–AC Conversions and Microgrids: A Brief Review. Energies, 16(2), 817. https://doi.org/10.3390/en16020817

