Experimental Validation of 40 kW EV Charger Based on Vienna Rectifier and Series-Resonant Dual Active Bridge †
Abstract
1. Introduction
2. Description of the EV Charging System
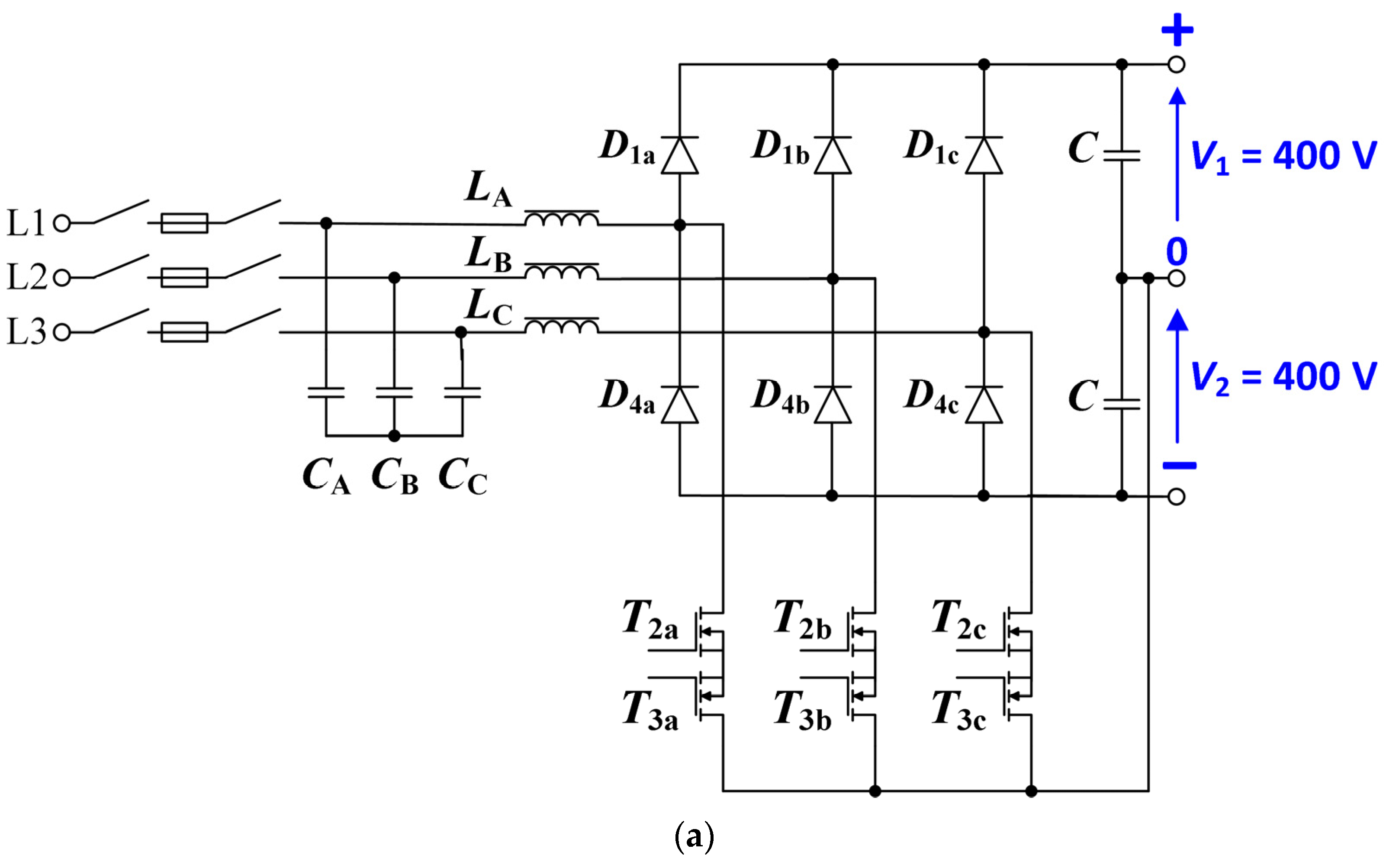
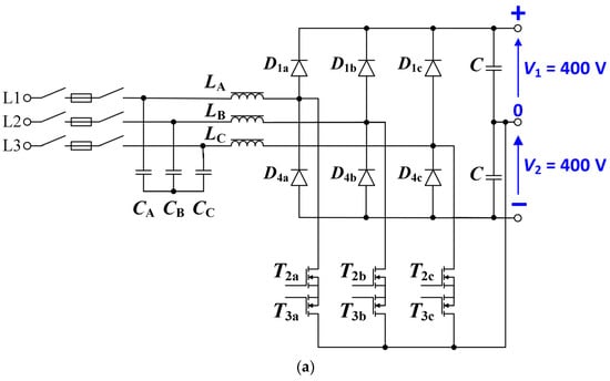
2.1. The 20 kVA Vienna Rectifier
- The maximum current ripples are less than 10% of the rated current.
- The maximum reactive power does not exceed 1% of the rated power.
- The filter resonant frequency was designed in the medium-frequency band, which is ten times higher than the fundamental harmonic and lower than half of the switching frequency.
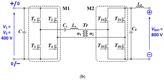
2.2. The 10 kW Series-Resonant Dual-Active-Bridge
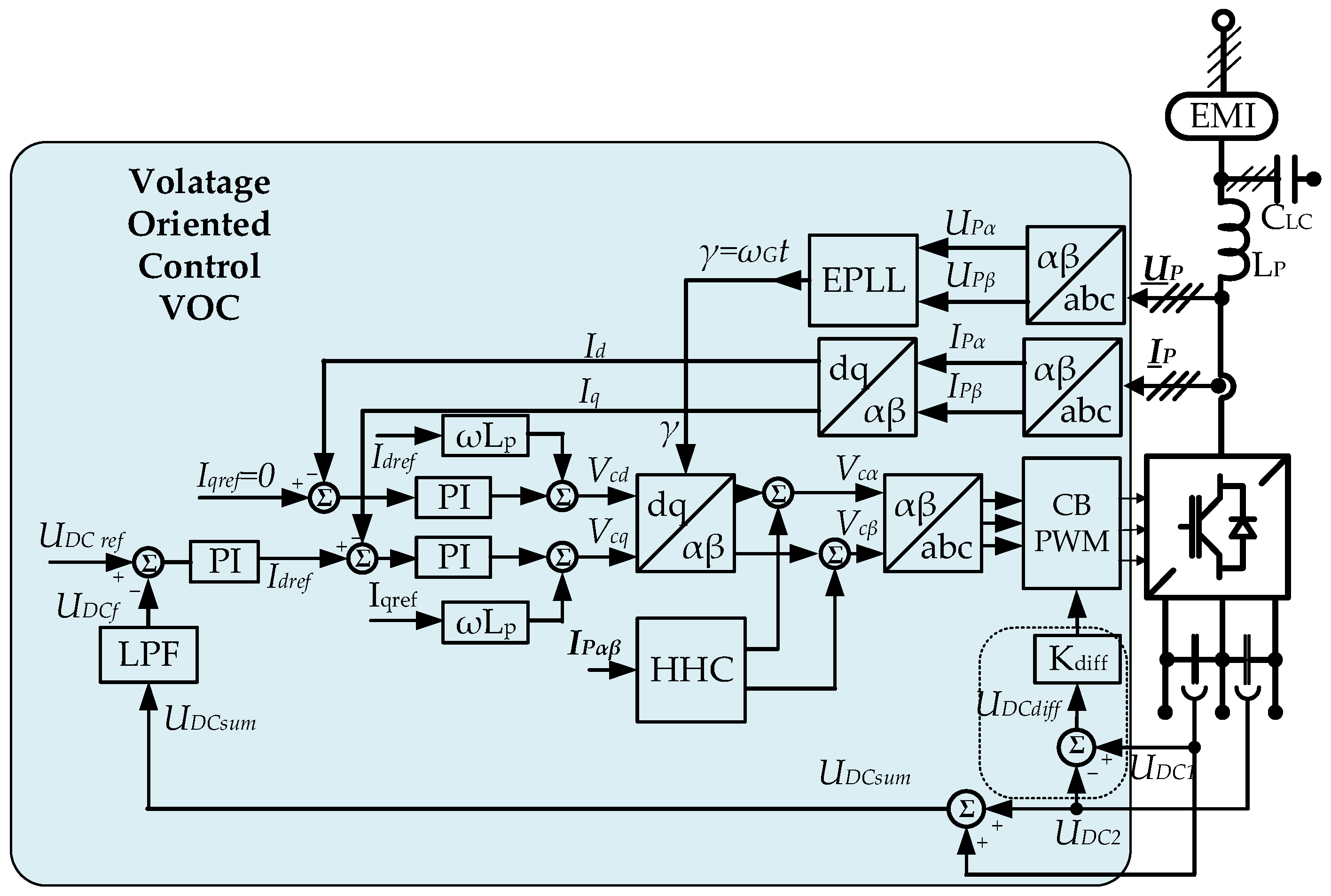
2.3. Control System of the Vienna Rectifier
2.4. Control System of the Series-Resonant Dual-Active-Bridge Converter
3. Experiments with the Complete System
3.1. Standalone Operation of 20 kVA Vienna Rectifier
3.2. Standalone Operation of Two 10 kW Series-Resonant DABs
3.3. Operation of the Single Module of the Charger at 20 kW Nominal Power
3.4. Operation of the Entire Charger at 40 kW Nominal Power
4. Conclusions
Author Contributions
Funding
Data Availability Statement
Conflicts of Interest
References
- Al-Ghussain, L. Global Warming: Review on Driving Forces and Mitigation. Environ. Prog. Sustain. Energy 2019, 38, 13–21. [Google Scholar] [CrossRef]
- Paris Agreement. In Proceedings of the Report of the Conference of the Parties to the United Nations Framework Convention on Climate Change (21st Session), Paris, France, 30 November–13 December 2015; Volume 4, p. 2017.
- The International Council on Clean Transportation (ICCT). Passenger Vehicle Fuel Economy; ICCT: San Francisco, CA, USA, 2020. [Google Scholar]
- Kalair, A.; Abas, N.; Saleem, M.S.; Kalair, A.R.; Khan, N. Role of Energy Storage Systems in Energy Transition from Fossil Fuels to Renewables. Energy Storage 2021, 3, e135. [Google Scholar] [CrossRef]
- Reed, G.F.; Grainger, B.M.; Sparacino, A.R.; Taylor, E.J.; Korytowski, M.J.; Mao, Z. Medium Voltage DC Technology Developments, Applications, and Trends. Cigre 2012, 1, 1–7. [Google Scholar]
- Yoro, K.O.; Daramola, M.O. Chapter 1—CO2 Emission Sources, Greenhouse Gases, and the Global Warming Effect. In Advances in Carbon Capture; Rahimpour, M.R., Farsi, M., Makarem, M.A., Eds.; Woodhead Publishing: Cambridge, UK, 2020; pp. 3–28. ISBN 978-0-12-819657-1. [Google Scholar]
- Paoli, L.; Gul, T. Electric Cars Fend Off Supply Challenges to more than Double Global Sales. Available online: www.iea.org (accessed on 1 July 2023).
- König, A.; Nicoletti, L.; Schröder, D.; Wolff, S.; Waclaw, A.; Lienkamp, M. An Overview of Parameter and Cost for Battery Electric Vehicles. World Electr. Veh. J. 2021, 12, 21. [Google Scholar] [CrossRef]
- Safayatullah, M.; Elrais, M.T.; Ghosh, S.; Rezaii, R.; Batarseh, I. A Comprehensive Review of Power Converter Topologies and Control Methods for Electric Vehicle Fast Charging Applications. IEEE Access 2022, 10, 40753–40793. [Google Scholar] [CrossRef]
- Rąbkowski, J.; Peftitsis, D.; Sobieski, R.; Harasimczuk, M.; Miśkiewicz, R.; Kumar, K.N.; Kopacz, R.; Kalinowski, K.; Trochimiuk, P. Advanced Charging System with Bipolar DC-Link and Energy Storage. In Proceedings of the 2022 Progress in Applied Electrical Engineering (PAEE), Koscielisko, Poland, 27 June–1 July 2022; pp. 1–6. [Google Scholar]
- Sobieski, R.; Miskiewicz, R.; Rabkowski, J.; Kopacz, R. Two-Phase Interleaved DC-DC Converter with 3.3 kV SiC MOSFET Modules. In Proceedings of the 2023 IEEE International Conference on Electrical Systems for Aircraft, Railway, Ship Propulsion and Road Vehicles & International Transportation Electrification Conference (ESARS-ITEC), Venice, Italy, 29–31 March 2023; pp. 1–5. [Google Scholar]
- Kopacz, R.; Harasimczuk, M.; Lasek, B.; Miśkiewicz, R.; Rąbkowski, J. All-SiC ANPC Submodule for an Advanced 1.5 kV EV Charging System under Various Modulation Methods. Energies 2021, 14, 5580. [Google Scholar] [CrossRef]
- Piasecki, S.; Zaleski, J.; Jasinski, M.; Bachman, S.; Turzyński, M. Analysis of AC/DC/DC Converter Modules for Direct Current Fast-Charging Applications. Energies 2021, 14, 6369. [Google Scholar] [CrossRef]
- Lara, J.; Masisi, L.; Hernandez, C.; Arjona, M.A.; Chandra, A. Novel Five-Level ANPC Bidirectional Converter for Power Quality Enhancement during G2V/V2G Operation of Cascaded EV Charger. Energies 2021, 14, 2650. [Google Scholar] [CrossRef]
- Nguyen, D.-D.; Bui, N.-T.; Yukita, K. Design and Optimization of Three-Phase Dual-Active-Bridge Converters for Electric Vehicle Charging Stations. Energies 2020, 13, 150. [Google Scholar] [CrossRef]
- Chaurasiya, S.; Singh, B. A 20 kW Three Phase Off-Board Charging System with Multiple Outputs for Wide Variety of EVs. In Proceedings of the 2021 IEEE International Power and Renewable Energy Conference (IPRECON), Kollam, India, 24–26 September 2021; pp. 1–6. [Google Scholar]
- Miao, Z.; Tong, H.; Jin, X.; Yao, W.; Lu, Z.; Ma, Z. DQ-Frame Zero-Crossing Effect Modeling and Current Distortion Compensation Method for Vienna Rectifier. IEEE Trans. Power Electron. 2020, 35, 7612–7623. [Google Scholar] [CrossRef]
- Lee, J.-S.; Lee, K.-B. A Novel Carrier-Based PWM Method for Vienna Rectifier with a Variable Power Factor. IEEE Trans. Ind. Electron. 2016, 63, 3–12. [Google Scholar] [CrossRef]
- Mobarrez, M.; Kadavelugu, A.; Raheja, U.; Suryanarayana, H. A Control Method for THD Minimization in High Power Density Vienna-Type Rectifier. In Proceedings of the 2021 IEEE Applied Power Electronics Conference and Exposition (APEC), Phoenix, AZ, USA, 14–17 June 2021; pp. 921–926. [Google Scholar]
- Järvisalo, H.; Korhonen, J.; Silventoinen, P.; Korhonen, P. Techno-Economical Comparison between Si and SiC Switches in a VIENNA Rectifier. In Proceedings of the 2021 IEEE 30th International Symposium on Industrial Electronics (ISIE), Kyoto, Japan, 20–23 June 2021; pp. 1–4. [Google Scholar]
- TI Designs: TIDM-1000 Vienna Rectifier-Based, Three-Phase Power Factor Correction (PFC) Reference Design Using C2000TM MCU. 2017. Available online: https://www.tij.co.jp/lit/ug/tiducj0g/tiducj0g.pdf?ts=1691062762907&ref_url=https%253A%252F%252Fwww.google.com%252F (accessed on 1 July 2023).
- Chen, S.; Yu, W.; Meyer, D. Design and Implementation of Forced Air-cooled, 140 kHz, 20 kW SiC MOSFET based Vienna PFC. In Proceedings of the 2019 IEEE Applied Power Electronics Conference and Exposition (APEC), Anaheim, CA, USA, 17–21 March 2019; pp. 1196–1203. [Google Scholar]
- Kim, J.-M.; Lee, J.; Eom, T.-H.; Bae, K.-H.; Shin, M.-H.; Won, C.-Y. Design and Control Method of 25 kW High Efficient EV Fast Charger. In Proceedings of the 2018 21st International Conference on Electrical Machines and Systems (ICEMS), Jeju, Republic of Korea, 7–10 October 2018; pp. 2603–2607. [Google Scholar]
- Li, X.; Bhat, A.K.S. Analysis and Design of High-Frequency Isolated Dual-Bridge Series Resonant DC/DC Converter. IEEE Trans. Power Electron. 2010, 25, 850–862. [Google Scholar] [CrossRef]
- Kundu, U.; Pant, B.; Sikder, S.; Kumar, A.; Sensarma, P. Frequency Domain Analysis and Optimal Design of Isolated Bidirectional Series Resonant Converter. IEEE Trans. Ind. Appl. 2018, 54, 356–366. [Google Scholar] [CrossRef]
- Mirtchev, A.V.; Tatakis, E.C. Design Methodology Based on Dual Control of a Resonant Dual Active Bridge Converter for Electric Vehicle Battery Charging. IEEE Trans. Veh. Technol. 2022, 71, 2691–2705. [Google Scholar] [CrossRef]
- Zhou, F.; Zhang, X.; Rao, P.; Zhang, Q.; Cao, J.; Luo, P. Dead-Time Effect and Efficiency Improvement of the High Power Dual Active Bridge DC-DC Converter with Series Resonant. In Proceedings of the 2019 IEEE Vehicle Power and Propulsion Conference (VPPC), Hanoi, Vietnam, 14–17 October 2019; pp. 1–6. [Google Scholar]
- Corradini, L.; Seltzer, D.; Bloomquist, D.; Zane, R.; Maksimović, D.; Jacobson, B. Minimum Current Operation of Bidirectional Dual-Bridge Series Resonant DC/DC Converters. IEEE Trans. Power Electron. 2012, 27, 3266–3276. [Google Scholar] [CrossRef]
- Wrona, G.; Zdanowski, M.; Trochimiuk, P.; Rąbkowski, J.; Sobieski, R. Experimental Validation of 20 kW EV Charger Module Based on Vienna Rectifier and Series-Resonant Dual Active Bridges. In Proceedings of the 2022 Progress in Applied Electrical Engineering (PAEE), Koscielisko, Poland, 27 June–1 July 2022; pp. 1–6. [Google Scholar]
- Kazmierkowski, M.P.; Krishnan, R.; Blaabjerg, F.; Irwin, J.D. Control in Power Electronics: Selected Problems; Academic Press: Cambridge, MA, USA, 2002. [Google Scholar]
- Wrona, G.; Jasinski, M. AC-DC Converter with Asymmetrical Higher Harmonics Compensation Function in Sustainable AC Grid. Electr. Control Commun. Eng. 2013, 2, 5–13. [Google Scholar] [CrossRef]
- Teodorescu, R.; Liserre, M.; Rodriguez, P. Grid Converters for Photovoltaic and Wind Power Systems; John Wiley & Sons: Hoboken, NJ, USA, 2011. [Google Scholar]
- Rodríguez, P.; Luna, A.; Candela, I.; Mujal, R.; Teodorescu, R.; Blaabjerg, F. Multiresonant Frequency-Locked Loop for Grid Synchronization of Power Converters Under Distorted Grid Conditions. IEEE Trans. Ind. Electron. 2011, 58, 127–138. [Google Scholar] [CrossRef]
- Ruan, X.; Wang, X.; Pan, D.; Yang, D.; Li, W.; Bao, C. Control Techniques for LCL-Type Grid-Connected Inverters; Springer: Berlin/Heidelberg, Germany, 2018. [Google Scholar]






















| Symbol | Parameter | Value | Unit |
|---|---|---|---|
| L1, L2, L3 | Phase voltages | 230 | V |
| V1, V2 | Output voltages | 400 | V |
| Sn | Rated power | 20 | kVA |
| fs | Switching frequency | 66 | kHz |
| T2a, T2b, T2c, T3a, T3b, T3c, | SiC MOSFETs | C3M0030090K | - |
| D1a, D1b, D1c, D4a, D4b, D4c, | Diodes | STPSC20H12 | - |
| LA, LB, LC | Input filter inductors | 220 | µH |
| CA, CB, CC | Input filter capacitors | 2 | µF |
| C | DC-link capacitors | 180 | µF |
| Symbol | Parameter | Value | Unit |
|---|---|---|---|
| V1 or V2 | Input voltage | 400 | V |
| VBAT | Output voltage | 800 | V |
| Pn | Rated power | 10 | kW |
| fs | Switching frequency | 100 | kHz |
| T1 ÷ T4 | SiC MOSFETs | MSC035SMA070B4 | - |
| T1S ÷ T4S | SiC MOSFETs | NVH4L040N120SC1 | - |
| n = n1/n2 | Transformer ratio | 1/2 | - |
| Lr | Resonant inductor | 8 | µH |
| Cr | Resonant capacitor | 1.188 | µF |
| C | DC-link capacitors | 180 | µF |
| LF | Output filter inductor | 33 | µH |
| CF | Output filter capacitor | 1.2 | µF |
Disclaimer/Publisher’s Note: The statements, opinions and data contained in all publications are solely those of the individual author(s) and contributor(s) and not of MDPI and/or the editor(s). MDPI and/or the editor(s) disclaim responsibility for any injury to people or property resulting from any ideas, methods, instructions or products referred to in the content. |
© 2023 by the authors. Licensee MDPI, Basel, Switzerland. This article is an open access article distributed under the terms and conditions of the Creative Commons Attribution (CC BY) license (https://creativecommons.org/licenses/by/4.0/).
Share and Cite
Wrona, G.; Zdanowski, M.; Trochimiuk, P.; Rąbkowski, J.; Sobieski, R. Experimental Validation of 40 kW EV Charger Based on Vienna Rectifier and Series-Resonant Dual Active Bridge. Energies 2023, 16, 5797. https://doi.org/10.3390/en16155797
Wrona G, Zdanowski M, Trochimiuk P, Rąbkowski J, Sobieski R. Experimental Validation of 40 kW EV Charger Based on Vienna Rectifier and Series-Resonant Dual Active Bridge. Energies. 2023; 16(15):5797. https://doi.org/10.3390/en16155797
Chicago/Turabian StyleWrona, Grzegorz, Mariusz Zdanowski, Przemysław Trochimiuk, Jacek Rąbkowski, and Radosław Sobieski. 2023. "Experimental Validation of 40 kW EV Charger Based on Vienna Rectifier and Series-Resonant Dual Active Bridge" Energies 16, no. 15: 5797. https://doi.org/10.3390/en16155797
APA StyleWrona, G., Zdanowski, M., Trochimiuk, P., Rąbkowski, J., & Sobieski, R. (2023). Experimental Validation of 40 kW EV Charger Based on Vienna Rectifier and Series-Resonant Dual Active Bridge. Energies, 16(15), 5797. https://doi.org/10.3390/en16155797

