A Switched Capacitor Inverter Structure with Hybrid Modulation Method Lowering Switching Loss
Abstract
:1. Introduction
2. Generalized Topology Configuration and Hybrid Modulation Strategy
2.1. Generalized Topology Structure
2.2. Proposed Hybrid Modulation Method
3. Demo Topology and Its Working Principle
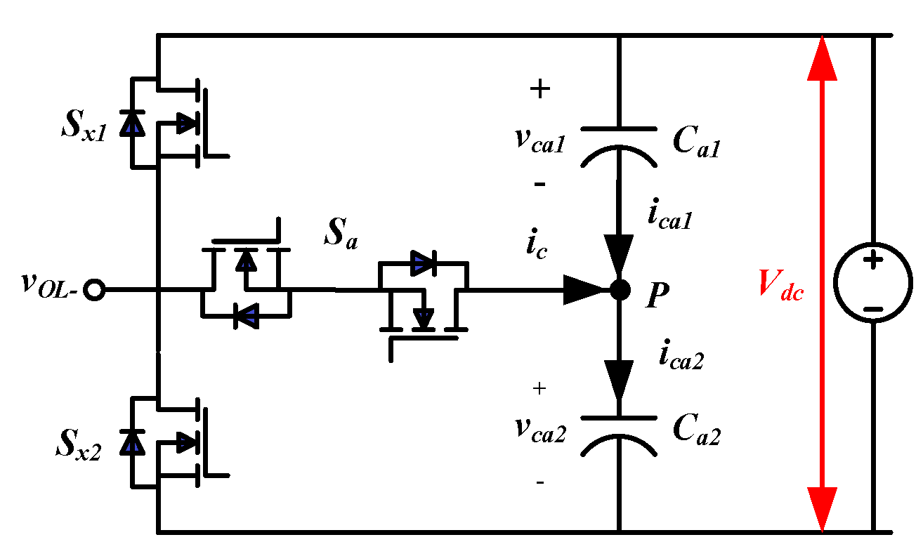
3.1. Demo Topology
3.2. Modulation Method and Working Principle of Demo Topology
4. Voltage Analysis of Capacitors and Loss Calculation
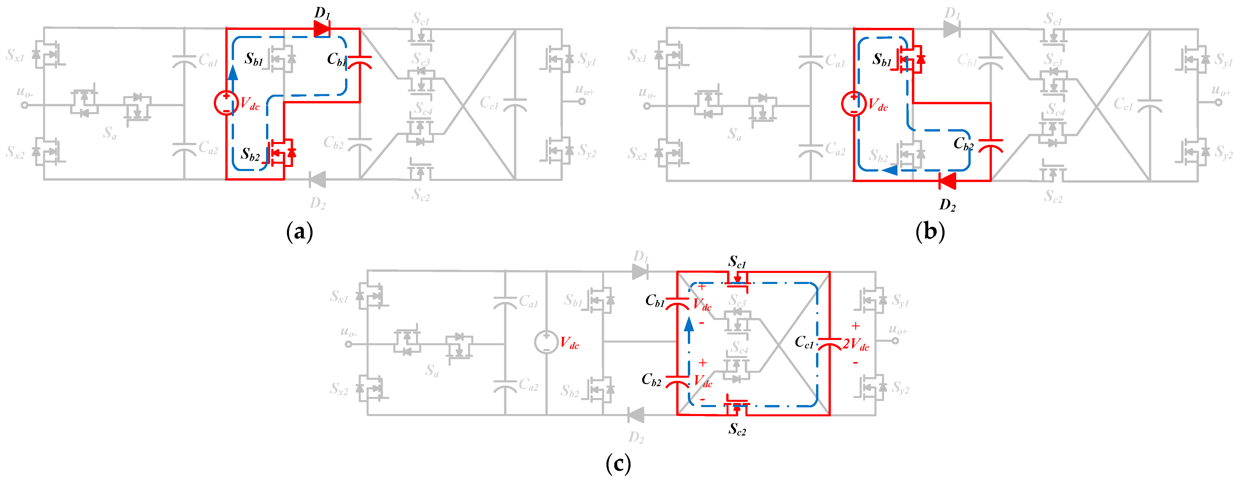
4.1. Self-Balance Process of Capacitors
4.2. Capacitance Calculation
4.3. Switching Loss
4.4. Conduction Losses
4.5. Ripple Losses
5. Comparative Study
5.1. Quantitative Comparison
5.2. Switching Loss Comparison
6. Simulation Results
7. Experimental Results
7.1. Switching Signal Tests
7.2. Static Response Tests
7.3. Dynamic Response Test
8. Conclusions
Author Contributions
Funding
Data Availability Statement
Conflicts of Interest
References
- Jing, Y.; Xiao, Z.; Kai, M.; Qing, Y.; Dong, X. Control Strategy for Two-stage Energy Storage Converter Based on Three-level Topology. Guangdong Electr. Power 2022, 35, 44–53. [Google Scholar]
 - Gupta, K.K.; Ranjan, A.; Bhatnagar, P.; Sahu, L.K.; Jain, S. Multilevel inverter topologies with reduced device count: A review. IEEE Trans. Power Electron. 2016, 31, 135–151. [Google Scholar] [CrossRef]
 - Chavarria, J.; Biel, D.; Guinjoan, F.; Meza, C.; Negroni, J.J. Energy-Balance Control of PV Cascaded Multilevel Grid-Connected Inverters under Level-Shifted and Phase-Shifted PWMs. IEEE Trans. Ind. Electron. 2016, 60, 98–111. [Google Scholar] [CrossRef]
 - Du, Z.; Ozpineci, B.; Tolbert, L.M.; Chiasson, J.N. DC–AC Cascaded H-Bridge Multilevel Boost Inverter with No Inductors for Electric/Hybrid Electric Vehicle Applications. IEEE Trans. Ind. Appl. 2009, 45, 963–970. [Google Scholar] [CrossRef]
 - Sadigh, A.K.; Hosseini, S.H.; Sabahi, M.; Gharehpetian, G.B. Double Flying Capacitor Multicell Converter Based on Modified Phase-Shifted Pulsewidth Modulation. IEEE Trans. Power Electron. 2010, 25, 1517–1526. [Google Scholar] [CrossRef]
 - Guo, X.; Wang, X.; Wang, C.; Lu, Z.; Hua, C.; Blaabjerg, F. Improved Modulation Strategy for Singe-Phase Cascaded H-Bridge Multilevel Inverter. IEEE Trans. Power Electron. 2022, 37, 2470–2474. [Google Scholar] [CrossRef]
 - Wang, R.; Ai, L.; Liu, C. A Novel Three-Phase Dual-Output Neutral-Point-Clamped Three-Level Inverter. IEEE Trans. Power Electron. 2021, 36, 7576–7586. [Google Scholar] [CrossRef]
 - Kang, D.W.; Lee, B.K.; Jeon, J.H.; Kim, T.J.; Hyun, D.S. A symmetric carrier technique of CRPWM for voltage balance method of flying-capacitor multilevel inverter. IEEE Trans. Ind. Electron. 2005, 52, 879–888. [Google Scholar] [CrossRef]
 - Ye, Y.; Cheng, K.W.E.; Liu, J.; Ding, K. A Step-Up Switched-Capacitor Multilevel Inverter with Self-Voltage Balancing. IEEE Trans. Ind. Electron. 2014, 61, 6672–6680. [Google Scholar] [CrossRef]
 - Zeng, J.; Wu, J.; Liu, J.; Guo, H. A Quasi-Resonant Switched-Capacitor Multilevel Inverter with Self-Voltage Balancing for Single-Phase High-Frequency AC Microgrids. IEEE Trans. Ind. Inform. 2017, 13, 2669–2679. [Google Scholar] [CrossRef]
 - Lee, S.S.; Bak, Y.; Kim, S.-M.; Joseph, A.; Lee, K.-B. New Family of Boost Switched-Capacitor Seven-Level Inverters (BSC7LI). IEEE Trans. Power Electron. 2019, 34, 10471–10479. [Google Scholar] [CrossRef]
 - Zhao, J.; Chen, Y.; Zeng, J.; Wang, L.; Liu, J. Novel cross-switch seven-level inverter with triple boost capability and self-balancing. J. Power Electron. 2022, 22, 1415–1426. [Google Scholar] [CrossRef]
 - Lin, W.; Zeng, J.; Hu, J.; Liu, J. Hybrid Nine-Level Boost Inverter with Simplified Control and Reduced Active Devices. IEEE J. Emerg. Sel. Top. Power Electron. 2021, 9, 2038–2050. [Google Scholar] [CrossRef]
 - Zhao, J.; Chen, Y.; Zeng, J.; Liu, J. A Hybrid Nine-Level Inverter with Reduced Components and Simplified Control. IEEE J. Emerg. Sel. Top. Power Electron. 2022, 10, 4498–4508. [Google Scholar] [CrossRef]
 - Iqbal, A.; Siddique, M.D.; Reddy, B.P.; Maroti, P.K. Quadruple Boost Multilevel Inverter (QB-MLI) Topology with Reduced Switch Count. IEEE Trans. Power Electron. 2021, 36, 7372–7377. [Google Scholar] [CrossRef]
 - Chen, M.; Yang, Y.; Loh, P.C.; Blaabjerg, F. A Single-Source Nine-Level Boost Inverter with a Low Switch Count. IEEE Trans. Ind. Electron. 2022, 69, 2644–2658. [Google Scholar] [CrossRef]
 - Ye, Y.; Chen, S.; Wang, X.; Cheng, K.-W.E. Self-Balanced 13-Level Inverter Based on Switched Capacitor and Hybrid PWM Algorithm. IEEE Trans. Ind. Electron. 2021, 68, 4827–4837. [Google Scholar] [CrossRef]
 - Ye, Y.; Zhang, G.; Wang, X.; Yi, Y.; Cheng, K.W.E. Self-Balanced Switched-Capacitor Thirteen-Level Inverters with Reduced Capacitors Count. IEEE Trans. Ind. Electron. 2022, 69, 1070–1076. [Google Scholar] [CrossRef]
 - Sun, R.; Wang, X.; Ye, Y. Seventeen-Level Inverter Based on Switched-Capacitor and Flying-Capacitor-Fed T-type Unit. IEEE Access 2022, 10, 33561–33570. [Google Scholar] [CrossRef]
 - Pourfarrokh, S.; Adabi, J.; Zare, F. A Novel Multilevel Inverter with Self-Balancing Capability of Capacitors Voltage; Structure, Modulation, and Operation. IEEE J. Emerg. Sel. Top. Power Electron. 2023, 11, 1854–1864. [Google Scholar] [CrossRef]
 - Panda, K.P.; Bana, P.R.; Kiselychnyk, O.; Wang, J.; Panda, G. A Single-Source Switched-Capacitor-Based Step-Up Multilevel Inverter with Reduced Components. IEEE Trans. Ind. Appl. 2021, 57, 3801–3811. [Google Scholar] [CrossRef]
 - Singh, A.K.; Mandal, R.K. A Novel 17-Level Reduced Component Single DC Switched-Capacitor-Based Inverter with Reduced Input Spike Current. IEEE J. Emerg. Sel. Top. Power Electron. 2022, 10, 6045–6056. [Google Scholar] [CrossRef]
 - Liu, J.; Lin, W.; Wu, J.; Zeng, J. A Novel Nine-Level Quadruple Boost Inverter with Inductive-Load Ability. IEEE Trans. Power Electron. 2019, 34, 4014–4018. [Google Scholar] [CrossRef]
 - Bhatnagar, P.; Singh, A.K.; Gupta, K.K.; Siwakoti, Y.P. A Switched-Capacitors-Based 13-Level Inverter. IEEE Trans. Power Electron. 2019, 37, 644–658. [Google Scholar] [CrossRef]
 - Bakeer, A.; Chub, A.; Shen, Y. Reliability Evaluation of Isolated Buck-Boost DC-DC Series Resonant Converter. IEEE Open J. Power Electron. 2022, 3, 131–141. [Google Scholar] [CrossRef]
 

















| Mode | vOH | States of Power Devices | ||||||||
|---|---|---|---|---|---|---|---|---|---|---|
| Tb1 | Sb1 | Sc1 | Sc3 | Sc4 | Sy1 | Cb1 | Cb2 | Cc1 | ||
| 4 | 4 Vdc | 0 | 1 | 0 | 1 | 0 | 1 | D | C | D | 
| 3+ | 3 Vdc | 1 | 1 | 0 | 1 | 0 | 1 | D | C | D | 
| 3− | 0 | 0 | 0 | 1 | 0 | 1 | C | D | D | |
| 2+ | 2 Vdc | 1 | 0 | 0 | 1 | 0 | 1 | C | D | D | 
| 2− | 0 | 1 | 1 | 0 | 0 | 1 | D | C | C | |
| 1+ | Vdc | 1 | 1 | 1 | 0 | 0 | 1 | D | C | C | 
| 1− | 0 | 0 | 1 | 0 | 0 | 1 | C | - | C | |
| 0+ | 0 | 1 | 0 | 1 | 0 | 0 | 1 | C | - | C | 
| 0− | 0 | 1 | 1 | 0 | 0 | 0 | - | C | C | |
| (−1)+ | −Vdc | 1 | 1 | 1 | 0 | 0 | 0 | - | C | C | 
| (−1)− | 0 | 0 | 1 | 0 | 0 | 0 | C | D | C | |
| (−2)+ | −2 Vdc | 1 | 0 | 1 | 0 | 0 | 0 | C | D | C | 
| (−2)− | 0 | 1 | 0 | 0 | 1 | 0 | D | C | D | |
| (−3)+ | −3 Vdc | 1 | 1 | 0 | 0 | 1 | 0 | D | C | D | 
| (−3)− | 0 | 0 | 0 | 0 | 1 | 0 | C | D | D | |
| −4 | −4 Vdc | 1 | 0 | 0 | 0 | 1 | 0 | C | D | D | 
| Mode | vOL | Switching State | |||
|---|---|---|---|---|---|
| Sx1 | Sx2 | Sa | Ta1 | ||
| 1 | +Vdc/2 | 0 | 0 | 1 | 1 | 
| 0+ | 0 | 1 | 0 | 0 | 1 | 
| 0− | 0 | 1 | 0 | 0 | |
| −1 | −Vdc/2 | 0 | 0 | 1 | 0 | 
| Switch Label | Switching Frequency fsw | Blocking Voltage Vb | 
|---|---|---|
| Sb1, Sb2 | 7 fo | Vdc | 
| Sc1, Sc2 | 2 fo | 2 Vdc | 
| Sc3 | fo | 2 Vdc | 
| Sc4 | fo | 2 Vdc | 
| Sy1,Sy2 | fo | 2 Vdc | 
| Sx1, Sx2 | fc/2 | Vdc/2 | 
| Sa | fc | Vdc/2 | 
| Topology | Nsource | Nsw | Ng | Nd | Nc | TSV(×Vstep) | Nlevel | CF | Self-Balance | 
|---|---|---|---|---|---|---|---|---|---|
| CHB | 8 | 32 | 32 | 0 | 0 | 32 | 17 | 45.17 | - | 
| [9] | 1 | 12 | 12 | 14 | 7 | 95 | 17 | 8.24 | √ | 
| [12] | 1 | 8 | 7 | 4 | 3 | 16 | 7 | 5.43 | √ | 
| [13] | 1 | 8 | 8 | 2 | 3 | 20 | 9 | 4.56 | √ | 
| [14] | 1 | 8 | 8 | 1 | 2 | 22 | 9 | 4.56 | √ | 
| [17] | 1 | 10 | 10 | 4 | 4 | 36 | 13 | 4.92 | √ | 
| [19] | 1 | 10 | 9 | 2 | 4 | 42 | 17 | 3.94 | × | 
| [20] | 2 | 10 | 8 | 0 | 2 | 36 | 17 | 6.59 | √ | 
| [21] | 1 | 12 | 12 | 2 | 3 | 50 | 17 | 4.65 | √ | 
| Proposed demo topology | 1 | 12 | 10 | 4 | 5 | 45 | 17 | 4.47 | √ | 
| Items | Specification | 
|---|---|
| Input source voltage Vdc | 50 V | 
| Capacitance | 3300 μF | 
| Working/output frequency fo | 50 Hz | 
| Carrier signal frequency fc | 5 kHz | 
| Load resistance | 50–200 Ω | 
| Load inductor | 46 mH | 
| Components | Specification | 
|---|---|
| Input source voltage Vdc | 24 V | 
| Capacitance | 3300 μF | 
| Power switches | SMF20N65 | 
| Diodes | MURF1040CT | 
| Working/output frequency fo | 50 Hz | 
| Carrier signal frequency fc | 10 kHz | 
| Loads | 200 Ω/80 Ω/46 mH | 
Disclaimer/Publisher’s Note: The statements, opinions and data contained in all publications are solely those of the individual author(s) and contributor(s) and not of MDPI and/or the editor(s). MDPI and/or the editor(s) disclaim responsibility for any injury to people or property resulting from any ideas, methods, instructions or products referred to in the content.  | 
© 2023 by the authors. Licensee MDPI, Basel, Switzerland. This article is an open access article distributed under the terms and conditions of the Creative Commons Attribution (CC BY) license (https://creativecommons.org/licenses/by/4.0/).
Share and Cite
Zhao, Y.; Ge, W.; Liang, X.; Yang, Y.; Tang, J.; Liu, J. A Switched Capacitor Inverter Structure with Hybrid Modulation Method Lowering Switching Loss. Energies 2023, 16, 5574. https://doi.org/10.3390/en16145574
Zhao Y, Ge W, Liang X, Yang Y, Tang J, Liu J. A Switched Capacitor Inverter Structure with Hybrid Modulation Method Lowering Switching Loss. Energies. 2023; 16(14):5574. https://doi.org/10.3390/en16145574
Chicago/Turabian StyleZhao, Yanjun, Wentao Ge, Xiaobing Liang, Yue Yang, Jingxing Tang, and Junfeng Liu. 2023. "A Switched Capacitor Inverter Structure with Hybrid Modulation Method Lowering Switching Loss" Energies 16, no. 14: 5574. https://doi.org/10.3390/en16145574
APA StyleZhao, Y., Ge, W., Liang, X., Yang, Y., Tang, J., & Liu, J. (2023). A Switched Capacitor Inverter Structure with Hybrid Modulation Method Lowering Switching Loss. Energies, 16(14), 5574. https://doi.org/10.3390/en16145574
        
