Three-Phase Modal Noise Analysis and Optimal Three-Phase Power Line Filter Design
Abstract
1. Introduction
- (1)
- A clear three-phase modal definition along with a review of the instrumentation capable of extract modal noises;
- (2)
- A methodology to evaluate the behavior of any PLF component when the system is excited with either CM or DM noises, or a combination of both;
- (3)
- A detailed PLF design methodology, based on an accurate IL estimation to reduce the CM and DM CE, experimentally tested, and validated in a real case scenario.
2. Modal Definition: A Brief Review
2.1. Three-Phase Modal Definition
- Circuital: considering the actual phase voltages and currents.
- Modal: considering its modal decomposition, which is, the common mode, along with its voltage and current, and differential modes, along with their voltage and current.
2.2. Filtering a Predominant Differential Mode Noise

2.3. General Considerations for CE Testing for Three-Phase EUTs and Consequences in PLF Design
- (1)
- Access to a LISN featuring independent RF outputs for each phase.
- (2)
- Access to equipment able to extract the modal noises.
- Extra equipment must be bought or developed [8];
- Modal noises cannot be measured simultaneously. This makes the identification of the predominant mode or sporadic interference detection very difficult, especially when a pulsed interference is measured;
- Additional cables and the modal separator itself can behave as an antenna and couple undesired signals into the measurements and add uncertainties into the measurement chain;
- Special care must be taken to avoid impedance mismatches, since reflections can amplify the modal conversion.
- No external modal separator is needed. Whenever an external device is added into the measurement set-up, the possibility of impedance mismatches increases. For example, the impedance of the modal separator placed between a LISN RF output and a receiver RF input might vary in an unknown manner along with the frequency and contribute to providing wrong measurement results [14];
- CM and DM noises can be measured and analyzed simultaneously. A four-channel EMI receiver equipped with a high-speed ADC converts the measured signals in the digital domain. Hence, the modal noises can be evaluated by computing Equations (4) and (5) without external analog devices.
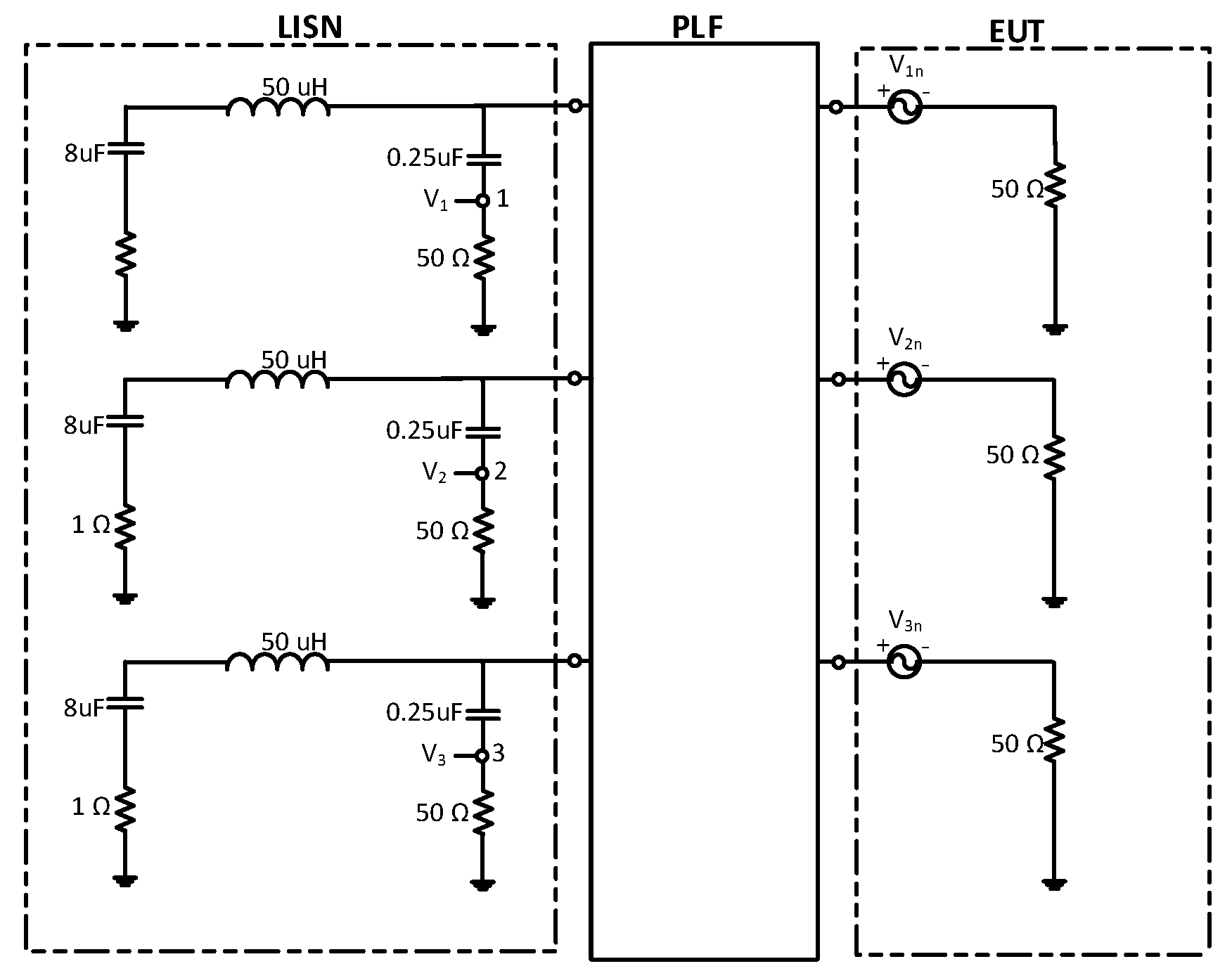
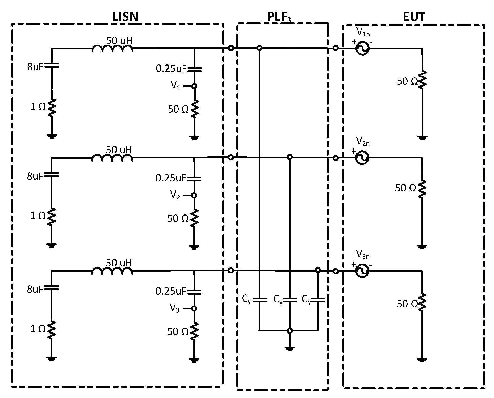
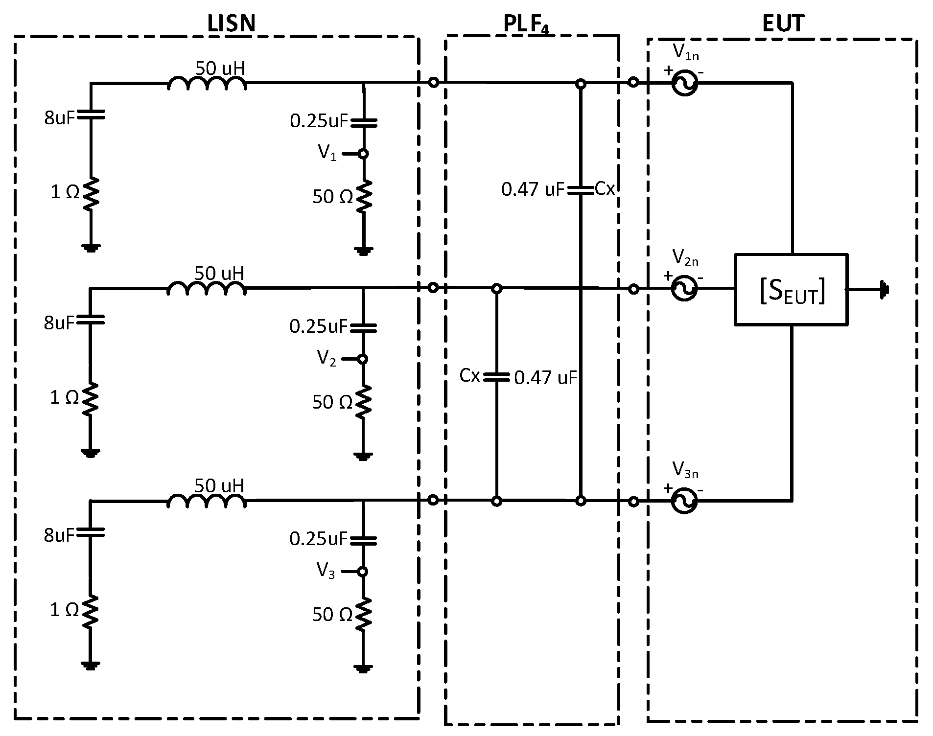
3. PLF Design
3.1. Common Mode Noise Generation
3.2. Differential Mode Noise Generation
3.3. Differential and Common Mode Noise
3.4. Accurate Estimation of the IL of a PLF
3.5. Models Validation
3.5.1. IL’s Evaluation for Cx Capacitors
3.5.2. IL’s Evaluation for CMC
3.5.3. IL’s Evaluation for Cy Capacitors
3.6. EUT Characterization—S-Parameter Measurements
4. Experimental Validation
- Measurement of the EUT’s S-parameters;
- Measurement of the conducted emissions and their modal decompositions. This information is needed to determine the attenuation required to mitigate each mode under a certain limit;
- S-parameters are introduced as a three-port black box in a circuit simulator;
- Implementation of the same circuit by adding the PLF;
- Simulations in frequency domain to obtain the voltage amplitude at the measurement ports of the LISN, that is: ;
- The CM/DM attenuation is computed using Equations (11) and (12), respectively;
- The determination of the optimal values for each PLF component is conducted using iterative simulations and by selecting the closest available commercial value found. Of course, this methodology could be implemented by means of different optimization techniques.
4.1. CE Measurements
4.2. PLF Design Methodology
5. Conclusions
Author Contributions
Funding
Data Availability Statement
Conflicts of Interest
References
- Mazurek, P.; Chudy, A. An Analysis of Electromagnetic Disturbances from an Electric Vehicle Charging Station. Energies 2022, 15, 244. [Google Scholar] [CrossRef]
- Wang, L.; Qin, Z.; Slangen, T.; Bauer, P.; van Wijk, T. Grid Impact of Electric Vehicle Fast Charging Stations: Trends, Standards, Issues and Mitigation Measures—An Overview. IEEE Open J. Power Electron. 2021, 2, 56–74. [Google Scholar] [CrossRef]
- Johansson, S.; Persson, J.; Lazarou, S.; Theocharis, A. Investigation of the Impact of Large-Scale Integration of Electric Vehicles for a Swedish Distribution Network. Energies 2019, 12, 4717. [Google Scholar] [CrossRef]
- CISPR 16-1-1; Specification for Radio Disturbance and Immunity Measuring Apparatus and Methods—Part 1-1: Radio Disturbance and Immunity Measuring Apparatus—Measuring apparatus. International Electrotechnical Commission: Geneva, Switzerland, 2019.
- CISPR 32:2015+AMD1:2019 CSV; Electromagnetic Compatibility of Multimedia Equipment—Emission Requirements. International Electrotechnical Commission: Geneva, Switzerland, 2015.
- CISPR 17:2011; Methods of Measurement of the Suppression Characteristics of Passive EMC Filtering Devices. International Electrotechnical Commission: Geneva, Switzerland, 2011.
- Bosi, M.; Sánchez, A.-M.; Pajares, F.J.; Campanini, A.; Peretto, L. PLF Design for DC-DC Converters Based on Accurate IL Estimations. Energies 2023, 16, 2085. [Google Scholar] [CrossRef]
- Bosi, M.; Sanchez, A.-M.; Pajares, F.; Garcia, I.; Accensi, J.; Regue, J. Common- and Differential-Mode Conducted Emissions Measurements using Conventional Receivers versus FFT-Based Receivers. IEEE Electromagn. Compat. Mag. 2022, 11, 55–63. [Google Scholar] [CrossRef]
- Pérez, A.; Sánchez, A.-M.; Regué, J.; Ribó, M.; Rodríguez-Cepeda, P.; Pajares, F. Characterization of Power-Line Filters and Electronic Equipment for Prediction of Conducted Emissions. IEEE Trans. Electromagn. Compat. 2008, 50, 577–585. [Google Scholar] [CrossRef]
- Sánchez, A.-M.; Pignari, S.A.; Regué, J.-R.; Ribó, M. Device Modeling for Nonstationary Conducted Emissions Based on Frequency-and Time-Domain Measurements. IEEE Trans. Electromagn. Compat. 2012, 54, 738–746. [Google Scholar] [CrossRef]
- Sánchez, A.; Regué, J.; Ribó, M.; Pérez, A.; Rodríguez-Cepeda, P.; Pajares, F. Automated Power-Line Filter Design Under High 50-Hz Current Load Conditions. IEEE Trans. Electromagn. Compat. 2013, 55, 717–724. [Google Scholar] [CrossRef]
- Danilovic, M.; Luo, F.; Xue, L.; Wang, R.; Mattavelli, P.; Boroyevich, D. Size and weight dependence of the single stage input EMI filter on switching frequency for low voltage bus aircraft applications. In Proceedings of the 15th International Power Electronics and Motion Control Conference (PEMC 2012), Novi Sad, Serbia, 4–6 September 2012; pp. LS4a.41–LS4a.47. [Google Scholar]
- Raggl, K.; Nussbaumer, T.; Kolar, J.W. Guideline for a Simplified Differential-Mode EMI Filter Design. IEEE Trans. Ind. Electron. 2010, 57, 1031–1040. [Google Scholar] [CrossRef]
- Bosi, M.; Sánchez, A.-M.; Pajares, F.J.; Peretto, L. A Methodology to Analyze and Evaluate the Uncertainty Propagation due to Temperature and Frequency and Design Optimization for EMC Testing Instrumentation. Electricity 2021, 2, 18. [Google Scholar] [CrossRef]
- Shen, W.; Wang, F.; Boroyevich, D. Conducted EMI characteristic and its implications to filter design in 3-phase diode front-end converters. In Proceedings of the Conference Record of the 2004 IEEE Industry Applications Conference, 2004. 39th IAS Annual Meeting, Seattle, WA, USA, 3–7 October 2004; Volume 3, pp. 1840–1846. [Google Scholar] [CrossRef]
- Xue, J.; Wang, F.; Guo, B. EMI noise mode transformation due to propagation path unbalance in three-phase motor drive system and its implication to EMI filter design. In Proceedings of the 2014 IEEE Applied Power Electronics Conference and Exposition—APEC 2014, Fort Worth, TX, USA, 16–20 March 2014; pp. 806–811. [Google Scholar] [CrossRef]
- Heldwein, M.; Dalessandro, L.; Kolar, J. The three-phase common-mode inductor: Modeling and design issues. IEEE Trans. Ind. Electron. 2011, 58, 3264–3274. [Google Scholar] [CrossRef]
- Wang, S.; Lee, F.C. Investigation of the Transformation Between Differential-Mode and Common-Mode Noises in an EMI Filter Due to Unbalance. IEEE Trans. Electromagn. Compat. 2010, 52, 578–587. [Google Scholar] [CrossRef]
- Dey, S.; Mallik, A. A Comprehensive Review of EMI Filter Network Architectures: Synthesis, Optimization and Comparison. Electronics 2021, 10, 1919. [Google Scholar] [CrossRef]
- Wei, J.; Gerling, D.; Galek, M. S-parameters characterization and sequence model of three-phase EMI filter. In Proceedings of the IECON 2013—39th Annual Conference of the IEEE Industrial Electronics Society, Vienna, Austria, 10–13 November 2013; pp. 1254–1259. [Google Scholar] [CrossRef]
- Zhang, H.; Wang, S.; Puukko, J. Common mode EMI noise modeling and prediction for a three-phase, three-level, grid tied photovoltaic inverter. In Proceedings of the 2016 Asia-Pacific International Symposium on Electromagnetic Compatibility (APEMC), Shenzhen, China, 17–21 May 2016; pp. 1188–1194. [Google Scholar] [CrossRef]
- Ye, H.; Yang, Z.; Dai, J.; Yan, C.; Xin, X.; Ying, J. Common mode noise modeling and analysis of dual boost PFC circuit. In Proceedings of the INTELEC 2004. 26th Annual International Telecommunications Energy Conference, Chicago, IL, USA, 19–23 September 2004; pp. 575–582. [Google Scholar]
- Wang, J.; Dunford, W.; Mauch, K. A comparison of modified boost converters with continuous inductor current mode and ripple free input current with conventional converters. In Proceedings of the Conference Record 31st IEEE IAS Annual Meeting, San Diego, CA, USA, 6–10 October 1996; Volume 2, pp. 878–885. [Google Scholar]
- Dai, B.; Zhang, B.; Niu, Z.; Feng, Y.; Liu, Y.; Fan, Y. A Novel Ultrawideband Branch Waveguide Coupler With Low Amplitude Imbalance. IEEE Trans. Microw. Theory Tech. 2022, 70, 3838–3846. [Google Scholar] [CrossRef]
- Nussbaumer, T.; Heldwein, M.L.; Kolar, J.W. Differential mode input filter design for a three-phase buck-type PWM rectifier based on modeling of the EMC test receiver. IEEE Trans. Ind. Electron. 2006, 53, 1649–1661. [Google Scholar] [CrossRef]
- Kurokawa, S.; Daltin, R.S.; Prado, A.J.; Pissolato, J.; Bovolato, L.F. Modal representation of three-phase lines applying two transformation matrices: Evaluation of its eigenvectors. In Proceedings of the 2006 IEEE Power Engineering Society General Meeting, Montreal, QC, Canada, 18–22 June 2006; p. 7. [Google Scholar] [CrossRef]
- Ahmed, K.H.; Finney, S.J.; Williams, B.W. Passive Filter Design for Three-Phase Inverter Interfacing in Distributed Generation. In Proceedings of the 2007 Compatibility in Power Electronics, Gdansk, Poland, 29 May–1 June 2007; pp. 1–9. [Google Scholar] [CrossRef]
- Boillat, D.O.; Kolar, J.W.; Muhlethaler, J. Volume minimization of the main DM/CM EMI filter stage of a bidirectional three-phase threelevel PWM rectifier system. In Proceedings of the 2013 IEEE Energy Conversion Congress and Exposition, Denver, CO, USA, 15–19 September 2013; pp. 2008–2019. [Google Scholar]
- Wyss, J.; Biela, J. Volume optimization of a 30 kW boost PFC converter focusing on the CM/DM EMI filter design. In Proceedings of the 2017 19th European Conference on Power Electronics and Applications (EPE’17 ECCE Europe), Warsaw, Poland, 11–14 September 2017; pp. 1–10. [Google Scholar]
- Antivachis, M.; Niklaus, P.S.; Bortis, D.; Kolar, J.W. Input/output EMI filter design for three-phase ultra-high speed motor drive gan inverter stage. CPSS Trans. Power Electron. Appl. 2021, 6, 74–92. [Google Scholar] [CrossRef]
- Nicolae, I.-D.; Nicolae, P.-M. Power Quality and Electromagnetic Compatibility Aspects at Personal Computers. Energies 2022, 15, 4661. [Google Scholar] [CrossRef]
- Heldwein, M.L.; Kolar, J.W. Impact of EMC Filters on the Power Density of Modern Three-Phase PWM Converters. IEEE Trans. Power Electron. 2009, 24, 1577–1588. [Google Scholar] [CrossRef]
- Alame, D.; Azzouz, M.; Kar, N. Assessing and Mitigating Impacts of Electric Vehicle Harmonic Currents on Distribution Systems. Energies 2020, 13, 3257. [Google Scholar] [CrossRef]
- Jettanasen, C.; Ngaopitakkul, A. The Conducted Emission Attenuation of Micro-Inverters for Nanogrid Systems. Sustainability 2020, 12, 151. [Google Scholar] [CrossRef]
- Dharmakeerthi, C.; Mithulananthan, N.; Saha, T.K. Overview of the impacts of plug-in electric vehicles on the power grid. In Proceedings of the 2011 IEEE PES Innovative Smart Grid Technologies, Perth, Australia, 13–16 November 2011; pp. 1–8. [Google Scholar]
- Niklaus, P.S.; Antivachis, M.M.; Bortis, D.; Kolar, J.W. Analysis of the Influence of Measurement Circuit Asymmetries on Three-Phase CM/DM Conducted EMI Separation. IEEE Trans. Power Electron. 2021, 36, 4066–4080. [Google Scholar] [CrossRef]
- Niklaus, P.S.; Bortis, D.; Kolar, J.W. Design and experimental analysis of a three-phase active CM/DM conducted EMI noise separator. CPSS Trans. Power Electron. Appl. 2020, 5, 273–288. [Google Scholar] [CrossRef]
- Biela, J.; Wirthmueller, A.; Waespe, R.; Heldwein, M.L.; Raggl, K.; Kolar, J.W. Passive and Active Hybrid Integrated EMI Filters. IEEE Trans. Power Electron. 2009, 24, 1340–1349. [Google Scholar] [CrossRef]
- Heldwein, M.L.; Nussbaumer, T.; Beck, F.; Kolar, J.W. Novel three-phase CM/DM conducted emissions separator. In Proceedings of the Twentieth Annual IEEE Applied Power Electronics Conference and Exposition, 2005. APEC 2005, Austin, TX, USA, 6–10 March 2005; Volume 2, pp. 797–802. [Google Scholar] [CrossRef]
- Kostov, K.S.; Schroth, S.; Krismer, F.; Priecinsky, M.; Nee, H.-P.; Kolar, J.W. The Input Impedance of Common-Mode and Differential-Mode Noise Separators. IEEE Trans. Ind. Appl. 2015, 51, 2352–2360. [Google Scholar] [CrossRef]
- Qu, S.; Chen, D. Mixed-mode EMI noise and its implications to filter design in offline switching power supplies. IEEE Trans. Power Electron. 2002, 17, 502–507. [Google Scholar] [CrossRef]
- Wang, S.; Kong, P.; Lee, F.C. Common mode noise reduction for boost converters using general balance technique. IEEE Trans. Power Electron. 2007, 22, 1410–1416. [Google Scholar] [CrossRef]
- Dobrowolski, J.A. Differential and Common Mode Noise Waves and Correlation Matrices. Int. J. Electron. Telecommun. 2014, 60, 133–141. [Google Scholar] [CrossRef]























Disclaimer/Publisher’s Note: The statements, opinions and data contained in all publications are solely those of the individual author(s) and contributor(s) and not of MDPI and/or the editor(s). MDPI and/or the editor(s) disclaim responsibility for any injury to people or property resulting from any ideas, methods, instructions or products referred to in the content. |
© 2023 by the authors. Licensee MDPI, Basel, Switzerland. This article is an open access article distributed under the terms and conditions of the Creative Commons Attribution (CC BY) license (https://creativecommons.org/licenses/by/4.0/).
Share and Cite
Bosi, M.; Miquel Sánchez, A.; Javier Pajares, F.; Peretto, L. Three-Phase Modal Noise Analysis and Optimal Three-Phase Power Line Filter Design. Energies 2023, 16, 5461. https://doi.org/10.3390/en16145461
Bosi M, Miquel Sánchez A, Javier Pajares F, Peretto L. Three-Phase Modal Noise Analysis and Optimal Three-Phase Power Line Filter Design. Energies. 2023; 16(14):5461. https://doi.org/10.3390/en16145461
Chicago/Turabian StyleBosi, Marco, Albert Miquel Sánchez, Francisco Javier Pajares, and Lorenzo Peretto. 2023. "Three-Phase Modal Noise Analysis and Optimal Three-Phase Power Line Filter Design" Energies 16, no. 14: 5461. https://doi.org/10.3390/en16145461
APA StyleBosi, M., Miquel Sánchez, A., Javier Pajares, F., & Peretto, L. (2023). Three-Phase Modal Noise Analysis and Optimal Three-Phase Power Line Filter Design. Energies, 16(14), 5461. https://doi.org/10.3390/en16145461

