Next Article in Journal
Research Progress on Audible Noise Emitted from HVDC Transmission Lines
Next Article in Special Issue
Carbon Peak Scenario Simulation of Manufacturing Carbon Emissions in Northeast China: Perspective of Structure Optimization
Previous Article in Journal
Current Status and Future Trends of In Situ Catalytic Upgrading of Extra Heavy Oil
Previous Article in Special Issue
Spatial-Temporal Evolution Characteristics of Industrial Carbon Emissions in China’s Most Developed Provinces from 1998–2013: The Case of Guangdong
 
 
Font Type:
Arial Georgia Verdana
Font Size:
Aa Aa Aa
Line Spacing:
Column Width:
Background:
Article

A Multi-Strategy Integration Prediction Model for Carbon Price

School of Science, Zhejiang University of Science and Technology, Hangzhou 310023, China
*
Author to whom correspondence should be addressed.
Energies 2023, 16(12), 4613; https://doi.org/10.3390/en16124613
Submission received: 20 April 2023 / Revised: 4 June 2023 / Accepted: 7 June 2023 / Published: 9 June 2023

Abstract

Carbon price fluctuations significantly impact the development of industries, energy, agriculture, and stock investments. The carbon price possesses the features of nonlinearity, non-stationarity, and high complexity as a time series. To overcome the negative impact of these characteristics on prediction and to improve the prediction accuracy of carbon price series, a combination prediction model named Lp-CNN-LSTM, which utilizes both convolutional neural networks and long short-term memory networks, has been proposed. Strategy one involved establishing distinct models of CNN-LSTM and LSTM to analyze high-frequency and low-frequency carbon price sequences; the combination of output was integrated to predict carbon prices more precisely. Strategy two comprehensively considered the economic and technical indicators of carbon price sequences based on the Pearson correlation coefficient, while the Multi-CNN-LSTM model selected explanatory variables that strongly correlated with carbon prices. Finally, a predictive model for a combination of carbon prices was developed using Lp-norm. The empirical study focused on China’s major carbon markets, including Hubei, Guangdong, and Shanghai. According to the error indicators, the performance of the Lp-CNN-LSTM model was superior to individual strategy prediction models. The Lp-CNN-LSTM model has excellent accuracy, superiority, and robustness in predicting carbon prices, which can provide a necessary basis for revising carbon pricing strategies, regulating carbon trading markets, and making investment decisions.

1. Introduction

As the world economy advances, environmental and climate-related issues have become shared challenges among nations. Therefore, emissions reduction has become an effective way for governments to achieve global climate goals [1]. The Kyoto Protocol was established, which formulated specific emission reduction plans and timetables based on the situation of each country [2]. The European Union Emissions Trading Scheme (EU ETS) was launched to achieve the emissions reduction goals, which allocates carbon trading allowances to different emitters under regulations, and those who overtake the quota are obliged to buy emission rights from those who fall below the percentage through the carbon trading market [3].
China, one of the top greenhouse gas emitters, has pledged to achieve a carbon emissions peak before 2030 and carbon neutrality before 2060 for sustainable development [4]. Although China initiated carbon pilot programs in eight cities in 2011, these programs are still under construction, and market mechanism improvements are necessary.
Carbon price fluctuations significantly impact the development of industries, energy, agriculture, and stock investments [5]. Accurately predicting the regional carbon price in China can help reduce carbon dioxide emissions and provide an essential basis for revising carbon pricing strategies, thus regulating carbon trading markets and assisting investors in avoiding investment risks. The constant refinement and elucidation of China’s carbon trading market mechanism make studying carbon price prediction in China imperative.
Research methods for carbon price prediction mostly rely on building models based on historical data. Still, accurate predictions are difficult due to the nonlinearity, non-stationarity, and high complexity of carbon prices. Recently, carbon price prediction research has primarily been classified into two main categories.
The first primary strategy is to establish models according to the carbon price time series itself. TSAI proposed an efficient and accurate carbon price prediction system by using a radial basis function neural network (RBFNN) to process carbon price prediction [6]. Huang and Liu proposed a model based on RBFNN. The input layer of the model consists of multiple signal source nodes, the hidden layer is the core of the RBFNN, and the output layer responds to the input pattern [7]. Zhu and Wang studied the multi-scale non-linear integrated learning paradigm for carbon price prediction, which could accurately predict complex carbon price fluctuations, as well as improve prediction accuracy and statistical efficiency in the carbon market with non-stationary and non-linear characteristics [8]. Zhu et al. proposed several new hybrid prediction models and demonstrated that the autoregressive comprehensive moving average model (ARIMA) was suitable for capturing linear features [9]. Zhao et al. proposed a new mixed frequency data sampling model (MIDAS) to improve predictive performance [10]. Fan studied from a chaotic perspective, established a multilayer perceptron (MLP) model, and expressed the nonlinear part of carbon prices [11]. Chai et al. proposed a support vector machine (SVM) model combining fuzzy information granulation (FIG) and proved that the proposed FIG-SVM model had better performance than other methods through a study of the EU ETS [12]. Zhang et al. proposed a sequence-to-sequence deep neural network model combining time convolution to predict carbon prices, which performed significantly better than traditional prediction models regarding prediction ability and robustness [13]. Yang et al. proposed an integrated prediction model that included feature extraction techniques, bi-directional LSTM, a CNN, and extreme learning machines (ELMs). The model combined the advantages of each sub-model and provided a more effective and stable prediction of carbon prices [14]. To overcome the limitations of ELMs, Hao et al. developed an optimal kernel-based ELM with good generalization and stability based on the chaos sine cosine algorithm [15].
With the development of digital signal processing technology, these feature extraction methods have been applied in the prediction field through decomposition and reconstruction of the original sequence. Wang proposed a new integrated prediction system for carbon price prediction. The system utilizes data decomposition, feature selection, and improved multi-objective optimization techniques for both point and interval carbon price prediction [16]. Cheng and Hu proposed a prediction model based on the “decomposition-reconstruction-integration” concept, which was used to predict the carbon prices in four regional carbon markets in China [17]. E proposed a denoising hybrid method for carbon price prediction. The action was to decompose the original sequence using empirical mode decomposition (EMD) with pole symmetry, wherein independent components reflecting the internal mechanism were separated by independent component analysis (ICA), and the prediction results were obtained using a least squares support vector machine (SVM) [18]. Xiong et al. proposed a multi-step hybrid prediction model using variational mode decomposition (VMD)to extract the features of the original data and build a fast multi-output relevance vector regression model [19]. Sun et al. decomposed sequences into some intrinsic mode functions (IMFs) using Fast EMD. The sub-sequence was predicted by a particle-swarm-optimized-ELM, which had the highest accuracy and stability among all models [20]. Sun et al. used a method combining FEEMD and sample entropy to decompose the original sequence. A particle-swarm-optimized-ELM was used to predict carbon prices [21]. Zhou et al. proposed a new hybrid model for carbon price prediction. The carbon price was decomposed into multiple IMFs using EMD, and an ELM was used to predict the components [22]. Liu et al. decomposed the original sequence into interval trends and residuals using three interval multiscale decomposition methods. A novel prediction model combining statistical and neural network models was used to predict all components, and the combination prediction result was obtained using the least squares method [23]. Huang et al. proposed a new combination prediction model for the EU ETS market reform context; the sequence underwent decomposition via VMD, which resulted in multiple sub-sequences, and the low-frequency and high-frequency components were separately fitted and predicted using a LSTM neural network and GARCH models [24]. Zhu et al. proposed a least squares SVM prediction model based on EMD. The EMD decomposed the sequence, and an SVM based on particle swarm optimization was used to predict each mode [25]. Zhou et al. decomposed the Guangzhou Carbon Emission Exchange sequence using the CEEMDAN. They constructed a prediction model using the LSTM network, which showed stable and reliable results [26].
At the same time, some scholars have found that the complexity of some sequences after decomposition was still high, which significantly impacts the prediction accuracy. The approach of employing secondary decomposition strategies for modeling has attracted more attention recently. Li et al. decomposed an original sequence through CEEMD and performed VMD secondary decomposition on an IMF with a maximum sample entropy. They predicted all component arrangements through a back propagation (BP) neural network and obtained a final prediction result [27]. Zhou et al. decomposed the carbon price using EMD and performed VMD secondary decomposition on the first component sequence. They used a parameter-optimized kernel-based ELM to predict [28].
The second primary strategy involves establishing a predictive model for the fluctuation of carbon prices over time by analyzing the relevant influencing factors. Chevallier investigated a carbon price interaction model that considered macroeconomic and energy dynamics under the EU emissions trading system [29]. Han et al. proposed a BP model with mixed data sampling to predict carbon prices. Environmental factors were included in the prediction indicators, and the model’s accuracy was improved by 30% and 40% compared to the MIDAS and benchmark models [30], respectively. Li et al. used a multi-variate LSTM network to study and analyze domestic carbon trading market carbon prices while considering the relevant factors affecting carbon prices. According to the results, this model was more appropriate for predicting carbon prices than multi-variate least squares, MLP, and recurrent neural network (RNN) models [31]. Zhao et al. collected many factors affecting carbon prices through meta-analysis and proposed a hybrid model to predict carbon prices. The results demonstrated that this model outperformed the other benchmark models regarding predictive accuracy [32]. Du et al. used a BP model to analyze the influencing elements on carbon prices. According to the results, the BP model displayed satisfactory results in predicting carbon prices and examining their determinants in Fujian province [33].
From the literature review, it is not difficult to find that most scholars have adopted a single strategy that only establishes predictive models based on the sequence itself or the relevant factors affecting the fluctuation of the carbon price; as of yet, no literature comprehensively considers the two strategies to develop predictive models. Therefore, this paper takes a comprehensive approach by considering both strategies and presenting the CEEMDAN-CNN-LSTM and Multi-CNN-LSTM models in two aspects; a combination predictive model with multiple strategies was established through Lp-norms.
Therefore, this article assumes that the combined predictive model obtained after considering the two strategies performs better than any single strategy predictive model. Based on this research hypothesis, this article proposed the CEEMDAN-CNN-LSTM and Multi-CNN-LSTM models for the two strategies, respectively, and then established the final combined multiple strategies predictive model through Lp-norm to achieve the goal of higher prediction accuracy.

2. Materials and Methods

2.1. Data Characteristics and Sources

Carbon price time series data refers to the historical record of carbon dioxide emission prices in the carbon market. These data show how the price of carbon credits fluctuates over time, thereby reflecting changes in the supply and demand of emission quotas. Because of the influence of market demand, regulations, and other factors, carbon price time series data have characteristics such as trend, seasonality, volatility, potential nonlinearity, non-stationarity, and complexity.
The nonlinearity of carbon price data means that there is no reliable linear relationship between the variables being studied. Non-stationarity means that the statistical properties of time series data vary over time, where the mean, variance, and covariance may vary or show trends in the data. Complexity refers to multiple variable factors interacting with each other in time series data, which make it challenging to analyze and interpret. Nonlinearity, non-stationarity, and complexity all involve the statistical characteristics of time series data, thereby indicating that it is difficult to process such data through traditional linear analysis methods; more advanced and flexible techniques and methods are needed for analysis. Carbon price time series data can be collected from government agencies, financial markets, and independent research institutions.
This article selected data from three carbon exchanges in Hubei, Shanghai, and Guangzhou in China for empirical analysis, and the data was collected from the China Emissions Exchange.

2.2. Complete Ensemble Empirical Mode Decomposition with Adaptive Noise

The CEEMDAN algorithm is a novel signal processing method developed based on EMD and EEMD [34]. This method adaptively incorporates white noise into the decomposition process of IMFs, thereby solving the problems of mode aliasing in EMD and noise residue in EEMD.
Let an original sequence be x ( t ) , and the steps for performing the CEEMDAN algorithm are as follows:
Step 1: Add a Gaussian white noise sequence ω i ( t ) , which obeys standard normal distribution, to obtain a new sequence s i ( t ) , i.e.,
s i ( t ) = x ( t ) + ω i ( t ) , i = 1 , 2 , , N .
In the Formula (1), N is the number of times.
Step 2: The first IMF part C 1 ( t ) was obtained through the EMD model. Take the average of the N IMF components generated to gain the first IMF part C 1 ( t ) ¯ for CEEMDAN, i.e.,
C 1 ( t ) ¯ = 1 N i = 1 N C 1 i ( t ) .
Step 3: Deduct the first IMF part C 1 ( t ) ¯ from x ( t ) to gain the residual term γ i ( t ) , and treat γ i ( t ) as the initial sequence to redo steps 1 and 2 to gain the second IMF part C 2 ( t ) ¯ .
Step 4: Treat the newly generated residual sequence as the initial sequence and redo the above steps. The algorithm terminates when the residual sequence transforms into a monotonically increasing or decreasing function and is no longer decomposable. If K IMF components are obtained at this time, the initial sequence can be represented as:
x ( t ) = k = 1 K C k ( t ) ¯ + γ k ( t ) .

2.3. Convolutional Neural Networks

The CNN represents a popular deep learning model that specializes in managing gridded data and has demonstrated exceptional effectiveness in image recognition [35]. In recent years, the CNN has also shown great potential in areas such as time series prediction.
The core modules of the CNN include the convolutional, pooling, and fully connected layers. The convolutional layer uses a set of learnable filters to perform linear transformations on the input data, thus generating feature maps. For time series data, one-dimensional convolution (1D-CNN) is mainly used for feature extraction. The pooling layer reduces the dimension of feature maps by extracting the essential features. The fully connected layer inputs the extracted features to output the predicted values.
The mathematical model of 1D-CNN is as follows:
x i l = f ( i = 1 M x i l 1 k i j l + b j l ) .
In Formula (4), x i l is the mapping of the i-th feature in the l-th layer, f ( · ) is the activation function, x i l 1 is the mapping of the i-th feature in the l 1 layer, M is the total number of mappings of the input features, k i j l is the convolutional kernel, ∗ denotes the convolution operation, and b j l is the bias term.

2.4. Long Short-Term Memory Networks

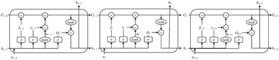
LSTM networks introduce memory modules in the various neural nodes of their hidden layers, thereby addressing the gradient problem during iterations of an RNN [36]. Figure 1 shows the design of the LSTM network; the expression for the gate control system operation process in the LSTM network is as follows:
f t = σ ( W x f x t + W h f h t 1 + b f ) i t = σ ( W x i x t + W h i h t 1 + b i ) u t = t a n h ( W x u x t + W h u h t 1 + b u ) c t = f t c t 1 + i t u t o t = σ ( W x o x t + W h o h t 1 + b o ) h t = o t t a n h ( c t ) ,
where f t , i t , and o t correspond to the output of the forget gate, input gate, and output gate, respectively; h t 1 and h t are the hidden states of the previous and current time steps, respectively; u t is the candidate state; c t 1 and c t are the internal states of the previous and current time steps, respectively; and σ and t a n h represent activation functions. In contrast, W and b are different modules’ weight matrices and biases, respectively.

2.5. CNN-LSTM

Figure 2 depicts the design of the CNN-LSTM model. Using the convolutional layers of CNN, the model can learn spatial characteristics in the time series data and automatically extract relevant local patterns, thus resulting in effective feature extraction and noise reduction. Through the LSTM layer, the model can capture long-term dependencies in the sequence. The hybrid architecture of the CNN-LSTM model combines the strengths of both models, thereby enabling the model to learn more complex time-series features and improve prediction accuracy.

2.6. Lp-Norm

Based on the Lp-norm error, the accuracy of a prediction model is measured by calculating the distance between the original sequence and the predicted sequence, where a smaller value indicates a higher prediction accuracy [37]. Let e be the Lp-norm error, which is expressed as follows:
e = ( t = 1 N | y t ^ y t | p ) 1 p = ( t = 1 N i = 1 n l i | y i t ^ y i t | p ) 1 p .
In Formula (6), y t ^ is the predicted value, y t is the actual value, y t ^ y t represents the prediction error at time t, y i t ^ y i t represents the error of the i-th method at time t, and l i ( i = 1 n l i ) is the weight of the combined prediction model.
The value of p can be selected based on the actual situation. In this paper, p was chosen as 2, and, therefore, the optimal combined prediction model in this paper was constructed based on the L2-norm:
m i n e = ( t = 1 N | y t ^ y t | 2 ) 1 2 = ( t = 1 N i = 1 n l i | y i t ^ y i t | 2 ) 1 2 i = 1 n l i l i 0 , i = 1 , 2 , , n .

2.7. The Proposed Model

Carbon prices have significant impacts on various industries across the country. To improve the accuracy of carbon price prediction, this paper proposed a multi-strategy combined model based on CNN and LSTM networks. The model design is shown in Figure 3, Figure 4 and Figure 5.
A combination prediction model based on L2-norm was established, and the optimal weight parameters of the model were determined.
Figure 4 depicts the establishment process. The initial sequence was decomposed into several IMFs using the CEEMDAN method. These IMFs were reconstituted as high- and low-frequency sequences based on their fluctuation characteristics. Two prediction models, CNN-LSTM and LSTM, were created for each sequence type. The predictions of both models were combined to gain the final prediction of the CEEMDAN-CNN-LSTM model.
The Multi-CNN-LSTM model comprehensively considers both economic and technical indicators of carbon trading price sequences, as illustrated in Figure 5. Technical indicators are extracted based on economic indicators, and highly correlated indicators with carbon trading prices are chosen using the Pearson correlation coefficient as explanatory variables for the model. The Multi-CNN-LSTM model was established based on these variables to predict prices.

3. Results

3.1. Evaluation Index

To evaluate the Lp-CNN-LSTM combined prediction model for carbon price prediction, we select the mean squared error (MSE), root means squared error (RMSE), mean absolute error (MAE), and mean absolute percentage error (MAPE) as evaluation indicators for the model. The calculation formulas are as follows:
M S E = 1 n i = 1 n ( y t ^ y t ) 2 R M S E = 1 n i = 1 n ( y t ^ y t ) 2 M A E = 1 n i = 1 n | y t ^ y t | M A P E = 1 n i = 1 n | y t ^ y t | 100 % .
In Formula (8), y t ^ represents the predicted value, y t represents the actual value, and n represents the number of data samples.

3.2. Establishment of CEEMDAN-CNN-LSTM Prediction Model

3.2.1. Dataset Selection

As of the end of 2022, Hubei’s carbon market has remained at the forefront of the country. Therefore, the CEEMDAN-CNN-LSTM prediction model chose the daily carbon price of Hubei as the research data. A total of 1996 everyday carbon prices in Hubei from 2 April 2014 to 29 December 2022 were selected as the research dataset; due to the closures of the carbon emissions trading system during holidays and weekends, the collected data only included trade dates. The initial sequence is shown in Figure 6. Among them, the first 1597 data points (from 2 April 2014 to 4 November 2022) were used as the training set, and the remaining 399 (from 7 November 2022 to 29 December 2022) were used as the test set.
By examining the closing price and trend line in Figure 6, it can be observed that the carbon closing price data from 2014 to 2022 has fluctuated up and down. It is difficult to summarize its common trend for six months or one year, which precisely reflects the nonlinearity, non-stationarity, and complexity of time-series data. Therefore, it is challenging to predict carbon prices using traditional statistical methods. Establishing a model with a more vital feature learning ability and nonlinear feature learning ability to predict carbon prices is necessary.

3.2.2. CEEMDAN Decomposition and Refactoring

After decomposing the original sequence using the CEEMDAN algorithm, eight IMFs component sequences were obtained and distributed according to their frequency, as shown in Figure 7.
As the number of iterations of the CEEMDAN algorithm increased, the frequency of the obtained IMF components became lower and lower. Ignoring residual influence, the parts gained by decomposing the initial sequence were reconstructed into high- and low-frequency lines by calculating the mean of the IMFs. The mean values of each intrinsic mode function after decomposition are shown in Table 1.
As shown in Table 1, the mean values of IMF1–IMF7 were close to 0, while the mean value of IMF8 considerably deviated from 0 to amount to 27.52874. This paper reconstructed IMF1–IMF7 as a high-frequency series and IMF8 as a low-frequency series.
From Figure 8, in terms of scale, the numerical range of the high-frequency components was from −10.10 to 25.80, with an average value of −0.15. The numerical range of the low-frequency components was from 15.05 to 45.50, with an average value of 27.53. Regarding the trend, the high-frequency component constantly fluctuated frequently, while the low-frequency component fluctuated less.
The high-frequency sequence was highly nonlinear, non-stationary, and complex. Therefore, a CNN-LSTM model with a more vital feature learning ability was established. Each line obtained after decomposition by CEEMDAN became more stationary, and the low-frequency sequence was obtained after eight corruptions of the original series. Its nonlinearity, non-stationarity, and complexity were significantly reduced, thus making it more suitable to establish a simpler model. A model with too strong a feature learning ability may cause overfitting.

3.2.3. High- and Low-Frequency Series Prediction Model

Based on prior knowledge presented in the previous section, a CNN-LSTM model was established to predict high-frequency sequences. The SVM and single CNN/LSTM models were benchmark models to verify the model’s effectiveness. All the prediction results here and below are from the test set. The predicted results for high-frequency sequences are shown in Figure 9.
The results indicate a considerable disparity between the SVM model’s predictive capacity and the three models. Furthermore, it can be noted that the model of CNN-LSTM yielded the highest degree of fitting and the most precise forecasts. To provide a more specific comparison of the predictive performance differences between the four models, their prediction accuracies are shown in Table 2.
As shown in Table 2, regarding the prediction of high-frequency sequences, the CNN-LSTM model, with the most feature extraction capability and learnable parameters, had the highest accuracy. Among the four models, the CNN-LSTM model had the smallest values for three accuracy indicators: the MSE, RMSE, and MAE.
To predict low-frequency sequences, a single CNN and an LSTM network were established. To verify the effectiveness of the models, the SVM model and the CNN-LSTM model were selected as benchmark models. The prediction results for the low-frequency sequences are shown in Figure 10.
From Figure 10, it can be observed that the SVM model had an abysmal performance. Moreover, while the CNN-LSTM model performed best for high-frequency sequences, it suffered from overfitting when predicting low-frequency sequences. As a result, its prediction accuracy was worse than that of the simpler single CNN and LSTM models. The prediction accuracies are shown in Table 3.
The results in Table 3 show that, for the prediction of low-frequency sequences, simple single CNN and single LSTM models performed better, among which the LSTM model had the best values for all four accuracy indicators among all models.

3.2.4. CEEMDAN-CNN-LSTM Prediction Model

Because the optimal prediction model for high-frequency sequences was the CNN-LSTM model, and the optimal prediction model for low-frequency sequences was the LSTM model, we combined the optimal models for high- and low-frequency arrangements to establish a CEEMDAN-CNN-LSTM prediction model. This model’s effectiveness was evaluated through a comparison analysis with approaches that utilized only one prediction technique for both high- and low-frequency data and models that did not employ CEEMDAN decomposition on the initial carbon price sequence. The results of each model are shown in Figure 11, Figure 12 and Figure 13.
As shown in Table 4, compared with the original CNN and original LSTM models, the single CNN and single LSTM models built after CEEMDAN decomposition had significantly improved prediction performance. This indicates that CEEMDAN decomposition can dramatically affect the prediction. Among the above models, the CEEMDAN-CNN-LSTM prediction model had the highest accuracy, with an MSE of 2.68206, an RMSE of 1.63770, an MAE of 0.97667, and an MAPE of 2.29223.

3.3. Establishment of Multi-CNN-LSTM Prediction Model

3.3.1. Dataset Selection

The Multi-CNN-LSTM model considers the intrinsic factors of carbon prices and comprehensively assesses the economic and technical indicators of carbon prices. We selected the study’s eight variables of daily carbon prices in Hubei, including the highest, lowest, average, opening, closing, price change, trading volume, and transaction amount economic indicators. By using the economic indicator data of carbon prices for multiple days, ten technical indicators of carbon prices were calculated, including the 12-day moving average line MA12, the 26-day moving average line MA26, the smoothed moving average convergence divergence line MACD, the easy volatility index EMV, the stochastic indexes K, D, and J, the relative strength index RSI, the bias ratio BIAS, and the psychological line PSY. The Pearson correlation coefficients between the economic and technical indicators and the closing price were calculated to evaluate the correlation strength between the variables, as shown in Table 5. When determining the correlation coefficient between variables, all the samples contained in the variables were taken into consideration.
As shown in Table 5, the highest price, lowest price, average price, opening price, MA12, MA26, and EMV were highly correlated with a carbon price and with the correlation coefficients of 0.995, 0.994, 0.997, 0.994, 0.992, 0.985, and 0.643, respectively. We selected 1996 daily carbon prices in Hubei from 2 April 2014 to 29 December 2022 as the research dataset. Among them, the data of the first 1597 trading days (from 2 April 2014 to 4 November 2022) were used as the training set, and the data of the remaining 399 trading days (from 7 November 2022 to 29 December 2022) were used as the test set.

3.3.2. Multi-CNN-LSTM Prediction Model

The highest price, lowest price, average price, opening price, closing price, MA12, MA26, and EMV of the carbon price series in Hubei were taken as explanatory variables for the model, and the closing price of the next day was taken as the dependent variable. A Multi-CNN-LSTM model was established for prediction. To substantiate the model’s capability, a selection of benchmark methods, comprising a Multi-CNN model, Multi-LSTM model, and several basic models solely dealing with the initial carbon price sequence, were identified. Their predictive outcomes are presented in Figure 14, Figure 15 and Figure 16.
Table 6 shows the prediction accuracies of the Multi-CNN model, Multi-LSTM model, and Multi-CNN-LSTM model, which comprehensively considered the economic and technical indicators of carbon price sequence and were significantly better than the models established that only considered the carbon price sequence itself. The Multi-CNN-LSTM model had the highest accuracy, with an MSE of 2.07424, an RMSE of 1.44022, an MAE of 0.85759, and an MAPE of 2.07098.

3.4. Establishment of Lp-CNN-LSTM Combination Prediction Model

To harness the advantages of a comprehensive model and deeply explore the valuable information on carbon prices in Hubei while considering the factors that affect the closing price, an Lp-norm-based Lp-CNN-LSTM combined prediction model for carbon prices has been proposed. The outputs of the Lp-CNN-LSTM model are shown in Figure 17, and the prediction accuracy is demonstrated in Table 7. The combined model attained its minimal predictive error value upon allocating weights of 0.247 and 0.753 to the CEEMDAN-CNN-LSTM and Multi-CNN-LSTM models, respectively.
Table 7 shows that the Lp-norm-based Lp-CNN-LSTM combined prediction model outperformed the optimal single-strategy model (Multi-CNN-LSTM) in terms of the MSE, RMSE, MAE, and MAPE, wherein it reduced them by 7.20%, 3.67%, 5.80%, and 1.92%, respectively. The outcome implies that the Lp-CNN-LSTM combined model demonstrates improved predictive accuracy when compared to the CEEMDAN-CNN-LSTM and Multi-CNN-LSTM approaches, thus substantiating its superiority.
Hubei, Shanghai, and Guangdong are the three major carbon emission trading markets in China. Their carbon price sequences are typical time series with characteristics of nonlinearity, non-stationarity, and complexity. Considering the differences in data from different city carbon trading markets and the robustness of the combined prediction model, this paper also selected the Shanghai and Guangdong carbon markets in eastern and southern China for a validity check of the Lp-CNN-LSTM model mentioned above, as shown in Table 8.
As shown in Table 8, the Lp-CNN-LSTM combined model had good robustness and performed better than the CEEMDAN-CNN-LSTM model and the Multi-CNN-LSTM model on different datasets.

4. Conclusions

Carbon price time series have the characteristics of nonlinearity, non-stationarity, and high complexity. Accurate carbon trading price prediction can provide the basis for carbon emission quotas, pricing strategy revision, regulation, and investor decision making, thereby creating an efficient and perfect carbon market.
Based on the traditional prediction models, this paper established an Lp-norm-based Lp-CNN-LSTM combined prediction model for carbon trading prices. Through experimental research on the carbon markets in Hubei, Shanghai, and Guangdong, the following conclusions have been drawn:
  • Compared with the initial carbon price series prediction model, the prediction model after CEEMDAN decomposition was better.
  • For the high-frequency carbon price series reconstructed after CEEMDAN decomposition, the CNN-LSTM model with a more robust feature extraction capability had the best prediction effect. In contrast, the relatively stable low-frequency carbon price series was more suitable for prediction using a simple LSTM model.
  • Compared with prediction models that only considered the original carbon price series, models that comprehensively considered economic and technical indicators that are highly related to the carbon price series had better prediction performance.
  • Compared with using a single strategy CEEMDAN-CNN-LSTM and Multi-CNN-LSTM models, the Lp-CNN-LSTM combined prediction model combineed two strategies based on Lp-norm and had the best prediction performance. The Lp-CNN-LSTM combined prediction model reduced the optimal single strategy model’s MSE, RMSE, MAE, and MAPE by 7.20%, 3.67%, 5.80%, and 1.92%, respectively.
The empirical results have proved the correctness of the hypothesis in this paper. The combined forecasting model obtained by considering the two strategies comprehensively was better than any single-strategy forecasting model. The Lp-CNN-LSTM combined model had good accuracy, effectiveness, and robustness, thereby providing the basis for carbon pricing strategy revisions, carbon trading market regulation, and investor decision making. At the same time, the Lp-CNN-LSTM combined prediction model can also be applied to predictive research in other fields.
Although the Lp-CNN-LSTM combination forecasting model achieved excellent predictive results, there is still room for further improvement. In strategy one, the first IMF component obtained after the CEEMDAN decomposition may still have high complexity, and it can be further decomposed to reduce its complexity. In strategy two, the modeling process only considered the economic indicators of carbon prices themselves and the technical indicators derived from economic indicators, but it did not consider other factors that affect carbon price fluctuations. Therefore, further research can consider more related influencing factors, such as energy prices (including oil prices, natural gas prices, coal prices, etc.), stock indexes, national policies, and social public opinion.

Author Contributions

Conceptualization, Y.H.; methodology, H.D. and W.J.; software, H.D. and Y.Y.; validation, Y.H.; formal analysis, H.D.; investigation, Y.Y. and W.J.; resources, Y.H.; data curation, Y.H. and H.D.; writing—original draft preparation, H.D.; visualization, H.D. and Y.Y. All authors have read and agreed to the published version of the manuscript.

Funding

This research was funded by the National Natural Science Foundation of China (11901524).

Data Availability Statement

Not applicable.

Conflicts of Interest

The authors declare no conflict of interest.

Abbreviations

The following abbreviations are used in this manuscript:
Original-SVMSVM model for prediction of original sequences
Original-CNNCNN model for prediction of original sequences
Original-LSTMLSTM model for prediction of original sequences
Original-CNN-LSTMCNN-LSTM model for prediction of original sequences
Single-SVMSVM model for predicting the original sequence after CEEMDAN
Single-CNNCNN model for predicting the original sequence after CEEMDAN
Single-LSTMLSTM model for predicting the original sequence after CEEMDAN
Single-CNN-LSTMCNN-LSTM model for predicting the original sequence after CEEMDAN
CEEMDAN-CNN-LSTMThe prediction model proposed in strategy one
Multi-CNNCNN model with multiple input
Multi-LSTMLSTM model with multiple input
Multi-CNN-LSTMThe prediction model proposed in strategy two
Lp-CNN-LSTMMulti-strategy integration prediction model based on Lp-norm

References

  1. Immink, H.; Louw, R.; Garlick, A.; Vosper, S.; Brent, A. Country specific low carbon commitments versus equitable and practical company specific decarbonisation targets. Environ. Dev. Sustain. 2021, 24, 10005–10025. [Google Scholar] [CrossRef]
  2. Lau, L.C.; Lee, K.T.; Mohamed, A.R. Global warming mitigation and renewable energy policy development from the Kyoto Protocol to the Copenhagen Accord—A comment. Renew. Sustain. Energy Rev. 2012, 16, 5280–5284. [Google Scholar] [CrossRef]
  3. Tol, R.S.J. Intra- and extra-union flexibility in meeting the European Union’s emission reduction targets. Energy Policy 2009, 37, 4329–4336. [Google Scholar] [CrossRef]
  4. Zhao, C.; Ju, S.; Xue, Y.; Ren, T.; Ji, Y.; Chen, X. China’s energy transitions for carbon neutrality: Challenges and opportunities. Carbon Neutrality 2022, 1, 7. [Google Scholar] [CrossRef]
  5. Nguyen, D.K.; Huynh, T.L.D.; Nasir, M.A. Carbon emissions determinants and forecasting: Evidence from G6 countries. J. Environ. Manag. 2021, 285, 111988. [Google Scholar] [CrossRef] [PubMed]
  6. Tsai, M.T.; Kuo, Y.T. Application of Radial Basis Function Neural Network for Carbon Price Forecasting. Appl. Mech. Mater. 2014, 590, 683–687. [Google Scholar] [CrossRef]
  7. Huang, Y.; Hu, J.; Liu, H.; Liu, S. Research on price forecasting method of China’s carbon trading market based on PSO-RBF algorithm. Syst. Sci. Control. Eng. 2019, 7, 40–47. [Google Scholar] [CrossRef]
  8. Zhu, B.; Ye, S.; Wang, P.; He, K.; Zhang, T.; Wei, Y.-M. A novel multiscale nonlinear ensemble leaning paradigm for carbon price forecasting. Energy Econ. 2018, 70, 143–157. [Google Scholar] [CrossRef]
  9. Zhu, B.; Wei, Y. Carbon price forecasting with a novel hybrid ARIMA and least squares support vector machines methodology. Omega 2013, 41, 517–524. [Google Scholar] [CrossRef]
  10. Zhao, X.; Han, M.; Ding, L.; Kang, W. Usefulness of economic and energy data at different frequencies for carbon price forecasting in the EU ETS. Appl. Energy 2018, 216, 132–141. [Google Scholar] [CrossRef]
  11. Fan, X.; Li, S.; Tian, L. Chaotic characteristic identification for carbon price and an multi-layer perceptron network prediction model. Expert Syst. Appl. 2015, 42, 3945–3952. [Google Scholar] [CrossRef]
  12. Chai, S.; Du, M.; Chen, X.; Chu, W. A Hybrid Forecasting Model for Nonstationary and Nonlinear Time Series in the Stochastic Process of CO2 Emission Trading Price Fluctuation. Math. Probl. Eng. 2020, 2020, 8978504. [Google Scholar] [CrossRef]
  13. Zhang, F.; Wen, N. Carbon price forecasting: A novel deep learning approach. Environ. Sci. Pollut. Res. 2022, 29, 54782–54795. [Google Scholar] [CrossRef] [PubMed]
  14. Yang, Y.; Guo, H.; Jin, Y.; Song, A. An Ensemble Prediction System Based on Artificial Neural Networks and Deep Learning Methods for Deterministic and Probabilistic Carbon Price Forecasting. Front. Environ. Sci. 2021, 9, 740093. [Google Scholar] [CrossRef]
  15. Hao, Y.; Tian, C. A hybrid framework for carbon trading price forecasting: The role of multiple influence factor. J. Clean. Prod. 2020, 262, 120378. [Google Scholar] [CrossRef]
  16. Wang, J.; Wang, Y.; Li, H.; Yang, H.; Li, Z. Ensemble forecasting system based on decomposition-selection-optimization for point and interval carbon price prediction. Appl. Math. Model. 2023, 113, 262–286. [Google Scholar] [CrossRef]
  17. Cheng, Y.; Hu, B. Forecasting Regional Carbon Prices in China Based on Secondary Decomposition and a Hybrid Kernel-Based Extreme Learning Machine. Energies 2022, 15, 3562. [Google Scholar] [CrossRef]
  18. E, J.; Ye, J.; He, L.; Jin, H. A denoising carbon price forecasting method based on the integration of kernel independent component analysis and least squares support vector regression. Neurocomputing 2021, 434, 67–79. [Google Scholar] [CrossRef]
  19. Xiong, S.; Wang, C.; Fang, Z.; Ma, D. Multi-Step-Ahead Carbon Price Forecasting Based on Variational Mode Decomposition and Fast Multi-Output Relevance Vector Regression Optimized by the Multi-Objective Whale Optimization Algorithm. Energies 2019, 12, 147. [Google Scholar] [CrossRef]
  20. Sun, W.; Sun, C.; Li, Z. A Hybrid Carbon Price Forecasting Model with External and Internal Influencing Factors Considered Comprehensively: A Case Study from China. Pol. J. Environ. Stud. 2020, 29, 3305–3316. [Google Scholar] [CrossRef]
  21. Sun, W.; Duan, M. Analysis and Forecasting of the Carbon Price in China’s Regional Carbon Markets Based on Fast Ensemble Empirical Mode Decomposition, Phase Space Reconstruction, and an Improved Extreme Learning Machine. Energies 2019, 12, 277. [Google Scholar] [CrossRef]
  22. Zhou, J.; Huo, X.; Xu, X.; Li, Y. Forecasting the Carbon Price Using Extreme-Point Symmetric Mode Decomposition and Extreme Learning Machine Optimized by the Grey Wolf Optimizer Algorithm. Energies 2019, 12, 950. [Google Scholar] [CrossRef]
  23. Liu, J.; Wang, P.; Chen, H.; Zhu, J. A combination forecasting model based on hybrid interval multi-scale decomposition: Application to interval-valued carbon price forecasting. Expert Syst. Appl. 2022, 191, 116267. [Google Scholar] [CrossRef]
  24. Huang, Y.; Dai, X.; Wang, Q.; Zhou, D. A hybrid model for carbon price forecasting using GARCH and long short-term memory network. Appl. Energy 2021, 285, 116485. [Google Scholar] [CrossRef]
  25. Zhu, B.; Han, D.; Wang, P.; Wu, Z.; Zhang, T.; Wei, Y.-M. Forecasting carbon price using empirical mode decomposition and evolutionary least squares support vector regression. Appl. Energy 2017, 191, 521–530. [Google Scholar] [CrossRef]
  26. Zhou, F.; Huang, Z.; Zhang, C. Carbon price forecasting based on CEEMDAN and LSTM. Appl. Energy 2022, 311, 118601. [Google Scholar] [CrossRef]
  27. Li, H.; Jin, F.; Sun, S.; Li, Y. A new secondary decomposition ensemble learning approach for carbon price forecasting. Knowl.-Based Syst. 2021, 214, 106686. [Google Scholar] [CrossRef]
  28. Zhou, J.; Wang, S. A Carbon Price Prediction Model Based on the Secondary Decomposition Algorithm and Influencing Factors. Energies 2021, 14, 1328. [Google Scholar] [CrossRef]
  29. Chevallier, J. A model of carbon price interactions with macroeconomic and energy dynamics. Energy Econ. 2011, 33, 1295–1312. [Google Scholar] [CrossRef]
  30. Han, M.; Ding, L.; Zhao, X.; Kang, W. Forecasting carbon prices in the Shenzhen market, China: The role of mixed-frequency factors. Energy 2019, 171, 69–76. [Google Scholar] [CrossRef]
  31. Li, H.; Huang, X.; Zhou, D.; Cao, A.; Su, M.; Wang, Y.; Guo, L. Forecasting Carbon Price in China: A Multimodel Comparison. Int. J. Environ. Res. Public Health 2022, 19, 6217. [Google Scholar] [CrossRef] [PubMed]
  32. Zhao, L.-T.; Miao, J.; Qu, S.; Chen, X.-H. A multi-factor integrated model for carbon price forecasting: Market interaction promoting carbon emission reduction. Sci. Total Environ. 2021, 796, 149110. [Google Scholar] [CrossRef] [PubMed]
  33. Du, Y.; Chen, K.; Chen, S.; Yin, K. Prediction of Carbon Emissions Trading Price in Fujian Province: Based on BP Neural Network Model. Front. Energy Res. 2022, 10, 939602. [Google Scholar] [CrossRef]
  34. Yun, P.; Huang, X.; Wu, Y.; Yang, X. Forecasting carbon dioxide emission price using a novel mode decomposition machine learning hybrid model of CEEMDAN-LSTM. Energy Sci. Eng. 2022, 11, 79–96. [Google Scholar] [CrossRef]
  35. He, K.; Yang, Q.; Ji, L.; Pan, J.; Zou, Y. Financial Time Series Forecasting with the Deep Learning Ensemble Model. Mathematics 2023, 11, 1054. [Google Scholar] [CrossRef]
  36. Zhang, T.; Tang, Z. Multi-step carbon price forecasting based on a new quadratic decomposition ensemble learning approach. Front. Energy Res. 2023, 10, 991570. [Google Scholar] [CrossRef]
  37. Xie, X.; Sun, F.; Qian, J.; Guo, L.; Zhang, R.; Ye, X.; Wang, Z. Laplacian Lp norm least squares twin support vector machine. Pattern Recognit. 2023, 136, 109192. [Google Scholar] [CrossRef]
Figure 1. The design of LSTM network.
Figure 1. The design of LSTM network.
Energies 16 04613 g001
Figure 2. The design of CNN-LSTM model.
Figure 2. The design of CNN-LSTM model.
Energies 16 04613 g002
Figure 3. The overall design of Lp-CNN-LSTM combined prediction model.
Figure 3. The overall design of Lp-CNN-LSTM combined prediction model.
Energies 16 04613 g003
Figure 4. Design of CEEMDAN-CNN-LSTM prediction model.
Figure 4. Design of CEEMDAN-CNN-LSTM prediction model.
Energies 16 04613 g004
Figure 5. Design of Multi-CNN-LSTM prediction model.
Figure 5. Design of Multi-CNN-LSTM prediction model.
Energies 16 04613 g005
Figure 6. The original sequence of Hubei.
Figure 6. The original sequence of Hubei.
Energies 16 04613 g006
Figure 7. CEEMDAN decomposition results of the initial sequence.
Figure 7. CEEMDAN decomposition results of the initial sequence.
Energies 16 04613 g007
Figure 8. High- and low-frequency series.
Figure 8. High- and low-frequency series.
Energies 16 04613 g008
Figure 9. The predicted results of high-frequency sequences.
Figure 9. The predicted results of high-frequency sequences.
Energies 16 04613 g009
Figure 10. The predicted results for low-frequency sequences.
Figure 10. The predicted results for low-frequency sequences.
Energies 16 04613 g010
Figure 11. The predicted results for original sequences.
Figure 11. The predicted results for original sequences.
Energies 16 04613 g011
Figure 12. The predicted results for mixed-frequency sequences.
Figure 12. The predicted results for mixed-frequency sequences.
Energies 16 04613 g012
Figure 13. The predicted results for CEEMDAN-CNN-LSTM model.
Figure 13. The predicted results for CEEMDAN-CNN-LSTM model.
Energies 16 04613 g013
Figure 14. The predicted results of Multi-CNN model.
Figure 14. The predicted results of Multi-CNN model.
Energies 16 04613 g014
Figure 15. The predicted results of Multi-LSTM model.
Figure 15. The predicted results of Multi-LSTM model.
Energies 16 04613 g015
Figure 16. The predicted results of Multi-CNN-LSTM model.
Figure 16. The predicted results of Multi-CNN-LSTM model.
Energies 16 04613 g016
Figure 17. The predicted outputs of Lp-CNN-LSTM model.
Figure 17. The predicted outputs of Lp-CNN-LSTM model.
Energies 16 04613 g017
Table 1. The mean of IMFs.
Table 1. The mean of IMFs.
IMFsIMF1IMF2IMF3IMF4IMF5IMF6IMF7IMF8
Mean0.006260.007450.008100.033940.008290.020170.1347527.52874
Table 2. Prediction accuracies of high-frequency sequences.
Table 2. Prediction accuracies of high-frequency sequences.
ModelMSERMSEMAEMAPE
SVM3.523271.877041.2386462.73602
CNN3.286691.812920.9340758.27852
LSTM2.787881.669700.8901753.56682
CNN-LSTM2.399571.549050.8258773.45793
Table 3. Prediction accuracies of low-frequency sequences.
Table 3. Prediction accuracies of low-frequency sequences.
ModelMSERMSEMAEMAPE
SVM164.4733912.8247211.8108627.53372
CNN-LSTM3.321941.822621.621653.59560
CNN1.125361.060830.952732.27181
LSTM0.357330.597770.464321.04001
Table 4. Comparison of prediction accuracy of strategy one model.
Table 4. Comparison of prediction accuracy of strategy one model.
ModelMSERMSEMAEMAPE
Original-SVM12.873993.588032.265314.94449
Single-SVM153.6258112.3945911.1825534.99347
Original-CNN6.219522.493901.936344.52352
Single-CNN4.174842.043241.354053.21302
Original-LSTM5.124692.263781.729074.03474
Single-LSTM3.208111.791121.147812.65337
Original-CNN-LSTM3.372781.836511.243952.96603
Single-CNN-LSTM5.548792.355591.904094.17204
CEEMDAN-CNN-LSTM2.682061.637700.976672.29223
Table 5. Carbon price Pearson correlation coefficient.
Table 5. Carbon price Pearson correlation coefficient.
Types of IndicatorsName of IndicatorsPearson Correlation Coefficient
Economic IndicatorsHighest0.995
Lowest0.994
Average0.997
Opening0.994
Change0.052
Volume−0.136
Amount0.029
Technical IndicatorsMA120.992
MA260.985
MACD0.291
EMV0.643
K0.175
D0.178
J0.143
RSI0.164
BIAS0.103
PSY0.125
Table 6. Comparison of prediction accuracy of strategy two model.
Table 6. Comparison of prediction accuracy of strategy two model.
ModelMSERMSEMAEMAPE
Original-CNN6.219522.493901.936344.52352
Multi-CNN2.916331.707731.246112.93432
Original-LSTM5.124692.263781.729074.03474
Multi-LSTM3.744161.934981.092822.63257
Original-CNN-LSTM3.372781.836511.243952.96603
Multi-CNN-LSTM2.074241.440220.857592.07098
Table 7. Comparison of prediction accuracies of each model.
Table 7. Comparison of prediction accuracies of each model.
ModelMSERMSEMAEMAPE
CEEMDAN-CNN-LSTM2.682061.63770.976672.29223
Multi-CNN-LSTM2.074241.440220.857592.07098
Lp-CNN-LSTM1.995171.412510.787401.91124
Table 8. Comparison of prediction accuracies of each model for Shanghai and Guangdong.
Table 8. Comparison of prediction accuracies of each model for Shanghai and Guangdong.
Province and CityModelMSERMSEMAEMAPE
ShanghaiCEEMDAN-CNN-LSTM8.402432.898692.347474.03542
Multi-CNN-LSTM8.390112.896572.390384.00912
Lp-CNN-LSTM7.786062.790352.314293.93221
GuangdongCEEMDAN-CNN-LSTM6.363852.522671.770062.50032
Multi-CNN-LSTM5.080762.254051.372742.15605
Lp-CNN-LSTM4.117372.029131.293181.94901
Disclaimer/Publisher’s Note: The statements, opinions and data contained in all publications are solely those of the individual author(s) and contributor(s) and not of MDPI and/or the editor(s). MDPI and/or the editor(s) disclaim responsibility for any injury to people or property resulting from any ideas, methods, instructions or products referred to in the content.

Share and Cite

MDPI and ACS Style

Dong, H.; Hu, Y.; Yang, Y.; Jiang, W. A Multi-Strategy Integration Prediction Model for Carbon Price. Energies 2023, 16, 4613. https://doi.org/10.3390/en16124613

AMA Style

Dong H, Hu Y, Yang Y, Jiang W. A Multi-Strategy Integration Prediction Model for Carbon Price. Energies. 2023; 16(12):4613. https://doi.org/10.3390/en16124613

Chicago/Turabian Style

Dong, Hongwei, Yue Hu, Yihe Yang, and Wenjing Jiang. 2023. "A Multi-Strategy Integration Prediction Model for Carbon Price" Energies 16, no. 12: 4613. https://doi.org/10.3390/en16124613

APA Style

Dong, H., Hu, Y., Yang, Y., & Jiang, W. (2023). A Multi-Strategy Integration Prediction Model for Carbon Price. Energies, 16(12), 4613. https://doi.org/10.3390/en16124613

Note that from the first issue of 2016, this journal uses article numbers instead of page numbers. See further details here.

Article Metrics

Back to TopTop