Online Evaluation Method of CVT Internal Insulation Abnormality Based on Self-Supervised Learning
Abstract
1. Introduction
2. Inner Relationship between CVT Internal Insulation and Measurement Error
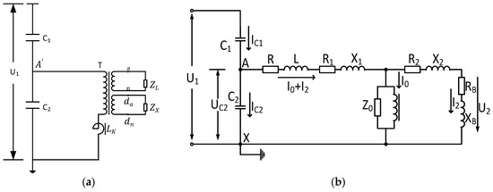
2.1. CVT Transfer Characteristic
2.2. Influence of Insulation Performance on CVT Error
3. Materials and Methods
3.1. Description of the Problem
3.2. Data Preprocessing
3.3. AE-GATv2 Algorithm for Abnormal Detection of CVT Inner Insulation State
3.3.1. Autoencoder
3.3.2. Graph Attention Network
3.3.3. Joint Optimization Model
- (1)
- Forecast-based models use a temporal convolutional network (TCN) [35]. Autoregressive prediction is used for single-step forecasting tasks for all timestamp sliding time windows. However, since the TCN is limited to modeling univariate time prediction and cannot consider spatial relationships, a Multi-Layer Perceptron (MLP) is used to solve this problem. Its loss function can be expressed as
- (2)
- The reconstruction-based model uses a variational autoencoder [36] (VAE), which is a deep neural network-based generative model that can learn latent feature representations from complex data distributions and use these features to generate new data samples. Its optimization goal is to maximize the marginal log-likelihood of the data. The input data x are mapped onto a latent space z, and the output is a conditional probability distribution on z. The conditional probability distribution can be expressed as
3.3.4. Abnormal Detection Strategy of CVT Inner Insulation State
| Algorithm 1. Flow chart of abnormal detection strategy for CVT internal insulation state |
| Update and Threshold according to the joint optimization model |
| Input: |
| Output: |
| Training: For to do: |
| ⟻ AE-GATv2 |
| ⟻ AE-GATv2 |
| (M is the size of the training set) |
| end for |
| Threshold = threshold function |
| Test: For to do: |
| ⟻ AE-GATv2 |
| ⟻ AE-GATv2 |
| If > Threshold: |
| Else: |
| end for |
3.3.5. AE-GTAv2 Anomaly Detection Model Based on Dung Beetle Optimization Algorithm
- (1)
- Initialize the population, randomly generate N individuals and calculate the initial population fitness value.
- (2)
- Divide the population into four subpopulations according to the initial fitness value: rolling ball dung beetle, egg ball dung beetle, small dung beetle and stealing dung beetle.
- (3)
- Perform the corresponding operation on each subpopulation.
- (4)
- Update the individual position and fitness value in the population, and record the current optimal solution.
- (5)
- Judge whether the termination condition is reached, such as the maximum number of iterations or a preset error threshold. If yes, output the optimal solution and end the algorithm; if no, return to step (3).
4. Results
4.1. Experimental Data
4.2. Experimental Setup
4.3. Evaluation of Indicators
- (1)
- Predicted positive, actual positive (true positives, TPs);
- (2)
- Predicted positive, actual negative (false positives, FPs);
- (3)
- Predicted negatives, actual positives (false negatives, FNs);
- (4)
- Predicted negative, actual negative (true negatives, TNs).
4.4. Compare and Verify
4.5. Ablation Analysis
- When we remove AE from AE-GATv2, the F1-score drops by about 3.22%. This indicates that the AE can take into account the influence of primary voltage fluctuation and power system voltage regulation, making AE-GATv2 more able to accurately mine the abnormal characteristics of the CVT secondary voltage sequences.
- If the model lacks GATv2, the F1-score decreases by about 1.42%, indicating that parallel GATv2 layers take into account the correlation of residual sequences in time and feature dimensions, improving the performance of AE-GATv2 anomaly detection.
- The individual effects of prediction-based and reconstruction-based models are not as good as the joint optimization of the two models, indicating that the joint optimization model integrates their superior performance.
4.6. Effectiveness Analysis of Adaptive Threshold Method
4.7. Sensitivity Analysis for Hyperparameters
5. Discussion
6. Conclusions and Future Work
Author Contributions
Funding
Data Availability Statement
Conflicts of Interest
References
- Meng, Z.; Li, H.; Zhang, C.; Chen, M.; Chen, Q. Research on the reliability of capacitor voltage transformers calibration results. Measurement 2019, 146, 770–779. [Google Scholar] [CrossRef]
- Jinsong, L.I.; He, D.; Jian, Q.I.N.; Bing, A.I.; Ruixi, L.U.O.; Qiang, S.H.I. Design and application of on-line monitoring system for insulation capacitive voltage transformer. Electr. Meas. Instrum. 2016, 53, 33–37. [Google Scholar]
- Zhang, X.; Shi, M.; He, C.; Li, J. On site oscillating lightning impulse test and insulation diagnose for power transformers. IEEE Trans. Power Deliv. 2020, 35, 2548–2550. [Google Scholar] [CrossRef]
- Davarpanah, M.; Sanaye, P.M.; Badrkhani, A.F. Compensation of CVT increased error and its impacts on distance relays. IEEE Trans. Power Deliv. 2012, 27, 1670–1677. [Google Scholar] [CrossRef]
- Wang, H.; Zhang, G.; Cai, X.; Guo, Z. The electronic capacitive voltage transformers error characteristics research and parameter optimization design. In Proceedings of the 2009 IEEE Power & Energy Society General Meeting, Calgary, AB, Canada, 26–30 July 2009; pp. 1–7. [Google Scholar] [CrossRef]
- Li, Z.; Li, Q.; Wu, Z.; Li, Z. Research into an Online Calibration System for the Errors of Voltage Transformers Based on Open–Closed Capacitor. Energies 2018, 11, 1455. [Google Scholar] [CrossRef]
- Zhao, S.; Huang, Q.; Lei, M. Compact system for onsite calibration of 1000 kV voltage transformers. IET Sci. Meas. Technol. 2018, 12, 368–374. [Google Scholar] [CrossRef]
- Li, Z.; Li, H.; Zhang, Z. An accurate online calibration system based on combined clamp-shape coil for high voltage electronic current transformers. Rev. Sci. Instrum. 2013, 84, 075113. [Google Scholar] [CrossRef] [PubMed]
- Hu, C.; Chen, M.-Z.; Li, H.-B.; Zhang, Z.; Jiao, Y.; Shao, H. An accurate on-site calibration system for electronic voltage transformers using a standard capacitor. Meas. Sci. Technol. 2018, 29, 055901. [Google Scholar] [CrossRef]
- Chen, Q.; Li, Y.; Liu, Z.; Gao, J.; Li, X.; Zhang, S. Fault detection and analysis of voltage transformer secondary terminal based on infrared temperature measurement technology. In Proceedings of the 2019 IEEE 4th Advanced Information Technology, Electronic and Automation Control Conference, Chengdu, China, 20–22 December 2019; pp. 1283–1286. [Google Scholar]
- Fu, W.; Huo, C. Early Fault Monitoring Method of CVT. Power Capacit. React. Power Compens. 2009, 30, 29–31. [Google Scholar]
- Ting, L.; Marco, F.; Roberto, O.; Sergio, T. On-line fault detection technique for voltage transformers. Measurement 2017, 108, 193–200. [Google Scholar]
- Wei, W.; Tao, P.; Yi, F.; Li, Y. The online diagnosis of internal insulation fault of capacitance voltage transformers based on machine learning. J. Phys. Conf. Ser. 2022, 2290, 012025. [Google Scholar] [CrossRef]
- Yuxuan, Z.; Chuanji, Z.; Hongbin, L.; Qing, C. An online detection method for capacitor voltage transformer with excessive measurement error based on multi-source heterogeneous data fusion. Measurement 2022, 187, 110262. [Google Scholar]
- Zhou, F.; Zhao, P.; Lei, M.; Yue, C.; Yu, J.; Liang, S. Capacitive voltage transformer measurement error prediction by improved long short-term memory neural network. Energy Rep. 2022, 8, 1011–1021. [Google Scholar] [CrossRef]
- Xing, Y.; Xu, Y.; Zhai, X.; Sun, K.; Chen, Q.; Bao, Z. On-line evaluation method of CVT internal insulation state considering the influence of primary voltage fluctuation. Electr Meas. Instrum. 2023, pp. 1–9. Available online: https://kns.cnki.net/kcms/detail/23.1202.TH.20230213.1656.006.html (accessed on 5 June 2023).
- Zhang, M.; Zhang, Z.; Fan, M.; Ding, L. Online detection of measurement error in three-phase CVT based on equivariant adaptive source separation. Meas. Sci. Technol. 2023, 34, 025022. [Google Scholar] [CrossRef]
- Zhao, H.; Wang, Y.; Duan, J.; Huang, C.; Cao, D.; Tong, Y.; Xu, B.; Bai, J.; Tong, J.; Zhang, Q. Multivariate time-series anomaly detection via graph attention network. In Proceedings of the 2020 IEEE International Conference on Data Mining (ICDM), Sorrento, Italy, 17–20 November 2020; pp. 841–850. [Google Scholar]
- Thill, M.; Konen, W.; Wang, H.; Bäck, T. Temporal convolutional autoencoder for unsupervised anomaly detection in time series. Appl. Soft Comput. 2021, 112, 107751. [Google Scholar] [CrossRef]
- Kieu, T.; Yang, B.; Jensen, C.S. Outlier Detection for Multidimensional Time Series Using Deep Neural Networks. In Proceedings of the 2018 19th IEEE International Conference on Mobile Data Management (MDM), Aalborg, Denmark, 25–28 June 2018; pp. 125–134. [Google Scholar] [CrossRef]
- Audibert, J.; Michiardi, P.; Guyard, F.; Marti, S.; Zuluaga, M.A. USAD: Unsupervised anomaly detection on multivariate time series. In Proceedings of the 26th ACM SIGKDD International Conference on Knowledge Discovery & Data Mining, Virtual, 6–10 July 2020; pp. 3395–3404. [Google Scholar]
- Shreshth, T.; Giuliano, C.; Jennings, N.R. TranAD: Deep transformer networks for anomaly detection in multivariate time series data. Proc. VLDB Endow. 2022, 15, 1201–1214. [Google Scholar]
- Guan, S.; Zhao, B.; Dong, Z.; Gao, M.; He, Z. GTAD: Graph and Temporal Neural Network for Multivariate Time Series Anomaly Detection. Entropy 2022, 24, 759. [Google Scholar] [CrossRef]
- Zhang, C.; Li, H.; Chen, Q. Detection of the ratio error drift in CVT considering AVC. Measurement 2019, 138, 425–432. [Google Scholar] [CrossRef]
- Shi, Y.; Lei, M.; Ma, R.; Niu, L. Learning Robust Auto-Encoders With Regularizer for Linearity and Sparsity. IEEE Access 2019, 7, 17195–17206. [Google Scholar] [CrossRef]
- Brody, S.; Alon, U.; Yahav, E. How attentive are graph attention networks? arXiv 2021, arXiv:2105.14491. [Google Scholar]
- Xu, Y.; Li, H.; Chen, Q.; Zhang, C.; Zhang, J.; Zhang, Y. On-line Evaluation Method of CVT Internal Insulation State Based on Support Vector Machine. In Proceedings of the 2021 IEEE 15th International Conference on Electronic Measurement & Instruments (ICEMI), Nanjing, China, 29–31 October 2021; pp. 137–144. [Google Scholar] [CrossRef]
- GB 50052-2009; Code for Design of Power Supply and Distribution System. Beijing Book Co. Inc.: Linden, NJ, USA, 2018.
- Chen, B.; Du, L.; Liu, K.; Chen, X.; Zhang, F.; Yang, F. Measurement Error Estimation for Capacitive Voltage Transformer by Insulation Parameters. Energies 2017, 10, 357. [Google Scholar] [CrossRef]
- Sun, J.; Wen, X.; Lan, L.; Li, X. Steady-state error analysis and digital correction for capacitor voltage transformers. In Proceedings of the 2008 International Conference on Electrical Machines and Systems, Wuhan, China, 17–20 October 2008; pp. 769–773. [Google Scholar]
- He, B.; Li, Y.; Bo, Z.Q. An adaptive distance relay based on transient error estimation of CVT. IEEE Trans. Power Deliv. 2006, 21, 1856–1861. [Google Scholar] [CrossRef]
- Feng, S.Z.; Chen, X.S.; Luo, R.X.; He, N.; Zhou, K. Simulation on influence of external electric field on error characteristics of CVT. In Proceedings of the 2016 International Conference on High Voltage Engineering and Application, Chengdu, China, 19–22 September 2016. [Google Scholar]
- Lundström, A.; O’nils, M.; Qureshi, F.Z.; Jantsch, A. Improving Deep Learning Based Anomaly Detection on Multivariate Time Series Through Separated Anomaly Scoring. IEEE Access 2022, 10, 108194–108204. [Google Scholar] [CrossRef]
- Veličković, P.; Cucurull, G.; Casanova, A.; Romero, A.; Lio, P.; Bengio, Y. Graph attention networks. arXiv 2017, arXiv:1710.10903. [Google Scholar]
- Bai, S.; Kolter, J.Z.; Koltun, V. An empirical evaluation of generic convolutional and recurrent networks for sequence modeling. arXiv 2018, arXiv:1803.01271. [Google Scholar]
- Kingma, D.P.; Welling, M. Auto-encoding variational bayes. arXiv 2013, arXiv:1312.6114. [Google Scholar]
- Hundman, K.; Constantinou, V.; Laporte, C.; Colwell, I.; Soderstrom, T. Detecting spacecraft anomalies using lstms and nonparametric dynamic thresholding. In Proceedings of the 24th ACM SIGKDD International Conference on Knowledge Discovery & Data Mining, London, UK, 19–23 August 2018; pp. 387–395. [Google Scholar]
- Xue, J.; Shen, B. Dung beetle optimizer: A new meta-heuristic algorithm for global optimization. J. Supercomput. 2023, 79, 7305–7336. [Google Scholar] [CrossRef]
- Xu, H.; Chen, W.; Zhao, N.; Li, Z.; Bu, J.; Li, Z.; Liu, Y.; Zhao, Y.; Pei, D.; Feng, Y.; et al. Unsupervised Anomaly Detection via Variational Auto-Encoder for Seasonal KPIs in Web Applications. In Proceedings of the 2018 World Wide Web Conference, Lyon, France, 23–27 April 2018; pp. 187–196. [Google Scholar]







| Model | Precision | Recall | F1-Score |
|---|---|---|---|
| LSTM-AE | 94.15% | 92.24% | 93.18% |
| MTAD-GAT | 97.57% | 76.56% | 85.68% |
| GTAD | 83.70% | 87.07% | 80.58% |
| AE-GATv2 | 97.93% | 99.32% | 98.94% |
| Remove Part | Precision | Recall | F1-Score |
|---|---|---|---|
| AE | 95.27% | 96.19% | 95.72% |
| GATv2 | 96.31% | 98.75% | 97.51% |
| PRE Model | 96.21% | 99.13% | 97.65% |
| REC Model | 97.37% | 98.54% | 97.95% |
| Method | Precision | Recall | F1-Score |
|---|---|---|---|
| POT | 81.93% | 99.99% | 90.07% |
| Epsilon method | 99.99% | 80.58% | 89.24% |
| Adaptive Threshold Method | 97.93% | 99.32% | 98.94% |
Disclaimer/Publisher’s Note: The statements, opinions and data contained in all publications are solely those of the individual author(s) and contributor(s) and not of MDPI and/or the editor(s). MDPI and/or the editor(s) disclaim responsibility for any injury to people or property resulting from any ideas, methods, instructions or products referred to in the content. |
© 2023 by the authors. Licensee MDPI, Basel, Switzerland. This article is an open access article distributed under the terms and conditions of the Creative Commons Attribution (CC BY) license (https://creativecommons.org/licenses/by/4.0/).
Share and Cite
He, J.; Zhou, Z.; Tong, C.; Li, F.; Rao, F.; Xu, Q. Online Evaluation Method of CVT Internal Insulation Abnormality Based on Self-Supervised Learning. Energies 2023, 16, 4585. https://doi.org/10.3390/en16124585
He J, Zhou Z, Tong C, Li F, Rao F, Xu Q. Online Evaluation Method of CVT Internal Insulation Abnormality Based on Self-Supervised Learning. Energies. 2023; 16(12):4585. https://doi.org/10.3390/en16124585
Chicago/Turabian StyleHe, Jun, Zhihao Zhou, Chao Tong, Fan Li, Fangxi Rao, and Qiu Xu. 2023. "Online Evaluation Method of CVT Internal Insulation Abnormality Based on Self-Supervised Learning" Energies 16, no. 12: 4585. https://doi.org/10.3390/en16124585
APA StyleHe, J., Zhou, Z., Tong, C., Li, F., Rao, F., & Xu, Q. (2023). Online Evaluation Method of CVT Internal Insulation Abnormality Based on Self-Supervised Learning. Energies, 16(12), 4585. https://doi.org/10.3390/en16124585
