Enhanced Primary Frequency Control Using Model Predictive Control in Large-Islanded Power Grids with High Penetration of DFIG-Based Wind Farm
Abstract
1. Introduction
1.1. Literature Review
1.2. Research Motivations
1.3. Contribution and Paper Organization
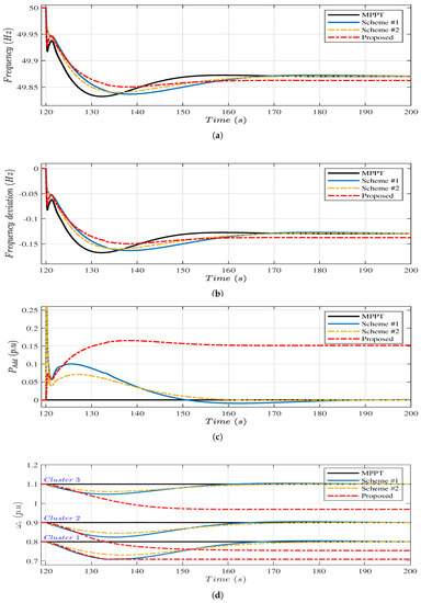
- The FN is improved with more than 6.1% to be close to the settling frequency under all clusters wind and overload conditions, without SFD. This has never been achieved with existing conventional schemes, to our knowledge.
- In order to meet the PSO requirements, the stabilization time to reach the new steady state frequency is significantly improved. It has been improved by more than 10.51 s compared to conventional schemes.
- No electrical energy is required by the WTs to return the rotational speeds to the MPPT operating points during the frequency event, which positively improves the behavior of the power system with the proposed controller.
2. Model of a DFIG-Based WT
2.1. Wind Turbine Model
2.2. Power Reserve Deployment Requirements for Primary Frequency Control

2.3. Emulation of Inertial Response in a DFIG-Based WT
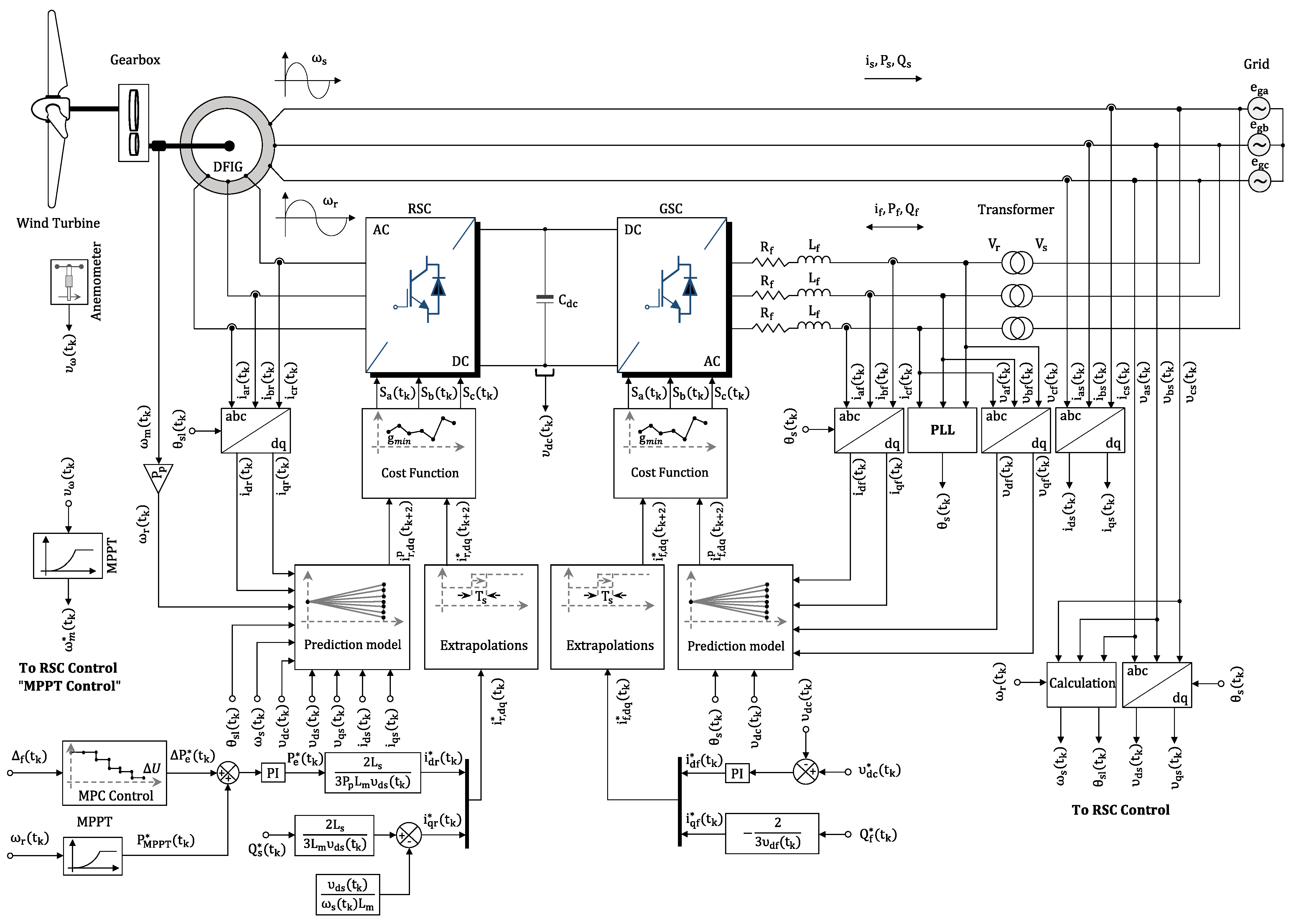
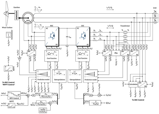
3. Model Predictive Control for DFIG Supporting Frequency Control
3.1. DFIG Model
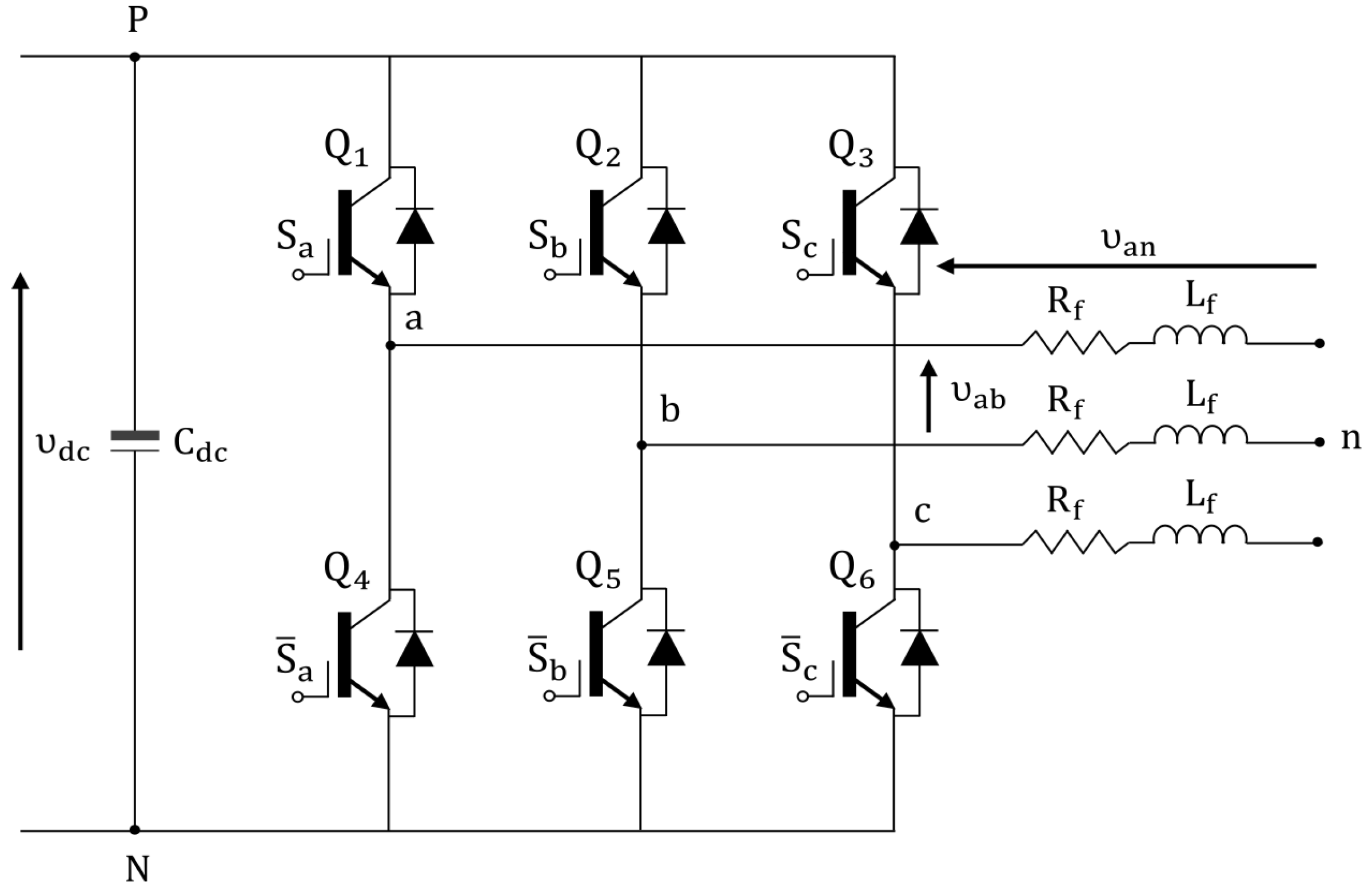
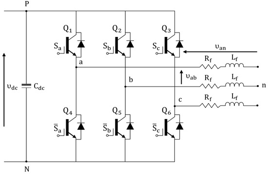
3.2. RL Filter and Inverter Models
3.3. Finite Control Set-Model Predictive Control (FCS-MPC) for DFIG-Based Wind Turbine
| Algorithm 1 FCS-MPC Rotor Currents Regulation Algorithm |
|
3.4. Continuous Control Set-Model Predictive Control (CCS-MPC) for DFIG-Based Wind Turbine Participation in Frequency Support
| Algorithm 2 CCS-MPC Frequency Control Algorithm |
|
4. Case Studies
4.1. Case 1: Wind Speed of 8 m/s at Cluster 1, 9 m/s at Cluster 2, 11 m/s at Cluster 3 and 160 MW Overload in the Power Grid
4.2. Case 2: Variable Wind Speeds and Fixed Load
5. Conclusions
- The frequency Nadir enhancement: The FN is arrested closely to the settling frequency. Indeed, the FN is improved by more than 6.1% compared to conventional schemes.
- Eliminating SFDs through the WTS’s rotor speed recovery approach: WTS rotor speed is not designed to revert back to the MPPT point during the main frequency support. This means that the WT does not consume any additional power from the grid for speed recovery to MPPT during the frequency event. Therefore, no SDF will occur.
- Improving the frequency settling time: the fast MPC-based controller has enhanced the settling time for reaching the new frequency steady state by more than 10.51 s, compared to conventional schemes.
- Improving the frequency response during transient wind conditions and fluctuations.
Author Contributions
Funding
Data Availability Statement
Conflicts of Interest
Abbreviations
| CCS-MPC | Continuous Control Set Model Predictive Control. |
| DFIG | Doubly-Fed Induction Generator. |
| FCS-MPC | Finite Control Set Model Predictive Control. |
| FN | Frequency Nadir. |
| GSC | Grid Side Converter. |
| IGBT | Insulated-Gate Bipolar Transistor. |
| MPPT | Maximum Power Point Tracking. |
| OPPT | Optimal Power Point Tracking. |
| PSO | Power System Operator. |
| ROCOF | Rate Of Change Of Frequency. |
| RSC | Rotor Side Converter. |
| SFD | Second Frequency Dip. |
| WF | Wind Farm. |
| WT | Wind Turbine. |
| Actual and nominal system frequency. | |
| Frequency deviation. | |
| Frequency derivative. |
| WT mechanical output power. | |
| WT input Wind speed. | |
| Pitch angle. | |
| DFIG rotor speed. | |
| Cut-in rotor speed. | |
| Rated rotor speed. | |
| Optimal coefficient for MPPT control. | |
| ROCOF and droop loop gains. | |
| H | WT inertia constant. |
| dq-axis stator voltage and current components. | |
| dq-axis rotor voltage and current components. | |
| dq-axis filter voltage and current components. | |
| Current sampling time. |
Appendix A
| Parameter | Value |
|---|---|
| Rated Power (MVA) | |
| D-Axis Synchronous Reactance (p.u) | |
| Q-Axis Synchronous Reactance (p.u) | |
| Stator Resistance (p.u) | |
| Stator Leakage Inductance (p.u) | |
| D-Axis Transient Reactance (p.u) | |
| Q-Axis Transient Reactance (p.u) | |
| D-Axis Subtransient Reactance (p.u) | |
| Q-Axis Subtransient Reactance (p.u) | |
| D-Axis Transient Open Circuit Time Constant (s) | |
| Q-Axis Transient Open Circuit Time Constant (s) | |
| D-Axis Subtransient Open Circuit Time Constant (s) | |
| Q-Axis Subtransient Open Circuit Time Constant (s) | |
| Total inertia constant H (s) |
Appendix B
| Bus | Load | Shunt Capacitance |
|---|---|---|
| Bus B | MVA | 200 MVAr |
| Bus B | MVA | 350 MVAr |
Appendix C
| Parameter | Value |
|---|---|
| Rated Power (MVA) | |
| Rated Stator Voltage (V) | |
| Rated Frequency f (Hz) | |
| Stator Resistance (p.u) | |
| Rotor Resistance (p.u) | |
| Stator Inductance (p.u) | |
| Rotor Inductance (p.u) | |
| Mutual Inductance (p.u) | |
| Pole Pairs p | 3 |
| Leakage constant (p.u) | |
| Converters rated power (p.u) | |
| Total inertia constant H (s) | |
| (p.u) | |
| (p.u) | |
| [, ] | [, ] |
| Maximum (/s) | |
| [, , , , , ] | [, 116, , 5, 21, ] |
| (m/s) at (p.u) | |
| Pitch controller gain | 500 |
References
- Yingcheng, X.; Nengling, T. System frequency regulation in doubly fed induction generators. Int. J. Electr. Power Energy Syst. 2012, 43, 977–983. [Google Scholar] [CrossRef]
- Datta, U.; Shi, J.; Kalam, A. Primary frequency control of a microgrid with integrated dynamic sectional droop and fuzzy based pitch angle control. Int. J. Electr. Power Energy Syst. 2019, 111, 248–259. [Google Scholar] [CrossRef]
- Tian, X.; Wang, W.; Chi, Y.; Li, Y.; Liu, C. Virtual inertia optimisation control of DFIG and assessment of equivalent inertia time constant of power grid. IET Renew. Power Gener. 2018, 12, 1733–1740. [Google Scholar] [CrossRef]
- Zhang, Y.; Melin, A.M.; Djouadi, S.M.; Olama, M.M.; Tomsovic, K. Provision for Guaranteed Inertial Response in Diesel-Wind Systems via Model Reference Control. IEEE Trans. Power Syst. 2018, 33, 6557–6568. [Google Scholar] [CrossRef]
- Liu, F.; Liu, Z.; Mei, S.; Wei, W.; Yao, Y. ESO-Based Inertia Emulation and Rotor Speed Recovery Control for DFIGs. IEEE Trans. Energy Convers. 2017, 32, 1209–1219. [Google Scholar] [CrossRef]
- Van de Vyver, J.; De Kooning, J.D.M.; Meersman, B.; Vandevelde, L.; Vandoorn, T.L. Droop Control as an Alternative Inertial Response Strategy for the Synthetic Inertia on Wind Turbines. IEEE Trans. Power Syst. 2016, 31, 1129–1138. [Google Scholar] [CrossRef]
- Tan, Y.; Meegahapola, L.; Muttaqi, K.M. A Suboptimal Power-Point-Tracking-Based Primary Frequency Response Strategy for DFIGs in Hybrid Remote Area Power Supply Systems. IEEE Trans. Energy Convers. 2016, 31, 93–105. [Google Scholar] [CrossRef]
- Wang, Z.; Wu, W. Coordinated Control Method for DFIG-Based Wind Farm to Provide Primary Frequency Regulation Service. IEEE Trans. Power Syst. 2018, 33, 2644–2659. [Google Scholar] [CrossRef]
- Ghosh, S.; Kamalasadan, S.; Senroy, N.; Enslin, J. Doubly Fed Induction Generator (DFIG)-Based Wind Farm Control Framework for Primary Frequency and Inertial Response Application. IEEE Trans. Power Syst. 2016, 31, 1861–1871. [Google Scholar] [CrossRef]
- Wang, S.; Hu, J.; Wang, S.; Tang, H.; Chi, Y. Comparative study on primary frequency control schemes for variable-speed wind turbines. J. Eng. 2017, 2017, 1332–1337. [Google Scholar] [CrossRef]
- Zhang, X.; Zha, X.; Yue, S.; Chen, Y. A Frequency Regulation Strategy for Wind Power Based on Limited Over-Speed De-Loading Curve Partitioning. IEEE Access 2018, 6, 22938–22951. [Google Scholar] [CrossRef]
- Gomez, L.A.G.; Lourenco, L.F.N.; Grilo, A.P.; Salles, M.B.C.; Meegahapola, L.; Filho, A.J.S. Primary Frequency Response of Microgrid Using Doubly Fed Induction Generator With Finite Control Set Model Predictive Control Plus Droop Control and Storage System. IEEE Access 2020, 8, 189298–189312. [Google Scholar] [CrossRef]
- Boyle, J.; Littler, T.; Muyeen, S.; Foley, A.M. An alternative frequency-droop scheme for wind turbines that provide primary frequency regulation via rotor speed control. Int. J. Electr. Power Energy Syst. 2021, 133, 107219. [Google Scholar] [CrossRef]
- Mahvash, H.; Taher, S.A.; Rahimi, M.; Shahidehpour, M. Enhancement of DFIG performance at high wind speed using fractional order PI controller in pitch compensation loop. Int. J. Electr. Power Energy Syst. 2019, 104, 259–268. [Google Scholar] [CrossRef]
- Ibrahim, A.O.; Nguyen, T.H.; Lee, D.C.; Kim, S.C. A Fault Ride-Through Technique of DFIG Wind Turbine Systems Using Dynamic Voltage Restorers. IEEE Trans. Energy Convers. 2011, 26, 871–882. [Google Scholar] [CrossRef]
- Zhang, S.; Mishra, Y.; Shahidehpour, M. Fuzzy-Logic Based Frequency Controller for Wind Farms Augmented With Energy Storage Systems. IEEE Trans. Power Syst. 2016, 31, 1595–1603. [Google Scholar] [CrossRef]
- Miao, L.; Wen, J.; Xie, H.; Yue, C.; Lee, W.J. Coordinated Control Strategy of Wind Turbine Generator and Energy Storage Equipment for Frequency Support. IEEE Trans. Ind. Appl. 2015, 51, 2732–2742. [Google Scholar] [CrossRef]
- Mohamed, T.H.; Morel, J.; Bevrani, H.; Hiyama, T. Model predictive based load frequency control_design concerning wind turbines. Int. J. Electr. Power Energy Syst. 2012, 43, 859–867. [Google Scholar] [CrossRef]
- Liu, J.; Yao, Q.; Hu, Y. Model predictive control for load frequency of hybrid power system with wind power and thermal power. Energy 2019, 172, 555–565. [Google Scholar] [CrossRef]
- Abubakr, H.; Vasquez, J.C.; Hassan Mohamed, T.; Guerrero, J.M. The concept of direct adaptive control for improving voltage and frequency regulation loops in several power system applications. Int. J. Electr. Power Energy Syst. 2022, 140, 108068. [Google Scholar] [CrossRef]
- Abubakr, H.; Guerrero, J.M.; Vasquez, J.C.; Mohamed, T.H.; Mahmoud, K.; Darwish, M.M.F.; Dahab, Y.A. Adaptive LFC Incorporating Modified Virtual Rotor to Regulate Frequency and Tie-Line Power Flow in Multi-Area Microgrids. IEEE Access 2022, 10, 33248–33268. [Google Scholar] [CrossRef]
- Wu, Z.; Gao, W.; Gao, T.; Yan, W.; Zhang, H.; Yan, S.; Wang, X. State-of-the-art review on frequency response of wind power plants in power systems. J. Mod. Power Syst. Clean Energy 2018, 6, 1–16. [Google Scholar] [CrossRef]
- Dreidy, M.; Mokhlis, H.; Mekhilef, S. Inertia response and frequency control techniques for renewable energy sources: A review. Renew. Sustain. Energy Rev. 2017, 69, 144–155. [Google Scholar] [CrossRef]
- Hwang, M.; Muljadi, E.; Jang, G.; Kang, Y.C. Disturbance-Adaptive Short-Term Frequency Support of a DFIG Associated With the Variable Gain Based on the ROCOF and Rotor Speed. IEEE Trans. Power Syst. 2017, 32, 1873–1881. [Google Scholar] [CrossRef]
- Yang, D.; Gao, H.C.; Zhang, L.; Zheng, T.; Hua, L.; Zhang, X. Short-term frequency support of a doubly-fed induction generator based on an adaptive power reference function. Int. J. Electr. Power Energy Syst. 2020, 119, 105955. [Google Scholar] [CrossRef]
- Margaris, I.D.; Papathanassiou, S.A.; Hatziargyriou, N.D.; Hansen, A.D.; Sorensen, P. Frequency Control in Autonomous Power Systems With High Wind Power Penetration. IEEE Trans. Sustain. Energy 2012, 3, 189–199. [Google Scholar] [CrossRef]
- Liu, T.; Pan, W.; Quan, R.; Liu, M. A Variable Droop Frequency Control Strategy for Wind Farms that Considers Optimal Rotor Kinetic Energy. IEEE Access 2019, 7, 68636–68645. [Google Scholar] [CrossRef]
- Datta, U.; Kalam, A.; Shi, J. Frequency performance analysis of multi-gain droop controlled DFIG in an isolated microgrid using real-time digital simulator. Eng. Sci. Technol. Int. J. 2020, 23, 1028–1041. [Google Scholar] [CrossRef]
- Hwang, M.; Muljadi, E.; Park, J.W.; Sorensen, P.; Kang, Y.C. Dynamic Droop–Based Inertial Control of a Doubly-Fed Induction Generator. IEEE Trans. Sustain. Energy 2016, 7, 924–933. [Google Scholar] [CrossRef]
- Abazari, A.; Monsef, H.; Wu, B. Load frequency control by de-loaded wind farm using the optimal fuzzy-based PID droop controller. IET Renew. Power Gener. 2019, 13, 180–190. [Google Scholar] [CrossRef]
- Abazari, A.; Dozein, M.G.; Monsef, H. An optimal Fuzzy-logic based frequency control strategy in a high wind penetrated power system. J. Frankl. Inst. 2018, 355, 6262–6285. [Google Scholar] [CrossRef]
- Elyaalaoui, K.; Ouassaid, M.; Cherkaoui, M. Primary frequency control using hierarchal fuzzy logic for a wind farm based on SCIG connected to electrical network. Sustain. Energy Grids Netw. 2018, 16, 188–195. [Google Scholar] [CrossRef]
- Sambariya, D.; Nath, V. Load Frequency Control Using Fuzzy Logic Based Controller for Multi-area Power System. Br. J. Math. Comput. Sci. 2016, 13, 1–19. [Google Scholar] [CrossRef] [PubMed]
- Obaid, Z.A.; Cipcigan, L.; Muhssin, M.T. Fuzzy hierarchal approach-based optimal frequency control in the Great Britain power system. Electr. Power Syst. Res. 2016, 141, 529–537. [Google Scholar] [CrossRef]
- Kayikci, M.; Milanovic, J. Dynamic Contribution of DFIG-Based Wind Plants to System Frequency Disturbances. IEEE Trans. Power Syst. 2009, 24, 859–867. [Google Scholar] [CrossRef]
- Sun, Y.z.; Zhang, Z.s.; Li, G.j.; Lin, J. Review on frequency control of power systems with wind power penetration. In Proceedings of the 2010 International Conference on Power System Technology, Hangzhou, China, 24–28 October 2010; pp. 1–8. [Google Scholar] [CrossRef]
- Díaz-González, F.; Hau, M.; Sumper, A.; Gomis-Bellmunt, O. Participation of wind power plants in system frequency control: Review of grid code requirements and control methods. Renew. Sustain. Energy Rev. 2014, 34, 551–564. [Google Scholar] [CrossRef]
- Keung, P.K.; Li, P.; Banakar, H.; Ooi, B.T. Kinetic Energy of Wind-Turbine Generators for System Frequency Support. IEEE Trans. Power Syst. 2009, 24, 279–287. [Google Scholar] [CrossRef]
- Yang, D.; Kim, J.; Kang, Y.C.; Muljadi, E.; Zhang, N.; Hong, J.; Song, S.H.; Zheng, T. Temporary Frequency Support of a DFIG for High Wind Power Penetration. IEEE Trans. Power Syst. 2018, 33, 3428–3437. [Google Scholar] [CrossRef]
- Ali, Y.A.; Ouassaid, M. Advanced Control Strategy of DFIG based Wind Turbine using combined Artificial Neural Network and PSO Algorithm. In Proceedings of the 2020 International Conference on Electrical and Information Technologies (ICEIT), Rabat, Morocco, 4–7 March 2020; pp. 1–7. [Google Scholar] [CrossRef]
- Blaabjerg, F.; Xu, D.; Chen, W.; Zhu, N. Advanced Control of Doubly Fed Induction Generator for Wind Power Systems; John Wiley & Sons, Inc.: Hoboken, NJ, USA, 2018. [Google Scholar] [CrossRef]
- Ali, Y.A.; Ouassaid, M.; Muljadi, E. Reduced Switching Frequency Finite Control Set Model Predictive Control (FCS-MPC) for DFIG. In Proceedings of the 2021 Innovations in Power and Advanced Computing Technologies (i-PACT), Kuala Lumpur, Malaysia, 27–29 November 2021; pp. 1–7. [Google Scholar] [CrossRef]
- Yaramasu, V.; Wu, B. Model Predictive Control of Wind Energy Conversion Systems, 1st ed.; Wiley: Hoboken, NJ, USA, 2017. [Google Scholar] [CrossRef]
- Ekanayake, J.; Jenkins, N. Comparison of the Response of Doubly Fed and Fixed-Speed Induction Generator Wind Turbines to Changes in Network Frequency. IEEE Trans. Energy Convers. 2004, 19, 800–802. [Google Scholar] [CrossRef]
- Mauricio, J.; Marano, A.; Gomez-Exposito, A.; Martinez Ramos, J. Frequency Regulation Contribution Through Variable-Speed Wind Energy Conversion Systems. IEEE Trans. Power Syst. 2009, 24, 173–180. [Google Scholar] [CrossRef]
- Morren, J.; de Haan, S.; Kling, W.; Ferreira, J. Wind Turbines Emulating Inertia and Supporting Primary Frequency Control. IEEE Trans. Power Syst. 2006, 21, 433–434. [Google Scholar] [CrossRef]
- Model Predictive Control System Design and Implementation Using MATLAB®; Advances in Industrial Control; Springer: London, UK, 2009. [CrossRef]
- Kundur, P. Power System Stability and Control; McGraw Hill: New York, NY, USA, 1994. [Google Scholar]
- Vahidi, B.; Tavakoli, M.; Gawlik, W. Determining Parameters of Turbine’s Model Using Heat Balance Data of Steam Power Unit for Educational Purposes. IEEE Trans. Power Syst. 2007, 22, 1547–1553. [Google Scholar] [CrossRef]
- Report, IEEE Committee. Excitation System Models for Power System Stability Studies. IEEE Trans. Power Appar. Syst. 1981, PAS-100, 494–509. [Google Scholar] [CrossRef]
- Almabrok, A.; Psarakis, M.; Dounis, A. Fast Tuning of the PID Controller in An HVAC System Using the Big Bang–Big Crunch Algorithm and FPGA Technology. Algorithms 2018, 11, 146. [Google Scholar] [CrossRef]










| Control | Advantages | Disadvantages | SFD Consideration | Ref |
|---|---|---|---|---|
| Inertial control |
|
| No | [22] [23] |
| Droop control |
|
| No | [7] [24] [25] [26] |
| Combined control & Variable Droop |
|
| No | [12] [27] [28] [29] |
| PID-Fuzzy |
|
| No | [30] [31] |
| Fuzzy Logic |
|
| No | [17] [32] [33] [34] |
| MPC Control |
|
| Yes | Proposed |
| 0 | |||
| 10 | 1 |
| Parameter | Controller | Results | |
|---|---|---|---|
| Proposed | 49.8503 | ||
| Frequency | Scheme #2 | 49.8401 | |
| Nadir (Hz) | Scheme #1 | 49.8367 | |
| MPPT | 49.8324 | ||
| Maximum | Proposed | −0.1497 | |
| frequency | Scheme #2 | −0.1599 | |
| deviation | Scheme #1 | −0.1633 | |
| (Hz) | MPPT | −0.1676 | |
| Settling | Proposed | 31.7937 | |
| time | Scheme #2 | 42.3113 | |
| (s) | Scheme #1 | 43.5954 | |
| Settling | Proposed | 49.8761 | |
| frequency | Scheme #2 | 49.8836 | |
| (Hz) | Scheme #1 | 49.8836 | |
| MPPT | 49.8831 | ||
| Cluster 1 | 0.7088 | ||
| Proposed | Cluster 2 | 0.7539 | |
| Converged | Cluster 3 | 0.9690 | |
| rotor speed (p.u) | Cluster 1 | 0.8001 | |
| Scheme #1 & #2 | Cluster 2 | 0.9002 | |
| Cluster 3 | 1.1002 |
| Control Scheme | ISE | ITSE | IAE | ITAE |
|---|---|---|---|---|
| Proposed | 0.0028 | 0.0202 | 0.3022 | 6.7177 |
| Scheme #1 | 0.0069 | 0.0502 | 0.4180 | 8.1983 |
| Scheme #2 | 0.0070 | 0.0542 | 0.4322 | 8.2305 |
| MPPT operation | 0.0095 | 0.0567 | 0.4531 | 9.2788 |
Disclaimer/Publisher’s Note: The statements, opinions and data contained in all publications are solely those of the individual author(s) and contributor(s) and not of MDPI and/or the editor(s). MDPI and/or the editor(s) disclaim responsibility for any injury to people or property resulting from any ideas, methods, instructions or products referred to in the content. |
© 2023 by the authors. Licensee MDPI, Basel, Switzerland. This article is an open access article distributed under the terms and conditions of the Creative Commons Attribution (CC BY) license (https://creativecommons.org/licenses/by/4.0/).
Share and Cite
Ali, Y.A.; Ouassaid, M.; Cabrane, Z.; Lee, S.-H. Enhanced Primary Frequency Control Using Model Predictive Control in Large-Islanded Power Grids with High Penetration of DFIG-Based Wind Farm. Energies 2023, 16, 4389. https://doi.org/10.3390/en16114389
Ali YA, Ouassaid M, Cabrane Z, Lee S-H. Enhanced Primary Frequency Control Using Model Predictive Control in Large-Islanded Power Grids with High Penetration of DFIG-Based Wind Farm. Energies. 2023; 16(11):4389. https://doi.org/10.3390/en16114389
Chicago/Turabian StyleAli, Youssef Ait, Mohammed Ouassaid, Zineb Cabrane, and Soo-Hyoung Lee. 2023. "Enhanced Primary Frequency Control Using Model Predictive Control in Large-Islanded Power Grids with High Penetration of DFIG-Based Wind Farm" Energies 16, no. 11: 4389. https://doi.org/10.3390/en16114389
APA StyleAli, Y. A., Ouassaid, M., Cabrane, Z., & Lee, S.-H. (2023). Enhanced Primary Frequency Control Using Model Predictive Control in Large-Islanded Power Grids with High Penetration of DFIG-Based Wind Farm. Energies, 16(11), 4389. https://doi.org/10.3390/en16114389

