A Study on Energy Management and Cooperative Control Considering LVRT in a Hybrid Microgrid
Abstract
1. Introduction
2. Hybrid AC/DC Microgrid and LVRT Requirements for Grid-Connection
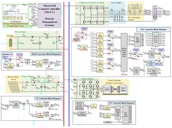
2.1. Configuration of the Hybrid Microgrid
2.2. Distribution System Connection Technical Standards by KEPCO
3. Proposed Energy Management Considering the LVRT
3.1. Mode Selection Algorithm
3.2. Grid-Connected Mode (Modes 1 to 3)
3.2.1. Mode 1 (Power Balance)
3.2.2. Mode 2 (Reactive Power Supply)
3.2.3. Mode 3 (DC Autonomous)
3.3. Stand-Alone Mode
Mode 4 (DC/AC Autonomous)
4. Proposed Cooperative Control Method Considering LVRT
4.1. Configuraion of Microgrid for the Proposed Cooperative Control
4.2. Analysis of the Allowable Reactive Power in Cooperative Control of the ILC with ESS Converter
- (1)
- Case 1: When the ESS does not exist (grid voltage 1.0 pu)
- (2)
- Case 2: When an ESS converter exists and performs cooperative control of operation mode 1 within the rated power of the ESS converter (grid voltage 1.0 pu)
- (3)
- Case 3: Cooperative control is performed in operation mode 1 when surplus power exceeding the rated power of the ESS converter is generated
- (4)
- Case 4: When the ESS converter performs cooperative control of operation mode 1 considering the magnitude of the AC grid voltage (AC grid voltage 01 pu)
4.3. Cooperative Control with the ESS Converter Considering the Power Factor of ILC in Reactive Power Supply Operation
5. Experiment Results
5.1. Grid-Connected Mode (Modes 1–3)
5.1.1. Mode 1 (Power Balance)
5.1.2. Mode 2 (Reactive Power Supply)
5.1.3. Mode 3 (DC Autonomous)
5.2. Stand-Alone Mode
Mode 4 (DC/AC Autonomous)
6. Conclusions
Author Contributions
Funding
Data Availability Statement
Conflicts of Interest
Nomenclature
| Power of ILC | |
| Power of PV | |
| Power of ESS | |
| Power of WT | |
| Power of DC load | |
| Power of AC load | |
| Power reference of ESS | |
| Rated power of ESS | |
| Positive power of ILC | |
| Negative power of ILC | |
| Apparent power of ILC | |
| Rated apparent power of ILC | |
| Reactive power of ILC | |
| Reactive power reference of ILC | |
| Allowable reactive power of ILC | |
| Compensated theta | |
| Compensated grid theta | |
| Compensated inverter theta | |
| State of charge | |
| Synchronization clear signal | |
| Duration time of LVRT | |
| Time after synchronization | |
| Return delay time after synchronization | |
| Sampling time | |
| Synchronous q-axis voltage | |
| Grid voltage | |
| Synchronous q-axis rated voltage of converter | |
| Synchronous q-axis voltage of converter | |
| Allowable synchronous d-axis current reference | |
| Allowable synchronous q-axis current reference | |
| D-axis current reference of ILC | |
| Synchronous d-axis current of converter | |
| Synchronous d-axis current reference of converter | |
| Synchronous q-axis current of converter | |
| Rated current of ILC | |
| Angular velocity of inverter |
References
- Paul, S.; Dey, T.; Saha, P.; Dey, S.; Sen, R. Review on the development scenario of renewable energy in different country. In Proceedings of the 2021 Innovations in Energy Management and Renewable Resources (52042), Kolkata, India, 5–7 February 2021; pp. 1–2. [Google Scholar] [CrossRef]
- Elavarasan, R.M.; Shafiullah, G.M.; Padmanaban, S.; Kumar, N.M.; Annam, A.; Vetrichelvan, A.M.; Mihet-Popa, L.; Holm-Nielsen, J.B. A Comprehensive Review on Renewable Energy Development, Challenges, and Policies of Leading Indian States With an International Perspective. IEEE Access 2020, 8, 74432–74457. [Google Scholar] [CrossRef]
- Lund, H.; Mathiesen, B. Energy system analysis of 100% renewable energy systems—The case of Denmark in years 2030 and 2050. Energy 2009, 34, 524–531. [Google Scholar] [CrossRef]
- Hansen, K.; Breyer, C.; Lund, H. Status and perspectives on 100% renewable energy systems. Energy 2019, 175, 471–480. [Google Scholar] [CrossRef]
- Seal, B. Common Functions for Smart Inverters, 4th ed.; EPRI Report 3002008217; EPRI: Palo Alto, CA, USA, 2016. [Google Scholar]
- UL 1741; Inverters, Converters, Controllers and Interconnection System Equipment for use with Distributed Energy Resources. 2nd ed. Underwriters Laboratories: Tokyo, Japan, 2010.
- Pittol, K.; Kraemer, R.A.S.; Stein, C.M.D.O.; Carati, E.; Da Costa, J.P.; Cardoso, R. Low Voltage Ride-Through Strategy for Distributed Energy Resources According to IEEE 1547-2018 Standard. In Proceedings of the 2019 21st European Conference on Power Electronics and Applications (EPE ‘19 ECCE Europe), Genova, Italy, 3–5 September 2019; pp. 1–10. [Google Scholar] [CrossRef]
- Functions of Smart Inverter for Photovoltaic to Support the Power Grid—Part 1: Requirements and Test Methods for Distribution System (KSGA-025-15-1:2021). Available online: https://www.ksga.org/sgstandard/ (accessed on 16 May 2023).
- Power System Interconnection Requirement—Performance and Communication Protocol Test Method between Distributed Energy Resource Remote Terminal Unit and Inverter Interconnected Power System for Distributed Energy Resource (KSGA-025-15-9-3:2021). Available online: https://www.ksga.org/sgstandard/ (accessed on 16 May 2023).
- Zhang, H.; Saeedifard, M.; Wang, X.; Meng, Y.; Wang, X. System Harmonic Stability Analysis of Grid-Tied Interlinking Converters Operating Under AC Voltage Control Mode. IEEE Trans. Power Syst. 2022, 37, 4106–4109. [Google Scholar] [CrossRef]
- Wang, L.; Fu, X.; Wong, M.-C.W. Operation and Control of a Hybrid Coupled Interlinking Converter for Hybrid AC/Low Voltage DC Microgrids. IEEE Trans. Ind. Electron. 2021, 68, 7104–7114. [Google Scholar] [CrossRef]
- Ahmed, M.; Meegahapola, L.; Vahidnia, A.; Datta, M. Stability and Control Aspects of Microgrid Architectures–A Comprehensive Review. IEEE Access 2020, 8, 144730–144766. [Google Scholar] [CrossRef]
- Saccomando, G.; Svensson, J. Transient operation of grid-connected voltage source converter under unbalanced voltage conditions. In Proceedings of the Conference Record of the 2001 IEEE Industry Applications Conference. 36th IAS Annual Meeting (Cat. No.01CH37248), Chicago, IL, USA, 30 September–4 October 2001; Volume 4, pp. 2419–2424. [Google Scholar] [CrossRef]
- Alepuz, S.; Busquets-Monge, S.; Bordonau, J.; Martinez-Velasco, J.A.; Silva, C.A.; Pontt, J.; Rodriguez, J. Control Strategies Based on Symmetrical Components for Grid-Connected Converters Under Voltage Dips. IEEE Trans. Ind. Electron. 2009, 56, 2162–2173. [Google Scholar] [CrossRef]
- Guise, L.; Cleveland, F.; Apostolov, A.; Dawidczack, H.; Berry, T.; Schröder, A.; Otani, T. Facilitating the operation and integration of DER and microgrids using the IEC 61850-7-420 standard data models, especially for meeting IEEE 1547 and EN 50549 grid code requirements. In Proceedings of the CIRED 2021—The 26th International Conference and Exhibition on Electricity Distribution, Online Conference, 20–23 September 2021; pp. 1807–1811. [Google Scholar]
- Radwan, A.A.A.; Mohamed, Y.A.-R.I. Networked Control and Power Management of AC/DC Hybrid Microgrids. IEEE Syst. J. 2017, 11, 1662–1673. [Google Scholar] [CrossRef]
- Xia, Y.; Wei, W.; Yu, M.; Wang, X.; Peng, Y. Power Management for a Hybrid AC/DC Microgrid With Multiple Subgrids. IEEE Trans. Power Electron. 2018, 33, 3520–3533. [Google Scholar] [CrossRef]
- Lee, H.; Kang, J.-W.; Choi, B.-Y.; Kang, K.-M.; Kim, M.-N.; An, C.-G.; Yi, J.; Won, C.-Y. Energy Management System of DC Microgrid in Grid-Connected and Stand-Alone Modes: Control, Operation and Experimental Validation. Energies 2021, 14, 581. [Google Scholar] [CrossRef]
- Miveh, M.R.; Rahmat, M.F.; Ghadimi, A.A.; Mustafa, M.W. Control techniques for three-phase four-leg voltage source inverters in autonomous microgrids: A review. Renew. Sustain. Energy Rev. 2016, 54, 1592–1610. [Google Scholar] [CrossRef]
- Kumar, M.; Srivastava, S.C.; Singh, S.N. Control Strategies of a DC Microgrid for Grid Connected and Islanded Operations. IEEE Trans. Smart Grid 2015, 6, 1588–1601. [Google Scholar] [CrossRef]
- Liu, Q.; Caldognetto, T.; Buso, S. Control of Interlinking Converters for DC Microgrids Coupled to Smart AC Power Systems. IEEE Trans. Ind. Electron. 2019, 66, 3477–3485. [Google Scholar] [CrossRef]
- Shin, H.; Jung, H.-S.; Sul, S.-K. Low Voltage Ride Through (LVRT) control strategy of grid-connected variable speed Wind Turbine Generator System. In Proceedings of the 8th International Conference on Power Electronics—ECCE Asia, Jeju, Republic of Korea, 30 May–3 June 2011; pp. 96–101. [Google Scholar] [CrossRef]
- Schlabbach, J. Low voltage fault ride through criteria for grid connection of wind turbine generators. In Proceedings of the 2008 5th International Conference on the European Electricity Market, Lisboa, Portugal, 28–30 May 2008. [Google Scholar]
- H0-distribution-standard-0015; Linked Technical Standards for Distributed Power and Distribution Systems. KEPCO: Naju-si, Republic of Korea, 2021.
- Rebollal, D.; Carpintero-Rentería, M.; Santos-Martín, D.; Chinchilla, M. Microgrid and Distributed Energy Resources Standards and Guidelines Review: Grid Connection and Operation Technical Requirements. Energies 2021, 14, 523. [Google Scholar] [CrossRef]
- Lee, W.-G.; Nguyen, T.-T.; Yoo, H.-J.; Kim, H.-M. Low-voltage ride-through operation of grid-connected microgrid using consensus-based distributed control. Energies 2018, 11, 2867. [Google Scholar] [CrossRef]
- Lee, C.-T.; Hsu, C.-W.; Cheng, P.-T. A low-voltage ride-through technique for grid-connected converters of distributed energy resources. IEEE Trans. Ind. Appl. 2011, 47, 1821–1832. [Google Scholar] [CrossRef]

















| Component | Value | |
|---|---|---|
| ILC | Rated capacity | 10 [kVA] |
| AC side line-to-line voltage | 220 [] | |
| Switching frequency | 10 [kHz] | |
| DC-link output voltage | 380 [] | |
| PV converter | Rated output power | 5 [kW] |
| WT converter | 5 [kW] | |
| ESS converter | 5 [kW] | |
| AC Load | 7 [kW] | |
| DC Load | 5 [kW] | |
| Modes | I | II | III | IV | Unit | |||||||||
|---|---|---|---|---|---|---|---|---|---|---|---|---|---|---|
| Comp | ||||||||||||||
| ILC | P | −1.4 | −0.4 | −0.3 | −0.3 | −0.2 | −0.2 | 4.2 | 4.2 | 4.2 | 2 | 4 | 0.3 | kW |
| Q | - | - | - | - | - | 0.1 | 2 | 2 | 2 | - | - | - | kVAR | |
| ESS Conv. | Idle | Idle | 0.3 | 1.6 | −1.6 | −1.6 | 2.6 | 2.6 | 2.6 | 0.4 | 2.4 | −1.6 | kW | |
| PV Conv. | Idle | 1 | 1 | 1 | 1 | 1 | 1 | 1 | 1 | 1 | 1 | 1 | kW | |
| WT Conv. | Idle | Idle | Idle | Idle | 3.2 | 3.2 | 3.2 | 3.2 | 3.2 | 3.2 | 3.2 | 3.2 | kW | |
| DC Load | 1.3 | 1.3 | 1.3 | 2.6 | 2.6 | 2.6 | 2.6 | 2.6 | 2.6 | 2.6 | 2.6 | 2.6 | kW | |
| AC Load | - | - | - | - | - | - | - | - | - | 2 | 4 | 4 | kW | |
Disclaimer/Publisher’s Note: The statements, opinions and data contained in all publications are solely those of the individual author(s) and contributor(s) and not of MDPI and/or the editor(s). MDPI and/or the editor(s) disclaim responsibility for any injury to people or property resulting from any ideas, methods, instructions or products referred to in the content. |
© 2023 by the authors. Licensee MDPI, Basel, Switzerland. This article is an open access article distributed under the terms and conditions of the Creative Commons Attribution (CC BY) license (https://creativecommons.org/licenses/by/4.0/).
Share and Cite
An, C.-G.; Lee, H.; Kim, T.-G.; Yi, J.; Won, C.-Y. A Study on Energy Management and Cooperative Control Considering LVRT in a Hybrid Microgrid. Energies 2023, 16, 4372. https://doi.org/10.3390/en16114372
An C-G, Lee H, Kim T-G, Yi J, Won C-Y. A Study on Energy Management and Cooperative Control Considering LVRT in a Hybrid Microgrid. Energies. 2023; 16(11):4372. https://doi.org/10.3390/en16114372
Chicago/Turabian StyleAn, Chang-Gyun, Hoon Lee, Tae-Gyu Kim, Junsin Yi, and Chung-Yuen Won. 2023. "A Study on Energy Management and Cooperative Control Considering LVRT in a Hybrid Microgrid" Energies 16, no. 11: 4372. https://doi.org/10.3390/en16114372
APA StyleAn, C.-G., Lee, H., Kim, T.-G., Yi, J., & Won, C.-Y. (2023). A Study on Energy Management and Cooperative Control Considering LVRT in a Hybrid Microgrid. Energies, 16(11), 4372. https://doi.org/10.3390/en16114372

