Design of the Organic Rankine Cycle for High-Efficiency Diesel Engines in Marine Applications
Abstract
1. Introduction
2. Methodology and Modeling Approach
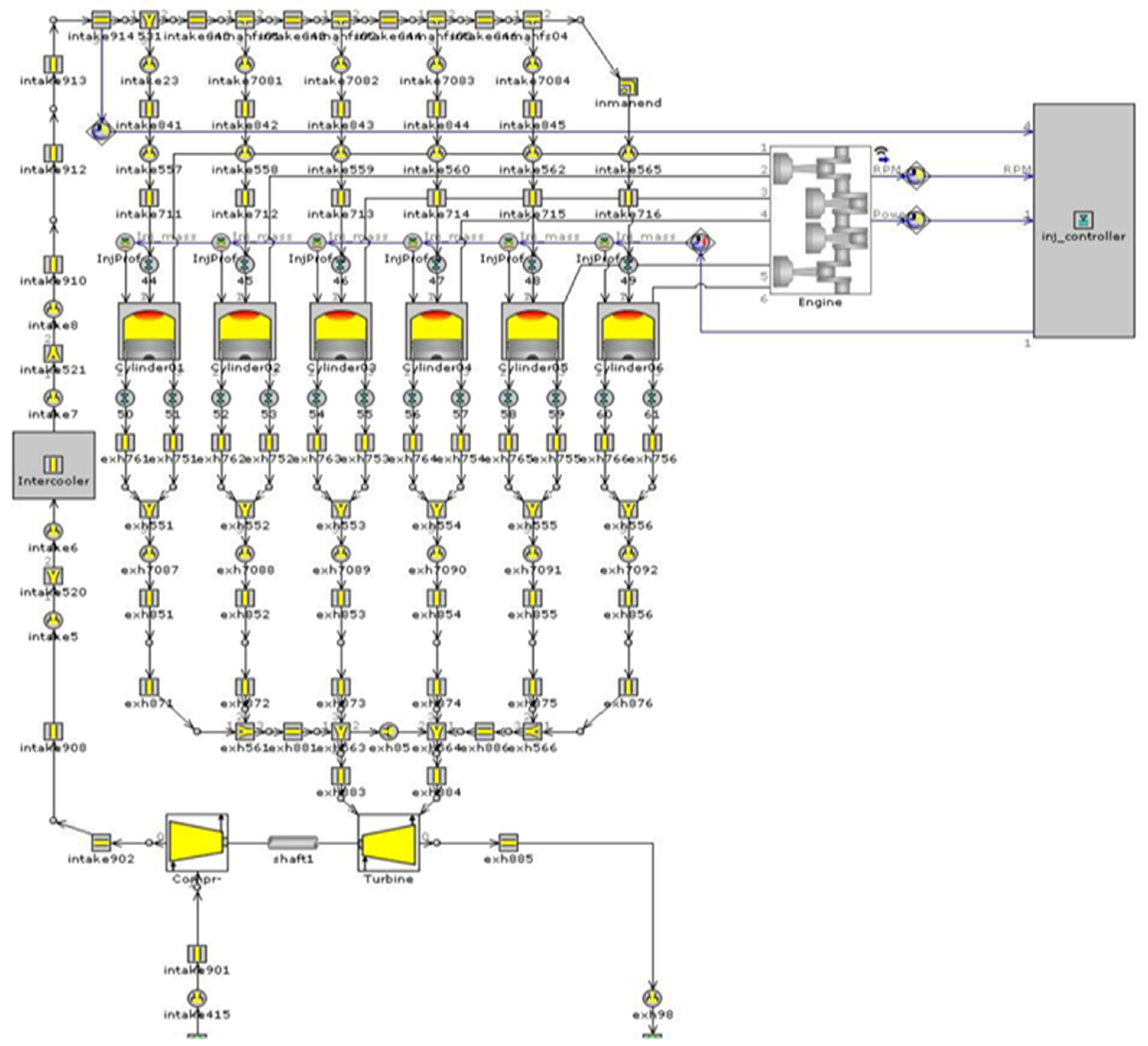
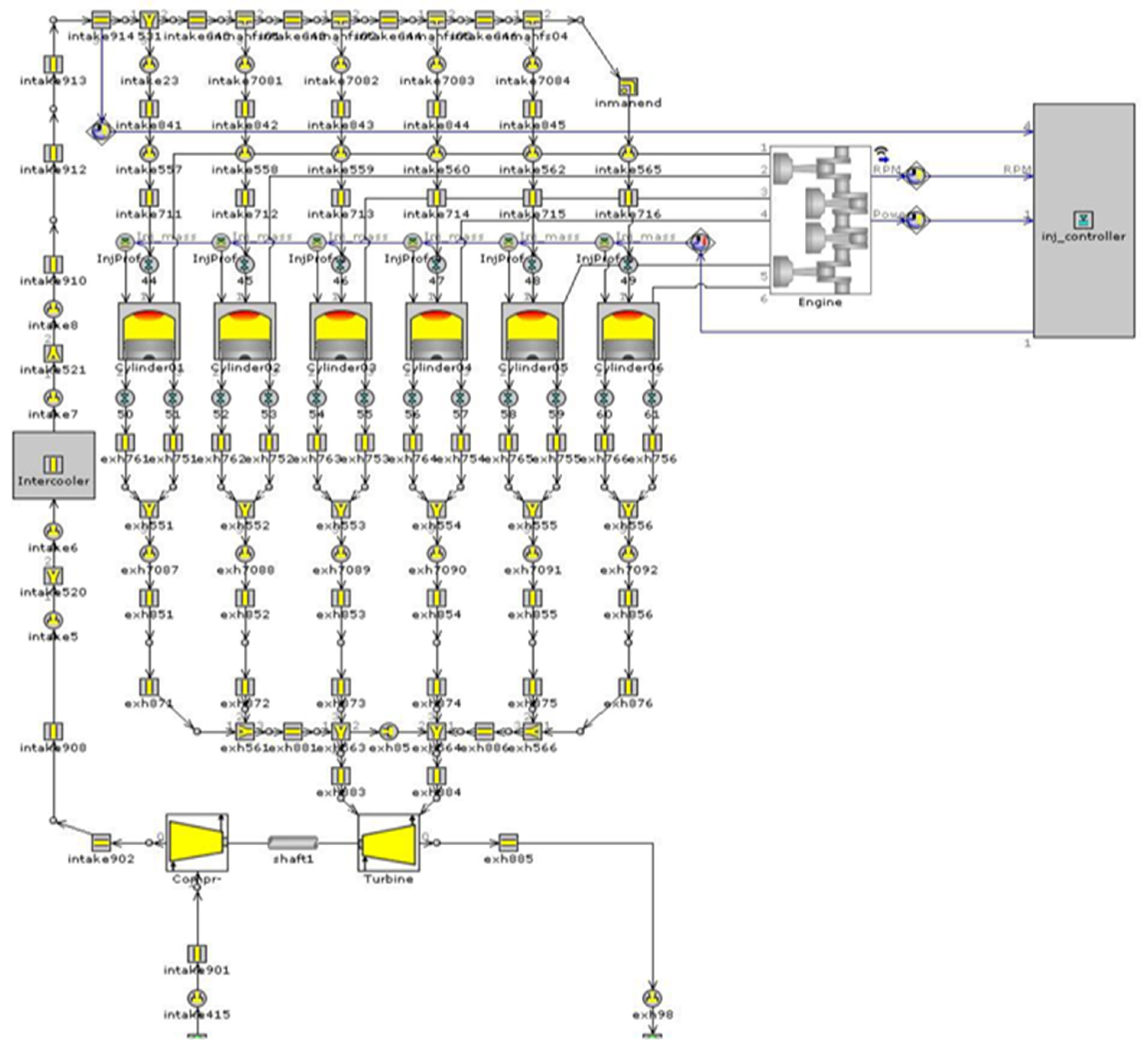
2.1. Engine Modeling
2.2. ORC Modeling
- Each process is considered steady-state;
- Isentropic pump efficiency ;
- Turbine isentropic efficiency ;
- Evaporating pressure can vary between condensation pressure , and critical pressure ;
- Pressure drops and heat losses through the pipelines were neglected.
3. Results and Discussion
3.1. Sensitivity Analysis
3.2. ORC Equipped Powertrain
4. Conclusions
Author Contributions
Funding
Data Availability Statement
Conflicts of Interest
References
- International Energy Agency. World Energy Outlook 2008 and World Energy Outlook 2022; International Energy Agency: Paris, France, 2022. [Google Scholar]
- Mehranfar, S.; Gharehghani, A.; Azizi, A.; Andwari, A.M.; Pesyridis, A.; Jouhara, H. Comparative assessment of innovative methods to improve solar chimney power plant efficiency. Sustain. Energy Technol. Assess. 2022, 49, 101807. [Google Scholar] [CrossRef]
- Corbett, J.J.; Koehler, H.W. Updated emissions from ocean shipping. J. Geophys. Res. Atmos. 2003, 108, 4650. [Google Scholar] [CrossRef]
- Moradi, J.; Gharehghani, A.; Mirsalim, M. Numerical investigation on the effect of oxygen in combustion characteristics and to extend low load operating range of a natural-gas HCCI engine. Appl. Energy 2020, 276, 115516. [Google Scholar] [CrossRef]
- Moradi, J.; Gharehghani, A.; Mirsalim, M. Numerical comparison of combustion characteristics and cost between hydrogen, oxygen and their combinations addition on natural gas fueled HCCI engine. Energy Convers. Manag. 2020, 222, 113254. [Google Scholar] [CrossRef]
- Gharehghani, A.; Mirsalim, S.M.; Jazayeri, S.A. Numerical and Experimental Investigation of Combustion and Knock in a Dual Fuel Gas/Diesel Compression Ignition Engine. J. Combust. 2012, 2012, 504590. [Google Scholar] [CrossRef]
- Gharehghani, A.; Kakoee, A.; Andwari, A.M.; Megaritis, T.; Pesyridis, A. Numerical Investigation of an RCCI Engine Fueled with Natural Gas/Dimethyl-Ether in Various Injection Strategies. Energies 2021, 14, 1638. [Google Scholar] [CrossRef]
- Yang, N.; Deng, X.; Liu, B.; Li, L.; Li, Y.; Li, P.; Tang, M.; Wu, L. Combustion Performance and Emission Characteristics of Marine Engine Burning with Different Biodiesel. Energies 2022, 15, 5177. [Google Scholar] [CrossRef]
- Andwari, A.M.; Pesyridis, A.; Esfahanian, V.; Said, M. Combustion and Emission Enhancement of a Spark Ignition Two-Stroke Cycle Engine Utilizing Internal and External Exhaust Gas Recirculation Approach at Low-Load Operation. Energies 2019, 12, 609. [Google Scholar] [CrossRef]
- Andwari, A.M.; Said, M.F.M.; Aziz, A.A.; Esfahanian, V.; Zadeh, A.S.; Idris, M.A.; Perang, M.R.M.; Jamil, H.M. Design, modeling and simulation of a high-pressure gasoline direct injection (GDI) pump for small engine applications. J. Mech. Eng. 2018, 1, 107–120. [Google Scholar]
- Hountalas, T.D.; Founti, M.; Zannis, T.C. Experimental Investigation to Assess the Performance Characteristics of a Marine Two-Stroke Dual Fuel Engine under Diesel and Natural Gas Mode. Energies 2023, 16, 3551. [Google Scholar] [CrossRef]
- Theotokatos; Livanos, G. Techno-economical analysis of single pressure exhaust gas waste heat recovery systems in marine propulsion plants. Proc. Inst. Mech. Eng. Part M J. Eng. Marit. Environ. 2012, 227, 83–97. [Google Scholar] [CrossRef]
- Di Battista, D.; Cipollone, R. Waste Energy Recovery and Valorization in Internal Combustion Engines for Transportation. Energies 2023, 16, 3503. [Google Scholar] [CrossRef]
- Mariani, A.; Morrone, B.; Laiso, D.; Prati, M.V.; Unich, A. Waste Heat Recovery in a Compression Ignition Engine for Marine Application Using a Rankine Cycle Operating with an Innovative Organic Working Fluid. Energies 2022, 15, 7912. [Google Scholar] [CrossRef]
- Sun, Y.; Sun, P.; Zhang, Z.; Zhang, S.; Zhao, J.; Mei, N. Performance Prediction for a Marine Diesel Engine Waste Heat Absorption Refrigeration System. Energies 2022, 15, 7070. [Google Scholar] [CrossRef]
- Sadeghi, S.; Mehranfar, S.; Ghandehariun, S. Analysis and optimization of a hybrid solar-ocean powered trigeneration system for Kish Island. In Proceedings of the 28th Annual International Conference of the Iranian Association of Mechanical Engineers, Tehran, Iran, 27 May 2020; Volume 27. [Google Scholar]
- Shu, G.; Liang, Y.; Wei, H.; Tian, H.; Zhao, J.; Liu, L. A review of waste heat recovery on two-stroke IC engine aboard ships. Renew. Sustain. Energy Rev. 2013, 19, 385–401. [Google Scholar] [CrossRef]
- Andwari, A.M.; Pesiridis, A.; Karvountzis-Kontakiotis, A.; Esfahanian, V. Hybrid Electric Vehicle Performance with Organic Rankine Cycle Waste Heat Recovery System. Appl. Sci. 2017, 7, 437. [Google Scholar] [CrossRef]
- Varshil, P.; Deshmukh, D. A comprehensive review of waste heat recovery from a diesel engine using organic rankine cycle. Energy Rep. 2021, 7, 3951–3970. [Google Scholar] [CrossRef]
- Song, J.; Song, Y.; Gu, C.W. Thermodynamic analysis and performance optimization of an Organic Rankine Cycle (ORC) waste heat recovery system for marine diesel engines. Energy 2015, 82, 976–985. [Google Scholar] [CrossRef]
- Reini, M.; Pinamonti, P. Different Options for ORC’s as Bottom for an Internal Combustion Engine for Ship propulsion. Energies 2015, 8, 4273–4299. [Google Scholar]
- Andwari, A.M.; Pesiridis, A.; Esfahanian, V.; Salavati-Zadeh, A.; Karvountzis-Kontakiotis, A.; Muralidharan, V. A Comparative Study of the Effect of Turbocompounding and ORC Waste Heat Recovery Systems on the Performance of a Turbocharged Heavy-Duty Diesel Engine. Energies 2017, 10, 1087. [Google Scholar] [CrossRef]
- Andwari, A.M.; Pesyridis, A.; Esfahanian, V.; Salavati-Zadeh, A.; Hajialimohammadi, A. Modelling and Evaluation of Waste Heat Recovery Systems in the Case of a Heavy-Duty Diesel Engine. Energies 2019, 12, 1397. [Google Scholar] [CrossRef]
- Yun, E.; Park, H.; Yoon, S.Y.; Kim, K.C. Dual parallel organic Rankine cycle (ORC) system for high efficiency waste heat recovery in marine application. J. Mech. Sci. Technol. 2015, 29, 2509–2515. [Google Scholar] [CrossRef]
- Opcon. Commissioning and testing of first reference installation of Opcon technology for ships. Erişim Tar. 2012, 15, 15. [Google Scholar]
- Bellolio, S.; Lemort, V.; Rigo, P.; Organic Rankine Cycles Systems for Waste Heat Recovery in Marine Applications. SCC 2015, International Conference on Shipping in Changing Climates, Nov. 2015. Available online: https://orbi.uliege.be/handle/2268/189044 (accessed on 29 November 2022).
- De La Fuente, S.S. Making shipping greener: ORC modelling under realistic operative conditions. In Proceedings of the Low Carbon Shipping Conference 2013; Smith, T., Ed.; Low Carbon Shipping & Shipping in Changing Climates: London, UK, 2013; Available online: http://www.lowcarbonshipping.co.uk/index.php?option=com_content&view=article&id=29&Itemid=164 (accessed on 29 November 2022).
- Nahim, H.M.; Younes, R.; Nohra, C.; Ouladsine, M. Complete modeling for systems of a marine diesel engine. J. Mar. Sci. Appl. 2015, 14, 93–104. [Google Scholar] [CrossRef]
- Alshammari, F.; Karvountzis-Kontakiotis, A.; Pesiridis, A. Radial Turbine Expander Design for Organic Rankine Cycle, Waste Heat Recovery in High Efficiency, Off-Highway Vehicles. In Proceedings of the 3rd Biennial International Conference on Powertrain Modelling and Control; 2016. Available online: http://bura.brunel.ac.uk/handle/2438/13953 (accessed on 29 November 2022).
- Wang, E.H.; Zhang, H.G.; Fan, B.Y.; Ouyang, M.G.; Zhao, Y.; Mu, Q.H. Study of working fluid selection of organic Rankine cycle (ORC) for engine waste heat recovery. Energy 2011, 36, 3406–3418. [Google Scholar] [CrossRef]
- Fiaschi, D.; Manfrida, G.; Maraschiello, F. Thermo-fluid dynamics preliminary design of turbo-expanders for ORC cycles. Appl. Energy 2012, 97, 601–608. [Google Scholar] [CrossRef]
- Rahbar, K.; Mahmoud, S.; Al-Dadah, R.K.; Moazami, N. Modelling and optimization of organic Rankine cycle based on a small-scale radial inflow turbine. Energy Convers. Manag. 2015, 91, 186–198. [Google Scholar] [CrossRef]












| Parameter | Range |
|---|---|
| No. of Cylinders | 6 |
| Bore | 150 mm |
| Stroke | 150 mm |
| Displacement | 15.9 dm3 |
| Compression ratio | 14 |
| Max Speed | 1800 RPM |
| Weight | 1870 kg |
| Annual working time | 5000 h |
| Parameter | Engine Simulation | |||
|---|---|---|---|---|
| Speed (RPM) | 1000 | 1300 | 1440 | 1800 |
| Power (kW) | 200.07 | 275.14 | 297.0 | 335 |
| Exhaust MFR (kg/s) | 0.369 | 0.579 | 0.627 | 0.649 |
| Exhaust Temp (K) | 674.83 | 627.56 | 641.17 | 711.93 |
| BSFC (g/kWh) | 219.96 | 228.38 | 237.5 | 264.2 |
| Torque (Nm) | 1910.60 | 2021.98 | 1969.54 | 1777.23 |
| Parameter | Formula |
|---|---|
| Specific heat capacity [J/kg-K] | |
| Dynamic Viscosity [Nsm−2] | |
| Thermal conductivity [Wm−1K−1] | |
| Density [kg m−3] |
| Parameter | Category | Molecular Weight (g/mol) | Pcr [Mpa] | Boiling Temp. [°C] | ODP | Atm. Life Time (yr) |
|---|---|---|---|---|---|---|
| R245fa | HFC (dry) | 134.05 | 3.64 | 14.8 | 0 | 7.2 |
| Parameter | Unit | Values |
|---|---|---|
| Mass flow rate of exhaust gas | kg/s | 0.649 |
| Temperature of exhaust gas | K | 711.93 |
| Mass flow rate | kg/s | 0.73 |
| Expander inlet pressure | Bar | 22.015 |
| Expander inlet temperature | K | 457.13 |
| Pressure ratio | - | 5.01 |
| Power output | kW | 20.194 |
| Pump absorbed power | kW | 2.017 |
| ORC net power output | kW | 18.177 |
| Parameter | Values/Range |
|---|---|
| Loading coefficient | 0.8–1.5 |
| Flow coefficient | 0.2–0.5 |
| Rotors exit hub to inlet radii ratio | 0.2–0.3 |
| Nozzle inlet to exit radii ratio | 1.2–1.3 |
| Volute swirl coefficient | 0.95 |
| Volute pressure loss coefficient | 0.1 |
| Flow blockage factor | 0.1 |
| Parameter | Off-Design Points | Design Point | ||
|---|---|---|---|---|
| Engine speed (RPM) | 1000 | 1300 | 1440 | 1800 |
| P (bar) | 15.84 | 17.72 | 19.56 | 22.01 |
| T (K) | 383.58 | 388.99 | 408.66 | 457.13 |
| Speed (RPM) | 40,000 | 40,000 | 40,000 | 40,000 |
| Qin (kW) | 84.81 | 97.39 | 114.28 | 142.09 |
| (kW) | 6.12 | 8.81 | 12.40 | 18.17 |
| (%) | 7.21 | 9.05 | 10.8 | 12.7 |
| (%) | 75.02 | 75.92 | 74.00 | 74.44 |
| (%) | 65 | 65 | 65 | 65 |
| Engine Power (kW) | BSFC of Engine (kg/kWh) | Fuel Flow Rate (kg/h) | Combined Power (kW) | BSFC Combined (kg/kWh) | BSFC Improvement (%) | Power Increase (%) |
|---|---|---|---|---|---|---|
| 200 | 0.21990931 | 44.02 | 206.26 | 0.213415 | 2.953195 | 3.05 |
| 275 | 0.22838332 | 62.86 | 284.07 | 0.221313 | 3.095638 | 3.20 |
| 305 | 0.24187815 | 73.81 | 317.59 | 0.232405 | 3.916386 | 4.07 |
| 335 | 0.26427624 | 88.62 | 353.51 | 0.250687 | 5.142083 | 5.42 |
Disclaimer/Publisher’s Note: The statements, opinions and data contained in all publications are solely those of the individual author(s) and contributor(s) and not of MDPI and/or the editor(s). MDPI and/or the editor(s) disclaim responsibility for any injury to people or property resulting from any ideas, methods, instructions or products referred to in the content. |
© 2023 by the authors. Licensee MDPI, Basel, Switzerland. This article is an open access article distributed under the terms and conditions of the Creative Commons Attribution (CC BY) license (https://creativecommons.org/licenses/by/4.0/).
Share and Cite
Pesyridis, A.; Asif, M.S.; Mehranfar, S.; Mahmoudzadeh Andwari, A.; Gharehghani, A.; Megaritis, T. Design of the Organic Rankine Cycle for High-Efficiency Diesel Engines in Marine Applications. Energies 2023, 16, 4374. https://doi.org/10.3390/en16114374
Pesyridis A, Asif MS, Mehranfar S, Mahmoudzadeh Andwari A, Gharehghani A, Megaritis T. Design of the Organic Rankine Cycle for High-Efficiency Diesel Engines in Marine Applications. Energies. 2023; 16(11):4374. https://doi.org/10.3390/en16114374
Chicago/Turabian StylePesyridis, Apostolos, Muhammad Suleman Asif, Sadegh Mehranfar, Amin Mahmoudzadeh Andwari, Ayat Gharehghani, and Thanos Megaritis. 2023. "Design of the Organic Rankine Cycle for High-Efficiency Diesel Engines in Marine Applications" Energies 16, no. 11: 4374. https://doi.org/10.3390/en16114374
APA StylePesyridis, A., Asif, M. S., Mehranfar, S., Mahmoudzadeh Andwari, A., Gharehghani, A., & Megaritis, T. (2023). Design of the Organic Rankine Cycle for High-Efficiency Diesel Engines in Marine Applications. Energies, 16(11), 4374. https://doi.org/10.3390/en16114374

