Performance Enhancement of Grid-Connected Renewable Energy Systems Using UPFC
Abstract
:1. Introduction
2. Literature Review
3. Proposed System
3.1. PV System
3.2. Wind System
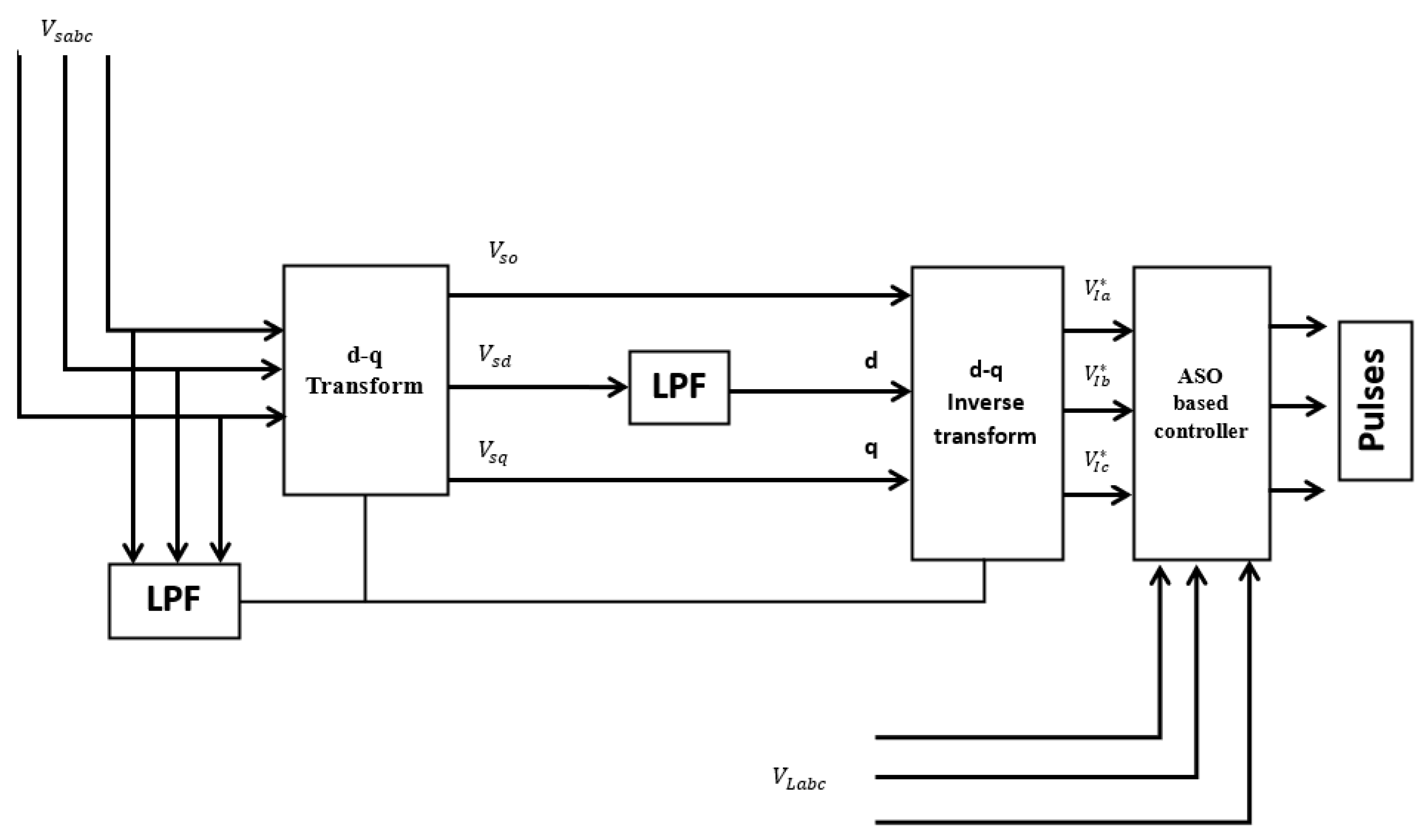
3.3. Unified Power Flow Controller
3.4. MPPT
4. The Stages of Adjusting the Performance of the UPFC
4.1. Control of Series Power Filter
4.2. Control of Shunt Power Filter
5. Proposed Control Strategy
5.1. ASO with the UPFC
5.2. FOPID Controller
6. Atom Search Algorithm
6.1. Initialization
6.2. Fitness Evaluation
6.3. Compute the Mass and C Neighbors’ Fitness
6.4. Interaction Force and Acceleration Computation
6.5. The Updating Process
7. Simulation Results and Discussions
Assessment of the Used ASO–FOPI Controller
- Test case 1: Sag condition
- Test case 2: Swell condition
- Test case 3: disturbance condition
8. Conclusions
Author Contributions
Funding
Data Availability Statement
Conflicts of Interest
Abbreviations
| ASO | Atom Search Optimization |
| DFIG | Double-Fed induction generator |
| FACTS | Flexiable AC transmission systems |
| FOPID | Fractional Order Proportional–Integral–Derivative |
| HRES | Hybrid renewable energy system |
| GA | Genetic Algorithm |
| GSC | Grdi-side converter |
| LPF | Low-pass filter |
| MPPT | Maximum power point tracking |
| PI | Proportional–Integral |
| PLL | Phase-locked loop |
| POC | Point of connection |
| PQ | Power Quality |
| PV | Photovoltaic cells |
| SSSC | Static Synchronous Series Compensator |
| RSC | Rotor-side converter |
| STATCOM | Static Synchronous Compensator |
| SVC | Static VAr compensator |
| TCSC | thyristor controller series capacitor |
| THD | Total harmonic distortion |
| UPFC | Unified Power Flow Controller |
| WOA | Whale Optimization Algorithm |
| WT | Wind turbine |
References
- Anwar, A.; Siddique, M.; Dogan, E.; Sharif, A. The moderating role of renewable and non-renewable energy in environment-income nexus for ASEAN countries: Evidence from Method of Moments Quantile Regression. Renew. Energy 2021, 164, 956–967. [Google Scholar]
- Sarkar, A. Nuclear power and uranium mining: Current global perspectives and emerging public health risks. J. Public Health Policy 2019, 40, 383–392. [Google Scholar] [CrossRef]
- Razmjoo, A.; Kaigutha, L.G.; Rad, M.V.; Marzband, M.; Davarpanah, A.; Denai, M. A Technical analysis investigating energy sustainability utilizing reliable renewable energy sources to reduce CO2 emissions in a high potential area. Renew. Energy 2021, 164, 46–57. [Google Scholar] [CrossRef]
- Aponte-Roa, D.A.; Cabarcas, G.D.G.; Weaver, W.W. AC vs DC power efficiency comparison of a hybrid wind/solar microgrid. In Proceedings of the 2020 IEEE Conference on Technologies for Sustainability (SusTech), Santa Ana, CA, USA, 23–25 April 2020; pp. 1–5. [Google Scholar]
- Ma, T.; Javed, M.S. Integrated sizing of hybrid PV-wind-battery system for remote island considering the saturation of each renewable energy resource. Energy Convers. Manag. 2019, 182, 178–190. [Google Scholar] [CrossRef]
- Ahmed, S.D.; Al-Ismail, F.S.; Shafiullah, M.; Al-Sulaiman, F.A.; El-Amin, I.M. Grid integration challenges of wind energy: A review. IEEE Access 2020, 8, 10857–10878. [Google Scholar] [CrossRef]
- Soto, E.A.; Bosman, L.B. Grid disturbances caused by massive integration of solar systems at utility level. In Proceedings of the IEEE 2021 International Conference on Electrical, Computer and Energy Technologies (ICECET), Cape Town, South Africa, 9–10 December 2021; pp. 1–6. [Google Scholar]
- Hassanein, W.S.; Ahmed, M.M.; abed el-Raouf, M.O.; Ashmawy, M.G.; Mosaad, M.I. Performance improvement of off-grid hybrid renewable energy system using dynamic voltage restorer. Alex. Eng. J. 2020, 59, 1567–1581. [Google Scholar] [CrossRef]
- Gandoman, F.H.; Ahmadi, A.; Sharaf, A.M.; Siano, P.; Pou, J.; Hredzak, B.; Agelidis, V.G. Review of FACTS technologies and applications for power quality in smart grids with renewable energy systems. Renew. Sustain. Energy Rev. 2018, 82, 502–514. [Google Scholar]
- Nayak, P.C.; Prusty, R.C.; Panda, S. Grasshopper optimization algorithm optimized multistage controller for automatic generation control of a power system with FACTS devices. Prot. Control Mod. Power Syst. 2021, 6, 1–15. [Google Scholar]
- Parastvand, H.; Bass, O.; Masoum, M.A.; Chapman, A.; Lachowicz, S. Cyber-security constrained placement of FACTS devices in power networks from a novel topological perspective. IEEE Access 2020, 8, 108201–108215. [Google Scholar] [CrossRef]
- Muhammad, Y.; Khan, R.; Raja, M.A.Z.; Ullah, F.; Chaudhary, N.I.; He, Y. Solution of optimal reactive power dispatch with FACTS devices: A survey. Energy Rep. 2020, 6, 2211–2229. [Google Scholar]
- Basit, M.A.; Dilshad, S.; Badar, R.; Sami ur Rehman, S.M. Limitations, challenges, and solution approaches in grid-connected renewable energy systems. Int. J. Energy Res. 2020, 44, 4132–4162. [Google Scholar] [CrossRef]
- Pal, R.; Gupta, S. Topologies and control strategies implicated in dynamic voltage restorer (DVR) for power quality improvement. Iran. J. Sci. Technol. Trans. Electr. Eng. 2020, 44, 581–603. [Google Scholar] [CrossRef]
- Hussaian Basha, C.H.; Rani, C. Performance analysis of MPPT techniques for dynamic irradiation condition of solar PV. Int. J. Fuzzy Syst. 2020, 22, 2577–2598. [Google Scholar] [CrossRef]
- Jamil, E.; Hameed, S.; Jamil, B. Power quality improvement of distribution system with photovoltaic and permanent magnet synchronous generator based renewable energy farm using static synchronous compensator. Sustain. Energy Technol. Assess. 2019, 35, 98–116. [Google Scholar] [CrossRef]
- Mosaad, M.I.; Ramadan, H.S.M.; Aljohani, M.; El-Naggar, M.F.; Ghoneim, S.S. Near-Optimal PI Controllers of STATCOM for Efficient Hybrid Renewable Power System. IEEE Access 2021, 9, 34119–34130. [Google Scholar] [CrossRef]
- Mosaad, M.I.; Sabiha, N.A. Ferroresonance Overvoltage Mitigation Using STATCOM for Grid-connected Wind Energy Conversion Systems. J. Mod. Power Syst. Clean Energy 2022, 10, 407–415. [Google Scholar] [CrossRef]
- Yunus, A.S.; Abu-Siada, A.; Mosaad, M.I.; Albalawi, H.; Aljohani, M.; Jin, J.X. Application of SMES Technology in Improving the Performance of a DFIG-WECS Connected to a Weak Grid. IEEE Access 2021, 9, 124541–124548. [Google Scholar] [CrossRef]
- Mosaad, M.I.; Abu-Siada, A.; Ismaiel, M.M.; Albalawi, H.; Fahmy, A. Enhancing the Fault Ride-through Capability of a DFIG-WECS Using a High-Temperature Superconducting Coil. Energies 2021, 14, 6319. [Google Scholar] [CrossRef]
- Osama abed elraouf, M.; Aljohani, M.; Mosaad, M.I.; AbdulFattah, T.A. Mitigating Misfire and Fire-through Faults in Hybrid Renewable Energy Systems Utilizing Dynamic Voltage Restorer. Energies 2022, 15, 5769. [Google Scholar] [CrossRef]
- Sahu, P.R.; Hota, P.K.; Panda, S. Modified whale optimization algorithm for fractional-order multi-input SSSC-based controller design. Optim. Control. Appl. J. 2018, 39, 1802–1817. [Google Scholar] [CrossRef]
- Goud, B.S.; Rao, B.L. Power quality improvement in hybrid renewable energy source grid-connected system with grey wolf optimization. Int. J. Renew. Energy Res. (IJRER) 2020, 10, 1264–1276. [Google Scholar]
- Naidu, R.P.K.; Meikandasivam, S. Power quality enhancement in a grid-connected hybrid system with coordinated PQ theory & fractional order PID controller in DPFC. Sustain. Energy Grids Netw. 2020, 21, 100317. [Google Scholar]
- Reddy, C.; Goud, B.S.; Aymen, F.; Rao, G.S.; Bortoni, E.C. Power Quality Improvement in HRES Grid Connected System with FOPID Based Atom Search Optimization Technique. Energies 2021, 14, 5812. [Google Scholar] [CrossRef]
- Bhargava, A.; Verma, S. Power quality enhancement using unified power flow controller in grid connected hybrid PV/Wind system. In Proceedings of the 2019 International Conference on Communication and Electronics Systems (ICCES), Coimbatore, India, 17–19 July 2019; pp. 2064–2069. [Google Scholar]
- Goud, B.S.; Reddy, C.R.; Bajaj, M.; Elattar, E.E.; Kamel, S. Power Quality Improvement Using Distributed Power Flow Controller with BWO-Based FOPID Controller. Sustainability 2021, 13, 11194. [Google Scholar] [CrossRef]
- Lin, F.; Zhang, Y.; Wang, J. Recent advances in intra-hour solar forecasting: A review of ground-based sky image methods. Int. J. Forecast. 2023, 39, 244–265. [Google Scholar] [CrossRef]
- Mosaad, M.I.; Sabiha, N.A.; Abu-Siada, A.; Taha, I.B.M. Application of Superconductors to Suppress Ferroresonance Overvoltage in DFIG-WECS. IEEE Trans. Energy Convers. 2022, 37, 766–777. [Google Scholar] [CrossRef]
- Abed el-Raouf, M.O.; Mosaad, M.I.; Al-Ahmar, M.A.; El Bendary, F.M. Techno-Economic Analysis of Hybrid Renewable Energy Power Network for New Community in Egypt, Case Study New El-Farafra Oasis. Int. J. Eng. Res. Adv. Technol. 2018, 4, 40–55. [Google Scholar] [CrossRef]
- El-Naggar, M.F.; Mosaad, M.I.; Hasanien, H.M.; AbdulFattah, T.A.; Bendary, A.F. Elephant herding algorithm-based optimal PI controller for LVRT enhancement of wind energy conversion systems. Ain Shams Eng. J. 2021, 12, 599–608. [Google Scholar] [CrossRef]
- Yang, L.; Sun, Q.; Zhang, N.; Li, Y. Indirect Multi-Energy Transactions of Energy Internet with Deep Reinforcement Learning Approach. IEEE Trans. Power Syst. 2022, 37, 4067–4077. [Google Scholar] [CrossRef]
- Yousry, I.; Ahmed, R.; Salah, K.; Mohamed, I.M. Performance of PMSG-Wind Power Plant During Three Phase Faults with ANN Based Control of STATCOM. In Proceedings of the 2021 IEEE International Conference on Automation/XXIV Congress of the Chilean Association of Automatic Control (ICA-ACCA), Santiago, Chile, 22–26 March 2021. [Google Scholar]
- Molla, E.M.; Kuo, C.C. Voltage sag enhancement of grid connected hybrid PV-wind power system using battery and SMES based dynamic voltage restorer. IEEE Access 2020, 8, 130003–130013. [Google Scholar] [CrossRef]
- Gu Kang, Y.; Reigosa, D.D. Dq-transformed error and current sensing error effects on self-sensing control. IEEE J. Emerg. Sel. Top. Power Electron. 2021, 10, 1935–1945. [Google Scholar] [CrossRef]
- Loukriz, A.; Haddadi, M.; Messalti, S. Simulation and experimental design of a new advanced variable step size Incremental Conductance MPPT algorithm for PV systems. ISA Trans. 2016, 62, 30–38. [Google Scholar] [CrossRef]
- Jegatheesh, A.; Kumar, C.A. Novel fuzzy fractional order PID controller for non linear interacting coupled spherical tank system for level process. Microprocess. Microsyst. 2020, 72, 102948. [Google Scholar] [CrossRef]
- Goud, B.S.; Rao, B.L. Power quality enhancement in grid-connected PV/wind/battery using UPQC: Atom search optimization. J. Electr. Eng. Technol. 2021, 16, 821–835. [Google Scholar] [CrossRef]
- Kumar, R.; Sinha, N. Demand Side Power Management and Voltage Stability of an Autonomous Microgrid Using Atom Search Optimization. In Proceedings of the 2021 4th Biennial International Conference on Nascent Technologies in Engineering (ICNTE), Mumbai, India, 15–16 January 2021; pp. 1–6. [Google Scholar]
- Haider, W.; Hassan, S.; Mehdi, A.; Hussain, A.; Adjayeng, G.O.M.; Kim, C.H. Voltage Profile Enhancement and Loss Minimization Using Optimal Placement and Sizing of Distributed Generation in Reconfigured Network. Machines 2020, 9, 20. [Google Scholar] [CrossRef]
- Goud, B.S.; Rao, B.L. An intelligent technique for optimal power quality enhancement (OPQE) in a HRES grid connected system: ESA technique. Int. J. Renew. Energy Res. 2020, 10, 317–328. [Google Scholar]
- Zhao, W.; Wang, L.; Zhang, Z. Atom search optimization and its application to solve a hydrogeologic parameter estimation problem. Knowl.-Based Syst. 2019, 163, 283–304. [Google Scholar] [CrossRef]
- Wang, Z.; Han, Z.; Zhao, J.; Wang, W.; Liu, Y. A Multicriteria Evaluation and Cascaded Optimization Framework for Integrated Energy System of Steel Industry. IEEE Trans. Ind. Electron. 2023, 70, 5296–5306. [Google Scholar] [CrossRef]
- Mosaad, M.I.; Alenany, A.; Abu-Siada, A. Enhancing the performance of wind energy conversion systems using unified power flow controller. IET Gener. Transm. Distrib. 2020, 14, 1922–1929. [Google Scholar] [CrossRef]






















| Objective Function | Parameter Value |
|---|---|
| No. of iterations | 50 |
| No. of variables | 5 |
| Population size | 50 |
| 0.82 | |
| 1 | |
| 29.7500 | |
| 49.426 | |
| 0.3953 |
| 49.426 | 29.75 | 0.3953 | 1 | 0.82 |
Disclaimer/Publisher’s Note: The statements, opinions and data contained in all publications are solely those of the individual author(s) and contributor(s) and not of MDPI and/or the editor(s). MDPI and/or the editor(s) disclaim responsibility for any injury to people or property resulting from any ideas, methods, instructions or products referred to in the content. |
© 2023 by the authors. Licensee MDPI, Basel, Switzerland. This article is an open access article distributed under the terms and conditions of the Creative Commons Attribution (CC BY) license (https://creativecommons.org/licenses/by/4.0/).
Share and Cite
Osama abed el-Raouf, M.; A. Mageed, S.A.; Salama, M.M.; Mosaad, M.I.; AbdelHadi, H.A. Performance Enhancement of Grid-Connected Renewable Energy Systems Using UPFC. Energies 2023, 16, 4362. https://doi.org/10.3390/en16114362
Osama abed el-Raouf M, A. Mageed SA, Salama MM, Mosaad MI, AbdelHadi HA. Performance Enhancement of Grid-Connected Renewable Energy Systems Using UPFC. Energies. 2023; 16(11):4362. https://doi.org/10.3390/en16114362
Chicago/Turabian StyleOsama abed el-Raouf, M., Soad A. A. Mageed, M. M. Salama, Mohamed I. Mosaad, and H. A. AbdelHadi. 2023. "Performance Enhancement of Grid-Connected Renewable Energy Systems Using UPFC" Energies 16, no. 11: 4362. https://doi.org/10.3390/en16114362
APA StyleOsama abed el-Raouf, M., A. Mageed, S. A., Salama, M. M., Mosaad, M. I., & AbdelHadi, H. A. (2023). Performance Enhancement of Grid-Connected Renewable Energy Systems Using UPFC. Energies, 16(11), 4362. https://doi.org/10.3390/en16114362

