Abstract
Sustainability of energy supply has become a prime concern for energy producers and consumers alike. There is heightened awareness in the global community about the decreasing supply of conventional fossil fuels along with increasing fuel and energy demand and the consequent rise in unit energy cost. In addition to the sustainability aspect, the environmental impact of emissions from fossil fuel combustion is the focus of global targets for emissions reduction. In this context, the research and application of sustainable and non-polluting fuels become significant. Internal combustion (IC) engines are part of a significant energy-consuming sector, and the application of sustainable and non-polluting fuels within IC engines would be impactful. Biogas and hydrogen are viewed as sustainable and non-polluting alternatives to conventional fossil fuels. However, either of these used individually offer certain disadvantages. Experimental results and analysis of the performance and emissions characteristics of an IC engine fueled with biogas blended with 5, 10, and 15% hydrogen volume fractions are studied. An increase in hydrogen content increases the engine’s performance and power and reduces carbon monoxide (CO) and total hydrocarbons (THCs). However, nitrogen oxides (NOx) are found to increase due to higher combustion temperatures attributed to hydrogen. A 17.5% increase in brake power is observed for 15% hydrogen-enriched biogas, compared to plain biogas, at an equivalence ratio of 0.6. Similarly, a 17% increase in BTE, a 50% decrease in CO, a 68% decrease in UHC, but a 71% increase in NOx are observed for 15% hydrogen-enriched biogas.
1. Introduction
Internal combustion (IC) engines powered with fossil fuels are still the main driving force for automotive traction and power generation applications in spite of many drawbacks associated with their prolonged usage [1]. The conventional engines consume huge amounts of petroleum-based fossil fuels, such as gasoline and diesel. The tailpipe emissions from the engines include oxides of nitrogen (NOx), particulates, unburnt hydrocarbons (UHCs), carbon monoxide, carbon dioxide, and oxygen. Furthermore, the depleting reserves of crude oil associated with their high cost of operation in the engines and emission issues have necessitated the search for clean-burning renewable and alternative gaseous and liquid pilot fuels [2,3]. Automobile makers in general and the engine community, in particular, all around the world aim to develop engines with cleaner combustion, optimized performance with lower emissions by using renewable fuels in the IC engine [4]. Alternative engines/technologies would not be replacing the IC engine in the near future. Battery-powered vehicles are not yet commercially feasible and would need substantial advances in battery/energy storage technologies [1]. Therefore, the IC engine would be the most prominent energy conversion device in the foreseeable future.
As a consequence of this, alternative fuels research for IC engines is a hot topic. Fuels derived from biomass are sustainable and offer enhanced or equivalent properties compared to contemporary fuels [5]. Various investigations with alternate fuels in IC engines have studied the combustion and emission characteristics. A wide range of alternative fuels, such as alcohols [6,7], dimethyl ether (DME) [8], hydrogen [9,10], biogas [11], and biofuels [12,13], in IC engines have been researched. In addition to the application of alternative fuels, nanoparticles have been known to modify fuel properties [14]. The effect of nanoparticles in combination with biodiesels in IC engines is the subject of contemporary studies [15,16,17,18]. However, only a few among such fuels have been commercially viable, such as compressed natural gas and hydrogen-blended compressed natural gas [19,20,21]. Natural gas (NG) in IC engines causes combustion instability, with larger cycle-to-cycle variations leading to an increase in HC emissions [22]. The addition of hydrogen has the opposite effect as hydrogen has a shorter burn duration and, therefore, accounts for lower cyclic variations [23]. IC engines powered with hydrogen enrichment in NG show improved engine performance with reduced emissions of unburnt hydrocarbons (UBHCs) and smoke with higher NOx. Higher flame speed, wider flammability limits, and lower minimum ignition energy (MIE) of hydrogen make it an attractive fuel to be blended in small proportions to conventional gaseous fuels, such as liquified petroleum gas (LPG), NG, biogas, and producer gas, to amplify the lean-burning capabilities [24].
The use of renewable gaseous fuels such as biogas, syngas, and producer gas in place of fossil-derived gases such as NG, LPG, and LNG can effectively address the ill effects of ICE as mentioned earlier, besides addressing the foreign-exchange burden on oil imports, and provides the energy sustainability as well. Biogas is easily produced from organic sources and is a widely recognized sustainable fuel.
Anerobic digestion (AD) which has been in use for a long period in the production of biogas, waste management, and energy production could be an alternative, but it has low energy quality and a slow-burning velocity [25]. Engines that are solely powered by biogas have reduced power output and combustion instabilities due to the presence of CO2 in the biogas, which is a non-burning component. Hydrogen blended with biogas is known to improve engine combustion stability [26,27], along with better performance and reduced hydrocarbons [25,28]. Experiments on SI engines with H2 and biogas improve lean operation limit [29,30,31,32], improve brake thermal efficiency [25,33,34,35,36], limit the combustion time [30,33], and decrease THC and CO [35,36,37,38,39,40]. An experimental and numerical study was conducted on an SI gas engine by fueling biogas with 25–30% CO2 [29]. Higher CO2 fraction resulted in lower brake power. The opposite trend was observed with increasing hydrogen–methane ratio, particularly at very lean mixtures (equivalence ratio, Φ < 0.7). It is also significant that for certain CO2 fractions, an increase in the hydrogen–methane ratio resulted in better thermal efficiency along with lower THC and CO. However, minor increments in NOx were noted at excess air ratio, λ > 1.4. Relevant and updated literature relating to biogas–H2 studies are mentioned in the following paragraphs.
Biogas- and H2-powered SI engines for electric generation purposes are found to operate at reasonably good engine efficiencies around 29% [41]. For constant brake power and RPM and with a 15% hydrogen fraction, maximum peak efficiency, in-cylinder pressure, and also high NOx emissions were recorded, particularly for lean to very lean conditions (λ = 1.2 to 2). The addition of hydrogen to biogas can decrease the cyclic variations of the engine, measured in terms of the coefficient of variation of indicated mean effective pressure (COVIMEP) [26]. High hydrogen fraction enables quicker heat release due to quick flame front development in the regime, where 0 to 0.5% of the air–fuel mass fraction is burnt. In this regime, the flame front development is limited by the chemical kinetics and not the turbulence intensity or bulk speed. Furthermore, the COVIMEP is shown to reduce by means of increasing the ignition advance, so that peak pressure is obtained closer to the top dead center. Thus, the addition of H2 enables more stable engine operation. Since biogas has a high cetane number (CN) that reduces the engine knocking for diesel engines, with a high fraction of biogas, non-conventional fuels can be used to power diesel engines with minimum modifications [42]. However, knocking is unacceptably large for wide-open throttle, compared to partially open throttle. Biogas–natural gas fuels showed better performance compared to propane–H2 fuels. An acceptable knock range of 0.3–0.5 bar and COVIMEP of 0.04 were adopted. Furthermore, the advantage of using biogas is that due to its lower laminar flame speed, there is lower turbulence intensity, and lower knocking, which is opposite to that with propane–hydrogen mixtures. In order to limit the engine knock with propane–hydrogen mixtures, the power output is reduced, which is not the case with biogas–natural gas fuels [43]. Spark ignition engines operated with biogas- and hydrogen-blended fuels can have good efficiencies when they are operated at wide-open throttle. Lean fuel–air mixture at wide-open throttle (WOT) is stabilized by hydrogen addition. SI engines are shown to run with efficiencies comparable to diesel engines under these conditions and have been shown to be operational for the purpose of public transportation [44,45]. Biogas as a fuel component can be easily extracted from local sources and provides a local and sustainable energy solution by fueling SI engines powered by biogas–hydrogen–methane blends. Lower CO and NOx emissions, in particular, are observed for lean mixtures [46]. For the effect of fuel type on ignition advance, it is shown that for a hydrogen–biogas mixture, higher hydrogen content results in a slightly lower ignition advance for attaining maximum IMEP [47,48].
Gasoline combined with biogas results in lower brake thermal efficiency, higher specific fuel consumption, and higher cyclic variations due to the difficulty in controlling the fuel mixture composition, and the lower laminar flame speed attributed to biogas, resulting in delayed combustion. Furthermore, lower NOx and CO emissions, but higher UHC and CO2 are recorded. Moreover, a compression ratio of 12 at 1400 RPM showed the best engine performance in terms of engine power and efficiency [49,50]. For the case of methane–hydrogen mixture powered stationary SI engines, a higher H2 percentage causes a reduction in COVIMEP and an increase in peak in-cylinder pressure. The best engine performance is achieved at 20% hydrogen fraction, whereas higher hydrogen fractions cause larger thermal losses and lower thermal efficiencies [51]. The percentage of methane in the biogas is variable depending on the source and method of production. This causes variations in engine performance. Higher methane fraction in biogas results in a leaner mixture for optimum engine operating conditions. However, 20% hydrogen in the mixture resulted in the best operating condition at a stoichiometric fuel–air ratio. It was shown that hydrogen and methane both served to lower the optimum ignition advance; however, hydrogen was slightly better in this respect [52]. SI engines are susceptible to pumping losses at part load which can be reduced at wide-open throttle operation, along with lean fuel–air mixture. However, lean operating conditions are unstable, which can be addressed by the addition of hydrogen to the fuel. CNG–H2 mixtures were evaluated for SI engines at lean conditions and WOT. Good thermal efficiencies, lower emissions, due to lean mixtures, and stable operation due to hydrogen were found [53,54]. In general, for methane-rich fuels, the operating range extends from stoichiometric (φ = 1) to lean (φ = 0.5). These mixtures provided the highest brake torque and mean effective pressures (MEPs). Hydrogen-rich mixtures with other gases are employed only in the lean operating regime (0.66 > φ > 0.5) [55].
Alrazen and Ahmad [50] reviewed hydrogen–CNG (HCNG) mixture fueled SI engines with a focus on engine performance, combustion, and emissions. It is known that CNG engines have lower efficiency and higher emissions, along with limited lean regime operation and reduced combustion and flammability limits. These can be addressed by small amounts of hydrogen addition. The authors highlighted the fact that combustion in HCNG-fueled engines is influenced strongly by the equivalence ratio, injection timing, CR, and engine RPM. Such reviews are, however, scarce for biogas- and hydrogen-fueled SI engines. This provides further motivation and scope of research for biogas- and hydrogen-fueled SI engines.
Keeping in view the limited literature available for SI engines powered by biogas, it is imperative that the use of biogas within conventional SI engines should be investigated. Since biogas contains CO2, its performance as compared to pure methane, NG, or CNG is diminished in terms of thermal efficiency. In addition, the lean operation limit of CO2 would be not so good due to the slow-burning characteristics of biogas as compared to CNG. CNG-fueled engines have been studied in the literature but the problem with using CNG alone is that lean-burning conditions with pure CNG are not satisfactory. Therefore, some investigators have used CNG with hydrogen in their studies. Moreover, CNG cannot be manufactured locally, as compared to biogas, which can be produced using local biomass and simple equipment. The investigation by Zhang et al. [29] used a two-phase anerobic digestion process so that the hydrogen concentration can be enhanced in the biogas. However, the process does not control the biogas–hydrogen content to a fine degree.
Another aspect that should be considered for engine performance with the use of alternative fuels is the effect of ignition timing on engine performance and emission parameters. The use of constant ignition timing is important for on-road engines since otherwise, they need to have expensive modifications with variable ignition timings. Moreover, the effect of variable ignition timing has been studied in the context of CNG- and hydrogen-blended fuels, and the effect of variable ignition timing was found to be insignificant [56]. From the literature survey, it follows that limited work on the hydrogen-enriched bigas for SI engine application has been investigated. Therefore, the addition of hydrogen from an external source is considered in the present investigation. The article deals with three different biogas–hydrogen compositions in a port-fuel-injected SI engine with constant ignition timing. The objective of the work deals with the effect of three different biogas–hydrogen compositions on the performance and emission characteristics of a port-fuel-injected SI engine with constant ignition timing.
2. Materials and Methods
The methodology consists of the experimental setup, instrumentation details (Section 2.1), and error analysis (Section 2.2).
2.1. Experimental Details
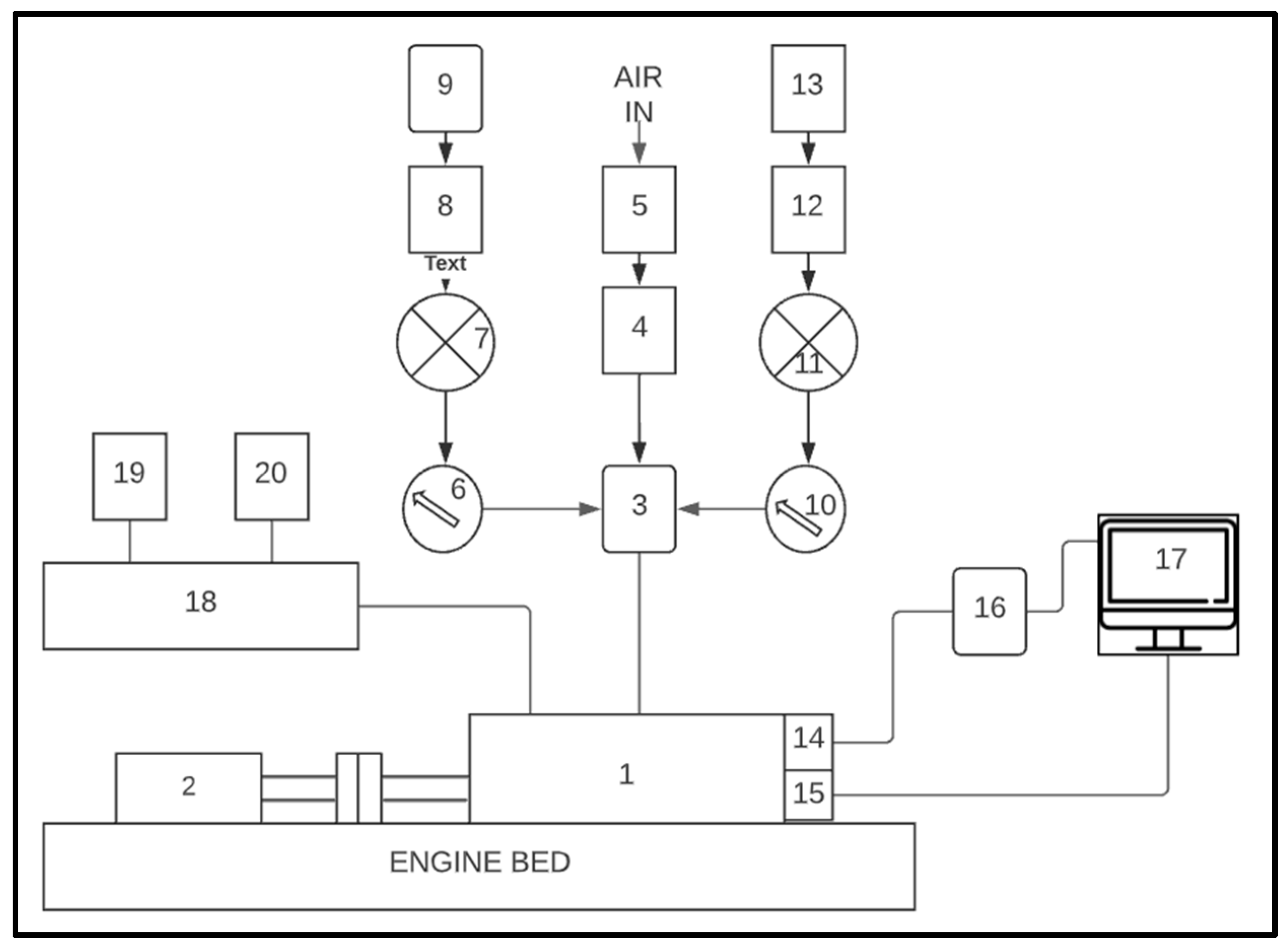
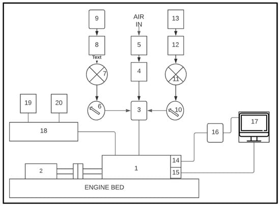
Biogas used in the study was a model biogas mixture consisting of 65% Methane 260 and 35% CO2. Hydrogen was added in 5, 10, and 15% volume fractions as shown in Table 1. The engine used for the experiment is a 4-stroke, naturally aspirated, unmodified engine. The details of the engine are given in Table 2. The schematic of the experimental setup is shown in Figure 1. The engine (1) is connected to an electrical dynamometer (2) which measures the brake power. Air is supplied to the engine through a flow meter (5) and air drum (4). The carburetor (3) has inlets from hydrogen tank (13) and biogas tank (9). (6) and (10) are the biogas and hydrogen flow meters, respectively. The gas analyzers (19, 20) sample and measure the exhaust (18).
Table 1.
Fuel blends of biogas and hydrogen.
Table 2.
Engine details.
Figure 1.
A schematic of the experimental setup.
The flow rates of the gases were controlled by using three critical flow meters. The load was measured by an electrical dynamometer. The exhaust was measured using a flame ionization detector for THC, non-dispersive infrared for CO, chemiluminescence for NOx, and paramagnetic principle for O2. The emission analyzer details are given in Table 3.
Table 3.
Instrument range and accuracy.
2.2. Error Analysis
Uncertainty in measurement can arise from various sources. Therefore, an analysis for uncertainty evaluation is carried out to understand whether the experiments are repeatable. The root mean square method is employed for the purpose [40] as follows:
Accuracy of individual equipment as per manufacturer specifications is considered in this regard. In the above equation, eR refers to uncertainty in result R, where R is a function of xi (i = 1, 2, …, n). xi are individual measured variables. The value of dependent variables uncertainty is ±1.8% for brake power. The emissions uncertainties are obtained from the analyzer specifications as shown in Table 3.
2.3. Experimental Procedure
The section describes the experimental procedure in more detail. Various biogas compositions as described in Table 1 were procured from a local contractor. The biogases with different compositions were stored in separate tanks. Each tank was replaced at station 9 (Figure 1) when required. Hydrogen gas emanating from the hydrogen tank was passed through a flow control valve. The gases were mixed and supplied to the engine. The ignition timing of the engine is kept fixed at 15 deg. before top dead center (BTDC). Initially, the engine is run for five to ten minutes to stabilize the operation of the engine. The peak pressure, engine RPM, and engine power values could be obtained by digital signal at the LabView Data acquisition (DAQ) system. The brake power could be calculated from the parameters obtained at the LabView program, and the calculation for the brake power could be displayed on a separate window by making another subprogram module within the Data acquisition program. The results from the Data acquisition program can be stored in various formats, including “.csv” formats which are useful for importing in MATLAB software for further processing and display of the results. Flow rates for the various gas components, such as biogas, hydrogen, and air, could be measured digitally by the coriolis flow meters and provided at the DAQ interface. The flow meters could be controlled digitally via the DAQ interface. In order to set a particular power condition, the particular gas composition was maintained by simultaneously increasing or decreasing the flow rates for all the gases at the same time. Meanwhile, the load also had to be increased or decreased in order to maintain a constant RPM. Moreover, for some conditions, the equivalence ratio was also needed to be maintained constant. This operation which involved varying several parameters, while maintaining some parameters as constant, was a tedious and slow process and was the main difficulty of the experiments. Various measurements acquired by the DAQ were then stored in suitable formats and then processed for the results.
3. Results and Discussion
As mentioned in the methodology, the experiments were performed with 5% hydrogen and biogas (5H + BG), 10% hydrogen and biogas (10H + BG), and 15% hydrogen and biogas (15H + BG). The composition of biogas is 65% CH4 and 35% CO2. The experiments were performed for maximum brake torque (MBT) ignition timing, and emissions and performance parameters were measured for varying loads. Figure 2 indicates the brake power (BP) in kW measured against equivalence ratios (ϕ) ranging from 0.62 to 1.18. It is seen that the BP decreases for lower ϕ (lean mixture) while it increases for rich mixture till ϕ = 0.84.
Figure 2.
Equivalence ratio (ϕ) versus brake power.
For rich mixtures, the brake power is constant for the three biogas blends, whereas for the leaner mixtures, the impact of hydrogen addition to the mixtures is distinct. With the addition of hydrogen, it is seen that the BP increases up to ϕ = 0.84 beyond which decreases. Therefore, the addition of hydrogen is beneficial for leaner conditions or high excess air ratios.
Figure 3 shows the brake thermal efficiency (BTE) variation with the indicated power. BTE increases with BP till 0.7 kW beyond which it showed decreasing trends. The BTE is not much affected at a high power condition, whereas it drops quickly at lower power. However, the higher hydrogen percent blends develop higher thermal efficiency compared to the lower hydrogen percentages. At low power, it may be noted from Figure 3 that the mixture is also lean; therefore, the quick burning characteristic of hydrogen is more beneficial for lean mixtures. At higher power, higher hydrogen percentage results in slightly lower efficiency. This may be due to the higher heat loss for the case of more hydrogen fraction offsetting the advantage of higher cylinder temperature due to larger hydrogen volume fraction. A lower percentage (5%) of hydrogen addition showed higher BTE beyond 0.7 kW throughout the engine BP operation followed by 10 and 15% enrichment. BTE of the engine with biogas (BG) operation showed the lowest compared to that with 5–15% hydrogen enrichment. The higher calorific value of hydrogen compared to biogas (nearly 2.4 times) and its subsequent addition have shown higher BTE trends. Similar trends were reported in the literature [9].
Figure 3.
Brake thermal efficiency versus brake power.
Figure 4 shows brake-specific NOx variation with engine power. NOx increases with BP till 0.8 kW beyond which it showed decreasing trends. The main reasons for the formation of NOx emissions are mainly due to higher in-cylinder temperature, oxygen availability, as well as residual time. It is seen that the NOx increases with increasing hydrogen percentage and this is attributed to the higher cylinder temperatures due to higher hydrogen percentage [9,10]. The 15% hydrogen-enriched biogas showed higher brake-specific NOx emissions followed by 10 and 5%, respectively. Biogas with no hydrogen enrichment showed lower NOx emissions compared to that with hydrogen enrichment. Moreover, it is seen that at lower power/lean mixtures, NOx production decreases significantly; therefore, engine operation at a low equivalence ratio or excess air ratio is desirable in view of reducing NOx pollutants.
Figure 4.
Brake-specific NOx variation with engine power.
Figure 5 indicates brake-specific unburnt hydrocarbon (UHC) production with engine power. UHC refers to incomplete combustion occurring inside the engine cylinder. From the figure, it is clear that UHC decreases with an increase in BP for all the fuel combinations used. Biogas with no hydrogen enrichment showed higher UHC emissions compared to that with hydrogen enrichment [9]. UHC formation decreases significantly at lower brake power when hydrogen volume fraction increases from 5 to 15% in the mixture. Hydrogen assists in more complete combustion and therefore UHC decreases with hydrogen fraction for low power/lean mixtures. This trend is absent for higher engine power conditions or richer mixtures. The reason for this can be attributed to the fact that at rich conditions, due to low oxygen availability, incomplete combustion occurs, and there is likely insufficient mixing of the fuel and air. As a result, the effect of hydrogen is not significant in terms of improvement in the combustion characteristics and decrease in UHCs.
Figure 5.
UHC variation with brake power.
Figure 6 shows trends for the brake-specific CO variation with indicated power. Higher CO trends refer to incomplete combustion occurring inside the engine cylinder. The trends are similar to UHC, and the results presented were similar to those presented in the literature [9]. Biogas with no hydrogen enrichment showed higher CO emissions compared to that with hydrogen enrichment. As a thumb rule, it may be noticed that the UHC production is about half of CO production under similar conditions. The trends are similar for the two, since the mechanism of formation of UHC and CO is similar.
Figure 6.
Brake-specific CO variation with brake power.
Cylinder-averaged pressure variation with crank angle degrees (CAD) is shown in Figure 7 for an equivalence ratio (ϕ) equal to 0.8. It is seen that hydrogen addition advances the peak pressure by about 5 CAD, and also the peak pressure is higher with the addition of higher hydrogen volume fractions. In the range between the lowest and highest hydrogen fractions, the peak pressure is higher by 7%. However, in Figure 8, the cylinder-averaged pressure is shown for various hydrogen biogas blends for an equivalence ratio (ϕ) equal to 0.57. It is seen that for leaner mixtures, the peak pressure is much smaller. Moreover, compared to the 5% hydrogen + biogas blend, there is a 10% more peak pressure higher for the highest hydrogen-blended gas of 10–15%, respectively. The trends reported were like those published by other researchers [9,10].
Figure 7.
Cylinder-averaged pressure variation with CAD; 0 indicates TDC; ϕ = 0.8.
Figure 8.
Cylinder-averaged pressure variation; 0 indicates TDC; excess air ratio = 1.75.
The advantage of adding hydrogen to leaner mixtures is more accurately brought out in Figure 9. The COVIMEP values increase for leaner mixtures. However, this instability is reduced by the addition of hydrogen to the blend. Hydrogen condition minimizes the cyclic variations of pressure in the cylinder due to quicker and more complete combustion [10]. This effect is accentuated for lean operation which is also important for low emissions from the engine exhaust.
Figure 9.
COVIMEP % variation with excess air ratio.
4. Conclusions
Since conventional fossil-based fuels are polluting and non-renewable, the search for sustainable and non-polluting energy sources acquires a significant dimension. In the context of IC engines, this is even more important because IC engines form a major chunk of the energy sector. Biogas and hydrogen are sustainable and non-polluting alternatives to conventional fossil fuels. However, individual application of these fuels is observed to be disadvantageous. Hydrogen is a zero-carbon fuel but causes an increase in NOx emission due to higher burning temperatures. On the other hand, biogas can be produced renewably but decreases the engine power output due to the prevalence of carbon dioxide as a constituent. Experimental results and analysis of the performance and emissions characteristics of an IC engine fueled with biogas blended with 5, 10, and 15% hydrogen volume fractions were studied. An increase in hydrogen content increases the engine’s performance and power and reduces specific fuel consumption, carbon monoxide (CO), and total hydrocarbons (THCs). However, nitrogen oxides (NOx) are found to increase due to higher combustion temperatures attributed to hydrogen. A 17.5% increase in brake power is observed for 15% hydrogen-enriched biogas, compared to plain biogas, at an equivalence ratio of 0.6. Similarly, a 17% increase in BTE, a 50% decrease in CO, a 68% decrease in UHC, but a 71% increase in NOx are observed for 15% hydrogen-enriched biogas.
Author Contributions
Conceptualization and methodology, V.P., S.G., G.A.M. and B.G.; formal analyses, V.P., N.R.B. and K.H.S.; investigation, V.P., S.G., G.A.M., K.H.S. and B.G.; data curation, C.V., S.K. and T.M.Y.K.; writing—original draft, V.P. and B.G.; supervision and project administration and resources, V.P., S.G. and N.R.B.; review and editing, C.V., S.K., T.M.Y.K. and K.H.S.; funding, N.R.B., C.V., S.K. and T.M.Y.K. All authors have read and agreed to the published version of the manuscript.
Funding
This work was supported by Deanship of Scientific Research at King Khalid University through Small group Research Project, grant number RGP 1/123/44.
Data Availability Statement
All the data are provided within the manuscript.
Acknowledgments
The authors extend their appreciation to the Deanship of Scientific Research at King Khalid University for funding this work through Small group Research Project under grant number RGP 1/123/44.
Conflicts of Interest
The authors declare no conflict of interest.
References
- Reitz, R.D. Directions in internal combustion engine research. Combust. Flame 2013, 160, 1–8. [Google Scholar] [CrossRef]
- Abdellatief, T.M.M.; Ershov, M.A.; Kapustin, V.M. New recipes for producing a high octane gasoline based on naphtha from natural gas condensate. Fuel 2020, 276, 118075. [Google Scholar] [CrossRef]
- Ershov, M.; Potanin, D.; Gueseva, A.; Abdellatief, T.M.M.; Kapustin, V. Novel strategy to develop the technology of high-octane alternative fuel based on low-octane gasoline Fischer-Tropsch process. Fuel 2020, 261, 116330. [Google Scholar] [CrossRef]
- Duan, X.; Lai, M.-C.; Jansons, M.; Guo, G.; Liu, J. A review of controlling strategies of the ignition timing and combustion phase in homogeneous charge compression ignition (HCCI) engine. Fuel 2021, 285, 119142. [Google Scholar] [CrossRef]
- Dutta, P.P.; Das, A.; Pandey, V.; Devi, M. Fuel characteristics of some locally available biomass as a potential gasification feedstock for thermal application. Ind. Eng. Chem. Res. 2014, 53, 19806–19813. [Google Scholar] [CrossRef]
- Chen, Z.; Chen, H.; Wang, L.; Geng, L.; Zeng, K. Parametric study on effects of excess air/fuel ratio, spark timing, and methanol injection timing on combustion characteristics and performance of natural gas/methanol dual-fuel engine at low loads. Energy Convers. Manag. 2020, 210, 112742. [Google Scholar] [CrossRef]
- Gong, C.; Li, Z.; Yi, L.; Liu, F. Experimental investigation of equivalence ratio effects on combustion and emissions characteristics of an H2/methanol dual-injection engine under different spark timings. Fuel 2020, 262, 116463. [Google Scholar] [CrossRef]
- Park, S.H.; Lee, C.S. Applicability of dimethyl ether (DME) in a compression ignition engine as an alternative fuel. Energy Convers. Manag. 2014, 86, 848–863. [Google Scholar] [CrossRef]
- Liu, J.; Duan, X.; Yuan, Z.; Liu, Q.; Tang, Q. Experimental study on the performance, combustion and emission characteristics of a high compression ratio heavy-duty spark-ignition engine fuelled with liquefied methane gas and hydrogen blend. Appl. Therm. Eng. 2017, 124, 585–594. [Google Scholar] [CrossRef]
- Gong, C.; Li, Z.; Sun, J.; Liu, F. Evaluation on combustion and lean-burn limit of a medium compression ratio hydro-gen/methanol dual-injection spark-ignition engine under methanol late-injection. Appl. Energy 2020, 277, 115622. [Google Scholar] [CrossRef]
- Deheri, C.; Acharya, S.K.; Thatoi, D.N.; Mohanty, A.P. A review on performance of biogas and hydrogen on diesel engine in dual fuel mode. Fuel 2020, 260, 116337. [Google Scholar] [CrossRef]
- Jin, C.; Pang, X.; Zhang, X.; Wu, S.; Ma, M.; Xiang, Y.; Ma, J.; Ji, J.; Wang, G.; Liu, H. Effects of C3–C5 alcohols on solubility of alcohols/diesel blends. Fuel 2019, 236, 65–74. [Google Scholar] [CrossRef]
- Liu, H.; Wang, X.; Zheng, Z.; Gu, J.; Wang, H.; Yao, M. Experimental and simulation investigation of the combustion characteristics and emissions using n-butanol/biodiesel dual-fuel injection on a diesel engine. Energy 2014, 74, 741–752. [Google Scholar] [CrossRef]
- Kanu, N.J.; Bapat, S.; Deodhar, H.; Gupta, E.; Singh, G.K.; Vates, U.K.; Verma, G.C.; Pandey, V. An insight into processing and properties of smart carbon nanotubes reinforced nanocomposites. Smart Sci. 2021, 10, 40–55. [Google Scholar] [CrossRef]
- Sundararaj, R.H.; Kumar, R.D.; Raut, A.K.; Sekar, T.C.; Pandey, V.; Kushari, A.; Puri, S.K. Combustion and emission characteristics from biojet fuel blends in a gas turbine combustor. Energy 2019, 182, 689–705. [Google Scholar] [CrossRef]
- Kanu, N.J.; Guluwadi, S.; Pandey, V.; Suyambazhahan, S. Experimental Investigation of Emission Characteristics on Can-Combustor Using Jatropha Based Bio-derived Synthetic Paraffinic Kerosene. Smart Sci. 2021, 9, 305–316. [Google Scholar] [CrossRef]
- Pandey, V.; Badruddin, I.A.; Terfasa, T.T.; Tesfamariam, B.B.; Ahmed, G.M.S.; Saleel, C.A.; Alrobei, H. Experimental investigation of the impact of CeO2 nanoparticles in Jet-A and Jatropha-SPK blended fuel in an aircraft can-combustor at flight conditions. Fuel 2022, 317, 123393. [Google Scholar] [CrossRef]
- Pandey, V.; Guluwadi, S.; Tafesse, G.H. Performance and emission study of low HCNG fuel blend in SI engine with fixed ignition timing. Cogent Eng. 2022, 9, 2010925. [Google Scholar] [CrossRef]
- Liu, J.; Dumitrescu, C.E. Flame development analysis in a diesel optical engine converted to spark ignition natural gas operation. Appl. Energy 2018, 230, 1205–1217. [Google Scholar] [CrossRef]
- Liu, J.; Dumitrescu, C.E. Single and double Wiebe function combustion model for a heavy-duty diesel engine retrofitted to natural-gas spark-ignition. Appl. Energy 2019, 248, 95–103. [Google Scholar] [CrossRef]
- Sagar, S.M.V.; Agarwal, A.K. Hydrogen-enriched compressed natural gas: An alternate fuel for IC engines. In Advances in Internal Combustion Engine Research; Springer: Singapore, 2018; pp. 111–134. [Google Scholar]
- Mehra, R.K.; Duan, H.; Juknelevicius, R.; Ma, F.; Li, J. Progress in hydrogen enriched compressed natural gas (HCNG) internal combustion engines. Renew. Sustain. Energy Rev. 2017, 80, 1458–1498. [Google Scholar] [CrossRef]
- Verhelst, S.; Wallner, T. Hydrogen-fueled internal combustion engines. Prog. Energy Combust. Sci. 2009, 35, 490–527. [Google Scholar] [CrossRef]
- Karim, G. Hydrogen as a spark ignition engine fuel. Int. J. Hydrogen Energy 2003, 28, 569–577. [Google Scholar] [CrossRef]
- Porpatham, E.; Ramesh, A.; Nagalingam, B. Effect of hydrogen addition on the performance of a biogas fuelled spark ignition engine. Int. J. Hydrogen Energy 2007, 32, 2057–2065. [Google Scholar] [CrossRef]
- Leung, T.; Wierzba, I. The effect of hydrogen addition on biogas non-premixed jet flame stability in a co-flowing air stream. Int. J. Hydrogen Energy 2008, 33, 3856–3862. [Google Scholar] [CrossRef]
- Zhang, X.; Xu, J.; Zheng, S.; Hou, X.; Liu, J. The experimental study on cyclic variation in a spark ignited engine fueled with biogas and hydrogen blends. Int. J. Hydrogen Energy 2013, 38, 11164–11168. [Google Scholar]
- Park, C.; Park, S.; Lee, Y.; Kim, C.; Lee, S.; Moriyoshi, Y. Performance and emission characteristics of a SI engine fueled by low calorific biogas blended with hydrogen. Int. J. Hydrogen Energy 2011, 36, 10080–10088. [Google Scholar] [CrossRef]
- Zhang, Y.; Zhu, M.; Zhang, Z.; Zhang, D. Combustion and Emission Characteristics of a Spark Ignition Engine Fuelled with Biogas from Two-Phase Anaerobic Digestion (T-PAD). Energy Procedia 2017, 105, 137–142. [Google Scholar] [CrossRef]
- Ma, F.; Wang, Y.; Liu, H.; Li, Y.; Wang, J.; Zhao, S. Experimental study on thermal efficiency and emission characteristics of a lean burn hydrogen enriched natural gas engine. Int. J. Hydrogen Energy 2007, 32, 5067–5075. [Google Scholar] [CrossRef]
- Yu, X.; Wu, H.; Du, Y.; Tang, Y.; Liu, L.; Niu, R. Research on cycle-by-cycle variations of an SI engine with hydrogen direct injection under lean burn conditions. Appl. Therm. Eng. 2016, 109 Pt A, 569–581. [Google Scholar] [CrossRef]
- Chen, L.; Song, P.; Zeng, W.; Zhang, J.; Feng, C.; Ma, H. Exhaust emission characteristics of gaseous low-temperature biomass fuel in spark-ignition engine. Appl. Therm. Eng. 2016, 108, 1–10. [Google Scholar] [CrossRef]
- Hu, E.; Huang, B.; Liu, B.; Zheng, J.; Gu, X. Experimental study on combustion characteristics of a spark-ignition engine fueled with natural gas–hydrogen blends combining with EGR. Int. J. Hydrogen Energy 2009, 34, 1035–1044. [Google Scholar] [CrossRef]
- Sierens, R.; Rosseel, E. Variable Composition Hydrogen/Natural Gas Mixtures for Increased Engine Efficiency and Decreased Emissions. J. Eng. Gas Turbines Power 2000, 122, 135–140. [Google Scholar] [CrossRef]
- Shah, A.; Srinivasan, R.; To, E.D.F.; Columbus, E.P. Performance and emissions of a spark-ignited engine driven generator on biomass based syngas. Bioresour. Technol. 2010, 101, 4656–4661. [Google Scholar] [CrossRef] [PubMed]
- Wang, S.; Ji, C.; Zhang, B.; Cong, X.; Liu, X. Effect of CO2 dilution on combustion and emissions characteristics of the hydrogen-enriched gasoline engine. Energy 2016, 96, 118–126. [Google Scholar] [CrossRef]
- Hu, E.; Huang, Z.; Liu, B.; Zheng, J.; Gu, X.; Huang, B. Experimental investigation on performance and emissions of a spark-ignition engine fuelled with natural gas–hydrogen blends combined with EGR. Int. J. Hydrogen Energy 2009, 34, 528–539. [Google Scholar] [CrossRef]
- Kohn, M.P.; Lee, J.; Basinger, M.L.; Castaldi, M.J. Performance of an internal combustion engine operating on landfill gas and the effect of syngas addition. Ind. Eng. Chem. Res. 2011, 50, 3570–3579. [Google Scholar] [CrossRef]
- Hagos, F.Y.; Aziz, A.R.A.; Sulaiman, S.A. Trends of syngas as a fuel in internal combustion engines. Adv. Mech. Eng. 2014, 6, 401587. [Google Scholar] [CrossRef]
- Kacem, S.H.; Jemni, M.A.; Driss, Z.; Abid, M.S. The effect of H2 enrichment on in cylinder flow behavior, engine performances and exhaust emissions: Case of LPG-hydrogen engine. Appl. Energy 2016, 179, 961–971. [Google Scholar] [CrossRef]
- Jeong, C.; Kim, T.; Lee, K.; Song, S.; Kwang Min Chun, K.M. Generating efficiency and emissions of a spark-ignition gas engine generator fuelled with biogas–hydrogen blends. Int. J. Hydrogen Energy 2009, 34, 9620–9627. [Google Scholar] [CrossRef]
- Montoya, J.P.G.; Amell, A.A.; Olsen, D.B.; Diaz, G.J.A. Strategies to improve the performance of a spark ignition engine using fuel blends of biogas with natural gas, propane and hydrogen. Int. J. Hydrogen Energy 2018, 43, 21592–21602. [Google Scholar] [CrossRef]
- Montoya, J.P.G.; Arrieta, A.A.A. Effect of the turbulence intensity on knocking tendency in a SI engine with high compression ratio using biogas and blends with natural gas, propane and hydrogen. Int. J. Hydrogen Energy 2019, 44, 18532–18544. [Google Scholar] [CrossRef]
- Nadaleti, W.C.; Przybyla, G.; Filho, P.B.; Souza, S. Methane-hydrogen fuel blends for SI engines in Brazilian public transport: Efficiency and pollutant emissions. Int. J. Hydrogen Energy 2017, 42, 29585–29596. [Google Scholar] [CrossRef]
- Nadaleti, W.C.; Przybyla, G.; Vieira, B.; Leandro, D.; Gadotti, G.; Quadro, M.; Kunde, E.; Correa, L.; Andreazza, R.; Castro, A. Efficiency and pollutant emissions of an SI engine using biogas-hydrogen fuel blends: BIO60, BIO95, H20BIO60 and H20BIO95. Int. J. Hydrogen Energy 2018, 43, 7190–7200. [Google Scholar] [CrossRef]
- Nadaleti, W.C.; Przybyla, G. Emissions and performance of a spark-ignition gas engine generator operating with hydrogen-rich syngas, methane and biogas blends for application in southern Brazilian rice industries. Energy 2018, 154, 38–51. [Google Scholar] [CrossRef]
- Nadaleti, W.C.; Przybyla, G. NOx, CO and HC emissions and thermodynamic-energetic efficiency of an SI gas engine powered by gases simulated from biomass gasification under different H2 content. Int. J. Hydrogen Energy 2020, 45, 21920–21939. [Google Scholar] [CrossRef]
- Alrazen, H.A.; Ahmad, K.A. HCNG fueled spark-ignition (SI) engine with its effects on performance and emissions. Renew. Sustain. Energy Rev. 2018, 82 Pt 1, 324–342. [Google Scholar] [CrossRef]
- Hotta, S.K.; Sahoo, N.; Mohanty, K. Comparative assessment of a spark ignition engine fueled with gasoline and raw biogas. Renew. Energy 2019, 134, 1307–1319. [Google Scholar] [CrossRef]
- Hotta, S.K.; Sahoo, N.; Mohanty, K.; Kulkarni, V. Ignition timing and compression ratio as effective means for the improvement in the operating characteristics of a biogas fueled spark ignition engine. Renew. Energy 2020, 150, 854–867. [Google Scholar] [CrossRef]
- Bundele, H.; Kurien, C.; Varma, P.S.; Mittal, M. Experimental and computational study on the enhancement of engine characteristics by hydrogen enrichment in a biogas fuelled spark ignition engine. Int. J. Hydrogen Energy 2022, 47, 30671–30686. [Google Scholar] [CrossRef]
- Bui, V.G.; Bui, T.M.T.; Ong, H.C.; Nižetić, S.; Bui, V.H.; Nguyen, T.T.X.; Atabani, A.E.; Štěpanec, L.; Pham, L.H.P.; Hoang, A.T. Optimizing operation parameters of a spark-ignition engine fueled with biogas-hydrogen blend integrated into biomass-solar hybrid renewable energy system. Energy 2022, 252, 124052. [Google Scholar] [CrossRef]
- Wongwuttanasatian, T.; Jankoom, S.; Velmurugan, K. Experimental performance investigation of an electronic fuel injection-SI engine fuelled with HCNG (H2 + CNG) for cleaner transportation. Sustain. Energy Technol. Assess. 2022, 49, 101733. [Google Scholar] [CrossRef]
- Molina, S.; Ruiz, S.; Gomez-Soriano, J.; Olcina-Girona, M. Impact of hydrogen substitution for stable lean operation on spark ignition engines fueled by compressed natural gas. Results Eng. 2023, 17, 100799. [Google Scholar] [CrossRef]
- Urroz, J.C.; Diéguez, P.M.; Arzamendi, G.; Arana, M.; Gandía, L.M. Gaseous fueling of an adapted commercial automotive spark-ignition engine: Simplified thermodynamic modeling and experimental study running on hydrogen, methane, carbon monoxide and their mixtures. Fuel 2023, 337, 127178. [Google Scholar] [CrossRef]
- Pandey, V.; Badruddin, I.A.; Yunus Khan, T.M. Effect of H2 blends with compressed natural gas on emissions of SI engine having modified ignition timings. Fuel 2022, 321, 123930. [Google Scholar] [CrossRef]
Disclaimer/Publisher’s Note: The statements, opinions and data contained in all publications are solely those of the individual author(s) and contributor(s) and not of MDPI and/or the editor(s). MDPI and/or the editor(s) disclaim responsibility for any injury to people or property resulting from any ideas, methods, instructions or products referred to in the content. |
© 2023 by the authors. Licensee MDPI, Basel, Switzerland. This article is an open access article distributed under the terms and conditions of the Creative Commons Attribution (CC BY) license (https://creativecommons.org/licenses/by/4.0/).








