Output Power Capacity Improvement Based on Three-Phase Current Balance Control for the Doubly Salient Electromagnetic Generator System
Abstract
1. Introduction
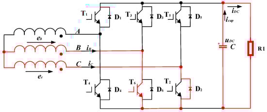
2. Characteristics of the DSEG System
2.1. Reasons for the Three-Phase Current Unbalance
2.2. The APC Method for the DSEG System
3. Three-Phase Current Balance Control
3.1. Single-Phase Conduction Modes Analysis
3.2. Three-Phase Current Balance Control Method
4. Experimental Verifications
5. Conclusions
Author Contributions
Funding
Data Availability Statement
Conflicts of Interest
Nomenclature
| Symbol | Quantity |
| UDC | DC-link voltage |
| β | APC conduction angle |
| ex | Back-EMF of phase x |
| iDC | DC-link current |
| iback | Current returning to DSEG |
| icap | Discharge current of the filter capacitor |
| iout | Output current of DSEG |
| ixrms | RMS value of current of phase x |
| ∆βi | Increased conduction angles of the ith IGBT |
| ε | Unbalance degree |
| irmsmin | Minimum RMS value of three-phase current |
| irmsmax | Maximum RMS value of three-phase current |
| ix(θ) | Current of phase x under APC |
| ix’(θ) | Current of phase x under three-phase current balance control |
| Δixrms | Increased RMS value of x-phase current under three-phase balance control |
| n | Current calculation step number |
| θ | Electrical degree |
| if | Field current |
References
- Chen, Z.; Chen, R. A fault-tolerant parallel structure of single-phase full-bridge rectifiers for a wound-field doubly salient generator. IEEE Trans. Ind. Electron. 2013, 60, 2988–2996. [Google Scholar] [CrossRef]
- Lan, Y.; Croonen, J.; Frikha, M.A.; El Baghdadi, M.; Hegazy, O. A Comprehensive Performance Comparison between Segmental and Conventional Switched Reluctance Machines with Boost and Standard Converters. Energies 2023, 16, 43. [Google Scholar] [CrossRef]
- Chen, Z.; Wang, B.; Chen, Z.; Yan, Y. Comparison of flux regulation ability of the hybrid excitation doubly salient machines. IEEE Trans. Ind. Electron. 2014, 61, 3155–3166. [Google Scholar] [CrossRef]
- Shi, L.; Zhou, B. Analysis of a new five-phase fault-tolerant doubly salient brushless DC generator. IET Electr. Power Appl. 2016, 10, 633–670. [Google Scholar]
- Yu, L.; Zhang, Z.; Chen, Z.; Yan, Y. Analysis and verification of the doubly salient brushless DC generator for automobile auxiliary power unit application. IEEE Trans. Ind. Electron. 2014, 61, 6655–6663. [Google Scholar] [CrossRef]
- Zhang, Z.; Yan, Y.; Tao, Y. A new topology of low speed doubly salient brushless DC generator for wind power generation. IEEE Trans. Magn. 2011, 48, 1227–1233. [Google Scholar] [CrossRef]
- Juarez-Leon, F.; Emery, N.; Bilgin, B. Acoustic Noise Reduction in an 8/6 Switched Reluctance Machine Using Structural Design. Energies 2023, 16, 3282. [Google Scholar] [CrossRef]
- Wang, L.; Zhang, D.; Wang, Y. Power and voltage balance control of a novel three-phase solid-state transformer using multilevel cascaded H-bridge inverters for microgrid applications. IEEE Trans. Power Electron. 2016, 31, 3289–3301. [Google Scholar] [CrossRef]
- Zhang, P.; Ding, Y.; Jiang, N.; Chen, J.; Ling, W.; Huang, L.; Wen, Y. A three-phase unbalance adjustment method based on improved k-means clustering. In Proceedings of the 2018 China International Conference on Electricity Distribution (CICED), Tianjin, China, 17–19 September 2018; pp. 462–466. [Google Scholar]
- Huang, J.; Zhang, Z.; Wang, S.; Zhang, Z. Predictive current control of three-phase three-wire APF with error feedback correction. In Proceedings of the 2021 33rd Chinese Control and Decision Conference (CCDC), Kunming, China, 22–24 May 2021; pp. 5748–5752. [Google Scholar]
- Du, W.; Sun, Y.; Gui, L. Analysis of inherent unbalanced currents in three-phase multi-branch brushless exciter. In Proceedings of the 2019 IEEE International Electric Machines & Drives Conference (IEMDC), San Diego, CA, USA, 12–15 May 2019; pp. 1875–1880. [Google Scholar]
- Wu, Y.; Sun, L.; Liao, C.; Zhang, Z.; Liu, C. A comparative study on electromagnetic vibration of Doubly Salient Electromagnetic Machine with concentrated and distributed field windings. In Proceedings of the 2021 IEEE 4th International Electrical and Energy Conference (CIEEC), Wuhan, China, 28–30 May 2021; pp. 1–6. [Google Scholar]
- Xu, Y. Capacitor-energy-based control of doubly salient brushless dc generator for dynamic performance optimization. IEEE Trans. Energy Convers. 2020, 35, 1886–1896. [Google Scholar] [CrossRef]
- Wang, K. A current self-injection based position sensorless control for DSEG with controlled rectification. IEEE Trans. Power Electron. 2022, 37, 3308–3320. [Google Scholar] [CrossRef]
- Wang, K.; Zhou, B.; Zhou, X.; Jiang, S.; Wei, J. The output voltage control strategy for DSEG with controlled rectification based on conduction angle estimation. IEEE Trans. Ind. Electron. 2020, 67, 3350–3360. [Google Scholar] [CrossRef]
- Chen, X.; Zhang, Z.; Yu, L.; Bian, Z. Model predictive current control of doubly salient electromagnetic machine for current ripple suppression. In Proceedings of the 2019 IEEE International Symposium on Predictive Control of Electrical Drives and Power Electronics (PRECEDE), Quanzhou, China, 31 May–2 June 2019; pp. 1–5. [Google Scholar]
- Dai, W.; Yu, Y.; Hua, M.; Cai, C. Voltage regulation system of doubly salient electromagnetic generator based on indirect adaptive fuzzy control. IEEE Access 2017, 5, 14187–14194. [Google Scholar] [CrossRef]
- Sun, L.; Zhang, Z.; Yu, L.; Geng, W. Analysis of electromagnetic performance of doubly salient brushless DC generator with distributed field magnetomotive forces. Proc. CSEE 2017, 37, 6218–6226. [Google Scholar]
- Chang, Y.; Liaw, C.M. On the design of power circuit and control scheme for switched reluctance generator. IEEE Trans. Power Electron. 2008, 23, 445–454. [Google Scholar] [CrossRef]
- Namazi, M.M.; Nejad, S.M.S.; Tabesh, A.; Rashidi, A.; Liserre, M. Passivity-based control of switched reluctance-based wind system supplying constant power load. IEEE Trans. Ind. Electron. 2018, 65, 9550–9560. [Google Scholar] [CrossRef]
- Kioskeridis, I.; Mademlis, C. Optimal efficiency control of switched reluctance generators. IEEE Trans. Power Electron. 2006, 21, 1062–1071. [Google Scholar] [CrossRef]




















Disclaimer/Publisher’s Note: The statements, opinions and data contained in all publications are solely those of the individual author(s) and contributor(s) and not of MDPI and/or the editor(s). MDPI and/or the editor(s) disclaim responsibility for any injury to people or property resulting from any ideas, methods, instructions or products referred to in the content. |
© 2023 by the authors. Licensee MDPI, Basel, Switzerland. This article is an open access article distributed under the terms and conditions of the Creative Commons Attribution (CC BY) license (https://creativecommons.org/licenses/by/4.0/).
Share and Cite
Min, G.; Xu, Y. Output Power Capacity Improvement Based on Three-Phase Current Balance Control for the Doubly Salient Electromagnetic Generator System. Energies 2023, 16, 4298. https://doi.org/10.3390/en16114298
Min G, Xu Y. Output Power Capacity Improvement Based on Three-Phase Current Balance Control for the Doubly Salient Electromagnetic Generator System. Energies. 2023; 16(11):4298. https://doi.org/10.3390/en16114298
Chicago/Turabian StyleMin, Guilu, and Yanwu Xu. 2023. "Output Power Capacity Improvement Based on Three-Phase Current Balance Control for the Doubly Salient Electromagnetic Generator System" Energies 16, no. 11: 4298. https://doi.org/10.3390/en16114298
APA StyleMin, G., & Xu, Y. (2023). Output Power Capacity Improvement Based on Three-Phase Current Balance Control for the Doubly Salient Electromagnetic Generator System. Energies, 16(11), 4298. https://doi.org/10.3390/en16114298

