Research on Dynamic Modeling and Parameter Identification of the Grid-Connected PV Power Generation System
Abstract
1. Introduction
- (1)
- Deriving the dynamic discrete equivalent model of the grid-connected PV power generation system.
- (2)
- Analyzing the parameter identification process of the OLS and BA.
- (3)
- Comparing the generalization ability of the parameters identified by the OLS and BA to the model.
- (4)
- Verifying that the parameters identified by the BA are more generalized than the OLS.
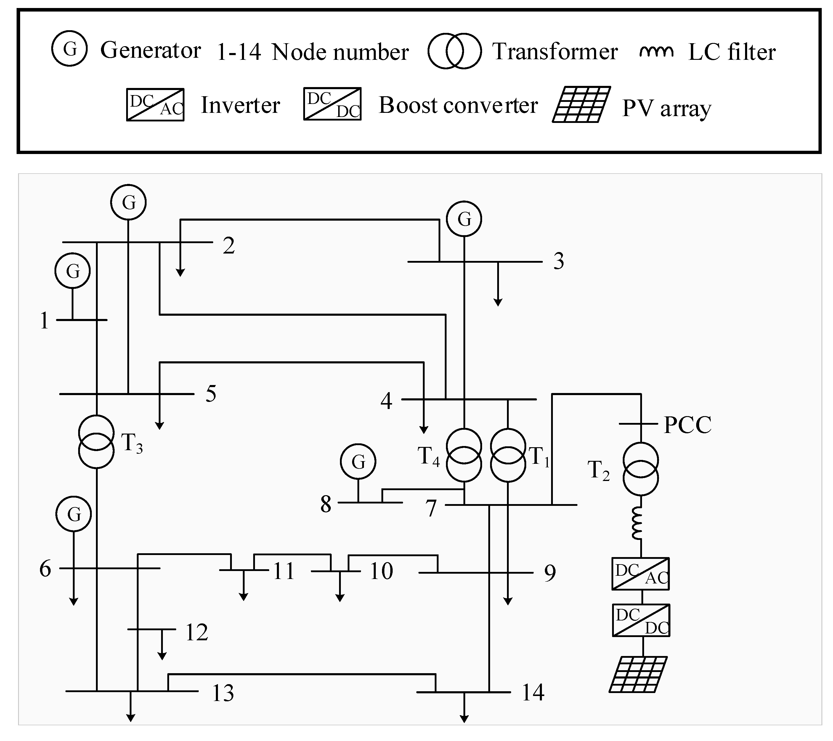
2. Structure and Control Strategy of the Grid-Connected PV Power Generation System
2.1. Overall Structure
2.2. Control System
3. Dynamic Discrete Equivalent Model for the Grid-Connected PV Power Generation System
3.1. Single-Phase Equivalent Circuit Model
3.2. Dynamic Discrete Equivalent Model
- , , , , ;
- , , , , ;
- , , , , .
4. Dynamic Discrete Equivalent Model Parameter Identification Method
4.1. Parameter Identification Objective Function
4.2. OLS Parameter Identification
4.3. BA Parameter Identification
5. Analysis of Simulation Results
5.1. Simulation System Overview
- (1)
- Simulation parameters setting
- (2)
- Simulation scenarios setting
5.2. Simulation Verification in the Single Scenario
5.3. Simulation Verification in Multiple Scenarios
6. Conclusions
Author Contributions
Funding
Data Availability Statement
Conflicts of Interest
Appendix A
| Steps | Project Content |
|---|---|
| 1 | Build the grid-connected PV power generation system model in MATLAB/Simulink. |
| 2 | Obtain the voltage U, active power P, and reactive power Q at the grid connection of the grid-connected PV power generation system model. |
| 3 | Initialize the population size n and the maximum number of iterations T. |
| 4 | Randomly initialize the position of each individual in the population. |
| 5 | Set t = 0. |
| 6 | WHILE t < T |
| 7 | Calculate the fitness of each individual according to Equations (10) and (11). |
| 8 | Determine the current optimal individual position of the population xbest(t). |
| 9 | Update individual pulse frequency fi, flight speed vi, and position xi according to Equations (15)–(17). |
| 10 | FOR1 i = 2, 3, …, n |
| 11 | IF1 rand > Ri |
| 12 | Update individual position xi according to Equation (17). |
| 13 | ELSE1 |
| 14 | Update individual position xi according to Equation (20). |
| 15 | END IF1 |
| 16 | END FOR1 |
| 17 | FOR2 i = 2, 3, …, n |
| 18 | IF2 rand < Ai |
| 19 | Update individual position xi, pulse loudness Ai, and pulse frequency Ri according to Equations (17)–(19). |
| 20 | ELSE2 |
| 21 | Update individual pulse frequency fi, flight speed vi, and position xi according to Equations (15)–(17). |
| 22 | END IF2 |
| 23 | END FOR2 |
| 24 | Calculate the fitness of each individual according to Equations (10) and (11). |
| 25 | Determine the current optimal individual position of the population xbest(t). |
| 26 | END WHILE |
| 27 | Output the optimal parameters of the dynamic discrete equivalent model of the grid-connected PV power generation system. |
| Serial Number | Parameter Name | Parameter Value |
|---|---|---|
| Transmission system (IEEE14 node system) | Reference voltage (Uref [kV]) | 23 |
| Standard frequency (fs [Hz]) | 50 | |
| Series inductor (Ls [H]) | 0.618 | |
| Series resistance (Rs [Ω]) | 0.4 | |
| Distribution system (PV power generation system) | Stand-alone capacity (Ps [kW]) | 500 |
| Rated voltage (Ur [V]) | 700 | |
| Filter inductors (Lf [mH]) | 0.17 | |
| Filter capacitors (Cf [F]) | 0.0018 | |
| Step-up transformer ratio (k [kV]) | 35/230 | |
| Open-circuit voltage (Uoc [V]) | 44.5 | |
| Short-circuit current (Isc [A]) | 8.2 | |
| Optimal operating voltage (Um [V]) | 35.5 | |
| Optimal operating current (Im/A) | 7.51 | |
| Number of consistencies (Ns [piece]) | 300 | |
| Number of parallels (Np [piece]) | 200 | |
| Components conversion efficiency (ηc [%]) | 16.9 |
References
- Mansouri, N.; Lashab, A.; Sera, D.; Guerrero, J.M.; Cherif, A. Large photovoltaic power plants integration: A review of challenges and solutions. Energies 2019, 12, 3798. [Google Scholar] [CrossRef]
- Shair, J.; Li, H.Z.; Hu, J.B.; Xie, X.R. Power system stability issues, classifications and research prospects in the context of high-penetration of renewables and power electronics. Renew. Sustain. Energy Rev. 2021, 145, 111111. [Google Scholar] [CrossRef]
- Yoro, K.O.; Daramola, M.O.; Sekoai, P.T.; Wilson, U.N.; Eterigho-lkelegbe, O. Update on current approaches, challenges, and prospects of modeling and simulation in renewable and sustainable energy systems. Renew. Sustain. Energy Rev. 2021, 150, 111506. [Google Scholar] [CrossRef]
- Shafiullah, M.; Ahmed, S.D.; Al-Sulaiman, F.A. Grid Integration Challenges and Solution Strategies for Solar PV Systems: A Review. IEEE Access 2022, 10, 52233–52257. [Google Scholar] [CrossRef]
- Refaat, S.S.; Abu-Rub, H.; Sanfilippo, A.P.; Mohamed, A. Impact of grid-tied large-scale photovoltaic system on dynamic voltage stability of electric power grids. IET Renew. Power Gener. 2018, 12, 157–164. [Google Scholar] [CrossRef]
- Taul, M.G.; Wang, X.F.; Davari, P.; Blaabjerg, F. An overview of assessment methods for synchronization stability of grid-connected converters under severe symmetrical grid faults. IEEE Trans. Power Electron. 2019, 34, 9655–9670. [Google Scholar] [CrossRef]
- Molina, M.G.; Espejo, E.J. Modeling and simulation of grid-connected photovoltaic energy conversion systems. Int. J. Hydrog. Energy 2014, 39, 8702–8707. [Google Scholar] [CrossRef]
- Fiedler, T. Simulation of a power system with large renewable penetration. Renew. Energy 2019, 130, 319–328. [Google Scholar] [CrossRef]
- Jeffrey Kuo, C.F.; Lee, Y.W.; Umar, M.L.; Yang, P.C. Dynamic modeling, practical verification and energy benefit analysis of a photovoltaic and thermal composite module system. Energy Convers. Manag. 2017, 154, 470–481. [Google Scholar] [CrossRef]
- Lee, Y.W.; Jeffrey Kuo, C.F.; Weng, W.H.; Huang, C.Y.; Peng, C.Y. Dynamic modeling and entity validation of a photovoltaic system. Appl. Energy 2017, 200, 370–382. [Google Scholar] [CrossRef]
- Mai, X.H.; Kwak, S.K.; Jung, J.H.; Kim, K.A. Comprehensive Electric-Thermal Photovoltaic Modeling for Power-Hardware-in-the-Loop Simulation (PHILS) Applications. IEEE Trans. Ind. Electron. 2017, 64, 6255–6264. [Google Scholar] [CrossRef]
- Gao, Y.; Dong, J.F.; Isabella, O.; Santbergen, R.; Tan, H.; Zeman, M.; Zhang, G.Q. Modeling and analyses of energy performances of photovoltaic greenhouses with sun-tracking functionality. Appl. Energy 2019, 233-234, 424–442. [Google Scholar] [CrossRef]
- Salimi, M.; Radmand, F.; Firouz, M.H. Dynamic modeling and closed-loop control of hybrid grid-connected renewable energy system with multi-input multi-output controller. J. Mod. Power Syst. Clean Energy 2021, 9, 94–103. [Google Scholar] [CrossRef]
- Zhang, M.; Miao, Z.X.; Fan, L.L. Reduced-order analytical models of grid-connected solar photovoltaic systems for low-frequency oscillation analysis. IEEE Trans. Sustain. Energy 2021, 12, 1662–1671. [Google Scholar] [CrossRef]
- Mahmud, M.R.; Abdou, A.F.; Pota, H. Stability analysis of grid -connected photovoltaic systems with dynamic phasor model. Electronics 2019, 8, 747. [Google Scholar] [CrossRef]
- Bouali, C.; Schulte, H.; Mami, A. A High Performance Optimizing Method for Modeling Photovoltaic Cells and Modules Array Based on Discrete Symbiosis Organism Search. Energies 2019, 12, 2246. [Google Scholar] [CrossRef]
- Almeida, P.M.; Barbosa, P.G.; Duarte, J.L.; Ribeiro, P.F. Comprehensive synchronous reference frame discrete-time modelling of a grid-connected PV for fast DC-side voltage control. Electr. Power Syst. Res. 2017, 150, 162–168. [Google Scholar] [CrossRef]
- Soetedjo, A.; Sulistiawati, I.B. Implementing Discrete Model of Photovoltaic System on the Embedded Platform for Real-Time Simulation. Energies 2020, 13, 4447. [Google Scholar] [CrossRef]
- Li, P.X.; Gu, W.; Wang, L.F.; Xu, B.; Wu, M.; Shen, W.X. Dynamic equivalent modeling of two-staged photovoltaic power station clusters based on dynamic affinity propagation clustering algorithm. Int. J. Electr. Power Energy Syst. 2018, 95, 463–475. [Google Scholar] [CrossRef]
- Salazar-Chiralt, R.; Cheah-Mane, M.; Mateu-Barriendos, E.; Bullich-Massague, E.; Prieto-Araujo, E.; Mehrjerdi, H.; Gomis-Bellmunt, O. Dynamic interactions in large scale photovoltaic power plants with frequency and voltage support. Electr. Power Syst. Res. 2022, 207, 107848. [Google Scholar] [CrossRef]
- Sanchez, J.H.; Castro, L.M. Advanced three-stage photovoltaic system phasor model for grid integration dynamic studies. Sol. Energy 2022, 235, 82–93. [Google Scholar] [CrossRef]
- Ramirez, A. Frequency Domain Modeling of Photovoltaic Systems for Transient Analysis. IEEE Trans. Power Deliv. 2022, 37, 3762–3770. [Google Scholar] [CrossRef]
- Shen, F.; Zhang, Y.T.; Qiu, G.F.; Yang, Z.W.; Li, S.W.; Yang, G.B. Generalized discrete-time equivalent model for interfacing the grid-connected photovoltaic system. IET Gener. Transm. Distrib. 2023, 17, 1070–1080. [Google Scholar] [CrossRef]
- Long, H.; Xu, S.H.; Lu, X.; Yang, Z.J.; Li, C.; Jing, J.P.; Wu, Z. Data-Driven Hybrid Equivalent Dynamic Modeling of Multiple Photovoltaic Power Stations Based on Ensemble Gated Recurrent Unit. Front. Energy Res. 2020, 8, 185. [Google Scholar] [CrossRef]
- Elkholy, A.; Abou El-Ela, A.A. Optimal parameters estimation and modelling of photovoltaic modules using analytical method. Heliyon 2019, 5, e02137. [Google Scholar] [CrossRef] [PubMed]
- Xu, Y.; Jin, W.J. A parameter identification model for the Photovoltaic grid-connected inverter. Optik 2017, 142, 23–32. [Google Scholar] [CrossRef]
- Long, W.; Jiao, J.J.; Liang, X.M.; Xu, M.; Tang, M.Z.; Cai, S.H. Parameters estimation of photovoltaic models using a novel hybrid seagull optimization algorithm. Energy 2022, 249, 123760. [Google Scholar] [CrossRef]
- Abdel-Basset, M.; El-Shahat, D.; Chakrabortty, R.K.; Ryan, M. Parameter estimation of photovoltaic models using an improved marine predators algorithm. Energy Convers. Manag. 2021, 227, 113491. [Google Scholar] [CrossRef]
- Pires Deotti, L.M.; Rezende Pereira, J.L.; da Silva Junior, I.C. Parameter extraction of photovoltaic models using an enhanced Lévy flight bat algorithm. Energy Convers. Manag. 2020, 221, 113114. [Google Scholar] [CrossRef]
- Liu, K.; Chen, X.; Chen, L.; Lin, Z.; Shen, F. Dynamic discrete equivalent model of photovoltaic power generation system. J. Shanghai Jiaotong Univ. 2022, 57, 412–421 Available online:. [Google Scholar] [CrossRef]











| Parameter Name | Parameter Value | |
|---|---|---|
| Voltage outer loop PI controller | Proportional link gain coefficient Kup | 0.5 |
| Proportional link time constant Tup | 0.003 s | |
| Integral link gain coefficient Kui | 0.5 | |
| Integral link time constant Tui | 0.003 s | |
| Current inner loop PI controller | Proportional link gain coefficient Kip | 1 |
| Proportional link time constant Tip | 0.002 s | |
| Integral link gain coefficient Kii | 1 | |
| Integral link time constant Tii | 0.002 s |
| Method | Voltage Dip 5% | Voltage Dip 15% | Voltage Dip 25% | |||
|---|---|---|---|---|---|---|
| Current Real Part | Current Imaginary Part | Current Real Part | Current Imaginary Part | Current Real Part | Current Imaginary Part | |
| OLS | 9.391 × 10−5 | 2.558 × 10−4 | 1.722 × 10−4 | 3.897 × 10−4 | 4.917 × 10−4 | 4.256 × 10−4 |
| BA | 3.728 × 10−4 | 5.916 × 10−4 | 4.617 × 10−4 | 6.102 × 10−4 | 6.579 × 10−4 | 7.343 × 10−4 |
| Method | Voltage Dip 5% | Voltage Dip 15% | Voltage Dip 25% | |||
|---|---|---|---|---|---|---|
| Current Real Part | Current Imaginary Part | Current Real Part | Current Imaginary Part | Current Real Part | Current Imaginary Part | |
| OLS | 8.322 × 10−5 | 2.375 × 10−4 | 1.588 × 10−4 | 3.218 × 10−4 | 3.689 × 10−4 | 3.816 × 10−4 |
| BA | 2.688 × 10−4 | 6.441 × 10−4 | 3.505 × 10−4 | 6.986 × 10−4 | 5.326 × 10−4 | 7.894 × 10−4 |
| Method | Voltage Dip 5% | Voltage Dip 15% | Voltage Dip 25% | |||
|---|---|---|---|---|---|---|
| Current Real Part | Current Imaginary Part | Current Real Part | Current Imaginary Part | Current Real Part | Current Imaginary Part | |
| OLS | 8.094 × 10−5 | 2.569 × 10−4 | 1.241 × 10−4 | 3.913 × 10−4 | 2.997 × 10−4 | 4.565 × 10−4 |
| BA | 1.613 × 10−4 | 5.351 × 10−4 | 2.894 × 10−4 | 5.867 × 10−4 | 3.745 × 10−4 | 7.018 × 10−4 |
Disclaimer/Publisher’s Note: The statements, opinions and data contained in all publications are solely those of the individual author(s) and contributor(s) and not of MDPI and/or the editor(s). MDPI and/or the editor(s) disclaim responsibility for any injury to people or property resulting from any ideas, methods, instructions or products referred to in the content. |
© 2023 by the authors. Licensee MDPI, Basel, Switzerland. This article is an open access article distributed under the terms and conditions of the Creative Commons Attribution (CC BY) license (https://creativecommons.org/licenses/by/4.0/).
Share and Cite
Liu, K.; Mao, Y.; Chen, X.; He, J.; Dong, M. Research on Dynamic Modeling and Parameter Identification of the Grid-Connected PV Power Generation System. Energies 2023, 16, 4152. https://doi.org/10.3390/en16104152
Liu K, Mao Y, Chen X, He J, Dong M. Research on Dynamic Modeling and Parameter Identification of the Grid-Connected PV Power Generation System. Energies. 2023; 16(10):4152. https://doi.org/10.3390/en16104152
Chicago/Turabian StyleLiu, Kezhen, Yumin Mao, Xueou Chen, Jiedong He, and Min Dong. 2023. "Research on Dynamic Modeling and Parameter Identification of the Grid-Connected PV Power Generation System" Energies 16, no. 10: 4152. https://doi.org/10.3390/en16104152
APA StyleLiu, K., Mao, Y., Chen, X., He, J., & Dong, M. (2023). Research on Dynamic Modeling and Parameter Identification of the Grid-Connected PV Power Generation System. Energies, 16(10), 4152. https://doi.org/10.3390/en16104152
