A Review on Multilevel Converters for Efficient Integration of Battery Systems in Stationary Applications
Abstract
1. Introduction
2. Topologies of MLC Systems for Stationary BESSs
2.1. MLC with Two-Port Interface
2.1.1. Neutral-Point Diode Clamped (NPC)
2.1.2. Flying-Capacitor MLC
2.1.3. Cascaded-T MLC
2.1.4. Hybrid MLC
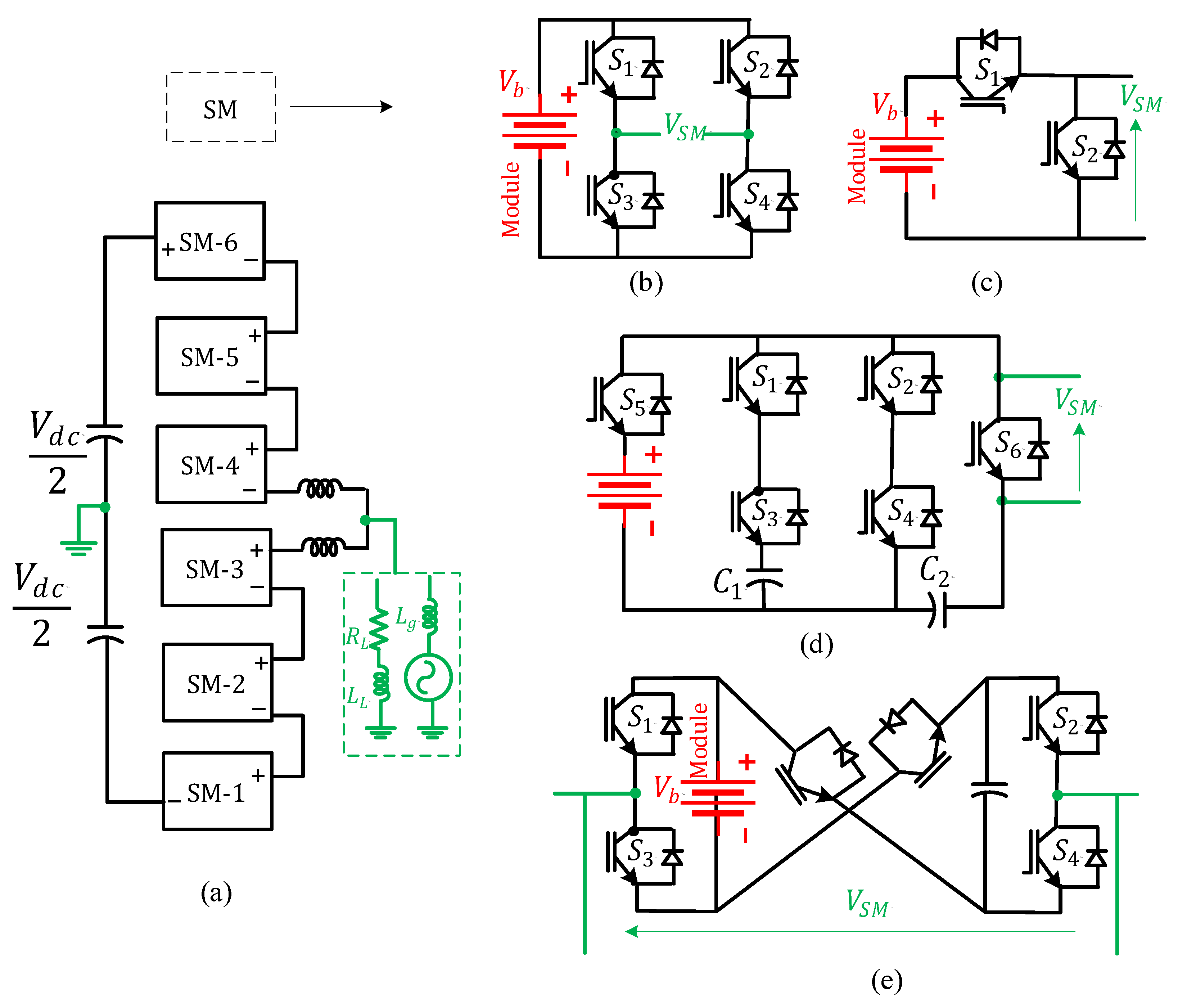
2.2. MLC with Multiport Interface
2.2.1. Active Balancing with a Multiport MLC
2.3. Subtypes of MLC with Multiport Interface
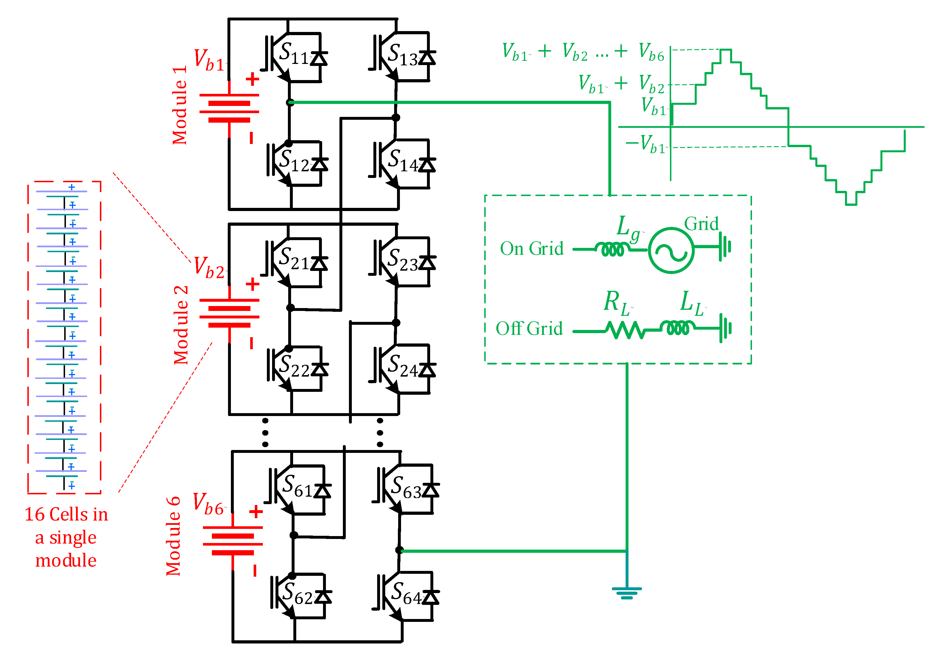
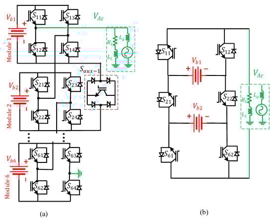
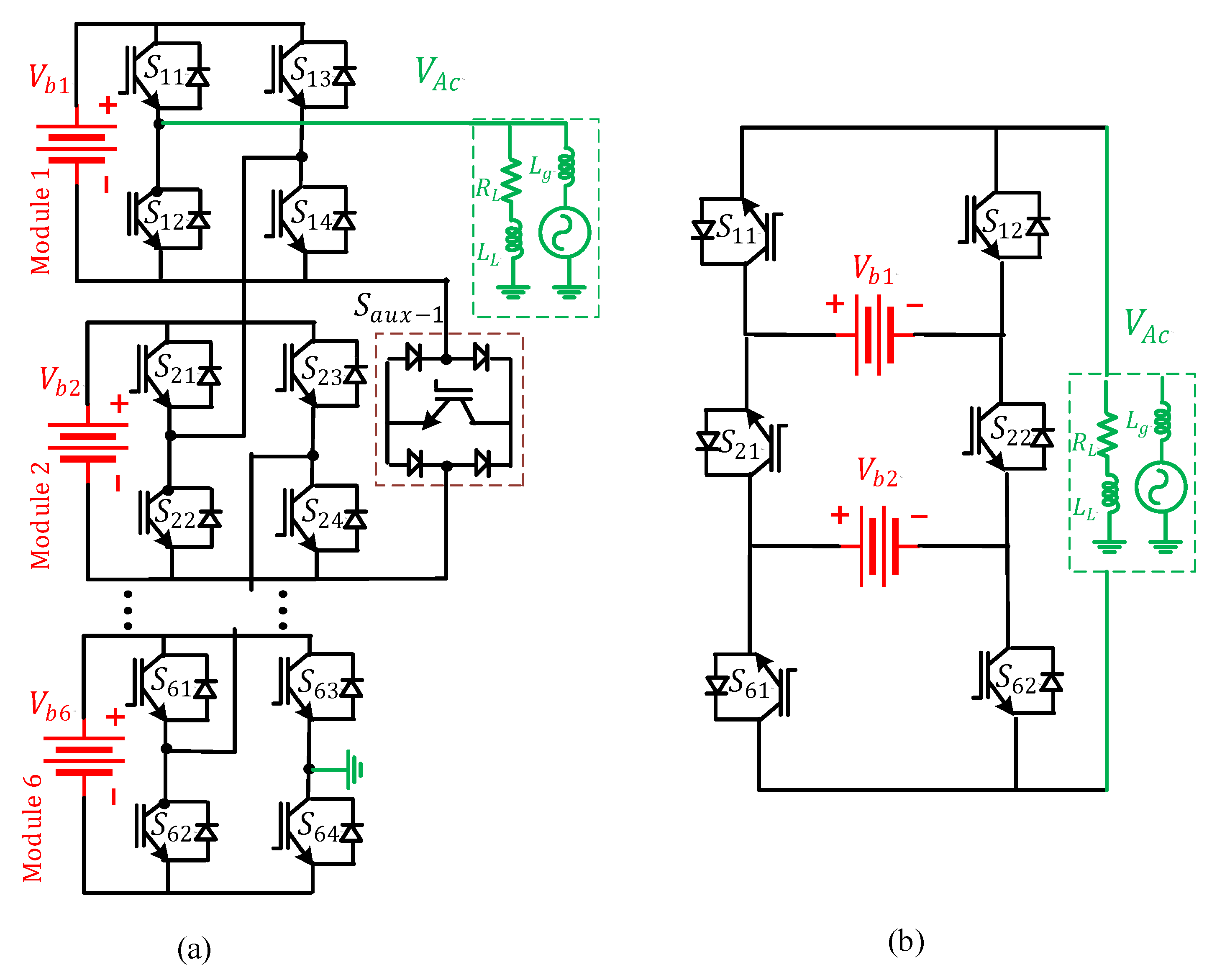
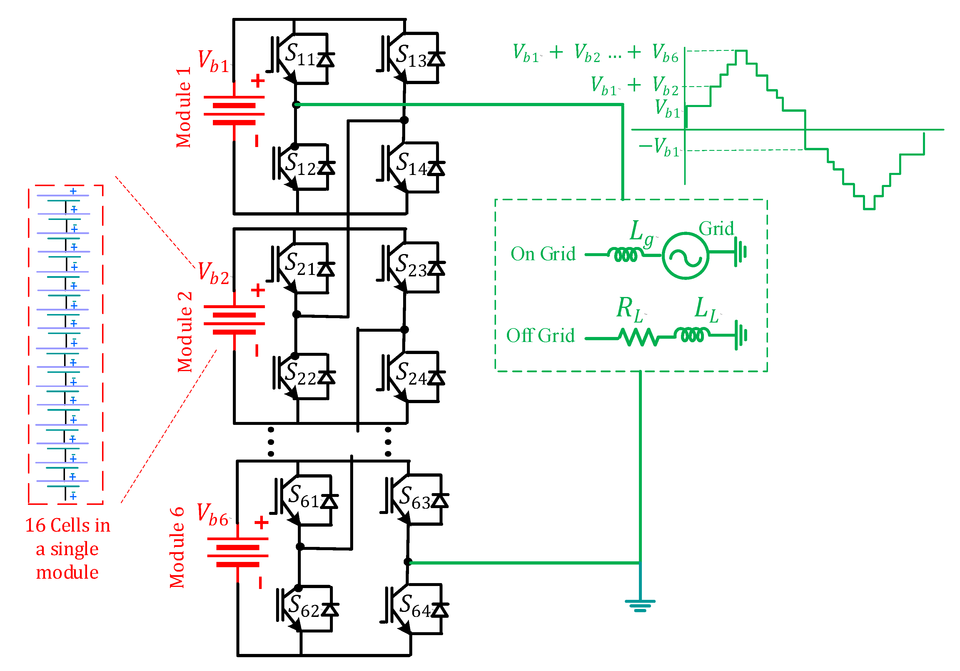
2.3.1. Cascaded H-Bridge (CHB) MLC
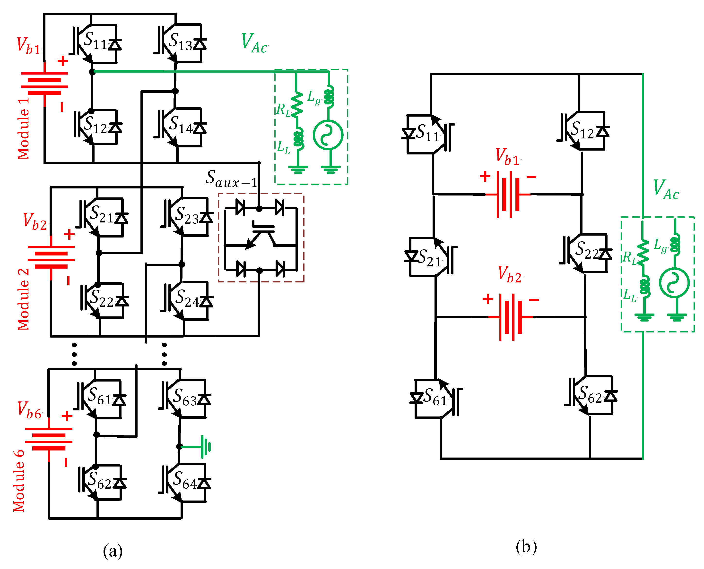
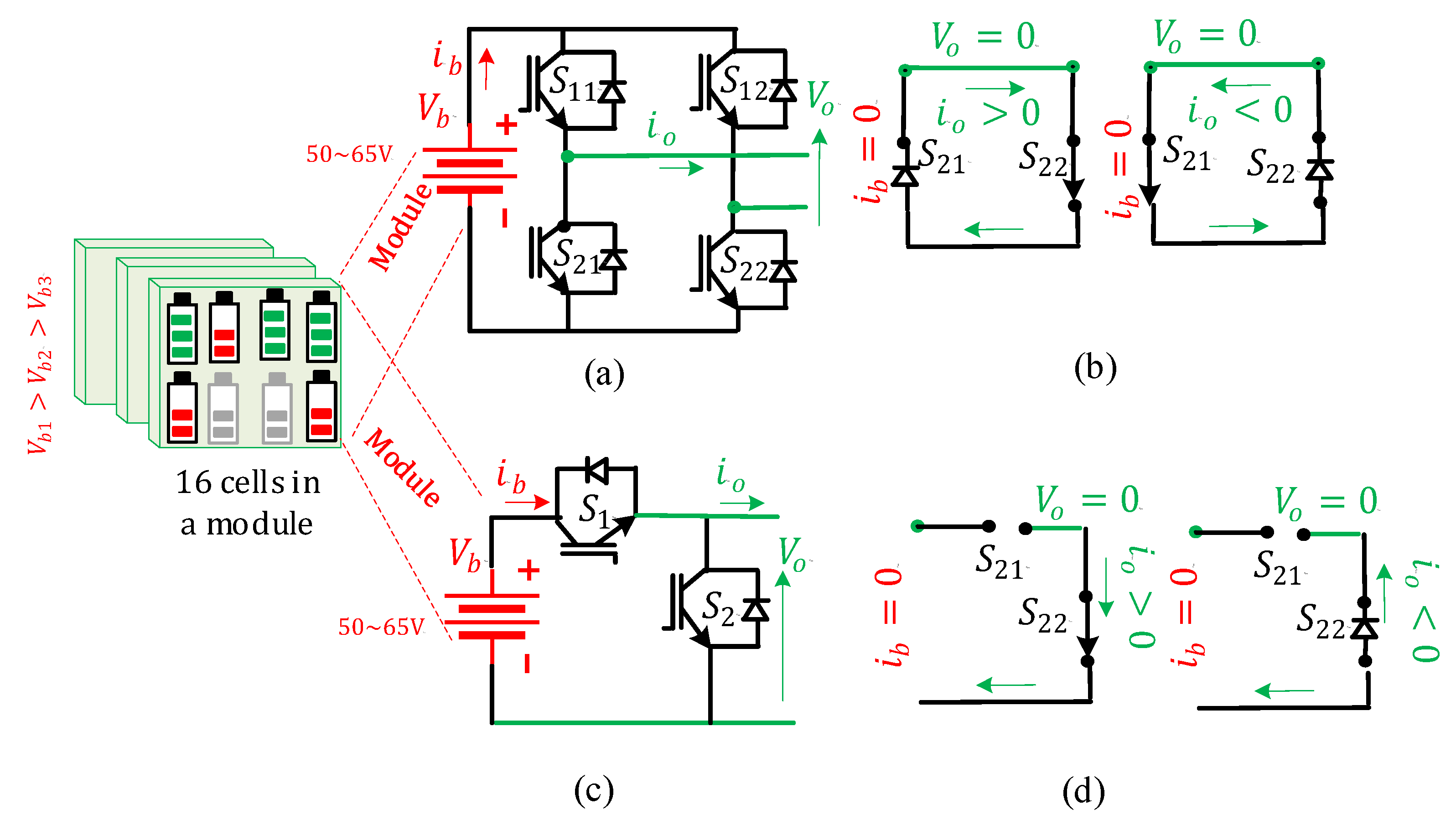
2.3.2. Reduced-Switch MLC
Reduced Cascaded Half-Bridge MLC
Modified Cascaded MLC
Packed U-Cell MLC
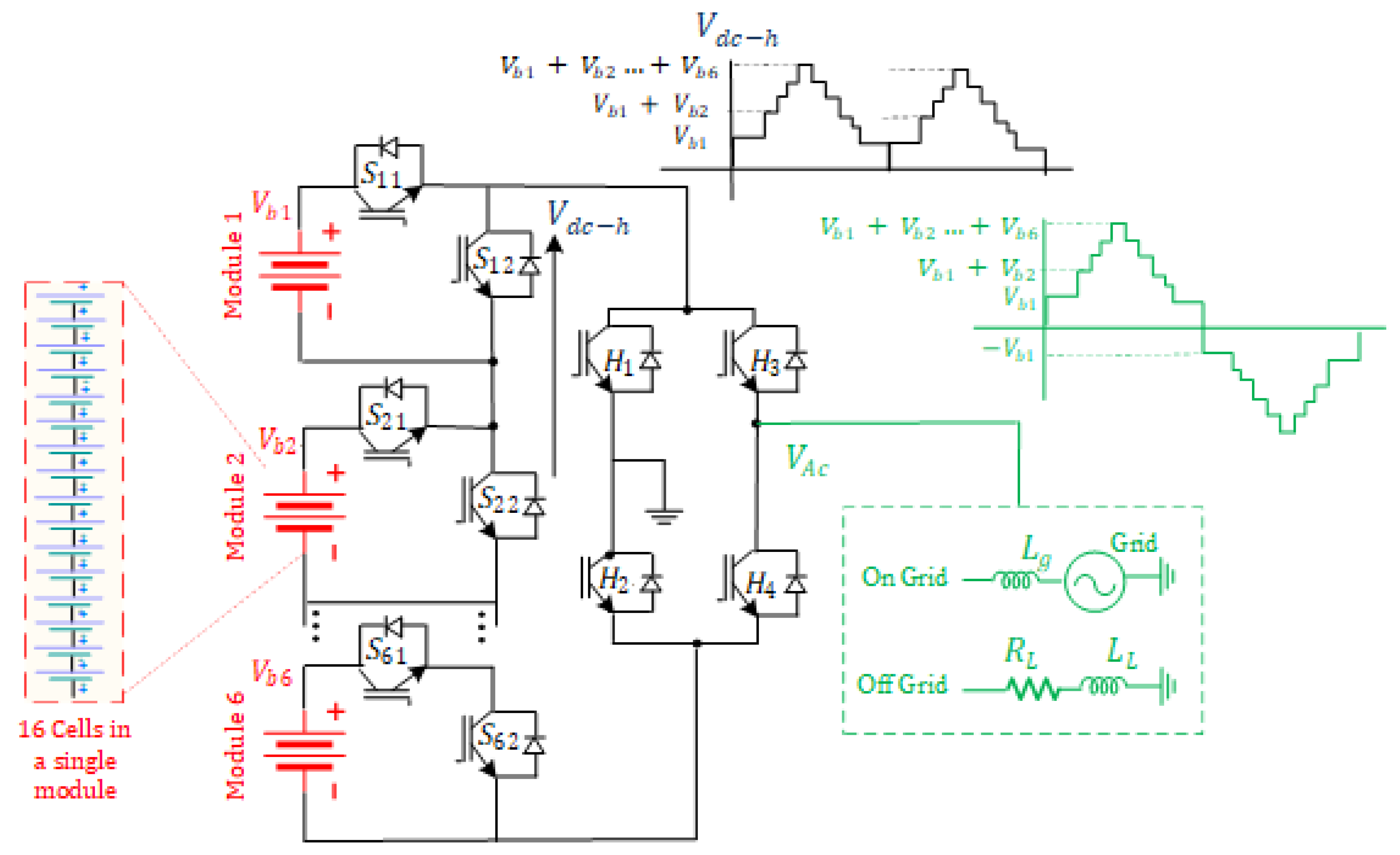
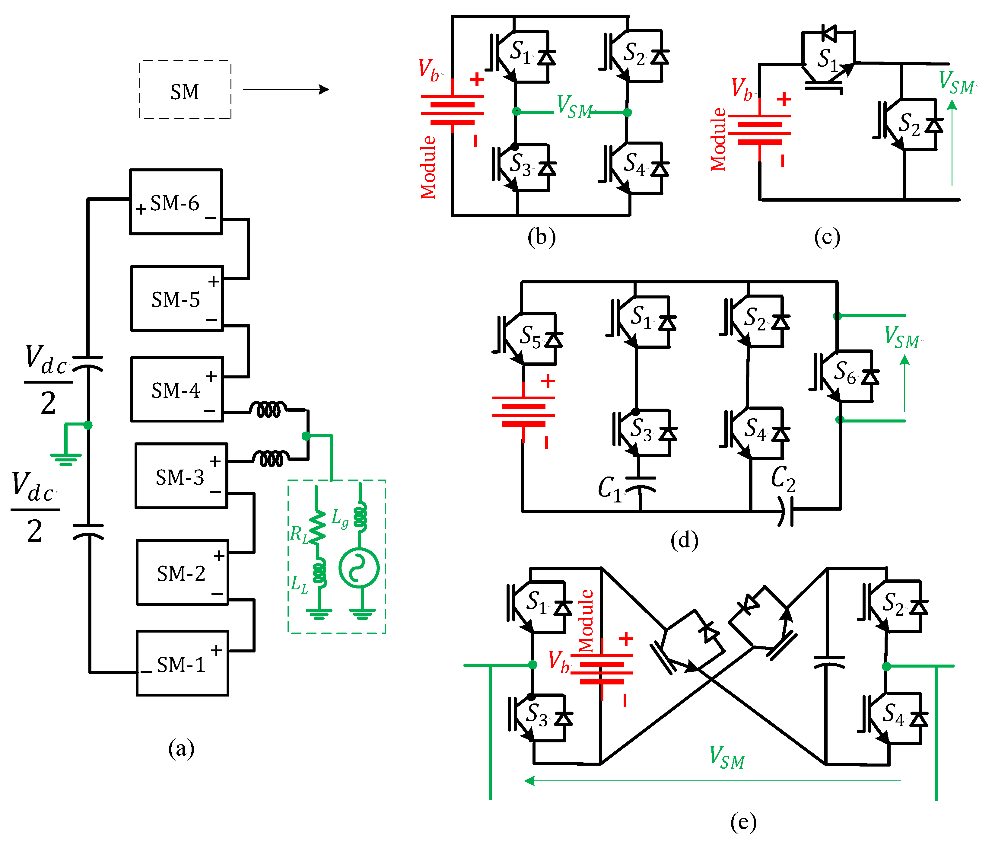
2.3.3. Modular MLC
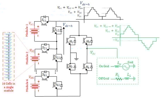
2.3.4. Hybrid MLC
3. Topological Comparison
- (i)
- Appropriate with no operational limitation;
- (ii)
- Possible but not efficient due to high switch count, lack of modularity, or high THD in the AC voltage;
- (iii)
- Not suitable at all due to functional limitations.
3.1. Off-Grid/Standalone Operation
3.2. On-Grid Operation
4. Modulation Strategies of Multiport MLCs
4.1. Basic Principle
4.2. Classification of Modulation Strategies
4.2.1. Multiple-Carrier-Based PWM
4.2.2. Fundamental Frequency-Based PWM
4.2.3. Variable-Frequency-Based PWM
4.3. Comparative Analysis
5. High-Level Control
5.1. Main Objective
5.2. Classification of Higher-Level Control Strategies
5.2.1. Synchronous Reference-Frame (SRF)-Based Control
5.2.2. Predictive Current Control (PCC)
5.2.3. Non-Synchronous Reference-Frame (PR)-Based Control
5.2.4. Nonlinear Control
5.3. Comparative Summary
6. Simulation Study
- Monitor the AC-side parameters using a short-duration test at low and rated current. The measurements include current-tracking error and voltage/current THD).
- Monitor the impact of active balancing on the DC voltage of all six battery modules using a long-duration charge–discharge test with balanced modules with the same initial OCV.
- Monitor the impact of active balancing on unbalanced battery modules with different initial OCV and SOC.
7. Conclusions
- (1)
- The state-of-the-art reduced-switch MLC topologies reported in the literature [35,36,38,66,67,68,69,70,71,72,73,74,75,76] are good candidates for only standalone applications and cannot inject power in the grid-connected mode. Two such topologies are reduced-switch cascaded half-bridge [73] and modified cascaded configurations [35,38].
- (2)
- There is no universal topology that can be attributed as the best candidate for a dual (grid-connected and standalone) mode of operation. However, except for a relatively higher footprint, the symmetric cascaded H-bridge can be an optimal topology for a dual mode of operation.
- (3)
- Many modulation strategies that are used for multiport MLCs maintain energy balance only among the battery modules. Therefore, these PWM strategies lack effectiveness when combined with the role of active balancing among unbalanced modules with different capacities/chemistries. These include all phase-shifted PWM methods and fundamental-frequency PWM methods with offline-angle calculations [108].
- (4)
- Amplitude-based carrier PWM methods are inherently unbalanced, and the carrier signals need to be readjusted every few cycles even if the modules have the same initial OCV/SOC.
- (5)
- At low power, the phase-shifted PWM strategy offers the lowest voltage and current THD (10% and 2.6%, respectively) compared to level-shifted carrier-based techniques. At rated power, AOP-PWM offers the lowest current THD of 1.7%.
- (6)
- The balancing potential of the AOP-PWM strategy is 33% lower than the EP and OP-PWM methods.
Author Contributions
Funding
Data Availability Statement
Acknowledgments
Conflicts of Interest
References
- Bakeer, A.; Chub, A.; Shen, Y.; Sangwongwanich, A. Reliability Analysis of Battery Energy Storage System for Various Stationary Applications. J. Energy Storage 2022, 50, 104217. [Google Scholar] [CrossRef]
- Faessler, B. Stationary, Second Use Battery Energy Storage Systems and Their Applications: A Research Review. Energies 2021, 14, 2335. [Google Scholar] [CrossRef]
- Singh, R.; Nakka, J. Design, Simulation and Performance Analysis of Fuel Cell Based Energy System with Cascaded H-Bridge Multilevel Inverter. In Proceedings of the 2016 IEEE 1st International Conference on Power Electronics, Intelligent Control and Energy Systems (ICPEICES), Delhi, India, 4–6 July 2016; pp. 1–6. [Google Scholar]
- Wang, Y.; Aksoz, A.; Geury, T.; Ozturk, S.B.; Kivanc, O.C.; Hegazy, O. A Review of Modular Multilevel Converters for Stationary Applications. Appl. Sci. 2020, 10, 7719. [Google Scholar] [CrossRef]
- Wang, L.; Wu, Q.H.; Tang, W. Novel Cascaded Switched-Diode Multilevel Inverter for Renewable Energy Integration. IEEE Trans. Energy Convers. 2017, 32, 1574–1582. [Google Scholar] [CrossRef]
- Schram, W.L.; Lampropoulos, I.; van Sark, W.G. Photovoltaic Systems Coupled with Batteries That Are Optimally Sized for Household Self-Consumption: Assessment of Peak Shaving Potential. Appl. Energy 2018, 223, 69–81. [Google Scholar] [CrossRef]
- Luthander, R.; Widén, J.; Munkhammar, J.; Lingfors, D. Self-Consumption Enhancement and Peak Shaving of Residential Photovoltaics Using Storage and Curtailment. Energy 2016, 112, 221–231. [Google Scholar] [CrossRef]
- Jansson, S. Evaluation of KPIs and Battery Usage of Li-Ion BESS for FCR Application; Uppsala Universitet: Uppsala, Sweden, 2019. [Google Scholar]
- Rancilio, G.; Rossi, A.; Di Profio, C.; Alborghetti, M.; Galliani, A.; Merlo, M. Grid-Scale BESS for Ancillary Services Provision: SoC Restoration Strategies. Appl. Sci. 2020, 10, 4121. [Google Scholar] [CrossRef]
- Alaperä, I.; Hakala, T.; Honkapuro, S.; Pylvänäinen, J.; Kaipia, T.; Manner, P.; Kulla, T. Battery System as a Service for a Distribution System Operator; AIM: Canberra, Australia, 2019. [Google Scholar]
- Choi, J.W.; Aurbach, D. Promise and Reality of Post-Lithium-Ion Batteries with High Energy Densities. Nat. Rev. Mater. 2016, 1, 16013. [Google Scholar] [CrossRef]
- Choi, D.; Shamim, N.; Crawford, A.; Huang, Q.; Vartanian, C.K.; Viswanathan, V.V.; Paiss, M.D.; Alam, M.J.E.; Reed, D.M.; Sprenkle, V.L. Li-Ion Battery Technology for Grid Application. J. Power Sources 2021, 511, 230419. [Google Scholar] [CrossRef]
- Hidalgo-León, R.; Siguenza, D.; Sanchez, C.; León, J.; Jácome-Ruiz, P.; Wu, J.; Ortiz, D. A Survey of Battery Energy Storage System (BESS), Applications and Environmental Impacts in Power Systems. In Proceedings of the 2017 IEEE Second Ecuador Technical Chapters Meeting (ETCM), Salinas, Ecuador, 16–20 October 2017; pp. 1–6. [Google Scholar]
- Arias, N.B.; López, J.C.; Hashemi, S.; Franco, J.F.; Rider, M.J. Multi-Objective Sizing of Battery Energy Storage Systems for Stackable Grid Applications. IEEE Trans. Smart Grid 2020, 12, 2708–2721. [Google Scholar] [CrossRef]
- Zhang, Y.; Gevorgian, V.; Wang, C.; Lei, X.; Chou, E.; Yang, R.; Li, Q.; Jiang, L. Grid-Level Application of Electrical Energy Storage: Example Use Cases in the United States and China. IEEE Power Energy Mag. 2017, 15, 51–58. [Google Scholar] [CrossRef]
- +Pavić, I.; Luburić, Z.; Pandžić, H.; Capuder, T.; Andročec, I. Defining and Evaluating Use Cases for Batter*y Energy Storage Investments: Case Study in Croatia. Energies 2019, 12, 376. [Google Scholar]
- Lawder, M.T.; Suthar, B.; Northrop, P.W.C.; De, S.; Hoff, C.M.; Leitermann, O.; Crow, M.L.; Santhanagopalan, S.; Subramanian, V.R. Battery Energy Storage System (BESS) and Battery Management System (BMS) for Grid-Scale Applications. Proc. IEEE 2014, 102, 1014–1030. [Google Scholar] [CrossRef]
- Alhejaj, S.M.; Gonzalez-Longatt, F.M. Investigation on Grid-Scale BESS Providing Inertial Response Support. In Proceedings of the 2016 IEEE International Conference on Power System Technology (POWERCON), Wollongong, NSW, Australia, 28 September–1 October 2016; pp. 1–6. [Google Scholar]
- Fernández-Muñoz, D.; Pérez-Díaz, J.I.; Guisández, I.; Chazarra, M.; Fernández-Espina, Á. Fast Frequency Control Ancillary Services: An International Review. Renew. Sustain. Energy Rev. 2020, 120, 109662. [Google Scholar] [CrossRef]
- Sandelic, M.; Stroe, D.-I.; Iov, F. Battery Storage-Based Frequency Containment Reserves in Large Wind Penetrated Scenarios: A Practical Approach to Sizing. Energies 2018, 11, 3065. [Google Scholar] [CrossRef]
- Kim, J.-H.; Choi, K.-Y.; Kim, R.-Y. A Low Frequency Input Current Reduction Scheme of a Two-Stage Single-Phase Inverter with DC-DC Boost Converter. In Proceedings of the 2014 IEEE Applied Power Electronics Conference and Exposition-APEC 2014, Fort Worth, TX, USA, 16–20 March 2014; pp. 2351–2358. [Google Scholar]
- Lo, K.-Y.; Chen, Y.-M.; Chang, Y.-R. Bidirectional Single-Stage Grid-Connected Inverter for a Battery Energy Storage System. IEEE Trans. Ind. Electron. 2016, 64, 4581–4590. [Google Scholar] [CrossRef]
- Kim, H.; Parkhideh, B.; Bongers, T.D.; Gao, H. Reconfigurable Solar Converter: A Single-Stage Power Conversion PV-Battery System. IEEE Trans. Power Electron. 2012, 28, 3788–3797. [Google Scholar] [CrossRef]
- Ponnaluri, S.; Linhofer, G.O.; Steinke, J.K.; Steimer, P.K. Comparison of Single and Two Stage Topologies for Interface of BESS or Fuel Cell System Using the ABB Standard Power Electronics Building Blocks. In Proceedings of the 2005 European Conference on Power Electronics and Applications, Dresden, Germany, 11–14 September 2005; p. 9. [Google Scholar]
- Kıvrak, S.; Özer, T.; Oğuz, Y.; Kelek, M.M. Novel Active and Passive Balancing Method-Based Battery Management System Design and Implementation. J. Power Electron. 2021, 21, 1855–1865. [Google Scholar] [CrossRef]
- Ziegler, A.; Oeser, D.; Arndt, B.; Ackva, A. Comparison of Active and Passive Balancing by a Long Term Test Including a Post-Mortem Analysis of All Single Battery Cells. In Proceedings of the 2018 International IEEE Conference and Workshop in Óbuda on Electrical and Power Engineering (CANDO-EPE), Budapest, Hungary, 20–21 November 2018; pp. 15–20. [Google Scholar]
- Vitols, K. Redesign of Passive Balancing Battery Management System to Active Balancing with Integrated Charger Converter. In Proceedings of the 2014 14th Biennial Baltic Electronic Conference (BEC), Tallinn, Estonia, 6–8 October 2014; pp. 241–244. [Google Scholar]
- Aizpuru, I.; Iraola, U.; Mari, J.; Goikoetxea, A. Comparative Study and Evaluation of Passive Balancing against Single Switch Active Balancing Systems for Energy Storage Systems. In Proceedings of the PCIM Europe 2016; International Exhibition and Conference for Power Electronics, Intelligent Motion, Renewable Energy and Energy Management, Nuremberg, Germany, 10–12 May 2016; VDE: Frankfurt, Germany, 2016; pp. 1–9. [Google Scholar]
- Palma, L.; Enjeti, P. An Inverter Output Filter to Mitigate DV/Dt Effects in PWM Drive System. In Proceedings of the APEC. Seventeenth Annual IEEE Applied Power Electronics Conference and Exposition (Cat. No. 02CH37335), Dallas, TX, USA, 10–14 March 2002; Volume 1, pp. 550–556. [Google Scholar]
- Colak, I.; Kabalci, E.; Bayindir, R. Review of Multilevel Voltage Source Inverter Topologies and Control Schemes. Energy Convers. Manag. 2011, 52, 1114–1128. [Google Scholar] [CrossRef]
- Abu-Rub, H.; Holtz, J.; Rodriguez, J.; Baoming, G. Medium-Voltage Multilevel Converters—State of the Art, Challenges, and Requirements in Industrial Applications. IEEE Trans. Ind. Electron. 2010, 57, 2581–2596. [Google Scholar] [CrossRef]
- Amankwah, E.K.; Watson, A.J.; Clare, J.C. Operation of a Hybrid Modular Multilevel Converter during Grid Voltage Unbalance. IET Gener. Transm. Distrib. 2016, 10, 3102–3110. [Google Scholar] [CrossRef]
- Behrouzian, E.; Bongiorno, M.; De La Parra, H.Z. An Overview of Multilevel Converter Topologies for Grid Connected Applications. In Proceedings of the 2013 15th European Conference on Power Electronics and Applications (EPE), Lille, France, 2–6 September 2013; pp. 1–10. [Google Scholar]
- Bughneda, A.; Salem, M.; Richelli, A.; Ishak, D.; Alatai, S. Review of Multilevel Inverters for PV Energy System Applications. Energies 2021, 14, 1585. [Google Scholar] [CrossRef]
- Liu, M.; Cao, X.; Cao, C.; Wang, P.; Wang, C.; Pei, J.; Lei, H.; Jiang, X.; Li, R.; Li, J. A Review of Power Conversion Systems and Design Schemes of High-Capacity Battery Energy Storage Systems. IEEE Access 2022, 10, 52030–52042. [Google Scholar] [CrossRef]
- Sinha, A.; Jana, K.C.; Das, M.K. An Inclusive Review on Different Multi-Level Inverter Topologies, Their Modulation and Control Strategies for a Grid Connected Photo-Voltaic System. Sol. Energy 2018, 170, 633–657. [Google Scholar] [CrossRef]
- R-anjan, R.K.; Tiwari, P.N. Detailed Review on Multilevel Inverters Driving Renewable Energy Systems with PWM Modulation Technique. Res. J. Eng. Technol. Med. Sci. 2022, 5, 250–256. [Google Scholar]
- Mohamad, A.S.; Mariun, N.; Sulaiman, N.; Radzi, M.A.M. A New Cascaded Multilevel Inverter Topology with Minimum Number of Conducting Switches. In Proceedings of the 2014 IEEE Innovative Smart Grid Technologies-Asia (ISGT Asia), Kuala Lumpur, Malaysia, 20–23 May 2014; pp. 164–169. [Google Scholar]
- Eyer, J.; Corey, G. Energy Storage for the Electricity Grid: Benefits and Market Potential Assessment Guide. Sandia Natl. Lab. 2010, 20, 5. [Google Scholar]
- Hesse, H.C.; Schimpe, M.; Kucevic, D.; Jossen, A. Lithium-Ion Battery Storage for the Grid—A Review of Stationary Battery Storage System Design Tailored for Applications in Modern Power Grids. Energies 2017, 10, 2107. [Google Scholar] [CrossRef]
- Taallah, A.; Mekhilef, S. Active Neutral Point Clamped Converter for Equal Loss Distribution. IET Power Electron. 2014, 7, 1859–1867. [Google Scholar] [CrossRef]
- Rodriguez, J.; Bernet, S.; Steimer, P.K.; Lizama, I.E. A Survey on Neutral-Point-Clamped Inverters. IEEE Trans. Ind. Electron. 2009, 57, 2219–2230. [Google Scholar] [CrossRef]
- Burguete, E.; López, J.; Zabaleta, M. A New Five-Level Active Neutral-Point-Clamped Converter with Reduced Overvoltages. IEEE Trans. Ind. Electron. 2016, 63, 7175–7183. [Google Scholar] [CrossRef]
- Feng, C.; Liang, J.; Agelidis, V.G. Modified Phase-Shifted PWM Control for Flying Capacitor Multilevel Converters. IEEE Trans. Power Electron. 2007, 22, 178–185. [Google Scholar] [CrossRef]
- Jana, J.; Saha, H.; Bhattacharya, K. Das A Review of Inverter Topologies for Single-Phase Grid-Connected Photovoltaic Systems. Renew. Sustain. Energy Rev. 2017, 72, 1256–1270. [Google Scholar] [CrossRef]
- Adam, G.P.; Alajmi, B.; Ahmed, K.H.; Finney, S.J.; Williams, B.W. New Flying Capacitor Multilevel Converter. In Proceedings of the 2011 IEEE International Symposium on Industrial Electronics, Gdansk, Poland, 27–30 June 2011; pp. 335–339. [Google Scholar]
- Jana, K.C.; Biswas, S.; KarChaudhary, S. Dual Reference Phase Shifted PWM Technique for a N-Level Inverter Based Grid Connected Solar Photovoltaic System. IET Renew. Power Gener. 2016, 10, 928–935. [Google Scholar]
- Babaei, E.; Gowgani, S.S. Hybrid Multilevel Inverter Using Switched Capacitor Units. IEEE Trans. Ind. Electron. 2013, 61, 4614–4621. [Google Scholar] [CrossRef]
- Lezana, P.; Aceitón, R. Hybrid Multicell Converter: Topology and Modulation. IEEE Trans. Ind. Electron. 2010, 58, 3938–3945. [Google Scholar] [CrossRef]
- Mehta, P.; Kunapara, A.; Karelia, N. Improvement in Switching Strategy Used for Even Loss Distribution in ANPC Multilevel Inverter. Procedia Technol. 2015, 21, 386–392. [Google Scholar] [CrossRef]
- Gholizad, A.; Farsadi, M. A Novel State-of-Charge Balancing Method Using Improved Staircase Modulation of Multilevel Inverters. IEEE Trans. Ind. Electron. 2016, 63, 6107–6114. [Google Scholar] [CrossRef]
- Young, C.-M.; Chu, N.-Y.; Chen, L.-R.; Hsiao, Y.-C.; Li, C.-Z. A Single-Phase Multilevel Inverter with Battery Balancing. IEEE Trans. Ind. Electron. 2012, 60, 1972–1978. [Google Scholar] [CrossRef]
- Gautam, S.P.; Kumar, L.; Gupta, S. Single-phase Multilevel Inverter Topologies with Self-voltage Balancing Capabilities. IET Power Electron. 2018, 11, 844–855. [Google Scholar] [CrossRef]
- Lee, S.-W.; Lee, K.-M.; Choi, Y.-G.; Kang, B. Modularized Design of Active Charge Equalizer for Li-Ion Battery Pack. IEEE Trans. Ind. Electron. 2018, 65, 8697–8706. [Google Scholar] [CrossRef]
- Nelson, P.A.; Santini, D.J.; Barnes, J. Factors Determining the Manufacturing Costs of Lithium-Ion Batteries for PHEVs. World Electr. Veh. J. 2009, 3, 457–468. [Google Scholar] [CrossRef]
- Yu, J.; Zhang, G.; Peng, M.; Song, D.; Liu, M. Power-Matching Based SOC Balancing Method for Cascaded H-Bridge Multilevel Inverter. CPSS Trans. Power Electron. Appl. 2020, 5, 352–363. [Google Scholar] [CrossRef]
- Peng, F.Z. A Generalized Multilevel Inverter Topology with Self Voltage Balancing. IEEE Trans. Ind. Appl. 2001, 37, 611–618. [Google Scholar] [CrossRef]
- Maharjan, L.; Yamagishi, T.; Akagi, H. Active-Power Control of Individual Converter Cells for a Battery Energy Storage System Based on a Multilevel Cascade PWM Converter. IEEE Trans. Power Electron. 2010, 27, 1099–1107. [Google Scholar] [CrossRef]
- Du, Z.; Tolbert, L.M.; Ozpineci, B.; Chiasson, J.N. Fundamental Frequency Switching Strategies of a Seven-Level Hybrid Cascaded H-Bridge Multilevel Inverter. IEEE Trans. Power Electron. 2009, 24, 25–33. [Google Scholar] [CrossRef]
- Wei, S.; Wu, B.; Li, F.; Sun, X. Control Method for Cascaded H-Bridge Multilevel Inverter with Faulty Power Cells. In Proceedings of the Eighteenth Annual IEEE Applied Power Electronics Conference and Exposition, 2003—APEC’03, Miami Beach, FL, USA, 9–13 February 2003; Volume 1, pp. 261–267. [Google Scholar]
- Villanueva, E.; Correa, P.; Rodríguez, J.; Pacas, M. Control of a Single-Phase Cascaded H-Bridge Multilevel Inverter for Grid-Connected Photovoltaic Systems. IEEE Trans. Ind. Electron. 2009, 56, 4399–4406. [Google Scholar] [CrossRef]
- Sarkar, I.; Fernandes, B.G. A Hybrid Symmetric Cascaded H-Bridge Multilevel Converter Topology. IEEE J. Emerg. Sel. Top. Power Electron. 2021. [Google Scholar] [CrossRef]
- Raj, N.; Anand, A.; Riyas, A.; Jagadanand, G.; George, S. A Novel Open-Transistor Fault Detection Method in Symmetric Cascaded H-Bridge Multilevel Inverter. In Proceedings of the 2016 IEEE International Conference on Power Electronics, Drives and Energy Systems (PEDES), Trivandrum, India, 14–17 December 2016; pp. 1–6. [Google Scholar] [CrossRef]
- Mortezaei, A.; Simões, M.G.; Bubshait, A.S.; Busarello, T.D.C.; Marafão, F.P.; Al-Durra, A. Multifunctional Control Strategy for Asymmetrical Cascaded H-Bridge Inverter in Microgrid Applications. IEEE Trans. Ind. Appl. 2016, 53, 1538–1551. [Google Scholar] [CrossRef]
- Jiang, W.; Ren, K.; Xue, S.; Yang, C.; Xu, Z. Research on the Asymmetrical Multilevel Hybrid Energy Storage System Based on Hybrid Carrier Modulation. IEEE Trans. Ind. Electron. 2020, 68, 1241–1251. [Google Scholar] [CrossRef]
- Wu, F.; Li, X.; Feng, F.; Gooi, H.B. Modified Cascaded Multilevel Grid-Connected Inverter to Enhance European Efficiency and Several Extended Topologies. IEEE Trans. Industr Inform. 2015, 11, 1358–1365. [Google Scholar] [CrossRef]
- Babaei, E.; Hosseini, S.H.; Gharehpetian, G.B.; Haque, M.T.; Sabahi, M. Reduction of Dc Voltage Sources and Switches in Asymmetrical Multilevel Converters Using a Novel Topology. Electr. Power Syst. Res. 2007, 77, 1073–1085. [Google Scholar] [CrossRef]
- Chang, F.; Zheng, Z.; Li, Y. PWM Strategy of a Novel Cascaded Multi-Level Converter for Battery Management. In Proceedings of the 2014 17th International Conference on Electrical Machines and Systems (ICEMS), Hangzhou, China, 22–25 October 2014; pp. 3208–3212. [Google Scholar] [CrossRef]
- Sonti, V.; Dhara, S.; Kukade, P.; Jain, S.; Agarwal, V. Analysis for the Minimization of Leakage and Common Mode Currents in Cascaded Half-Bridge PV Fed Multilevel Inverter. IEEE J. Emerg. Sel. Top. Power Electron. 2018, 7, 2443–2452. [Google Scholar] [CrossRef]
- Mei, J.; Xiao, B.; Shen, K.; Tolbert, L.M.; Zheng, J.Y. Modular Multilevel Inverter with New Modulation Method and Its Application to Photovoltaic Grid-Connected Generator. IEEE Trans. Power Electron. 2013, 28, 5063–5073. [Google Scholar] [CrossRef]
- Xiao, B.; Hang, L.; Mei, J.; Riley, C.; Tolbert, L.M.; Ozpineci, B. Modular Cascaded H-Bridge Multilevel PV Inverter with Distributed MPPT for Grid-Connected Applications. IEEE Trans. Ind. Appl. 2014, 51, 1722–1731. [Google Scholar] [CrossRef]
- Zheng, Z.; Wang, K.; Peng, L.; Li, Y.; Xu, L. A Hybrid Cascaded Multi-Level Converter for Power Storage System. In Proceedings of the 2013 15th European Conference on Power Electronics and Applications (EPE), Lille, France, 2–6 September 2013; pp. 1–10. [Google Scholar] [CrossRef]
- Zheng, Z.; Wang, K.; Xu, L.; Li, Y. A Hybrid Cascaded Multilevel Converter for Battery Energy Management Applied in Electric Vehicles. IEEE Trans. Power Electron. 2013, 29, 3537–3546. [Google Scholar] [CrossRef]
- Konstantinou, G.S.; Agelidis, V.G. Performance Evaluation of Half-Bridge Cascaded Multilevel Converters Operated with Multicarrier Sinusoidal PWM Techniques. In Proceedings of the 2009 4th IEEE Conference on Industrial Electronics and Applications, Xi’an, China, 25–27 May 2009; pp. 3399–3404. [Google Scholar]
- Ounejjar, Y.; Al-Haddad, K.; Gregoire, L.-A. Packed U Cells Multilevel Converter Topology: Theoretical Study and Experimental Validation. IEEE Trans. Ind. Electron. 2010, 58, 1294–1306. [Google Scholar] [CrossRef]
- Metri, J.I.; Vahedi, H.; Kanaan, H.Y.; Al-Haddad, K. Real-Time Implementation of Model-Predictive Control on Seven-Level Packed U-Cell Inverter. IEEE Trans. Ind. Electron. 2016, 63, 4180–4186. [Google Scholar] [CrossRef]
- Gao, Z.; Lu, Q. A Hybrid Cascaded Multilevel Converter Based on Three-Level Cells for Battery Energy Management Applied in Electric Vehicles. IEEE Trans. Power Electron. 2018, 34, 7326–7349. [Google Scholar] [CrossRef]
- Nami, A.; Liang, J.; Dijkhuizen, F.; Demetriades, G.D. Modular Multilevel Converters for HVDC Applications: Review on Converter Cells and Functionalities. IEEE Trans. Power Electron. 2014, 30, 18–36. [Google Scholar] [CrossRef]
- Debnath, S.; Qin, J.; Bahrani, B.; Saeedifard, M.; Barbosa, P. Operation, Control, and Applications of the Modular Multilevel Converter: A Review. IEEE Trans. Power Electron. 2014, 30, 37–53. [Google Scholar] [CrossRef]
- Lee, S.S.; Sidorov, M.; Lim, C.S.; Idris, N.R.N.; Heng, Y.E. Hybrid Cascaded Multilevel Inverter (HCMLI) with Improved Symmetrical 4-Level Submodule. IEEE Trans. Power Electron. 2017, 33, 932–935. [Google Scholar] [CrossRef]
- Adam, G.P.; Davidson, I.E. Robust and Generic Control of Full-Bridge Modular Multilevel Converter High-Voltage DC Transmission Systems. IEEE Trans. Power Deliv. 2015, 30, 2468–2476. [Google Scholar] [CrossRef]
- Bhesaniya, M.M.; Shukla, A. Norton Equivalent Modeling of Current Source MMC and Its Use for Dynamic Studies of Back-to-Back Converter System. IEEE Trans. Power Deliv. 2016, 32, 1935–1945. [Google Scholar] [CrossRef]
- Nami, A.; Wang, L.; Dijkhuizen, F.; Shukla, A. Five Level Cross Connected Cell for Cascaded Converters. In Proceedings of the 2013 15th European Conference on Power Electronics and Applications (EPE), Lille, France, 2–6 September 2013; pp. 1–9. [Google Scholar] [CrossRef]
- Elserougi, A.A.; Massoud, A.M.; Ahmed, S. A Switched-Capacitor Submodule for Modular Multilevel HVDC Converters with DC-Fault Blocking Capability and a Reduced Number of Sensors. IEEE Trans. Power Deliv. 2015, 31, 313–322. [Google Scholar] [CrossRef]
- Zhang, J.; Jiang, C.; Han, Y. Modular Multilevel Converter Composite Submodule Topology and Control. J. Eng. 2019, 2019, 2643–2648. [Google Scholar] [CrossRef]
- Sandeep, N.; Yaragatti, U.R. Operation and Control of a Nine-Level Modified ANPC Inverter Topology with Reduced Part Count for Grid-Connected Applications. IEEE Trans. Ind. Electron. 2017, 65, 4810–4818. [Google Scholar] [CrossRef]
- Roy, J.; Chamarthi, P.; Agarwal, V. A Hybrid 9-Level Inverter with Minimum Number of Switches for Single Phase Grid Connected Solar PV System. In Proceedings of the 2016 IEEE 43rd Photovoltaic Specialists Conference (PVSC), Portland, OR, USA, 5–10 June 2016; pp. 3252–3257. [Google Scholar] [CrossRef]
- Chattopadhyay, S.K.; Chakraborty, C. A New Asymmetric Multilevel Inverter Topology Suitable for Solar PV Applications with Varying Irradiance. IEEE Trans. Sustain. Energy 2017, 8, 1496–1506. [Google Scholar] [CrossRef]
- Sandeep, N.; Yaragatti, U.R. Design and Implementation of a Sensorless Multilevel Inverter with Reduced Part Count. IEEE Trans. Power Electron. 2017, 32, 6677–6683. [Google Scholar] [CrossRef]
- Gupta, K.K.; Jain, S. A Novel Multilevel Inverter Based on Switched DC Sources. IEEE Trans. Ind. Electron. 2013, 61, 3269–3278. [Google Scholar] [CrossRef]
- Quraan, M.; Tricoli, P.; D’Arco, S.; Piegari, L. Efficiency Assessment of Modular Multilevel Converters for Battery Electric Vehicles. IEEE Trans. Power Electron. 2016, 32, 2041–2051. [Google Scholar] [CrossRef]
- Mhiesan, H.; Wei, Y.; Siwakoti, Y.P.; Mantooth, H.A. A Fault-Tolerant Hybrid Cascaded H-Bridge Multilevel Inverter. IEEE Trans. Power Electron. 2020, 35, 12702–12715. [Google Scholar] [CrossRef]
- Gao, F.; Zhang, L.; Zhou, Q.; Chen, M.; Xu, T.; Hu, S. State-of-Charge Balancing Control Strategy of Battery Energy Storage System Based on Modular Multilevel Converter. In Proceedings of the 2014 IEEE Energy Conversion Congress and Exposition (ECCE), Pittsburgh, PA, USA, 14–18 September 2014; pp. 2567–2574. [Google Scholar]
- De Simone, D.; Tricoli, P.; D’Arco, S.; Piegari, L. Windowed PWM: A Configurable Modulation Scheme for Modular Multilevel Converter-Based Traction Drives. IEEE Trans. Power Electron. 2020, 35, 9727–9736. [Google Scholar] [CrossRef]
- Iyer, K.V.; Mohan, N. Modulation and Commutation of a Single Stage Isolated Asymmetrical Multilevel Converter for the Integration of Renewables and Battery Energy Storage System in Ships. IEEE Trans. Transp. Electrif. 2016, 2, 580–596. [Google Scholar] [CrossRef]
- Leon, J.I.; Portillo, R.; Vazquez, S.; Padilla, J.J.; Franquelo, L.G.; Carrasco, J.M. Simple Unified Approach to Develop a Time-Domain Modulation Strategy for Single-Phase Multilevel Converters. IEEE Trans. Ind. Electron. 2008, 55, 3239–3248. [Google Scholar] [CrossRef]
- Shen, K.; Zhao, D.; Mei, J.; Tolbert, L.M.; Wang, J.; Ban, M.; Ji, Y.; Cai, X. Elimination of Harmonics in a Modular Multilevel Converter Using Particle Swarm Optimization-Based Staircase Modulation Strategy. IEEE Trans. Ind. Electron. 2014, 61, 5311–5322. [Google Scholar] [CrossRef]
- Guo, X.; Wang, X.; Wang, C.; Lu, Z.; Hua, C.; Blaabjerg, F. Improved Modulation Strategy for Singe-Phase Cascaded H-Bridge Multilevel Inverter. IEEE Trans. Power Electron. 2021, 37, 2470–2474. [Google Scholar] [CrossRef]
- Ma, K.; Muñoz-Aguilar, R.S.; Rodriguez, P.; Blaabjerg, F. Thermal and Efficiency Analysis of Five-Level Multilevel-Clamped Multilevel Converter Considering Grid Codes. IEEE Trans. Ind. Appl. 2013, 50, 415–423. [Google Scholar]
- Babaie, M.; Abarzadeh, M.; Al-Haddad, K. An Improved High-Resolution Wide Bandwidth ANPC Converter Using VLMM and Lyapunov Stability Theory for Grid-Connected Applications. In Proceedings of the 2022 IEEE Energy Conversion Congress and Exposition (ECCE), Detroit, MI, USA, 9–13 October 2022; pp. 1–6. [Google Scholar]
- Sarkar, I.; Fernandes, B.G. Modified Hybrid Multi-Carrier PWM Technique for Cascaded H-Bridge Multilevel Inverter. In Proceedings of the IECON 2014-40th Annual Conference of the IEEE Industrial Electronics Society, Dallas, TX, USA, 29 October–1 November 2014; pp. 4318–4324. [Google Scholar]
- Aghdam, M.G.H.; Fathi, S.H.; Gharehpetian, G.B. Analysis of Multi-Carrier PWM Methods for Asymmetric Multi-Level Inverter. In Proceedings of the 2008 3rd IEEE Conference on Industrial Electronics and Applications, Singapore, 3–5 June 2008; pp. 2057–2062. [Google Scholar]
- McGrath, B.P.; Holmes, D.G. Multicarrier PWM Strategies for Multilevel Inverters. IEEE Trans. Ind. Electron. 2002, 49, 858–867. [Google Scholar] [CrossRef]
- Kaliannan, T.; Albert, J.R.; Begam, D.M.; Madhumathi, P. Power Quality Improvement in Modular Multilevel Inverter Using for Different Multicarrier PWM. Eur. J. Electr. Eng. Comput. Sci. 2021, 5, 19–27. [Google Scholar] [CrossRef]
- Ramaprabha, R.; Malathy, S.; Krishnan, N.R. A 17-Level Asymmetric Multilevel Inverter with Fundamental Frequency PWM Schemes. In Proceedings of the 2019 2nd International Conference on Power and Embedded Drive Control (ICPEDC), Chennai, India, 21–23 August 2019; pp. 510–515. [Google Scholar]
- Radan, A.; Shahirinia, A.H.; Falahi, M. Evaluation of Carrier-Based PWM Methods for Multi-Level Inverters. In Proceedings of the 2007 IEEE International Symposium on Industrial Electronics, Vigo, Spain, 4–7 June 2007; pp. 389–394. [Google Scholar]
- Dahidah, M.S.A.; Konstantinou, G.; Agelidis, V.G. A Review of Multilevel Selective Harmonic Elimination PWM: Formulations, Solving Algorithms, Implementation and Applications. IEEE Trans. Power Electron. 2014, 30, 4091–4106. [Google Scholar] [CrossRef]
- Monem, M.A.; Hegazy, O.; Omar, N.; Van Mierlo, J.; Van Den Bossche, P.; Mulder, G.; Mantels, B. Influence of Selective Harmonic Elimination Technique of Multi-Level DC/DC Converter on Second-Life Battery Performances. In Proceedings of the 2013 International Conference on Renewable Energy Research and Applications (ICRERA), Madrid, Spain, 20–23 October 2013; pp. 1107–1111. [Google Scholar]
- Thakre, M.P.; Jadhav, T.K.; Patil, S.S.; Butale, V.R. Modular Multilevel Converter with Simplified Nearest Level Control (NLC) Strategy for Voltage Balancing Perspective. In Proceedings of the 2021 Innovations in Energy Management and Renewable Resources (52042), Kolkata, India, 5–7 February 2021; pp. 1–8. [Google Scholar]
- Nguyen, M.H.; Kwak, S. Nearest-Level Control Method with Improved Output Quality for Modular Multilevel Converters. IEEE Access 2020, 8, 110237–110250. [Google Scholar] [CrossRef]
- Meshram, P.M.; Borghate, V.B. A Simplified Nearest Level Control (NLC) Voltage Balancing Method for Modular Multilevel Converter (MMC). IEEE Trans. Power Electron. 2014, 30, 450–462. [Google Scholar] [CrossRef]
- Tsai, C.-T.; Chen, S.-H. PV Power-Generation System with a Phase-Shift PWM Technique for High Step-up Voltage Applications. Int. J. Photoenergy 2012, 2012, 838231. [Google Scholar] [CrossRef]
- Lee, J.-D.; Park, D.-H.; Kim, R.-Y. Novel Variable Switching Frequency PWM Strategy for a SiC-MOSFET-Based Electric Vehicle Inverter to Increase Battery Usage Time. IEEE Access 2022, 10, 21929–21940. [Google Scholar] [CrossRef]
- Rangarajan, S.S.; Collins, E.R.; Fox, J.C. Comparative Impact Assessment of Filter Elements Associated with PWM and Hysteresis Controlled PV on Network Harmonic Resonance in Distribution Systems. In Proceedings of the 2017 IEEE 6th International Conference on Renewable Energy Research and Applications (ICRERA), San Diego, CA, USA, 5–8 November 2017; pp. 80–85. [Google Scholar]
- Jia, J.; Yang, G.; Nielsen, A.H. A Review on Grid-Connected Converter Control for Short-Circuit Power Provision under Grid Unbalanced Faults. IEEE Trans. Power Deliv. 2017, 33, 649–661. [Google Scholar] [CrossRef]
- Taul, M.G.; Wang, X.; Davari, P.; Blaabjerg, F. An Overview of Assessment Methods for Synchronization Stability of Grid-Connected Converters under Severe Symmetrical Grid Faults. IEEE Trans. Power Electron. 2019, 34, 9655–9670. [Google Scholar] [CrossRef]
- El-Hosainy, A.; Hamed, H.A.; Azazi, H.Z.; El-Kholy, E.E. A Review of Multilevel Inverter Topologies, Control Techniques, and Applications. In Proceedings of the 2017 Nineteenth International Middle East Power Systems Conference (MEPCON), Cairo, Egypt, 19–21 December 2017; pp. 1265–1275. [Google Scholar]
- Bhattacharya, S.; Divan, D. Synchronous Frame Based Controller Implementation for a Hybrid Series Active Filter System. In Proceedings of the IAS ’95—Conference Record of the 1995 IEEE Industry Applications Conference Thirtieth IAS Annual Meeting, Orlando, FL, USA, 8–12 October 1995; Volume 3, pp. 2531–2540. [Google Scholar]
- Kesler, M.; Ozdemir, E. Synchronous-Reference-Frame-Based Control Method for UPQC Under Unbalanced and Distorted Load Conditions. IEEE Trans. Ind. Electron. 2011, 58, 3967–3975. [Google Scholar] [CrossRef]
- Chatzinikolaou, E.; Rogers, D.J. Cell SoC Balancing Using a Cascaded Full-Bridge Multilevel Converter in Battery Energy Storage Systems. IEEE Trans. Ind. Electron. 2016, 63, 5394–5402. [Google Scholar] [CrossRef]
- Ambrozic, V.; Fiser, R.; Nedeljkovic, D. Direct Current Control-a New Current Regulation Principle. IEEE Trans. Power Electron. 2003, 18, 495–503. [Google Scholar] [CrossRef]
- Korn, A.J.; Winkelnkemper, M.; Steimer, P. Low Output Frequency Operation of the Modular Multi-Level Converter. In Proceedings of the 2010 IEEE Energy Conversion Congress and Exposition, Atlanta, GA, USA, 12–16 September 2010; pp. 3993–3997. [Google Scholar]
- Anuchin, A.; Lashkevich, M.; Shpak, D.; Aliamkin, D.; Zharkov, A.; Briz, F. Current Control of AC Drives Using Shunt Current Sensors and Delta-Sigma Modulation. In Proceedings of the IECON 2018—44th Annual Conference of the IEEE Industrial Electronics Society, Washington, DC, USA, 21–23 October 2018; pp. 445–449. [Google Scholar]
- Geyer, T.; Quevedo, D.E. Multistep Direct Model Predictive Control for Power Electronics—Part 1: Algorithm. In Proceedings of the 2013 IEEE Energy Conversion Congress and Exposition, Denver, CO, USA, 15–19 September 2013; pp. 1154–1161. [Google Scholar]
- Geyer, T.; Quevedo, D.E. Multistep Direct Model Predictive Control for Power Electronics—Part 2: Analysis. In Proceedings of the 2013 IEEE Energy Conversion Congress and Exposition, Denver, CO, USA, 15–19 September 2013; pp. 1162–1169. [Google Scholar]
- Cortés, P.; Wilson, A.; Kouro, S.; Rodriguez, J.; Abu-Rub, H. Model Predictive Control of Multilevel Cascaded H-Bridge Inverters. IEEE Trans. Ind. Electron. 2010, 57, 2691–2699. [Google Scholar] [CrossRef]
- Aguilera, R.P.; Baidya, R.; Acuna, P.; Vazquez, S.; Mouton, T.; Agelidis, V.G. Model Predictive Control of Cascaded H-Bridge Inverters Based on a Fast-Optimization Algorithm. In Proceedings of the IECON 2015—41st Annual Conference of the IEEE Industrial Electronics Society, Yokohama, Japan, 9–12 November 2015; pp. 4003–4008. [Google Scholar]
- Zhou, Y.; Jiang, D.; Guo, J.; Hu, P.; Liang, Y. Analysis and Control of Modular Multilevel Converters Under Unbalanced Conditions. IEEE Trans. Power Deliv. 2013, 28, 1986–1995. [Google Scholar] [CrossRef]
- Li, J.; Konstantinou, G.; Wickramasinghe, H.R.; Pou, J. Operation and Control Methods of Modular Multilevel Converters in Unbalanced AC Grids: A Review. IEEE J. Emerg. Sel. Top. Power Electron. 2019, 7, 1258–1271. [Google Scholar] [CrossRef]
- Ishfaq, M.; Uddin, W.; Zeb, K.; Islam, S.U.; Hussain, S.; Khan, I.; Kim, H.J. Active and Reactive Power Control of Modular Multilevel Converter Using Sliding Mode Controller. In Proceedings of the 2019 2nd International Conference on Computing, Mathematics and Engineering Technologies (iCoMET), Sukkur, Pakistan, 30–31 January 2019; pp. 1–5. [Google Scholar]
- Yang, Q.; Saeedifard, M.; Perez, M.A. Sliding Mode Control of the Modular Multilevel Converter. IEEE Trans. Ind. Electron. 2019, 66, 887–897. [Google Scholar] [CrossRef]
- Nguyen, V.Q.; Le, T.L.; Nguyen, M.T. Sliding Mode Control for Cascaded Multilevel Inverters. In Proceedings of the 2019 International Conference on System Science and Engineering (ICSSE), Dong Hoi, Vietnam, 20–21 July 2019; pp. 495–500. [Google Scholar]
- Corzine, K.A. A Hysteresis Current-Regulated Control for Multi-Level Drives. IEEE Trans. Energy Convers. 2000, 15, 169–175. [Google Scholar] [CrossRef]
- Shukla, A.; Ghosh, A.; Joshi, A. Hysteresis Modulation of Multilevel Inverters. IEEE Trans. Power Electron. 2010, 26, 1396–1409. [Google Scholar] [CrossRef]
- Marchesoni, M. High-Performance Current Control Techniques for Application to Multilevel High-Power Voltage Source Inverters. IEEE Trans. Power Electron. 1992, 7, 189–204. [Google Scholar] [CrossRef]
- Atia, Y.; Ahmed, M.; Eliwa, A.; Salem, M. Deadbeat Current Controller Design for Multilevel Grid Connected Inverter. Energy Procedia 2016, 100, 237–242. [Google Scholar] [CrossRef]
- Martin, D.; Santi, E. Autotuning of Digital Deadbeat Current Controllers for Grid-Tie Inverters Using Wide Bandwidth Impedance Identification. IEEE Trans. Ind. Appl. 2013, 50, 441–451. [Google Scholar] [CrossRef]























| Mode | State Controller | Output Voltage | FB Switch State | Battery-Module State | Output Current | ||||
|---|---|---|---|---|---|---|---|---|---|
| 1 | 1 | 1 | 0 | 0 | 1 | Charging | Negative | Negative | |
| 2 | 1 | Discharging | Positive | Positive | |||||
| 3 | 0 | 1 | 1 | 0 | 0 | Bypassed | 0 | Positive | |
| 4 | 0 | 0 | 0 | 1 | 1 | Bypassed | 0 | Negative | |
| 5 | −1 | 0 | 1 | 1 | 0 | Charging | Positive | Positive | |
| 6 | −1 | Discharging | Negative | Negative | |||||
| Mode | State Controller | Output Voltage | HB Switch State | Battery Module State | Output Current | ||
|---|---|---|---|---|---|---|---|
| 1 | 1 | 1 | 0 | Charging | Negative | Negative | |
| 2 | 1 | Discharging | Positive | Positive | |||
| 3 | 0 | 0 | 1 | Bypassed | 0 | Positive | |
| 4 | 0 | 0 | 1 | Bypassed | 0 | Negative | |
| 5 | −1 | NA | |||||
| 6 | −1 | ||||||
| Topology | Class | Ref | Structure | Switch (Diode) Count | Passive Element (Count) | AC Mode | Active Balancing | AC Levels | Merits/Demerits |
|---|---|---|---|---|---|---|---|---|---|
| NPC | MLC with two port interface | [41,42,43] | Traditional | 8(6) | C(4) L(1) | *G”, *O | NA | 5 | Bipolar DC-bus compatible/uneven switch utilization, lacks isolation |
| Flying capacitor | [46] | Traditional | 8(0) | C(6) L(1) | *G”, *O | NA | 5 | Better standalone and high frequency operation/high implementation cost | |
| CT-MLC | [45,47] | Traditional | 10/8 | C(4) L(1) | *G, *O | NA | 9 | More levels, better fault tolerance/high switch count | |
| HBFC | [48] | Hybrid | 14/14 | C(2) L(1) | *G”, *O | NA | 13 | Higher levels, modular/unidirectional | |
| SC-HB | [48] | Hybrid | 10/11 | C(1) L(1) | *G” | NA | 13 | Higher levels, modular, unidirectional | |
| G- MLC | [48] | Hybrid | 8/8 | C(3) L(1) | *G”, *O | NA | 11 | Scalable, high-power density | |
| FC-ANPC | [49] | Hybrid | 12/12 | C(4) L(1) | “G” | NA | 11 | Higher levels/unidirectional | |
| Symmetric CHB | MLC with multi-port interface | [62,63] | Cascaded H bridge | 24/24 | L(1) | *G”, *O | Module level | 13 | Higher efficiency, low THD, faster module balancing, supports redundant operation |
| Asymmetric CHB | [65,67,88] | Cascaded H bridge | 24/24 | L(1) | *G”, *O | module voltage restriction | >30 | Higher levels in AC voltage/large number of cells in module. Uneven steps in the AC voltage. | |
| RCHB | [36,38,66,67,68,69,70,71,72,73,74,75,76] | Reduced Switch | 16/16 | C(1) L(1) | *O | Module level | 13 | Higher efficiency, Low THD, modulation limitation, grid-connected mode not possible | |
| MCMLC | [4,79,85] | Reduced Switch | 13/17 | L(1) | *G”, *O | Module level | 13 | Wide operational range/voltage spikes on mode transition | |
| PUCMLC | [74] | Reduced Switch | 6/6 | C(1) L(1) | *G”, *O | NA | 7 | Modular/voltage dependency of battery modules | |
| HB/FB | [4] | Modular MLC | 12/12 | C(2) L(3) | *G”, *O | Module level | 13 | Modular/fault-current blocking limitation for HB | |
| SSC | [84] | Modular MLC | 30/30 | C(12) L(3) | *G”, *O | Module level | 13 | Low volume /high switch account | |
| CCSM | [83] | Modular MLC | 12/12 | C(1) L(1) | *G”, *O | NA | 13 | Modular/voltage dependency of battery modules | |
| ACHHB | [87] | Hybrid | 18/18 | C(1) L(1) | *G”, *O | Module level | 13 | Higher efficiency, low THD, grid mode not possible | |
| ANPC-CHB | [87] | Hybrid | 18/20 | C(3) L(1) | *G”, *O | NA | 13 | Low volume/high switch account | |
| MHFH | [87] | Hybrid | 12/12 | C(3) L(1) | *G”, *O | NA | 13 | Low volume/high switch account |
| Topology Feature | Symmetric CHB [62,63] | Asymmetric CHB [64,65,67,88] | RCHB [41] | MCMLC [35,36,38,66,67,68,69,70,71,72,73,74,75,76] | HB/FB MLC [4,79,81,85] | ACHHB [90] |
|---|---|---|---|---|---|---|
| Grid offtake | ![]() | ![]() | ![]() | ![]() | ![]() | ![]() |
| Grid injection | ![]() | ![]() | ![]() | ![]() | ![]() | ![]() |
| Frequency balancing | ![]() | ![]() | ![]() | ![]() | ![]() | ![]() |
| Standalone (UPS mode) | ![]() | ![]() | ![]() | ![]() | ![]() | ![]() |
| Scalability | ![]() | ![]() | ![]() | ![]() | ![]() | ![]() |
| Reliability | ![]() | ![]() | ![]() | ![]() | ![]() | ![]() |
| Battery fault tolerance | ![]() | ![]() | ![]() | ![]() | ![]() | ![]() |
| (Dual on-grid and off-grid | ![]() | ![]() | ![]() | ![]() | ![]() | ![]() |
| Footprint (No: of components) | ![]() | ![]() | ![]() | ![]() | ![]() | ![]() |
| AC-fault ride-through | ![]() | ![]() | ![]() | ![]() | ![]() | ![]() |
| Enhancing power quality | ![]() | ![]() | ![]() | ![]() | ![]() | ![]() |
| Black start | ![]() | ![]() | ![]() | ![]() | ![]() | ![]() |
| Voltage support | ![]() | ![]() | ![]() | ![]() | ![]() | ![]() |
| Hot swapping | ![]() | ![]() | ![]() | ![]() | ![]() | ![]() |
| Capacity extension | ![]() | ![]() | ![]() | ![]() | ![]() | ![]() |
| Different chemistry integration | ![]() | ![]() | ![]() | ![]() | ![]() | ![]() |
| DC microgrid support | ![]() | ![]() | ![]() | ![]() | ![]() | ![]() |
![]() | ||||||
| System Parameters | |
|---|---|
| Number of modules | 6 |
| Number of cells per module | 16 |
| Nominal module voltage | 65 V |
| Cell type | LFP |
| Rated power | 5 kW |
| Nominal cell capacity | 5 Ah |
| Number of AC voltage levels | 13 |
| Carrier-signal frequency | 1100 Hz |
| Fundamental frequency | 50 Hz |
| Modulating ration | {−1,1} |
| Filter inductance | 200 uH |
| Filter resistance | 0.1 m |
| Full-bridge switch type | MOSFET |
| Switch ON resistance | 10 m |
| Total number of switches | 24 |
| Grid voltage (rms) | 230 V |
| Proportional-gain PI controller | 0.4 |
| Integral-gain PI controller | 50 |
| Control sampling time | 50 |
| Modulation-Technique Feature | EP PWM [105,106] | OP PWM [105,106] | AOP PWM [105,106] | PSC [105,106] |
|---|---|---|---|---|
| MLC voltage THD at low power | 12.6% | 12.72% | 16.4% | 10.6% |
| MLC current THD at low power | 5.6% | 5.66% | 5.3% | 2.6% |
| MLC voltage THD at rated power | 10.6% | 12.26% | 19.6% | 10.6% |
| MLC current THD at rated power | 2.6% | 2.3% | 1.7% | 2.6% |
| Balancing potential | Yes | Yes | Yes | Partially |
| for discharge cycle | 2.5 V | 2.5 V | 2.5 V | NA |
| for charge cycle | 0 V | 0 V | 0.3 V | NA |
Disclaimer/Publisher’s Note: The statements, opinions and data contained in all publications are solely those of the individual author(s) and contributor(s) and not of MDPI and/or the editor(s). MDPI and/or the editor(s) disclaim responsibility for any injury to people or property resulting from any ideas, methods, instructions or products referred to in the content. |
© 2023 by the authors. Licensee MDPI, Basel, Switzerland. This article is an open access article distributed under the terms and conditions of the Creative Commons Attribution (CC BY) license (https://creativecommons.org/licenses/by/4.0/).
Share and Cite
Rauf, A.M.; Abdel-Monem, M.; Geury, T.; Hegazy, O. A Review on Multilevel Converters for Efficient Integration of Battery Systems in Stationary Applications. Energies 2023, 16, 4133. https://doi.org/10.3390/en16104133
Rauf AM, Abdel-Monem M, Geury T, Hegazy O. A Review on Multilevel Converters for Efficient Integration of Battery Systems in Stationary Applications. Energies. 2023; 16(10):4133. https://doi.org/10.3390/en16104133
Chicago/Turabian StyleRauf, Abdul Mannan, Mohamed Abdel-Monem, Thomas Geury, and Omar Hegazy. 2023. "A Review on Multilevel Converters for Efficient Integration of Battery Systems in Stationary Applications" Energies 16, no. 10: 4133. https://doi.org/10.3390/en16104133
APA StyleRauf, A. M., Abdel-Monem, M., Geury, T., & Hegazy, O. (2023). A Review on Multilevel Converters for Efficient Integration of Battery Systems in Stationary Applications. Energies, 16(10), 4133. https://doi.org/10.3390/en16104133








































































































