State-of-the-Art Research on Wireless Charging of Electric Vehicles Using Solar Energy
Abstract
1. Introduction
- The article begins with a discussion of photovoltaic systems, looking at grid-connected and off-grid options, and then looking at maximum power point tracking to maximize the amount of electricity generated by solar panels. This study also investigates energy storage to determine the best type of storage to save energy and minimize losses.
- The study will explore several wireless power transmission techniques, including static and dynamic stations, to identify the distinctions and benefits of each station.
- The paper will discuss coil structures to take into account the optimal and efficient structure for coils to prevent power loss, as well as to maintain safety due to magnetic waves, which are harmful to people. By reviewing these structures, the paper hopes to increase the efficiency and reliability of power transmission.
- The evaluation of artificial intelligence applications used in WPT, whose primary objectives are to speed up computation, identify faults, and improve efficiency, is the last target of this article.
2. Wireless Charging Station for Electric Cars Using Solar Energy
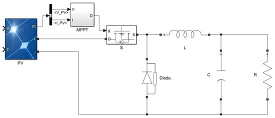
2.1. The Solar Power Generation System
- Photovoltaic array;
- DC–DC converters;
- MPPT system;
- Energy storage system.
2.1.1. Photovoltaic Systems
Photovoltaic Systems Connected to the Grid
Grid-Independent Photovoltaic System
2.1.2. DC–DC Converter
2.1.3. Maximum Power Point Tracking Methods
Perturbation and Observation Method (P&O)
Fussy Logic (FL)
2.1.4. Energy Storage
2.2. Wireless Electric Vehicle Charging Systems
2.2.1. Static
2.2.2. Dynamic
2.3. Electric Vehicle Connection Type to Grid Models
- –
- Grid to vehicle connection mode (G2V);
- –
- Vehicle to grid connection mode (V2G).
2.4. Wireless Power Transmission
- –
- Induction wireless power transmission;
- –
- Capacitive coupling wireless power transmission.
- Induction wireless power transmission mode.
- 2.
- Capacitive coupling wireless power transmission mode.
2.4.1. Important Factors in Wireless Power Transmission
2.4.2. Compensator
2.4.3. Coil Structure
- –
- Circular structure;
- –
- Rectangular structure;
- –
- DD structure;
- –
- DDQ structure.
3. Application of Artificial Intelligence in WPT
4. Recommendations and Future Work
- (1)
- Using wireless charging during vehicle movement, which will reduce the cost of energy storage units.
- (2)
- Improving wireless power transmission by using new coil structures and using new resonances suitable for improving power transmission.
- (3)
- Applying the new MPPT algorithm or combine several algorithms to improve solar panel output energy.
- (4)
- Using new converters or a combination of existing converters that can be used for this type of system.
- (5)
- Creating a wireless charger that can quickly charge a vehicle, compared to the time it takes to do so using a plug-in charger.
- (6)
- More consideration and study must be given to enhancing shielding, in order to promote health and safety.
- (7)
- Implementing reinforcement learning and deep learning algorithms to reduce misalignment errors.
- (8)
- Employing quantum computing methods for better power transmission with more precision and speed.
- (9)
- We need to find innovative methods to reduce the cost of materials (especially for the dynamic charge method).
5. Conclusions
Author Contributions
Funding
Acknowledgments
Conflicts of Interest
Abbreviations
| EV | Electric vehicle |
| WPT | Wireless power transfer |
| IPT | Inductive power transfer |
| CPT | Capacitive power transfer |
| MPPT | Maximum power point tracking |
| P&O | Perturb and observation |
| PV | Photovoltaic |
| S-WEVCS | Static wireless electric vehicle charging systems |
| D-WEVCS | Dynamic wireless electric vehicle charging systems |
| RES | Renewable energy source |
| BMS | Battery management systems |
| MPP | Maximum power point |
| FL | Fussy logic |
| G2V | Grid-to-vehicle connection mode |
| V2G | Vehicle-to-grid connection mode |
| EMF | Electromagnetic field |
| TX-coil | Transmission coil |
| RX-coil | Receiver coil |
| SS | series–series |
| SP | series–parallel |
| PS | parallel–series |
| PP | parallel–parallel |
| FEM | Finite element method |
| EMI | Electromagnetic interference |
| EMF | Electromagnetic field |
| EMC | Electromagnetic compatibility |
| CV | Constant voltage |
| CI | Constant current |
| AI | Artificial intelligence |
References
- Farsaei, A.; Syri, S.; Olkkonen, V.; Khosravi, A. Unintended Consequences of National Climate Policy on International Electricity Markets—Case Finland’s Ban on Coal-Fired Generation. Energies 2020, 13, 1930. [Google Scholar] [CrossRef]
- Arif, Z.; Ravikiran, V.; Kumar Keshri, R. Design of PV Fed Wireless Charger For Electric Vehicle. In Proceedings of the 2020 International Conference on Power Electronics & IoT Applications in Renewable Energy and Its Control (PARC), Mathura, India, 28–29 February 2020. [Google Scholar]
- Mahesh, A.; Chokkalingam, B.; Mihet-Popa, L. Inductive Wireless Power Transfer Charging for Electric Vehicles–A Review. IEEE Access 2021, 9, 137667–137713. [Google Scholar] [CrossRef]
- Mi, C.C.; Buja, G.; Choi, S.Y.; Rim, C.T. Modern Advances in Wireless Power Transfer Systems for Roadway Powered Electric Vehicles. IEEE Trans. Ind. Electron. 2016, 63, 6533–6545. [Google Scholar] [CrossRef]
- Campbell, C.J.; Duncan, R.C. The Coming Oil Crisis; Multi-Science Publishing: Brentwood, UK, 1997. [Google Scholar]
- Falvo, M.C.; Sbordone, D.; Bayram, I.S.; Devetsikiotis, M. EV charging stations and modes: International standards. In Proceedings of the 2014 International Symposium on Power Electronics, Electrical Drives, Automation and Motion, Ischia, Italy, 18–20 June 2014; IEEE: Piscataway, NJ, USA, 2014; pp. 1134–1139. [Google Scholar] [CrossRef]
- Singh, A.; Shaha, S.S.; Nikhil, P.G.; Sekhar, Y.R.; Saboor, S.; Ghosh, A. Design and Analysis of a Solar-Powered Electric Vehicle Charging Station for Indian Cities. World Electr. Veh. J. 2021, 12, 132. [Google Scholar] [CrossRef]
- Teng, J.-H.; Huang, W.-H.; Hsu, T.-A.; Wang, C.-Y. Novel and Fast Maximum Power Point Tracking for Photovoltaic Generation. IEEE Trans. Ind. Electron. 2016, 63, 2551678. [Google Scholar] [CrossRef]
- Chomać-Pierzecka, E.; Kokiel, A.; Rogozińska-Mitrut, J.; Sobczak, A.; Soboń, D.; Stasiak, J. Analysis and Evaluation of the Photovoltaic Market in Poland and the Baltic States. Energies 2022, 15, 669. [Google Scholar] [CrossRef]
- Rasel, S.I.; Ali, R.N.; Chowdhury, M.S.U.; Hasan, M.M. Design & Simulation of Grid Connected Photovoltaic System Using Simulink. In Proceedings of the International Conference on Advances in Electrical Engineering (ICAEE), Dhaka, Bangladesh, 17–19 December 2015. [Google Scholar]
- Al-Amoudi, A.; Zhang, L. Optimal Control of a Grid-Connected Pv System for Maximum Power Point Tracking and Unity Power Factor. In Proceedings of the Seventh International Conference on Power Electronics and Variable Speed Drives, London, UK, 21–23 September 1998. [Google Scholar]
- Sampaio, P.G.V.; González, M.O.A. Photovoltaic solar energy: Conceptual framework. Renew. Sustain. Energy Rev. 2017, 74, 590–601. [Google Scholar] [CrossRef]
- Peng, J.; Lu, L.; Yang, H. Review on life cycle assessment of energy payback and greenhouse gas emission of solar photovoltaic systems. Renew. Sustain. Energy Rev. 2013, 19, 255–274. [Google Scholar] [CrossRef]
- Joseph, P.K.; Elangovan, D.; Sanjeevikumar, P. System Architecture, Design, and Optimization of a Flexible Wireless Charger for Renewable Energy-Powered Electric Bicycles. IEEE Syst. J. 2020, 15, 2696–2707. [Google Scholar] [CrossRef]
- Kabayashi, K.; Takano, I.; Sawada, Y. A Study on a Two-Stage Maximum Power Point Tracking Control of a Photovoltaic System under Partially Shaded Insolation Condition. In Proceedings of the 2003 IEEE Power Engineering Society General Meeting, Toronto, ON, Canada, 13–17 July 2003. [Google Scholar]
- Mosammam, B.M.; Mirsalim, M.; Khorsandi, A. Modeling, Analysis, and SS Compensation of the Tripolar Structure of Wireless Power Transfer (WPT) System for EV Applications. In Proceedings of the 2020 11th Power Electronics, Drive Systems, and Technologies Conference, Tehran, Iran, 4–6 February 2020. [Google Scholar]
- Piegari, L.; Rizzo, R. Adaptive Perturb and Observe Algorithm for Photovoltaic Maximum Power Point Tracking. IET Renew. Power Generator. 2010, 4, 317–328. [Google Scholar] [CrossRef]
- Caval-Canti, M.C.; Oliveira, K.C.; Azevedo, G.M.; Moreira, D.; Neves, F.A. Maximum Power Point Tracking Techniques for Photovoltaic System. In Proceedings of the PELINCEC 2005 Conference, Warsaw, Poland, 15–20 October 2005. [Google Scholar]
- Liu, X.; Lopes, L.A.C. An Improved Perturbation and Observation Maximum Power Point Tracking Algorithm for PV Array. In Proceedings of the 35th Annual IEEE Power Electronics Specialists Conference, Aachen, Germany, 20–25 June 2004. [Google Scholar]
- Sujatha, B.G.; Aruna, Y.V. Wireless charging of elecrtic vehicles using solar energy. Gradiva Rev. J. 2022, 8, 167. [Google Scholar]
- Al Nabulsi, A.; Dhaouadi, R. Efficiency Optimization of a Dsp-Based Standalone PV System Using Fuzzy Logic and Dual-MPPT Control. IEEE Trans. Ind. Inform. 2012, 8, 573–584. [Google Scholar] [CrossRef]
- Algazar, M.M.; Al-Monier, H.; El-Halim, H.A.; Salem, M.E.E.K. Maximum power point tracking using fuzzy logic control. Int. J. Electr. Power Energy Syst. 2012, 39, 21–28. [Google Scholar] [CrossRef]
- Mohamed, M.A.; Mohamed, F.A. Design and Simulate an Off-Grid PV System with a Battery Bank for EV Charging. Univers. J. Electr. Electron. Eng. 2020, 7, 273–288. [Google Scholar] [CrossRef]
- Algarín, C.R.; Giraldo, J.T.; Álvarez, O.R. Fuzzy Logic Based MPPT Controller for a PV System. Energies 2017, 10, 2036. [Google Scholar] [CrossRef]
- Rufer, A. On the efficiency of energy storage systems-the influence of the exchanged power and the penalty of the auxiliaries. Facta Univ.-Ser. Electron. Energ. 2021, 34, 173–185. [Google Scholar] [CrossRef]
- Kakimoto, N.; Fujii, Y. Inherent Equalization of Lithium-Ion Batteries Based on Leakage Current. IEEE Trans. Sustain. Energy 2018, 10, 170–180. [Google Scholar] [CrossRef]
- Li, Z.; Song, K.; Jiang, J.; Zhu, C. Constant Current Charging and Maximum Efficiency Tracking Control Scheme for Supercapacitor Wireless Charging. IEEE Trans. Power Electron. 2018, 33, 9088–9100. [Google Scholar] [CrossRef]
- Panchal, C.; Stegen, S.; Lu, J. Review of static and dynamic wireless electric vehicle charging system. Eng. Sci. Technol. Int. J. 2018, 21, 922–937. [Google Scholar] [CrossRef]
- Vilathgamuwa, D.M.; Sampath, J.P.K. Wireless Power Transfer (WPT) for Electric Vehicles (EVs)—Present and Future Trends. Power Syst. 2015, 91, 33–60. [Google Scholar] [CrossRef]
- Lu, F.; Zhang, H.; Hofmann, H.; Mi, C. A Double-Sided LCLC-Compensated Capacitive Power Transfer System for Electric Vehicle Charging. IEEE Trans. Power Electron. 2015, 30, 6011–6014. [Google Scholar] [CrossRef]
- Kalwar, K.A.; Aamir, M.; Mekhilef, S. Inductively coupled power transfer (ICPT) for electric vehicle charging—A review. Renew. Sustain. Energy Rev. 2015, 47, 462–475. [Google Scholar] [CrossRef]
- Musavi, F.; Edington, M.; Eberle, W. Wireless Power Transfer: A Survey of EV Battery Charging Technologies. In Proceedings of the Energy Conversion Congress and Exposition(ECCE) IEEE, Raleigh, NC, USA, 15–20 September 2012; pp. 1804–1810. [Google Scholar]
- Leskarac, D.; Panchal, C.; Stegen, S.; Lu, J. PEV Charging Technologies and V2G on Distributed Systems and Utility Interfaces. In Vehicle-to-Grid: Linking Electric Vehicles to the Smart Grid; Lu, J., Hossain, J., Eds.; Institution of Engineering and Technology: London, UK, 2015; pp. 157–222. [Google Scholar] [CrossRef]
- Singh, M.; Kumar, P.; Kar, I. A Multi Charging Station for Electric Vehicles and Its Utilization for Load Management and the Grid Support. IEEE Trans. Smart Grid 2013, 4, 1026–1037. [Google Scholar] [CrossRef]
- Are We Ready For Vehicle-To-Grid (V2G) Technology? Electrical Engineering News and Products. Available online: https://www.eeworldonline.com/are-we-ready-for-vehicle-to-grid-V2g-technology/ (accessed on 17 November 2022).
- Kurs, A.; Karalis, A.; Moffatt, R.; Joannopoulos, J.D.; Fisher, P.; Soljačić, M. Wireless Power Transfer via Strongly Coupled Magnetic Resonances. Science 2007, 317, 83–86. [Google Scholar] [CrossRef]
- Faraday’s Law. Available online: http://hyperphysics.phyastr.gsu.edu/hbase/electric/farlaw.html (accessed on 17 November 2022).
- Popovic, Z. Near- and Far-Field Wireless Power Transfer. In Proceedings of the 2017 13th International Conference on Advanced Technologies, Systems and Services in Telecommunications (TELSIKS), Nis, Serbia, 18–20 October 2017. [Google Scholar]
- Chen-Yang, X.; Chao-Wei, L.; Juan, Z. Analysis of power transfer characteristic of capacitive power transfer system and inductively coupled power transfer system. In Proceedings of the 2011 International Conference on Mechatronic Science, Electric Engineering and Computer (MEC), Jilin, China, 19–22 August 2011. [Google Scholar] [CrossRef]
- Li, S.; Mi, C.C. Wireless Power Transfer for Electric Vehicle Applications. IEEE J. Emerg. Sel. Top. Power Electron. 2015, 3, 4–17. [Google Scholar]
- What Are Electromagnetic Fields? World Health Organization, 04-Aug-2016. Available online: https://www.who.int/peh-emf/about/whatisemf/en/index1.html (accessed on 17 November 2022).
- Wu, H.H.; Gilchrist, A.; Sealy, K.D.; Bronson, D. A High Efficiency 5 kW Inductive Charger for EVs Using Dual Side Control. IEEE Trans. Ind. Informatics 2012, 8, 585–595. [Google Scholar] [CrossRef]
- Stielau, O.H.; Covic, G.A. Design of Loosely Coupled Inductive Power Transfer Systems. In Proceedings of the 2000 International Conference on Power System Technology, Beijing, China, 16–19 August 2009. [Google Scholar]
- Okasili, I.; Elkhateb, A.; Littler, T. A Review of Wireless Power Transfer Systems for Electric Vehicle Battery Charging with a Focus on Inductive Coupling. Electronics 2022, 11, 1355. [Google Scholar] [CrossRef]
- Zhang, Z.; Pang, H.; Georgiadis, A.; Cecati, C. Wireless Power Transfer—An Overview. IEEE Trans. Ind. Electron. 2019, 66, 1044–1058. [Google Scholar] [CrossRef]
- Ahmad, A.; Alam, M.S.; Mohamed, A.A.S. Design and Interoperability Analysis of Quadruple Pad Structure for Electric Vehicle Wireless Charging Application. IEEE Trans. Transp. Electrif. 2019, 5, 934–945. [Google Scholar] [CrossRef]
- Kim, J.; Kim, J.; Kong, S.; Kim, H.; Suh, I.-S.; Suh, N.P.; Cho, D.-H.; Kim, J.; Ahn, S. Coil Design and Shielding Methods for a Magnetic Resonant Wireless Power Transfer System. Proc. IEEE 2013, 101, 1332–1342. [Google Scholar] [CrossRef]
- Ongayo, D.; Hanif, M. Comparison of circular and rectangular coil transformer parameters for wireless Power Transfer based on Finite Element Analysis. In Proceedings of the 2015 IEEE 13th Brazilian Power Electronics Conference and 1st Southern Power Electronics Conference (COBEP/SPEC), Fortaleza, Brazil, 29 November–2 December 2015; pp. 1–6. [Google Scholar]
- Mohammad, M.; Choi, S. Optimization of ferrite core to reduce the core loss in double-D pad of wireless charging system for electric vehicles. In Proceedings of the 2018 IEEE Applied Power Electronics Conference and Exposition, San Antonio, TX, USA, 4–8 March 2018. [Google Scholar]
- Rasekh, N.; Mirsalim, M. Design of a compact and efficient Bipolar pad with a new integration of LCC compensation method for WPT. In Proceedings of the 2018 9th Annual Power Electronics, Drives Systems and Technologies Conference (PEDSTC), Tehran, Iran, 13–15 February 2018. [Google Scholar]
- Rasekh, N.; Kavianpour, J.; Mirsalim, M. A Novel Integration Method for a Bipolar Receiver Pad Using LCC Compensation Topology for Wireless Power Transfer. IEEE Trans. Veh. Technol. 2018, 67, 7419–7428. [Google Scholar] [CrossRef]
- Tozlu, .F.; Çalık, H. A Review and Classification of Most Used MPPT Algorithms for Photovoltaic Systems. Hittite J. Sci. Eng. 2021, 8, 207–220. [Google Scholar] [CrossRef]
- Siroos, A.; Sedighizadeh, M.; Afjei, E.; Sheikhi Fini, A.; Yarkarami, S. System Identification and Control Design of a Wireless Charging Transfer System with Double-Sided LCC Converter. Arab. J. Sci. Eng. 2021, 46, 9735–9739. [Google Scholar] [CrossRef]
- Al-Saadi, M.; Ibrahim, A.; Al-Omari, A.; Al-Gizi, A.; Craciunescu, A. Analysis and Comparison of Resonance Topologies in 6.6 kW Inductive Wireless Charging for Electric Vehicles Batteries. Procedia Manuf. 2019, 32, 426–433. [Google Scholar] [CrossRef]
- Zhao, H.; Liu, K.; Li, S.; Yang, F.; Cheng, S.; Eldeeb, H.H.; Kang, J.; Xu, G. Shielding Optimization of IPT System Based on Genetic Algorithm for Efficiency Promotion in EV Wireless Charging Applications. IEEE Trans. Ind. Appl. 2021, 58, 1190–1200. [Google Scholar] [CrossRef]
- Gonzalez-Gonzalez, J.M.; Trivino-Cabrera, A.; Aguado, J.A. Model Predictive Control to Maximize the Efficiency in EV Wireless Chargers. IEEE Trans. Ind. Electron. 2021, 69, 1244–1253. [Google Scholar] [CrossRef]
- Lee, J.-Y.; Han, B.-M. A Bidirectional Wireless Power Transfer EV Charger Using Self-Resonant PWM. IEEE Trans. Power Electron. 2014, 30, 1784–1787. [Google Scholar] [CrossRef]
- CCai, C.; Wang, J.; Fang, Z.; Zhang, P.; Hu, M.; Zhang, J.; Li, L.; Lin, Z. Design and Optimization of Load-Independent Magnetic Resonant Wireless Charging System for Electric Vehicles. IEEE Access 2018, 6, 17264–17274. [Google Scholar] [CrossRef]
- Cui, S.; Wang, Z.; Han, S.; Zhu, C.; Chan, C.C. Analysis and Design of Multiphase Receiver With Reduction of Output Fluctuation for EV Dynamic Wireless Charging System. IEEE Trans. Power Electron. 2018, 34, 4112–4124. [Google Scholar] [CrossRef]
- Patil, D.; Miller, J.M.; Fahimi, B.; Balsara, P.T.; Galigerkere, V. A Coil Detection System for Dynamic Wireless Charging of Electric Vehicle. IEEE Trans. Transp. Electrif. 2019, 5, 988–1003. [Google Scholar] [CrossRef]
- Das Barman, S.; Reza, A.W.; Kumar, N.; Karim, M.E.; Munir, A.B. Wireless powering by magnetic resonant coupling: Recent trends in wireless power transfer system and its applications. Renew. Sustain. Energy Rev. 2015, 51, 1525–1552. [Google Scholar] [CrossRef]
- Kim, Y.-H.; Kang, S.-Y.; Cheon, S.; Lee, M.-L.; Lee, J.-M.; Zyung, T. Optimization of wireless power transmission through resonant coupling. In Proceedings of the SPEEDAM 2010, Pisa, Italy, 14–16 June 2010. [Google Scholar]
- Jawad, A.M.; Nordin, R.; Gharghan, S.K.; Jawad, H.M.; Ismail, M. Opportunities and Challenges for Near-Field Wireless Power Transfer: A Review. Energies 2017, 10, 1022. [Google Scholar] [CrossRef]
- Imura, T.; Hori, Y. Maximising Air Gap and Efficiency of Magnetic Resonant Coupling for Wireless Power Transfer Using Equivalent Circuit. IEEE Trans. Ind. Electron. 2011, 58, 4746–4752. [Google Scholar] [CrossRef]
- Chen, W.; Chinga, R.A.; Yoshida, S.; Lin, J.; Chen, C.; Lo, W. A 25.6 W 13.56 MHz wireless power transfer system with a 94% efficiency GaN Class-E power amplifier. In Proceedings of the 2012 IEEE/MTT-S International Microwave Symposium Digest, Montreal, QC, Canada, 17–22 June 2012. [Google Scholar]
- Laskovski, A.N.; Yuce, M.R. Class-E oscillators as wireless power transmitters for biomedical implants. In Proceedings of the 2010 3rd International Symposium on Applied Sciences in Biomedical and Communication Technologies (ISABEL 2010), Rome, Italy, 7–10 November 2010. [Google Scholar]
- Nataraj, C.; Khan, S.; Habaebi, M.H.; Muthalif, A.G.; Arshad, A. Resonant coils analysis for inductively coupled wireless power transfer applications. In Proceedings of the 2016 IEEE International Instrumentation and Measurement Technology Conference Proceedings, Taipei, Taiwan, 23–26 May 2016. [Google Scholar]
- Khosravi, A.; Machado, L.; Nunes, R. Time-series prediction of wind speed using machine learning algorithms: A case study Osorio wind farm, Brazil. Appl. Energy 2018, 224, 550–566. [Google Scholar] [CrossRef]
- Suresh, A.; Harish, K.V.; Radhika, N. Particle Swarm Optimisation over Back Propagation Neural Network for Length of Stay Prediction. Procedia Comput. Sci. 2015, 46, 268–275. [Google Scholar] [CrossRef]
- Ali, A.; Yasin, M.N.M.; Jusoh, M.; Hambali, N.A.M.A.; Rahim, S.R.A. Optimization of wireless power transfer using artificial neural network: A review. Microw. Opt. Technol. Lett. 2019, 62, 651–659. [Google Scholar] [CrossRef]
- Wang, M.; Feng, J.; Shi, Y.; Shen, M.; Jing, J. A novel pso-based transfer efficiency optimization algorithm for wireless power transfer. Prog. Electromagn. Res. C 2018, 85, 63–75. [Google Scholar] [CrossRef][Green Version]
- Wen, F.; Jing, F.; Zhao, W.; Han, C.; Chu, Z.; Li, Q.; Chu, X.; Zhu, X. Research on optimal receiver radius of wireless power transfer system based on BP neural network. Energy Rep. 2020, 6, 1450–1455. [Google Scholar] [CrossRef]
- Li, Y.; Dong, W.; Yang, Q.; Zhao, J.; Liu, L.; Feng, S. An Automatic Impedance Matching Method Based on the Feedforward-Backpropagation Neural Network for a WPT System. IEEE Trans. Ind. Electron. 2018, 66, 3963–3972. [Google Scholar] [CrossRef]
- He, L.; Zhao, S.; Wang, X.; Lee, C.-K. Artificial Neural Network-Based Parameter Identification Method for Wireless Power Transfer Systems. Electronics 2022, 11, 1415. [Google Scholar] [CrossRef]
- Tavakoli, R.; Pantic, Z. ANN-based algorithm for estimation and compensation of lateral misalignment in dynamic wireless power transfer systems for EV charging. In Proceedings of the 2017 IEEE Energy Conversion Congress and Exposition (ECCE), Cincinnati, OH, USA, 1–5 October 2017. [Google Scholar]
- El-Sharkh, M.Y.; Touma, D.W.F.; Dawoud, Y. Artificial Neural Network Based Wireless Power Transfer Behavior Estimation. In Proceedings of the 2019 SoutheastCon, Huntsville, AL, USA, 1–14 April 2019. [Google Scholar]


















| Charging Type | Voltage of the Nominal AC Supply [V] | Maximum Power [kW] | Charging Time [h] | Place of the Charger |
|---|---|---|---|---|
| Level 1–AC | 120 | 1.3–1.9 | 20–22 | 1-phase, On-board |
| Level 2–AC | 240 | up to 19.2 | 6–8 | 1 or 3 Phase, On-board |
| Level 3–DC | 208–600 | 50–150 | 0.2–0.5 | 3-phase, Off-board |
| Subsequent Changes | Changes in Power | Perturb |
|---|---|---|
| + | + | + |
| - | - | + |
| - | + | - |
| + | - | - |
| Topology | Secondary Quality Factor | Reflected Resistance | Primary Capacitance |
|---|---|---|---|
| SS | |||
| SP | |||
| PS | |||
| PP |
| D (mm) | L1 (µH) | L2 (µH) | M (µH) | k | |
|---|---|---|---|---|---|
| Coreless circular pad | 100 | 57.82 | 58.03 | 5.63 | 0.097 |
| 70 | 56.13 | 56.27 | 8.22 | 0.15 | |
| 50 | 50.08 | 49.95 | 13.91 | 0.28 | |
| Circular ferrite-core pad | 100 | 92.96 | 93.48 | 12.04 | 0.129 |
| 70 | 92.61 | 92.39 | 19.20 | 0.21 | |
| 50 | 94.53 | 93.94 | 41.45 | 0.44 | |
| Circular ferrite-core pad with Aluminum shield | 100 | 89.60 | 90.75 | 10.90 | 0.121 |
| 70 | 89.29 | 88.65 | 17.43 | 0.20 | |
| 50 | 94.35 | 92.47 | 40.04 | 0.43 |
| No | Ref | Year | Focus | Summarized Highlights |
|---|---|---|---|---|
| 1 | [4] | 2016 |
|
|
| 2 | [6] | 2014 |
|
|
| 3 | [8] | 2016 |
|
|
| 4 | [14] | 2020 |
|
|
| 5 | [23] | 2020 |
|
|
| 6 | [53] | 2021 |
|
|
| 7 | [48] | 2015 |
|
|
| 8 | [16] | 2020 |
|
|
| 9 | [54] | 2019 |
|
|
| 10 | [55] | 2021 |
|
|
| 11 | [56] | 2021 |
|
|
| 12 | [57] | 2015 |
|
|
| 13 | [58] | 2018 |
|
|
| 14 | [59] | 2018 |
|
|
| 15 | [60] | 2019 |
|
|
| Number | Reference | Targets | Inputs | AI Model | WPT |
|---|---|---|---|---|---|
| 1 | [71] | Boosting power transfer efficiency | Transfer efficiency and frequency | PSO | coupled magnetic resonance (CMR) |
| 2 | [72] | Optimal receiver radius of WPT system | Transmitter coil turns, turn spacing, side length, and transmission distance | BP neural network | magnetic resonance (MR) |
| 3 | [73] | Impedance matching in CMR systems (outputs: vacuum capacitor and air capacitor) | Load impedance | Feedforward-backpropagation (BP) neural network | CMR |
| 4 | [74] | Mutual inductance M | The vertical distance between the transmitter coil and receiver coil (x), and the horizontal distance between the center of the transmitter coil and that of the receiver coil (y) | ANN | inductive coupling (IC) |
| 5 | [75] | Lateral misalignment (LTM) | Current and vehicle speed | BP | IC |
| 6 | [76] | The power load for wireless power transfer between the primary and secondary coils, as well as the electrical load voltage and current (magnitude and angle) | Number of turns, layers, and wire gauge for the primary coil; frequency and distance for the secondary coil; and number of turns, layers, and wire gauge for the secondary coil | Multilayer feedforward ANN | CMR |
Disclaimer/Publisher’s Note: The statements, opinions and data contained in all publications are solely those of the individual author(s) and contributor(s) and not of MDPI and/or the editor(s). MDPI and/or the editor(s) disclaim responsibility for any injury to people or property resulting from any ideas, methods, instructions or products referred to in the content. |
© 2022 by the authors. Licensee MDPI, Basel, Switzerland. This article is an open access article distributed under the terms and conditions of the Creative Commons Attribution (CC BY) license (https://creativecommons.org/licenses/by/4.0/).
Share and Cite
Kashani, S.A.; Soleimani, A.; Khosravi, A.; Mirsalim, M. State-of-the-Art Research on Wireless Charging of Electric Vehicles Using Solar Energy. Energies 2023, 16, 282. https://doi.org/10.3390/en16010282
Kashani SA, Soleimani A, Khosravi A, Mirsalim M. State-of-the-Art Research on Wireless Charging of Electric Vehicles Using Solar Energy. Energies. 2023; 16(1):282. https://doi.org/10.3390/en16010282
Chicago/Turabian StyleKashani, Seyed Ali, Alireza Soleimani, Ali Khosravi, and Mojtaba Mirsalim. 2023. "State-of-the-Art Research on Wireless Charging of Electric Vehicles Using Solar Energy" Energies 16, no. 1: 282. https://doi.org/10.3390/en16010282
APA StyleKashani, S. A., Soleimani, A., Khosravi, A., & Mirsalim, M. (2023). State-of-the-Art Research on Wireless Charging of Electric Vehicles Using Solar Energy. Energies, 16(1), 282. https://doi.org/10.3390/en16010282

