A Flying Restart Strategy for Position Sensorless PMSM Driven by Quasi-Z-Source Inverter
Abstract
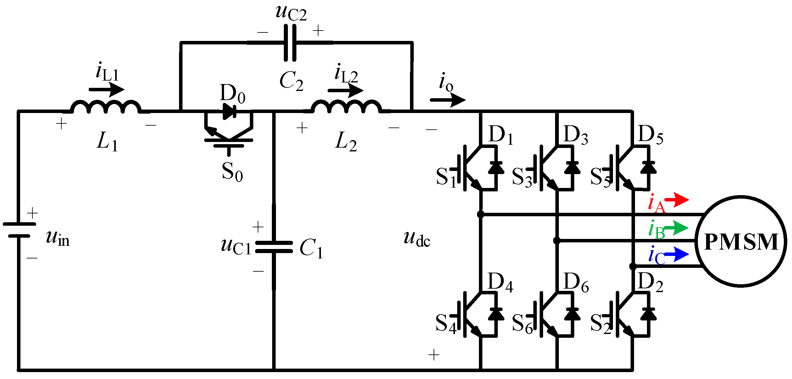
1. Introduction
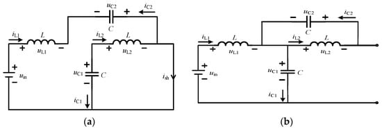
2. Traditional Zero Vector Short-Circuit Method
3. Proposed Shoot-Through Zero Vector Short-Circuit Method
3.1. Design of Mixed Vector Insert Mode with a DC-Link Voltage Preboosting Scheme
3.2. Analysis of DC-Link Voltage Preboosting Condition before Flying Restart
3.3. Initial Speed and Position Estimation before Flying Restart
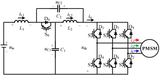
4. Implementation and Experimental Results
4.1. Comparative Experiment on Response Speed of Electromagnetic Torque in Flying Restart Process
4.2. Experiment on Initial Speed and Position Estimation before Flying Restart
5. Conclusions
- (1)
- The qZSI’s dc-link voltage is regulated while the initial speed and position are estimated before the motor restarts, and it breaks the limitation of regulating the qZSI’s dc-link voltage during the normal operation of the motor in conventional methods.
- (2)
- The proposed method can realize the accurate estimation of the initial speed and position before the motor restarts, which provides good initial values for the traditional sensorless estimation algorithm.
- (3)
- The proposed method realizes the preboost of the qZSI’s dc-link voltage during the abnormal operation before the motor restarts, which improves the response speed of electromagnetic torque for the sensorless PMSM in the flying restart process.
Author Contributions
Funding
Institutional Review Board Statement
Informed Consent Statement
Data Availability Statement
Conflicts of Interest
References
- Ullah, K.; Guzinski, J.; Mirza, A.F. Critical review on robust speed control techniques for permanent magnet synchronous motor (PMSM) speed regulation. Energies 2022, 15, 1235. [Google Scholar] [CrossRef]
- Nicola, M.; Nicola, C.I.; Selișteanu, D. Improvement of PMSM sensorless control based on synergetic and sliding mode controllers using a reinforcement learning deep deterministic policy gradient agent. Energies 2022, 15, 2208. [Google Scholar] [CrossRef]
- Chen, B.; Wang, K.; Le, Y. High-precision position error correction method for the PMSM based on low-order harmonic suppression. IEEE Trans. Power Electron. 2021, 36, 4500–4512. [Google Scholar] [CrossRef]
- Mini, Y.; Nguyen, N.K.; Semail, E.; Vu, D.T. Enhancement of sensorless control for non-sinusoidal multiphase drives-part I: Operation in medium and high-speed range. Energies 2022, 15, 607. [Google Scholar] [CrossRef]
- Yin, S.; Xia, J.; Zhao, Z.; Zhao, L.; Liu, W.; Diao, L.; Jatskevich, J. Fast restarting of free-running induction motors under speed-sensorless vector control. IEEE Trans. Ind. Electron. 2020, 67, 6124–6134. [Google Scholar] [CrossRef]
- Chen, J.; Li, J.; Qu, R.; He, K.; Tao, L. A restart strategy of a rotating induction machine for inrush current elimination. IEEE Trans. Ind. Appl. 2020, 56, 4906–4914. [Google Scholar] [CrossRef]
- Horie, T.; Kondo, K. Experimental study on a restarting procedure at coasting condition for a rotational angle sensorless PMSM. IEEJ J. Ind. Appl. 2014, 3, 131–137. [Google Scholar] [CrossRef][Green Version]
- Chen, B.; Shen, A.; Li, P.; Luo, X.; Xu, S.; Xu, J. Restart strategy for sensorless PMSM drive system based on zero-voltage vector. IET Electr. Power Appl. 2020, 14, 2362–2369. [Google Scholar] [CrossRef]
- Son, Y.; Jang, S.; Nasrabadi, R. Permanent Magnet AC Motor Systems and Control Algorithm Restart Methods. U.S. Patent 08054030, 11 August 2011. [Google Scholar]
- Yamakawa, T.; Wakao, S.; Kondo, K.; Yoneyama, T.; Taniguchi, S.; Mochizuki, S. Starting procedure of rotation sensorless PMSM at coasting condition for railway vehicle traction. Elect. Eng. Jpn. 2009, 169, 56–63. [Google Scholar] [CrossRef]
- Taniguchi, S.; Mochiduki, S.; Yamakawa, T.; Wakao, S.; Kondo, K.; Yoneyama, T. Starting procedure of rotational sensorless PMSM in the rotating condition. IEEE Trans. Ind. Appl. 2009, 45, 194–202. [Google Scholar] [CrossRef]
- Lee, K.; Ahmed, S.; Lukic, S. Universal restart strategy for high-inertia scalar-controlled PMSM drives. IEEE Trans. Ind. Appl. 2016, 52, 4001–4009. [Google Scholar] [CrossRef]
- Seo, D.; Bak, Y.; Lee, K. An improved rotating restart method for a sensorless permanent magnet synchronous motor drive system using repetitive zero voltage vectors. IEEE Trans. Ind. Electron. 2020, 67, 3496–3504. [Google Scholar] [CrossRef]
- Seo, D.; Bak, Y.; Cho, S.; Bae, K.; Lee, K.-B. An improved flying restart method of sensorless PMSM drive systems fed by an ANPC inverter using repetitive zero voltage Vectors. In Proceedings of the IEEE Applied Power Electronics Conference and Exposition, Anaheim, CA, USA, 17–21 March 2019. [Google Scholar]
- Liu, D.; Guo, X.; Lei, Y.; Wang, R.; Chen, R.; Chen, F.; Li, Z. An improved control strategy of PMSM drive system with integrated bidirectional DC/DC. Energies 2022, 15, 2214. [Google Scholar] [CrossRef]
- Zaid, M.; Lin, C.H.; Khan, S.; Ahmad, J.; Tariq, M.; Mahmood, A.; Sarwar, A.; Alamri, B.; Alahmadi, A. A family of transformerless quadratic boost high gain DC-DC converters. Energies 2021, 14, 4372. [Google Scholar] [CrossRef]
- Grgić, I.; Vukadinović, D.; Bašić, M.; Bubalo, M. Efficiency boost of a quasi-z-source inverter: A novel shoot-through injection method with dead-time. Energies 2021, 14, 4216. [Google Scholar] [CrossRef]
- Liu, W.; Yang, Y.; Kerekes, T.; Blaabjerg, F. Generalized space vector modulation for ripple current reduction in quasi-Z source inverters. IEEE Trans. Power Electron. 2021, 36, 1730–1741. [Google Scholar] [CrossRef]
- Liang, W.; Liu, Y.; Peng, J. A day and night operational quasi-Z source multilevel grid-tied PV power system to achieve active and reactive power control. IEEE Trans. Power Electron. 2021, 36, 474–492. [Google Scholar] [CrossRef]
- Mohmoudi, H.; Aleenejad, M.; Ahmadi, R. Torque ripple minimization for a permanent magnet synchronous motor using a modified quasi-Z-source inverter. IEEE Trans. Power Electron. 2019, 34, 3819–3830. [Google Scholar] [CrossRef]
- Shuai, D.; Qianfan, Z.; Weipan, Z.; Chaowei, Z.; Tuopu, N. A compound control strategy for improving the dynamic characteristics of the DC-link voltage for the PMSM drive system based on the quasi-Z-Source inverter. IEEE Access 2019, 7, 151929–151938. [Google Scholar] [CrossRef]
- Xiao, S.; Gu, X.; Wang, Z.; Shi, T.; Xia, C. A novel variable DC-link voltage control method for PMSM driven by a quasi-Z-source inverter. IEEE Trans. Power Electron. 2020, 35, 3878–3890. [Google Scholar] [CrossRef]
- Subhani, N.; Kannan, R.; Mahmud, A.; Blaabjerg, F. Z-source inverter topologies with switched Z-impedance networks: A review. IET Power Electron. 2021, 14, 727–750. [Google Scholar] [CrossRef]
- Rahman, S.; Meraj, M.; Iqbal, A.; Tariq, M.; Maswood, A.I.; Ben-Brahim, L.; Al-Ammari, R.; Syed, R.; Mohammad, M. Design and implementation of cascaded multilevel qZSI powered single-phase induction motor for isolated grid water pump application. IEEE Trans. Ind. Appl. 2020, 56, 1907–1917. [Google Scholar] [CrossRef]
- Qiao, Z.; Shi, T.; Wang, Y.; Yan, Y.; Xia, C.; He, X. New sliding-mode observer for position sensorless control of permanent-magnet synchronous motor. IEEE Trans. Ind. Electron. 2012, 60, 710–719. [Google Scholar] [CrossRef]











| Parameters | Symbol | Value | Unit |
|---|---|---|---|
| Rated power | PN | 2.3 | kW |
| Rated voltage | UN | 220 | V |
| Rated current | IN | 10 | A |
| Rated torque | TN | 15 | Nm |
| Rated speed | nN | 1500 | r/min |
| Pairs of poles | p | 2 | |
| Permanent-magnet flux | ψf | 0.5 | Wb |
| Stator resistance | Rs | 0.635 | Ω |
| Stator inductance | Ls | 4.025 | mH |
| PWM carrier frequency | fc | 5 | kHz |
| Z-Source inductance | L1, L2 | 500 | μH |
| Z-Source capacitance | C1, C2 | 500 | μF |
| Methods | tsc/μs | tn/μs | dshf | dsh |
|---|---|---|---|---|
| Traditional ZVSM | 150 | 350 | 0 | 0 |
| Combination scheme | 150 | 350 | 0 | 0.1 |
| Proposed SZVSM | 150 | 350 | 0.7 | 0.1 |
| Traditional ZVSM | Proposed SZVSM | |||
|---|---|---|---|---|
| Speed | Position | Speed | Position | |
| Estimated value | 1066.2 r/min | 4.23 rad | 1038.6 r/min | 4.37 rad |
| Actual value | 1082.5 r/min | 4.41 rad | 1069.8 r/min | 4.53 rad |
| Absolute error | −16.3 r/min | −0.18 rad | −31.2 r/min | −0.16 rad |
| Relative error | −1.5% | −4.1% | −2.9% | −3.5% |
Publisher’s Note: MDPI stays neutral with regard to jurisdictional claims in published maps and institutional affiliations. |
© 2022 by the authors. Licensee MDPI, Basel, Switzerland. This article is an open access article distributed under the terms and conditions of the Creative Commons Attribution (CC BY) license (https://creativecommons.org/licenses/by/4.0/).
Share and Cite
Cao, Y.; Xiao, S.; Lin, Z. A Flying Restart Strategy for Position Sensorless PMSM Driven by Quasi-Z-Source Inverter. Energies 2022, 15, 3469. https://doi.org/10.3390/en15093469
Cao Y, Xiao S, Lin Z. A Flying Restart Strategy for Position Sensorless PMSM Driven by Quasi-Z-Source Inverter. Energies. 2022; 15(9):3469. https://doi.org/10.3390/en15093469
Chicago/Turabian StyleCao, Yanfei, Shuxin Xiao, and Zhichen Lin. 2022. "A Flying Restart Strategy for Position Sensorless PMSM Driven by Quasi-Z-Source Inverter" Energies 15, no. 9: 3469. https://doi.org/10.3390/en15093469
APA StyleCao, Y., Xiao, S., & Lin, Z. (2022). A Flying Restart Strategy for Position Sensorless PMSM Driven by Quasi-Z-Source Inverter. Energies, 15(9), 3469. https://doi.org/10.3390/en15093469

