Generation and Propagation Characteristics of an Auto-Ignition Flame Kernel Caused by the Oblique Shock in a Supersonic Flow Regime
Abstract
1. Introduction
2. Experimental Approach
2.1. Experimental Facility
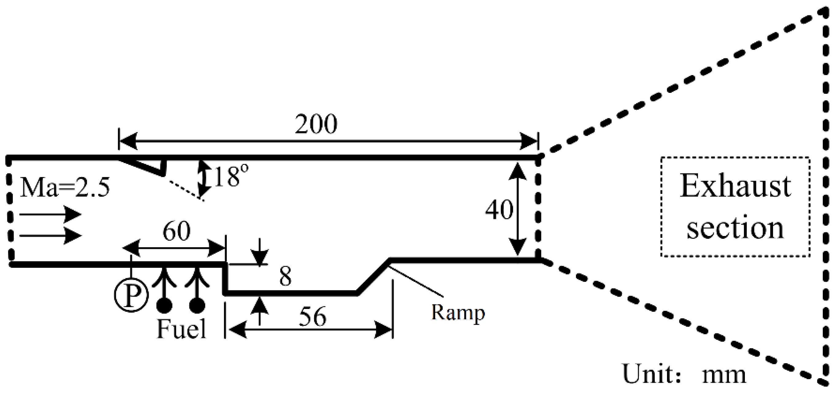
2.2. Combustor Configuration
2.3. Method for Flow-Field and Flame Observation
3. Results and Discussion
3.1. Results of Auto-Ignitable Boundary
3.2. Auto-Ignition Transient and Initial Flame Kernel Propagation
3.3. Effect of the Cavity on Flame Stabilization and Propagation
3.4. Fuel Distribution Based on NPLS Method
3.5. Analysis of Auto-Ignition and the Flame Spread Mechanism
4. Conclusions
- (1)
- The auto-ignition performance was extended by increasing the injection pressure and total temperature of the airflow, with enhanced mixing efficiency and decreased ignition delay time.
- (2)
- The flame evolvement was described as follows: the occurrence of auto-ignition is induced by oblique shocks and then propagates upstream to the recirculating region. Finally, a sustained flame is established inside the recirculating region.
- (3)
- A cavity with a long length has benefits for the flame transition from the induced state to a sustained state. Meanwhile, the low speed recirculation created in the cavity has benefits for the flame spread, with the function of preventing the flame from being blown away by flow oscillations.
Author Contributions
Funding
Conflicts of Interest
Nomenclature and Abbreviations
| Latin characters | |
| Da | Damköhler number |
| Lignition | ignition delayed distance |
| Linduce | induction length |
| Lmix | mixing length |
| Lspread | flame spread length |
| Ma | Mach number |
| Pen | pressure in the combustion chamber |
| Pc | total pressure of the air flow |
| Pc2h4 | injection pressure of the ethylene |
| Abbreviations | |
| CCD | charge coupled device |
| CMOS | complementary metal oxide semiconductor |
| NPLS | nanoparticle-based planar laser scattering |
References
- Chung, S.H. Stabilization, propagation and instability of tribrachial triple flames. Proc. Combust. Inst. 2007, 31, 877–892. [Google Scholar] [CrossRef]
- Buckmaster, J. Edge-flames. Prog. Energy Combust. Sci. 2002, 28, 435–475. [Google Scholar] [CrossRef]
- Gordon, R.L.; Masri, A.R.; Pope, S.B.; Goldin, G.M. Transport budgets in turbulent lifted flames of methane autoigniting in a vitiated co-flow. Combust. Flame 2007, 151, 495–511. [Google Scholar] [CrossRef]
- Liu, C.; Zhang, J.; Jia, D.; Li, P. Experimental and numerical investigation of the transition progress of strut-induced wakes in the supersonic flows. Aerosp. Sci. Technol. 2021, 120, 107256. [Google Scholar] [CrossRef]
- Mastorakos, E. Ignition of turbulent non-premixed flames. Prog. Energy Combust. Sci. 2009, 35, 57–97. [Google Scholar] [CrossRef]
- An, B.; Sun, M.; Wang, Z.; Chen, J. Flame stabilization enhancement in a strut-based supersonic combustor by shock wave generators. Aerosp. Sci. Technol. 2020, 104, 105942. [Google Scholar] [CrossRef]
- Jones, W.P.; Navarro-Martinez, S. Numerical study of n-Heptane auto-ignition using LES-PDF methods. Flow Turbul. Combust. 2009, 83, 407–423. [Google Scholar] [CrossRef]
- Jones, W.P.; Navarro-Martinez, S.; Rohl, O. Large eddy simulation of hydrogen auto-ignition with a probability density function method. Proc. Combust. Inst. 2007, 31, 1765–1771. [Google Scholar] [CrossRef]
- Richardson, E.S.; Yoo, C.S.; Chen, J.H. Analysis of second-order conditional moment closure applied to an auto-ignitive lifted hydrogen jet flame. Proc. Combust. Inst. 2009, 32, 1695–1703. [Google Scholar] [CrossRef]
- Gokulakrishnan1, P.; Gaines, G.; Klassen, M.S. Autoignition of Aviation Fuels: Experimental and Modeling Study. In Proceedings of the 43rd AIAA/ASME/SAE/ASEE Joint Propulsion Conference & Exhibit, Cincinnati, OH, USA, 8–11 July 2007. [Google Scholar]
- Dean, A.J.; Penyazkov, O.G.; Sevruk, K.L.; Varatharajan, B. Autoignition of surrogate fuels at elevated temperatures and pressures. Proc. Combust. Inst. 2007, 31, 2481–2488. [Google Scholar] [CrossRef]
- Athithan, A.A.; Jeyakumar, S.; Sczygiol, N.; Urbanski, M.; Hariharasudan, A. The Combustion Characteristics of Double Ramps in a Strut-Based Scramjet Combustor. Energies 2021, 14, 831. [Google Scholar] [CrossRef]
- Medwell, P.R.; Kalt, P.A.M.; Dally, B.B. Imaging of diluted turbulent ethylene flames stabilized on a Jet in Hot Coflow (JHC) burner. Combust. Flame 2008, 152, 100–113. [Google Scholar] [CrossRef]
- Oldenhof, E.; Tummers, M.J.; van Veen, E.H.; Roekaerts, D.J. Ignition kernel formation and lift-off behaviour of jet-in-hot-coflow flames. Combust. Flame 2010, 157, 1167–1178. [Google Scholar] [CrossRef]
- Kaiser, S.A.; Frank, J.H. Spatial scales of extinction and dissipation in the near field of non-premixed turbulent jet flames. Proc. Combust. Inst. 2009, 32, 1639–1646. [Google Scholar] [CrossRef]
- Pellett, G.L.; Vaden, S.N.; Wilson, L.G. Opposed Jet Burner Extinction Limits: Simple Mixed Hydrocarbon Scramjet Fuels vs. Air. In Proceedings of the 43rd AIAA/ASME/SAE/ASEE Joint Propulsion Conference & Exhibit, Cincinnati, OH, USA, 8–11 July 2007. [Google Scholar]
- Ruan, C.; Chen, F.E.; Yu, T.; Cai, W.W.; Li, X.L.; Lu, X.C. Experimental study on flame/flow dynamics in a multi-nozzle gas turbine model combustor under thermo-acoustically unstable condition with different swirler configurations. Aerosp. Sci. Technol. 2020, 98, 11. [Google Scholar] [CrossRef]
- Micka, D.J.; Driscoll, J.F. Stratified jet flames in a heated (1390 K) air cross-flow with autoignition. Combust. Flame 2012, 159, 1205–1214. [Google Scholar] [CrossRef]
- Kurdyumov, V.; Fernandez-Tarrazo, E.; Linan, A. The anchoring of gaseous jet diffusion flames in stagnant air. Aerosp. Sci. Technol. 2002, 6, 507–516. [Google Scholar] [CrossRef][Green Version]
- Masuya, G.; Choi, B.; Ichikawa, N. Mixing and combustion of fuel jet in pseudo-shock waves. In Proceedings of the 40th AIAA Aerospace Sciences Meeting & Exhibit, Reno, NV, USA, 14–17 January 2002. [Google Scholar]
- Mai, T.; Sakimitsu, Y.; Nakamura, H.; Ogami, Y.; Kudo, T.; Kobayashi, H. Effect of the incident shock wave interacting with transversal jet flow on the mixing and combustion. Proc. Combust. Inst. 2011, 33, 2335–2342. [Google Scholar] [CrossRef]
- Li, F.; Sun, M.; Cai, Z.; Chen, Y.; Sun, Y.; Li, F.; Zhu, J. Effects of additional cavity floor injection on the ignition and combustion processes in a Mach 2 supersonic flow. Energies 2020, 13, 4801. [Google Scholar] [CrossRef]
- Tetsuo, H.; Kan, K.; Sadatake, T.; Izumikawa, M.; Watanabe, S. Gas-sampling survey from exhaust flows in scramjet engines at Mach-6 flight condition. In Proceedings of the 40th AIAA/ASME/SAE/ASEE Joint Propulsion Conference and Exhibit, Fort Lauderdale, FL, USA, 11–14 July 2004. [Google Scholar]
- Dai, J.; Cai, G.B.; Zhang, Y.; Yu, N.J. Experimental and numerical investigation of combustion characteristics on GO2/GH2 shear coaxial injector. Aerosp. Sci. Technol. 2018, 77, 725–732. [Google Scholar] [CrossRef]
- Jeong, E.; O’Byrne, S.; Jeung, I.S.; Houwing, A.F.P. The effect of fuel injection location on supersonic hydrogen combustion in a cavity-based model scramjet combustor. Energies 2020, 13, 193. [Google Scholar] [CrossRef]
- Fotia, M.L.; Driscoll, J.F. Ram-Scram Transition and Flame/Shock-Train Interactions in a Model Scramjet Experiment. J. Propuls. Power 2013, 29, 261–273. [Google Scholar] [CrossRef]
- Rasmussen, C.C.; Dhanuka, S.K.; Driscoll, J.F. Visualization of flameholding mechanisms in a supersonic combustor using PLIF. Proc. Combust. Inst. 2007, 31, 2505–2512. [Google Scholar] [CrossRef]
- Xi, W.X.; Wang, Z.G.; Li, Q.; Liang, J.H. Forced ignition of kerosene spray in supersonic flowfield with hot gas injection. J. Aerosp. Power 2012, 27, 2436–2441. [Google Scholar]
- Xi, W.X.; Wang, Z.G.; Sun, M.B.; Liu, W.D.; Li, Q. Experimental investigation of ignition transient phase in model supersonic combustor. J. Aerosp. Eng. 2014, 27, 04014009. [Google Scholar]












| Related Parameters | |||
|---|---|---|---|
| Mach number | 2.5 | Total temperature | 1400–1650 K |
| Length of fuel injection | 60 mm | Injection pressure | 1.0–3.2 Mpa |
| Length of cavity | 24–56 mm | Angle of oblique shock | 18° |
| Depth of cavity | 8 mm | Height of combustor | 40 mm |
| Width of combustor | 50 mm | Test length of combustor | 200 mm |
Publisher’s Note: MDPI stays neutral with regard to jurisdictional claims in published maps and institutional affiliations. |
© 2022 by the authors. Licensee MDPI, Basel, Switzerland. This article is an open access article distributed under the terms and conditions of the Creative Commons Attribution (CC BY) license (https://creativecommons.org/licenses/by/4.0/).
Share and Cite
Xi, W.; Xu, M.; Liu, C.; Liu, J.; Sunden, B. Generation and Propagation Characteristics of an Auto-Ignition Flame Kernel Caused by the Oblique Shock in a Supersonic Flow Regime. Energies 2022, 15, 3356. https://doi.org/10.3390/en15093356
Xi W, Xu M, Liu C, Liu J, Sunden B. Generation and Propagation Characteristics of an Auto-Ignition Flame Kernel Caused by the Oblique Shock in a Supersonic Flow Regime. Energies. 2022; 15(9):3356. https://doi.org/10.3390/en15093356
Chicago/Turabian StyleXi, Wenxiong, Mengyao Xu, Chaoyang Liu, Jian Liu, and Bengt Sunden. 2022. "Generation and Propagation Characteristics of an Auto-Ignition Flame Kernel Caused by the Oblique Shock in a Supersonic Flow Regime" Energies 15, no. 9: 3356. https://doi.org/10.3390/en15093356
APA StyleXi, W., Xu, M., Liu, C., Liu, J., & Sunden, B. (2022). Generation and Propagation Characteristics of an Auto-Ignition Flame Kernel Caused by the Oblique Shock in a Supersonic Flow Regime. Energies, 15(9), 3356. https://doi.org/10.3390/en15093356

