Investigation on Performance of Various Power Control Strategies with Bifilar Coil for Induction Surface Melting Application
Abstract
:1. Introduction
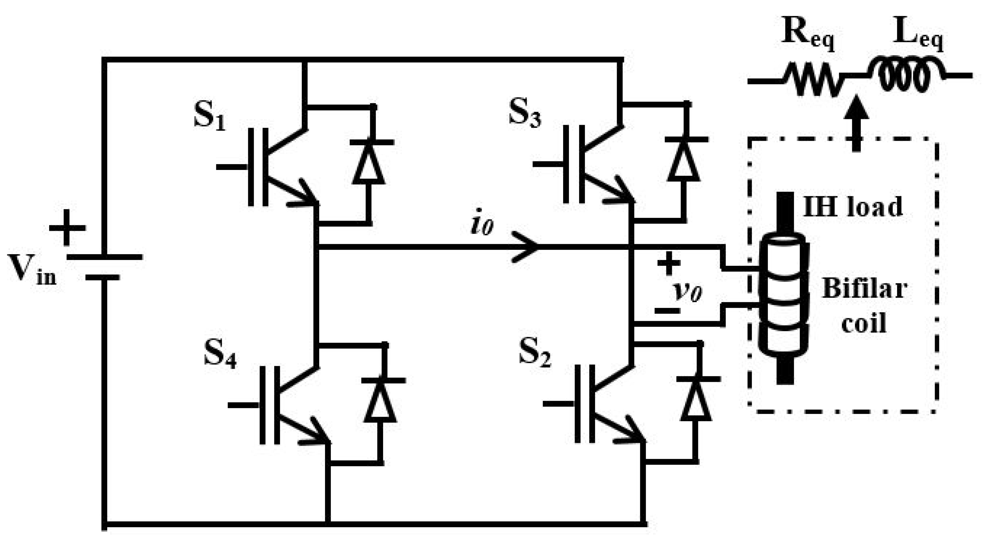
2. Circuit Description
3. Power Control Strategies
3.1. Duty Cycle Control
3.2. Variable Frequency Control
3.3. Phase Shift Control
3.4. Asymmetric Duty Cycle Control
3.5. Pulse Density Modulation Control
4. Experimental Results
4.1. Pulse Duty Cycle Control
4.2. Variable Frequency Control
4.3. Phase Shift Control
4.4. Asymmetric Duty Cycle Control
4.5. Pulse Density Modulation Control
5. Summary of Discussions on the Experimental Results
6. Conclusions
- Asymmetric duty cycle control can be applied to a system where a wide range of ZVS operations are required. The system possesses even harmonics for various values of .
- Phase shift control can be deployed for an IH system where power control needs to be varied from 0% to 100% of the rated power. The resonance operation is maintained for , ranging from 0 to 165.
- Frequency control is suitable for induction melting applications, since it requires differential heating over the surface and depth of the material.
- A pulse duty cycle-based control scheme is preferred when delivering power for a rated load.
Author Contributions
Funding
Institutional Review Board Statement
Informed Consent Statement
Data Availability Statement
Conflicts of Interest
References
- Vishnuram, P.; Ramachandran, G.; Ramasamy, S.; Dayalan, S. A comprehensive overview of power converter topologies for induction heating applications. Int. Trans. Electr. Energy Syst. 2020, 30, e12554. [Google Scholar] [CrossRef]
- Lozinskii, M.G. Industrial Applications of Induction Heating; Pergamon: Oxford, UK, 1969. [Google Scholar]
- Moreland, W.C. The Induction Range: Its Performance and Its Development Problems. IEEE Trans. Ind. Appl. 1973, IA-9, 81–85. [Google Scholar] [CrossRef]
- Acero, J.; Burdio, J.M.; Barragan, L.A.; Navarro, D.; Alonso, R.; Garcia, J.R.; Monterde, F.; Hernandez, P.; Llorente, S.; Garde, I. The domestic induction heating appliance: An overview of recent research. In Proceedings of the 2008 Twenty-Third Annual IEEE Applied Power Electronics Conference and Exposition, Austin, TX, USA, 24–28 February 2008; pp. 651–657. [Google Scholar] [CrossRef]
- Lucía, O.; Maussion, P.; Dede, E.J.; Burdío, J.M. Induction Heating Technology and Its Applications: Past Developments, Current Technology, and Future Challenges. IEEE Trans. Ind. Electron. 2014, 61, 2509–2520. [Google Scholar] [CrossRef] [Green Version]
- Fujita, H.; Uchida, N.; Ozaki, K. A New Zone-Control Induction Heating System Using Multiple Inverter Units Applicable Under Mutual Magnetic Coupling Conditions. IEEE Trans. Power Electron. 2011, 26, 2009–2017. [Google Scholar] [CrossRef]
- Fernández, O.; Delgado, J.; Martínez, F.; Correa, J.; Heras, M. Design and implementation of a 120A resonant inverter for induction furnace. In Proceedings of the 2013 IEEE International Autumn Meeting on Power Electronics and Computing (ROPEC), Morelia, Mexico, 13–15 November 2013; pp. 1–6. [Google Scholar] [CrossRef]
- Yongyuth, N.; Viriya, P.; Matsuse, K. Analysis of a Full-Bridge Inverter for Induction Heating Using Asymmetrical Phase-Shift Control under ZVS and NON-ZVS Operation. In Proceedings of the 7th International Conference on Power Electronics and Drive Systems, Bangkok, Thailand, 27–30 November 2007; pp. 476–482. [Google Scholar] [CrossRef]
- Villa, J.; Navarro, D.; Dominguez, A.; Artigas, J.I.; Barragan, L.A. Vessel Recognition in Induction Heating Appliances—A Deep-Learning Approach. IEEE Access 2021, 9, 16053–16061. [Google Scholar] [CrossRef]
- Shenkman, A.; Axelrod, B.; Berkovich, Y. Single-switch AC-AC converter with high power factor and soft commutation for induction heating applications. IEEE Proc. Electr. Power Appl. 2001, 148, 469–474. [Google Scholar] [CrossRef]
- Sarnago, H.; Lucía, O.; Mediano, A.; Burdío, J.M. Class-D/DE Dual-Mode-Operation Resonant Converter for Improved-Efficiency Domestic Induction Heating System. IEEE Trans. Power Electron. 2013, 28, 1274–1285. [Google Scholar] [CrossRef]
- Ahmed, N.; Nakaoka, M. Boost-half-bridge edge resonant soft switching PWM high-frequency inverter for consumer induction heating appliances. IEEE Proc. Electr. Power Appl. 2006, 153, 932–938. [Google Scholar] [CrossRef]
- Forest, F.; Faucher, S.; Gaspard, J.; Montloup, D.; Huselstein, J.; Joubert, C. Frequency-Synchronized Resonant Converters for the Supply of Multiwinding Coils in Induction Cooking Appliances. IEEE Trans. Ind. Electron. 2007, 54, 441–452. [Google Scholar] [CrossRef]
- Lucia, O.; Burdio, J.M.; Millan, I.; Acero, J.; Puyal, D. Load-Adaptive Control Algorithm of Half-Bridge Series Resonant Inverter for Domestic Induction Heating. IEEE Trans. Ind. Electron. 2009, 56, 3106–3116. [Google Scholar] [CrossRef]
- Lucía, O.; Burdío, J.M.; Barragán, L.A.; Acero, J.; Millán, I. Series-Resonant Multiinverter for Multiple Induction Heaters. IEEE Trans. Power Electron. 2010, 25, 2860–2868. [Google Scholar] [CrossRef]
- Sarnago, H.; Lucía, O.; Burdio, J.M. A Versatile Resonant Tank Identification Methodology for Induction Heating Systems. IEEE Trans. Power Electron. 2018, 33, 1897–1901. [Google Scholar] [CrossRef]
- Meziane, B.; Zeroug, H. Comprehensive Power Control Performance Investigations of Resonant Inverter for Induction Metal Surface Hardening. IEEE Trans. Ind. Electron. 2016, 63, 6086–6096. [Google Scholar] [CrossRef]
- Bi, C.; Lu, H.; Jia, K.; Hu, J.; Li, H. A Novel Multiple-Frequency Resonant Inverter for Induction Heating Applications. IEEE Trans. Power Electron. 2016, 31, 8162–8171. [Google Scholar] [CrossRef]
- Vishnuram, P.; Ramachandran, G.; Ramasamy, S. A Novel Power Control Technique for Series Resonant Inverter-Fed Induction Heating System with Fuzzy-Aided Digital Pulse Density Modulation Scheme. Int. J. Fuzzy Syst. 2017, 20. [Google Scholar] [CrossRef]
- Acero, J.; Carretero, C.; Alonso, R.; Burdio, J.M. Quantitative Evaluation of Induction Efficiency in Domestic Induction Heating Applications. IEEE Trans. Magn. 2013, 49, 1382–1389. [Google Scholar] [CrossRef]
- Wang, C.S.; Stielau, O.; Covic, G. Design considerations for a contactless electric vehicle battery charger. IEEE Trans. Ind. Electron. 2005, 52, 1308–1314. [Google Scholar] [CrossRef]
- Chudnovsky, V.; Axelrod, B.; Shenkman, A.L. An approximate analysis of a starting process of a current source parallel inverter with a high-Q induction heating load. IEEE Trans. Power Electron. 1997, 12, 294–301. [Google Scholar] [CrossRef]
- de Miranda, C.M.; Pichorim, S.F. A Self-Resonant Two-Coil Wireless Power Transfer System Using Open Bifilar Coils. IEEE Trans. Circuits Syst. II Express Briefs 2017, 64, 615–619. [Google Scholar] [CrossRef]
- Miranda, C.; Pichorim, S. On the self-resonant frequency reduction of closed- and open-bifilar coils. Int. J. Circuit Theory Appl. 2019, 47, 641–653. [Google Scholar] [CrossRef]
- Vishnuram, P.; Ramachandran, G. Capacitor-less induction heating system with self-resonant bifilar coil. Int. J. Circuit Theory Appl. 2020, 48, 1411–1425. [Google Scholar] [CrossRef]
- Sarnago, H.; Lucia, O.; Mediano, A.; Burdio, J. High-efficiency parallel quasi-resonant current source inverter featuring SiC metal-oxide semiconductor field-effect transistors for induction heating systems with coupled inductors. IET Power Electron. 2013, 6, 183–191. [Google Scholar] [CrossRef]
- Bojoi, R.; Griva, G.; Profumo, F.; Cesano, M.; Natale, L. Shunt active power filter implementation for induction heating applications. In Proceedings of the Twentieth Annual IEEE Applied Power Electronics Conference and Exposition, Austin, TX, USA, 6–10 March 2005; Volume 3, pp. 1674–1679. [Google Scholar] [CrossRef]
- Barragan, L.; Burdio, J.; Artigas, J.; Navarro, D.; Acero, J.; Puyal, D. Efficiency optimization in ZVS series resonant inverters with asymmetrical voltage-cancellation control. IEEE Trans. Power Electron. 2005, 20, 1036–1044. [Google Scholar] [CrossRef]
- Burdio, J.; Barragan, L.; Monterde, F.; Navarro, D.; Acero, J. Asymmetrical voltage-cancellation control for full-bridge series resonant inverters. IEEE Trans. Power Electron. 2004, 19, 461–469. [Google Scholar] [CrossRef]
- Ahmed, N.A. High-Frequency Soft-Switching AC Conversion Circuit With Dual-Mode PWM/PDM Control Strategy for High-Power IH Applications. IEEE Trans. Ind. Electron. 2011, 58, 1440–1448. [Google Scholar] [CrossRef]
- Vishnuram, P.; Ramachandran, G. A simple multi-frequency multiload independent power control using pulse density modulation scheme for cooking applications. Int. Trans. Electr. Energy Syst. 2021, 31, e12771. [Google Scholar] [CrossRef]
- Vishnuram, P.; Ramachandran, G.; Thanikanti, S.B.; Nastasi, B. Induction Heating in Domestic Cooking and Industrial Melting Applications: A Systematic Review on Modelling, Converter Topologies and Control Schemes. Energies 2021, 14, 6634. [Google Scholar] [CrossRef]
- Vishnuram, P.; Dayalan, S.; Thanikanti, S.B.; Balasubramanian, K.; Nastasi, B. Single Source Multi-Frequency AC-AC Converter for Induction Cooking Applications. Energies 2021, 14, 4799. [Google Scholar] [CrossRef]






















| Parameters | Values |
|---|---|
| 80 V | |
| 0.02 mH | |
| 10 | |
| 29.5 kHz | |
| 30 kHz | |
| 1000 W |
| S. No | Pulse Duty Cycle (%) | Input Voltage (V) | Input Current (A) | Input Power (W) | RMS Value of Output Voltage (V) | RMS Value of Output Current (A) | Output Power (W) | Efficiency (%) |
|---|---|---|---|---|---|---|---|---|
| 1 | 10 | 80 | 1.79 | 143 | 31.59 | 3.16 | 99.8 | 69.8 |
| 2 | 20 | 80 | 3.42 | 273.6 | 44.7 | 4.47 | 199.8 | 73 |
| 3 | 30 | 80 | 4.87 | 389.6 | 54.77 | 5.48 | 300 | 77 |
| 4 | 40 | 80 | 6.1 | 488 | 63.24 | 6.32 | 399.9 | 81.9 |
| 5 | 50 | 80 | 6.97 | 558 | 70.71 | 7.07 | 500 | 89.6 |
| S. No | Switching Frequency (kHz) | Input Voltage (V) | Input Current (A) | Input Power (W) | RMS Value of Output Voltage (V) | RMS Value of Output Current (A) | Output Power (W) | Efficiency (%) |
|---|---|---|---|---|---|---|---|---|
| 1 | 13 | 80 | 7.29 | 583 | 69.21 | 6.92 | 479 | 82.2 |
| 2 | 15 | 80 | 7.27 | 581.6 | 69.57 | 6.96 | 484 | 83.2 |
| 3 | 30 | 80 | 6.97 | 558 | 70.71 | 7.07 | 500 | 89.6 |
| 4 | 45 | 80 | 7.27 | 581.6 | 69.57 | 6.96 | 484 | 83.2 |
| 5 | 66 | 80 | 6.4 | 512 | 64.03 | 6.4 | 410 | 80.1 |
| S. No | Phase Angle () | Input Voltage (V) | Input Current (A) | Input Power (W) | RMS Value of Output Voltage (V) | RMS Value of Output Current (A) | Output Power (W) | Efficiency (%) |
|---|---|---|---|---|---|---|---|---|
| 1 | 0 | 80 | 6.97 | 557.6 | 70.71 | 7.07 | 500 | 89.6 |
| 2 | 20 | 80 | 6.96 | 557 | 69.57 | 6.96 | 484 | 87 |
| 3 | 90 | 80 | 3.77 | 301.6 | 50 | 5 | 250 | 83 |
| 4 | 135 | 80 | 1.12 | 89.6 | 27.09 | 2.71 | 73.4 | 82 |
| 5 | 160 | 80 | 0.23 | 18.4 | 12.25 | 1.22 | 15 | 81.5 |
| S. No | Control Angle () | Input Voltage (V) | Input Current (A) | Input Power (W) | RMS Value of Output Voltage (V) | RMS Value of Output Current (A) | Output Power (W) | Efficiency (%) |
|---|---|---|---|---|---|---|---|---|
| 1 | 0 | 80 | 6.97 | 557.6 | 70.71 | 7.07 | 500 | 89.6 |
| 2 | 30 | 80 | 6.7 | 536 | 68 | 6.8 | 462.4 | 86.2 |
| 3 | 80 | 80 | 4.26 | 341 | 54.1 | 5.41 | 292.6 | 86 |
| 4 | 140 | 80 | 0.87 | 70 | 24.2 | 2.42 | 58.5 | 84 |
| 5 | 160 | 80 | 0.23 | 18.4 | 12.25 | 1.22 | 15 | 81.5 |
| S. No | (%) | Input Voltage (V) | Input Current (A) | Input Power (W) | RMS Value of Output Voltage (V) | RMS Value of Output Current (A) | Output Power (W) | Efficiency (%) |
|---|---|---|---|---|---|---|---|---|
| 1 | 10 | 80 | 0.75 | 60 | 22.36 | 2.24 | 50 | 83 |
| 2 | 40 | 80 | 2.94 | 235 | 44.72 | 4.47 | 200 | 85 |
| 3 | 60 | 80 | 4.36 | 339 | 54.77 | 5.48 | 300 | 86 |
| 4 | 80 | 80 | 5.71 | 457 | 63.25 | 6.32 | 400 | 87.5 |
| 5 | 100 | 80 | 6.97 | 557.6 | 70.71 | 7.07 | 500 | 89.6 |
Publisher’s Note: MDPI stays neutral with regard to jurisdictional claims in published maps and institutional affiliations. |
© 2022 by the authors. Licensee MDPI, Basel, Switzerland. This article is an open access article distributed under the terms and conditions of the Creative Commons Attribution (CC BY) license (https://creativecommons.org/licenses/by/4.0/).
Share and Cite
Sureshkumar, A.; Gunabalan, R.; Vishnuram, P.; Ramsamy, S.; Nastasi, B. Investigation on Performance of Various Power Control Strategies with Bifilar Coil for Induction Surface Melting Application. Energies 2022, 15, 3301. https://doi.org/10.3390/en15093301
Sureshkumar A, Gunabalan R, Vishnuram P, Ramsamy S, Nastasi B. Investigation on Performance of Various Power Control Strategies with Bifilar Coil for Induction Surface Melting Application. Energies. 2022; 15(9):3301. https://doi.org/10.3390/en15093301
Chicago/Turabian StyleSureshkumar, Alagarsamy, Ramachandiran Gunabalan, Pradeep Vishnuram, Sridhar Ramsamy, and Benedetto Nastasi. 2022. "Investigation on Performance of Various Power Control Strategies with Bifilar Coil for Induction Surface Melting Application" Energies 15, no. 9: 3301. https://doi.org/10.3390/en15093301
APA StyleSureshkumar, A., Gunabalan, R., Vishnuram, P., Ramsamy, S., & Nastasi, B. (2022). Investigation on Performance of Various Power Control Strategies with Bifilar Coil for Induction Surface Melting Application. Energies, 15(9), 3301. https://doi.org/10.3390/en15093301

