Pressure Drop Optimization of the Main Steam and Reheat Steam System of a 1000 MW Secondary Reheat Unit
Abstract
:1. Introduction
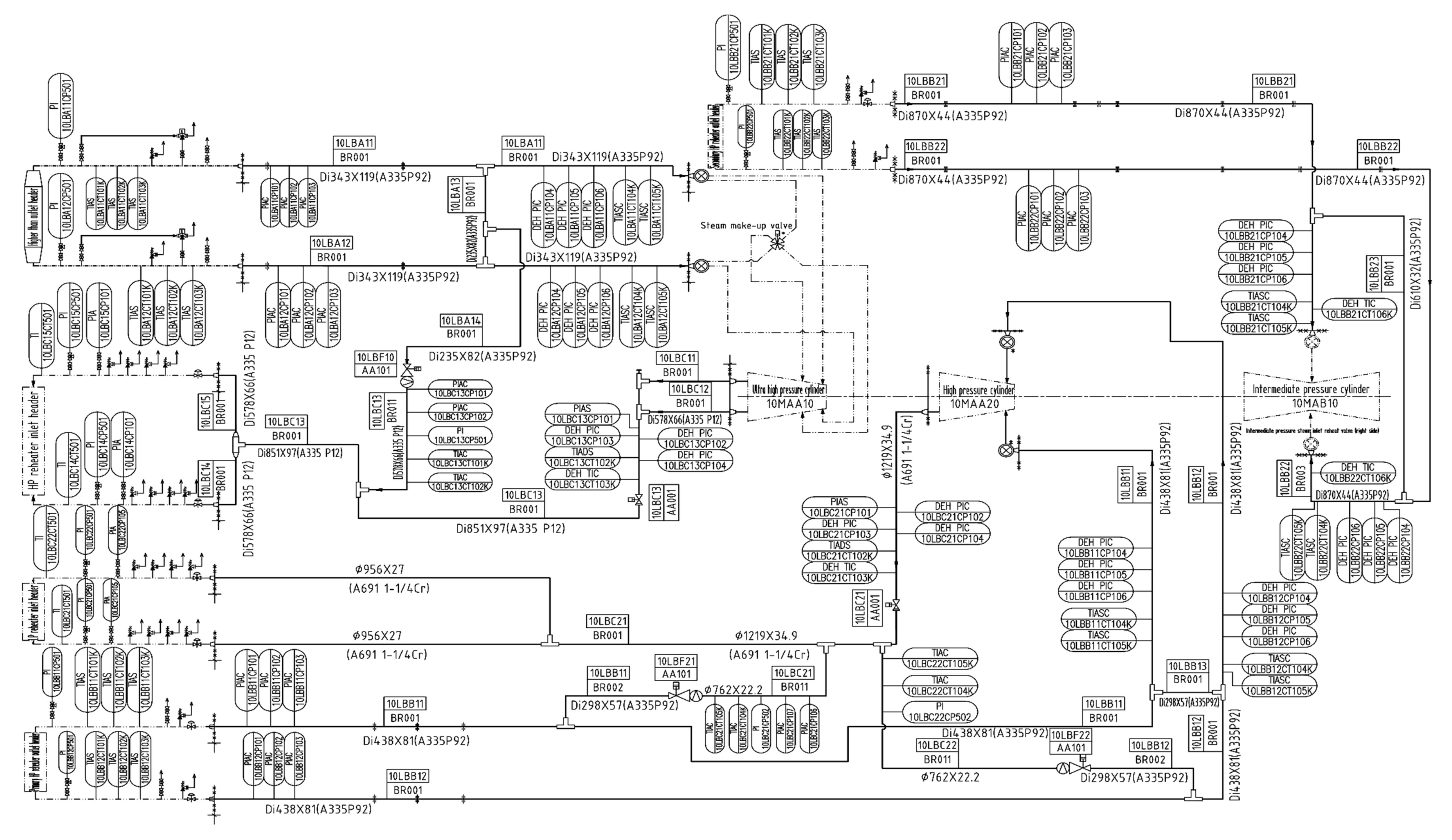
2. Overview of the Study System
2.1. Boiler Parameters
- Maximum continuous evaporation: 3015 t/h;
- Steam pressure at the superheater outlet: 32.24 MPa (a);
- Superheater outlet steam temperature: 610 °C;
- Steam temperature at the primary reheat outlet: 625 °C;
- Secondary reheat outlet steam temperature: 622 °C;
- Guaranteed boiler efficiency: 95.2%;
- Ignition mode: plasma ignition.
2.2. Turbine Parameters
- Nameplate power: 1000 MW;
- Full open power of the main steam valve (VWO working conditions): 1067.963 mw;
- Main steam flow (VWO working conditions): 3015 t/h;
- Rated steam pressure adjacent to the main steam valve: 31 MPa (a);
- Rated steam temperature adjacent to the main steam valve under the rated conditions: 605 °C;
- Rated steam temperature adjacent to the primary reheat steam inlet valve under the rated conditions: 622 °C;
- Rated steam temperature adjacent to the secondary reheat steam inlet valve under the rated conditions: 620 °C;
- Exhaust pressure under the rated conditions: 4.4 kPa (a);
- Exhaust pressure in summer: 9.2 kPa (a);
- Rated speed: 3000 r/min.
2.3. Generator Parameters
- Rated output power: 1000 MW;
- Rated power factor: 0.9 (lagging);
- Rated voltage: 27 KV;
- Rated frequency: 50 Hz;
- Rated speed: 3000 r/min;
- Stator coil wiring mode: YY;
- Cooling mode: water hydrogen;
- Excitation mode: self-shunt static excitation;
- Efficiency (guaranteed value): ≥99%.
3. Methodology
3.1. Strategies for Alleviating Pressure Drop
3.2. Pressure Drop Calculation
- Absolute Roughness (default)—The absolute average roughness height was directly specified;
- Relative Roughness—The roughness was specified as the ratio;
- Hydraulically Smooth—The ratio was set to zero;
- Explicit Friction Factor—The friction factor used in the Darcy–Weisbach equation was directly specified.
4. Results
4.1. Technical and Economic Analysis of the Pressure Drop of the Main Steam System
4.2. Technical and Economic Analysis of the Pressure Drop of Primary Reheat Steam System
4.3. Technical and Economic Analysis of the Pressure Drop of the Secondary Reheat Steam System
4.4. Discussion
5. Conclusions
Author Contributions
Funding
Institutional Review Board Statement
Informed Consent Statement
Data Availability Statement
Acknowledgments
Conflicts of Interest
References
- Fu, W.F.; Wang, L.J.; Yang, Y.P. Optimal design for double reheat coal-fired power plants with post-combustion CO2 capture: A novel thermal system integration with a carbon capture turbine. Energy 2021, 221, 119838. [Google Scholar] [CrossRef]
- Ge, Z.H.; Du, X.Z.; Yang, L.J.; Yang, Y.P.; Li, Y.L.; Jin, Y.S. Performance monitoring of direct air-cooled power generating unit with infrared thermography. Appl. Therm. Eng. 2011, 31, 418–424. [Google Scholar] [CrossRef]
- Tong, Y.J.; Duan, L.Q.; Yang, M.; Pang, L.P. Design optimization of a new supercritical CO2 single reheat coal-fired power generation system. Energy 2022, 239, 122174. [Google Scholar] [CrossRef]
- Sun, R.Q.; Liu, M.; Chen, X.; Yang, K.X.; Yan, J.J. Thermodynamic optimization on supercritical carbon dioxide Brayton cycles to achieve combined heat and power generation. Energy Convers. Manag. 2022, 251, 114929. [Google Scholar] [CrossRef]
- Zou, X.; Wang, L.; Wang, J.; Liu, J.; Ma, H.; Bao, Y. Nondestructive evaluation of carbon fiber reinforced polymer (CFRP)-steel interfacial debonding using eddy current thermography. Compos. Struct. 2022, 284, 115133. [Google Scholar] [CrossRef]
- Sanaye, S.; Amani, M.; Amani, P. 4E modeling and multi-criteria optimization of CCHPW gas turbine plant with inlet air cooling and steam injection. Sustain. Energy Technol. Assess. 2018, 29, 70–81. [Google Scholar] [CrossRef]
- Wang, A.M.; Liu, J.P.; Zhang, S.Q.; Liu, M.; Yan, J.J. Steam generation system operation optimization in parabolic trough concentrating solar power plants under cloudy conditions. Appl. Energy 2020, 265, 114790. [Google Scholar] [CrossRef]
- Wang, C.; Yan, C.Q.; Wang, J.J.; Tian, C.P.; Yu, S.Z. Parametric optimization of steam cycle in PWR nuclear power plant using improved genetic-simplex algorithm. Appl. Therm. Eng. 2017, 125, 830–845. [Google Scholar] [CrossRef]
- Zhong, Z.X.; Huo, Z.Y.; Wang, X.; Liu, F.; Pan, Y.H. New steam turbine operational mode for a gas turbine combine cycle bottoming cycle system. Appl. Therm. Eng. 2021, 198, 117451. [Google Scholar] [CrossRef]
- Barakat, A.A.; Diab, J.H.; Badawi, N.S.; Nader, W.S.B.; Mansour, C.J. Combined cycle gas turbine system optimization for extended range electric vehicles. Energy Convers. Manag. 2020, 226, 113538. [Google Scholar] [CrossRef]
- Carapellucci, R.; Milazzo, A. Thermodynamic optimization of a chemically recuperated reheat gas turbine. Energy Convers. Manag. 2005, 46, 2936–2953. [Google Scholar] [CrossRef]
- Hadelu, L.M.; Noorpoor, A.; Boyaghchi, F.A.; Mirjalili, S. Exergoeconomic, carbon, and water footprint analyses and optimization of a new solar-driven multigeneration system based on supercritical CO2 cycle and solid oxide steam electrolyzer using various phase change materials. Process Saf. Environ. Prot. 2022, 159, 393–421. [Google Scholar] [CrossRef]
- Li, J.L.; Xin, Y.; Hu, B.; Zeng, K.; Wu, Z.Y.; Fan, S.W.; Li, Y.Y.; Chen, Y.Z.; Wang, S.J.; Wang, J.Z.; et al. Safety and thermal efficiency performance assessment of solar aided coal-fired power plant based on turbine steam double reheat. Energy 2021, 226, 120277. [Google Scholar] [CrossRef]
- Jiang, Y.; Duan, L.Q.; Pang, L.P.; Song, J.F. Thermal performance study of tower solar aided double reheat coal-fired power generation system. Energy 2021, 230, 120857. [Google Scholar] [CrossRef]
- Li, B.T. Economic Analysis of 1000 MW Ultra Supercritical EC-BEST Secondary Reheat Unit. J. Eng. Therm. Energy Power 2018, 33, 36–41. [Google Scholar]
- Li, Y.S.; Huang, X.; Sun, J.W.; Wang, H.J. Analysis and Improvement on the Low Reheat Steam Temperature of Ultra-supercritical Units with Secondary Reheat Cycle. J. Eng. Therm. Energy Power 2019, 34, 184–189. [Google Scholar]
- Wang, D.; Chen, H.; Wei, J.Q.; Chen, Y. Research on Regenerative Characteristics of 1 000 MW Units at Different BEST Stages under Variable Operating Conditions. J. Eng. Therm. Energy Power 2022, 37, 34–40. [Google Scholar]
- Gu, H.; Cui, X.B.; Zhu, H.X.; Si, F.Q.; Kong, Y. Multi-objective optimization analysis on gas-steam combined cycle system with exergy theory. J. Clean. Prod. 2021, 278, 123939. [Google Scholar] [CrossRef]
- Rani, M.F.H.; Razlan, Z.M.; Shahriman, A.B.; Ibrahim, Z.; Wan, W.K. Comparative study of surface temperature of lithium-ion polymer cells at different discharging rates by infrared thermography and thermocouple. Int. J. Heat Mass Transf. 2020, 153, 119595. [Google Scholar] [CrossRef]
- Martelli, E.; Kreutz, T.G.; Gatti, M.; Chiesa, P.; Consonni, S. Numerical optimization of steam cycles and steam generators designs for coal to FT plants. Chem. Eng. Res. Des. 2013, 91, 1467–1482. [Google Scholar] [CrossRef]
- Martelli, E.; Nord, L.O.; Bolland, O. Design criteria and optimization of heat recovery steam cycles for integrated reforming combined cycles with CO2 capture. Appl. Energy 2012, 92, 255–268. [Google Scholar] [CrossRef]
- Naserabad, S.N.; Mehrpanahi, A.; Ahmadi, G. Multi-objective optimization of HRSG configurations on the steam power plant repowering specifications. Energy 2018, 159, 277–293. [Google Scholar] [CrossRef]
- Zhou, J.; Zhang, C.H.; Su, S.; Wang, Y.; Hu, S.; Liu, L.; Ling, P.; Zhong, W.Q.; Xiang, J. Exergy analysis of a 1000 MW single reheat supercritical CO2 Brayton cycle coal-fired power plant. Energy Convers. Manag. 2018, 173, 348–358. [Google Scholar] [CrossRef]
- Zhou, L.Y.; Xu, G.; Zhao, S.F.; Xu, C.; Yang, Y.P. Parametric analysis and process optimization of steam cycle in double reheat ultra-supercritical power plants. Appl. Therm. Eng. 2016, 99, 652–660. [Google Scholar] [CrossRef]
- Wang, S.P.; Zhang, Y.F.; Li, H.Z.; Yao, M.Y.; Peng, B.T.; Yan, J.J. Thermohydrodynamic analysis of the vertical gas wall and reheat gas wall in a 300 MW supercritical CO2 boiler. Energy 2020, 211, 118611. [Google Scholar] [CrossRef]
- Bassily, A.M. Numerical cost optimization and irreversibility analysis of the triple-pressure reheat steam-air cooled GT commercial combined cycle power plants. Appl. Therm. Eng. 2012, 40, 145–160. [Google Scholar] [CrossRef]
- Ghahramani, A.; Castro, G.; Becerik-Gerber, B.; Yu, X.R. Infrared thermography of human face for monitoring thermoregulation performance and estimating personal thermal comfort. Build. Environ. 2016, 109, 1–11. [Google Scholar] [CrossRef] [Green Version]
- Hajabdollahi, F.; Hajabdollahi, Z.; Hajabdollahi, H. Soft computing based multi-objective optimization of steam cycle power plant using NSGA-II and ANN. Appl. Soft Comput. 2012, 12, 3648–3655. [Google Scholar] [CrossRef]
- Huang, B.; Li, Y.; Gao, R.; Zuo, Y.F.; Dai, Z.H.; Wang, F.C. Simultaneous optimization and heat integration of the coal-to-SNG process with a branched heat recovery steam cycle. Comput. Chem. Eng. 2018, 117, 117–128. [Google Scholar] [CrossRef]
- Nadir, M.; Ghenaiet, A.; Carcasci, C. Thermo-economic optimization of heat recovery steam generator for a range of gas turbine exhaust temperatures. Appl. Therm. Eng. 2016, 106, 811–826. [Google Scholar] [CrossRef]
- Sanjay, Y.; Singh, O.; Prasad, B.N. Energy and exergy analysis of steam cooled reheat gas-steam combined cycle. Appl. Therm. Eng. 2007, 27, 2779–2790. [Google Scholar] [CrossRef]
- Tejedor, B.; Casals, M.; Gangolells, M.; Macarulla, M.; Forcada, N. Human comfort modelling for elderly people by infrared thermography: Evaluating the thermoregulation system responses in an indoor environment during winter. Build. Environ. 2020, 186, 107354. [Google Scholar] [CrossRef]
- Bassily, A.M. Modeling, numerical optimization, and irreversibility reduction of a dual-pressure reheat combined-cycle. Appl. Energy 2005, 81, 127–151. [Google Scholar] [CrossRef]
- Bassily, A.M. Modeling, numerical optimization, and irreversibility reduction of a triple-pressure reheat combined-cycle. Energy 2007, 32, 778–794. [Google Scholar] [CrossRef]
- Nikbakht Naserabad, S.; Mehrpanahi, A.; Ahmadi, G. Multi-objective optimization of feed-water heater arrangement options in a steam power plant repowering. J. Clean. Prod. 2019, 220, 253–270. [Google Scholar] [CrossRef]
- Vojdani, M.; Fakhari, I.; Ahmadi, P. A novel triple pressure HRSG integrated with MED/SOFC/GT for cogeneration of electricity and freshwater: Techno-economic-environmental assessment, and multi-objective optimization. Energy Convers. Manag. 2021, 233, 113876. [Google Scholar] [CrossRef]







| r/d | K |
|---|---|
| 1 | 20 fT |
| 1.5 | 14 fT |
| 2 | 12 fT |
| 3 | 12 fT |
| 4 | 14 fT |
| 6 | 17 fT |
| 8 | 24 fT |
| 10 | 30 fT |
| Nominal Size | Friction Factor fT |
|---|---|
| 1/2″ | 0.027 |
| 3/4″ | 0.025 |
| 1” | 0.023 |
| 1 1/4″ | 0.022 |
| 1 1/2″ | 0.021 |
| 2″ | 0.019 |
| 2 1/2″, 3″ | 0.018 |
| 4″ | 0.017 |
| 5″ | 0.016 |
| 6″ | 0.015 |
| 8–10″ | 0.014 |
| 12–16″ | 0.013 |
| 18–24″ | 0.012 |
| Main Steam Pipe Specification | ID339 × 116 | ID349 × 122 | ID343 × 119 | ID343 × 119 |
|---|---|---|---|---|
| Use of elbow or bend pipe | Elbow | Elbow | Elbow | Bend pipe |
| Temperature (°C) | 615 | 615 | 615 | 615 |
| Superheater pressure (MPa) | 31.871 | 31.753 | 31.822 | 31.808 |
| Inlet pressure of the main steam valve of steam turbine (MPa) | 31 | 31 | 31 | 31 |
| Pressure loss ratio | 2.81% | 2.43% | 2.65% | 2.61% |
| Heat consumption increment (KJ/kWh) | Benchmark | −1.18 | −0.49 | −0.63 |
| Increment of coal consumption data (g/kWh) | Benchmark | −0.046 | −0.019 | −0.024 |
| Annual coal cost increment (CNY Ten thousand) | Benchmark | −37.35 | −15.51 | −19.94 |
| Pipe weight increment (t) | Benchmark | 62.64 | 29.16 | 29.16 |
| Initial investment increment of pipeline (CNY Ten thousand) | Benchmark | 444.52 | 206.93 | 206.93 |
| 20-year income determined by cost present value method (CNY Ten thousand) | Benchmark | 428.35 | 177.88 | 228.70 |
| Total income in 20 years (CNY Ten thousand) | Benchmark | −16.17 | −29.05 | 21.77 |
| Primary Heat Pipe Specifications | ID419 × 78 Using the Elbow Pipe | ID438 × 81 Using the Bend Pipe |
|---|---|---|
| Primary cooling pipe specification | ID845 × 94 | ID851 × 97 |
| Pressure loss of the high pressure reheater | 1.5% | 1.5% |
| Total pressure drop of the primary reheat pipeline (MPa) | 0.874 | 0.6445 |
| Total pressure loss of the primary reheat system | 6.62% | 4.88% |
| Heat consumption increment (KJ/kWh) | Benchmark | −7.13 |
| Increment of coal consumption (g/kWh) | Benchmark | −0.276 |
| Annual coal cost increment (CNY Ten thousand) | Benchmark | −225.67 |
| Initial investment increment of the pipeline (CNY Ten thousand) | Benchmark | 501.29 |
| 20-year income determined by cost present value method (CNY Ten thousand) | Benchmark | 2588.49 |
| Total income in 20 years (CNY Ten thousand) | Benchmark | 2087.20 |
| Specifications of the Secondary Heat Pipe | ID851 × 41 Using the Elbow Pipe | ID870 × 44 Using the Bend Pipe |
|---|---|---|
| Specification of the secondary cooling pipe | ∅1168 × 31.8 | ∅1219 × 34.9 |
| Pressure loss of the low pressure reheater | 5.2% | 5.2% |
| Total pressure drop of the secondary reheat pipeline (MPa) | 0.366 | 0.312 |
| Total pressure loss of the secondary reheat system | 9.53% | 8.13% |
| Heat consumption increment (KJ/kWh) | Benchmark | −7.86 |
| Increment of coal consumption (g/kWh) | Benchmark | −0.304 |
| Annual coal cost increment (CNY Ten thousand) | Benchmark | −248.64 |
| Initial investment increment of the pipeline (CNY Ten thousand) | Benchmark | 579.55 |
| 20-year income evaluated by the cost present value method (CNY Ten thousand) | Benchmark | 2851.87 |
| Total income in 20 years (CNY Ten thousand) | Benchmark | 2272.32 |
Publisher’s Note: MDPI stays neutral with regard to jurisdictional claims in published maps and institutional affiliations. |
© 2022 by the authors. Licensee MDPI, Basel, Switzerland. This article is an open access article distributed under the terms and conditions of the Creative Commons Attribution (CC BY) license (https://creativecommons.org/licenses/by/4.0/).
Share and Cite
Li, Y.; Liu, J.; Huang, G. Pressure Drop Optimization of the Main Steam and Reheat Steam System of a 1000 MW Secondary Reheat Unit. Energies 2022, 15, 3279. https://doi.org/10.3390/en15093279
Li Y, Liu J, Huang G. Pressure Drop Optimization of the Main Steam and Reheat Steam System of a 1000 MW Secondary Reheat Unit. Energies. 2022; 15(9):3279. https://doi.org/10.3390/en15093279
Chicago/Turabian StyleLi, Yanfeng, Jingru Liu, and Guohe Huang. 2022. "Pressure Drop Optimization of the Main Steam and Reheat Steam System of a 1000 MW Secondary Reheat Unit" Energies 15, no. 9: 3279. https://doi.org/10.3390/en15093279
APA StyleLi, Y., Liu, J., & Huang, G. (2022). Pressure Drop Optimization of the Main Steam and Reheat Steam System of a 1000 MW Secondary Reheat Unit. Energies, 15(9), 3279. https://doi.org/10.3390/en15093279

