Modeling of Large-Scale Thermal Power Plants for Performance Prediction in Deep Peak Shaving
Abstract
:1. Introduction
- (1)
- A modeling method for the performance prediction of large-scale thermal power plants during deep peak shaving is proposed;
- (2)
- Parameter coupling is fully considered in the model’s construction, and three-layer iterative logic is adopted in the algorithm design of the model. In the innermost layer, a mechanism analysis of the condenser’s heat transfer characteristics is used as the constraint for the end of the iterative calculation of exhaust pressure. In the middle layer, the Flugel formula is used as the constraint for the end of the iteration calculation of the extraction pressure at each extraction point. In the outermost layer, the power balance equation is used as the constraint for the end of the iterative calculation of the main steam flow. Through the model design of the three-layer iterative cycle mode, the extraction coefficient and condensation coefficient can be used as the coupling point; synchronous iterative calculations of exhaust flow, exhaust pressure and exhaust enthalpy are realized; and the mechanisms of the coupling relationships between various parameters can be analyzed. The corrected values of all steam and water parameters of the system and the flow of groups at all levels after parameter disturbance are thereby obtained;
- (3)
- The accuracy of the model is verified by the measured data of the power plant;
- (4)
- The influence of different types of disturbance parameters on the performance of thermal power units when these units participate in deep peak shaving are reported. In addition, the change laws of unit performance indexes when the cycle parameters (main steam and reheat steam parameters) are disturbed are predicted, as well as the change laws of unit performance indexes when the energy efficiency parameters of the main and auxiliary equipment (high-pressure cylinder efficiency and end difference) are disturbed.
2. Materials and Methods
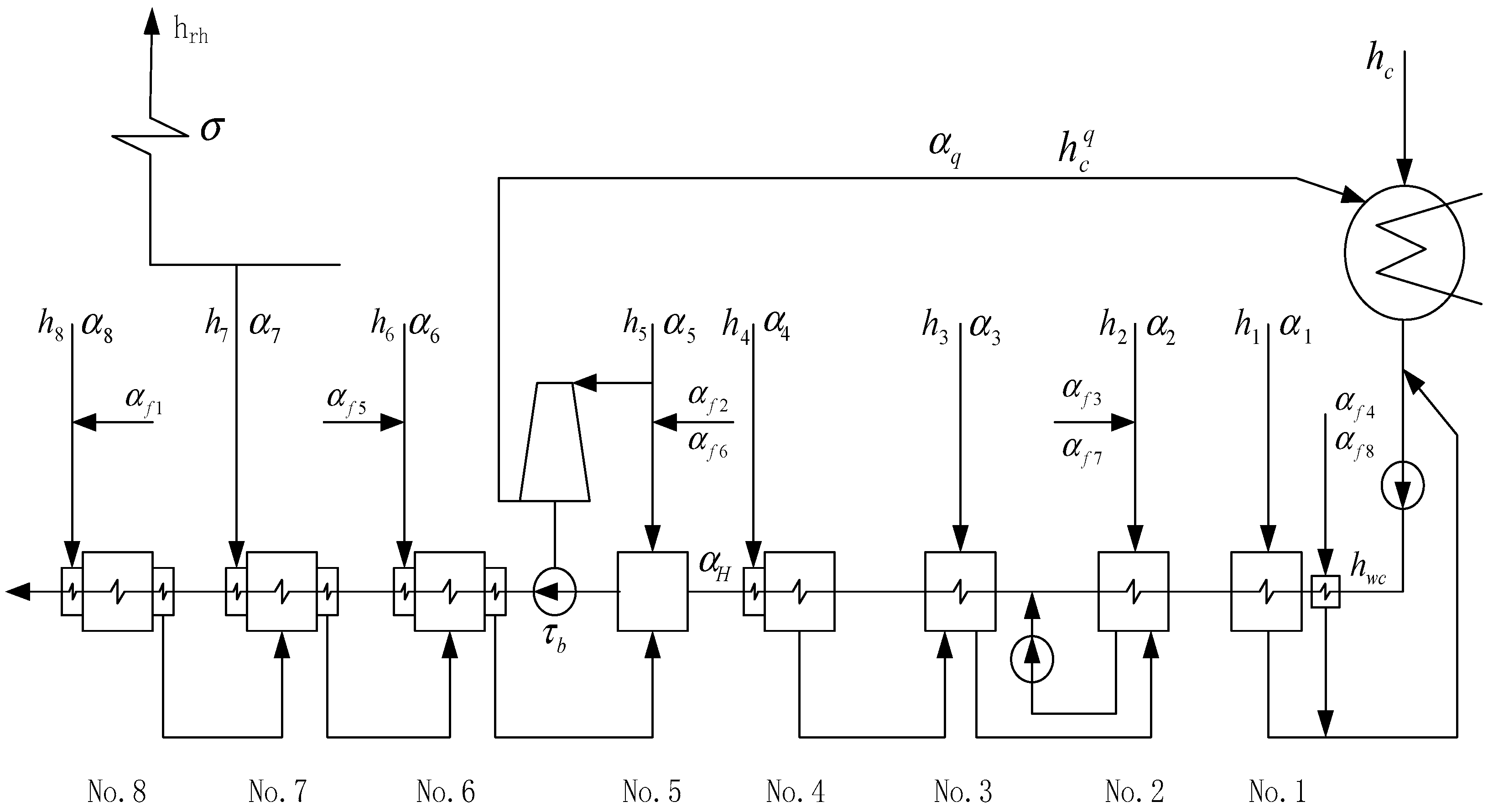
2.1. Performance Prediction Modeling
2.2. Characteristic Model of Flow Passage
2.2.1. Calculation of Extraction Pressure
2.2.2. Stage Group Efficiency Calculation
- Efficiency calculation of the regulating stage
- 2.
- Intermediate stage efficiency calculation
- 3.
- Final stage efficiency calculation
2.2.3. Extraction Enthalpy and Temperature Calculation
2.3. Characteristic Model of the Heater
2.3.1. Change in Inlet and Outlet Parameters
2.3.2. Extraction Enthalpy and Temperature Calculation
2.4. Characteristic Model of the Condenser
2.4.1. Condenser Pressure Calculation
2.4.2. Determination Method of the Overall Heat Transfer Coefficient of the Condenser
3. Results with Analysis
3.1. Model Validation
3.2. Simulation of Performance Prediction Model under Parameter Disturbance
3.2.1. Main Steam Pressure Disturbances
3.2.2. Main Steam Temperature Disturbances
3.2.3. Reheated Steam Temperature Disturbances
3.2.4. Heater Terminal Temperature Difference Disturbance
3.2.5. High-Pressure Cylinder Efficiency Disturbances
4. Conclusions
- (1)
- The proposed prediction model is verified, with 90%, 80% and 60% load conditions selected for calculation and verification. The relative error of the unit thermal efficiency, calculated according to the prediction model, is within ±0.2%. The calculation results show that the prediction model can be verified by the actual unit test data, with high accuracy;
- (2)
- The rated load of the unit is 300 MW (100% load) for a unit participating in deep peak shaving, and the 90%, 80%, 75%, 50%, 40% and 30% load conditions are selected for calculation; the minimum load of the unit is 90 MW (30% load). Under each determined output power load, with an increase in the main steam temperature, reheater temperature, and high-pressure cylinder efficiency, the unit thermal efficiency increases accordingly. The unit thermal efficiency shows a downward trend with the increase in the heater end difference;
- (3)
- For a unit participating in deep peak shaving, when the main steam pressure in-creases compared with the reference working condition, the unit thermal efficiency decreases with the decrease in unit load; when the main steam pressure decreases compared with the reference working condition, the unit thermal efficiency increases with the decrease in unit load;
- (4)
- For a unit participating in deep peak shaving, the #7 heater terminal temperature difference has a greater impact on the unit thermal efficiency than the #1 heater terminal temperature difference.
Author Contributions
Funding
Institutional Review Board Statement
Informed Consent Statement
Data Availability Statement
Conflicts of Interest
Nomenclature
| β | The Pengtaimen coefficient |
| εn | The pressure ratio before and after the stage group |
| εc | The critical pressure ratio before and after the stage group |
| p | The steam pressure (MPa) |
| T | The thermodynamic temperature (K) |
| Drh | The steam flow (t/h) |
| h | The steam enthalpy (kJ/kg) |
| ηi | The final stage efficiency |
| ε | The last stage pressure ratio |
| ts | The saturation temperature of the exhaust (°C) |
| tw1 | The circulating water inlet temperature (°C) |
| Δt | The temperature rise in the circulating water (°C); |
| δt | The condenser terminal temperature difference (°C) |
| Dc | The exhaust volume into the condenser (t/h) |
| cw | The specific heat capacity of the circulating cooling water (kJ/(kg·K)) |
| φw | The cooling water flow rate and pipe diameter correction factor |
| cw | The flow rate of cooling water in the pipe (m/s), generally 1.5~2.5 (m/s) |
| d1 | The inner diameter of the cooling water pipe (mm) |
| φt | The correction coefficient of the cooling water inlet temperature |
| φz | The correction coefficient of the cooling water flow number, Z |
| φd | The correction coefficient of condenser per area steam load, |
| Subscripts, superscripts and accents | |
| 0 | The parameters under reference working conditions |
| 1 | The parameters under variable working conditions |
| j | The stage group j |
| rh | The reheater |
| sj | The saturation pressure in the heater |
| wj | The outlet water temperature of the heater |
| dj | The drain water of the heater |
References
- Wang, J.J.; Zhang, S.; Huo, J. Dispatch optimization of thermal power unit flexibility transformation under the deep peak shaving demand based on invasive weed optimization. J. Clean. Prod. 2021, 5, 128047. [Google Scholar] [CrossRef]
- Wu, X.; Xi, H.; Ren, Y.; Lee, K.Y. Power-Carbon Coordinated Control of BFG-Fired CCGT Power Plant Integrated with Solvent-based Post-Combustion CO2 Capture. Energy 2021, 226, 120435. [Google Scholar] [CrossRef]
- Jiang, L.; Wang, C.; Huang, Y.; Pei, Z.; Xin, S.; Wang, W.; Brown, T. Growth in wind and sun integrating variable generation in China. IEEE Power Energy Manag. 2015, 13, 40–49. [Google Scholar] [CrossRef]
- Chen, X.; Wu, X.; Lee, K.Y. The mutual benefits of renewables and carbon capture: Achieved by an artificial intelligent scheduling strategy. Energy Convers. Manag. 2021, 233, 113856. [Google Scholar] [CrossRef]
- Wu, X.; Wang, M.; Liao, P.; Shen, J.; Li, Y. Solvent-based post-combustion CO2 capture for power plants: A critical review and perspective on dynamic modelling, system identification, process control and flexible operation. Appl. Energy 2020, 257, 113941. [Google Scholar] [CrossRef]
- Mingaleeva, G.; Afanaseva, O.; Nguen, D.T.; Pham, D.N.; Zunino, P. The Integration of Hybrid Mini Thermal Power Plants into the Energy Complex of the Republic of Vietnam. Energies 2020, 13, 5848. [Google Scholar] [CrossRef]
- Kubik, M.L.; Coker, P.J.; Barlow, J.F. Increasing thermal plant flexibility in a hig renewables power system. Appl. Energy 2015, 154, 102–111. [Google Scholar] [CrossRef] [Green Version]
- Frew, B.A. Flexibility mechanisms and pathways to a highly renewable US electricity future. Energy 2016, 101, 65–78. [Google Scholar] [CrossRef] [Green Version]
- Wu, X.; Shen, J.; Li, Y.; Wang, M.; Lawal, A. Flexible operation of post-combustion solvent-based carbon capture for coal-fired power plants using multi-model predictive control: A simulation study. Fuel 2018, 220, 931–941. [Google Scholar] [CrossRef] [Green Version]
- Kwon, P.S.; Ostergaard, P. Assessment and evaluation of flexible demand in a Danish future energy scenario. Appl. Energy 2014, 134, 309–320. [Google Scholar] [CrossRef]
- Kopiske, J.; Spieker, S.; Tsatsaronis, G. Value of power plant flexibility in power systems with high shares of variable renewables: A scenario outlook for Germany 2035. Energy 2017, 137, 823–833. [Google Scholar] [CrossRef]
- Ye, X.; Wang, C.; Li, Q.; Shi, Z.; Liu, X.; Liu, Y. Research on optimal operation strategy with ancillary services of flexible thermal power units. In Proceedings of the 2018 Chinese Automation Congress, Xi’an, China, 30 November–2 December 2018; pp. 2990–2995. [Google Scholar]
- Cruz, M.R.; Fitiwi, D.Z.; Santos, S.F.; Catalão, J.P. A comprehensive survey of flexibility options for supporting the low-carbon energy future. Renew. Sustain. Energy Rev. 2018, 97, 338–353. [Google Scholar] [CrossRef]
- Eser, P.; Singh, A.; Chokani, N.; Abhari, R.S. Effect of increased renewables generation on operation of thermal power plants. Appl. Energy 2016, 164, 723–732. [Google Scholar] [CrossRef]
- Batalla-Bejerano, J.; Trujillo-Baute, E. Impacts of intermittent renewable generation on electricity system costs. Energy Pol. 2016, 94, 411–420. [Google Scholar] [CrossRef] [Green Version]
- Brouwer, A.S.; Van Den Broek, M.; Seebregts, A. Impacts of large-scale Intermittent Renewable Energy Sources on electricity systems, and how these can be modeled. Renew. Sustain. Energy Rev. 2014, 33, 443–466. [Google Scholar] [CrossRef]
- Ye, L.C.; Lin, H.X.; Tukker, A. Future scenarios of variable renewable energies and flexibility requirements for thermal power plants in China. Energy 2019, 167, 708–714. [Google Scholar] [CrossRef]
- Rodriguez, R.A.; Becker, S.; Andresen, G.B.; Heide, D.; Greiner, M. Transmission needs across a fully renewable European power system. Renew. Energy 2014, 63, 467–476. [Google Scholar] [CrossRef] [Green Version]
- Çetin, B. Comparative energy and exergy analysis of a power plant with super-critical and sub-critical. J. Therm. Eng. 2018, 4, 2423–2431. [Google Scholar] [CrossRef]
- Clay, J.; Mathias, J. Energetic and exergetic analysis of a multi-stage turbine, coal-fired 173 MW power plant. Int. J. Exergy 2018, 27, 419–436. [Google Scholar] [CrossRef]
- Kumar, S.; Kumar, D.; Memon, R.A.; Wassan, M.A.; Ali, M.S. Energy and exergy analysis of a coal fired power plant. Mehran Univ. Res. J. Eng. Technol. 2018, 37, 611–624. [Google Scholar] [CrossRef]
- Oyedepo, S.O.; Fakeye, B.A.; Mabinuori, B.; Babalola, P.O.; Leramo, R.O.; Kilanko, O.; Oyebanji, J.A. Thermodynamics analysis and performance optimization of a reheat–regenerative steam turbine power plant with feed water heaters. Fuel 2020, 280, 118577. [Google Scholar] [CrossRef]
- Wang, Z.; Liu, M.; Zhao, Y.; Wang, C.; Chong, D.; Yan, J. Flexibility and efficiency enhancement for double-reheat coal-fired power plants by control optimization considering boiler heat storage. Energy 2020, 201, 117594. [Google Scholar] [CrossRef]
- Zhou, J.; Ling, P.; Su, S.; Xu, J.; Xu, K.; Wang, Y.; Xiang, J. Exergy analysis of a 1000 MW single reheat advanced supercritical carbon dioxide coal-fired partial flow power plant. Fuel 2019, 255, 115777. [Google Scholar] [CrossRef]
- Zhao, H.; Li, B.; Wang, X.; Lu, H.; Li, H. Evaluating the performance of China’s coal-fired power plants considering the coal depletion cost: A system dynamic analysis. J. Clean. Prod. 2020, 275, 122809. [Google Scholar] [CrossRef]
- Naserabad, S.N.; Mehrpanahi, A.; Ahmadi, G. Multi-objective optimization of feed-water heater arrangement options in a steam power plant repowering. J. Clean. Prod. 2019, 220, 253–270. [Google Scholar] [CrossRef]
- Mohammed, M.K.; Al Doori, W.H.; Jassim, A.H.; Ibrahim, T.K.; Al-Sammarraie, A.T. Energy and Exergy Analysis of the Steam Power Plant Based on Effect the Numbers of Feed Water Heater. J. Adv. Res. Fluid Mech. Therm. Sci. 2019, 56, 12. [Google Scholar]
- De Meulenaere, R.; Maertens, T.; Sikkema, A.; Brusletto, R.; Barth, T.; Blondeau, J. Energetic and Exergetic Performances of a Retrofifitted, Large-Scale, Biomass-Fired CHP Coupled to a Steam-Explosion Biomass Upgrading Plant, a Biorefifinery Process and a High-Temperature Heat Network. Energies 2021, 14, 7720. [Google Scholar] [CrossRef]
- Wu, T.; Wei, H.; Ge, Z.; Yang, L.; Du, X. Cooling water mass flow optimization for indirect dry cooling system of thermal power unit under variable output load. Int. J. Heat Mass Transf. 2019, 133, 1–10. [Google Scholar] [CrossRef]
- Shen, S. Turbine Theory; China Electric Publisher: Beijing, China, 1998. [Google Scholar]
- Elhelw, M.; Al Dahma, K.S.; Attia, A.E.H. Utilizing exergy analysis in studying the performance of steam power plant at two different operation mode. Appl. Therm. Eng. 2019, 150, 285–293. [Google Scholar] [CrossRef]
- Zhao, Z.; Su, S.; Si, N.; Hu, S.; Wang, Y.; Xu, J.; Jiang, L.; Chen, G.; Xiang, J. Exergy analysis of the turbine system in a 1000 MW double reheat ultra-supercritical powerplant. Energy 2017, 119, 540–548. [Google Scholar] [CrossRef] [Green Version]
- McBean, I. Steam turbine retrofifitting for power increase and effificiency enhancement. In Advances in Steam Turbines for Modern Power Plants; Woodhead Publishing: Sawston, UK, 2017. [Google Scholar]
- Kotas, T.J. The Exergy Method of Thermal Plant Analysis; Krieger Publishing Company: Malabar, FL, USA, 1995. [Google Scholar]
- Wei, H.; Wu, T.; Ge, Z.; Yang, L.; Du, X. Entransy analysis optimization of cooling water flow distribution in a dry cooling tower of power plant under summer crosswind. Energy 2019, 166, 1229–1240. [Google Scholar] [CrossRef]
- Wang, W.; Zhang, H.; Liu, P.; Li, Z.; Lv, J.; Ni, W. The cooling performance of a natural draft dry cooling tower under crosswind and an enclosure approach to cooling efficiency enhancement. Appl. Energy 2017, 186, 336–346. [Google Scholar] [CrossRef]
- Liu, S.; Shen, J.; Wang, P.H. Multi-parameter joint optimization based on steam turbine thermal system characteristic reconstruction model. In Proceedings of the IOP Conference Series: Earth and Environmental Science, Macao, China, 21–24 July 2019. [Google Scholar]
- Wang, W.; Zhang, H.; Li, Z.; Lv, J.; Ni, W.; Li, Y. Adoption of enclosure and windbreaks to prevent the degradation of the cooling performance for a natural draft dry cooling tower under crosswind conditions. Energy 2016, 116, 1360–1369. [Google Scholar] [CrossRef]








| Load | 50% | 60% | 75% | 85% |
|---|---|---|---|---|
| Exhaust enthalpy test value (kJ/kg) | 2369.18 | 2361.68 | 2377.57 | 2357.88 |
| Exhaust enthalpy calculated value (kJ/kg) | 2368.54 | 2360.04 | 2378.02 | 2359.62 |
| Error (%) | −0.03 | −0.07 | 0.02 | 0.07 |
| Number | Heater Parameters | Auxiliary Steam Parameters | |||||
|---|---|---|---|---|---|---|---|
| hj | hwj | hdj | qj | αfk | hfk | qfk | |
| kJ/kg | kJ/kg | kJ/kg | kJ/kg | / | kJ/kg | kJ/kg | |
| 1 | 2604.4 | 220.9 | 232.9 | 2465.1 | 0.006006 | 3383.7 | 2310.1 |
| 2 | 2725.8 | 375.2 | 387.3 | 2504.9 | 0.0082827 | 3319.6 | 2693.7 |
| 3 | 2932.1 | 532.5 | 540.6 | 2391.5 | 0.0015956 | 3151.9 | 2931.0 |
| 4 | 3050.6 | 625.9 | 625.6 | 2425.0 | 0.00024491 | 3435.7 | 3296.4 |
| 5 | 3153.0 | 697.0 | - | 2527.1 | 0.00027072 | 3508.6 | 2760.2 |
| 6 | 3331.6 | 835.3 | 748.4 | 2583.2 | 0.0010685 | 3565.9 | 2940 |
| 7 | 3072.1 | 1038.5 | 862.6 | 2209.5 | 0.0014263 | 3445.2 | 3224.3 |
| 8 | 3155.4 | 1145.9 | 1073.6 | 2081.8 | 0.0009401 | 1581.4 | 1442.1 |
| Load Rate | Pel (MW) | p0 (MPa) | p8 (MPa) | p7 (MPa) | p6 (MPa) | p5 (MPa) | p4 (MPa) | p3 (MPa) | p2 (MPa) | p1 (MPa) | pc (kPa) | ηi | |
|---|---|---|---|---|---|---|---|---|---|---|---|---|---|
| TestData | 100% | 299.9 | 16.71 | 6.052 | 3.674 | 1.704 | 0.945 | 0.547 | 0.281 | 0.135 | 0.095 | 9.169 | 0.414 |
| 90% | 269.6 | 16.69 | 5.322 | 3.319 | 1.538 | 0.854 | 0.494 | 0.255 | 0.132 | 0.096 | 8.650 | 0.411 | |
| 80% | 239.6 | 16.79 | 4.751 | 2.930 | 1.351 | 0.748 | 0.433 | 0.224 | 0.125 | 0.094 | 6.899 | 0.411 | |
| 70% | 209.7 | 16.79 | 4.184 | 2.596 | 1.193 | 0.659 | 0.381 | 0.198 | 0.121 | 0.094 | 7.691 | 0.408 | |
| 60% | 179.9 | 10.29 | 3.609 | 2.225 | 1.022 | 0.577 | 0.332 | 0.173 | 0.117 | 0.094 | 5.968 | 0.407 | |
| 50% | 150.0 | 10.78 | 3.012 | 1.879 | 0.859 | 0.482 | 0.277 | 0.145 | 0.112 | 0.095 | 6.414 | 0.402 | |
| Prediction Data | 90% | 270.1 | 16.70 | 5.352 | 3.401 | 1.553 | 0.855 | 0.505 | 0.260 | 0.135 | 0.098 | 8.890 | 0.411 |
| Error (%) | 0.2 | 0.1 | 0.6 | 2.5 | 1.0 | 0.1 | 2.2 | 2.1 | 2.6 | 2.6 | 2.8 | −0.1 | |
| 80% | 240.2 | 16.75 | 4.851 | 2.981 | 1.332 | 0.768 | 0.422 | 0.234 | 0.121 | 0.097 | 6.651 | 0.411 | |
| Error (%) | 0.2 | −0.2 | 2.1 | 1.7 | −1.4 | 2.7 | −2.6 | 4.6 | −3.4 | 2.8 | −3.6 | 0.05 | |
| 60% | 180.1 | 10.43 | 3.622 | 2.238 | 1.051 | 0.598 | 0.321 | 0.178 | 0.119 | 0.095 | 6.138 | 0.406 | |
| Error (%) | 0.1 | 1.3 | 0.4 | 0.6 | 2.8 | 3.7 | −3.2 | 3.1 | 2.0 | 0.7 | 2.9 | −0.2 |
Publisher’s Note: MDPI stays neutral with regard to jurisdictional claims in published maps and institutional affiliations. |
© 2022 by the authors. Licensee MDPI, Basel, Switzerland. This article is an open access article distributed under the terms and conditions of the Creative Commons Attribution (CC BY) license (https://creativecommons.org/licenses/by/4.0/).
Share and Cite
Liu, S.; Shen, J. Modeling of Large-Scale Thermal Power Plants for Performance Prediction in Deep Peak Shaving. Energies 2022, 15, 3171. https://doi.org/10.3390/en15093171
Liu S, Shen J. Modeling of Large-Scale Thermal Power Plants for Performance Prediction in Deep Peak Shaving. Energies. 2022; 15(9):3171. https://doi.org/10.3390/en15093171
Chicago/Turabian StyleLiu, Sha, and Jiong Shen. 2022. "Modeling of Large-Scale Thermal Power Plants for Performance Prediction in Deep Peak Shaving" Energies 15, no. 9: 3171. https://doi.org/10.3390/en15093171
APA StyleLiu, S., & Shen, J. (2022). Modeling of Large-Scale Thermal Power Plants for Performance Prediction in Deep Peak Shaving. Energies, 15(9), 3171. https://doi.org/10.3390/en15093171

