Next Article in Journal
Optimal Design of an Interior Permanent Magnet Synchronous Motor with Cobalt Iron Core
Next Article in Special Issue
Novel Adaptive Extended State Observer for Dynamic Parameter Identification with Asymptotic Convergence
Previous Article in Journal
Hybrid Solid Oxide Fuel Cell/Gas Turbine Model Development for Electric Aviation
Previous Article in Special Issue
Static-Errorless Rotor Position Estimation Method Based on Linear Extended State Observer for IPMSM Sensorless Drives
 
 
Font Type:
Arial Georgia Verdana
Font Size:
Aa Aa Aa
Line Spacing:
Column Width:
Background:
Article

Single Current Feedback Control Strategy of an LCL Grid-Connected Inverter Based on GI-ESO and Delay Compensation

1
School of Automation, China University of Geosciences, Wuhan 430074, China
2
Hubei Key Laboratory of Advanced Control and Intelligent Automation for Complex Systems, Wuhan 430074, China
3
The Engineering Research Center of Intelligent Technology for Geo-Exploration, Ministry of Education, Wuhan 430074, China
*
Author to whom correspondence should be addressed.
Energies 2022, 15(8), 2893; https://doi.org/10.3390/en15082893
Submission received: 18 March 2022 / Revised: 6 April 2022 / Accepted: 12 April 2022 / Published: 14 April 2022
(This article belongs to the Special Issue Active Disturbance Rejection Control in Power Electronics)

Abstract

:
This paper presents a new control structure to improve the performance of LCL grid-connected inverters. First, the conventional linear extended state observer (LESO) has difficulty rejecting periodic disturbances, so the proposed method adds an internal model of disturbances into LESO to enhance the harmonic suppression ability. Second, the phase lag caused by the digital delay and LCL resonance make it difficult to ensure the stability of the system. In this paper, the proposed method adds phase compensation for the ESO loop, thus enlarging the stability region of the system with no additional sensors being required. Third, the design of the controller parameters is simplified and the frequency performance analysis of the system is given. Finally, the simulation and experimental results show that the proposed method has good harmonic suppression capability and robust stability.

1. Introduction

In recent years, renewable energy and distributed power generation systems (DPGSs) have been vigorously developed. A voltage source grid-connected inverter has realized the effective injection of these clean energies into the power grid, and has been widely used [1,2,3,4]. The inverter converts DC Voltage into AC, which generally adopts pulse width modulation (PWM) technology. There is a large number of switching harmonics in the output of AC voltage by this technology that cannot meet the requirements of grid connection [5]. Therefore, the L-type or LCL-type filter is generally used to suppress these switching harmonics in order to achieve a good grid-connected current quality. Compared with the L-type filter, the LCL-type filter has the advantages of a small size, better high-frequency harmonic suppression ability, and low cost [6,7]; as such, the research and application of an LCL grid-connected inverter is more extensive. However, the LCL grid-connected inverter is a third-order plant with a pair of conjugated poles on the virtual axis, which leads to a large resonance peak of the system at high frequency and a sudden phase drop by 180°. These characteristics seriously affect the stability of the system and make the design of the controller complex [8]. Otherwise, harmonic components often exist in the grid voltage, which leads to poor grid current quality.
Grid voltage is a kind of external disturbance for grid-connected inverters; therefore, many studies solve this problem from the perspective of disturbance rejection, mainly including repeated control [9,10], proportional multi-resonant controller (PMR) [11], model prediction control (MPC) [12,13], etc. However, these methods are one degree of freedom controllers and there is a trade-off between sensitivity and complement sensitivity, which can not achieve good tracking and disturbance rejection simultaneously. Active disturbance rejection control (ADRC), as a two degree of freedom (2DOF) controller, can overcome this trade-off [14]. The extended state observer (ESO) is the key in ADRC, treating the disturbance as the state. ADRC has been applied to the LCL grid-connected inverter, where the LESO is used to realize the decoupling between the dq axes, and obtains good profomance [15]. However, to avoid the influence of the inherent resonant properties of the LCL on the system stability, the observer bandwidth is very high, which makes the system sensitive to the sensor noise. Wen et al. [16] used the third-order ADRC, but the delay is equivalent to the first-order inertial link for systematic analysis. At the same time, the use of a high-order controller will also make the controller parameter adjustment complicated. In [17,18], the capacitor current feedback is use to suppress the resonant peak, which then reduces the model order to design the ADRC, but does not consider the stability problem caused by the delay.
The previous is based on the conventional ADRC, which can effectively suppress the slow variable perturbations. However, for the sinusoidal perturbation of the power grid voltage, its differentiation is not asymptotic to zero, and the conventional ADRC is limited [19]. In [20], the authors proposed a resonator observer method to overcome the challenge of sinusoidal perturbations, which is applied to servo systems and achieves good results. Similarly, Guo et al. [21] proposed a generalized integrator extended state observer (GI-ESO) approach to the phase-locked loop (PLL). This improved ESO puts the model of the disturbance into the observer, making both the state and the perturbation estimates converge asymptotically.
In order to better suppress the voltage harmonics of the power grid, this paper applies GI-ESO to the control of an LCL type grid-connected inverter. Further, the effect of GI-ESO parameters on the system is analyzed and a simple parameter tuning method is derived. For the stability of the system, conventional AD methods suppress the resonant peak from the perspective of amplitude, requiring additional sensors. However, in this paper, the system is corrected from the perspective of phase so as to expand the stability region of the system. The advantages of the proposed method are that it does not need additional sensors and is not sensitive to sensor noise. In addition, the order of the observer is reduced and the number of required adjustment parameters is also reduced, which is more in line with engineering practice. For achieveing high precision tracking performance, a combination of the PR controller and the low pass filter is proposed for the tracking of the reference currents. The contributions of this paper are as follows:
  • A delay compensation method is proposed to overcome the influence of the delay in a certain frequency band and expand the stability domain of the system. This method does not require additional sensors;
  • GI-ESO improves the ability to suppress specific harmonics of grid voltage, which avoids the sensitivity of high-gain observers to noise. The parameter design of GI-ESO is simplified to make it as simple as LESO;
  • The low pass filter expands the bandwidth of the system and reduces the harmonic content of the grid-connected current.
The remainder of this article is organized as follows. Section 2 is the problem description, including LESO limitations and delay effects. Section 3 is the proposed method and the analysis of frequency domain performance. The simulation and experimental results of the proposed method are shown in Section 4. Finally, Section 5 concludes this article.

2. Problem Description

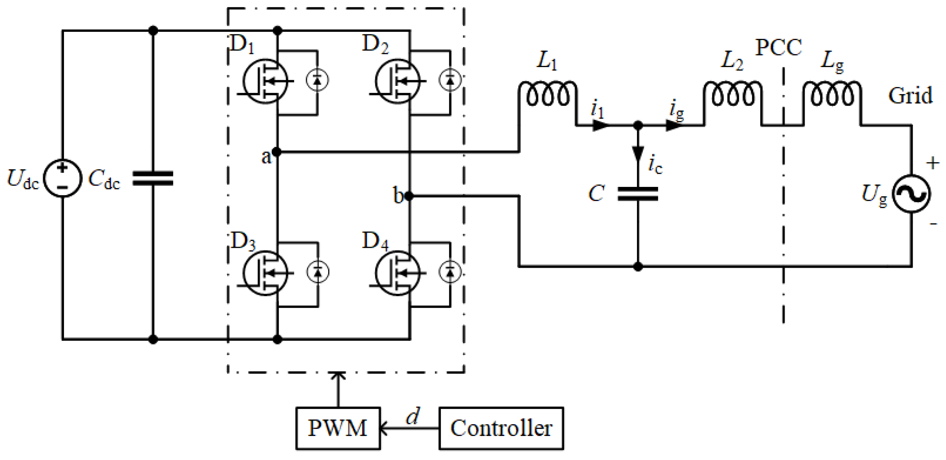
Figure 1 shows the main circuit topology diagram of a single-phase, LCL-type grid-connected inverter. C d c represents the DC side support capacitor, L 1 , L 2 , and C f are the inverter side filter inductors, grid side filter inductors, and filter capacitor, respectively, and L g is the grid impedance. U d c represents the DC bus voltage, u g represents the grid voltage, and i 1 , i g , and i c represent the inverter side current, grid current, and capacitor current, respectively. This paper ignores the parasitic resistance of the inductors and capacitor, and considers the worst case.
The grid impedance, L g , and the grid side filter inductor, L 2 , function equally in the circuit; therefore, only the presence of L 2 is considered in the modeling process below. When the voltage between a and b is represented by u i n v and the voltage of the capacitor is represented by u c , the mathematical model can be obtained according to Kirchhoff’s voltage and current laws:
u i n v ( t ) = u c ( t ) + L 1 d i 1 ( t ) d t u c ( t ) = u g ( t ) + L 2 d i g ( t ) d ( t ) i 1 ( t ) = i g ( t ) + C f d u c ( t ) d t
The inverter side current, i 1 , is:
i 1 ( s ) = s 2 + w i r 2 L 1 s ( s 2 + w r 2 ) u i n v ( s ) 1 L 1 L 2 C f s ( s 2 + w r 2 ) u g ( s ) = G u ( s ) u i n v ( s ) G g ( s ) u g ( s )
where G u and G g represent the transfer function between i 1 and u i n v , u g . ω r and ω i r represent the resonant frequency and anti-resonant frequency, respectively, as follows:
ω r = L 1 + L 2 L 1 L 2 C f , ω i r = 1 L 2 C f
According to (2) and the design rules of LESO [14], we can know that the order of LESO is four. Because many state variables of a fourth-order LESO controller need to be differentiated, there are many parameters to be adjusted. Furthermore, when bandwidth parameterization [22] is adopted, the controller will have a large coefficient, so it is not conducive to an engineering application. Since the performance of the system is mainly determined by the low-frequency characteristics, and the resonant frequency and anti-resonant frequency are usually at a higher frequency, the model can be reduced. In this paper, the Pade approximation method [23] reduces the order of (2) and the equivalent transfer function can be obtained:
i 1 ( s ) 1 ( L 1 + L 2 ) s ( u i n v ( s ) u g ( s ) )
Figure 2 shows the Bode diagram between the reduced-order model and the original plant. It can be seen that their differences are mainly reflected in the middle and high frequencies, while they are completely the same in the low frequencies. Moreover, the harmonic disturbance of the grid voltage is mainly concentrated in the low frequency, so it is reasonable to adopt the reduced order-model to design the LESO.
According to (4), the differential equation can be obtained:
i ˙ 1 ( t ) = 1 L 1 + L 2 ( u i n v ( t ) u g ( t ) )
Let the state variables x 1 = i 1 and x 2 = u g , b = 1 / ( L 1 + L 2 ) , where x 2 represents the extended state and the following state space equation can be obtained:
x ˙ ( t ) = A x ( t ) + B u i n v ( t ) + B d u ˙ g ( t ) i 1 ( t ) = C x ( t )
where
A = 0 b 0 0 , B = b 0 , B d = 0 1 , C = 1 0
The system is observable, so observing x 2 is equivalent to estimating the disturbance. Let x ^ represent the estimate of x, and adopt the Luenberger observer, allowing the following form of LESO to be obtained:
x ^ ˙ ( t ) = ( A L C ) x ^ ( t ) + B u i n v ( t ) + L x 1 ( t )
where
L = β 1 β 2 T

2.1. Performance Limitation of LESO

Figure 3a is the control block diagram of LESO, where u o is the output of the tracking controller, G p is the transfer function matrix of the plant, and G i n v is the transfer function of the inverter bridge.
G i n v ( s ) = k p w m G d ( s )
G d ( s ) represents the calculation delay and PWM modulation delay in the digital control system [24], G d ( s ) = e 1.5 s T s . T s is the sampling period. Note that k p w m is the gain of the inverter, which is related to the DC side voltage. Generally, the DC side voltage changes very little, so it can be considered as a constant. The output of the controller multiplied by 1 / k p w m can eliminate its influence. Therefore, this paper only considers the influence of delay.
A LESO-based controller is a 2-DOF control method, which treats tracking and disturbance rejection separately. In order to achieve good system performance, the disturbance rejection part needs to have a strong ability to minimize its influence on output. According to (7), the disturbance estimated by LESO is:
x ^ 2 ( s ) = β 2 s s 2 + β 1 s b β 2 x 1 ( s ) β 2 b s 2 + β 1 s b β 2 u ( s )
In order to simplify the parameter adjustment, the bandwidth parameterization method in [22] was adopted to allocate all poles of LESO to ω o .
s 2 + β 1 s b β 2 = ( s + ω o ) 2
So β 1 = 2 ω o , β 2 = ω o 2 b .
Since the harmonic disturbance of power grid voltage is concentrated at a low frequency, the reduced-order model can be used to analyze the system disturbance suppression ability. In addition, the sampling frequency in power electronics is generally high and the influence of the delay link on low frequency can also be ignored. According to (5) and (9), the transfer function of disturbance to system output can be obtained as follows:
G i 1 _ u g ( s ) = b s + 2 ω o ( s + ω o ) 2
Figure 4 shows the Bode diagram of G i 1 _ u g . The disturbance rejection ability increases with the increase of ω o . However, the amplitude of the fundamental frequency component in the grid voltage is large and the harmonic frequency is mainly three, five, and seven times; as such, ω o needs to be large in order to suppress the influence of the grid voltage on the output current. However, a large ω o will make the system sensitive to sensor noise [21], which is not conducive to improving the quality of the grid-connected current.

2.2. The Effect of Delay on System Stability

The main reason why the LCL inverter is difficult to stabilize is that there is a pair of resonant poles at high frequency. Furthermore, the delay caused by a digital controller will make the open-loop phase lag. For the inverter side current feedback mode, the stability margin is ( 0 , f s / 6 ) [25]. Figure 3b is the equivalent block diagram of the LESO control loop. According to (9):
G 1 ( s ) = s 2 + β 1 s b β 2 s 2 + β 1 s , G 2 ( s ) = β 2 s s 2 + β 1 s b β 2
Let G L e s o ( s ) represent the equivalent gain of LESO in the loop if bandwidth parameterization is used:
G L e s o ( s ) = G 1 ( s ) G 2 ( s ) = β 2 s + β 1 = 1 2 b ω o 1 2 ω o s + 1
Therefore, loop gain G l ( s ) of the system in Figure 3b is:
G l ( s ) = L 2 C 1 s s 2 + ω i r 2 s 2 + ω r 2 ω o 2 s + 2 ω o e 1.5 s T s
Next, the phase of G l ( s ) at the resonant frequency can be obtained:
G l ( j ω r ) = 90 + 0 arctan ( ω r 2 w o ) G L e s o ( j w r ) 540 × ( ω r 2 π f s ) φ d ( w r )
For the single current feedback control, the LCL plant can be stable only when the phase at the resonant frequency does not cross −180°. It can be observed from (15) that LESO will bring phase lag, and that the smaller the ω o value is, the greater the lag of LESO at resonant frequency f r will be. This further reduces the stability domain, f r < f s 6 . In practice, the parameters of the LCL filter are often perturbed and the grid impedance may also change greatly, which will lead to a wide range of f r variation. Therefore, if the LESO method is used directly, the robust stability of the system cannot be guaranteed

3. Proposed Method and Its Frequency Analysis

Figure 5 shows the proposed control method. The method presented in this paper overcomes the shortcomings mentioned above while maintaining single current feedback. The system achieves good, robust stability and improves the quality of the current. At the same time, the proposed method can also ensure good tracking performance. The analysis and design process of the proposed control strategy are given below.

3.1. Delay Compensator

According to (15), the delay produces a large phase lag for the LESO loop at intermediate and high frequencies. Therefore, in order to expand the stability domain, it is necessary to reduce the phase lag of the system near the resonant frequency. A simple approach is to connect a lead link in the LESO loop in series, which is in the following form:
G a ( s ) = ( 1 + a T s 1 + T s ) 2
where a > 1, the phase characteristic of G a ( s ) is:
φ a ( ω ) = 2 arctan ( a 1 ) T ω 1 + a T 2 ω 2
Derivation of (17).
φ a ( ω ) = 2 ( a 1 ) T ( 1 a T 2 ω 2 ) α
φ a ( ω ) = 2 2 a ( a 1 ) T 3 α ω β α 2
where
α = ( 1 + a T 2 ω 2 ) 2 + ( a 1 ) 2 T 2 ω 2 > 0 β = 2 ( a 1 ) T 2 ( 1 a T 2 ω 2 ) [ 2 a T ( 1 + a T 2 ω 2 ) ω + ( a 1 ) T ω 2 ]
Let φ a ( ω ) = 0 ; as such, the maximum lead angular frequency and maximum lead angle of G a can be obtained as follows:
ω m = 1 T a φ m = 2 arctan a 1 2 a = 2 arcsin a 1 a + 1
For ω ( 0 , ω m ) , β > 0 . Combine (18) and (19):
φ a ( ω ) > 0 , ω ( 0 , ω m ) φ a ( ω ) < 0 , ω ( 0 , ω m )
According to (21), it can be known that φ a ( ω ) is a convex curve on ( 0 , ω m ) , let
φ m = φ d ( ω m ) 90
Considering φ a ( 0 ) φ d ( 0 ) , one can obtain:
90 + φ d ( ω ) + φ a ( ω ) > 180 , ω ( 0 , ω m )
Therefore, when the resonant frequency ω r of LCL is located at ( 0 , ω m ) , the system is conditionally stable, that is, the stability domain is ( 0 , ω m ) . Although G a can theoretically provide the system with a maximum phase lead of 180°, where the stability domain is expanded to f s / 2 , it can be seen from (20) that the maximum lead angle φ m is positively correlated with a. Too large of a a value makes the controller need a smaller gain to stabilize the system, which will affect the performance of the system. As a result, there are constraints between the stability region and the performance of the system. It should be noted that the parameter adjustment of G a is very simple because once ω m is determined, the parameters a and T can immediately be obtained according to (22) and (20).

3.2. Design of GI-ESO

LESO can reject disturbance and improve system performance, but because it does not contain an internal disturbance mode, it cannot completely reject disturbance in a steady state. For the grid voltage, its frequency is relatively fixed and its harmonic components are mainly concentrated in three, five, and seven times. Therefore, the internal mode of these disturbances can be added to LESO, namely the GI-ESO method [21], to improve the suppression ability of low-order harmonics. The internal model of grid voltage disturbance is:
R n ( s ) = 2 k n ω i s s 2 + 2 ω i s + w n 2 , n = 1 , 3 , 5 , 7
ω 1 represents the fundamental frequency of the grid voltage. In a practical application, the power grid frequency may change by about 1 Hz. ω i can expand the scope of R n ( s ) . Next, change LESO in (7):
x ^ ˙ 1 ( s ) x ^ ˙ 2 ( s ) = 0 b 0 0 x ^ 1 x ^ 2 + b 0 u i n v + β 1 β 2 ( 1 + s R ( s ) ) ( x 1 x ^ 1 )
where R ( s ) = R 1 ( s ) + R 3 ( s ) + R 5 ( s ) + R 7 ( s ) .
As in Figure 3, the equivalent transfer function of GI-ESO can be calculated according to (25): G 1 _ GI - ESO ( s ) , G 2 _ GI - ESO ( s ) .
G 1 _ GI - ESO ( s ) = s 2 + ( β 1 b β 2 R ( s ) ) s b β 2 s ( s + β 1 ) G 2 _ GI - ESO ( s ) = β 2 ( 1 + s R ( s ) ) s s 2 + ( β 1 b β 2 R ( s ) ) s b β 2
The equivalent gain of GI-ESO in the loop is
G GI - ESO ( s ) = G 1 _ GI - ESO ( s ) G 2 _ GI - ESO ( s ) = β 2 s + β 1 ( 1 + s R ( s ) )
The open-loop transfer function of the GI-ESO loop is:
G l 1 ( s ) = G u ( s ) G d ( s ) G a ( s ) G GI - ESO ( s )
Since the phase of 1 + s R ( s ) is greater than 0 in the whole frequency band and the low-frequency gain is 1, its influence on the stability of the system is mainly reflected in the high-frequency characteristics. For the high frequency region:
1 + s R ( j ω ) 1 + 2 ω i ( k 1 + k 3 + k 5 + k 7 ) , ( ω ω n ) ( 1 + s R ( j ω ) ) 0 , ( ω ω n )
According to (27) and (29), the effects of k i on the system can be contained in β 2 . Let
k 1 + k 3 + k 5 + k 7 = 1 β 2 = β 2 ( 1 + 2 ω i )
Then, (27) is expressed as:
G GI - ESO ( s ) β 2 s + β 1 , ( w w n )
Compared with (13) and (31), the equivalent transfer function of GI-ESO and LESO in the loop has the same form, so the parameter adjustment of GI-ESO is the same as that of LESO. Normalization of k 1 + k 3 + k 5 + k 7 greatly simplifies the controller design.
The Bode diagram of the open-loop transfer function of GI-ESO and LESO is drawn, as shown in Figure 6. k i and β 2 of GI-ESO were selected according to (29) and β 1 was the same as LESO. It can be seen from the Figure 6 that the frequency characteristics of the two systems differ only in harmonic frequency and they are the same near the resonant frequency of the LCL filter, so they have the same stability margin. This shows the correctness of the previous analysis.
Figure 7 shows the change of an open-loop frequency characteristic curve of the system with ω o . As for the low-frequency characteristics of the system, the larger the ω o value is, the larger the cutoff frequency and phase margin of the system are; as such, the system has better dynamic performance and stronger anti-disturbance ability. For the high frequency characteristics of the system, the increase of ω o will make the high frequency gain greater than 0 dB and the system becomes unstable.
By combining (2) and (28), the transfer function of the disturbance to the output is:
G i 1 _ u g ( s ) = G g ( s ) 1 + G l 1 ( s )
Figure 8 shows the comparison of disturbance rejection performance between the GI-ESO method and the LESO method. It can be seen from Figure 8 that the low frequency and high frequency characteristics of the two methods are basically the same, but the rejection ability of GI-ESO is stronger than that of LESO at the harmonic frequency of grid voltage; as a result, the GI-ESO method can obtain better power quality.

3.3. Design of Current Tracking Controller

The reference of grid-connected current is a sinusoidal signal with the same frequency as the grid voltage. In order to reduce the steady-state error of current tracking, a PR controller is adopted. However, since the single current control strategy is adopted in this paper and the AD of state feedback is not adopted, the closed-loop system G c l _ GI - ESO with GI-ESO compensation still has a large resonance peak at high frequency, as shown in Figure 9. This will not only limit the bandwidth of the current tracking loop, but will also amplify PWM switching noise and affect the quality of current. G c l _ GI - ESO is obtained by combining (26) and (28).
G c l _ GI - ESO ( s ) = G 1 _ GI - ESO ( s ) G a ( s ) G d ( s ) G u ( s ) 1 + G l 1 ( s )
In order to solve this problem, this paper designs the following current tracking controller:
G c ( s ) = ( k p + k r s s 2 + 2 w i s + w 1 2 ) ( 1 τ s + 1 )
The first-order low-pass filter is used to reduce the gain of the system near the resonant frequency, which makes k p larger and helps improve the dynamic performance. Figure 10 shows the comparison of poles of a closed-loop system. When the low-pass filter is not used, k p can, at most, only be 1.4 in order to ensure the stability of the system. For the method proposed, k p can be 93.6. Therefore, the bandwidth of system can be greatly expanded. The time constant τ can be selected according to the FFT result of the grid-connected current. If the harmonic content of the grid-connected current near the LCL resonance is large, τ should increase; otherwise, it should decrease. The adjustment of parameters k p and k r is simple and will not be discussed in this paper due to space limitation.

3.4. Summary of Parameter Regulation Rules

The proposed control method consists of three parts. In order to meet the requirements of system stability, disturbance suppression, tracking accuracy, and dynamic performance, the system parameters need to be well designed. The parameter adjustment rules are summarized as follows.
  • First, the desired stability region ω m is determined and parameters a and T are calculated according to (20) and (22);
  • Adjusting ω o makes the system based on a LESO design stable and shows good disturbance estimation ability. Next, according to (30), to design the parameters of GI-ESO, the weight of k n determines the ability to suppress the n th harmonic;
  • The time constant τ depends on the harmonic content of the grid-connected current near the resonant frequency, k p determines the bandwidth of the system, and k r is used to improve the current tracking accuracy.

4. Verification of Simulation and Experiment

4.1. Simulation Testing

In order to evaluate the effectiveness of the proposed method, simulation tests were carried out in a Matlab/Simulink environment. Table 1 shows the configuration parameters and controller parameters of the LCL grid-connected inverter.
Figure 11 shows the grid-connected current waveform when the grid voltage contains 5% of the 3rd harmonic, 2% of the 5th harmonic, and 2% of the 7th harmonic. At first, only the current tracking controller GC was used, then the LESO method was added at 0.15 s, and, finally, the LESO was changed to the GI-ESO at 0.3 s. As we can see from Figure 11, the LESO reduced the steady-state error of the current from 12.17 A to 2.24 A, but did not reduce the THD of the current. The steady-state error of the GI-ESO method is 0.1 A and THD is only 2.74%. Therefore, the GI-ESO method can achieve better grid-connected current quality under the condition of grid voltage distortion.
Figure 12 shows the change of grid-connected current when the grid environment changes. In 0–0.1 s, the grid is ideal and the THD of the current is 0.97%. The THD is 2.46% when a low order harmonic is added to the grid voltage at 0.1 s. At 0.2 s, a 15mH grid impedance is added and the current THD is 3.20%. At 0.3 s, the grid voltage drops to 50% and the THD is 5.06%. With the gradual deterioration of grid environment, the system can still ensure stable operation and the current THD and steady-state accuracy are affected very little. Therefore, the proposed method can adapt well to the changes of the grid environment.
In order to verify the robustness of the proposed method against LCL filter parameter fluctuations, the values of inductors and capacitors are 70% of the nominal values in 0–0.1 s. In 0.1–0.2 s, the value of inductors and capacitors is 130% of the nominal value. The simulation results are shown in Figure 13. It can be seen that the system has strong robustness to the fluctuation of LCL filtering parameters. At 0.2 s, when adding Gaussian white noise with the maximum value of 0.6 A to the sampling end of current i 1 , the quality of the grid-connected current is almost unaffected. The system is not sensitive to sensor noise because the observer bandwidth ω o = 1 × 10 3 is relatively low.

4.2. Experimental Results

In order to better verify the effectiveness of the proposed method, a hardware platform based on control hardware-in-the-loop (CHIL) was established, as shown in Figure 14. The model of the LCL grid-connected inverter is established in FPGA, and the operation step is 1 μ s. The system parameters are the same as in Table 1.

4.2.1. Transient Response and Steady-state Performance

When the reference value changes from 5 A to 10 A, the grid-connected current realizes fast tracking of the reference instruction without overshoot within a fundamental period and the steady-state accuracy of the system is high, as shown in Figure 15a. In Figure 15b, the RMS of the grid voltage drops from 220 V to 50% and the grid-connected current first appears as a large overshot, which is subject to amplitude limitation, and then recovers to the reference value after three cycles. Since the drop of the grid voltage is instantaneous, the GI-ESO has limited bandwidth and cannot immediately respond to changes in disturbance. When the grid voltage suddenly decreases, the compensating input control is still the grid voltage before the sag; as such, the current appears as a large overshoot. However, the system can still operate normally after the grid voltage drops.

4.2.2. Influence of Lead Compensation and Harmonic Rejection

The lead compensator can overcome the influence of delay on the system phase in a certain frequency band. It can be seen from Figure 16 that the system becomes unstable after the G a is removed. From an FFT analysis of the grid-connected current, it can be seen that the system instability is caused by the resonance of the LCL filter. As can be seen from Table 1, the resonant frequency of the nominal LCL parameter f r f s / 10 . Therefore, the phase lag introduced by ESO in the loop further reduces the stable domain, and the lead compensation can expand the application range of ESO. Figure 17 shows the situation when the grid voltage contains a large number of low-order harmonics. Although the harmonic content of the grid-connected current increases, the main harmonics of the grid voltage are greatly suppressed and the grid-connected current has no corresponding distortion.

4.2.3. Robustness of the Filter Parameter Variation

When the filter parameters decrease, the resonant frequency of the LCL increases and the attenuation of switching harmonics decreases. Figure 18 shows that the system can remain stable within the perturbation range of the parameters. When the filter parameters increase, the quality of the current remains unchanged. When the filter parameters decrease, the harmonic content of the grid-connected current increases slightly. As can be seen from Figure 19, when the grid impedance increases, the voltage at the common coupling point is distorted, but the quality of the grid-connected circuit is not affected. The system can be stable under the conditions of a weak power grid.

4.3. Comparison between Different Control Strategies

The performance comparison between the control method proposed in this paper and several advanced grid-connected inverter system control strategies are shown in Table 2. The following control characteristics are considered: control methods, measured signals, degrees of freedom, noise sensitivity, and a tolerance parameter. Among them, the measured signals reflect the number of sensors, the degree of freedom reflects the trade-off between tracking and disturbance rejection, noise sensitivity represents immunity to sensor noise, and the tolerance parameters represent the robustness of the system to changes in filtering parameters and grid impedance. It can be seen that several kinds of systems have different preferences and advantages in different aspects.

5. Conclusions

Current control of the LCL grid-connected inverter is always difficult, especially considering digital delay, grid voltage disturbance, and avoiding an increase in the number of sensors. In this paper, the inverter side current feedback is used to reduce the model order, thus reducing the order of the GI-ESO. The GI-ESO based on an internal mode principle can suppress the low-order harmonics of power grid voltage, simplify the parameter design, and make it easier for the engineering practice. Phase compensation is carried out to reduce the influence of delay and enhance the robust stability of the system, and the parameter design of phase compensation is simple. The first-order low-pass filter in the current tracking controller expands the system bandwidth. Finally, the simulation and experimental results show that the proposed method has fast response speed, good harmonic suppression ability, noise immunity, adaptability to variation of the LCL parameters, and power grid impedance fluctuation. This paper expects to reduce hardware costs and improve the performance of grid-connected inverters.

Author Contributions

Conceptualization, D.Z. and D.L.; methodology, D.Z.; software, D.Z.; validation, D.Z. and D.L.; formal analysis, D.Z.; writing—original draft preparation, D.Z.; writing—review and editing, D.L.; supervision, D.L.; project administration, D.L.; funding acquisition, D.L. All authors have read and agreed to the published version of the manuscript.

Funding

This work is supported by National Natural Science Foundation (NNSF) of China under Grant 61703375, the Hubei Provincial Natural Science Foundation of China under Grant 2019CFA040, and the 111 Project under Grant B17040.

Institutional Review Board Statement

Not applicable.

Informed Consent Statement

Not applicable.

Data Availability Statement

Not applicable.

Conflicts of Interest

The authors declare no conflict of interest.

References

  1. Marco, L.; Frede, B.; Steffan, H. Design and Control of an LCL-Filter-Based Three-Phase Active Rectifier. IEEE Trans. Ind. Appl. 2005, 41, 1281–1291. [Google Scholar]
  2. Joerg, D.; Marco, L.; Friedrich, W. Filter-Based Active Damping of Voltage Source Converters with LCL Filter. IEEE Trans. Ind. Electron. 2011, 58, 3623–3633. [Google Scholar]
  3. Joerg, D.; Christian, W.; Friedrich, W. Limitations of Voltage-Oriented PI Current Control of Grid-Connected PWM Rectifiers with LCL Filters. IEEE Trans. Ind. Electron. 2009, 56, 380–388. [Google Scholar]
  4. Marco, L.; Remus, T.; Frede, B. Stability of Photovoltaic and Wind Turbine Grid-Connected Inverters for a Large Set of Grid Impedance Values. IEEE Trans. Ind. Electron. 2006, 21, 263–272. [Google Scholar]
  5. Yi, T.; Poh, C.; Peng, W.; Fook, H.; Feng, G.; Frede, B. Generalized Design of High Performance Shunt Active Power Filter with Output LCL Filter. IEEE Trans. Ind. Electron. 2012, 59, 1443–1452. [Google Scholar]
  6. Poh, C.; Donald, G. Analysis of Multiloop Control Strategies for LC/CL/LCL-Filtered Voltage-Source and Current-Source Inverters. IEEE Trans. Ind. Appl. 2005, 41, 644–654. [Google Scholar]
  7. Guo, S.; Xuan, Z.; Jun, Z.; De, X. A New Feedback Method for PR Current Control of LCL-Filter-Based Grid-Connected Inverter. IEEE Trans. Ind. Electron. 2010, 57, 2033–2041. [Google Scholar]
  8. Stewart, P.; Brendan, M.; Donald, H. Regions of Active Damping Control for LCL Filters. IEEE Trans. Ind. Appl. 2014, 50, 424–432. [Google Scholar]
  9. Chuan, X.; Dong, L.; Kai, L.; Jian, Z.; Zhou, K.; Josep, M. Passivity-Based Design of Repetitive Controller for LCL-Type Grid-Connected Inverters Suitable for Microgrid Applications. IEEE Trans. Power Electron. 2021, 36, 2420–2431. [Google Scholar]
  10. Le, Z.; Wen, W.; Yan, C.; Jie, J.; Xiao, Z.; Ling, Y.; Zhi, H.; Kui, Y.; Luo, A. Harmonic Voltage Distortion Damping Method for Parallel-Connected LCL-Type Inverters in Islanded Operation. IEEE Trans. Ind. Electron. 2019, 66, 9032–9043. [Google Scholar]
  11. Perez, D.; Jesus, D.; Alejandro, G.; Oscar, L.; Fernando, B. Generalized Multifrequency Current Controller for Grid-Connected Converters with LCL Filter. IEEE Trans. Ind. Appl. 2018, 54, 4537–4553. [Google Scholar] [CrossRef]
  12. Niklas, P.; Nils, H.; Friedrich, W. Finite Control Set Model Predictive Current Control for Grid-Connected Voltage-Source Converters with LCL Filters: A Study Based on Different State Feedbacks. IEEE Trans. Ind. Electron. 2016, 31, 5189–5200. [Google Scholar]
  13. Piotr, F.; Andrzej, S. Finite Control Set Model Predictive Control for Grid-Connected AC–DC Converters with LCL Filter. IEEE Trans. Power Electron. 2018, 65, 2844–2852. [Google Scholar]
  14. Han, J. From PID to active disturbance rejection control. IEEE Trans. Ind. Electron. 2009, 56, 900–906. [Google Scholar] [CrossRef]
  15. Zhang, H.; Xian, J.; Shi, J.; Wu, S.; Ma, Z. High Performance Decoupling Current Control by Linear Extended State Observer for Three-Phase Grid-Connected Inverter with an LCL Filter. IEEE Access 2020, 8, 13119–13127. [Google Scholar] [CrossRef]
  16. Wen, M.; Yuan, G.; Bo, Z.; Li, W. Active Disturbance Rejection Control Based Single Current Feedback Resonance Damping Strategy for LCL-Type Grid-Connected Inverter. IEEE Trans. Energy Convers. 2021, 36, 48–62. [Google Scholar]
  17. Yu, C.; Ying, H.; Hong, Z.; Jin, L. Active-Damping Disturbance-Rejection Control Strategy of LCL Grid-Connected Inverter Based on Inverter-Side-Current Feedback. IEEE J. Emerg. Sel. Top. Power Electron. 2021, 9, 7183–7198. [Google Scholar]
  18. Abdeldjabar, B.; Dian, X.; Gao, Z. Active Disturbance Rejection Control of LCL-Filtered Grid-Connected Inverter Using Pade Approximation. IEEE Trans. Ind. Appl. 2018, 54, 6179–6189. [Google Scholar]
  19. Thuy, V.; Ky, K.; Jih, L. Optimized Active Disturbance Rejection Control with Resonant Extended State Observer for Grid Voltage Sensorless LCL-Filtered Inverter. IEEE Trans. Power Electron. 2021, 36, 13317–13331. [Google Scholar]
  20. Stankovic, M.; Rapaic, M.; Manojlovic, S.; Mitrovic, S.; Naumovic, M. Optimised active disturbance rejection motion control with resonant extended state observer. Int. J. Control 2019, 92, 1815–1826. [Google Scholar] [CrossRef]
  21. Bao, G.; Seddik, B.; Ma, A.; Ahmad, H.; Cédric, B. Generalized Integrator-Extended State Observer with Applications to Grid-Connected Converters in the Presence of Disturbances. IEEE Trans. Control Syst. Technol. 2021, 29, 744–755. [Google Scholar]
  22. Gao, Z. Scaling and bandwidth-parameterization based controller tuning. In Proceedings of the American Control Conference 2006, Minneapolis, MN, USA, 14–16 June 2006. [Google Scholar]
  23. Pena, A.; Liserre, M.; Blaabjerg, F.; Ordonez, M.; Yang, Y. LCL filter design for robust active damping in grid connected converters. IEEE Trans. Ind. Inform. 2014, 10, 2192–2203. [Google Scholar] [CrossRef] [Green Version]
  24. Dong, P.; Xin, R.; Chen, B.; Wei, L.; Xue, W. Capacitor-Current-Feedback Active Damping with Reduced Computation Delay for Improving Robustness of LCL-Type Grid-Connected Inverter. IEEE Trans. Power Electron. 2014, 29, 3414–3427. [Google Scholar]
  25. Xiong, W.; Frede, B.; Poh, C. Grid-Current-Feedback Active Damping for LCL Resonance in Grid-Connected Voltage-Source Converters. IEEE Trans. Power Electron. 2016, 31, 213–223. [Google Scholar]
Figure 1. Single-phase LCL grid-connected inverter.
Figure 1. Single-phase LCL grid-connected inverter.
Energies 15 02893 g001
Figure 2. Bode diagrams of i 1 ( s ) / u i n v ( s ) , i 1 ( s ) / u g ( s ) , and its reduced-order model.
Figure 2. Bode diagrams of i 1 ( s ) / u i n v ( s ) , i 1 ( s ) / u g ( s ) , and its reduced-order model.
Energies 15 02893 g002
Figure 3. System control block diagram: (a) LESO disturbance compensation control; (b) equ- ivalent transformation.
Figure 3. System control block diagram: (a) LESO disturbance compensation control; (b) equ- ivalent transformation.
Energies 15 02893 g003
Figure 4. Bode diagram of the transfer function G i 1 _ u g .
Figure 4. Bode diagram of the transfer function G i 1 _ u g .
Energies 15 02893 g004
Figure 5. Block diagram of the proposed control method.
Figure 5. Block diagram of the proposed control method.
Energies 15 02893 g005
Figure 6. Bode diagrams of open-loop transfer functions for GI-ESO and LESO.
Figure 6. Bode diagrams of open-loop transfer functions for GI-ESO and LESO.
Energies 15 02893 g006
Figure 7. Bode diagram of the system’s open-loop transfer function when ω o changes.
Figure 7. Bode diagram of the system’s open-loop transfer function when ω o changes.
Energies 15 02893 g007
Figure 8. Bode diagram of the transfer function G i 1 _ u g for GI-ESO and LESO.
Figure 8. Bode diagram of the transfer function G i 1 _ u g for GI-ESO and LESO.
Energies 15 02893 g008
Figure 9. Bode diagram of the transfer function G c l _ GI - ESO ( s ) and its low-pass form.
Figure 9. Bode diagram of the transfer function G c l _ GI - ESO ( s ) and its low-pass form.
Energies 15 02893 g009
Figure 10. Distribution of closed-loop poles of the system: (a) without the low-pass filter. (b) with the low-pass filter.
Figure 10. Distribution of closed-loop poles of the system: (a) without the low-pass filter. (b) with the low-pass filter.
Energies 15 02893 g010
Figure 11. Grid-connected current when the grid voltage contains a large number of low order harmonics.
Figure 11. Grid-connected current when the grid voltage contains a large number of low order harmonics.
Energies 15 02893 g011
Figure 12. The grid-connected current when the grid environment changes.
Figure 12. The grid-connected current when the grid environment changes.
Energies 15 02893 g012
Figure 13. The grid-connected current when filter parameters change and sensor noise is added.
Figure 13. The grid-connected current when filter parameters change and sensor noise is added.
Energies 15 02893 g013
Figure 14. The hardware platform of CHIL.
Figure 14. The hardware platform of CHIL.
Energies 15 02893 g014
Figure 15. Waveform of the grid voltage and grid-connected current: (a) the current reference is changed from 5 A to 10 A; (b) the grid voltage dropped from 220 V to 110 V.
Figure 15. Waveform of the grid voltage and grid-connected current: (a) the current reference is changed from 5 A to 10 A; (b) the grid voltage dropped from 220 V to 110 V.
Energies 15 02893 g015
Figure 16. Grid current waveform when the lead Compensator G a is disabled.
Figure 16. Grid current waveform when the lead Compensator G a is disabled.
Energies 15 02893 g016
Figure 17. Grid-connected current waveform when the grid voltage is distorted.
Figure 17. Grid-connected current waveform when the grid voltage is distorted.
Energies 15 02893 g017
Figure 18. Waveform of grid-connected current when the LCL filter parameters are perturbed: (a) filter parameter is increased by 30%; (b) filter parameter is decreased by 30%.
Figure 18. Waveform of grid-connected current when the LCL filter parameters are perturbed: (a) filter parameter is increased by 30%; (b) filter parameter is decreased by 30%.
Energies 15 02893 g018
Figure 19. Waveform of grid voltage and grid-connected current when the grid impedance is 15 mH.
Figure 19. Waveform of grid voltage and grid-connected current when the grid impedance is 15 mH.
Energies 15 02893 g019
Table 1. System Parameters.
Table 1. System Parameters.
ParameterSymbolValue
DC-link voltage U d c 400 V
Rated Voltage U g 220 V
Rated powerP2.2 kW
Switching/Sampling frequency f s 10 kHz
Converter side inductance L 1 5.5 mH
Grid side inductance L 2 2.8 mH
Filter capacitor C f 10  μ F
Resonant frequency f r 1.125 kHz
Ga T , a 1.067 × 10 5 , 20
GI-ESO ω o , k 1 , k 2 , k 3 , k 4 1 × 10 3 , 0.3, 0.3, 0.2, 0.2
Gc k p , k r , τ 4, 1,  1 × 10 3
Table 2. Comparison of this method with related methods.
Table 2. Comparison of this method with related methods.
Method [13] [16] [17]Proposed Method
measured signalsinverter-side current, grid-side current, capacitor current, grid voltagegrid-side current, grid voltageinverter-side current, capacitor current, grid voltageinverter-side current, grid voltage
control methodsModel Predictive ControlADRCADRC, active dampingphase compensator, GI-ESO, tracking controller
degrees of freedom1222
noise sensitivity-high ( ω o = 4.2 × 10 3 )medium ( ω o = 2 × 10 3 )low ( ω o = 1 × 10 3 )
tolerance parametersmediumlowhighmedium
Publisher’s Note: MDPI stays neutral with regard to jurisdictional claims in published maps and institutional affiliations.

Share and Cite

MDPI and ACS Style

Li, D.; Zhao, D. Single Current Feedback Control Strategy of an LCL Grid-Connected Inverter Based on GI-ESO and Delay Compensation. Energies 2022, 15, 2893. https://doi.org/10.3390/en15082893

AMA Style

Li D, Zhao D. Single Current Feedback Control Strategy of an LCL Grid-Connected Inverter Based on GI-ESO and Delay Compensation. Energies. 2022; 15(8):2893. https://doi.org/10.3390/en15082893

Chicago/Turabian Style

Li, Danyun, and Dashuang Zhao. 2022. "Single Current Feedback Control Strategy of an LCL Grid-Connected Inverter Based on GI-ESO and Delay Compensation" Energies 15, no. 8: 2893. https://doi.org/10.3390/en15082893

APA Style

Li, D., & Zhao, D. (2022). Single Current Feedback Control Strategy of an LCL Grid-Connected Inverter Based on GI-ESO and Delay Compensation. Energies, 15(8), 2893. https://doi.org/10.3390/en15082893

Note that from the first issue of 2016, this journal uses article numbers instead of page numbers. See further details here.

Article Metrics

Back to TopTop