Compact Thirteen-Level Inverter for PV Applications
Abstract
:1. Introduction
- Eight IGBTs are used for desired voltage-level generation.
- Two input dc sources can produce 13-level voltage.
- The maximum voltage stress of the switches is 6 VDC.
- Inherent polarity changer for ac voltage-level generation.
- Two dc link capacitors are naturally balanced for input PV sources.
- Low-switching-frequency modulation (NLC) is employed.
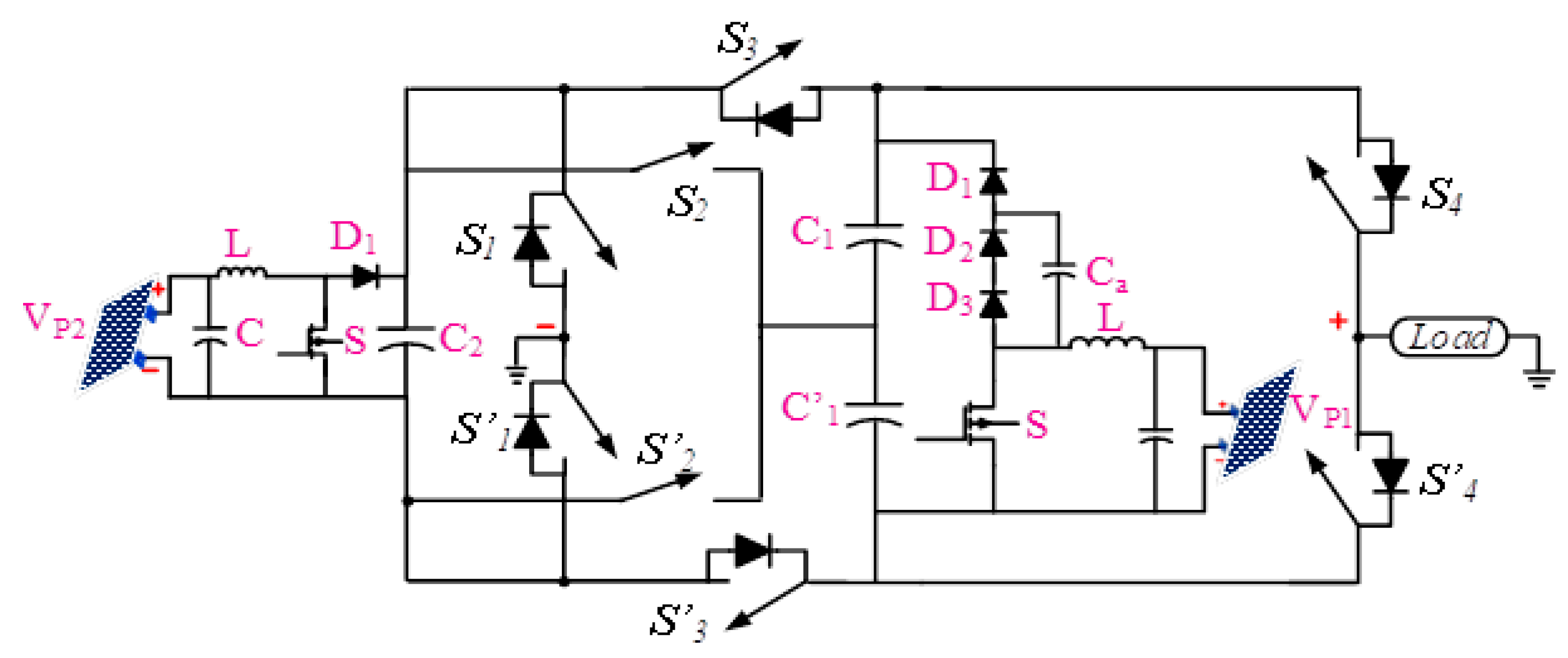
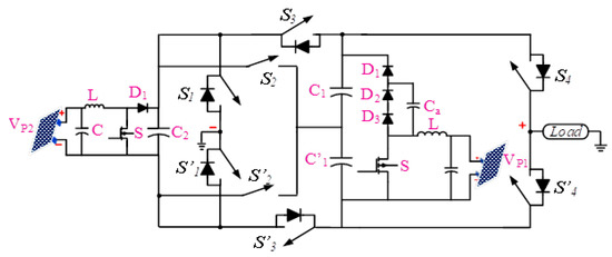
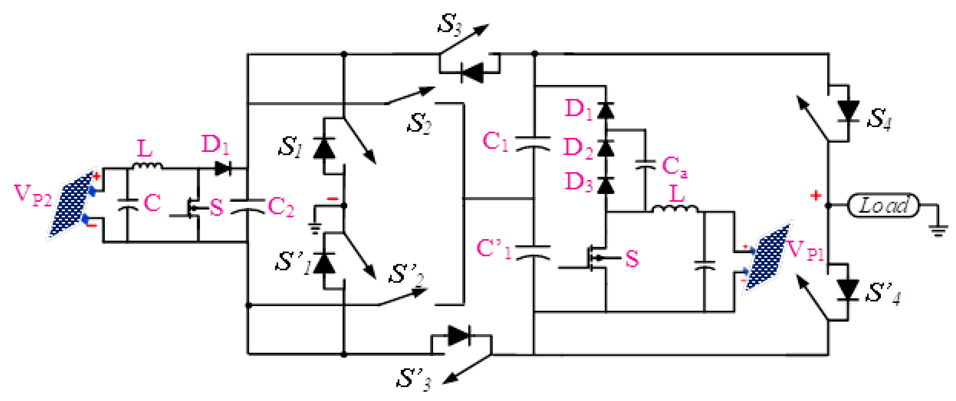
2. Proposed Module Configuration
2.1. Asymmetric Configuration
2.2. Mode of Conduction
2.3. Cascaded Structure for Proposed Module
2.3.1. Determination of the Magnitude of PV Sources for Maximum Output Voltage Level
2.3.2. Calculation of Total Standing Voltage
3. Comparison of the Proposed Topology with the Existing 13-Level Topologies
4. Proposed Module with PV Configuration
5. Results and Discussion
5.1. Simulation Validation
5.2. Experimental Validation
6. Conclusions
Author Contributions
Funding
Conflicts of Interest
References
- Ali, J.S.M.; Krishnaswamy, V. An assessment of recent multilevel inverter topologies with reduced power electronics components for renewable applications. Renew. Sustain. Energy Rev. 2018, 82, 3379–3399. [Google Scholar]
- Sathik, M.J.; Bhatnagar, K.; Siwakoti, Y.P.; Bassi, H.M.; Rawa, M.; Sandeep, N.; Yang, Y.; Blaabjerg, F. Switched-capacitor multilevel inverter with self-voltage-balancing for high-frequency power distribution system. IET Power Electron. 2020, 13, 1807–1818. [Google Scholar] [CrossRef]
- Ali, J.S.M.; Krishnasamy, V. Compact switched capacitor multilevel inverter (CSCMLI) with self-voltage balancing and boosting ability. IEEE Trans. Power Electron. 2018, 34, 4009–4013. [Google Scholar]
- Sathik, M.J.; Sandeep, N.; Almakhles, D.; Blaabjerg, F. Cross Connected Compact Switched-Capacitor Multilevel Inverter (C 3-SCMLI) Topology with Reduced Switch Count. IEEE Trans. Circuits Syst. II Express Briefs 2020, 67, 3287–3291. [Google Scholar] [CrossRef]
- Sathik, M.J.; Sandeep, N.; Blaabjerg, F. High gain active neutral point clamped seven-level self-voltage balancing inverter. IEEE Trans. Circuits Syst. II Express Briefs 2019, 67, 2567–2571. [Google Scholar] [CrossRef]
- Almakhles, D.J.; Ali, J.S.M.; Padmanaban, S.; Bhaskar, M.S.; Subramaniam, U.; Sakthivel, R. An original hybrid multilevel DC-AC converter using single-double source unit for medium voltage applications: Hardware implementation and investigation. IEEE Access 2020, 8, 71291–71301. [Google Scholar] [CrossRef]
- Meraj, S.T.; Hasan, K.; Masaoud, A. A novel configuration of cross-switched T-type (CT-type) multilevel inverter. IEEE Trans. Power Electron. 2019, 35, 3688–3696. [Google Scholar] [CrossRef]
- Ali, J.S.M.; Alishah, R.S.; Sandeep, N.; Hosseini, S.H.; Babaei, E.; Vijayakumar, K.; Yaragatti, U.R. A new generalized multilevel converter topology based on cascaded connection of basic units. IEEE J. Emerg. Sel. Top. Power Electron. 2019, 7, 2498–2512. [Google Scholar]
- Majumdar, S.; Mahato, B.; Jana, K.C. Implementation of an optimum reduced components multicell multilevel inverter (MC-MLI) for lower standing voltage. IEEE Trans. Ind. Electron. 2019, 67, 2765–2775. [Google Scholar] [CrossRef]
- Ali, J.S.M.; Alishah, R.S.; Krishnasamy, V. A New Generalized Multilevel Converter Topology with Reduced Voltage on Switches, Power losses, and Components. IEEE J. Emerg. Sel. Top. Power Electron. 2018, 7, 1094–1106. [Google Scholar]
- Prabaharan, N.; Salam, Z.; Cecati, C.; Palanisamy, K. Design and implementation of new multilevel inverter topology for trinary sequence using unipolar pulsewidth modulation. IEEE Trans. Ind. Electron. 2019, 67, 3573–3582. [Google Scholar] [CrossRef]
- Ebrahimi, J.; Babaei, E.; Gharehpetian, G.B. A new topology of cascaded multilevel converters with reduced number of components for high-voltage applications. IEEE Trans. Power Electron. 2011, 26, 3109–3118. [Google Scholar] [CrossRef]
- Ebrahimi, J.; Babaei, E.; Gharehpetian, G.B. A new multilevel converter topology with reduced number of power electronic components. IEEE Trans. Ind. Electron. 2011, 59, 655–667. [Google Scholar] [CrossRef]
- Ali, J.S.M.; Kannan, R. A new symmetric cascaded multilevel inverter topology using single and double source unit. J. Power Electron. 2015, 15, 951–963. [Google Scholar]
- Alishah, R.S.; Hosseini, S.H.; Babaei, E.; Sabahi, M.; Gharehpetian, G.B. New high step-up multilevel converter topology with self-voltage balancing ability and its optimization analysis. IEEE Trans. Ind. Electron. 2017, 64, 7060–7070. [Google Scholar] [CrossRef]
- Ahamed Ibrahim, S.A.; Anbalagan, P.; Jagabar Sathik, M.A. A New Asymmetric and Cascaded Switched Diode Multilevel Inverter Topology for Reduced Switches, DC Source and Blocked Voltage on Switches. J. Circuits Syst. Comput. 2019, 28, 1950064. [Google Scholar] [CrossRef]
- Yousofi-Darmian, S.; Barakati, S.M. A new asymmetric multilevel inverter with reduced number of components. IEEE J. Emerg. Sel. Top. Power Electron. 2019, 8, 4333–4342. [Google Scholar] [CrossRef]
- Thakre, K.; Mohanty, K.B.; Kommukuri, V.S.; Chatterjee, A. New topology for asymmetrical multilevel inverter: An effort to reduced device count. J. Circuits Syst. Comput. 2018, 27, 1850055. [Google Scholar] [CrossRef]
- Samadaei, E.; Gholamian, S.; Sheikholeslami, A.; Adabi, J. An Envelope Type (E-Type) Module: Asymmetric Multilevel Inverters with Reduced Components. IEEE Trans. Ind. Electron. 2016, 63, 7148–7156. [Google Scholar] [CrossRef]
- Samadaei, E.; Kaviani, M.; Bertilsson, K. A 13-Levels Module (K-Type) With Two DC Sources for Multilevel Inverters. IEEE Trans. Ind. Electron. 2019 66, 5186–5196. [CrossRef]
- Boora, K.; Kumar, J. A Novel Cascaded Asymmetrical Multilevel Inverter with Reduced Number of Switches. IEEE Trans. Ind. Appl. 2019, 55, 7389–7399. [Google Scholar] [CrossRef]
- Majareh, S.H.; Sedaghati, F.; Hosseinpour, M.; Mousavi-Aghdam, S.R. Design, analysis and implementation of a generalised topology for multilevel inverters with reduced circuit devices. IET Power Electron. 2019, 12, 3724–3731. [Google Scholar] [CrossRef]
- Jagabar Sathik, M.; Prabaharan, N.; Ibrahim, S.A.; Vijaykumar, K.; Blaabjerg, F. A new generalized switched diode multilevel inverter topology with reduced switch count and voltage on switches. Int. J. Circuit Theory Appl. 2020, 48, 619–637. [Google Scholar] [CrossRef]
- Prem, P.; Sugavanam, V.; Abubakar, A.I.; Ali, J.S.M.; Sengodan, B.C.; Krishnasamy, V.; Padmanaban, S. A novel cross-connected multilevel inverter topology for higher number of voltage levels with reduced switch count. Int. Trans. Electr. Energy Syst. 2020, 30, e12381. [Google Scholar] [CrossRef]
- Ali, J.S.M.; Almakhles, D.J.; Ibrahim, S.A.; Alyami, S.; Selvam, S.; Bhaskar, M.S. A generalized multilevel inverter topology with reduction of total standing voltage. IEEE Access 2020, 8, 168941–168950. [Google Scholar] [CrossRef]
















| Level | On Switches | Output Voltage (Vo, Max) | Each Voltage Level Value (V) | |||||||
|---|---|---|---|---|---|---|---|---|---|---|
| S1 | S’1 | S2 | S’2 | S3 | S’3 | S4 | S’4 | |||
| 0 | 1 | 0 | 0 | 0 | 1 | 0 | 1 | 0 | 0 | 0 V |
| +1 | 1 | 0 | 1 | 0 | 0 | 0 | 0 | 1 | Vc’1 | +Vdc |
| +2 | 1 | 0 | 0 | 0 | 1 | 0 | 0 | 1 | Vc’1+ Vc1 | +2 Vdc |
| +3 | 0 | 1 | 1 | 0 | 0 | 0 | 1 | 0 | Vp2− (Vc’1+ Vc1) | +3 Vdc |
| +4 | 0 | 1 | 0 | 0 | 1 | 0 | 1 | 0 | Vp2 | +4 Vdc |
| +5 | 0 | 1 | 1 | 0 | 0 | 0 | 0 | 1 | Vp2− Vc’1 | +5 Vdc |
| +6 | 0 | 1 | 0 | 0 | 1 | 0 | 0 | 1 | Vp2+ Vc’1+ Vc1 | +6 Vdc |
| 0 | 1 | 0 | 0 | 0 | 1 | 0 | 1 | 0 | 0 | 0 V |
| −1 | 0 | 1 | 0 | 1 | 0 | 1 | 1 | 0 | −Vc1 | −Vdc |
| −2 | 0 | 1 | 0 | 0 | 0 | 0 | 1 | 0 | −(Vc’1+ Vc1) | −2 Vdc |
| −3 | 1 | 0 | 0 | 1 | 0 | 1 | 0 | 1 | −Vp2+ Vc’1+ Vc1 | −3 Vdc |
| −4 | 1 | 0 | 0 | 0 | 0 | 0 | 0 | 1 | −Vp2 | −4 Vdc |
| −5 | 1 | 0 | 0 | 1 | 0 | 1 | 1 | 0 | Vc’1− Vc2 | −5 Vdc |
| −6 | 1 | 0 | 0 | 0 | 0 | 0 | 1 | 0 | −(Vp2+ Vc’1+ Vc1) | −6 Vdc |
| Ref | NL | NS | NG | NDC | ND | NC | MSV | VT | VTP.U | TUF | SUF | CF | Polarity Changer | |
|---|---|---|---|---|---|---|---|---|---|---|---|---|---|---|
| CHB | 13 | 16 | 16 | 6 | 0 | 0 | Vdc | 16 | 2.7 | 1.2 | 1.2 | 15.4 | 16 | Inherent |
| [10] | 13 | 14 | 14 | 3 | 0 | 6 | 3 Vdc | 26 | 4.3 | 2 | 1.1 | 8.3 | 8.8 | Inherent |
| [11] | 13 | 16 | 13 | 3 | 0 | 0 | 6 Vdc | 45 | 7.5 | 3.5 | 1.2 | 7.6 | 8.4 | H bridge |
| [12] | 13 | 16 | 16 | 6 | 0 | 0 | 6 Vdc | 36 | 6 | 2.8 | 1.2 | 16.2 | 17.5 | H bridge |
| [13] | 13 | 16 | 10 | 6 | 0 | 0 | 6 Vdc | 39 | 6.5 | 3 | 1.2 | 13.5 | 15 | H bridge |
| [14] | 13 | 16 | 10 | 3 | 0 | 0 | 6 Vdc | 36 | 6 | 2.8 | 1.2 | 6.7 | 7.4 | H bridge |
| [15] | 13 | 14 | 14 | 2 | 4 | 4 | 6 Vdc | 30 | 5 | 2.3 | 1.1 | 5.9 | 6.3 | Packed H bridge |
| [16] | 13 | 18 | 16 | 3 | 2 | 4 | 6 Vdc | 32 | 5.3 | 2.5 | 1.4 | 9.8 | 10.5 | H bridge |
| [17] | 13 | 12 | 10 | 3 | 0 | 0 | 6 Vdc | 37 | 6.2 | 2.8 | 0.9 | 5.8 | 6.5 | H bridge |
| [18] | 13 | 10 | 8 | 4 | 0 | 0 | 6 Vdc | 27 | 4.5 | 2.1 | 0.8 | 6.2 | 6.9 | Inherent |
| [19] | 13 | 10 | 8 | 4 | 0 | 0 | 5 Vdc | 20 | 3.3 | 1.5 | 0.8 | 6.1 | 6.6 | Inherent |
| [20] | 13 | 14 | 9 | 2 | 0 | 2 | 6 Vdc | 32 | 5.3 | 2.5 | 1.1 | 4.3 | 4.7 | Inherent |
| [21] | 13 | 16 | 16 | 6 | 0 | 0 | 6 Vdc | 30 | 5 | 2.3 | 1.2 | 15.9 | 17.1 | Inherent |
| [22] | 13 | 9 | 9 | 3 | 3 | 0 | 6 Vdc | 30 | 5 | 2.3 | 0.7 | 5.4 | 6 | Packed H bridge |
| [23] | 13 | 11 | 11 | 3 | 3 | 6 | 3 Vdc | 26 | 4.3 | 2 | 0.8 | 7.7 | 8.2 | Inherent |
| [24] | 13 | 18 | 15 | 3 | 0 | 6 | 3 Vdc | 27 | 4.5 | 2.1 | 1.4 | 9.5 | 10 | Inherent |
| Proposed | 13 | 8 | 8 | 2 | 0 | 2 | 4 Vdc | 26 | 4.3 | 2 | 0.6 | 3.1 | 3.4 | Inherent |
| Output Parameters | Simulation Results |
|---|---|
| Input voltage | Vp1 = 60 V and Vp2 = 120 V |
| Load value | R = 50 Ω, L = 100 mH |
| Maximum output voltage | 180 V |
| Output current | 3.04 A |
| Voltage THD | 6.38% |
| Current THD | 0.81% |
| Input power | 548.762 |
| Output power | 534.5 W |
| Efficiency | 97.4% |
| Output Parameters | Simulation Results |
|---|---|
| Input voltage | Vp1= 60 V and Vp2 = 120 V |
| Load values | R = 50 Ω, L = 100 mH to R = 100 Ω, L = 200 mH |
| IGBT | BUP400D |
| Gate driver circuit | HCPL316J |
| Maximum output voltage | 180 V |
| Output current | 3.08 A |
| Input power | 550.762 |
| Output power | 532.5 W |
| Efficiency | 95.4% |
Publisher’s Note: MDPI stays neutral with regard to jurisdictional claims in published maps and institutional affiliations. |
© 2022 by the authors. Licensee MDPI, Basel, Switzerland. This article is an open access article distributed under the terms and conditions of the Creative Commons Attribution (CC BY) license (https://creativecommons.org/licenses/by/4.0/).
Share and Cite
Prathaban, A.V.; Dhandapani, K.; Soni Abubakar, A.I. Compact Thirteen-Level Inverter for PV Applications. Energies 2022, 15, 2808. https://doi.org/10.3390/en15082808
Prathaban AV, Dhandapani K, Soni Abubakar AI. Compact Thirteen-Level Inverter for PV Applications. Energies. 2022; 15(8):2808. https://doi.org/10.3390/en15082808
Chicago/Turabian StylePrathaban, Arumbu Venkadasamy, Karthikeyan Dhandapani, and Ahamed Ibrahim Soni Abubakar. 2022. "Compact Thirteen-Level Inverter for PV Applications" Energies 15, no. 8: 2808. https://doi.org/10.3390/en15082808
APA StylePrathaban, A. V., Dhandapani, K., & Soni Abubakar, A. I. (2022). Compact Thirteen-Level Inverter for PV Applications. Energies, 15(8), 2808. https://doi.org/10.3390/en15082808
