Liquid Air Energy Storage System (LAES) Assisted by Cryogenic Air Rankine Cycle (ARC)
Abstract
:1. Introduction
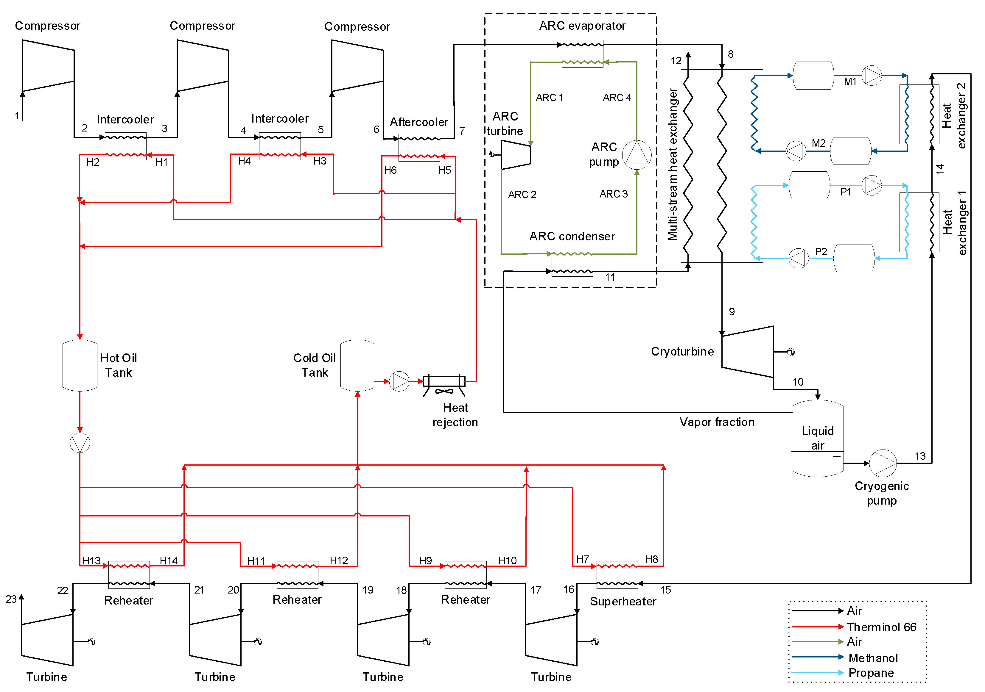
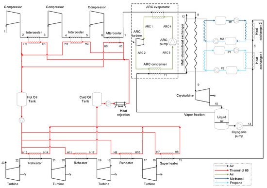
2. System Description
3. Methodology
- Steady-state condition during liquefaction and discharge processes;
- Pressure and temperature losses are disregarded;
- Kinetic and potential energy variations are neglected;
3.1. ARC Modeling and Optimization
3.2. Thermodynamic (Exergy) Analysis and Efficiencies
3.3. Economic Analysis
4. Results and Discussion
4.1. Parametric Analysis
4.1.1. Compression Outlet Pressure
4.1.2. Pump Outlet Pressure
4.1.3. Storage Pressure
4.2. Exergy Analysis
4.3. Economic Analysis
5. Conclusions
Author Contributions
Funding
Institutional Review Board Statement
Informed Consent Statement
Data Availability Statement
Acknowledgments
Conflicts of Interest
Appendix A
| Stream | Fluid | m (kg/s) | %vN2 | T (°C) | P (kPa) | h (kJ/kg) | s (kJ/kg-K) | Btotal (kW) |
|---|---|---|---|---|---|---|---|---|
| 1 | Air | 1.0 | 79 | 25.0 | 101.3 | −0.3 | 5.3 | 0.0 |
| 2 | Air | 1.0 | 79 | 242.6 | 569.6 | 224.6 | 5.3 | 204.8 |
| 3 | Air | 1.0 | 79 | 30.0 | 569.6 | 3.5 | 4.8 | 148.2 |
| Oil 1 | Therminol 66 | 0.7 | - | 25.0 | 101.3 | −88.6 | −0.7 | 0.0 |
| Oil 2 | Therminol 66 | 0.7 | - | 202.9 | 101.3 | 227.3 | 0.1 | 50.4 |
| 4 | Air | 1.0 | 79 | 251.5 | 3202.0 | 232.7 | 4.8 | 357.2 |
| 5 | Air | 1.0 | 79 | 30.0 | 3202.0 | −3.2 | 4.3 | 295.4 |
| Oil 3 | Therminol 66 | 0.7 | - | 25.0 | 101.3 | −88.6 | −0.7 | 0.0 |
| Oil 4 | Therminol 66 | 0.7 | - | 206.3 | 101.3 | 234.5 | 0.1 | 54.5 |
| 6 | Air | 1.0 | 79 | 253.2 | 18,000.0 | 230.5 | 4.3 | 508.7 |
| 7 | Air | 1.0 | 79 | 30.0 | 18,000.0 | −30.3 | 3.7 | 441.0 |
| Oil 5 | Therminol 66 | 0.9 | - | 25.0 | 101.3 | −76.5 | −0.7 | 0.0 |
| Oil 6 | Therminol 66 | 0.9 | - | 196.3 | 101.3 | 213.5 | 0.1 | 57.7 |
| 8 | Air | 1.0 | 79 | 16.1 | 18,000.0 | −48.1 | 3.6 | 441.2 |
| 9 | Air | 1.0 | 79 | −181.3 | 18,000.0 | −386.8 | 1.6 | 707.6 |
| M1 | Methanol | 0.7 | - | 12.0 | 101.3 | −7484.2 | 0.7 | 0.4 |
| M2 | Methanol | 0.7 | - | −59.9 | 101.3 | −7616.7 | 0.2 | 17.5 |
| P1 | Propane | 1.1 | - | −59.9 | 101.3 | −2923.2 | 1.3 | 167.6 |
| P2 | Propane | 1.1 | - | −184.5 | 101.3 | −3144.6 | −0.3 | 429.0 |
| 10 | Air | 1.0 | 79 | −194.2 | 101.3 | −401.3 | 1.6 | 674.8 |
| Vapor fraction | Air | 0.1 | 93 | −194.2 | 101.3 | −223.2 | 4.0 | 17.5 |
| 11 | Air | 0.1 | 93 | −150.8 | 101.3 | −179.2 | 4.4 | 9.3 |
| ARC 1 | Air | 0.1 | 79 | 25.0 | 6000.0 | −15.4 | 4.0 | 22.2 |
| ARC 2 | Air | 0.1 | 79 | −23.2 | 2993.5 | −59.8 | 4.1 | 18.7 |
| ARC 2′ | Air | 0.1 | 79 | −145.8 | 2993.5 | −237.4 | 3.0 | 27.4 |
| ARC 3 | Air | 0.1 | 79 | −146.5 | 2993.5 | −301.9 | 2.5 | 32.9 |
| ARC 4 | Air | 0.1 | 79 | −139.6 | 6000.0 | −294.8 | 2.5 | 33.1 |
| 12 | Air | 0.1 | 93 | −100.3 | 101.3 | −128.2 | 4.7 | 4.4 |
| Lair * | Air | 0.9 | 78 | −194.2 | 101.3 | −419.6 | 1.4 | 657.5 |
| 13 | Air | 0.9 | 78 | −190.8 | 8000.0 | −409.0 | 1.4 | 658.1 |
| 14 | Air | 0.9 | 78 | −68.8 | 8000.0 | −136.8 | 3.5 | 359.3 |
| 15 | Air | 0.9 | 78 | 7.0 | 8000.0 | −40.7 | 3.9 | 337.7 |
| 16 | Air | 0.9 | 78 | 195.0 | 8000.0 | 168.6 | 4.4 | 372.6 |
| Oil 7 | Therminol 66 | 0.6 | - | 201.5 | 101.3 | 224.4 | 0.1 | 40.6 |
| Oil 8 | Therminol 66 | 0.6 | - | 12.0 | 101.3 | −106.7 | −0.8 | 0.2 |
| 17 | Air | 0.9 | 78 | 88.9 | 2683.8 | 60.2 | 4.5 | 259.5 |
| 18 | Air | 0.9 | 78 | 196.5 | 2683.8 | 173.9 | 4.8 | 288.3 |
| Oil 9 | Therminol 66 | 0.6 | - | 201.5 | 101.3 | 224.4 | 0.1 | 40.6 |
| Oil 10 | Therminol 66 | 0.6 | - | 108.7 | 101.3 | 44.5 | −0.3 | 9.4 |
| 19 | Air | 0.9 | 78 | 91.2 | 900.3 | 65.6 | 4.8 | 175.6 |
| 20 | Air | 0.9 | 78 | 196.5 | 900.3 | 175.4 | 5.1 | 203.6 |
| Oil 11 | Therminol 66 | 0.6 | - | 201.5 | 101.3 | 224.4 | 0.1 | 40.6 |
| Oil 12 | Therminol 66 | 0.6 | - | 112.3 | 101.3 | 50.8 | −0.3 | 10.2 |
| 21 | Air | 0.9 | 78 | 91.7 | 302.0 | 67.2 | 5.1 | 90.9 |
| 22 | Air | 0.9 | 78 | 196.5 | 302.0 | 175.9 | 5.4 | 118.7 |
| Oil 13 | Therminol 66 | 0.6 | - | 201.5 | 101.3 | 224.4 | 0.1 | 40.6 |
| Oil 14 | Therminol 66 | 0.6 | - | 113.2 | 101.3 | 52.4 | −0.3 | 10.4 |
| Rejected cold air | Air | 0.9 | 78 | 91.8 | 101.3 | 67.7 | 5.5 | 6.1 |
| Liquid oil 1 | Therminol 66 | 2.3 | - | 201.5 | 101.3 | 224.4 | 0.1 | 162.6 |
| Liquid oil 2 | Therminol 66 | 2.3 | - | 88.8 | 101.3 | 10.3 | −0.4 | 21.8 |
| Equipment | Cost Estimation Model | Cost Year | CEPCIref [61] |
|---|---|---|---|
| Air compressors | Zref = 7900 | 2009 | 521.9 |
| Intercoolers | Zref = 12,000 | 2020 | 596.2 |
| Aftercooler | Zref = 12,000 | 2020 | 596.2 |
| ARC evaporator | Zref = 16,000 | 2020 | 596.2 |
| ARC condenser | Zref = 8000 | 2019 | 607.5 |
| ARC desuperheater | Zref = 12,000 | 2020 | 596.2 |
| ARC turbine | Zref = 1100 | 2017 | 567.5 |
| ARC pump | Zref = 483 | 2018 | 603.1 |
| Cold box | Zref = 32,800 | 2005 | 468.2 |
| Cryoturbine | Zref = 1100 | 2017 | 567.5 |
| Cryogenic Tank | Zref = 320 VLiquid air tank | 2013 | 567.3 |
| Cryopump | Zref f = 483 | 2018 | 603.1 |
| Heat exchanger 1 | Zref = 32,800 | 2005 | 468.2 |
| Heat exchanger 2 | Zref = 32,800 | 2005 | 468.2 |
| Methanol Tank | Zref = 572 VMethanol tank | 2018 | 603.1 |
| Propane Tank | Zref = 1326 VPropane tank | 2018 | 603.1 |
| Power turbines | Zref = 1100 | 2017 | 567.5 |
| Superheater | Zref = 16,000 | 2020 | 596.2 |
| Reheaters | Zref = 16,000 | 2020 | 596.2 |
| Hot oil tank | Zref = 423 VHot oil tank | 2018 | 603.1 |
| Cold oil tank | Zref = 423 VCold oil tank | 2018 | 603.1 |
| Mixer | Zref = 50 | 2019 | 607.5 |
| Thermal oil heat exchanger | Zref = 8000 | 2019 | 607.5 |
References
- International Energy Agency. Global Energy Review 2019; International Energy Agency: Paris, France, 2020. [Google Scholar]
- Aneke, M.; Wang, M. Energy storage technologies and real life applications—A state of the art review. Appl. Energy 2016, 179, 350–377. [Google Scholar] [CrossRef] [Green Version]
- Chen, H.; Cong, T.N.; Yang, W.; Tan, C.; Li, Y.; Ding, Y. Progress in electrical energy storage system: A critical review. Prog. Nat. Sci. 2009, 19, 291–312. [Google Scholar] [CrossRef]
- Lin, B.; Wu, W.; Bai, M.; Xie, C. Liquid air energy storage: Price arbitrage operations and sizing optimization in the GB real-time electricity market. Energy Econ. 2019, 78, 647–655. [Google Scholar] [CrossRef]
- Frate, G.F.; Ferrari, L.; Desideri, U. Energy storage for grid-scale applications: Technology review and economic feasibility analysis. Renew. Energy 2021, 163, 1754–1772. [Google Scholar] [CrossRef]
- Popov, D.; Fikiin, K.; Stankov, B.; Alvarez, G.; Youbi-Idrissi, M.; Damas, A.; Evans, J.; Brown, T. Cryogenic Heat Exchangers for Process Cooling and Renewable Energy Storage: A Review. Appl. Therm. Eng. 2019, 153, 275–290. [Google Scholar] [CrossRef]
- Borri, E.; Tafone, A.; Romagnoli, A.; Comodi, G. A review on liquid air energy storage: History, state of the art and recent developments. Renew. Sustain. Energy Rev. 2021, 137, 110572. [Google Scholar] [CrossRef]
- Morgan, R.; Nelmes, S.; Gibson, E.; Brett, G. An analysis of a large-scale liquid air energy storage system 1. In Proceedings of the ICE Proceedings, Coimbatore, India, 3 March 2015; pp. 1–10. [Google Scholar]
- Morgan, R.; Nelmes, S.; Gibson, E.; Brett, G. Liquid air energy storage—Analysis and first results from a pilot scale demonstration plant. Appl. Energy 2015, 137, 845–853. [Google Scholar] [CrossRef]
- Callaghan, O.O.; Donnellan, P. Liquid air energy storage systems: A review. Renew. Sustain. Energy Rev. 2021, 146, 111113. [Google Scholar] [CrossRef]
- An, B.; Chen, J.; Deng, Z.; Zhang, T.; Wang, J.; Yang, L.; Wang, J.; Chen, E.J.; Wang, J. Design and testing of a high performance liquid phase cold storage system for liquid air energy storage. Energy Convers. Manag. 2020, 226, 113520. [Google Scholar] [CrossRef]
- Krawczyk, P.; Szabłowski, Ł.; Karellas, S.; Kakaras, E.; Badyda, K. Comparative thermodynamic analysis of compressed air and liquid air energy storage systems. Energy 2018, 142, 46–54. [Google Scholar] [CrossRef]
- Vecchi, A.; Li, Y.; Ding, Y.; Mancarella, P.; Sciacovelli, A. Liquid air energy storage (LAES): A review on technology state-of-the-art, integration pathways and future perspectives. Adv. Appl. Energy 2021, 3, 100047. [Google Scholar] [CrossRef]
- Sciacovelli, A.; Vecchi, A.; Ding, Y. Liquid air energy storage (LAES) with packed bed cold thermal storage – From component to system level performance through dynamic modelling. Appl. Energy 2017, 190, 84–98. [Google Scholar] [CrossRef] [Green Version]
- Liu, Z.; Kim, D.; Gundersen, T. Optimal recovery of thermal energy in liquid air energy storage. Energy 2021, 240, 122810. [Google Scholar] [CrossRef]
- Hüttermann, L.; Span, R.; Maas, P.; Scherer, V. Investigation of a liquid air energy storage (LAES) system with different cryogenic heat storage devices. Energy Procedia 2019, 158, 4410–4415. [Google Scholar] [CrossRef]
- Hüttermann, L.; Span, R. Influence of the Heat Capacity of the Storage Material on the Efficiency of Thermal Regenerators in Liquid Air Energy Storage Systems. Energy 2019, 174, 236–245. [Google Scholar] [CrossRef]
- Chen, J.; An, B.; Yang, L.; Wang, J.; Hu, J. Construction and optimization of the cold storage process based on phase change materials used for liquid air energy storage system. J. Energy Storage 2021, 41, 102873. [Google Scholar] [CrossRef]
- Tafone, A.; Borri, E.; Cabeza, L.F.; Romagnoli, A. Innovative cryogenic Phase Change Material (PCM) based cold thermal energy storage for Liquid Air Energy Storage (LAES)—Numerical dynamic modelling and experimental study of a packed bed unit. Appl. Energy 2021, 301, 117417. [Google Scholar] [CrossRef]
- Guo, L.; Ji, W.; Gao, Z.; Fan, X.; Wang, J. Dynamic characteristics analysis of the cold energy transfer in the liquid air energy storage system based on different modes of packed bed. J. Energy Storage 2021, 40, 102712. [Google Scholar] [CrossRef]
- Guizzi, G.L.; Manno, M.; Tolomei, L.M.; Vitali, R.M. Thermodynamic analysis of a liquid air energy storage system. Energy 2015, 93, 1639–1647. [Google Scholar] [CrossRef] [Green Version]
- Li, X.; Lv, C.; Yang, S.; Li, J.; Deng, B.; Li, Q. Preliminary design and performance analysis of a radial inflow turbine for a large-scale helium cryogenic system. Energy 2019, 167, 106–116. [Google Scholar] [CrossRef]
- Xue, X.D.; Wang, S.X.; Zhang, X.L.; Cui, C.; Chen, L.B.; Zhou, Y.; Wang, J.J. Thermodynamic Analysis of a Novel Liquid Air Energy Storage System. Phys. Procedia 2015, 67, 733–738. [Google Scholar] [CrossRef] [Green Version]
- Tafone, A.; Romagnoli, A.; Borri, E.; Comodi, G. New parametric performance maps for a novel sizing and selection methodology of a Liquid Air Energy Storage system. Appl. Energy 2019, 250, 1641–1656. [Google Scholar] [CrossRef]
- Fan, X.; Gao, Z.; Ji, W.; Guo, L.; Lin, W.; Wang, J. Thermodynamic optimization with multi objectives and parameters for liquid air energy storage system based on the particle swarm optimization (PSO). J. Energy Storage 2021, 41, 102878. [Google Scholar] [CrossRef]
- Wu, S.; Zhou, C.; Doroodchi, E.; Moghtaderi, B. Techno-economic analysis of an integrated liquid air and thermochemical energy storage system. Energy Convers. Manag. 2020, 205, 112341. [Google Scholar] [CrossRef]
- Gao, Z.; Ji, W.; Guo, L.; Fan, X.; Wang, J. Thermo-economic analysis of the integrated bidirectional peak shaving system consisted by liquid air energy storage and combined cycle power plant. Energy Convers. Manag. 2021, 234, 113945. [Google Scholar] [CrossRef]
- Ji, W.; Zhou, Y.; Zhang, W.; Pan, C.Z.; Wang, J.J. Thermodynamic characteristics of a novel wind- solar-liquid air energy storage system. IOP Conf. Ser. Mater. Sci. Eng. 2017, 278, 012070. [Google Scholar] [CrossRef]
- Kantharaj, B.; Garvey, S.; Pimm, A. Compressed air energy storage with liquid air capacity extension. Appl. Energy 2015, 157, 152–164. [Google Scholar] [CrossRef]
- Li, Y.; Cao, H.; Wang, S.; Jin, Y.; Li, D.; Wang, X.; Ding, Y. Load shifting of nuclear power plants using cryogenic energy storage technology. Appl. Energy 2014, 113, 1710–1716. [Google Scholar] [CrossRef]
- Cetin, T.H.; Kanoglu, M.; Yanikomer, N. Cryogenic energy storage powered by geothermal energy. Geothermics 2019, 77, 34–40. [Google Scholar] [CrossRef]
- He, T.; Lv, H.; Shao, Z.; Zhang, J.; Xing, X.; Ma, H. Cascade utilization of LNG cold energy by integrating cryogenic energy storage, organic Rankine cycle and direct cooling. Appl. Energy 2020, 277, 115570. [Google Scholar] [CrossRef]
- Park, J.; You, F.; Mun, H.; Lee, I. Liquefied natural gas supply chain using liquid air as a cold carrier: Novel method for energy recovery. Energy Convers. Manag. 2021, 227, 14. [Google Scholar] [CrossRef]
- Tafone, A.; Borri, E.; Comodi, G.; van den Broek, M.; Romagnoli, A. Liquid Air Energy Storage performance enhancement by means of Organic Rankine Cycle and Absorption Chiller. Appl. Energy 2018, 228, 1810–1821. [Google Scholar] [CrossRef]
- Peng, X.; She, X.; Cong, L.; Zhang, T.; Li, C.; Li, Y.; Wang, L.; Tong, L.; Ding, Y. Thermodynamic study on the effect of cold and heat recovery on performance of liquid air energy storage. Appl. Energy 2018, 221, 86–99. [Google Scholar] [CrossRef]
- She, X.; Peng, X.; Nie, B.; Leng, G.; Zhang, X.; Weng, L.; Tong, L.; Zheng, L.; Wang, L.; Ding, Y. Enhancement of round trip efficiency of liquid air energy storage through effective utilization of heat of compression. Appl. Energy 2017, 206, 1632–1642. [Google Scholar] [CrossRef]
- Xue, X.D.; Zhang, T.; Zhang, X.L.; Ma, L.-R.; He, Y.-L.; Li, M.-J.; Mei, S.W. Performance evaluation and exergy analysis of a novel combined cooling, heating and power (CCHP) system based on liquid air energy storage. Energy 2021, 222, 13. [Google Scholar] [CrossRef]
- Zhang, T.; Zhang, X.L.; He, Y.L.; Xue, X.D.; Mei, S.W. Thermodynamic analysis of hybrid liquid air energy storage systems based on cascaded storage and effective utilization of compression heat. Appl. Therm. Eng. 2020, 164, 114526. [Google Scholar] [CrossRef]
- Hamdy, S.; Morosuk, T.; Tsatsaronis, G. Cryogenics-based energy storage: Evaluation of cold exergy recovery cycles. Energy 2017, 138, 1069–1080. [Google Scholar] [CrossRef]
- Cetin, T.H.; Kanoglu, M.; Bedir, F. Integration of cryogenic energy storage and cryogenic organic cycle to geothermal power plants. Geothermics 2020, 87, 101830. [Google Scholar] [CrossRef]
- Antonelli, M.; Barsali, S.; Desideri, U.; Giglioli, R.; Paganucci, F.; Pasini, G. Liquid air energy storage: Potential and challenges of hybrid power plants. Appl. Energy 2017, 194, 522–529. [Google Scholar] [CrossRef]
- Abdon, A.; Zhang, X.; Parra, D.; Patel, M.K.; Bauer, C.; Worlitschek, J. Techno-economic and environmental assessment of stationary electricity storage technologies for different time scales. Energy 2017, 139, 1173–1187. [Google Scholar] [CrossRef]
- Jülch, V. Comparison of electricity storage options using levelized cost of storage (LCOS) method. Appl. Energy 2016, 183, 1594–1606. [Google Scholar] [CrossRef]
- Tafone, A.; Ding, Y.; Li, Y.; Xie, C.; Romagnoli, A.; Trip, R. Levelised Cost of Storage (LCOS) analysis of liquid air energy storage system integrated with Organic Rankine Cycle. Energy 2020, 198, 117275. [Google Scholar] [CrossRef]
- Hamdy, S.; Morosuk, T.; Tsatsaronis, G. Exergetic and economic assessment of integrated cryogenic energy storage systems. Cryogenics 2019, 99, 39–50. [Google Scholar] [CrossRef]
- Xie, C.; Hong, Y.; Ding, Y.; Li, Y.; Radcliffe, J. An economic feasibility assessment of decoupled energy storage in the UK: With liquid air energy storage as a case study. Appl. Energy 2018, 225, 244–257. [Google Scholar] [CrossRef]
- Vilasboas, I.F.; Gabriel, V.; Fagundes, S.; Armando, S.; Ribeiro, J.; Augusto, J. Surrogate Models Applied to Optimized Organic Rankine Cycles. Energies 2021, 14, 8456. [Google Scholar] [CrossRef]
- AspenTech Aspen HYSYS, v.10 2017; Aspen Technology Inc.: Bedford, MA, USA, 2017.
- Hossein, M.; Zeynalian, M.; Reza, A.; Arabkoohsar, A.; Soltani, M. Energy, exergy, and economic analyses of an innovative energy storage system; liquid air energy storage (LAES) combined with high-temperature thermal energy storage (HTES). Energy Convers. Manag. 2020, 226, 113486. [Google Scholar] [CrossRef]
- Lemmon, E.W.; Bell, I.H.; Huber, M.L.; McLinden, O. NIST Standard Reference Database 23: Reference Fluid Thermodynamic and Transport Properties-REFPROP 2018; National Institute of Standard and Technology: Gaithersburg, MD, USA, 2018. [Google Scholar]
- Benítez-hidalgo, A.; Nebro, A.J.; García-nieto, J.; Oregi, I.; Del, J. jMetalPy: A Python framework for multi-objective optimization with metaheuristics. Swarm Evol. Comput. 2019, 51, 100598. [Google Scholar] [CrossRef] [Green Version]
- Szargut, J.; Morris, D.R.; Stewart, F.R. Exergy Analysis of Thermal, Chemical, and Metallurgical Processes; Hemisphere Publishing Corporation: New York, NY, USA, 1988. [Google Scholar]
- Bejan, A.; Tsatsaronis, G.; Moran, M. Thermal Design and Optimization, 7th ed.; John Wiley & Sons: Hoboken, NJ, USA, 1996. [Google Scholar]
- Junsittiwate, R.; Srinophakun, T.R.; Sukpancharoen, S. Techno-economic, environmental, and heat integration of palm empty fruit bunch upgrading for power generation. Energy Sustain. Dev. 2022, 66, 140–150. [Google Scholar] [CrossRef]
- Discount Rate. Available online: http://people.stern.nyu.edu/adamodar/New_Home_Page/datacurrent.html#discrate (accessed on 5 February 2022).
- Electricity Prices. Available online: https://pt.globalpetrolprices.com/electricity_prices/ (accessed on 5 February 2022).
- Wang, C.; Cui, Q.; Dai, Z.; Zhang, X.; Xue, L.; You, Z.; She, X. Performance analysis of liquid air energy storage with enhanced cold storage density for combined heating and power generation. J. Energy Storage 2022, 46, 103836. [Google Scholar] [CrossRef]
- Hossein, M.; Saharkhiz, M.; Ghorbani, B.; Ebrahimi, A. Exergy, economic and pinch analyses of a novel integrated structure for cryogenic energy storage and freshwater production using ejector refrigeration cycle, desalination unit, and natural gas combustion plant. J. Energy Storage 2021, 44, 103471. [Google Scholar] [CrossRef]
- Sadeghi, S.; Ghandehariun, S.; Naterer, G.F. Exergoeconomic and multi-objective optimization of a solar thermochemical hydrogen production plant with heat recovery. Energy Convers. Manag. 2020, 225, 113441. [Google Scholar] [CrossRef]
- Nabat, M.H.; Soltani, M.; Razmi, A.R.; Nathwani, J.; Dusseault, M.B. Investigation of a green energy storage system based on liquid air energy storage (LAES) and high-temperature concentrated solar power (CSP): Energy, exergy, economic, and environmental (4E) assessments, along with a case study for San Diego, US. Sustain. Cities Soc. 2021, 75, 103305. [Google Scholar] [CrossRef]
- Economic Indicators: CEPCI. Available online: https://www.chemengonline.com/pci-home (accessed on 27 January 2022).







| Variables | Description | Value |
|---|---|---|
| - | Turbine isentropic efficiency | 85% |
| - | Pump isentropic efficiency | 80% |
| - | Transmission efficiency | 95% |
| - | Generator efficiency | 90% |
| - | Minimum temperature difference in the ARC evaporator and condenser | 5 °C |
| Streams 7-8 | ARC heat source mass flow rate | 1 kg/s |
| Stream 7 | ARC heat source inlet temperature | 30 °C |
| Stream 8 | ARC heat source outlet temperature | 16.10 °C |
| Stream 11 | ARC heat sink mass flow rate | 0.095 kg/s |
| Stream vapor fraction | ARC heat sink inlet temperature | −194.22 °C |
| Variable | Decision Variables | Lower Bound | Upper Bound |
|---|---|---|---|
| Stream ARC1 | Turbine inlet temperature | −188.214 °C * | 25 °C ** |
| - | Evaporation pressure | 57.82 bar *** | 60.0 bar |
| - | Condensation pressure | 1.01325 bar | 57.82 bar *** |
| Parameters | Assumptions | Ref. |
|---|---|---|
| Lifetime of plants | 30 years | [44] |
| Discount rate | 12% | [55] |
| Electricity cost | 0.131 $/kWh | [56] |
| OPEXp * | 386.21 $/kW | [44] |
| OPEXe ** | 0.003 $/kWh | [44] |
| Equipment | Base Case LAES | LAES + ARC | ||||
|---|---|---|---|---|---|---|
| BD internal (kW) | BD external (kW) | % | BD internal (kW) | BD external (kW) | % | |
| Compressors | 60.8 | - | 19.7 | 60.8 | - | 20.1 |
| Intercoolers | 13.5 | - | 4.4 | 13.5 | - | 4.5 |
| Aftercooler | 9.9 | - | 3.2 | 9.9 | - | 3.3 |
| ARC evaporator | - | - | - | 10.9 | - | 3.6 |
| ARC condenser | - | - | - | 2.7 | - | 0.9 |
| ARC desuperheater | - | - | - | 6.5 | - | 2.1 |
| ARC turbine | - | - | - | 0.6 | - | 0.2 |
| ARC pump | - | - | - | 0.2 | - | 0.1 |
| Multi-stream heat exchanger | 39.4 | - | 12.8 | 17.0 | - | 5.6 |
| Cryoturbine | 20.0 | - | 6.5 | 18.3 | - | 6.0 |
| Cryogenic pump | 8.5 | - | 2.7 | 9.0 | - | 3.0 |
| Heat exchanger 1 | 41.9 | - | 13.6 | 37.4 | - | 12.3 |
| Heat exchanger 2 | 3.4 | - | 1.1 | 4.5 | - | 1.5 |
| Superheater | 7.2 | - | 2.3 | 5.6 | - | 1.8 |
| Power turbines | 55.2 | - | 17.9 | 58.3 | - | 19.2 |
| Reheaters | 8.2 | - | 2.7 | 7.5 | - | 2.5 |
| Hot oil tank | 0.1 | - | ~0.0 | 0.1 | - | ~0.0 |
| Cold oil tank | 7.7 | - | 2.5 | 8.3 | - | 2.7 |
| Rejected heat from oil | - | 26.0 | 8.4 | - | 21.5 | 7.1 |
| Rejected vapor fraction | - | 1.2 | 0.4 | - | 4.4 | 1.4 |
| Rejected cold air | - | 5.8 | 1.9 | - | 6.1 | 2.0 |
| TOTAL | 308.8 | 100.0 | 302.8 | 100.0 | ||
Publisher’s Note: MDPI stays neutral with regard to jurisdictional claims in published maps and institutional affiliations. |
© 2022 by the authors. Licensee MDPI, Basel, Switzerland. This article is an open access article distributed under the terms and conditions of the Creative Commons Attribution (CC BY) license (https://creativecommons.org/licenses/by/4.0/).
Share and Cite
Menezes, M.V.P.; Vilasboas, I.F.; da Silva, J.A.M. Liquid Air Energy Storage System (LAES) Assisted by Cryogenic Air Rankine Cycle (ARC). Energies 2022, 15, 2730. https://doi.org/10.3390/en15082730
Menezes MVP, Vilasboas IF, da Silva JAM. Liquid Air Energy Storage System (LAES) Assisted by Cryogenic Air Rankine Cycle (ARC). Energies. 2022; 15(8):2730. https://doi.org/10.3390/en15082730
Chicago/Turabian StyleMenezes, Mylena Vieira Pinto, Icaro Figueiredo Vilasboas, and Julio Augusto Mendes da Silva. 2022. "Liquid Air Energy Storage System (LAES) Assisted by Cryogenic Air Rankine Cycle (ARC)" Energies 15, no. 8: 2730. https://doi.org/10.3390/en15082730
APA StyleMenezes, M. V. P., Vilasboas, I. F., & da Silva, J. A. M. (2022). Liquid Air Energy Storage System (LAES) Assisted by Cryogenic Air Rankine Cycle (ARC). Energies, 15(8), 2730. https://doi.org/10.3390/en15082730

