Gas-Fueled Binary Energy System with Low-Boiling Working Fluid for Enhanced Power Generation
Abstract
1. Introduction
Working Cycles of Power Units for Electric Energy Generation
- Brayton Cycle
- Rankine Cycle
- Allam Cycle
2. Methodology of the Research
2.1. Object of the Research
2.2. Methods of the Research
2.2.1. Simulation in Aspen HYSYS
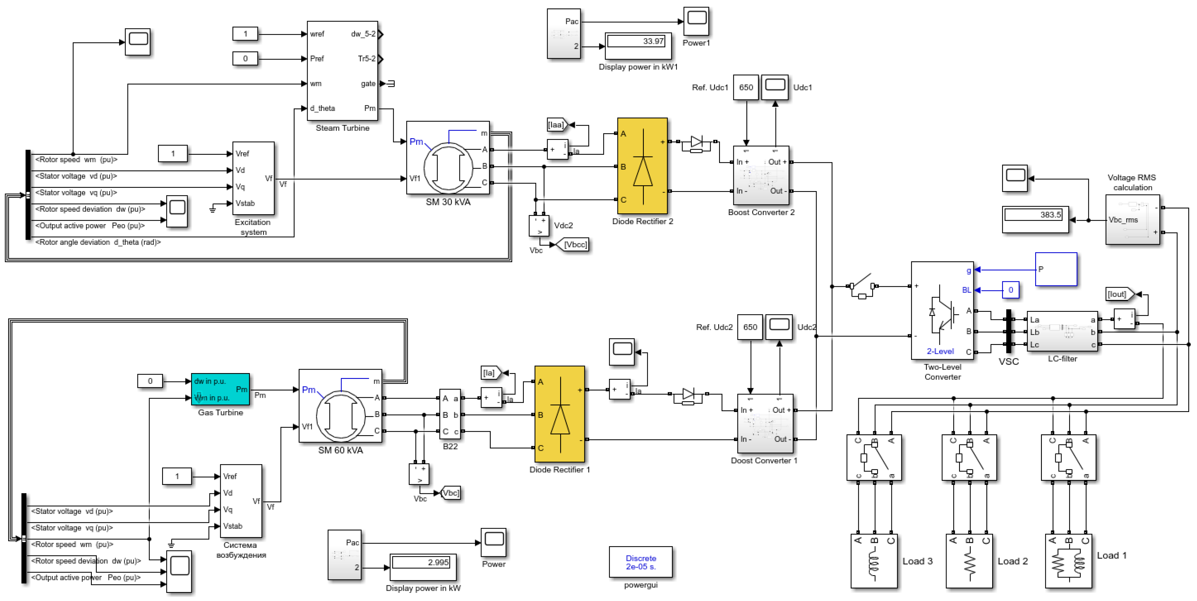
2.2.2. Simulation in MATLAB Simulink
3. Results
3.1. Results of Simulation in Aspen HYSYS
3.2. Results of Simulation in Mathlab Simulink
3.3. Techno-Economic Assessment of the Developed Energy System
- —unit’s coefficient of technical usage;
- —unit’s coefficient of load;
- —coefficient of the heat energy losses in exhaust gases;
- —internal efficiency of steam turbine cycle.
4. Discussion
4.1. Results of Simulation in Aspen HYSYS
4.2. Results of Simulation in MATLAB Simulink
5. Conclusions
Author Contributions
Funding
Institutional Review Board Statement
Informed Consent Statement
Data Availability Statement
Conflicts of Interest
Abbreviations
| APU | auxiliary power unit |
| CAPEX | capital expenditures |
| CHP | combined heat and power |
| GMPU | gas microturbine power unit |
| GRU | gas-reciprocating unit |
| GTU | gas turbine unit |
| LNG | liquefied natural gas |
| MPU | main power unit |
| NG | natural gas |
| OPEX | operational expenditures |
| ORC | organic Rankine cycle |
| PWC | pulse width converter |
References
- Hansen, J.; Johnson, D.; Lacis, A.; Lebedeff, S.; Lee, P.; Rind, D.; Russel, G. Climate Impact of Increasing Atmospheric Carbon Dioxide. Science 1981, 213, 957–966. [Google Scholar] [CrossRef]
- Tokarska, K.; Gillett, N.; Weaver, A.; Arora, V.K.; Eby, M. The climate response to five trillion tonnes of carbon. Nat. Clim. Chang. 2016, 6, 851–855. [Google Scholar] [CrossRef]
- Solomon, S.; Plattner, G.-K.; Knutti, R.; Friedlingstein, P. Irreversible climate change due to carbon dioxide emissions. Proc. Natl. Acad. Sci. USA 2009, 106, 1704–1709. [Google Scholar] [CrossRef] [PubMed]
- Rogelj, J.; den Elzen, M.; Höhne, N.; Fransen, T.; Fekete, H.; Winkler, H.; Schaeffer, R.; Sha, F.; Riahi, K.; Meinshausen, M. Paris Agreement Climate Proposals Need a Boost to Keep Warming Well Below 2 °C. Nature 2016, 534, 631–639. [Google Scholar] [CrossRef]
- Marcotullio, P.J.; Sarzynski, A.; Albrecht, J.; Schulz, N.; Garcia, J. The geography of global urban greenhouse gas emissions: An exploratory analysis. Clim. Chang. 2013, 121, 621–634. [Google Scholar] [CrossRef]
- Toro, N.; Robles, P.; Jeldres, R.I. Seabed mineral resources, an alternative for the future of renewable energy: A critical review. Ore Geol. Rev. 2020, 126, 103699. [Google Scholar] [CrossRef]
- Shklyarskiy, Y.E.; Guerra, D.D.; Iakovleva, E.V.; Rassõlkin, A. The influence of solar energy on the development of the mining industry in the Republic of Cuba. J. Min. Inst. 2021, 249, 427–440. [Google Scholar] [CrossRef]
- Wang, Z.; Burra, K.G.; Lei, T.; Gupta, A.K. Co-pyrolysis of waste plastic and solid biomass for synergistic production of biofuels and chemicals—A review. Prog. Energy Combust. Sci. 2021, 84, 100899. [Google Scholar] [CrossRef]
- Nazari, M.T.; Mazutti, J.; Basso, L.G.; Colla, L.M.; Brandli, L. Biofuels and their connections with the sustainable development goals: A bibliometric and systematic review. Environ. Dev. Sustain. 2021, 23, 11139–11156. [Google Scholar] [CrossRef]
- Ocean Energy Europe. Available online: https://www.oceanenergy-europe.eu/ (accessed on 25 June 2021).
- Ocean Energy Status Report. JRC. 2014. Available online: https://setis.ec.europa.eu/sites/default/files/reports/2014-JRC-Ocean-Energy-Status-Report.pdf (accessed on 25 June 2021).
- IRENA Wave Energy Technology Brief. 2014. Available online: https://www.irena.org/documentdownloads/publications/wave-energy_v4_web.pdf (accessed on 25 June 2020).
- Cameron, L.; Doherty, R.; Henry, A.; Doherty, K.; Van’t Hoff, J.; Kaye, D.; Naylor, D. Design of the next generation of the Oyster wave energy converter. In Proceedings of the 3rd International Conference on Ocean Energy, Bilbao, Spain, 6–8 October 2010. [Google Scholar]
- Lu, S.-M. A global review of enhanced geothermal system (EGS). Renew. Sustain. Energy Rev. 2017, 81, 2902–2921. [Google Scholar] [CrossRef]
- Dobson, P.F. A review of exploration methods for discovering hidden geothermal systems. Geotherm. Resour. Counc. Trans. 2016, 40, 695–706. [Google Scholar]
- Litvinenko, V.; Bowbrick, I.; Naumov, I.; Zaitseva, Z. Global guidelines and requirements for professional competencies of natural resource extraction engineers: Implications for ESG principles and sustainable development goals. J. Clean. Prod. 2022, 338, 130530. [Google Scholar] [CrossRef]
- Ritchie, H.; Roser, M. Energy. Available online: https://ourworldindata.org/energy (accessed on 25 June 2021).
- Zhu, Y.; Tomsovic, K. Optimal distribution power flow for systems with distributed energy resources. Electr. Power Energy Syst. 2007, 29, 260–267. [Google Scholar] [CrossRef]
- Jurado, F.; Saenz, J.R. Adaptive control of a fuel cell-micro turbine hybrid power plant. IEEE Trans. Energy Convers. 2003, 18, 342–347. [Google Scholar] [CrossRef]
- Sultanbekov, R.; Islamov, S.; Mardashov, D.; Beloglazov, I.; Hemmingsen, T. Research of the influence of marine residual fuel composition on sedimentation due to incompatibility. J. Mar. Sci. Eng. 2021, 14, 1067. [Google Scholar] [CrossRef]
- Sultanbekov, R.; Beloglazov, I.; Islamov, S.; Ong, M.C. Exploring of the incompatibility of marine residual fuel: A case study using machine learning methods. Energies 2021, 14, 8422. [Google Scholar] [CrossRef]
- Anders, M. Analysis of a gas turbine driven hybrid drive system for heavy vehicles. Ph.D. Thesis, School of Electrical Engineering and Information Technology (KTH), Stockholm, Sweden, 1999. [Google Scholar]
- Al-Hinai, A.; Feliachi, A. Dynamic Model of a Micro Turbine Used as a Distributed Generator. In Proceedings of the 34th Southeastern Symposium on system Theory, Huntsville, AL, USA, 19 March 2002; pp. 209–213. [Google Scholar]
- Moustafa, I.; Hassan, M. Speed Control of Micro Gas Turbine with PMSG using Evolutionary Computational Techniques. In The International Conference on Electrical Engineering; Military Technical College: Cairo, Egypt, 2016; Volume 10, pp. 1–16. [Google Scholar] [CrossRef][Green Version]
- Frost & Sullivan. Combined Heat and Power: Integrating Biomass Technologies in Buildings for Efficient Energy Consumption; Report Number: 9835-14; Frost & Sullivan: Mountain View, CA, USA, 2011. [Google Scholar]
- Ivanov, A.V.; Strizhenok, A.V.; Suprun, I.K. Ecological and economic justification of the utilization of associated petroleum gas at oil fields of Russian Federation. Geol. I Geofiz. Yuga Ross. 2020, 10, 114–126. [Google Scholar] [CrossRef]
- Duan, J.; Sun, L.; Wang, G.; Wu, F. Nonlinear modeling of regenerative cycle micro gas turbine. Energy 2015, 91, 168–175. [Google Scholar] [CrossRef]
- Abdollahi, S.E.; Vahedi, A. Dynamic Modeling of Micro-Turbine Generation Systems Using Matlab/Simulink. Renew. Energy Power Qual. J. 2005, 1, 168–175. [Google Scholar] [CrossRef]
- Nascimento, M.A.R.; Rodrigues, L.O.; dos Santos, E.C.; Gomes, E.E.B.; Dias, F.L.G.; Gutiérrez Velásques, E.I.; Miranda Carillo, M.A. Micro gas turbine engine: A review. In Progress in Gas Turbine Performance; IntechOpen: London, UK, 2013; pp. 107–141. [Google Scholar]
- Konečná, E.; Teng, S.Y.; Máša, V. New insights into the potential of the gas microturbine in microgrids and industrial applications. Renew. Sustain. Energy Rev. 2020, 134, 110078. [Google Scholar] [CrossRef]
- Borbely, A.; Kreider, J.F. Distributed Generation: The Power Paradigm for the New Millennium; CRC Press: Boca Raton, FL, USA, 2001. [Google Scholar]
- Rassokhin, V.A.; Rassokhin, V.A.; Zabelin, N.A.; Matveev, Y.V.; Kharisov, I.S. Methodology for experimental research of low-power turbine unit stages at SPbSPU stands. Sci. Educ. 2012, 1, 119–122. (In Russian) [Google Scholar]
- Gupta, K.K.; Rehman, A.; Sarviya, R.M. Bio-fuels for the gas turbine: A review. Renew. Sustain. Energy Rev. 2010, 14, 2946–2955, ISSN 1364-0321. [Google Scholar] [CrossRef]
- Paoli, N. Simulation Models for Analysis and Optimization of Gas Turbine Cycles. 2009. Available online: https://etd.adm.unipi.it/t/etd-04062009-132133/ (accessed on 25 June 2021).
- Gusarov, V.A.; Kharchenko, V.V. 2018 Micro gas turbine unit GTE-10S. Vestnik 2018, 30, 49–55. (In Russian) [Google Scholar]
- Invernizzi, C.; Iora, P.; Silva, P. Bottoming micro-Rankine cycles for micro-gas turbines. Appl. Therm. Eng. 2007, 27, 100–110. [Google Scholar] [CrossRef]
- Mahmoudi, A.; Fazli, M.; Morad, M.R. A recent review of waste heat recovery by Organic Rankine Cycle. Appl. Therm. Eng. 2018, 143, 660–675. [Google Scholar] [CrossRef]
- Hansaenergo. Steam Microturbines 50–3000 kW. Available online: http://hansaenergo.ru/produktsiya/turbines/pbs/microturbine. (accessed on 25 June 2021).
- Dibyendu, R.; Samiran, S.; Sudip, G. Performance assessment of a biomass fuelled advanced hybrid power generation system. Renew. Energy 2020, 162, 639–661, ISSN 0960-1481. [Google Scholar] [CrossRef]
- Yağlı, H.; Koç, Y.; Kalay, H. Optimisation and exergy analysis of an organic Rankine cycle (ORC) used as a bottoming cycle in a cogeneration system producing steam and power. Sustain. Energy Technol. Assess. 2020, 44, 100985. [Google Scholar] [CrossRef]
- Habibi, H.; Zoghi, M.; Chitsaz, A.; Javaherdeh, K.; Ayazpour, M.; Bellos, E. Working fluid selection for regenerative super-critical Brayton cycle combined with bottoming ORC driven by molten salt solar power tower using energy-exergy analysis. Sustain. Energy Technol. Assess. 2020, 39, 100699, ISSN 2213-1388. [Google Scholar] [CrossRef]
- Ping, X.; Yang, F.; Zhang, H.; Xing, C.; Wang, C.; Zhang, W.; Wang, Y. Energy, economic and environmental dynamic response characteristics of organic Rankine cycle (ORC) system under different driving cycles. Energy 2022, 246, 123438. [Google Scholar] [CrossRef]
- Allam, R.; Martin, S.; Forrest, B.; Fetvedt, J.; Lu, X.; Freed, D.; Brown, G.W., Jr.; Sasaki, T.; Itoh, M.; Manning, J. Demonstration of the Allam Cycle: An Update on the Development Status of a High Efficiency Supercritical Carbon Dioxide Power Process Employing Full Carbon Capture. Energy Procedia 2017, 114, 5948–5966, ISSN 1876-6102. [Google Scholar] [CrossRef]
- Zhu, Z.; Chen, Y.; Wu, J.; Zhang, S.; Zheng, S. A modified Allam cycle without compressors realizing efficient power generation with peak load shifting and CO2 capture. Energy 2019, 174, 478–487, ISSN 0360-5442. [Google Scholar] [CrossRef]
- Morenov, V.; Leusheva, E.; Buslaev, G.; Gudmestad, O.T. System of Comprehensive Energy-Efficient Utilization of Associated Petroleum Gas with Reduced Carbon Footprint in the Field Conditions. Energies 2020, 13, 4921. [Google Scholar] [CrossRef]
- Salehi, A.; Seifi, A.R.; Safavi, A.A. Combined-Cycle Plant Simulation Toolbox for Power Plant Simulator. Pac. J. Sci. Technol. 2008, 9, 97–109. [Google Scholar]
- Rai, J.N.; Naimul, H.; Arora, B.B.; Garai, R.; Kapoor, R. Performance Analysis of CCGT Power Plant using MATLAB/Simulink Based Simulation. Int. J. Adv. Res. Technol. 2013, 2, 285–290. [Google Scholar]
- Leusheva, E.L.; Morenov, V.A. Development of combined heat and power system with binary cycle for oil and gas enterprises power supply. Neftyanoe Khozyaystvo-Oil Ind. 2017, 7, 104–106. [Google Scholar] [CrossRef]
- Hu, Y.; Gao, Y.; Lv, H.; Xu, G.; Dong, S. New Integration System for Natural Gas Combined Cycle Power Plants with CO2 Capture and Heat Supply. Energies 2018, 11, 3055. [Google Scholar] [CrossRef]
- Tavakoli, M.R.B.; Vahidi, B.; Gawlik, W. An Educational Guide to Extract the Parameters of Heavy Duty Gas Turbines Model in Dynamic Studies Based on Operational Data. IEEE Trans. Power Syst. 2009, 24, 1366–1374. [Google Scholar] [CrossRef]
- Gasturbine.zip. MATLAB Central File Exchange. Available online: https://www.mathworks.com/matlabcentral/fileexchange/47495-gasturbine-zip (accessed on 25 June 2021).
- Skamyin, A.; Shklyarskiy, Y.; Dobush, V.; Dobush, I. Experimental Determination of Parameters of Nonlinear Electrical Load. Energies 2021, 14, 7762. [Google Scholar] [CrossRef]
- Shklyarskiy, Y.; Skamyin, A.; Vladimirov, I.; Gazizov, F. Distortion load identification based on the application of compensating devices. Energies 2020, 13, 1430. [Google Scholar] [CrossRef]












| Property | Value |
|---|---|
| Molecular weight | 187.4 |
| Density at 25 °C | 1.56 g/cm3 |
| Boiling point | 47.5 |
| Critical point density | 0.57 g/cm3 |
| Critical point pressure | 3.406 MPa |
| Critical point temperature | 214.3 °C |
Publisher’s Note: MDPI stays neutral with regard to jurisdictional claims in published maps and institutional affiliations. |
© 2022 by the authors. Licensee MDPI, Basel, Switzerland. This article is an open access article distributed under the terms and conditions of the Creative Commons Attribution (CC BY) license (https://creativecommons.org/licenses/by/4.0/).
Share and Cite
Morenov, V.; Leusheva, E.; Lavrik, A.; Lavrik, A.; Buslaev, G. Gas-Fueled Binary Energy System with Low-Boiling Working Fluid for Enhanced Power Generation. Energies 2022, 15, 2551. https://doi.org/10.3390/en15072551
Morenov V, Leusheva E, Lavrik A, Lavrik A, Buslaev G. Gas-Fueled Binary Energy System with Low-Boiling Working Fluid for Enhanced Power Generation. Energies. 2022; 15(7):2551. https://doi.org/10.3390/en15072551
Chicago/Turabian StyleMorenov, Valentin, Ekaterina Leusheva, Alexander Lavrik, Anna Lavrik, and George Buslaev. 2022. "Gas-Fueled Binary Energy System with Low-Boiling Working Fluid for Enhanced Power Generation" Energies 15, no. 7: 2551. https://doi.org/10.3390/en15072551
APA StyleMorenov, V., Leusheva, E., Lavrik, A., Lavrik, A., & Buslaev, G. (2022). Gas-Fueled Binary Energy System with Low-Boiling Working Fluid for Enhanced Power Generation. Energies, 15(7), 2551. https://doi.org/10.3390/en15072551

