An Evaluation Method of Renewable Energy Resources’ Penetration Capacity of an AC-DC Hybrid Grid
Abstract
:1. Introduction
- Considering the interaction between DC and new energy sources, the static and transient stability of the system are evaluated.
- Indicators for evaluating the economy and safety of the AC-DC hybrid grid integrated with renewable energy are proposed, where both static and transient stability indicators are considered.
- An optimization model of the renewable energy penetration capacity of the AC-DC hybrid grid is constructed to maximize the renewable energy penetration capacity and minimize the network loss.
- A heuristic solution method for solving the renewable energy penetration capacity optimization model is proposed.
2. Evaluation Indicators of the AC-DC Hybrid Grid Integrated with Renewable Energy
2.1. Economic Indicator
2.2. Safety Indicator
2.2.1. Line Ampacity
2.2.2. Line Current Ampacity after N − 1 Fault
2.2.3. Node Voltage Amplitude
2.2.4. Network Loss Sensitivity
2.2.5. Transient Voltage Stability Indicator
2.2.6. Transient Frequency Stability Indicator
3. Evaluation and Optimization Model of the Renewable Energy Penetration Capacity of the AC-DC Hybrid Grid
3.1. Objective Function
3.2. Constraint Condition
3.2.1. System Power Flow Constraints
3.2.2. Line Ampacity Constraints
3.2.3. Line Ampacity Constraints after N − 1 Fault
3.2.4. Node Voltage Amplitude Constraints
3.2.5. Static Voltage Stability Constraints
3.2.6. Transient Voltage Stability Constraints
3.2.7. Transient Frequency Stability Constraints
3.2.8. Renewable Energy Penetration Capacity Constraints
4. Solution Method of the Renewable Energy Penetration Capacity Evaluation Model of the AC-DC Hybrid Grid
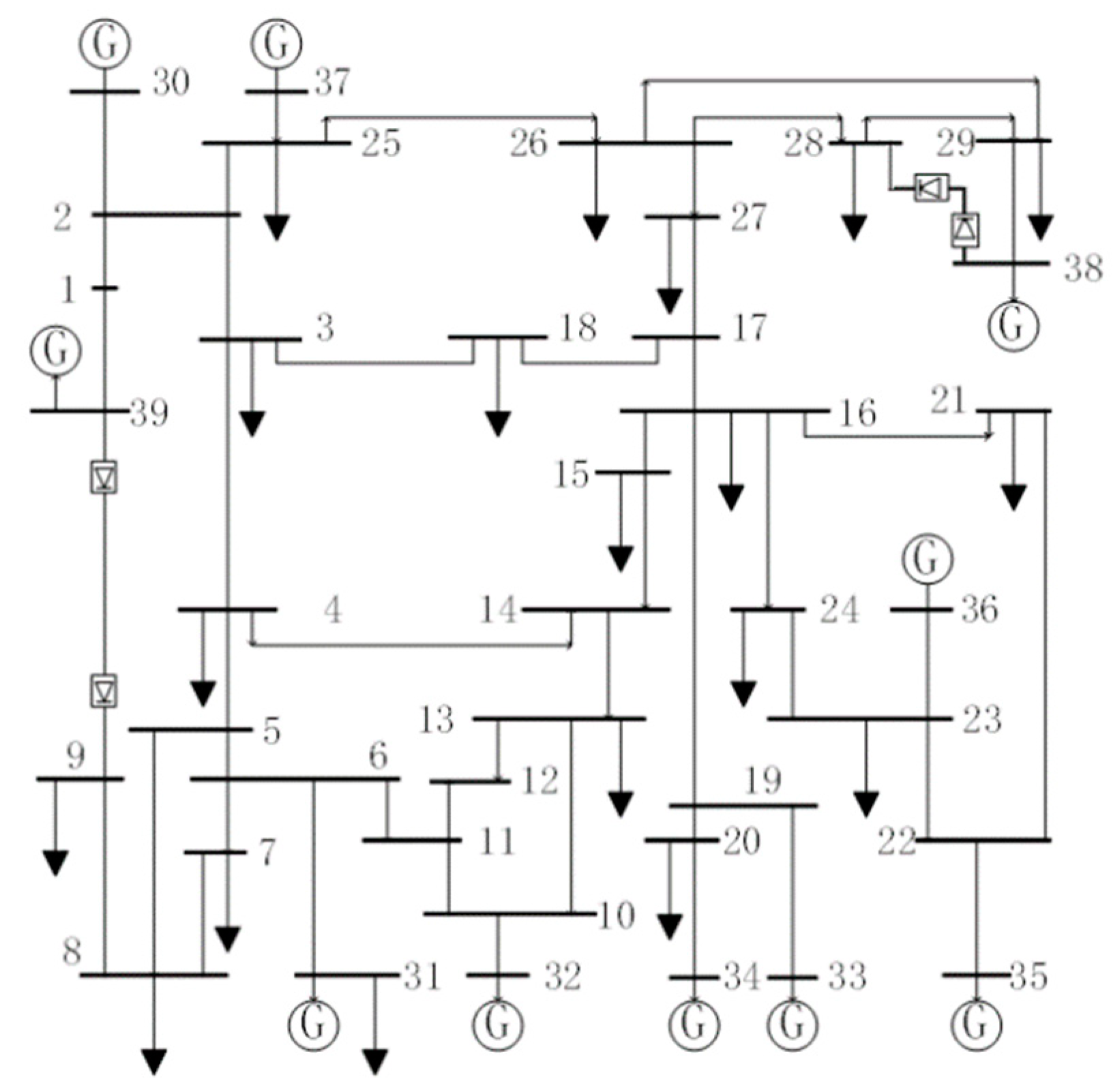
5. Example Test
5.1. Evaluation of the Renewable Energy Penetration Capacity
5.2. Transient Frequency Stability Verification
5.3. Transient Voltage Security Verification
5.4. Discussion
5.4.1. Impact of Renewable Energy on the Power System Stability
- (1)
- Voltage stability. According to [19], when renewable energy does not adopt voltage control, the voltage stability of the system is reduced due to the unfavorable reactive power “load” characteristics of the converters. When the renewable energy adopts voltage control, it can provide reactive power support after a system failure to prevent the bus voltage from dropping sharply. The voltage stability is enhanced. In this paper, the influence of renewable energy on the voltage stability is evaluated by adding correcting values to the relevance elements of the Jacobian matrix. For different control algorithms of renewable energy, the correcting values of the and elements of the Jacobian matrix corresponding to the integration node of the renewable energy are also different, which affects the system voltage stability. Since the renewable energy commonly adopts the maximum power point tracking control and does not participate in voltage control, the correcting values of the Jacobian matrix are 0, as shown in Equation (9).
- (2)
- Frequency stability. According to [19], when renewable energy does not adopt frequency control, the system inertial is reduced since renewable energy replaces synchronous generators, thereby reducing the frequency stability. When the renewable energy adopts frequency control, the system inertia and frequency response speed is increased, thereby enhancing the frequency stability. In this paper, the frequency stability is evaluated by establishing a frequency response model of the power system. Since the renewable energy commonly adopts the maximum power point tracking control and does not participate in frequency regulation, it is not considered in the frequency response model. Consideration of the frequency regulation control of renewable energy in frequency stability evaluation will be covered in our future research.
5.4.2. Reliability and Applicability to Real Power Systems
5.4.3. Comparison with Other Methods
6. Conclusions
- According to the specific characteristics of the renewable energy integrated into the AC-DC hybrid grid and the mutual coupling between DC and renewable energy, the static and transient stability of the system were comprehensively evaluated, and a more comprehensive evaluation indicator system was established.
- The evaluation and optimization model of the renewable energy penetration capacity of the AC-DC hybrid grid was established, and a heuristic solution method for the optimization model was proposed according to the characteristics of the model, which realizes the evaluation of the renewable energy penetration capacity of the power grid and obtains the optimal access scheme.
- The example test showed that the proposed method can correctly evaluate the renewable energy penetration capacity of the AC-DC hybrid grid and produces the optimal access scheme.
Author Contributions
Funding
Institutional Review Board Statement
Informed Consent Statement
Data Availability Statement
Conflicts of Interest
References
- Liu, X.; Liu, Y.; Liu, J. Optimal planning of AC-DC hybrid transmission and distributed energy resource system: Review and prospects. CSEE J. Power Energy Syst. 2019, 5, 409–422. [Google Scholar] [CrossRef]
- Wang, Q.; Li, M.; Luo, P.; Wang, H.; Kang, P.; Sun, H.; Zhao, B. Analysis on the coupling characteristics of frequency stability and voltage stability in weak connected power grid with high ratio of clean energy. Energy Rep. 2022, 8, 1432–1437. [Google Scholar] [CrossRef]
- Liu, J.; Wang, Q.; Song, Z.; Fang, F. Bottlenecks and countermeasures of high-penetration renewable energy development in china. Engineering 2020, 7, 1611–1622. [Google Scholar] [CrossRef]
- Chintakindi, R.; Pradhan, P.; Mitra, A. WAMS based Thevenin Index for voltage stability assessment with increasing wind power penetration and additional distributed load. Energy Rep. 2022, 8, 672–683. [Google Scholar] [CrossRef]
- Adetokun, B.; Christopher, M.; Joseph, O. Voltage stability assessment and enhancement of power grid with increasing wind energy penetration. Int. J. Electrical Power Energy Syst. 2020, 120, 105988. [Google Scholar] [CrossRef]
- Fang, Q.; Ma, L.; Yan, X.; Xing, D. The Calculation of wind power penetration limit Based on DC power flow algorithm. In Proceedings of the 2010 Asia-Pacific Power and Energy Engineering Conference, Chengdu, China, 28–31 March 2010; pp. 1–4. [Google Scholar] [CrossRef]
- Liu, J.; Lu, Y.; Lv, G.; Du, J. Research on access point and capacity optimization of distributed generation in distribution power grid. In Proceedings of the 2021 China International Conference on Electricity Distribution (CICED), Shanghai, China, 7–9 April 2021; pp. 718–721. [Google Scholar] [CrossRef]
- Tamimi, A.A.; Pahwa, A.; Starrett, S.; Williams, N. Maximizing wind penetration using voltage stability based methods for sizing and locating new wind farms in power system. In Proceedings of the IEEE PES General Meeting, Minneapolis, MN, USA, 25–29 July 2010; pp. 1–7. [Google Scholar] [CrossRef]
- Abujubbeh, M.; Fahrioglu, M. Determining maximum allowable pv penetration level in transmission networks: Case analysis-northern cyprus power system. In Proceedings of the 2019 1st Global Power, Energy and Communication Conference (GPECOM), Nevsehir, Turkey, 12–15 June 2019; pp. 292–297. [Google Scholar] [CrossRef]
- Niu, S.; Zhang, Z.; Ke, X.; Zhang, G.; Huo, C.; Qin, B. Impact of renewable energy penetration rate on power system transient voltage stability. Energy Rep. 2022, 8, 487–492. [Google Scholar] [CrossRef]
- Wang, X.; Wang, Y.; Liu, Y. Dynamic load frequency control for high-penetration wind power considering wind turbine fatigue load. Int. J. Electr. Power Energy Syst. 2020, 117, 105696. [Google Scholar] [CrossRef]
- Prakash, V.; Kushwaha, P.; Sharma, K.C.; Bhakar, R. Frequency response support assessment from uncertain wind generation. Int. J. Electr. Power Energy Syst. 2022, 134, 107465. [Google Scholar] [CrossRef]
- Dai, J.; Tang, Y.; Wang, Q. Fast method to estimate Maximum penetration level of wind power considering frequency cumulative effect. IET Gener. Transm. Distrib. 2019, 13, 1726–1733. [Google Scholar] [CrossRef]
- Nguyen, N.; Almasabi, S.; Mitra, J. Estimation of penetration limit of variable resources based on frequency deviation. In Proceedings of the 2015 North American Power Symposium (NAPS), Charlotte, NC, USA, 4–6 October 2015; pp. 1–6. [Google Scholar] [CrossRef]
- Zhang, S.; Yao, L.; Xue, Y.; Dou, D.; Yang, G.; Lv, Y.; Zhang, X. Optimal operation of photothermal power station in regional power grid with high permeability of renewable energy. Sustain. Comput. Inform. Syst. 2020, 27, 100388. [Google Scholar] [CrossRef]
- Shabani, H.R.; Kalantar, M. Real-time transient stability detection in the power system with high penetration of DFIG-based wind farms using transient energy function. Int. J. Electr. Power Energy Syst. 2021, 133, 107319. [Google Scholar] [CrossRef]
- Xiao, H.; Li, Y. Multi-Infeed Voltage Interaction Factor: A Unified Measure of Inter-Inverter Interactions in Hybrid Multi-Infeed HVDC Systems. IEEE Trans. Power Deliv. 2020, 35, 2040–2048. [Google Scholar] [CrossRef]
- Shao, Y.; Tang, Y. Fast Evaluation of Commutation Failure Risk in Multi-Infeed HVDC Systems. IEEE Trans. Power Syst. 2018, 33, 646–653. [Google Scholar] [CrossRef]
- Hatziargyriou, N.; Milanovic, J.; Rahmann, C.; Ajjarapu, V.; Canizares, C.; Erlich, I.; Hill, D.; Hiskens, I.; Kamwa, I.; Pal, B.; et al. Definition and Classification of Power System Stability—Revisited & Extended. IEEE Trans. Power Syst. 2021, 36, 3271–3281. [Google Scholar] [CrossRef]
- Xie, Y.; Ma, S.; Tang, X. Determination method for the grid-connection capability of wind power under frequency stability constraints. Proc. CSU-EPSA 2021, 33, 130–137. (In Chinese) [Google Scholar] [CrossRef]






| Bus | Bus | ||
|---|---|---|---|
| 1 | 0.988 | 23 | 0.857 |
| 2 | 0.865 | 24 | 0.802 |
| 3 | 0.803 | 25 | 0.822 |
| 12 | 0.845 | 26 | 0.735 |
| 15 | 0.791 | 30 | 0.866 |
| 16 | 0.799 | 32 | 0.861 |
| 17 | 0.781 | 33 | 0.926 |
| 18 | 0.786 | 35 | 0.859 |
| 19 | 0.857 | 36 | 0.879 |
| 20 | 0.856 | 37 | 0.94 |
| 21 | 0.823 | 36 | 0.879 |
| 22 | 0.857 | 39 | 1.025 |
Publisher’s Note: MDPI stays neutral with regard to jurisdictional claims in published maps and institutional affiliations. |
© 2022 by the authors. Licensee MDPI, Basel, Switzerland. This article is an open access article distributed under the terms and conditions of the Creative Commons Attribution (CC BY) license (https://creativecommons.org/licenses/by/4.0/).
Share and Cite
Li, C.; Zhang, D.; Liu, Z.; Xiong, Y.; Yu, T.; Gao, Z.; Miao, S. An Evaluation Method of Renewable Energy Resources’ Penetration Capacity of an AC-DC Hybrid Grid. Energies 2022, 15, 2550. https://doi.org/10.3390/en15072550
Li C, Zhang D, Liu Z, Xiong Y, Yu T, Gao Z, Miao S. An Evaluation Method of Renewable Energy Resources’ Penetration Capacity of an AC-DC Hybrid Grid. Energies. 2022; 15(7):2550. https://doi.org/10.3390/en15072550
Chicago/Turabian StyleLi, Chenghao, Di Zhang, Zhiwei Liu, Yulong Xiong, Tianhang Yu, Ze Gao, and Shihong Miao. 2022. "An Evaluation Method of Renewable Energy Resources’ Penetration Capacity of an AC-DC Hybrid Grid" Energies 15, no. 7: 2550. https://doi.org/10.3390/en15072550
APA StyleLi, C., Zhang, D., Liu, Z., Xiong, Y., Yu, T., Gao, Z., & Miao, S. (2022). An Evaluation Method of Renewable Energy Resources’ Penetration Capacity of an AC-DC Hybrid Grid. Energies, 15(7), 2550. https://doi.org/10.3390/en15072550
