Synthesis of the Current Controller of the Vector Control System for Asynchronous Traction Drive of Electric Locomotives
Abstract
:1. Introduction
- −
- The structural scheme was obtained in the transfer functions of the control channel for the current of the vector control systems for the traction drives in the AC electric locomotives;
- −
- The synthesis of design and parameters of optimal current controller was obtained by using the Wiener–Hopf equation for the vector control system for the traction drive in the electric locomotive with asynchronous motors;
- −
- Modeling of the synthesized current controller performance under the condition of deterministic character of the control signal and stochastic ‘white-noise’-type interference;
- −
- Comparison of the resulting transient characteristic of the synthesized controller with the transfer characteristic of the PI controller that is used in vector control systems for the traction drive in the AC electric locomotives.
2. Materials and Methods
3. Calculations of the Optimal Current Controller Parameters by Using the Wiener–Hopf Equation
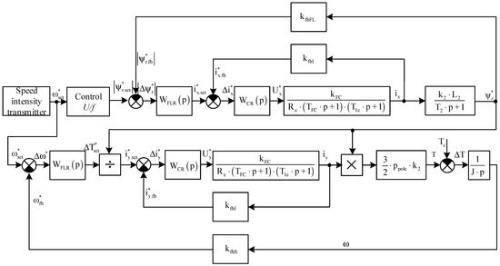
3.1. Definition of the Current Control Channels in the Transfer Functions of the Vector Control System
- In this paper, research on system operation of asynchronous motor asymmetric modes and on asynchronous motor asymmetric power supply system will not be conducted. Therefore, the induction motor model is chosen in x–y coordinates in order to avoid coordinate conversion;
- The investigation will be carried out in steady-state mode of operation at motor shaft rotation frequency . For this mode, the stator currents are fixed: and , respectively.
- kfbI, kfbFL, and kfbS—feedback coefficients for the current, flux linkage, and speed, respectively;
- T1e, T2, and TFC—time constants for the stator circuit, rotor circuit, and the frequency converter, respectively;
- WCR(p), WFL(p), and WSR(p)—transfer functions of the current controller, flux linkage
- controller, and speed, respectively;
- k2—coefficient of the electromagnetic link of the rotor;
- kFC—coefficient of the transfer function of the frequency converter;
- R1e—equivalent active resistance of the stator circuit.
- −
- −
- In the scheme (Figure 4), the interferences acting on the current sensors in the stator circuit was depicted as signal f;
- −
- The signal having the specified stator current value (I1set) was designated as x, and the output signal of stator current (I1) was designated as y.
3.2. Determination of the Parameters of the Signal and the Interferences That Act at the Controller Input
- −
- Time dependences of the phase currents of the stator had to be obtained for the model;
- −
- The resulting dependences had to be transformed for the system of coordinates x–y;
- −
- The signal parameters had to be calculated.
3.3. Determination of the Structure and Parameters of the Optimal Current Regulator
3.4. Simulation Results
4. Discussion
- Objective difficulties in obtaining the experimental data on the dependence of the stator current of the traction motor in the case of the stochastic character of the change of the phase voltage;
- Performance of the existing models of the asynchronous motor under the stochastic character of change of the phase voltage was not analyzed. The results of the simulation of performance of the asynchronous traction drive with the vector control system may be flawed.
- −
- The steady-state value of the output signal of the both systems was equal to 450 A. This value corresponded to the value of the nominal phase current of the asynchronous traction motor;
- −
- The speed of response of the system with the optimal controller was higher than that of the basic system. Time of the transient process (Table 3) of the system with optimal controller tst1 = 0.0138 s, of the basic system—tst1 = 0.166 s;
- −
- Transient function of the system with the optimal controller was free from oscillations. The basic system had oscillations. Value of overshooting of the basic system was 14.3%.
- The current control channel models of the control circuits were based on the assumption that the control signal at the input of the current controllers is a deterministic signal;
- The character of load variation was not taken into account (it can have a stochastic nature);
- The investigations were carried out for the mode of operation, when the value of the shaft rotation speed is equal to the value of the given rotation speed;
- The optimal current controller will work correctly for the set operating mode of the traction drive system. This fact is related to the condition that the parameters of the optimal current regulator depend on the values of stator current and noise variance. During transients, these parameters change.
- Investigation of the influence of the stochastic nature of voltage changes in the contact network on the supply voltage of the autonomous voltage inverter;
- Investigation of the influence of thermal noise of the autonomous voltage inverter on the operation of the vector control system;
- Investigation of the thermal noise of traction motor windings on the operation of the vector control system;
- Investigation of the stochastic nature of the traction drive load on the operation of the vector control system;
- Development of a current regulator, whose parameters are adapted to the operating conditions of the locomotive.
5. Conclusions
- The structural scheme was obtained in the transfer functions of the current control channel of the vector control systems for the asynchronous traction drives in the AC electric locomotives. Spectral densities of the reference signal and of the interference at the current controller input were calculated.
- The design synthesis was performed, and parameters of optimal current controller parameters were obtained by using the Wiener–Hopf equation for the vector control system for the traction drive in the electric locomotive with the asynchronous motor.
- Simulation of the current control channel of the basic vector control system and of the system with the optimal controller was performed.
- The transient characteristics of the current control channels of the basic control system and the optimal controller were obtained under the condition of absence of interferences at the controller input. Comparison of the time of the transient processes showed that:
- −
- The speed of response of the system with the optimal controller was higher by 1.3 s compared to the basic control system;
- −
- Transient characteristic of the system with the optimal controller was free from oscillations. The oscillations were present in the transient characteristic of the basic system. The overshoot of the basic system was equal to 14.3%.
- −
- The steady-state value of the transient function of the both systems was 450 A, which corresponded to the nominal value of the phase current of the stator of the traction motor.
6. Patents
Author Contributions
Funding
Institutional Review Board Statement
Informed Consent Statement
Data Availability Statement
Conflicts of Interest
References
- Kostin, M.; Mishchenko, T.; Hoholyuk, O. Fryze Reactive Power in Electric Transport Systems with Stochastic Voltages and Currents. In Proceedings of the 2020 IEEE 21st International Conference on Computational Problems of Electrical Engineering (CPEE), Online, 16–19 September 2020; pp. 1–4. [Google Scholar] [CrossRef]
- Feng, D.; Yang, C.; Cui, Z.; Li, N.; Sun, X.; Lin, S. Research on Optimal Nonperiodic Inspection Strategy for Traction Power Supply Equipment of Urban Rail Transit Considering the Influence of Traction Impact Load. IEEE Trans. Transp. Electrif. 2020, 6, 1312–1325. [Google Scholar] [CrossRef]
- Goolak, S.; Tkachenko, V.; Bureika, G.; Vaičiūnas, G. Method of Spectral Analysis of Traction Current of AC Electric Locomotives. Transport 2021, 35, 658–668. [Google Scholar] [CrossRef]
- Kostin, M.; Nikitenko, A.; Mishchenko, T.; Shumikhina, L. Electrodynamics of Reactive Power in the Space of Inter-Substation Zones of AC Electrified Railway Line. Energies 2021, 14, 3510. [Google Scholar] [CrossRef]
- Morris, J.; Robinson, M.; Palacin, R. Use of Dynamic Analysis to Investigate the Behaviour of Short Neutral Sections in the Overhead Line Electrification. Infrastructures 2021, 6, 62. [Google Scholar] [CrossRef]
- Mariscotti, A. Critical Review of EMC Standards for the Measurement of Radiated Electromagnetic Emissions from Transit Line and Rolling Stock. Energies 2021, 14, 759. [Google Scholar] [CrossRef]
- Song, Y.; Wang, H.; Liu, Z. An Investigation on the Current Collection Quality of Railway Pantograph-Catenary Systems with Contact Wire Wear Degradations. IEEE Trans. Instrum. Meas. 2021, 70, 1–11. [Google Scholar] [CrossRef]
- Mariscotti, A. Data sets of measured pantograph voltage and current of European AC railways. Data Brief 2020, 30, 105477. [Google Scholar] [CrossRef]
- Song, Y.; Antunes, P.; Pombo, J.; Liu, Z. A methodology to study high-speed pantograph-catenary interaction with realistic contact wire irregularities. Mech. Mach. Theory 2020, 152, 103940. [Google Scholar] [CrossRef]
- Mikhailov, E.; Sapronova, S.; Tkachenko, V.; Semenov, S.; Smyrnova, I.; Kholostenko, Y. Improved solution of guiding of railway vehicle in curves. In Proceedings of the 23th International Scientific Conference “Transport Means”, Palanga, Lithuania, 2–4 October 2019; pp. 916–921. Available online: https://transportmeans.ktu.edu/wp-content/uploads/sites/307/2018/02/Transport-means-2019-Part-2.pdf (accessed on 20 December 2021).
- Grebennikov, N.; Kharchenko, P. Development of a Computer Model of a Passenger Train Using Data from Devices for Train Operation Parameters Registration. In Proceedings of the 2021 International Conference on Industrial Engineering, Applications and Manufacturing (ICIEAM), Sochi, Russia, 17–21 May 2021; pp. 908–913. [Google Scholar] [CrossRef]
- Babyak, M.; Keršys, R.; Neduzha, L. Improving the Dependability Evaluation Technique of a Transport Vehicle. In Proceedings of the 24th International Scientific Conference “Transport Means”, Palanga, Lithuania, 30 September–2 October 2020; pp. 646–651. Available online: http://eadnurt.diit.edu.ua/jspui/handle/123456789/12287 (accessed on 20 December 2021).
- Zhou, Z.; Chen, Z.; Spiryagin, M.; Wolfs, P.; Wu, Q.; Zhai, W.; Cole, C. Dynamic performance of locomotive electric drive system under excitation from gear transmission and wheel-rail interaction. Veh. Syst. Dyn. 2021, 1–23. Available online: https://www.tandfonline.com/doi/full/10.1080/00423114.2021.1876887 (accessed on 20 December 2021). [CrossRef]
- Goolak, S.; Sapronova, S.; Tkachenko, V.; Riabov, I.; Batrak, Y. Improvement of the model of power losses in the pulsed current traction motor in an electric locomotive. East. Eur. J. Enterp. Technol. 2020, 6, 38–46. [Google Scholar] [CrossRef]
- Rouamel, M.; Gherbi, S.; Bourahala, F. Robust stability and stabilization of networked control systems with stochastic time-varying network-induced delays. Trans. Inst. Meas. Control 2020, 42, 1782–1796. [Google Scholar] [CrossRef]
- Wang, B.; Zhu, Q. Stability Analysis of Discrete-Time Semi-Markov Jump Linear Systems. IEEE Trans. Autom. Control 2020, 65, 5415–5421. [Google Scholar] [CrossRef]
- Jiao, T.; Zong, G.; Pang, G.; Zhang, H.; Jiang, J. Admissibility analysis of stochastic singular systems with Poisson switching. Appl. Math. Comput. 2020, 386, 125508. [Google Scholar] [CrossRef]
- Ronanki, D.; Singh, S.A.; Williamson, S.S. Comprehensive Topological Overview of Rolling Stock Architectures and Recent Trends in Electric Railway Traction Systems. IEEE Trans. Transp. Electrif. 2017, 3, 724–738. [Google Scholar] [CrossRef]
- Pugachev, A. Efficiency increasing of induction motor scalar control systems. In Proceedings of the 2017 International Conference on Industrial Engineering, Applications and Manufacturing (ICIEAM), St. Petersburg, Russia, 16–19 May 2017; pp. 1–5. [Google Scholar] [CrossRef]
- Costa, C.A.; Nied, A.; Nogueira, F.G.; Turqueti, M.D.A.; Rossa, A.J.; Dezuo, T.J.M.; Barra, W. Robust Linear Parameter Varying Scalar Control Applied in High Performance Induction Motor Drives. IEEE Trans. Ind. Electron. 2020, 68, 10558–10568. [Google Scholar] [CrossRef]
- Novak, H.; Lesic, V.; Vasak, M. Energy-Efficient Model Predictive Train Traction Control with Incorporated Traction System Efficiency. IEEE Trans. Intell. Transp. Syst. 2021, 1–12. Available online: https://ieeexplore.ieee.org/document/9325928 (accessed on 22 December 2021). [CrossRef]
- Jumaev, O.A.; Sayfulin, R.R.; Samadov, A.R.; Arziyev, E.I.; Jumaboyev, E.O. Digital control systems for asynchronous electrical drives with vector control principle. IOP Conf. Ser. Mater. Sci. Eng. 2020, 862, 032054. [Google Scholar] [CrossRef]
- Botirov, T.V.; Latipov, S.B.; Buranov, B.M. About one synthesis method for adaptive control systems with reference models. J. Phys. Conf. Ser. 2020, 1515, 022078. [Google Scholar] [CrossRef]
- Lee, J.-K.; Kim, J.-W.; Park, B.-G. Fast Anti-Slip Traction Control for Electric Vehicles Based on Direct Torque Control with Load Torque Observer of Traction Motor. In Proceedings of the 2021 IEEE Transportation Electrification Conference & Expo (ITEC), Chicago, IL, USA, 21–25 June 2021; pp. 321–326. [Google Scholar] [CrossRef]
- Aissa, B.; Hamza, T.; Yacine, G.; Mohamed, N. Impact of sensorless neural direct torque control in a fuel cell traction system. Int. J. Electr. Comput. Eng. (IJECE) 2021, 11, 2725–2732. [Google Scholar] [CrossRef]
- Karlovsky, P.; Lettl, J. Induction Motor Drive Direct Torque Control and Predictive Torque Control Comparison Based on Switching Pattern Analysis. Energies 2018, 11, 1793. [Google Scholar] [CrossRef] [Green Version]
- Kumar, Y.S.; Poddar, G. Medium-Voltage Vector Control Induction Motor Drive at Zero Frequency Using Modular Multilevel Converter. IEEE Trans. Ind. Electron. 2017, 65, 125–132. [Google Scholar] [CrossRef]
- Hassan, M.M.; Shaikh, M.S.; Jadoon, H.U.K.; Atif, M.R.; Sardar, M.U. Dynamic Modeling and Vector Control of AC Induction Traction Motor in China Railway. Sukkur IBA J. Emerg. Technol. 2020, 3, 115–125. [Google Scholar] [CrossRef]
- Wang, H.; Liu, Y.; Ge, X. Sliding-mode observer-based speed-sensorless vector control of linear induction motor with a parallel secondary resistance online identification. IET Electr. Power Appl. 2018, 12, 1215–1224. [Google Scholar] [CrossRef]
- Ćwil, M.; Bartnik, W.; Jarzębowski, S. Railway Vehicle Energy Efficiency as a Key Factor in Creating Sustainable Transportation Systems. Energies 2021, 14, 5211. [Google Scholar] [CrossRef]
- Nurali, P.; Mirzaev, U. Ways to Improve the Energy Efficiency of an Electric Drive with Asynchronous Mo-tors. Int. J. Eng. Inf. Syst. (IJEAIS) 2021, 5, 230–233. [Google Scholar]
- Pleshivtseva, Y.E.; Rapoport, E.Y. Parametric Optimization of Systems with Distributed Parameters in Problems with Mixed Constraints on the Final States of the Object of Control. J. Comput. Syst. Sci. Int. 2018, 57, 723–737. [Google Scholar] [CrossRef]
- Pleshivtseva, Y.E.; Rapoport, E.Y. Optimal Energy-Efficient Programmed Control of Distributed Parameter Systems. J. Comput. Syst. Sci. Int. 2020, 59, 518–532. [Google Scholar] [CrossRef]
- Rapoport, E.Y. Method for Parametric Optimization in Problems of the Multichannel Control of Systems with Distributed Parameters. J. Comput. Syst. Sci. Int. 2019, 58, 545–559. [Google Scholar] [CrossRef]
- Razghonov, S.; Kuznetsov, V.; Zvonarova, O.; Chernikov, D. Track circuits adjusting calculation method under current influence traction interference and electromagnetic compatibility. IOP Conf. Ser. Mater. Sci. Eng. 2020, 985, 012017. [Google Scholar] [CrossRef]
- Çelik, E. Incorporation of stochastic fractal search algorithm into efficient design of PID controller for an automatic voltage regulator system. Neural Comput. Appl. 2018, 30, 1991–2002. [Google Scholar] [CrossRef]
- Weerakkody, S.; Liu, X.; Sinopoli, B. Robust structural analysis and design of distributed control systems to prevent zero dynamics attacks. In Proceedings of the 2017 IEEE 56th Annual Conference on Decision and Control (CDC), Melbourne, Australia, 12–15 December 2017; pp. 1356–1361. [Google Scholar] [CrossRef]
- Kiumarsi, B.; Vamvoudakis, K.G.; Modares, H.; Lewis, F.L. Optimal and Autonomous Control Using Reinforcement Learning: A Survey. IEEE Trans. Neural Netw. Learn. Syst. 2018, 29, 2042–2062. [Google Scholar] [CrossRef] [PubMed]
- Luo, B.; Yang, Y.; Liu, D.; Wu, H.-N. Event-Triggered Optimal Control with Performance Guarantees Using Adaptive Dynamic Programming. IEEE Trans. Neural Netw. Learn. Syst. 2020, 31, 76–88. [Google Scholar] [CrossRef]
- Possieri, C.; Sassano, M. Deterministic Optimality of the Steady-State Behavior of the Kalman–Bucy Filter. IEEE Control Syst. Lett. 2019, 3, 793–798. [Google Scholar] [CrossRef]
- Feliu-Batlle, V.; Feliu-Talegón, D.; San-Millan, A.; Rivas-Pérez, R. Wiener-Hopf optimal control of a hydraulic canal prototype with fractional order dynamics. ISA Trans. 2018, 82, 130–144. [Google Scholar] [CrossRef]
- Zhao, G.; Qian, X.; Yoon, B.-J.; Alexander, F.J.; Dougherty, E.R. Model-Based Robust Filtering and Experimental Design for Stochastic Differential Equation Systems. IEEE Trans. Signal Process. 2020, 68, 3849–3859. [Google Scholar] [CrossRef]
- Goolak, S.; Liubarskyi, B.; Sapronova, S.; Tkachenko, V.; Riabov, I.; Glebova, M. Improving a model of the induction traction motor operation involving non-symmetric stator windings. East. Eur. J. Enterp. Technol. 2021, 4, 45–58. [Google Scholar] [CrossRef]
- Goolak, S.; Tkachenko, V.; Šťastniak, P.; Sapronova, S.; Liubarskyi, B. Analysis of Control Methods for the Traction Drive of an Alternating Current Electric Locomotive. Symmetry 2022, 14, 150. [Google Scholar] [CrossRef]
- Yousefi-Talouki, A.; Pescetto, P.; Pellegrino, G.-M.L.; Boldea, I. Combined Active Flux and High-Frequency Injection Methods for Sensorless Direct-Flux Vector Control of Synchronous Reluctance Machines. IEEE Trans. Power Electron. 2018, 33, 2447–2457. [Google Scholar] [CrossRef]
- Al-Gabalawy, M.; Hosny, N.S.; Dawson, J.A.; Omar, A.I. State of charge estimation of a Li-ion battery based on extended Kalman filtering and sensor bias. Int. J. Energy Res. 2021, 45, 6708–6726. [Google Scholar] [CrossRef]
- Goolak, S.; Liubarskyi, B.; Sapronova, S.; Tkachenko, V.; Riabov, I. Refined Model of Asynchronous Traction Electric Motor of Electric Locomotive. In Proceedings of the 25th International Scientific Conference “Transport Means”, Online, 6–8 October 2021; pp. 455–460. [Google Scholar]
- Valluri, S.R.; Dergachev, V.; Zhang, X.; Chishtie, F.A. Fourier transform of the continuous gravitational wave signal. Phys. Rev. D 2021, 104, 024065. [Google Scholar] [CrossRef]
- Han, X.; Xue, L.; Shao, F.; Xu, Y. A Power Spectrum Maps Estimation Algorithm Based on Generative Adversarial Networks for Underlay Cognitive Radio Networks. Sensors 2020, 20, 311. [Google Scholar] [CrossRef] [PubMed] [Green Version]







| Parameter | Value |
|---|---|
| Power P, kW | 1200 |
| Phase-to-phase RMS voltage Unom, V | 1870 |
| RMS value Inom, A | 450 |
| Rated frequency of the supply voltage f, Hz | 55.8 |
| Number of phases n, pcs. | 3 |
| Number of pole pairs pp | 3 |
| Nominal rotational speed nr, rpm | 1110 |
| Efficiency η, % | 95.5 |
| Power factor cosφ, per unit | 0.88 |
| Active resistance of the stator winding rs, Ω | 0.0226 |
| Active resistance of the rotor winding reduced to the stator winding r′r, Ohm | 0.0261 |
| Stator winding leakage inductance Lσs, Hn | 0.00065 |
| Rotor winding leakage inductance reduced to the stator winding, L′σr, Hn | 0.00045 |
| Total inductance of the magnetizing circuit Lμ, Hn | 0.0194336 |
| Moment of inertia of the motor J, kg·m2 | 73 |
| Parameter | Designation | Value |
|---|---|---|
| Current loop tuning coefficient X, r.u. | aIx | 2 |
| Current loop tuning coefficient Y, r.u. | aIy | 2 |
| Proportional coefficient of current controller X, r.u. | KpIx | 0.155 |
| Integral coefficient of current controller X, r.u. | KiIx | 0.00922 |
| Proportional coefficient of current controller Y, r.u. | KpIy | 0.155 |
| Integral coefficient of current controller Y, r.u. | KiIy | 0.00922 |
| Parameter | Designation | Unit of Measurement | Value | |
|---|---|---|---|---|
| Basic System | System with Optimal Controller | |||
| Time of transient process | tst | s | 0.166 | 0.0138 |
| Steady-state values | Isa.st | A | 450 | 450 |
| Maximum value | Isa.max | A | 514.4 | 450 |
| Overshooting | σ | % | 14.3 | 0 |
| Control accuracy | ε | % | 1.3151 | 0.0134 |
Publisher’s Note: MDPI stays neutral with regard to jurisdictional claims in published maps and institutional affiliations. |
© 2022 by the authors. Licensee MDPI, Basel, Switzerland. This article is an open access article distributed under the terms and conditions of the Creative Commons Attribution (CC BY) license (https://creativecommons.org/licenses/by/4.0/).
Share and Cite
Goolak, S.; Tkachenko, V.; Sapronova, S.; Lukoševičius, V.; Keršys, R.; Makaras, R.; Keršys, A.; Liubarskyi, B. Synthesis of the Current Controller of the Vector Control System for Asynchronous Traction Drive of Electric Locomotives. Energies 2022, 15, 2374. https://doi.org/10.3390/en15072374
Goolak S, Tkachenko V, Sapronova S, Lukoševičius V, Keršys R, Makaras R, Keršys A, Liubarskyi B. Synthesis of the Current Controller of the Vector Control System for Asynchronous Traction Drive of Electric Locomotives. Energies. 2022; 15(7):2374. https://doi.org/10.3390/en15072374
Chicago/Turabian StyleGoolak, Sergey, Viktor Tkachenko, Svitlana Sapronova, Vaidas Lukoševičius, Robertas Keršys, Rolandas Makaras, Artūras Keršys, and Borys Liubarskyi. 2022. "Synthesis of the Current Controller of the Vector Control System for Asynchronous Traction Drive of Electric Locomotives" Energies 15, no. 7: 2374. https://doi.org/10.3390/en15072374
APA StyleGoolak, S., Tkachenko, V., Sapronova, S., Lukoševičius, V., Keršys, R., Makaras, R., Keršys, A., & Liubarskyi, B. (2022). Synthesis of the Current Controller of the Vector Control System for Asynchronous Traction Drive of Electric Locomotives. Energies, 15(7), 2374. https://doi.org/10.3390/en15072374

