Power Flow Optimization and Economic Analysis Based on High Voltage Phase Shifting Transformer
Abstract
1. Background
2. Theoretical Research and Selection of PST
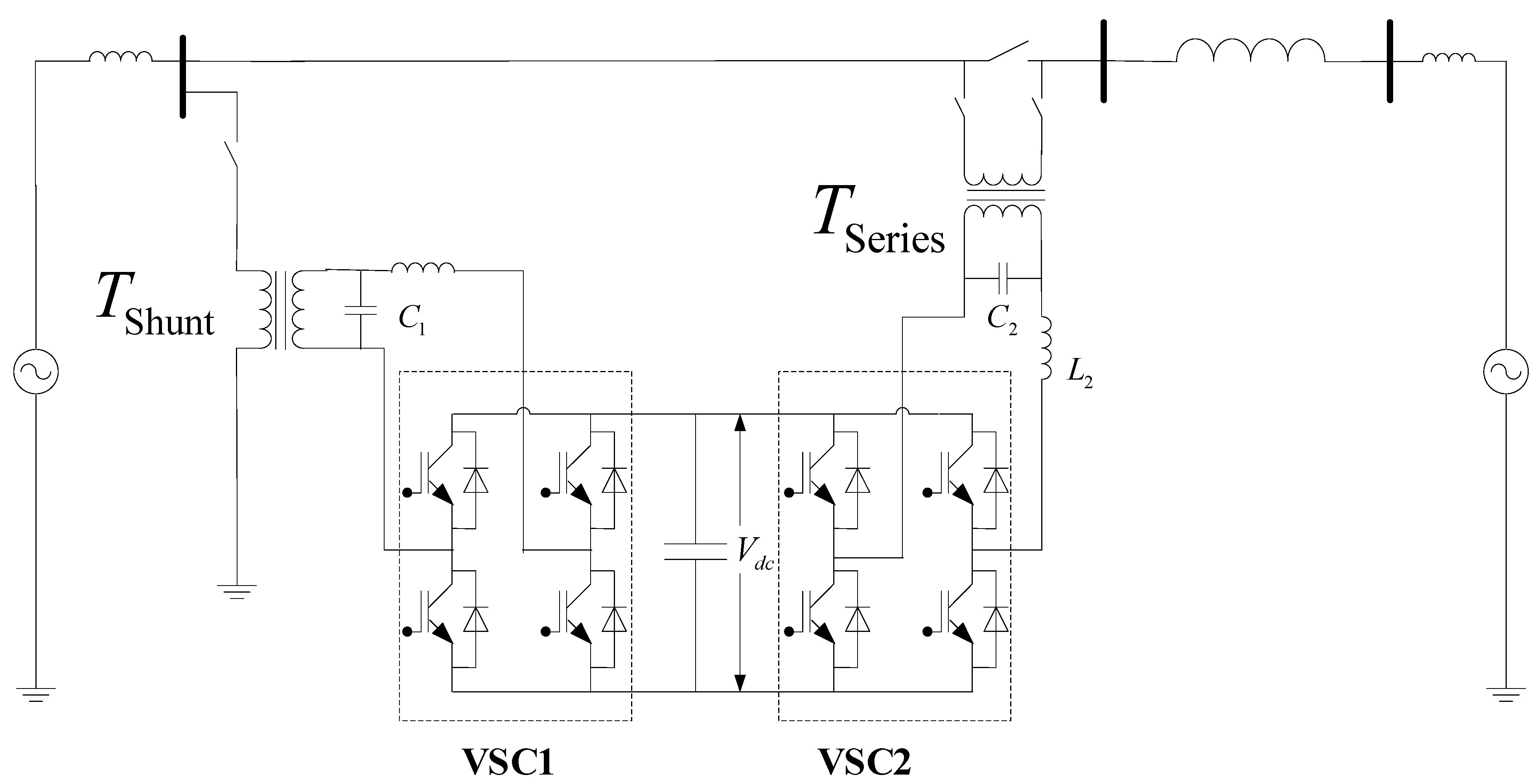
2.1. Working Principle of PST
2.2. Topology Selection of PST
2.2.1. Selection of Transformer Structure
2.2.2. Electrical Characteristic Selection
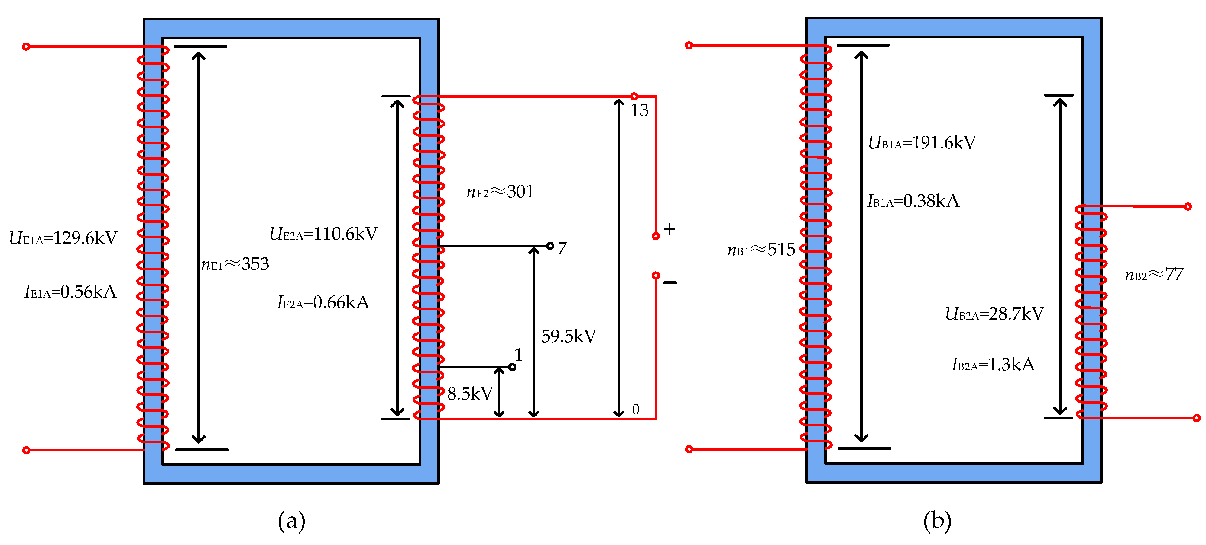
2.3. Equivalent Model of Double Core Symmetric PST
2.3.1. Double Core Symmetric PST Topology
2.3.2. Load Equivalent Model
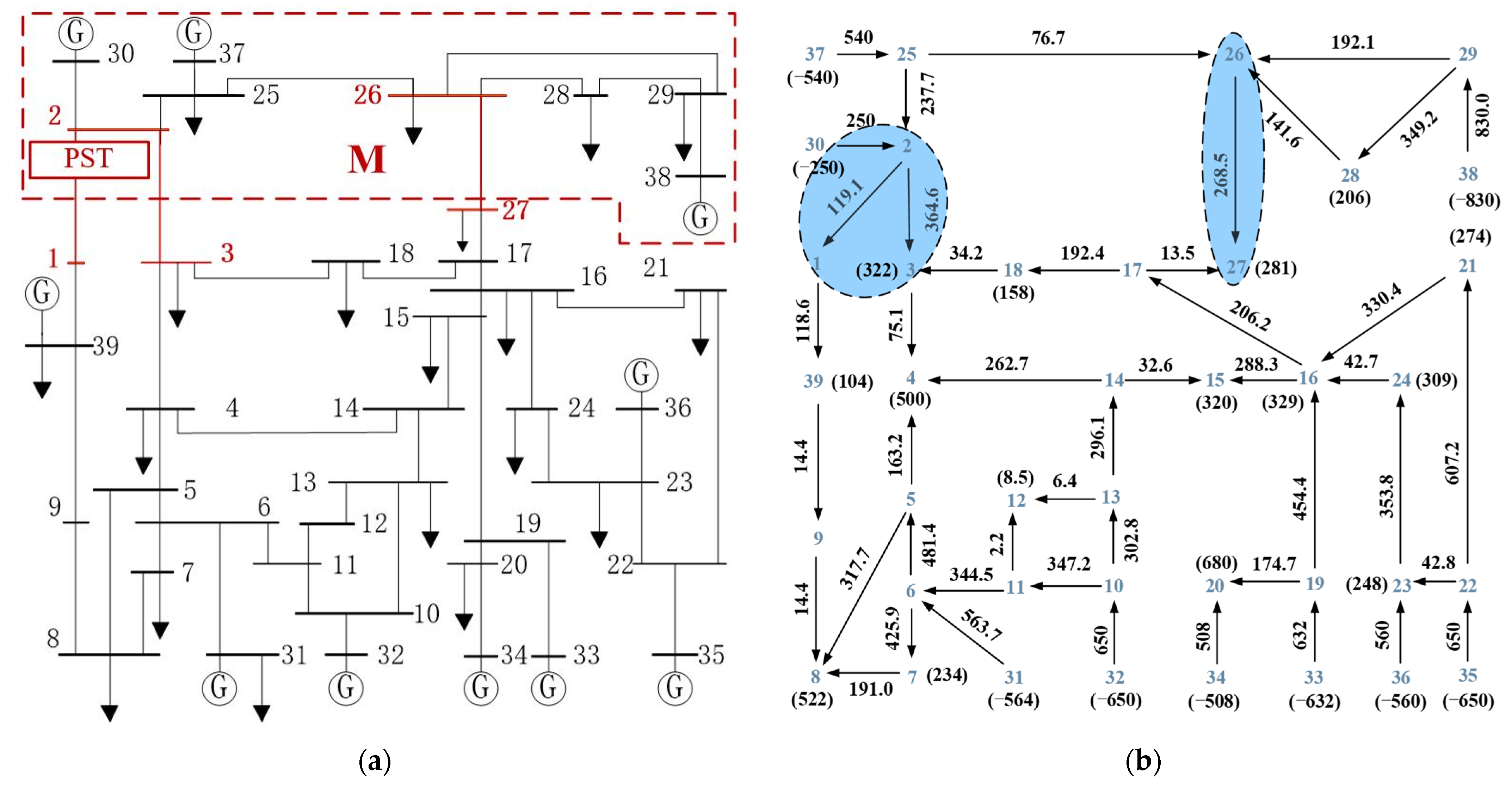
3. Multi-Node Network Power Flow Optimization Simulation
4. Loop Network Power Flow Optimization Simulation
4.1. Design of 220 kV Phase Shifting Transformer Parameters
4.1.1. Loop Power Flow
4.1.2. Parameters Design and Verification
4.2. 220 kV Loop Network Power Flow Optimization Simulation
4.2.1. Steady Power Flow
4.2.2. N-1 Power Flow
4.3. Simulation Analysis under Short Circuit Fault
5. Economic Analysis of Engineering Application
5.1. Cost of PST Analysis
5.2. Comparative Analysis of UPFC and PST Costs
6. Experimental Verification
- (1)
- When the PST is switched to +4 gear, the maximum leading phase shift angle is output, and the angle is −25.5°. When the PST is switched to −4, the maximum lag phase shift angle is output, and the angle is 26.17°. The error between the measured value and the theoretical value of each gear is small, and the reason for the error is the leakage reactance of transformer winding.
- (2)
- With the change of phase shift angle, the adjustment range of line transmission power is −224.12 W~240.17 W. When the on-load voltage regulating switch of the PST is turned to different gears, the active power of the line can be adjusted without changing the voltage amplitude before and after the phase shift, and thus, we can realize the independent control of the active power of the line.
7. Conclusions
- (1)
- Comparing the characteristics of various types of PST, a high voltage of 220 kV and above was more suitable for the selection of double core symmetrical PST. The influence of winding leakage reactance and saturation effect should be considered in the design of PST parameters; the iron core area and winding turns should be reasonably selected, and a certain phase shifting angle margin should be reserved.
- (2)
- For the actual 220 kV ring network of the Guangdong Power Grid, when PST was installed in the Huizhou–Sandong line and Huizhou–Yongyuan line, the transmission limit of the two lines sections could be increased to 1645 MW under normal working conditions, and the load rate of the four transmission channels was close to 100%. The transmission limit of both lines and planes could be increased to 1219 MW under N−1 condition. However, the phase shift angle required to adjust the power flow was smaller (θ = 8°), and the cost was lower when it was installed on the Huizhou–Third line. Therefore, the installation site chosen was the Huizhou–Sandong line.
- (3)
- As FACTS elements, UPFC had faster response speed and stronger power flow regulation ability than PST and could provide reactive power compensation for the system, with certain low−voltage ride through capability. However, PST had simple structure and better economy and reliability. In the 220 kV ring network scheme, the total cost of a single PST was reduced by about 49.86%. On the premise of ensuring the effect of power flow regulation, the investment cost was significantly reduced, and the economic benefit was remarkable.
- (4)
- Through the prototype experiment, the regulation ability of dual core symmetrical PST to line power flow was verified, and the controllable regulation of line power flow was realized on the premise of constant voltage amplitude. However, due to the influence of measurement error and background harmonic, there were some errors in the experimental results. This paper did not consider the switching process and transient regulation performance of PST, so it was only suitable for steady−state power flow analysis. If the transient performance needed to be analyzed, it would be necessary to do further research in combination with power electronic devices.
Author Contributions
Funding
Institutional Review Board Statement
Informed Consent Statement
Data Availability Statement
Conflicts of Interest
References
- Song, T.; Yi, L.; Rui, Z. Study on optimal allocation of waste mine pumping and storage power station based on high proportion of renewable energy. Power Eng. Eng. Technol. 2020, 39, 87–95. [Google Scholar]
- Belivanis, M.; Bell, K.R.W. Coordination of phase shifting transformers to improve transmission network utilization. In Proceedings of the 2010 IEEE PES Innovative Smart Grid Technologies Conference Europe (ISGT Europe), Gothenburg, Sweden, 11–13 October 2010; pp. 1–6. [Google Scholar]
- Jinxing, W.; Qing, L. Transmission control technology of large power grid new energy system with UPFC. Electr. Meas. Instrum. 2018, 55, 51–57. [Google Scholar]
- Rong, R.; Zirong, Z.; Zhinong, W. Multi−stage and Multi−Objective Reactive Power Optimization Algorithm of power system considering UPFC. Power Eng. Technol. 2020, 39, 76–85. [Google Scholar]
- Hussain, S.; Yang, X.; Aslam, M.K.; Shaheen, A.; Javed, M.S.; Aslam, N.; Aslam, B.; Liu, G.; Qiao, G. Robust TiN nanoparticles polysulfide anchor for Li–S storage and diffusion pathways using first principle calculations. Chem. Eng. J. 2020, 391, 123595. [Google Scholar] [CrossRef]
- Wang, L.; Wang, Z.; Li, H. Asymmetrical Duty Cycle Control and Decoupled Power Flow Design of a Three−port Bidirectional DC−DC Converter for Fuel Cell Vehicle Application. IEEE Trans. Power Electron. 2019, 27, 891–904. [Google Scholar] [CrossRef]
- Munisamy, V.; Sundarajan, R.S. Hybrid technique for load frequency control of renewable energy sources with unified power flow controller and energy storage integration. Int. J. Energy Res. 2021, 45, 17834–17857. [Google Scholar] [CrossRef]
- Zhou, L.; Swain, A.; Ukil, A. Reinforcement learning controllers for enhancement of low voltage ride through capability in hybrid power systems. IEEE Trans. Ind. Inform. 2019, 16, 5023–5031. [Google Scholar] [CrossRef]
- Walter, S. Phase Shifting Transformers Discussion of Specific Characteristics; CIGRE: Paris, France, 1998; pp. 12–306. [Google Scholar]
- Wang, Q.; Zhu, X.; Chen, Y.F. A Novel Zinc Oxide Sensor: Application for Transformer Fault Diagnosis. J. Nanoelectron. Optoelectron. 2018, 13, 1789–1792. [Google Scholar] [CrossRef]
- Qiu, H.; Jiang, C.; Li, G.; Hao, D.; Yu, X.; Sun, Y. Design of the Voltage Transformer Based on Nanocrystalline Alloys and Its Application in Intelligent Detection of Secondary Polarity. J. Nanoelectron. Optoelectron. 2021, 16, 1501–1509. [Google Scholar] [CrossRef]
- Zhiwei, C.; Zhiwei, L.; Wenping, L. Brief discussion on design of large power phase shifting transformer. Transformer 2014, 51, 1–4. (In Chinese) [Google Scholar]
- Siddiqui, A.S.; Khan, S.; Ahsan, S.; Khan, M.I.; Annamalai. Application of phase shifting transformer in Indian Network. In Proceedings of the International Conference on Green Technologies, Trivandrum, India, 18–20 December 2012; pp. 186–191. [Google Scholar]
- Zenghui, Y.; Yong, C.; Dechang, W. Classification phase shifting transformer control strategy research. East China Electr. Power 2013, 41, 2233–2236. [Google Scholar]
- Hou, C.H.; Dai, C.B.; Sun, Y. Status quo and feature of thyristor controlled phase shifting transformer. Smart Grid 2014, 2, 18–20. (In Chinese) [Google Scholar]
- Enrico, M.C.; Gabriele, M.; Dietrich, B. Power Flow Control on the Italian Network by Means of Phase Shifting Transformers; A2–206; CIGRE: Paris, France, 2006. [Google Scholar]
- Khan, U. Modeling and Protection of Phase Shifting Transformers; University of Western Ontario: Ontario, ON, Canada, 2013. [Google Scholar]
- Li, D.; Ding, J.; Wang, Z.F.; Dai, C.C.; Song, Y.T.; Shen, X.H. The research situation and engineering application of phase shifting transformer. Smart Grid 2015, 7, 9. [Google Scholar]
- Liexin, W.U.; Mengze, Y.U.; Zuohong, L.I. Electromagnetic unified power flow controller and its application in loop power flow regulation. High Volt. Technol. 2018, 44, 3241–3249. [Google Scholar]
- Qun, L.; Ningyu, Z.; Shan, G. RTDS modeling and application scenario analysis of power grid phase shifting transformer. Power Eng. Technol. 2021, 40, 53–58. [Google Scholar]
- Heng, C. Steady State Analysis of Power System; China Electric Power Press: Beijing, China, 2007; pp. 104–110. [Google Scholar]
- Verboomen, J.; Van Hertem, D.; Schavemaker, P.H.; Kling, W.L.; Belmans, R. Phase shifting transformers: Principles and applications. In Proceedings of the International Conference on Future Power Systems, Amsterdam, The Netherlands, 6 March 2006; pp. 1–6. [Google Scholar]
- Yu, J.L.; Zhuo, L.; Zhang, K.; Feng, J. Treatment of longitudinal and transversal regulations in power flow calculation. Autom. Electr. Power Syst. 1992, 5, 31–33. (In Chinese) [Google Scholar]
- Liguo, Z. Research on Key Technologies of 220kV Phase Shift Transformer; Shandong University: Shandong, China, 2016. [Google Scholar]
- Jiying, Z. Electric Field Calculation and Analysis of High Voltage and Large Capacity Single Core Phase Shifting Transformer; North China Electric Power University: Beijing, China, 2015. [Google Scholar]
- Yong, C.; Yinghui, Y.; Zenghui, Y. Ultra−high voltage grid and controllable phase shifting transformer demonstration engineering project evaluation. East China Electr. Power 2013, 41, 2237–2240. [Google Scholar]
- Jie, M.; Chunding, G.; Yinghui, Y. Application of phase shifting transformer technology to EHV power grid. East China Electr. Power 2013, 41, 2066–2067. [Google Scholar]
- Fei, G.; Xin, L.; Litong, W. Study on calculation method of maximum stage voltage of on load tap changer of symmetrical double core phase shifting transformer. Chin. J. Electr. Eng. 2017, 37, 2110–2119. [Google Scholar]
- Yinghao, Z.; Dazhong, S. Electrical Mechanism of on−Load Tap Changer; China Electric Power Press: Beijing, China, 2011. [Google Scholar]
- Litong, W. Research on Key Problems of Hybrid on Load Tap Changer in Phase Shifting Transformer; North China Electric Power University: Bejing, China, 2017. [Google Scholar]
- Xin, L.; Guishu, L.; Litong, W. Determination method of technical parameters of on load tap changer in double core phase shifting transformer. High Volt. Technol. 2017, 43, 838–844. [Google Scholar]
- Parvathy, S.; Thampatty, K. Dynamic modeling and control of UPFC for power flow control. Procedia Technol. 2015, 21, 581–588. [Google Scholar] [CrossRef][Green Version]
- Rajabi−Ghahnavieh, A.; Fotuhi−Firuzabad, M.; Shahidehpour, M.; Feuillet, R. UPFC for enhancing power system reliability. IEEE Trans. Power Deliv. 2010, 25, 2881–2890. [Google Scholar] [CrossRef]




















| Performance | Single Core PST | Double Core PST |
|---|---|---|
| Structure | Simple | Complex |
| On-load tap switch | High insulation requirements | Low insulation requirements |
| Short circuit impedance | <10% | 12~19% |
| Applicable voltage class | Low | High |
| Cost | Low | High |
| The phase shift range | Narrow | Wide |
| Technical Parameters | Value |
|---|---|
| Rated voltage/kV | 230 |
| Rated current/kA | 1.3 |
| Rated capacity/MVA | 450 |
| Adjustment class | ±13 |
| No-load phase shift Angle/° | 25 |
| Full-load phase shift Angle/° | 20 |
| Short circuit impedance of series transformer/% | 7 |
| Short circuit impedance of excitation transformer/% | 4.5 |
| Cost of Each Unit | Total Cost | |
|---|---|---|
| UPFC | 10.312 million yuan | 206 million yuan |
| PST | 5.170 million yuan | 129 million yuan |
| PST compared with UPFC | Reduced by 49.86% | Reduced by 49.86% |
| Gear | Us (V) | UL (V) | θ (°) | θPST (°) | P (W) | ||
|---|---|---|---|---|---|---|---|
| Theoretical | Measured | Theoretical | Measured | ||||
| 1 | 224 | 223 | 6.2 | 7.2 | 93.1 | 93.6 | 17.43 |
| 2 | 224 | 223 | 12.4 | 13.9 | 96.2 | 97.2 | 64.99 |
| 3 | 223 | 223 | 18.7 | 20.6 | 99.4 | 100.3 | 141.39 |
| 4 | 223 | 222 | 25.0 | 25.5 | 102.5 | 102.6 | 240.71 |
| 0 | 223 | 223 | 0 | 0 | / | / | 0 |
| −1 | 223 | 223 | −6.2 | −7.4 | −93.1 | −93.6 | −13.74 |
| −2 | 223 | 223 | −12.4 | −14.6 | −96.2 | −96.4 | −57.48 |
| −3 | 223 | 223 | −18.7 | −20.6 | −99.4 | −100.8 | −127.72 |
| −4 | 223 | 223 | −25.0 | −26.1 | −102.5 | −103.5 | −224.12 |
Publisher’s Note: MDPI stays neutral with regard to jurisdictional claims in published maps and institutional affiliations. |
© 2022 by the authors. Licensee MDPI, Basel, Switzerland. This article is an open access article distributed under the terms and conditions of the Creative Commons Attribution (CC BY) license (https://creativecommons.org/licenses/by/4.0/).
Share and Cite
Yu, M.; Yuan, J.; Li, Z.; Li, F.; Yang, X.; Zhang, W.; Xu, S.; Mei, J. Power Flow Optimization and Economic Analysis Based on High Voltage Phase Shifting Transformer. Energies 2022, 15, 2363. https://doi.org/10.3390/en15072363
Yu M, Yuan J, Li Z, Li F, Yang X, Zhang W, Xu S, Mei J. Power Flow Optimization and Economic Analysis Based on High Voltage Phase Shifting Transformer. Energies. 2022; 15(7):2363. https://doi.org/10.3390/en15072363
Chicago/Turabian StyleYu, Mengze, Jiaxin Yuan, Zuohong Li, Feng Li, Xinyi Yang, Weizhe Zhang, Shunkai Xu, and Jiajun Mei. 2022. "Power Flow Optimization and Economic Analysis Based on High Voltage Phase Shifting Transformer" Energies 15, no. 7: 2363. https://doi.org/10.3390/en15072363
APA StyleYu, M., Yuan, J., Li, Z., Li, F., Yang, X., Zhang, W., Xu, S., & Mei, J. (2022). Power Flow Optimization and Economic Analysis Based on High Voltage Phase Shifting Transformer. Energies, 15(7), 2363. https://doi.org/10.3390/en15072363

