Analysis of Fault Characteristics of Distribution Network with PST Loop Closing Device under Small Current Grounding System
Abstract
:1. Introduction
2. Materials and Methods
2.1. Introduction Method of an Additional Neutral Point
2.2. PST-Based Loop Closing Transfer Device
2.2.1. Loop Closing Transfer Scenario
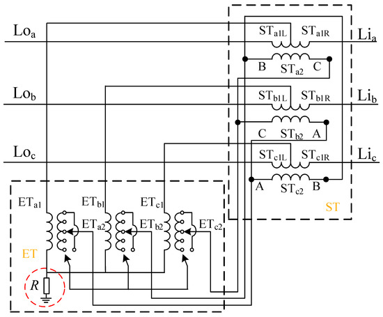
2.2.2. Working Process of a PST
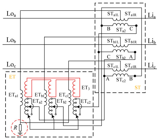
2.3. Structure and Fault Characteristics of PSGT
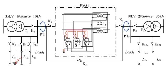
2.3.1. Structure of PSGT
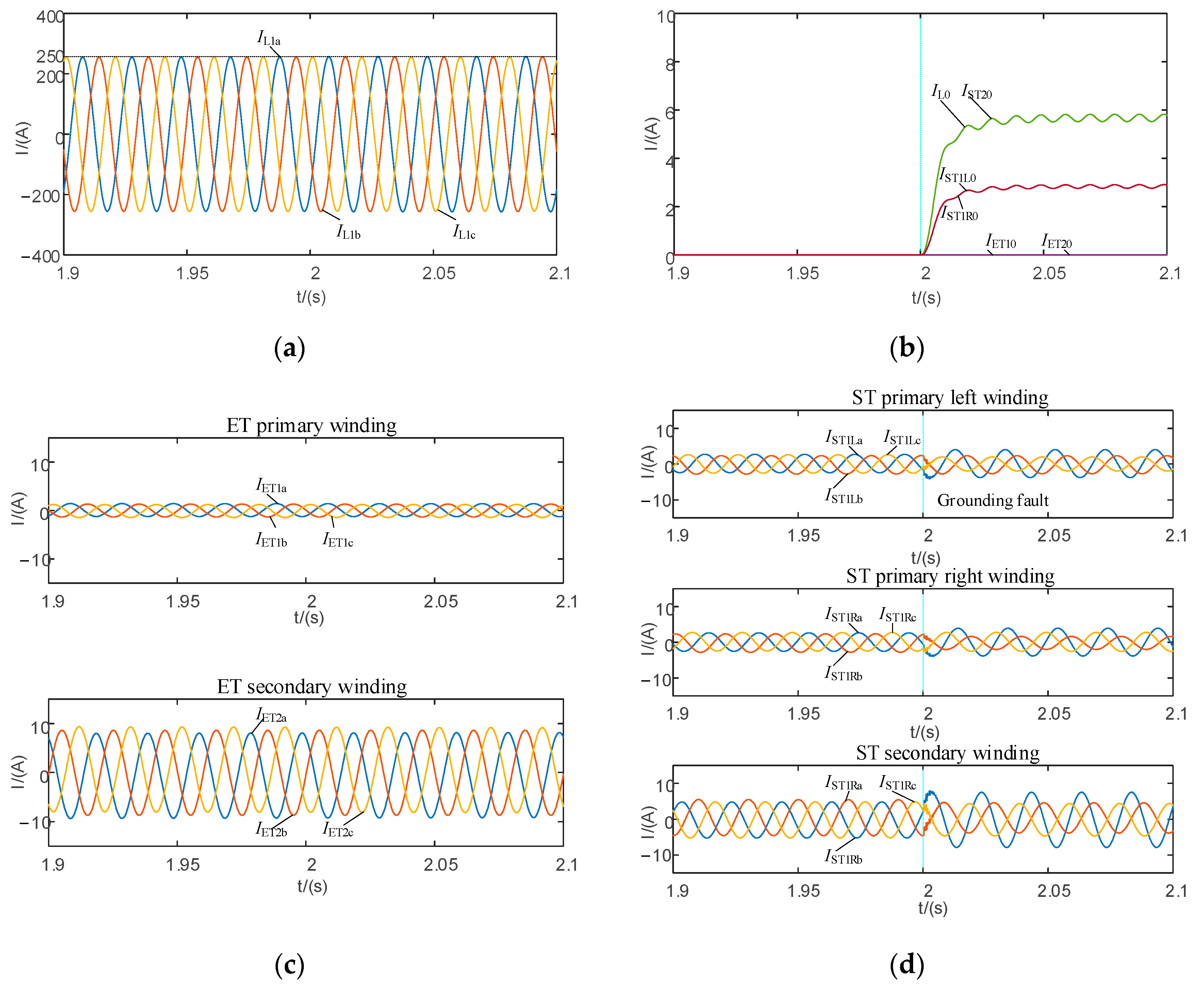
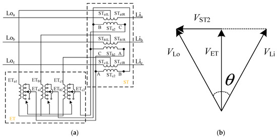
2.3.2. Fault Characteristics of a PSGT
3. Results and Discussion
4. Conclusions
- PSGT neutral point via small resistance grounding method effectively improves the line zero sequence current, can effectively identify and deal with faults in the distribution network and reduce the economic loss caused by the rejection of the protection equipment;
- PSGT is improved based on a PST, the application scenario is connected to the 10 kV side of the distribution network in the combined ring point, so it still retains its non-stop combined ring non-stop transfer function, making the phase-shifting and grounding transformer function more abundant;
- PSGT-based loop closing device has an effective zero-sequence path before and after the fault occurs in the load transfer, and the short circuit current flowing through each winding of the PST will be different if the grounding resistance is taken as a different value, which is inversely proportional to the grounding resistance and can provide a basis for the design of the parameters of the loop closing device in engineering.
Author Contributions
Funding
Institutional Review Board Statement
Informed Consent Statement
Data Availability Statement
Conflicts of Interest
References
- Xiao, Y.; Lu, W.; Li, Y.; Zhong, Y.; Qi, Y.; Peng, J. Research on The Index System of Urban Distribution Network Development form and Its Evaluation Method. Power Syst. Prot. Control. 2021, 49, 62–71. [Google Scholar] [CrossRef]
- Jia, W.; Lei, C.; Ge, L.; Gao, H. Review of Domestic and International Development of Urban Distribution Networks and Technology Outlook. Power Capacit. React. Power Compens. 2020, 41, 158–168, 175. [Google Scholar] [CrossRef]
- Wu, H.; Chen, J.; Liao, F.; Lai, Y. Research on Centralized Grounding Protection for Small Resistance Grounded Distribution Systems. Power Syst. Prot. Control. 2021, 49, 141–149. [Google Scholar]
- Wang, Y.; Xue, Y.; Xu, B.; Li, T. Reverse-time Zero-sequence Overcurrent Protection for Ground Fault in Small Resistance Grounding Systems. Autom. Electr. Power Syst. 2018, 42, 150–157. [Google Scholar]
- Zeng, D.; Wang, G.; Li, H.; Liu, Y.; Guo, J. Multi-return Fault Analysis and Adaptive Zero Sequence Current Protection for Small Resistance Grounded Distribution Networks. Electr. Power Autom. Equip. 2019, 39, 45–52. [Google Scholar] [CrossRef]
- Xue, Y.; Liu, S.; Wang, Y.; Xu, B. Grounding Protection for Small Resistance Grounding System Based on Zero Sequence Voltage Ratio Braking. Autom. Electr. Power Syst. 2016, 40, 112–117. [Google Scholar]
- Guo, L.; Xue, Y.; Xu, B.; Cai, Y.; Zhang, S. Analysis of The Impact of Neutral Point Grounding Method on Power Supply Reliability. Power Syst. Technol. 2015, 39, 2340–2345. [Google Scholar] [CrossRef]
- Li, H.; Chen, J.; Zeng, D.; Liang, Y.; Wang, G. Highly Sensitive Zero Sequence Current Protection for Small Resistance Grounding Systems. Electr. Power Autom. Equip. 2018, 38, 198–204. [Google Scholar] [CrossRef]
- Liao, Y.; Chen, Y. Zero-sequence Protection by Ratio Law for 10kV Small Resistance Grounding System. Proc. CSU-EPSA 2020, 32, 50–56. [Google Scholar] [CrossRef]
- Wang, B.; Ren, X. Research on Single-phase Ground Fault Ranging of Collector Lines in Neutral Point Via Small Resistance Grounding Wind Farms. Proc. CSEE 2021, 41, 2136–2144. [Google Scholar] [CrossRef]
- Zhang, L.; Hao, D.; Zou, L.; Zhao, T. Structural Analysis of AC-DC Superimposed Distribution Network for Distributed Generation Access. High Volt. Eng. 2017, 43, 157–163. [Google Scholar] [CrossRef]
- Gao, L. Study on Grounding Variation and Small Resistance Selection in Small Resistance Grounding System. Electr. Power Surv. Des. 2020, 8, 23–29. [Google Scholar] [CrossRef]
- He, Z.; Li, B.; Liao, K.; Hu, S.; Ma, Z.; Li, J.; Yang, J. Key Technologies for Protection and Control of New Forms of Urban Power Grids. Proc. CSEE 2020, 40, 6193–6207. [Google Scholar] [CrossRef]
- Peng, K.; Zhang, C.; Xu, B.; Chen, Y.; Chen, J.; Zhao, X. Key Issues in Fault Analysis of Distribution Networks Containing High-density Distributed Power Sources. Autom. Electr. Power Syst. 2017, 41, 184–192. [Google Scholar]
- Yang, Y.; Tang, J.; Niu, C.; Zhao, C. Research on Flexible Combined-Loop Control Device and Control Strategy Based on Phase Shifting Transformer. J. North China Electr. Power Univ. 2022, 49, 48–57. [Google Scholar]
- Chen, L.; Xian, D.; Zheng, C.; Gao, H.; Fan, H.; Zhang, B. Analysis of operating characteristics of grounded transformers under system single-phase ground fault. Power Syst. Prot. Control. 2021, 49, 56–64. [Google Scholar] [CrossRef]
- Wang, T.; Xue, Y.; Zhao, X.; Zhang, J.; Li, Y.; Li, T. Transient Characteristics of Earth Fault in Arc Suppression Coil Grounded System with Different Grounding Resistances. J. Power Syst. Autom. 2019, 31, 43–51. [Google Scholar] [CrossRef]
- Yoon, H.I.; Choi, S.; Lee, H.; Nam, Y.; Rho, D. A study on operation algorithm of protection device for single line short circuit of GVT in ungrounded system. Trans. Korean Inst. Electr. Eng. 2019, 68, 253–261. [Google Scholar] [CrossRef]
- Zeng, X.; Zhuo, C.; Yu, K.; Xiang, G.; Li, J.; Zou, H. A Novel Method of Faults Arc Extinguishing and Feeder Protection Based on Voltage Regulating Intervention with Grounding Transformer Winding Taps for Distribution Networks. Proc. CSEE 2020, 40, 1523–1534. [Google Scholar] [CrossRef]
- Liao, F.; Chen, J.R.; Lai, Y.H.; Wang, Y.Q.; Xu, C. Research and Application of Zero-sequence Differential Protection of Grounding Transformer Under the Mode of Small Resistance Grounding. Guangdong Electr. Power 2020, 33, 100–106. [Google Scholar]
- He, T.; Chen, Y.; Liu, X.; Wu, P.; Chen, J. Cooperative rectification of grounding transformer and corresponding feeder protection. Electr. Appl. 2018, 37, 62–64, 70. [Google Scholar]
- Yang, Y.; Niu, C.; Tang, J.; Zhao, C.; Xu, Z. Research on AC-DC Side Loop Control Strategy of Flexible Loop-closing Device Based on Dual VSC. Available online: http://kns.cnki.net/kcms/detail/13.1212.TM.20211124.2054.006.html (accessed on 26 February 2022).
- Wang, X.; Xu, X.; Gan, D.; Peng, X.; Chen, Z.; Zhou, Y. Design scheme of online loop closing calculation software for distribution network based on mobile Internet. Power Syst. Prot. Control. 2017, 45, 128–133. [Google Scholar]
- Ye, Q.; Tang, G.; Wang, L.; Wu, G.; Gu, S. Development and application of circulation analysis system for closed loop operation of distribution network. Autom. Electr. Power Syst. 2002, 26, 66–69. [Google Scholar]
- Zhang, Z.; Xu, B.; Chen, Q.; Zhao, Y.; Feng, C. Power flow optimization control method for seamless self-healing distribution ring network with dual power supply failures. Autom. Electr. Power Syst. 2012, 36, 101–106. [Google Scholar]
- Wang, W.; He, Y.; Wang, B.; Zhang, Z.; Cai, Z.; Bian, L. A multi-line concurrent combined-loop tide calculation method. Energy Eng. 2018, 1, 20–24. [Google Scholar] [CrossRef]
- Zhao, C. The influence of power distribution network loop closure and power adjustment on relay protection. Electron. Technol. Softw. Eng. 2021, 1, 212–213. [Google Scholar]
- Chen, G.; Li, H.; Han, J.; Liu, X.; Li, J.; Peng, W. Risk assessment and simulation analysis of low-voltage distribution network switching from loop to power supply. Appl. Autom. 2020, 9, 76–79, 83. [Google Scholar] [CrossRef]
- Gao, F.; Liu, X.; Wang, L.; Li, B.; Zhao, X.; Liang, G.; Yu, X. Research on The Calculation Method of Maximum Step Voltage of Symmetrical Double Core Phase Shifting Transformer On-load Tap-changer. Proc. CSEE 2017, 37, 2110–2120. [Google Scholar] [CrossRef]
- Yang, Q.; Ban, G.; Xie, B.; Zeng, H.; Wen, Y.; Ma, X.; Huang, H. Deicing Method and Simulation of Phase-shifting Transformer for On-load Transmission Lines. Power Syst. Technol. 2021, 45, 3349–3355. [Google Scholar] [CrossRef]
- Lyman, W.J.; North, J.R. Application of large phase-shifting transformer on an interconnected system loop. Electr. Eng. 1938, 57, 579–588. [Google Scholar] [CrossRef]
- Bladow, J.K.; Montoya, A.H. Experiences with parallel EHV phase shifting transformers. IEEE Trans. Power Deliv. 1991, 6, 1096–1100. [Google Scholar] [CrossRef] [Green Version]
- Hui, H.; Yu, C.N.; Surendran, R.; Gao, F.; Moorty, S. Wind generation scheduling and coordination in ERCOT Nodal market. In Proceedings of the 2012 IEEE Power and Energy Society General Meeting, San Diego, CA, USA, 22–26 July 2012; pp. 1–8. [Google Scholar]
- Belivanis, M.; Bell, K.R.W. Use of phase-shifting transformers on the Transmission Network in Great Britain. In Proceedings of the 45th International Universities Power Engineering Conference UPEC2010, Cardiff, UK, 31 August–3 September 2010; pp. 1–5. [Google Scholar]
- Yu, H.; Zhou, F.; Yang, Z. Controlled phase shifter main circuit parameters design and steady-state characteristics analysis. China Electr. Power 2013, 46, 36–41. [Google Scholar]
- Cui, Y.; Yu, Y.; Yang, Z.; Yang, Y.; Wang, K. Evaluation of the effect of controlled phase shifter demonstration project scheme for ultra-high voltage grid. East China Power 2013, 41, 2237–2240. [Google Scholar]
- Chen, G.; Ding, L.; Tang, F.; Teng, Y.; Wei, W. Research on improving transmission capacity of Sichuan-Chongqing cross section using phase shifting transformer. Sichuan Electr. Power Technol. 2014, 37, 49–54. [Google Scholar]
- Wei, P.; Zhou, Q.; Zhu, X.; Ji, T.; Zhang, N. Study on the impact of controllable phase shifter on ultra-high voltage AC-DC access to the receiving grid. China Electr. Power 2018, 51, 7–12. [Google Scholar]
- Li, D.; Ding, J.; Wang, Z.; Dai, C.; Song, Y.; Shen, X. Research status and engineering applications of phase shift transformers. Smart Grid 2015, 3, 608–616. [Google Scholar] [CrossRef]
- Wang, C.; Wu, Y.; Sun, J.; Cha, X.; Ding, K.; Li, W. Bi-layer load balancing method in active distribution network based on flexible multi-state switch. Autom. Electr. Power Syst. 2021, 45, 77–85. [Google Scholar]
- Xiong, Z.; Chen, T.; Du LDai, Z.; Chen, J.; Xu, L. Optimal allocation of soft open point in active distribution network based on improved sensitivity analysis. Autom. Electr. Power Syst. 2021, 45, 129–137. [Google Scholar]
- Cui, X.; Zhang, Z.; Wang, Z.; Li, H.; Yang, Y. Novel rapid power switching strategy and its parameter calculation of induction motor-load based on solid state transfer switch. Trans. China Electrotech. Soc. 2016, 31, 21–28. [Google Scholar] [CrossRef]
- An, Y.; Chen, C.; Fan, R.; Li, S.; Zhu, Z.; Chen, L. Data-driven method for determining loop closure conditions in distribution networks. Water Resour. Power 2019, 37, 152–156. [Google Scholar]
- Zhang, Y.; Gu, C.; He, Z. A kind of resistance selection of neutral point via small resistance grounding in 10 kV distribution network with double ring network connection. Power Energy 2021, 42, 479–481, 491. [Google Scholar]
- Liu, H.; Zhu, D.; Liu, J.; Feng, W.; Tan, J.; Cheng, C.; Zhang, H.; Zhuan, S. Selection of small resistance in distribution network neutral point via small resistance grounding method. Power Syst. Clean Energy 2018, 34, 31–37. [Google Scholar]












Publisher’s Note: MDPI stays neutral with regard to jurisdictional claims in published maps and institutional affiliations. |
© 2022 by the authors. Licensee MDPI, Basel, Switzerland. This article is an open access article distributed under the terms and conditions of the Creative Commons Attribution (CC BY) license (https://creativecommons.org/licenses/by/4.0/).
Share and Cite
Xu, Z.; Tang, J.; Jiang, Y.; Qin, R.; Ma, H.; Yang, Y.; Zhao, C. Analysis of Fault Characteristics of Distribution Network with PST Loop Closing Device under Small Current Grounding System. Energies 2022, 15, 2307. https://doi.org/10.3390/en15072307
Xu Z, Tang J, Jiang Y, Qin R, Ma H, Yang Y, Zhao C. Analysis of Fault Characteristics of Distribution Network with PST Loop Closing Device under Small Current Grounding System. Energies. 2022; 15(7):2307. https://doi.org/10.3390/en15072307
Chicago/Turabian StyleXu, Zhi, Jianxiong Tang, Yupeng Jiang, Risheng Qin, Hongsheng Ma, Yongchun Yang, and Chengyong Zhao. 2022. "Analysis of Fault Characteristics of Distribution Network with PST Loop Closing Device under Small Current Grounding System" Energies 15, no. 7: 2307. https://doi.org/10.3390/en15072307
APA StyleXu, Z., Tang, J., Jiang, Y., Qin, R., Ma, H., Yang, Y., & Zhao, C. (2022). Analysis of Fault Characteristics of Distribution Network with PST Loop Closing Device under Small Current Grounding System. Energies, 15(7), 2307. https://doi.org/10.3390/en15072307

