The Strategy of Considering the Participation of Doubly-Fed Pumped-Storage Units in Power Grid Frequency Regulation
Abstract
:1. Introduction
2. Modeling of the TPU and DFPSU
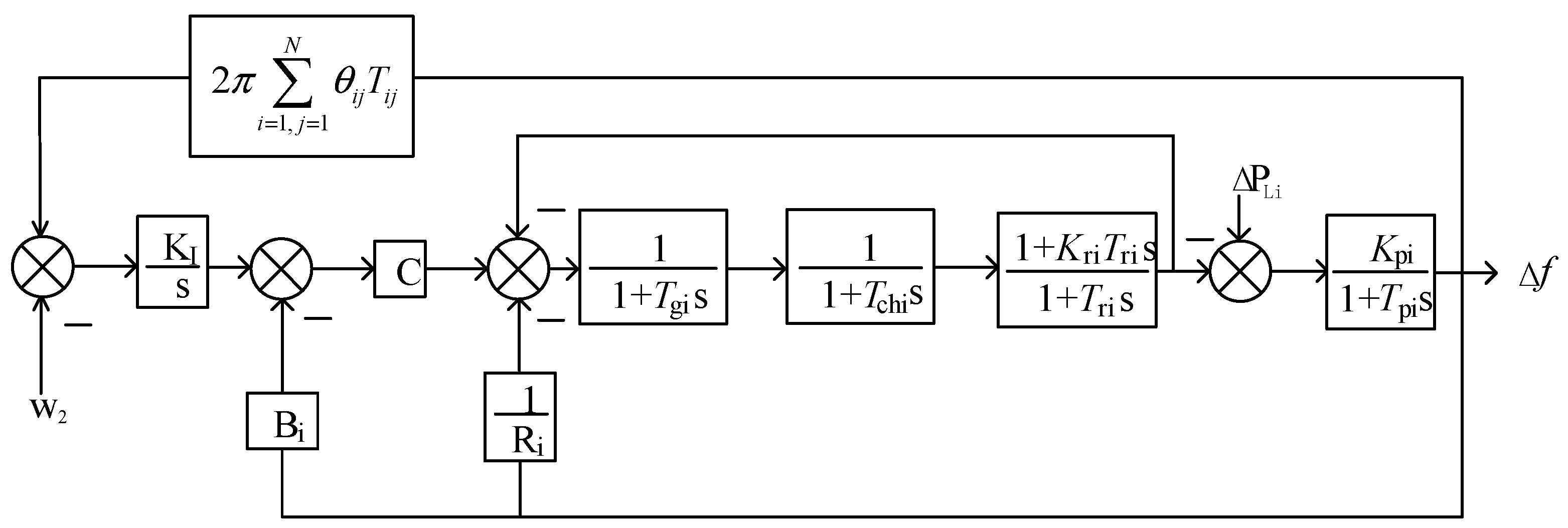
2.1. Modeling of the TPU
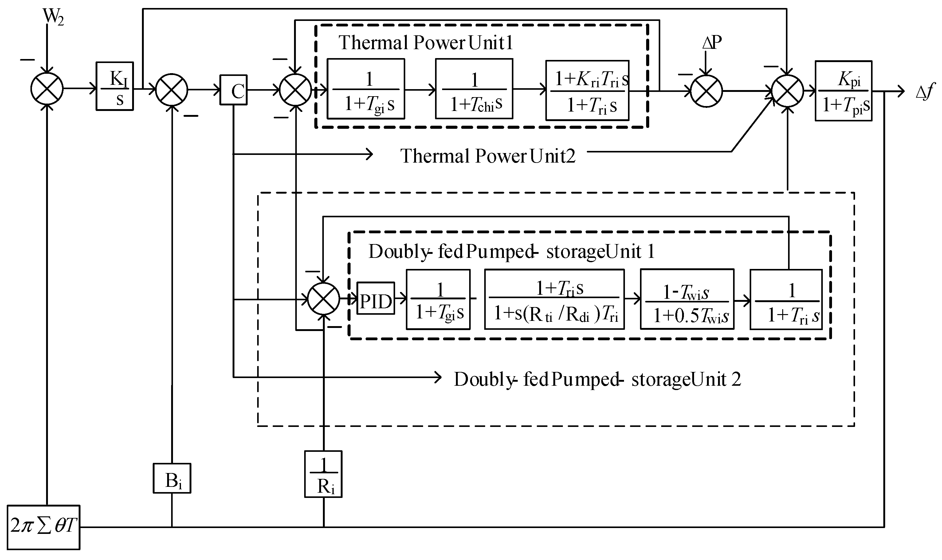
2.2. Modeling of the DFPSU
3. Combined Frequency Regulation Strategy for the TPU and DFPSU
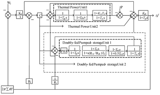
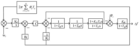
3.1. System Model of the TPU and DFPSU
3.2. Optimal Dispatching Model for Joint Frequency Regulation of the TPU and DFPSU
3.2.1. Constraints
- 1.
- The upper and lower limits of the output of TPU can be expressed as:where and are the upper and lower output limits of unit i, respectively, and n is the number of TPU.
- 2.
- The upper and lower limits of the output of PSU can be expressed as:where and are the upper and lower limits of the output of the DFPSU j, respectively, and m is the number of the DFPSU.
- 3.
- The storage capacity constraint of the DFPSU iswhere , represent the average hydro-power conversion rate under the condition of power generation and pumping, respectively, ; are the initial water capacity, the minimum water capacity, and the maximum water capacity of the upper reservoir of the DFPSU; is the power generation of the DFPSU; is the pump-rated power.
- 4.
- The power balance constraint in the system iswhere indicates the state of the DFPSU. When it is 0, it means that the unit is in the static state; when it is 1, it means that the unit is in the power generation state, and when it is -1, it means that the unit is in the pumping condition; are the state of the TPU and the DFPSU in the adjustment. When the output exceeds the upper limit of the unit or is lower than the lower limit of the unit, the corresponding unit does not participate in the AGC adjustment, at this time ; otherwise, .
3.2.2. Objective Function
4. Realization of Joint Frequency Modulation Control Based on CPSO
4.1. Principle of the PSO
4.2. Principle of the CPSO
4.2.1. Chaos Variables
4.2.2. The CPSO Algorithm Flow
- 1.
- Initialize parameters, initialize particle position: initialize the population size (N), particle dimension (D), acceleration coefficient () and other parameters of the particle swarm.
- 2.
- Calculate the fitness of particles: Calculate and evaluate the fitness of the objective function and the fitness of the constraint function of each particle to obtain the individual optimal value and the global optimal value .
- 3.
- Update the velocity and position of the particle: the calculation formula is as described above.
- 4.
- The chaotic variable processing is performed on the updated particle state, and the formula is as follows:where t is the current number of iterations; is the particle state after chaotic variable processing; is obtained from the above formula; is the control parameter, and the calculation formula is as follows:where is the maximum number of iterations; k is a constant.
- 5.
- End condition judgment: judge whether the particle target value converges or whether it reaches the maximum number of iterations, otherwise go to step 2 to continue the optimization.
4.3. Flow of Joint Frequency Modulation Algorithm Based on the CPSO
- 1
- When initializing parameters, initialize the particle position, set the particle scale to 20, the maximum number of iterations , and the acceleration coefficient are 2, position the current evolutionary algebra at t = 1, define randomly generated particles in the space, and form the most initial population X(t). The initial displacement of each randomly generated particle changes to form a displacement transformation matrix .
- 2
- The population X(t), the objective function fitness values and constraint function fitness values in each dimension are evaluated and calculated.
- 3
- Compare the target value with its own optimal value, if the current target value is better than its own optimal value, replace its own optimal value with the current target value, and also update the current position in the D-dimensional space synchronously. The global optimal value of the population is compared with the current target value, and if the current target value is better than the global optimal value, the global optimal value is replaced with the current target value of the particle.
- 4
- Assign values to the new position and velocity formulas after introducing chaotic perturbations, and update the coordinate values of the particles in each dimension simultaneously to create a new population, denoted by the X(t + 1) denote.
- 5
- Judging whether the particle target value converges or not; in general, the PSO optimization search process only stops when the difference between the target value and the optimal value is less than the precision ε or when the maximum number of iterations is exceeded, otherwise, t = t + 1 and return to step 2 to continue the optimization search.
4.4. Comparison of Simulation Results between PSO Algorithm and Chaotic PSO Algorithm
5. Case Analysis
5.1. Basic Data
5.2. Simulation Results and Analysis
6. Conclusions
- (1)
- Taking into account the challenges to grid stability posed by the large-scale entry of new energy sources into the grid, the joint frequency regulation strategy of doubly-fed pumped storage units and thermal power units is proposed, providing a new control strategy for maintaining grid frequency stability.
- (2)
- In this study, the problem of working condition changes of pumped storage units is involved, and the dynamic characteristics of hydro units when performing working conditions change are thoroughly studied, and mathematical models are established for six switching paths to improve the accuracy of hydro units in the simulation.
- (3)
- The chaotic PSO algorithm proposed for the shortcomings of the conventional PSO algorithm is summarized. The simulation results show that the improved PSO algorithm has a better convergence performance.
- (4)
- An optimal system scheduling model is established, and the model is solved considering the lowest total system operating cost and optimal time as the objectives. The simulation results show that the joint frequency regulation strategy is of great significance for the improvement of the unit frequency regulation performance.
Author Contributions
Funding
Institutional Review Board Statement
Informed Consent Statement
Data Availability Statement
Conflicts of Interest
References
- Kuo, M.-T.; Lu, S.-D. Experimental Research and Control Strategy of Pumped Storage Units Dispatching in the Taiwan Power System Considering Transmission Line Limits. Energies 2013, 6, 3224–3244. [Google Scholar] [CrossRef] [Green Version]
- Pitorac, L.; Vereide, K.; Lia, L. Technical Review of Existing Norwegian Pumped Storage Plants. Energies 2020, 13, 4918. [Google Scholar] [CrossRef]
- Martínez-Lucas, G.; Sarasúa, J.I.; Sánchez-Fernández, J.Á. Frequency Regulation of a Hybrid Wind–Hydro Power Plant in an Isolated Power System. Energies 2018, 11, 239. [Google Scholar] [CrossRef] [Green Version]
- Cicėnas, P.; Radziukynas, V. Developed Transfer Function Allows Hydro Generators to Enter the Full Range of Ancillary Services Market. Energies 2022, 15, 397. [Google Scholar] [CrossRef]
- Fahlbeck, J.; Nilsson, H.; Salehi, S. Flow Characteristics of Preliminary Shutdown and Startup Sequences for a Model Counter-Rotating Pump-Turbine. Energies 2021, 14, 3593. [Google Scholar] [CrossRef]
- Sarasúa, J.I.; Martínez-Lucas, G.; Platero, C.A.; Sánchez-Fernández, J.Á. Dual Frequency Regulation in Pumping Mode in a Wind–Hydro Isolated System. Energies 2018, 11, 2865. [Google Scholar] [CrossRef] [Green Version]
- Nag, S.; Lee, K.Y.; Suchitra, D. A Comparison of the Dynamic Performance of Conventional and Ternary Pumped Storage Hydro. Energies 2019, 12, 3513. [Google Scholar] [CrossRef] [Green Version]
- Wang, J.S.; Zhong, J.L.; Gou, X.L. Control Strategy Study on Frequency and Peak-Load Regulation of Coal-Fired Power Plant Based on Boiler Heat Storage Capacity. Proc. Inst. Mech. Eng. Part A-J. Power Energy 2018, 232, 1063–1078. [Google Scholar] [CrossRef]
- Guo, Y.; Wang, Q.; Zhang, D.; Yu, D.; Yu, J. A Stochastic-Process-Based Method for Assessing Frequency Regulation Ability of Power Systems with Wind Power Fluctuations. J. Environ. Inform. 2018, 32, 45–54. [Google Scholar] [CrossRef] [Green Version]
- Zhang, Z.Y.; Du, E.S.; Teng, F.; Zhang, N.; Kang, C.Q. Modeling Frequency Dynamics in Unit Commitment with a High Share of Renewable Energy. IEEE Trans. Power Syst. 2020, 35, 4383–4395. [Google Scholar] [CrossRef]
- Sarasúa, J.I.; Pérez-Díaz, J.I.; Torres Vara, B. On the Implementation of Variable Speed in Pump-Turbine Units Providing Primary and Secondary Load-Frequency Control in Generating Mode. Energies 2015, 8, 13559–13575. [Google Scholar] [CrossRef] [Green Version]
- Liu, K.; He, J.; Luo, Z.; Shan, H.; Li, C.; Mei, R.; Yan, Q.; Wang, X.; Wei, L. Load Frequency Control of Pumped Storage Power Station Based on LADRC. Processes 2020, 8, 380. [Google Scholar] [CrossRef] [Green Version]
- Liang, L.; Li, P.M.; Liu, J.N.; Zhang, C.L.; Li, B. Study on the Control Strategy of Pumped Storage Power Station for the Frequency Regulation. High Volt. Eng. 2015, 41, 3288–3295. [Google Scholar]
- Jiang, S.C. Optimal Scheduling of Wind-Fire-Storage Research Based on Extreme Scenario. Master’s Thesis, East China Jiaotong University, Nanchang, China, 2018. [Google Scholar]
- Lv, W.J.; Wang, L.F.; Ji, C.C. Study on Optimal Operation of Combined System of Wind-Pumped Storage Power. Telecom Power Technol. 2016, 33, 71–73. [Google Scholar]
- Chen, K. Research on Coordinated Frequency Regulation Control Strategy for Pumped Storage Power Station and Thermal Power Unit of New Energy System. Master’s Thesis, University of South China, Hengyang, China, 2020. [Google Scholar]
- Lung, J.K.; Lu, Y.; Hung, W.L.; Kao, W.S. Modeling and Dynamic Simulations of Doubly Fed Adjustable-Speed Pumped Storage Units. IEEE Trans. Energy Convers. 2007, 22, 250–258. [Google Scholar] [CrossRef]
- Zhao, G.P.; Zhao, Q.; Ren, J.Y. Output Power Modelling for Dynamic Behavior of Doubly-Fed Variable-Speed Pumped Storage Power Station. In Proceedings of the 2018 IEEE Conference on Energy Internet and Energy System Integration, Beijing, China, 20–22 October 2018. [Google Scholar]
- Wu, T.; Xie, H.; Li, S.Y.; Tang, F.; Chen, P.F.; Yang, J.S.; Wu, X.Z. Modeling and Control of Variable Speed DFIG Pumped Storage Turbine Based on RTDS. In Proceedings of the 2019 IEEE International Electrical and Energy Conference, Beijing, China, 7–9 September 2019. [Google Scholar]
- Song, X.F.; Teshager, B.G.; Han, M.X.; Meng, Z.J.; Xu, J.B.; Wang, X.Z. Stability and Control of a Grid Integrated DHM Based Variable Speed Pumped Storage System. In Proceedings of the 2017 China International Electrical and Energy Conference, Beijing, China, 25–27 October 2017. [Google Scholar]
- Li, H.; Liu, H.T.; Song, E.B.; Xiao, H.W.; Luo, L.; Huang, Z.X. Improved Virtual Inertia Control Strategy of Doubly Fed Pumped Storage Unit for Power Network Frequency Modulation. Autom. Electr. Power Syst. 2017, 41, 58–65. [Google Scholar]
- Zhao, G.; Ren, J. Research on an Output Power Model of a Doubly-Fed Variable-Speed Pumped Storage Unit with Switching Process. Appl. Sci. 2019, 9, 3368. [Google Scholar] [CrossRef] [Green Version]
- Yang, W.J.; Yang, J.D. Advantage of Variable-Speed Pumped Storage Plants for Mitigating Wind Power Variations: Integrated Modelling and Performance Assessment. Appl. Energy 2019, 237, 720–732. [Google Scholar] [CrossRef]
- Han, M.X.; Bitew, G.T.; Mekonnen, S.A.; Yan, W.L. Wind Power Fluctuation Compensation by Variable Speed Pumped Storage Plants in Grid Integrated System: Frequency Spectrum Analysis. CSEE J. Power Energy Syst. 2021, 7, 381–395. [Google Scholar]
- Shi, Y.F.; Shi, X.J.; Yi, C.B.; Song, X.F.; Chen, X.G. Control of the Variable-Speed Pumped Storage Unit-Wind Integrated System. Math. Probl. Eng. 2020, 2020, 1–9. [Google Scholar] [CrossRef] [Green Version]
- Wang, C.G. Research on AGC Control Strategy Based on Pumped Storage Power Station. Master’s Thesis, North China Electric Power University, Beijing, China, 2014. [Google Scholar]
- Liu, H.T. Research on Control Strategies of AC Excited Pumped Storage Units to Participate in Power System Frequency Regulation. Master’s Thesis, Chongqing University, Chongqing, China, 2017. [Google Scholar]
- Wang, Y.S.; Li, W.Y.; Li, Z.W. Research on PSO-Fuzzy Algorithm Optimized Control for Multi-area AGC System with DFIG Wind Turbine. In Proceedings of the 2019 IEEE Conference on Industrial Electronics and Applications, Xi’an, China, 19–21 June 2019. [Google Scholar]











| Variable Name | Variable Definition |
|---|---|
| Tgi | Electro-hydraulic actuator time constants |
| Tchi | Turbine time constant |
| Ri | Adjustment factor |
| Bi | Frequency deviation factor |
| Tri | Reheat time constant |
| Kri | Reheat coefficient |
| Variable Name | Variable Definition |
|---|---|
| Bi | Frequency deviation factor of the system |
| Ri | Adjustment factor |
| Tgi | Time constants of the machine-hydraulic follower system |
| Tri | Time constants for water hammer compensation controllers |
| Rtj, Rdj | Parameters related to each component of the water hammer compensation controller |
| Twi | Time constants for hydroelectric generators |
| Kpi, Tpi | Gain coefficients and time constants of power systems |
| (Hydro) Unit i | 1 | 2 | 3 | 4 | 5 |
|---|---|---|---|---|---|
| Ai (MW) | A1 | A2 | A3 | A4 | A5 |
| Pmaxi (MW) | 300 | 250 | 225 | 250 | 225 |
| Pmini (MW) | 100 | 80 | 70 | 80 | 70 |
| ACEnowi | 110 | 85 | 80 | 80 | 80 |
| Vi (MW/min) | 100 | 83 | 75 | 84 | 75 |
| Cmax (104 × m3) | 2408 | ||||
| Cmin (104 × m3) | 1204 | ||||
| C0 (104 × m3) | 2000 | ||||
| η (104 × m3/MW) | 0.02 | 0.03 | 0.03 | 0.02 | 0.04 |
| (Thermal) Unit i | 6 | 7 | 8 | 9 | 10 |
|---|---|---|---|---|---|
| Ai (MW) | A6 | A7 | A8 | A9 | A10 |
| Pmaxi (MW) | 300 | 300 | 660 | 600 | 600 |
| Pmini (MW) | 100 | 100 | 155 | 150 | 150 |
| ACEnowi | 150 | 150 | 330 | 300 | 300 |
| Vi (MW/min) | 15 | 15 | 66 | 60 | 60 |
| ai (×10−3) | 2.61 | 2.89 | 1.48 | 1.27 | 1.35 |
| bi | 1.5355 | 1.2642 | 1.2131 | 1.1955 | 1.1285 |
| ci | 72 | 49 | 82 | 106 | 101 |
Publisher’s Note: MDPI stays neutral with regard to jurisdictional claims in published maps and institutional affiliations. |
© 2022 by the authors. Licensee MDPI, Basel, Switzerland. This article is an open access article distributed under the terms and conditions of the Creative Commons Attribution (CC BY) license (https://creativecommons.org/licenses/by/4.0/).
Share and Cite
Wu, Y.; Liu, J.; Zhou, J. The Strategy of Considering the Participation of Doubly-Fed Pumped-Storage Units in Power Grid Frequency Regulation. Energies 2022, 15, 2179. https://doi.org/10.3390/en15062179
Wu Y, Liu J, Zhou J. The Strategy of Considering the Participation of Doubly-Fed Pumped-Storage Units in Power Grid Frequency Regulation. Energies. 2022; 15(6):2179. https://doi.org/10.3390/en15062179
Chicago/Turabian StyleWu, Yunfei, Jianfeng Liu, and Jian Zhou. 2022. "The Strategy of Considering the Participation of Doubly-Fed Pumped-Storage Units in Power Grid Frequency Regulation" Energies 15, no. 6: 2179. https://doi.org/10.3390/en15062179
APA StyleWu, Y., Liu, J., & Zhou, J. (2022). The Strategy of Considering the Participation of Doubly-Fed Pumped-Storage Units in Power Grid Frequency Regulation. Energies, 15(6), 2179. https://doi.org/10.3390/en15062179

