Low-Carrier-Ratio Modulation Strategy Based on Improved Flux Ripple Model
Abstract
:1. Introduction
2. The SVPWM Principle and the Conventional Flux Ripple Model
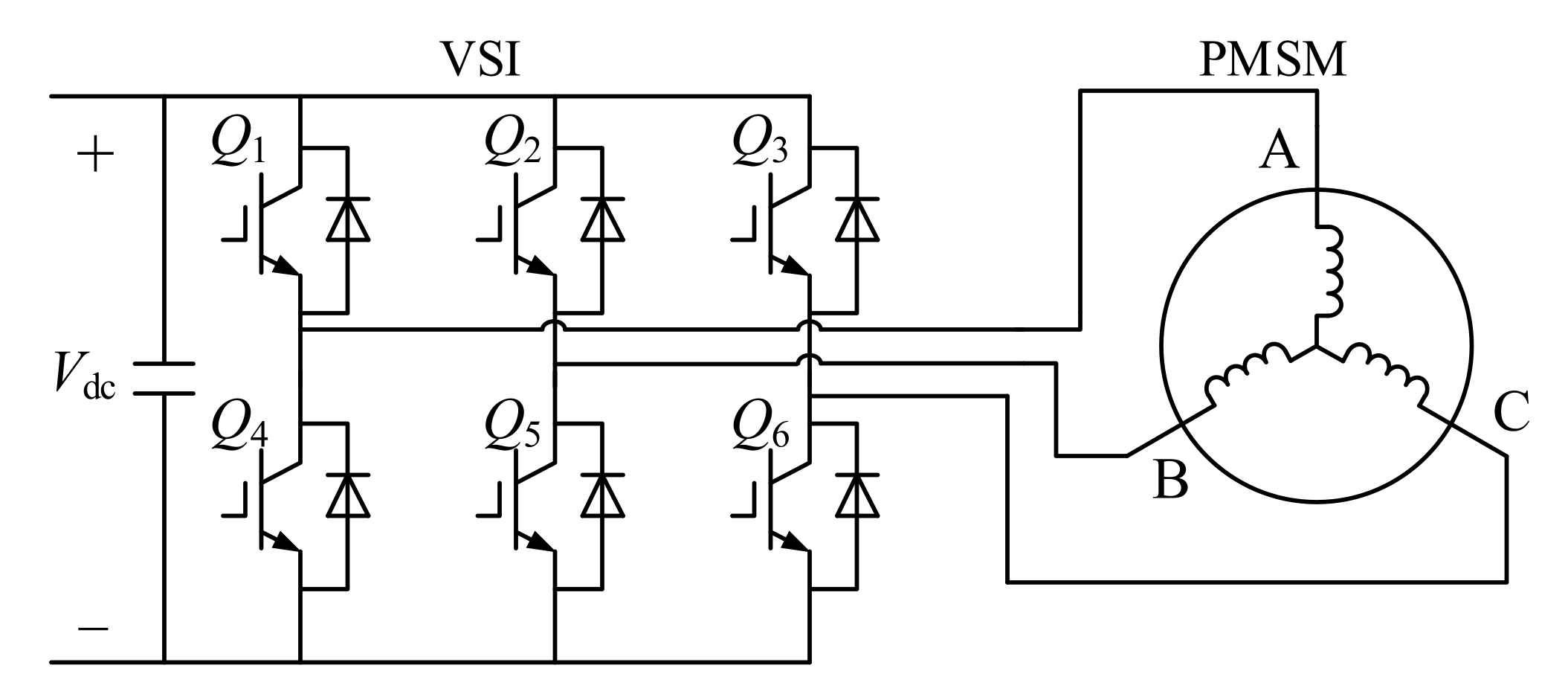
2.1. Two-Level Space Voltage Vector Synthesis Principle
2.2. Conventional Flux Ripple Model
3. Modulation Strategy Based on the Improved Flux Ripple Model
3.1. Improved Flux Ripple Model
3.2. Low-Carrier-Ratio Modulation Strategy Based on the Improved Flux Ripple Model
3.3. General Implementation Method of Low-Carrier-Ratio Modulation Strategy
3.4. Simulation Analysis of the Low-Carrier-Ratio Modulation Strategy
4. Experimental Analysis of the Low-Carrier-Ratio Modulation Strategy
5. Conclusions
Author Contributions
Funding
Institutional Review Board Statement
Informed Consent Statement
Data Availability Statement
Conflicts of Interest
References
- Lee, K.-W.; Kim, S.-I. Dynamic Performance Improvement of a Current Offset Error Compensator in Current Vector-Controlled SPMSM Drives. IEEE Trans. Ind. Electron. 2018, 66, 6727–6736. [Google Scholar] [CrossRef]
- Holmes, D.G.; Lipo, T.A. Pulse Width Modulation for Power Converters: Principles and Practice; John Wiley & Sons: Hoboken, NJ, USA, 2003. [Google Scholar]
- Jiang, D.; Wang, F. Current-Ripple Prediction for Three-Phase PWM Converters. IEEE Trans. Ind. Appl. 2013, 50, 531–538. [Google Scholar] [CrossRef]
- Grandi, G.; Loncarski, J.; Dordevic, O. Analysis and Comparison of Peak-to-Peak Current Ripple in Two-Level and Multilevel PWM Inverters. IEEE Trans. Ind. Electron. 2014, 62, 2721–2730. [Google Scholar] [CrossRef]
- Jiang, D.; Wang, F. Variable Switching Frequency PWM for Three-Phase Converters Based on Current Ripple Prediction. IEEE Trans. Power Electron. 2013, 28, 4951–4961. [Google Scholar] [CrossRef]
- Li, Q.; Jiang, D.; Zhang, Y. Analysis and Calculation of Current Ripple Considering Inductance Saturation and Its Application to Variable Switching Frequency PWM. IEEE Trans. Power Electron. 2019, 34, 12262–12273. [Google Scholar] [CrossRef]
- Zhang, D.; Wang, F.; El-Barbari, S.; Sabate, J.; Boroyevich, D. Improved Asymmetric Space Vector Modulation for Voltage Source Converters with Low Carrier Ratio. IEEE Trans. Power Electron. 2011, 27, 1130–1140. [Google Scholar] [CrossRef]
- Zhou, M.; You, X.; Wang, C. Research on PWM method under low switching frequency. J. Beijing Jiaotong Univ. 2010, 34, 53–57. [Google Scholar]
- Wang, C.; Wang, K.; You, X. Research on Synchronized SVPWM Strategies Under Low Switching Frequency for Six-Phase VSI-Fed Asymmetrical Dual Stator Induction Machine. IEEE Trans. Ind. Electron. 2016, 63, 6767–6776. [Google Scholar] [CrossRef]
- Kun, W.; Xiaojie, Y.; Chenchen, W.; Minglei, Z. Research on the comparison of synchronized modulation of SHEPWM and SVPWM under low switching frequency. Trans. China Electrotech. Soc. 2015, 30, 333–341. [Google Scholar]
- Patel, H.S.; Hoft, R.G. Generalized Techniques of Harmonic Elimination and Voltage Control in Thyristor Inverters: Part I--Harmonic Elimination. IEEE Trans. Ind. Appl. 1973, IA-9, 310–317. [Google Scholar] [CrossRef]
- Dahidah, M.S.A.; Konstantinou, G.; Agelidis, V.G. A Review of Multilevel Selective Harmonic Elimination PWM: Formulations, Solving Algorithms, Implementation and Applications. IEEE Trans. Power Electron. 2014, 30, 4091–4106. [Google Scholar] [CrossRef]
- Narayanan, G.; Ranganathan, V.T. Analytical Evaluation of Harmonic Distortion in PWM AC Drives Using the Notion of Stator Flux Ripple. IEEE Trans. Power Electron. 2005, 20, 466–474. [Google Scholar] [CrossRef]
- Zhao, D.; Hari, V.S.S.P.K.; Narayanan, G.; Ayyanar, R. Space-Vector-Based Hybrid Pulsewidth Modulation Techniques for Reduced Harmonic Distortion and Switching Loss. IEEE Trans. Power Electron. 2010, 25, 760–774. [Google Scholar] [CrossRef]
- Narayanan, G.; Zhao, D.; Krishnamurthy, H.K.; Ayyanar, R.; Ranganathan, V.T. Space Vector Based Hybrid PWM Techniques for Reduced Current Ripple. IEEE Trans. Ind. Electron. 2008, 55, 1614–1627. [Google Scholar] [CrossRef] [Green Version]
- Basu, K.; Prasad, J.S.S.; Narayanan, G.; Krishnamurthy, H.K.; Ayyanar, R. Reduction of Torque Ripple in Induction Motor Drives Using an Advanced Hybrid PWM Technique. IEEE Trans. Ind. Electron. 2010, 57, 2085–2091. [Google Scholar] [CrossRef]
- Narayanan, G.; Krishnamurthy, H.K.; Zhao, D.; Ayyanar, R. Advanced bus-clamping PWM techniques based on space vector approach. IEEE Trans. Power Electron. 2006, 21, 974–984. [Google Scholar] [CrossRef]
- Bhavsar, T.; Narayanan, G. Harmonic Analysis of Advanced Bus-Clamping PWM Techniques. IEEE Trans. Power Electron. 2009, 24, 2347–2352. [Google Scholar] [CrossRef]
- Wang, Y. PWM Techniques and Current Ripple Analysis of Three-Phase Voltage Source Converters. Master’s Thesis, Chongqing University, Chongqing, China, 2016. [Google Scholar]
- Yepes, A.G.; Vidal, A.; Malvar, J.; Lopez, O.; Doval-Gandoy, J. Tuning Method Aimed at Optimized Settling Time and Overshoot for Synchronous Proportional-Integral Current Control in Electric Machines. IEEE Trans. Power Electron. 2014, 29, 3041–3054. [Google Scholar] [CrossRef]


























| Sa,Sb,Sc | Vphase | Vs |
|---|---|---|
| 000 | ||
| 100 | ||
| 110 | ||
| 010 | ||
| 011 | ||
| 001 | ||
| 101 | ||
| 111 |
| Voltage Sequence | Sequence Number |
|---|---|
| Convention sequence | 0127 |
| Bus-clamping sequence 1 | 012 |
| Bus-clamping sequence 2 | 721 |
| Double switching bus-clamping sequence 1 | 0121 |
| Double switching bus-clamping sequence 2 | 7212 |
| Double switching bus-clamping sequence 3 | 1012 |
| Double switching bus-clamping sequence 4 | 2721 |
| Sector | I | II | III | IV | V | VI |
|---|---|---|---|---|---|---|
| Dmax | A | B | B | C | C | A |
| Dmed | B | A | C | B | A | C |
| Dmin | C | C | A | A | B | B |
| Vnondiv | V2 | V2 | V4 | V4 | V6 | V6 |
| Vdiv | V1 | V3 | V3 | V5 | V5 | V1 |
| Parameters | Values | Units |
|---|---|---|
| Rated power | 3.7 | kW |
| Rated torque | 11.8 | Nm |
| Rated speed | 3000 | r/min |
| Rated voltage | 310 | V |
| Rated current | 19.7 | A |
| Resistance | 0.38 | Ω |
| Inductance | 3.3 | mH |
| Rotor flux linkage | 0.15 | Wb |
| Pole numbers | 2 | \ |
| Maximum speed | 24,000 | r/min |
| Maximum current | 32 | A |
| 0127 Sequence | 0121 Sequence | Variant Quantities | |
|---|---|---|---|
| THD obtained by experiment (m = 0.51) | 9.95% | 12.68% | 2.73% |
| THD obtained by experiment (m = 0.79) | 24.72% | 20.68% | −4.04% |
| THD obtained by experiment (m = 0.83) | 31.46% | 23.87% | −7.6% |
| Current ripple obtained by experiment (m = 0.51) | 6.3 A | 12.6 A | 6.3 A |
| Current ripple obtained by experiment (m = 0.79) | 7.2 A | 5.4 A | −1.8 A |
| Current ripple obtained by experiment (m = 0.83) | 7.5 A | 5.2 A | −2.3 A |
| THD obtained by simulation (m = 0.51) | 3.87% | 6.29% | 2.42% |
| THD obtained by simulation (m = 0.79) | 10.39% | 8.17% | −2.22% |
| THD obtained by simulation (m = 0.83) | 12.77% | 8.46% | −4.31% |
| Current ripple obtained by simulation (m = 0.51) | 4.7 A | 8.1 A | 3.4 A |
| Current ripple obtained by simulation (m = 0.79) | 5.5 A | 3.0 A | −2.2 A |
| Current ripple obtained by simulation (m = 0.83) | 5.4 A | 3.4 A | −2 A |
Publisher’s Note: MDPI stays neutral with regard to jurisdictional claims in published maps and institutional affiliations. |
© 2022 by the authors. Licensee MDPI, Basel, Switzerland. This article is an open access article distributed under the terms and conditions of the Creative Commons Attribution (CC BY) license (https://creativecommons.org/licenses/by/4.0/).
Share and Cite
Wang, Z.; Niu, Y.; Yan, X.; Gu, X. Low-Carrier-Ratio Modulation Strategy Based on Improved Flux Ripple Model. Energies 2022, 15, 2173. https://doi.org/10.3390/en15062173
Wang Z, Niu Y, Yan X, Gu X. Low-Carrier-Ratio Modulation Strategy Based on Improved Flux Ripple Model. Energies. 2022; 15(6):2173. https://doi.org/10.3390/en15062173
Chicago/Turabian StyleWang, Zhiqiang, Yan Niu, Xiayu Yan, and Xin Gu. 2022. "Low-Carrier-Ratio Modulation Strategy Based on Improved Flux Ripple Model" Energies 15, no. 6: 2173. https://doi.org/10.3390/en15062173
APA StyleWang, Z., Niu, Y., Yan, X., & Gu, X. (2022). Low-Carrier-Ratio Modulation Strategy Based on Improved Flux Ripple Model. Energies, 15(6), 2173. https://doi.org/10.3390/en15062173

