Numerical Study of Constant Pressure Systems with Variable Speed Electric Pumps
Abstract
1. Introduction
2. Materials and Methods
2.1. Capacity Regulation Methods in Centrifugal Pumps
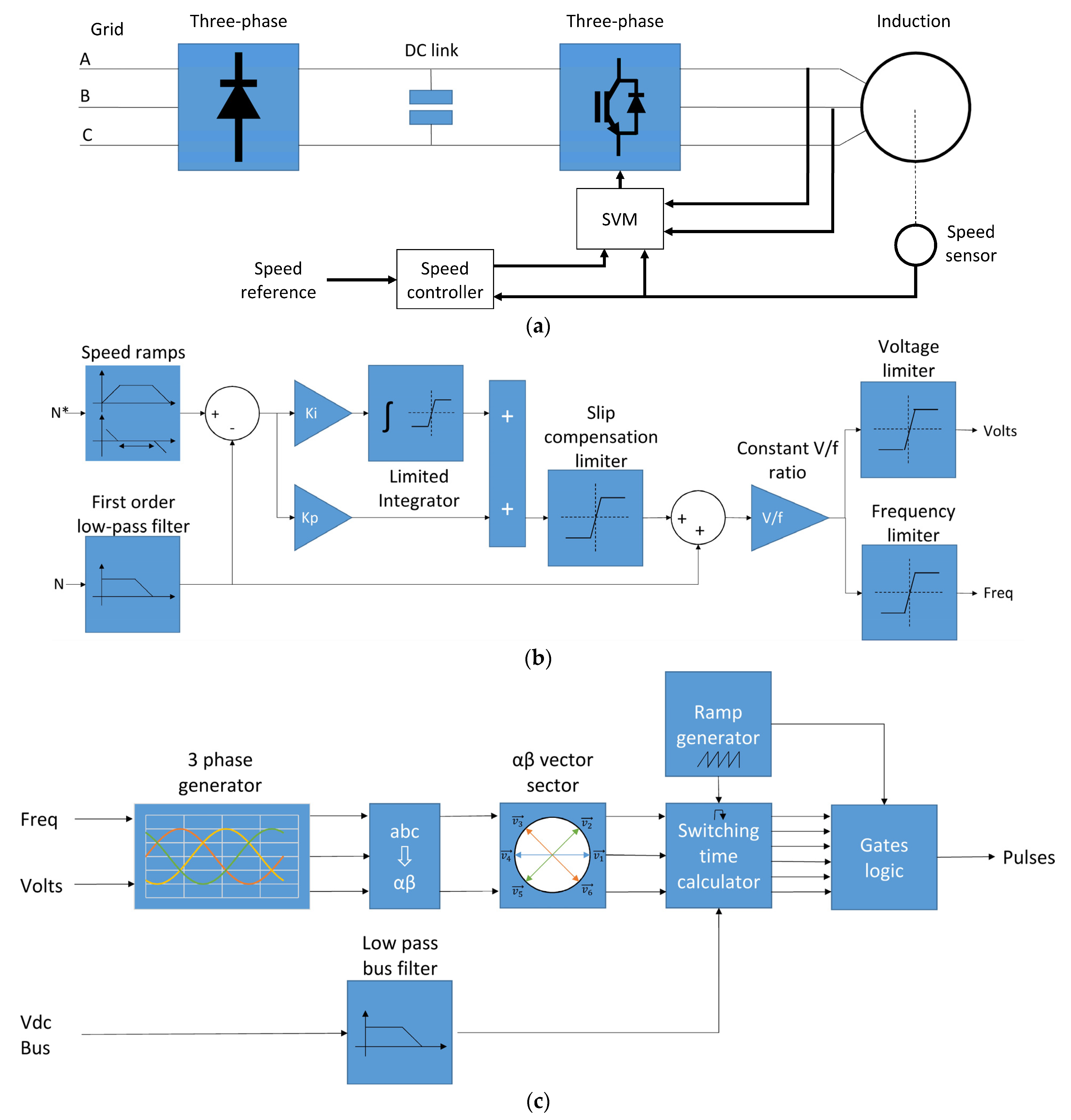
2.2. Electrical Power and Control System
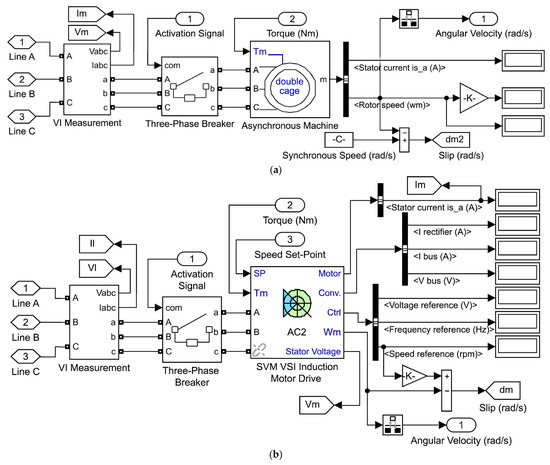
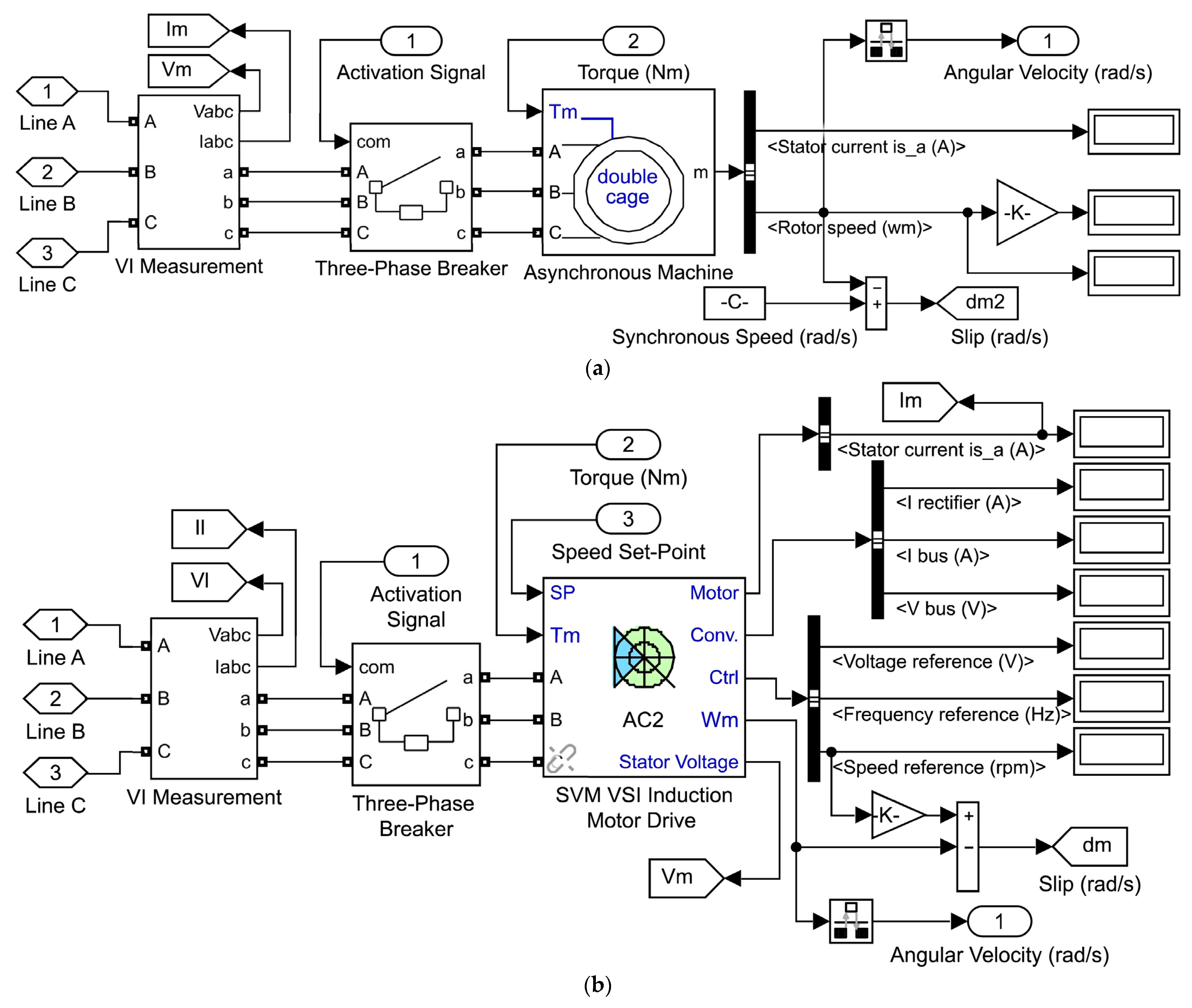
2.3. Study Cases for Modeling and Simulation
2.3.1. Pumping System Model
2.3.2. Hydropneumatic Tank Model
2.3.3. Piping System Model
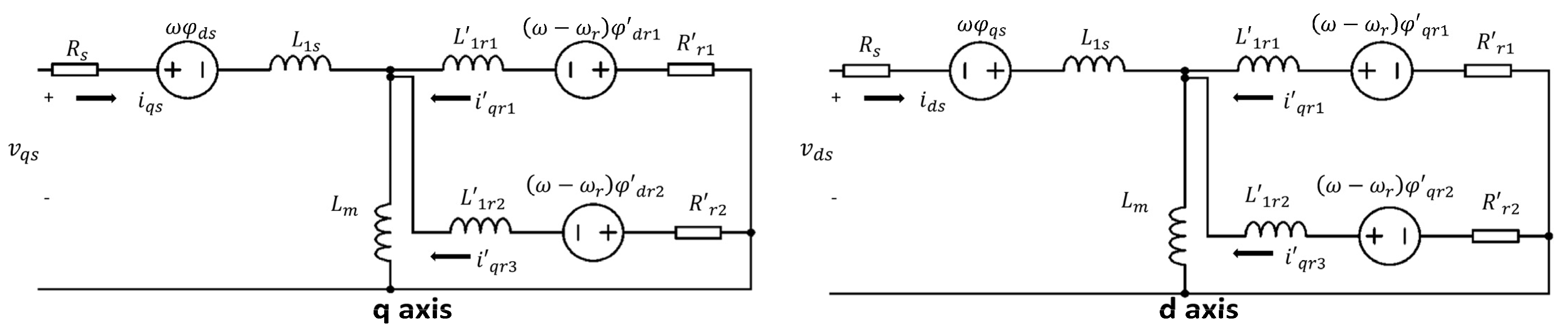
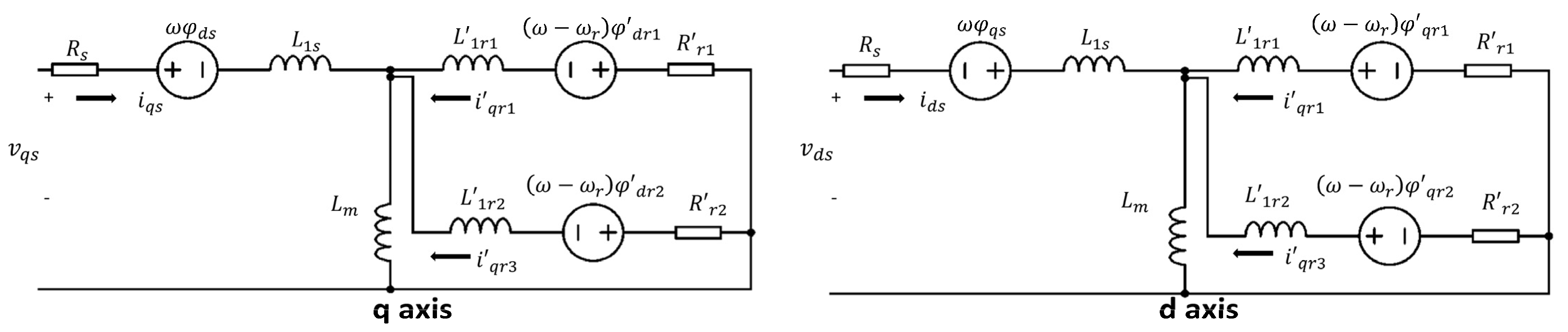
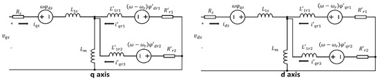
2.3.4. Induction Motor Model
2.3.5. Variable Speed Drive Model
2.3.6. Process Control System
3. Results and Discussion
3.1. Dynamic Response
- -
- Test 1: In low flow conditions with a pump operating at variable speed. This operation was the same in both study cases;
- -
- Test 2: In high flow conditions with two pumps operating in parallel. In case one, one pump operated at a fixed speed and the other at variable speed, and in case two, both pumps were at variable speed.
3.2. Starting Current and Harmonic Distortion
3.3. Power Saving
3.4. Investment Costs
3.5. Evaluation of the Case Studies
4. Conclusions
Author Contributions
Funding
Institutional Review Board Statement
Informed Consent Statement
Data Availability Statement
Conflicts of Interest
Abbreviations and Symbols
| Nominal flow rate of the pump | |
| Arbitrary flow rate | |
| Nominal angular velocity of the pump | |
| Arbitrary angular velocity | |
| Density of the fluid at nominal values | |
| Density of the fluid at arbitrary values | |
| Differential pressure at nominal flow rate | |
| Differential pressure at arbitrary flow rate | |
| Hydraulic power at nominal conditions | |
| Hydraulic power at arbitrary conditions | |
| Theoretical hydraulic power | |
| Euler pressure | |
| Power of friction losses | |
| Constant torque on the impeller shaft | |
| Torque-pressure relationship | |
| Brake horsepower | |
| Braking torque | |
| Centrifugal pump efficiency | |
| Total volume of the accumulator | |
| Volume of the fluid in the accumulator | |
| Initial volume of fluid in the accumulator | |
| Total capacity of the fluid chamber | |
| Dead volume of the gas chamber | |
| Gauge pressure of the fluid in the fluid chamber | |
| Gauge pressure in the gas chamber when de fluid chamber is full | |
| Atmospheric pressure | |
| Pressure of the gas in the gas chamber | |
| Contact pressure of the hard stop | |
| Stiffness coefficient of the hard stop | |
| Damping coefficient of the hard stop | |
| Specific heat ratio (adiabatic index) | |
| Flow rate inside the accumulator | |
| Pressure lost along the pipe | |
| Flow rate in the pipe | |
| Reynolds number | |
| Maximum Reynolds number in laminar flow | |
| Minimum Reynolds number in turbulent flow | |
| Form factor characterizing the pipe section | |
| Friction factor at the laminar edge | |
| Friction factor at turbulent edge | |
| Cross-sectional area of the pipe | |
| Diameter of the hydraulic pipe | |
| Geometric length of the pipe | |
| Total equivalent length by local resistances | |
| Height of the roughness on the internal surface of the pipe | |
| Kinematic viscosity of the fluid | |
| Stator leakage resistance and inductance | |
| Magnetization inductance | |
| Total inductance of the stator | |
| Stator voltage and current, referred to the q axis | |
| Stator voltage and current, referred to the d axis | |
| Stator fluxes referred to the q axis and the d axis | |
| Leakage resistance and inductance of rotor cage 1 | |
| Leakage resistance and inductance of rotor cage 2 | |
| Total inductance of cage 1 and 2 of the rotor | |
| Current of cage 1 and 2 of the rotor, referred to q axis | |
| Current of cage 1 and 2 of the rotor, referred to d axis | |
| Fluxes of the rotor cage 1 referred to q y and d axes | |
| Fluxes of the rotor cage 2 referred to q y and d axes | |
| Angular velocity of the rotor | |
| Angular position of the rotor | |
| Number of pole pairs | |
| Electrical angular velocity () | |
| Angular position of the electric motor () | |
| Electromagnetic torque | |
| Mechanical torque on the shaft | |
| Coefficient of inertia of the rotor/load assembly | |
| Inertia constant of the rotor/load set | |
| Viscosity coefficient of friction of the rotor/load assembly | |
| Speed set point in rpm | |
| Speed feedback in rpm | |
| Control signal | |
| Control error | |
| Proportional gain | |
| Integral time | |
| Derivative time | |
| BEP | Best efficiency point | 
| PI | Proportional and integral | 
| PID | Proportional, integral and derivative | 
| PLC | Programmable logic controller | 
| POR | Preferred operating region | 
| PWM | Pulse with modulation | 
| SVM | Space vector modulation | 
| THD | Total harmonic distortion | 
| V/f | Voltage/frequency ratio | 
| VSI | Voltage source inverter | 
| VSD | Variable speed drive | 
References
- Werkhoven, M.V.; Werle, R.; Brunner, C.U. Policy Guidelines for Motor Driven Units. Part 2: Recommendations for Aligning Standards and Regulations for Pumps, Fans and Compressors; 4E Electric Motor Systems Annex: Zurich, Switzerland, 2018; Available online: https://www.iea-4e.org/wp-content/uploads/publications/2018/05/PGMdu_Final_250418.pdf (accessed on 14 October 2021).
- Rakibuzzaman, M.; Kim, K.; Kim, H.-H.; Suh, S.-H. Energy saving rates for a multistage centrifugal pump with variable speed drive. J. Power Technol. 2017, 97, 163–168. [Google Scholar]
- Shankar, V.K.A.; Umashankar, S.; Paramasivam, S.; Norbert, H. Real time simulation of Variable Speed Parallel Pumping system. Energy Procedia 2017, 142, 2102–2108. [Google Scholar] [CrossRef]
- Arun Shankar, V.K.; Umashankar, S.; Paramasivam, S.; Hanigovszki, N. A comprehensive review on energy efficiency enhancement initiatives in centrifugal pumping system. Appl. Energy 2016, 181, 495–513. [Google Scholar] [CrossRef]
- Andrade-Cedeno, R. Gestión Energética de una Estación de Bombeo mediante el uso del Control Estadístico de Procesos. Estudio de Caso: Acueducto “La Esperanza”—Refinería del Pacífico. Rev. Politécnica 2018, 40, 7–18. [Google Scholar]
- Arun Shankar, V.K.; Umashankar, S.; Padmanaban, S.; Bhaskar, M.S.; Almakhles, D. Investigation for Performances Comparison PI, Adaptive PI, Fuzzy Speed Control Induction Motor for Centrifugal Pumping Application. In Proceedings of the 2019 IEEE 13th International Conference on Compatibility, Power Electronics and Power Engineering (CPE-POWERENG), Sonderborg, Denmark, 23–25 April 2019; pp. 1–6. [Google Scholar] [CrossRef]
- Boldea, I.; Moldovan, A.; Tutelea, L. Scalar V/f and I-f control of AC motor drives: An overview. In Proceedings of the 2015 Intl Aegean Conference on Electrical Machines & Power Electronics (ACEMP), 2015 Intl Conference on Optimization of Electrical & Electronic Equipment (OPTIM) & 2015 Intl Symposium on Advanced Electromechanical Motion Systems (ELECTROMOTION), Side, Turkey, 2–4 September 2015; pp. 8–17. [Google Scholar]
- Elan, S.; Aishwarya, A. Simulation & Development of Inverter Fed Three Phase Induction Motor Using V/f Control Strategy. Int. J. Emerg. Technol. Adv. Eng. 2014, 4, 151–156. [Google Scholar]
- Zhang, Z.; Liu, Y.; Bazzi, A.M. An improved high-performance open-loop V/f control method for induction machines. In Proceedings of the 2017 IEEE Applied Power Electronics Conference and Exposition (APEC), Tampa, FL, USA, 26–30 March 2017; pp. 615–619. [Google Scholar] [CrossRef]
- Chitra, A.; Sultana, W.R.; Vanishree, J.; Sreejith, S.; Jose, S.; Pulickan, A.J. Performance Comparison of Multilevel Inverter Topologies for Closed Loop v/f Controlled Induction Motor Drive. Energy Procedia 2017, 117, 958–965. [Google Scholar] [CrossRef]
- Nasser, A.; Szemes, P.T. Speed Control of Three Phase Induction Motor Using Scalar Method and PID Controller. Recent Innov. Mechatron. (RIiM) 2018, 5, 1–5. [Google Scholar] [CrossRef][Green Version]
- Behera, P.K.; Behera, M.K.; Sahoo, A.K. Speed Control of Induction Motor using Scalar Control Technique. IJCA Proc. Int. Conf. Emerg. Trends Comput. Commun. ETCC 2014, 1, 37–39. [Google Scholar]
- Hartono, H.; Sudjoko, R.I.; Iswahyudi, P. Speed Control of Three Phase Induction Motor Using Universal Bridge and PID Controller. J. Phys. Conf. Ser. 2019, 1381, 1–8. [Google Scholar] [CrossRef]
- Moreano Peña, J.; Vásquez Díaz, E. Implementation of V/f scalar control for speed regulation of a three-phase induction motor. In Proceedings of the 2016 IEEE ANDESCON, Arequipa, Peru, 19–21 October 2016; pp. 1–4. [Google Scholar] [CrossRef]
- Andrade-Cedeno, R.; Perez-Rodriguez, J.A. Análisis del control V/f con SVM en un accionamiento de velocidad variable. Dominios De La Cienc. 2021, 7, 38–62. [Google Scholar]
- Lysenko, O.A.; Simakov, A.V. The Pump Hydraulic Load Effect Determination on the Parameters of an Frequency-Controlled Asynchronous Electric Drive. In Proceedings of the XIII International Scientific and Technical Conference “Dynamics of Systems, Mechanisms and Machines” (Dynamics), Omsk, Russia, 5–7 November 2019; pp. 1–6. [Google Scholar] [CrossRef]
- Abdelwanis, M.I.; Selim, F. A sensorless six-phase induction motor driving a centrifugal pump system. In Proceedings of the 2017 Nineteenth International Middle East Power Systems Conference (MEPCON), Cairo, Egypt, 19–21 December 2017; pp. 242–247. [Google Scholar] [CrossRef]
- Gevorkov, L.; Vodovozov, V.; Raud, Z. Simulation study of the pressure control system for a centrifugal pump. In Proceedings of the 2016 57th International Scientific Conference on Power and Electrical Engineering of Riga Technical University (RTUCON), Riga, Latvia, 13–14 October 2016; pp. 1–5. [Google Scholar] [CrossRef]
- Arun Shankar, V.K.; Umashankar, S.; Paramasivam, S.; Hanigovszki, N. An Energy Efficient Control Algorithm for Parallel Pumping Industrial Motor Drives System. In Proceedings of the 2018 IEEE International Conference on Power Electronics, Drives and Energy Systems (PEDES), Chennai, India, 23–25 April 2019; pp. 1–6. [Google Scholar] [CrossRef]
- Oshurbekov, S.; Kazakbaev, V.; Prakht, V.; Dmitrievskii, V.; Gevorkov, L. Energy Consumption Comparison of a Single Variable-Speed Pump and a System of Two Pumps: Variable-Speed and Fixed-Speed. Appl. Sci. 2020, 10, 8820. [Google Scholar] [CrossRef]
- Viholainen, J. Energy-efficient control strategies for variable speed driven parallel pumping systems based on pump operation point monitoring with frequency converters. Ph.D. Thesis, Lappeenranta University of Technology, Lappeenranta, Finlandia, 2014. [Google Scholar]
- Andrade-Cedeño, R. Módulo didáctico para controlar nivel y caudal de agua, mediante sistema SCADA, PLC y algoritmo PID. RIEMAT 2019, 4, 50–62. [Google Scholar] [CrossRef]
- Sarbu, I.; Valea, E.S. Energy Savings Potential for Pumping Water in District Heating Stations. Sustainability 2015, 7, 5705–5719. [Google Scholar] [CrossRef]
- Al-Ani, D.S. Energy Optimization Strategy for System-Operational Problems. Ph.D. Thesis, McMaster University, Hamilton, ON, Canada, 2012. [Google Scholar]
- ANSI; Hydraulic Institute. Rotodynamic (Centrifugal and Vertical) Pumps—Guideline for Allowable Operating Region (ANSI/HI 9.6.3-2017); Hydraulic Institute: Parsippany, NJ, USA, 2017. [Google Scholar]
- Ahmed, A.; Moharam, B.; Rashad, E. Power Saving of Multi Pump-Motor Systems Using Variable Speed Drives. In Proceedings of the 2018 Twentieth International Middle East Power Systems Conference (MEPCON), Cairo, Egypt, 18–20 December 2018; pp. 839–844. [Google Scholar] [CrossRef]
- Bharti, R.; Kumar, M.; Prasad, B.M. V/F Control of Three Phase Induction Motor. In Proceedings of the 2019 International Conference on Vision Towards Emerging Trends in Communication and Networking (ViTECoN), Vellore, India, 30–31 March 2019; pp. 1–4. [Google Scholar] [CrossRef]
- Anjum, F.; Sharma, N. Speed Control of Induction Motor using Hybrid PID Fuzzy Controller. Int. Res. J. Eng. Technol. (IRJET) 2018, 5, 576–580. [Google Scholar]
- Arnanz, R.; García, F.J.; Miguel, L.J. Métodos de control de motores de inducción: Síntesis de la situación actual. Rev. Iberoam. De Automática E Inf. Ind. RIAI 2016, 13, 381–392. [Google Scholar] [CrossRef]
- Pati, S.; Patnaik, M.; Panda, A. Comparative performance analysis of fuzzy PI, PD and PID controllers used in a scalar controlled induction motor drive. In Proceedings of the 2014 International Conference on Circuits, Power and Computing Technologies [ICCPCT-2014], Nagercoil, India, 20–21 March 2014; pp. 910–915. [Google Scholar] [CrossRef]
- Bonavita, N. How process automation can increase energy efficiency. In Hydrocarbon Processing; Gulf Energy Information: Genoa, Italy, 2013; pp. 71–75. Available online: https://library.e.abb.com/public/953141f99f2f77f985257b810060bb17/Hydrocarbon%20Processing%20June%202013%20Energy%20Efficiency.pdf (accessed on 3 December 2021).
- Likins, M. PID tuning improves process efficiency. In Control Engineering; CFE Media and Technology: Downers Grove, IL, USA, 2013; Available online: https://www.controleng.com/articles/pid-tuning-improves-process-efficiency/ (accessed on 10 December 2021).
- Gomes, F.J.; Queiroz, F.P.; Lopes, I.F.; Coelho, A.A.R. Energy Savings in Industrial Processes: A Case Study of Strategies and Tuning Procedures for PI and PID Controllers. IFAC Proc. Vol. 2012, 45, 607–612. [Google Scholar] [CrossRef]
- MathWorks Help Center. Centrifugal Pump with Choice of Parameterization Options. Available online: https://la.mathworks.com/help/physmod/hydro/ref/centrifugalpump.html (accessed on 12 January 2022).
- MathWorks Help Center. Hydraulic Accumulator with Gas as Compressible Medium. Available online: https://la.mathworks.com/help/physmod/hydro/ref/gaschargedaccumulator.html (accessed on 12 January 2022).
- MathWorks Help Center. Hydraulic Resistive Tube. Available online: https://la.mathworks.com/help/physmod/simscape/ref/hydraulicresistivetube.html (accessed on 12 January 2022).
- MathWorks Help Center. Transformadas de Clarke y Park. Available online: https://la.mathworks.com/solutions/power-electronics-control/clarke-and-park-transforms.html (accessed on 12 January 2022).
- MathWorks Help Center. Universal Bridge. Available online: https://la.mathworks.com/help/physmod/sps/powersys/ref/universalbridge.html (accessed on 12 January 2022).
- MathWorks Help Center. Space Vector PWM VSI Induction Motor Drive. Available online: https://la.mathworks.com/help/physmod/sps/powersys/ref/spacevectorpwmvsiinductionmotordrive.html (accessed on 12 January 2022).
- Ogata, K. Ingeniería de Control Moderna; Pearson Educación S.A.: Madrid, Spain, 2010. [Google Scholar]
- Latchooomun, L.; Sockalingum, T.; Poullé, K.V.; King, R.T.F.A.; Busawon, K.K.; Barbot, J.P. Design of a Water Pressure Boosting System for Pressure-Driven Demand in a Distribution Network. In Proceedings of the 2018 5th International Symposium on Environment-Friendly Energies and Applications (EFEA), Rome, Italy, 24–26 September 2018; pp. 1–6. [Google Scholar] [CrossRef]
- Khayatzadeh, F.; Ghafouri, J. Dynamical modeling of frequency controlled variable speed parallel multistage centrifugal pumps. Arch. Mech. Eng. 2015, 62, 347–361. [Google Scholar] [CrossRef]
- Greenwood, S. Soft starter benefits in pump control. World Pumps 2015, 2015, 24–27. [Google Scholar] [CrossRef]
- Lale, D.; Oršulić, M.; Palunko, I. Modelling and soft-start control of measurement and transport line. In Proceedings of the 2020 International Conference on Smart Systems and Technologies (SST), Osijek, Croatia, 14–16 October 2020; pp. 59–64. [Google Scholar] [CrossRef]
- Matanov, N. Study of the impact of induction motors starting on the supply voltage. In Proceedings of the 2019 16th Conference on Electrical Machines, Drives and Power Systems (ELMA), Varna, Bulgaria, 6–8 June 2019; pp. 1–5. [Google Scholar] [CrossRef]
- Habyarimana, M.; Dorrell, D.G. Methods to reduce the starting current of an induction motor. In Proceedings of the 2017 IEEE International Conference on Power, Control, Signals and Instrumentation Engineering (ICPC-SI), Chennai, India, 21–22 September 2017; pp. 34–38. [Google Scholar] [CrossRef]
- Zare, F.; Soltani, H.; Kumar, D.; Davari, P.; Delpino, H.A.M.; Blaabjerg, F. Harmonic Emissions of Three-Phase Diode Rectifiers in Distribution Networks. IEEE Access 2017, 5, 2819–2833. [Google Scholar] [CrossRef]
- Srividhya, J.P.; Sivakumar, D.; Shanmathi, T. A Review on causes, effects, and detection techniques of harmonics in the power system. In Proceedings of the 2016 International Conference on Computation of Power, Energy Information and Commuincation (ICCPEIC), Melmaruvathur, India, 20–21 April 2016; pp. 680–686. [Google Scholar] [CrossRef]
- Kalair, A.; Abas, N.; Kalair, A.R.; Saleem, Z.; Khan, N. Review of harmonic analysis, modeling and mitigation techniques. Renew. Sustain. Energy Rev. 2017, 78, 1152–1187. [Google Scholar] [CrossRef]
- Beleiu, H.G.; Maier, V.; Pavel, S.G.; Birou, I.; Pică, C.S.; Dărab, P.C. Harmonics Consequences on Drive Systems with Induction Motor. Appl. Sci. 2020, 10, 1528. [Google Scholar] [CrossRef]
- Zhang, D.; An, R.; Wu, T. Effect of voltage unbalance and distortion on the loss characteristics of three-phase cage induction motor. IET Electr. Power Appl. 2018, 12, 264–270. [Google Scholar] [CrossRef]
- Narayanasamy, B.; Sathyanarayanan, A.S.; Deshpande, A.; Luo, F. Impact of cable and motor loads on wide bandgap device switching and reflected wave phenomenon in motor drives. In Proceedings of the 2017 IEEE Applied Power Electronics Conference and Exposition (APEC), Tampa, FL, USA, 26–30 March 2017; pp. 931–937. [Google Scholar] [CrossRef]
- Narayanasamy, B.; Sathyanarayanan, A.S.; Luo, F.; Chen, C. Reflected Wave Phenomenon in SiC Motor Drives: Consequences, Boundaries, and Mitigation. IEEE Trans. Power Electron. 2020, 35, 10629–10642. [Google Scholar] [CrossRef]
- Lozanov, Y.; Tzvetkova, S.; Petleshkov, A. Study of the effectiveness of a variable frequency drive of an induction motor. In Proceedings of the 2019 11th Electrical Engineering Faculty Conference (BulEF), Varna, Bulgaria, 11–14 September 2019; pp. 1–6. [Google Scholar] [CrossRef]
- Agamloh, E.; Cavagnino, A.; Vaschetto, S. Induction Machine Efficiency at Variable Frequencies. In Proceedings of the 2019 IEEE Energy Conversion Congress and Exposition (ECCE), Baltimore, MD, USA, 29 September–3 October 2019; pp. 1655–1662. [Google Scholar] [CrossRef]
- Burt, C.; Piao, X.; Gaudi, F.; Busch, B.; Taufik, N.F. Electric Motor Efficiency under Variable Frequencies and Loads. J. Irrig. Drain. Eng.-ASCE 2008, 134, 129–136. [Google Scholar] [CrossRef]
















| Study Case | Pumps Running | Waveform | Current | Voltage | ||
|---|---|---|---|---|---|---|
| Line | Motor | Line | Motor | |||
| 1, 2 | 1 | Figure 15a | 79.00 | 35.17 | 4.93 | 57.5 | 
| 1 | 2 | Figure 15b | 33.87 | - | 4.30 | - | 
| 2 | 2 | Figure 15c | 47.47 | - | 7.08 | - | 
| Scenarios | Total Mechanical Power | Savings Compared to the Base Case | |||||
|---|---|---|---|---|---|---|---|
| Valve 1 | Valve 2 | Pumps Running | Base Case | Case 1 | Case 2 | Case 1 | Case 2 | 
| % | % | kW | kW | kW | % | % | |
| 100 | 100 | 2 | 6.75 | 6.55 | 6.70 | 3.07 | 0.83 | 
| 75 | 100 | 2 | 6.57 | 5.76 | 5.83 | 12.32 | 11.28 | 
| 50 | 100 | 2 | 6.33 | 5.29 | 5.06 | 16.40 | 20.07 | 
| 25 | 100 | 2 | 6.04 | 4.84 | 4.33 | 19.95 | 28.29 | 
| 0 | 100 | 1 | 3.47 | 3.72 | 3.72 | 7.43 | 7.43 | 
| 0 | 75 | 1 | 3.23 | 2.72 | 2.72 | 15.77 | 15.77 | 
| 0 | 50 | 1 | 2.88 | 1.92 | 1.92 | 33.41 | 33.41 | 
| 0 | 25 | 1 | 2.37 | 1.25 | 1.25 | 47.23 | 47.23 | 
| Evaluation Criteria | Study Case | ||
|---|---|---|---|
| Base Case: Fixed Speed Pumps | Case 1: One Variable Speed Pump | Case 2: Both Pumps at Variable Speed | |
| Pressure Control | At 40 psi ± hysteresis | Constant at 40 psi | Constant at 40 psi | 
| Hydropneumatic tank capacity | 80 gallons | 10 gallons | 10 gallons | 
| Starting Current | Up to 8.5 times nominal | Up to 3 times the nominal | Up to 3 times the nominal | 
| Harmonic Content | No harmonics | > THD | ≫ THD | 
| Save Energy | There are no savings | Up to 47.23% savings in low flow rates Up to 19.95% savings in high flow rates | Up to 47.23% savings in low flow rates Up to 28.29% savings in high flow rates | 
| Investment Costs | Less | Intermediate | Higher | 
| Publisher’s Note: MDPI stays neutral with regard to jurisdictional claims in published maps and institutional affiliations. | 
© 2022 by the authors. Licensee MDPI, Basel, Switzerland. This article is an open access article distributed under the terms and conditions of the Creative Commons Attribution (CC BY) license (https://creativecommons.org/licenses/by/4.0/).
Share and Cite
Andrade-Cedeno, R.J.; Pérez-Rodríguez, J.A.; Amaya-Jaramillo, C.D.; Rodríguez-Borges, C.G.; Llosas-Albuerne, Y.E.; Barros-Enríquez, J.D. Numerical Study of Constant Pressure Systems with Variable Speed Electric Pumps. Energies 2022, 15, 1918. https://doi.org/10.3390/en15051918
Andrade-Cedeno RJ, Pérez-Rodríguez JA, Amaya-Jaramillo CD, Rodríguez-Borges CG, Llosas-Albuerne YE, Barros-Enríquez JD. Numerical Study of Constant Pressure Systems with Variable Speed Electric Pumps. Energies. 2022; 15(5):1918. https://doi.org/10.3390/en15051918
Chicago/Turabian StyleAndrade-Cedeno, Rogger José, Jesús Alberto Pérez-Rodríguez, Carlos David Amaya-Jaramillo, Ciaddy Gina Rodríguez-Borges, Yolanda Eugenia Llosas-Albuerne, and José David Barros-Enríquez. 2022. "Numerical Study of Constant Pressure Systems with Variable Speed Electric Pumps" Energies 15, no. 5: 1918. https://doi.org/10.3390/en15051918
APA StyleAndrade-Cedeno, R. J., Pérez-Rodríguez, J. A., Amaya-Jaramillo, C. D., Rodríguez-Borges, C. G., Llosas-Albuerne, Y. E., & Barros-Enríquez, J. D. (2022). Numerical Study of Constant Pressure Systems with Variable Speed Electric Pumps. Energies, 15(5), 1918. https://doi.org/10.3390/en15051918
 
         
                                                

 
       