Design and Analysis of a Multi-Input Multi-Output System for High Power Based on Improved Magnetic Coupling Structure
Abstract
:1. Introduction
2. Analysis of Magnetic Coupling Structure
2.1. Magnetic Coupling Structure of Single-Coil and Multi-Coil
2.2. Magnetic Circuit Analysis of Single-Coil and Multi-Coil Magnetic Coupling Structures
2.3. Magnetic Field Analysis between Multiple Coils
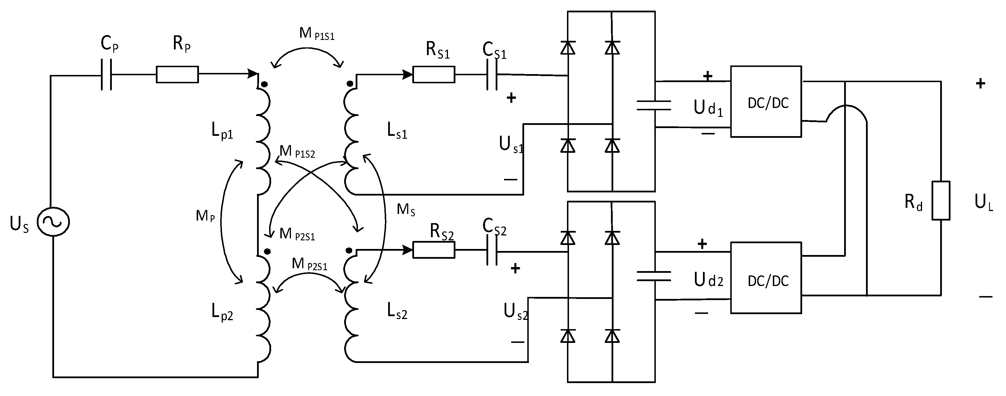
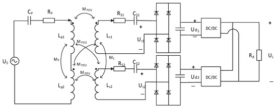
3. Design and Analysis of MIMO System Circuit
3.1. MIMO System Circuit
3.2. Resonance Compensation Parameter Configuration Method
4. Analysis of MIMO System Performance
4.1. Analysis of Power and Efficiency Analysis
4.2. Failure Analysis
5. Simulation and Physical Experiment Verification
5.1. Simulation Verification
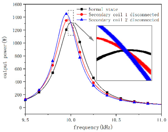
5.1.1. Analysis of Output Power and Transmission Efficiency
5.1.2. Fault Simulation Analysis
5.2. Physical Experiment
- A U-shaped and E-shaped magnetic coupling structure scaled down by the medical CT machine equipment at a ratio of 10:1, as illustrated in Figure 12. To reduce the eddy current loss inside the iron core, the method of superimposing the ferrite pieces is adopted;
- Two primary side coils and two secondary side coils;
- A frequency adjustment range of 1–120 kHz high-frequency power supply;
- Resonance compensation capacitors;
- Oscilloscope;
- Protection resistor and load resistors.
5.3. Experimental Results
6. Conclusions
- Based on the conventional SISO system with a U-shaped magnetic coupling structure, this paper proposed a MIMO system that comprised E-shaped and UE-shaped magnetic coupling structures with the same appearance size. By analysing the magnetic circuit, magnetic flux density, and coil of the magnetic coupling structure, it was noted that mutual coupling affected the magnetic field. It is concluded that the same directional connection of the coils of the E-shaped or UE-shaped magnetic structure has a strengthening effect on the secondary-side coupling.
- A MIMO system circuit was established, and a parameter configuration method for resonance compensation was proposed. The three-dimensional simulation software COMSOL was used to analyse the output power and transmission efficiency, respectively, and the fault analysis of the secondary side loop was performed. It is concluded that the power transmission performance of the E-shaped magnetic coupling structure is the best.
- An experimental platform of a 1 kW SISO system and MIMO system was built in the laboratory. Comparative experiments verified that under the same power supply and load, the power transmission capacity of the MIMO system was 2.18 times that of the SISO system, and the transmission efficiency was 92.2 %. Moreover, when the secondary side loop failed, the output power of the coil played the role of mutual support. The output power was unchanged, which verifies the reliability of the MIMO system.
Author Contributions
Funding
Conflicts of Interest
References
- Trevisan, R.; Costanzo, A. A 1-kW contactless energy transfer system based on a rotary transformer for sealing rollers. IEEE Trans. Ind. Electron. 2014, 61, 6337–6345. [Google Scholar] [CrossRef]
- Yang, J.; Zhang, Y.; Jiang, D. A Contactless Power transfer Device Applied to the CT System. In Proceedings of the 22nd International Conference on Electrical Machines and Systems (ICEMS), Harbin, China, 11–14 August 2019; pp. 1–5. [Google Scholar] [CrossRef]
- Klontz, K.W.; Divan, D.M.; Novotny, D.W. Contactless power delivery system for mining applications. IEEE Trans. Ind. Appl. 1995, 31, 27–35. [Google Scholar] [CrossRef]
- Wang, C.S.; Stielau, O.H.; Covic, G.A. Design considerations for a contactless electric vehicle battery charger. IEEE Trans. Ind. Electron. 2005, 52, 1308–1314. [Google Scholar] [CrossRef]
- Nansen, R.H. Wireless power transmission: The key to solar power satellites. IEEE Aerosp. Electron. Syst. Mag. 1996, 11, 33–39. [Google Scholar] [CrossRef]
- Li, S.; Mi, C.C. Wireless power transfer for electric vehicle applications. IEEE J. Emerg. Sel. Top. Power Electron. 2014, 3, 4–17. [Google Scholar]
- Ghahary, A.; Cho, B.H. Design of transcutaneous energy transmission system using a series resonant converter. IEEE Trans. Power Electron. 1992, 7, 261–269. [Google Scholar] [CrossRef]
- Zhang, W.; White, J.C.; Abraham, A.M.; Mi, C.C. Loosely coupled transformer structure and interoperability study for EV wireless charging systems. IEEE Trans. Power Electron. 2015, 30, 6356–6367. [Google Scholar] [CrossRef]
- Papastergiou, K.D.; Macpherson, D.E. An airborne radar power supply with contactless transfer of energy—Part I: Rotating transformer. IEEE Trans. Ind. Electron. 2007, 54, 2874–2884. [Google Scholar] [CrossRef]
- Abdolkhani, A.; Hu, A.P. Improved couplin applications. IEEE J. Emerg. G Des. Contactless Slipring Rotaryselected Top. Power Electron. 2014, 3, 288–295. [Google Scholar] [CrossRef]
- Potter, B.A.; Shirsavar, S.A. Design, implementation and characterisation of a contactless power transfer system for rotating applications. In Proceedings of the IECON 2006: 32nd Annual Conference on IEEE Industrial Electronics, Paris, France, 7–10 November 2006; IEEE: Piscataway, NJ, USA, 2006; pp. 2168–2173. [Google Scholar]
- Cui, S.; Bie, Z.; Zhang, J.; Song, K.; Zhu, C. A Redundancy Design of Wireless Power Transfer System for Satellite Slip Ring with High Reliability. In Proceedings of the 4th International Electrical and Energy Conference (CIEEC), Wuhan, China, 28–30 May 2021; IEEE: Piscataway, NJ, USA, 2021; pp. 1–6. [Google Scholar]
- Villa, J.L.; Sallan, J.; Osorio, J.F.S.; Llombart, A. High-misalignment tolerant compensation topology for ICPT systems. IEEE Trans. Ind. Electron. 2011, 59, 945–951. [Google Scholar] [CrossRef]
- Elliott, G.A.J.; Raabe, S.; Covic, G.A.; Boys, J.T. Multiphase Pickups for Large Lateral Tolerance Contactless Power-Transfer Systems. IEEE Trans. Ind. Electron. 2010, 57, 1590–1598. [Google Scholar] [CrossRef]
- Liu, Y.; Madawala, U.K.; Mai, R.; He, Z. An Optimal Multivariable Control Strategy for Inductive Power Transfer Systems to Improve Efficiency. IEEE Trans. Power Electron. 2020, 35, 8998–9010. [Google Scholar] [CrossRef]
- Zhang, W.; Mi, C.C. Compensation Topologies of High-Power Wireless Power Transfer Systems. IEEE Trans. Veh. Technol. 2016, 65, 4768–4778. [Google Scholar] [CrossRef]
- Li, S.; Li, W.; Deng, J.; Nguyen, T.D.; Mi, C.C. A Double-Sided LCC Compensation Network and Its Tuning Method for Wireless Power Transfer. IEEE Trans. Veh. Technol. 2015, 64, 2261–2273. [Google Scholar] [CrossRef]
- Li, W.; Zhao, H.; Deng, J.; Li, S.; Mi, C.C. Comparison study on SS and double-sided LCC compensation topologies for EV/PHEV wireless chargers. IEEE Trans. Veh. Technol. 2015, 65, 4429–4439. [Google Scholar] [CrossRef]
- Ke, G.; Chen, Q.; Gao, W.; Wong, S.C.; Tse, C.K.; Zhang, Z. Research on IPT Resonant Converters with High Misalignment Tolerance Using Multicoil Receiver Set. IEEE Trans. Power Electron. 2020, 35, 3697–3712. [Google Scholar] [CrossRef]
- Yuan, Z.; Saeedifard, M.; Cai, C.; Yang, Q.; Zhang, P.; Lin, H. A Misalignment Tolerant Design for a Dual-Coupled LCC-S-Compensated WPT System with Load-Independent CC Output. IEEE Trans. Power Electron. 2020, 37, 7480–7492. [Google Scholar] [CrossRef]
- Li, Y.; Mai, R.; Lin, T.; Sun, H.; He, Z. A novel WPT system based on dual transmitters and dual receivers for high power applications: Analysis, design and implementation. Energies 2017, 10, 174. [Google Scholar] [CrossRef] [Green Version]
- Ahn, D.; Hong, S. Effect of coupling between multiple transmitters or multiple receivers on wireless power transfer. IEEE Trans. Ind. Electron. 2013, 60, 2602–2613. [Google Scholar] [CrossRef]
- Skorvaga, J.; Pavelek, M. Review on high power WPT coil system design. In Proceedings of the 2021 International Conference on Electrical Drives & Power Electronics (EDPE), Dubrovnik, Croatia, 22–24 September 2021; pp. 13–18. [Google Scholar] [CrossRef]
- Li, Y.; Mai, R.; Lu, L.; He, Z. A Novel IPT System Based on Dual Coupled Primary Tracks for High Power Applications. J. Power Electron. 2016, 16, 111–120. [Google Scholar] [CrossRef]
- Hao, H.; Covic, G.A.; Boys, J.T. A parallel topology for inductive power transfer power supplies. IEEE Trans. Power Electron. 2014, 29, 1140–1151. [Google Scholar] [CrossRef]
- Li, Y.; Hu, J.F.; Li, X.F.; Mai, R.K. Efficiency Analysis and Optimization Control for Input-Parallel Output-Series Wireless Power Transfer Systems. IEEE Trans. Power Electron. 2020, 35, 1074–1085. [Google Scholar] [CrossRef]
- Feng, H.; Tavakoli, R.; Onar, O.C.; Pantic, Z. Advances in High-Power Wireless Charging Systems: Overview and Design Considerations. IEEE Trans. Transp. Electrif. 2020, 6, 886–919. [Google Scholar] [CrossRef]
- Zhao, J.; Cai, T.; Duan, S.; Feng, H.; Chen, C.; Zhang, X. A general design method of primary compensation network for dynamic WPT system maintaining stable transmission power. IEEE Trans. Power Electron. 2016, 31, 8343–8358. [Google Scholar] [CrossRef]
- Pellitteri, F.; Boscaino, V.; Di Tommaso, A.O.; Miceli, R.; Capponi, G. Experimental test on a Contactless Power Transfer system. In Proceedings of the Ninth International Conference on Ecological Vehicles and Renewable Energies (EVER), Monte-Carlo, Monaco, 25–27 March 2014; IEEE: Piscataway, NJ, USA, 2014; pp. 1–6. [Google Scholar]
















| N | L (mH) | Meq (mH) | Cp (nF) | Cs (nF) | |
|---|---|---|---|---|---|
| U | 60 | 3.57 | 0.68 | 70.99 | 70.99 |
| E (coil p1) | 30 | 1.20 | 0.31 | 77.90 | 167.96 |
| E (coil p2) | 30 | 1.36 | 0.35 | - | 160.13 |
| UE (coil p1) | 20 | 0.65 | 0.20 | 80.89 | 278.99 |
| UE (coil p2) | 20 | 0.73 | 0.22 | - | 227.76 |
| UE (coil p3) | 20 | 0.78 | 0.23 | - | 226.67 |
| Symbol | Value | Symbol | Value |
|---|---|---|---|
| 100 V | 0.13 μF | ||
| 1.96 mH | 0.11 μF | ||
| 2.27 mH | 0.13 Ω | ||
| 10 Ω | 0.13 Ω | ||
| 60 | 5 Ω | ||
| 10 mm | - | - |
| Symbol | Value | Symbol | Value |
|---|---|---|---|
| 100 V | 0.32 μF | ||
| 0.69 mH | 0.27 μF | ||
| 0.78 mH | 0.06 Ω | ||
| 0.69 mH | 0.07 Ω | ||
| 0.78 mH | 0.06 Ω | ||
| 0.17 μF | 0.07 Ω | ||
| 0.28 mH | 30 | ||
| 0.34 mH | 20 Ω | ||
| 0.12 mH | 20 Ω | ||
| 5 Ω | 10 mm |
| Normal operating state (W) | 235.47 | 494.03 | 718.28 | 929.78 | 1129.4 | 1317.9 | 1495.9 |
| Secondary fault state (W) | 232.98 | 491.08 | 715.73 | 927.63 | 1127.6 | 1316.3 | 1494.5 |
Publisher’s Note: MDPI stays neutral with regard to jurisdictional claims in published maps and institutional affiliations. |
© 2022 by the authors. Licensee MDPI, Basel, Switzerland. This article is an open access article distributed under the terms and conditions of the Creative Commons Attribution (CC BY) license (https://creativecommons.org/licenses/by/4.0/).
Share and Cite
Zhang, Z.; Liu, J.; Li, Y. Design and Analysis of a Multi-Input Multi-Output System for High Power Based on Improved Magnetic Coupling Structure. Energies 2022, 15, 1684. https://doi.org/10.3390/en15051684
Zhang Z, Liu J, Li Y. Design and Analysis of a Multi-Input Multi-Output System for High Power Based on Improved Magnetic Coupling Structure. Energies. 2022; 15(5):1684. https://doi.org/10.3390/en15051684
Chicago/Turabian StyleZhang, Zijia, Jun Liu, and Yansong Li. 2022. "Design and Analysis of a Multi-Input Multi-Output System for High Power Based on Improved Magnetic Coupling Structure" Energies 15, no. 5: 1684. https://doi.org/10.3390/en15051684
APA StyleZhang, Z., Liu, J., & Li, Y. (2022). Design and Analysis of a Multi-Input Multi-Output System for High Power Based on Improved Magnetic Coupling Structure. Energies, 15(5), 1684. https://doi.org/10.3390/en15051684
