Learning-Aided Optimal Power Flow Based Fast Total Transfer Capability Calculation
Abstract
:1. Introduction
- DBN backwards process is conducted to derive sensitivity of transient stability margin. This sensitivity supports fast and accurate decision for the most extreme growth path of generation and load. The TTC solved under such path is conservative and robust to account for a reliable security indicator.
- Thanks to the above merits, interior point method (IPM) is then introduced to fast calculate TTC. Specifically, DBN forwards and backwards processes respectively provide fast and accurate transient stability inference and gradient information for IPM. This scheme is firstly used in OPF-based TTC calculation, and numerical studies justified its merits of compromising calculation efficiency and accuracy.
2. TTC Calculation with TSCOPF
s.t. g(y,u) = 0
h(y,u) ≤ 0
- (1)
- Objective function: It aims to maximize the sum of the active power output of all generators in the source area, i.e.,where PGk is generator active power output at bus k; and Ssou means the source area bus set.Max f(y,u) = ∑k∈Ssou PGk,
- (2)
- Static equality constraints: Power flow equations are formed under polar coordinates, shown below:where PGi, PDi represent active generation and demand for bus i; QGi, QDi are reactive generation and demand for bus i, respective; Vi and θi are the voltage magnitude and phase angle of bus i, and θij = θi − θj; Gij + jBij is the driving point admittance and the transfer admittance; n is the number of buses.PGi − PDi − Vi∑nj = 1 Vj(Gijcosθij + Bijsinθij) = 0,
QGi − QDi − Vi∑nj = 1 Vj(Gijsinθij − Bijcosθij) = 0 - (3)
- Static inequality constraints:where PGimin, PGimax, QGimin, QGimax are the lower and upper limits of the generator active and reactive power at bus k, respective; Vimin and Vimax are the lower and upper limits of the voltage at bus i; Pijmax is the transmission threshold of line ij; SG, SW, Sn, Sl are the sets of generators, wind farms, buses, and lines.PGimin ≤ PGi ≤ PGimax, Gi∈SG∪SW
QGimin ≤ QGi ≤ QGimax, Gi∈SG∪SW
Vimin ≤ Vi ≤ Vimax, i∈Sn
Pij ≤ Pijmax, ij∈Sl - (4)
- Transient stability constraints: This paper adopts the classical generator model to analyze transient stability. During the dynamic process, loads are modeled as constant impedance. Hence, generic TS models can be simplified as follows:where x, y are the algebraic and state variables; [x(t), y(t)] refers to the operating condition during the transient period (t0, tend]; Sc is a set of pre-contingencies; ψc(·) is the transient stability criterion used in this paper [23], and it is shown as follows:x’(t) = ρc(x(t), y(t), u),
ψc(x(t), y(t), u) ≥ 0, c∈Sc, t∈(t0, tend]where δi(t) is the rotor angles of generator i; δCOI(t) is the rotor angle under the center of inertia (COI); δthr is the instability threshold that is usually set as 180 degree [23]; Mi represents the inertia constant of the ith generator; and nG denotes the number of generators.|δi(t) − δCOI(t)| ≤ δthr, t∈(t0, tend]
δCOI(t) = (∑i Mi ∙ δi(t)) / (∑i Mi), i∈{1, … ,nG}
3. Proposed Surrogate Model
3.1. Data Sample Generation
Y = {Γc}, c∈Sc
δmax = max(|δGi − δGj|), Gi,Gj∈SG
Xload= {X1load; …; Xnload} = {P1D, Q1D; …; PnD, QnD}
3.2. Deep Belief Network Based TSA Learning-Aided Model
P(vi = 1|h) = M(aj + ∑j wij ∙ hi), aj∈a∈Rnv, bi∈b∈Rnh
bi = [bi1, …,bini]
3.3. Learning-Aided OPF for TTC Calculation
s.t. (3)~(4)
Γc ≥ 0, c∈Sc
4. Proposed Solution Method
4.1. Interior Point Method
s.t. G(x) = 0,
[H(x) ≤ 0] = [Hc(x) ≤ 0, HS(x) ≤ 0]
- Add slack variables l = [l1, …, lr]T (l > 0) and u = [u1, …, ur]T (u > 0) to transform H(x) into equality constraints;
- Introduce the disturbance factor μ (μ > 0) to transfer F(x) into the barrier function, which makes it impossible for the barrier objective function to find an extremal solution on the boundary, and the optimal solution can only be obtained when the constraints are satisfied;
- Apply Lagrangian multiplier method to solve the transformed model, and the Lagrangian function is formulated as:where ζ,z,ω, are Lagrangian multipliers, respectively.L = F(x) − ζTG(x) − zT[H(x) − l − Hmin] − ωT[H(x) + u − Hmax]
− μ∑ri = 1 log(li) − μ∑ri = 1 log(li), - Calculate μ via Equation (26):where σ denotes the central parameter.μ = σ(lTz − uTω)/2r,
- Consider the Karush–Kuhn–Tucker (KKT) conditions and adopt the Newton method, the matrix form of the modified equations can be deduced as:where Lx, Lz, Lω, Llμ and Luμ are the partial derivatives of L to x, z, ω, l and u.Λ ∙ ∆x + (∂G(x)/∂x) ∙ ∆x = Φ,
(∂G(x)T/∂x) ∙ ∆x = G,
Λ = (∂2G(x)/∂x2)ζ + (∂2H(x)/∂x2)(z + ω) − (∂2F(x)/∂x2)
+ (∂H(x)/∂x)(u−1ω − l−1z)(∂H(x)/∂x)T,
Φ = −Lx − (∂H(x)/∂x)[L−1(Llμ + ZLz) + U−1(Luμ + WLω)]
∆l = (∂H(x)/∂x)T∆x − Lz,
∆ω = U−1Luμ − U−1W∆u,
∆u = −(∂H(x)/∂x)T∆x + Lω
- 6.
- Use the corrections calculated via Equations (27) and (28) to update the variables as follows:where the step size αp and αd for each update are shown in Equation (30).x(k + 1) = x(k) + αp∆x, ζ(k + 1) = ζ(k) + αd∆ζ,
l(k + 1) = l(k) + αp∆l, z(k + 1) = z(k) + αd∆z,
u(k + 1) = u(k) + αp∆u, ω(k + 1) = ω(k) + αd∆ω,αp = 0.9995min[min(−li/∆li, li < 0; −li/∆ui, ui < 0), 1],
αd = 0.9995min[min(−zi/∆zi, zi < 0; −ωi/∆ωi, ωi > 0), 1], i = 1, …, r - 7.
- Termination condition: if (lTz − uTω) < ε, the current x is output; else re-execute (4) to (6). Here ε represents the specified threshold.
4.2. Deducing Analytical Surrogate Model for IPM
▽2Hs = ▽2Γc = ▽2Ψc(X)
5. Numerical Case Study
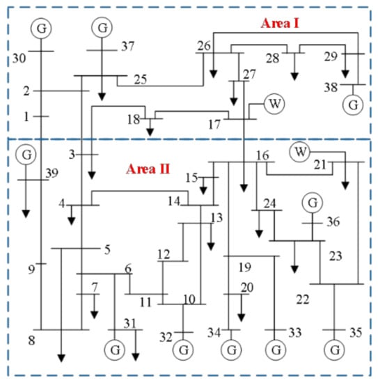
5.1. Test System
5.2. Learning-Aided Model Construction
5.3. The Results of TTC Fast Calculation
5.4. Efficiency Comparison
6. Conclusions
Author Contributions
Funding
Institutional Review Board Statement
Informed Consent Statement
Data Availability Statement
Conflicts of Interest
Appendix A
= wl [dxM(Dl − 1(…(M(D1(X)))…)) × (wl − 1ei)],
= Al2 × … × Al1, if l1 < l2 < l,
= 1, if l2 < l ≤ l1,
= Al1, if l1 = l2
[0, dDl_2(…(X)…)M(Dl2(…(X)…)), …, 0];
…
[0, 0, …, dDl_nl(…(X)…)M(Dlnl(…(X)…))]},
Dlk(…(X)…) = wlkM(Dl-1(…(X)…)) + blk
= { [d2x,xjM(Dl1(…(X)…)), 0, …, 0];
[0, d2x,xjM(Dl2(…(X)…)), …, 0];
…
[0, 0, …, d2x,xjM(Dlnl(…(X)…))] }
∏2i = l − 1Ai(X) × [dxM(D1(X)) × w1j],
= [∏l−1i = k + 1Ai(X)] × dxjAk(X), if k = 1,
= dxjAk(X) × [∏1i = k − 1Ai(X)], if k = l − 1
References
- Qiu, G.; Liu, Y.; Zhao, J.; Liu, J.; Wang, L.; Liu, T.; Gao, H. Analytic Deep learning-based surrogate model for operational planning with dynamic TTC constraints. IEEE Trans. Power Syst. 2020, 36, 3507–3519. [Google Scholar] [CrossRef]
- Zhang, X.; Santiago, G. Decentralized total transfer capability evaluation using domain decomposition methods. IEEE Trans. Power Syst. 2016, 31, 3349–3357. [Google Scholar] [CrossRef]
- Tang, L.; Sun, W. An automated transient stability constrained optimal power flow based on trajectory sensitivity analysis. IEEE Trans. Power Syst. 2017, 32, 590–599. [Google Scholar] [CrossRef]
- Min, L.; Ali, A. Total transfer capability computation for multi-area power systems. IEEE Trans. Power Syst. 2006, 21, 1141–1147. [Google Scholar] [CrossRef]
- Qiu, G.; Liu, Y.; Liu, J.; Wang, L.; Liu, T.; Gao, H.; Shafqat, J. Surrogate-assisted optimal re-dispatch control for risk-aware regulation of dynamic total transfer capability. IET Gener. Transm. Distrib. 2021, 15, 1949–1961. [Google Scholar] [CrossRef]
- Gan, D.; Robert, J.T.; Ray, D.Z. Stability-constrained optimal power flow. IEEE Trans. Power Syst. 2000, 15, 535–540. [Google Scholar] [CrossRef] [Green Version]
- La Scala, M.; Trovato, M.; Antonelli, C. On-line dynamic preventive control: An algorithm for transient security dispatch. IEEE Trans. Power Syst. 1998, 13, 601–610. [Google Scholar] [CrossRef]
- Yan, X.; Yin, M.; Zhao, Y.; Zhang, R.; David, J.H.; Zhang, Y. Robust dispatch of high wind power-penetrated power systems against transient instability. IEEE Trans. Power Syst. 2018, 33, 174–186. [Google Scholar]
- Yan, X.; Ma, J.; Zhao, Y.; David, J.H. Robust transient stability-constrained optimal power flow with uncertain dynamic loads. IEEE Trans. Power Syst. 2017, 32, 3415–3426. [Google Scholar]
- Alejandro, P.; Claudio, R.F.; Enrique, A.Z.; Jose, M.L. Directional derivative-based transient stability-constrained optimal power flow. IEEE Trans. Smart Grid. 2017, 8, 1911–1921. [Google Scholar]
- Liu, Y.; Zhao, J.; Xu, L.; Liu, T.; Qiu, G.; Liu, J. Online TTC estimation using nonparametric analytics considering wind power integration. IEEE Trans. Power Syst. 2019, 34, 494–505. [Google Scholar] [CrossRef]
- Sun, H.; Zhao, F.; Wang, H.; Wang, K.; Jiang, W.; Guo, Q.; Zhang, B.; Louis, W. Automatic learning of fine operating rules for online power system security control. IEEE Trans. Neural Netw. Learn. Syst. 2016, 27, 1708–1719. [Google Scholar] [CrossRef] [PubMed]
- Zhu, L.; David, J.H.; Lu, C. Hierarchical deep learning machine for power system online transient stability prediction. IEEE Trans. Power Syst. 2020, 35, 2399–2411. [Google Scholar] [CrossRef]
- James, J.Q.Y.; David, J.H.; Albert, Y.S.; Gu, J.; Victor, O.K.L. Intelligent time-adaptive transient stability assessment system. IEEE Trans. Power Syst. 2018, 33, 1049–1058. [Google Scholar]
- Jin, Y. Surrogate-assisted evolutionary computation: Recent advances and future challenges. ISwarm Evol. Comput. 2011, 1, 61–70. [Google Scholar] [CrossRef]
- Jin, Y.; Wang, H.; Tinkle, C.; Guo, D.; Kaisa, M. Data-driven evolutionary optimization: An overview and case studies. IEEE Trans. Evol. Comput. 2019, 23, 442–458. [Google Scholar] [CrossRef]
- Raphael, T.H.; Diana, V.; Anirban, C. Parallel surrogate-assisted global optimization with expensive functions-a survey. Struct. Multidiscipl. Optim. 2016, 54, 3–13. [Google Scholar]
- Cai, X.; Gao, L.; Li, X. Efficient generalized surrogate-assisted evolutionary algorithm for high-dimensional expensive problems. IEEE Trans. Evol. Comput. 2020, 24, 365–379. [Google Scholar] [CrossRef]
- Hamoud, G. Assessment of available transfer capability of transmission systems. IEEE Trans. Power Syst. 2000, 15, 27–32. [Google Scholar] [CrossRef]
- Piyush, W.P.; Sachin, K.; Sinha, A.K. Total transfer capability calculation using modified repeated power flow method. In Proceedings of the 2015 Annual IEEE India Conference (INDICON), New Delhi, India, 17–19 December 2015; IEEE: Piscataway, NJ, USA, 2015. [Google Scholar]
- Panagiotis, P.; Theofilos, P.; Andreas, C.; Jovica, M. Measurement based method for online characterization of generator dynamic behaviour in systems with renewable generation. IEEE Trans. Power Syst. 2018, 33, 6466–6475. [Google Scholar]
- Nattawut, P.; Akihiko, Y.; Yoshiki, N.; Verma, S.C. Improved risk-based TTC evaluation with system case partitioning. Int. J. Electr. Power Energy Syst. 2013, 44, 530–539. [Google Scholar]
- Lukmanul, H.; Junji, K.; Yue, Y.; Tomohisa, M.; Yoshifumi, Z.; Naoto, Y.; Yoshihito, N.; Kimihiko, S.; Akira, T. A study on the effect of generation shedding to total transfer capability by means of transient stability constrained optimal power flow. IEEE Trans. Power Syst. 2009, 24, 347–355. [Google Scholar]
- Pandia, J.; Chanan, S. Reliability constrained multi-area adequacy planning using stochastic programming with sample-average approximations. IEEE Trans. Power Syst. 2008, 23, 504–513. [Google Scholar]
- Zhang, C.; Pin, L.; Qin, A.K.; Kay, C.T. Multiobjective deep belief networks ensemble for remaining useful life estimation in prognostics. IEEE Trans. Neural Netw. Learn. Syst. 2017, 28, 2306–2318. [Google Scholar] [CrossRef] [PubMed]
- Jaber, A.; Yushi, M.; Toshifumi, I. Assessment and optimization methods for microgrid with multiple VSG units. IEEE Trans. Smart Grid. 2018, 9, 1462–1471. [Google Scholar]
- Huang, H.; Chung, C.Y. Coordinated damping control design for DFIG-based wind generation considering power output variation. IEEE Trans. Power Syst. 2012, 27, 1916–1925. [Google Scholar] [CrossRef]
- Antonio, L.B.; Glauco, N.T.; Djalma, M.F. Simultaneous tuning of power system damping controllers using genetic algorithms. IEEE Trans. Power Syst. 2000, 15, 163–169. [Google Scholar]
- Andrei, P.; Iman, S.; Chris, M. Interior Point Differential Dynamic Programming. IEEE Trans. Control Syst. Tech. 2021, 29, 2720–2727. [Google Scholar]







| References | Type | Advantages | Disadvantages |
|---|---|---|---|
| [2,3,4] | Physical-driven model | Focus on steady-state; easy to solve | Transient stability is out of consideration |
| [6,7,8,9,10] | Physical-driven model with transient stability constraints | Involved transient stability constraints | Computationally expensive |
| [11,12,13] | Data-driven model | Faster calculation speed | Hard to capture nonlinear patterns; or sustainable energy is out of consideration |
| Indicator | 2-Layer DBN | 3-Layer DBN | BPNN | SVR | RT |
|---|---|---|---|---|---|
| MSE/p.u. | 0.0054 | 0.0019 | 0.0023 | 0.0346 | 0.0927 |
| SCC | 0.9480 | 0.9712 | 0.9627 | 0.9171 | 0.8814 |
| Methods | TSCOPF | The Sensitivity-Based Method | The Repeated Power Flow Method | TSCOPF with DBN-Assisted |
|---|---|---|---|---|
| Symbol | M1 | M2 | M3 | M4 |
| single contingency | multi contingency | |||
| Line | 1–39 | 1–39, 2–3, 3–18, 16–17 | ||
Publisher’s Note: MDPI stays neutral with regard to jurisdictional claims in published maps and institutional affiliations. |
© 2022 by the authors. Licensee MDPI, Basel, Switzerland. This article is an open access article distributed under the terms and conditions of the Creative Commons Attribution (CC BY) license (https://creativecommons.org/licenses/by/4.0/).
Share and Cite
Liu, J.; Liu, Y.; Qiu, G.; Shao, X. Learning-Aided Optimal Power Flow Based Fast Total Transfer Capability Calculation. Energies 2022, 15, 1320. https://doi.org/10.3390/en15041320
Liu J, Liu Y, Qiu G, Shao X. Learning-Aided Optimal Power Flow Based Fast Total Transfer Capability Calculation. Energies. 2022; 15(4):1320. https://doi.org/10.3390/en15041320
Chicago/Turabian StyleLiu, Ji’ang, Youbo Liu, Gao Qiu, and Xiao Shao. 2022. "Learning-Aided Optimal Power Flow Based Fast Total Transfer Capability Calculation" Energies 15, no. 4: 1320. https://doi.org/10.3390/en15041320
APA StyleLiu, J., Liu, Y., Qiu, G., & Shao, X. (2022). Learning-Aided Optimal Power Flow Based Fast Total Transfer Capability Calculation. Energies, 15(4), 1320. https://doi.org/10.3390/en15041320
