Fault Diagnosis Technology for Ship Electrical Power System
Abstract
:1. Introduction
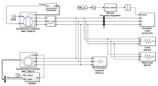
2. Ship Electrical Power System
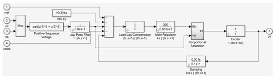
2.1. Model of Excitation Control System
- (1)
- Mathematical model of phase compound excitation device is represented by d and q components as follows:
- (2)
- Mathematical model of voltage difference
- (3)
- Amplifier mathematical modelThe mathematical equation that the amplifier satisfies is:
- (4)
- Mathematical model of lead–lag compensatorThe mathematical equation that the lead–lag compensator satisfies is:
- (5)
- Mathematical model of proportional saturation elementThe mathematical equation of proportional saturation element is:
- (6)
- Simplified exciter mathematical modelExciter is usually represented by one-order inertia element, as shown in Equation (7):
- (7)
- The mathematical equation that the feedback stabilization element satisfies is:
2.2. Simulation Model of Diesel-Driven Synchronous Generator and Its Excitation System
2.3. Simulation Model of Gas-Turbine-Driven Asynchronous Generator
2.4. Discrete Frequency Regulator
2.5. Ship Electrical Power System Simulation Model
2.6. Typical Fault Simulation of Ship Electrical Power System
3. Construction of Improved CNN
3.1. CNN
3.2. Improved CNN
- (1)
- All local response normalization (LRN) layers are removed and the initial value program is changed. It is proven by practice that the normalization operation of batch normalization (BN) is used after simple parameter initialization. The use of BN is conducive to the convergence of the samples and the stability of the network.
- (2)
- The number of nodes in the fully connected layer is adjusted; based on the reduction and updating of parameters and weights, the running speed is improved and the calculation time is shortened.
- (3)
- Nesterov-accelerated adaptive moment estimation (NAdam) is used to update the weights of the neural networks iteratively on the basis of the training data, and the weights can be updated iteratively according to the output results.
- (4)
- Kaiming initialization is used to initialize the normal_initializer. After testing, the results will be improved.
3.3. Flow of CNN Algorithm
- (1)
- Sample image preprocessing: First, the sample dataset is constructed. Second, the size and color of the image are processed to facilitate network learning.
- (2)
- Design network fault diagnosis model: Network programs are written and built in the Python (Python Software Foundation, Delaware, USA) compilation environment and TensorFlow (Google Brain, San Francisco, USA) learning framework.
- (3)
- Training optimization network model: The weight and threshold are adjusted repeatedly according to the back propagation (BP) algorithm in order to minimize the error signal.
- (4)
- The optimized model is tested on the sample image dataset to output the diagnosis results.
3.4. Data Preprocessing
- (1)
- Data acquisition: In the simulation model, different faults in the “three-phase fault” fault module are set for different generators and loads to output the fault response curve. The file type is the JPG-format picture set recognized by CNN.
- (2)
- Image culling: After converting the data into JPG-format pictures, some problems such as image overlap or feature blur will occur. These interfering images must be selected and eliminated to ensure the accuracy of the network training and test results.
- (3)
- Data normalization: Owing to the difference between the orders of magnitude of the images, this difference will affect the results of the data analysis. To eliminate the influence between dimensions, data normalization is required. The min–max standardization method used in this study is the commonly used linear transformation of data. The result value is mapped to the interval of (0,1). The transformation function is as follows:
4. Experimental Results and Analysis
4.1. Learning Rate
4.2. Experimental Results
5. Conclusions
- (1)
- To achieve multi-class fault diagnosis of different components of ship electrical power systems, this paper proposed an improved CNN fault diagnosis model, which can completely eliminate the subjectivity of manual feature extraction and expert experience, directly take the original fault data as the model input, automatically extract the fault features layer by layer in a nonlinear manner, and automatically output the fault classification results. Thus, “end-to-end” diagnosis from the original data to the fault category can be realized. The algorithm has a high fault recognition rate, and the evaluation accuracy is 99%.
- (2)
- Through image culling, the accuracy of the network training results is improved significantly.
- (3)
- The method used to realize fault diagnosis of the ship electrical power systems can also be used for fault diagnosis of other parts of more complex power systems. The simulation results showed that the improved model outperforms the original network. In particular, this method achieves high accuracy and reliability in ship electrical power systems fault diagnosis.
Author Contributions
Funding
Conflicts of Interest
References
- Al-Falahi, M.D.A.; Tarasiuk, T.; Jayasinghe, S.G.; Jin, Z.; Enshaei, H.; Guerrero, J.M. AC Ship Microgrids: Control and Power Management Optimization. Energies 2018, 11, 1458. [Google Scholar] [CrossRef] [Green Version]
- Skjong, E.; Rødskar, E.; Molinas Cabrera, M.M.; Johansen, T.A.; Cunningham, J. The Marine Vessel’s Electrical Power System: From its Birth to Present Day. Proc. IEEE 2015, 103, 2410–2424. [Google Scholar] [CrossRef] [Green Version]
- Yu, C.; Huang, J.; Qi, L.; Gu, J. Health Status Evaluation of Radar Transmitter Based on Fuzzy Comprehensive Evaluation Method. In Proceedings of the 36th Youth Academic Annual Conference of Chinese Association of Automation (YAC), Nanchang, China, 28–30 May 2021; pp. 196–202. [Google Scholar] [CrossRef]
- Maqsood, A.; Oslebo, D.; Corzine, K.; Parsa, L.; Ma, Y. STFT Cluster Analysis for DC Pulsed Load Monitoring and Fault Detection on Naval Shipboard Power Systems. IEEE Trans. Transp. Electrif. 2020, 6, 821–831. [Google Scholar] [CrossRef]
- Ellefsen, A.L.; Æsøy, V.; Ushakov, S.; Zhang, H. A Comprehensive Survey of Prognostics and Health Management Based on Deep Learning for Autonomous Ships. IEEE Trans. Reliab. 2019, 68, 720–740. [Google Scholar] [CrossRef] [Green Version]
- Sulligoi, G.; Vicenzutti, A.; Menis, R. All-Electric Ship Design: From Electrical Propulsion to Integrated Electrical and Electronic Power Systems. IEEE Trans. Transp. Electrif. 2016, 2, 507–511. [Google Scholar] [CrossRef]
- Gunes, M.; Dogru, N. Fuzzy Control of Brushless Excitation System for Steam Turbogenerators. IEEE Trans. Energy Convers. 2010, 25, 844–852. [Google Scholar] [CrossRef]
- Jiang, Y.; Luo, J. The Excitation Switching Control Method of Tidal Generator Based on T-S Fuzzy Weighting. J. Coast. Res. 2020, 103, 1010. [Google Scholar] [CrossRef]
- Jiao, N.; Liu, W.; Meng, T.; Peng, J.; Mao, S. Detailed Excitation Control Methods for Two-Phase Brushless Exciter of the Wound-Rotor Synchronous Starter/Generator in the Starting Mode. IEEE Trans. Ind. Appl. 2017, 53, 115–123. [Google Scholar] [CrossRef]
- Psillakis, H.E.; Alexandridis, A.T. Coordinated Excitation and Static Var Compensator Control with Delayed Feedback Measurements in SGIB Power Systems. Energies 2020, 13, 2181. [Google Scholar] [CrossRef]
- Baek, S.M. Sensitivity Analysis Based Optimization for Linear and Nonlinear Parameters in AVR to Improve Transient Stability in Power System. Int. J. Control. Autom. 2015, 8, 69–80. [Google Scholar] [CrossRef]
- Zhao, H.; Guo, C.; Wu, Z. Modeling and Simulation of marine electric propulsion system. China Shipbuild. 2006, 47, 51–56. [Google Scholar]
- Jardine, A.; Lin, D.; Banjevic, D. A review on machinery diagnostics and prognostics implementing condition-based maintenance—ScienceDirect. Mech. Syst. Signal Processing 2006, 20, 1483–1510. [Google Scholar] [CrossRef]
- Liu, R.; Yang, B.; Zio, E.; Chen, X. Artificial intelligence for fault diagnosis of rotating machinery: A review. Mech. Syst. Signal Processing 2018, 108, 33–47. [Google Scholar] [CrossRef]
- Silva, A.A.; Gupta, S.; Bazzi, A.M.; Ulatowski, A. Wavelet-based information filtering for fault diagnosis of electric drive systems in electric ships. ISA Trans. 2017, 78, 105–115. [Google Scholar] [CrossRef] [PubMed]
- Liu, W.; Liu, L.; Chung, I.Y.; Cartes, D.A.; Zhang, W. Modeling and detecting the stator winding fault of permanent magnet synchronous motors. Simul. Model. Pract. Theory 2012, 27, 1–16. [Google Scholar] [CrossRef]
- Wang, W.; Xu, Z.; Tang, R.; Li, S.; Wu, W. Fault Detection and Diagnosis for Gas Turbines Based on a Kernelized Information Entropy Model. Sci. World J. 2014, 2014, 617162. [Google Scholar] [CrossRef] [Green Version]
- Li, Z.; Jiang, Y.; Duan, Z.; Peng, Z. A new swarm intelligence optimized multiclass multi-kernel relevant vector machine: An experimental analysis in failure diagnostics of diesel engines. Struct. Health Monit. 2018, 17, 1503–1519. [Google Scholar] [CrossRef]
- Cuculić, A.; Vučetić, D.; Prenc, R.; Ćelić, J. Analysis of Energy Storage Implementation on Dynamically Positioned Vessels. Energies 2019, 12, 444. [Google Scholar] [CrossRef] [Green Version]
- Szczerba, Z. Automatic voltage regulator in power generation unit. Przeglad Elektrotechniczny 2009, 85, 55–57. [Google Scholar]
- Ju, P. Theory and Method of Power System Modeling; Science Press: Beijing, China, 2010. [Google Scholar]
- Gao, H.; Hu, X.; Wang, B.; Qi, H. Decentralized Fuzzy PID Excitation controller Combined with Turbine Regulating for Voltage Stability in Power Systems. Prz. Elektrotechniczny 2012, 88, 284–288. [Google Scholar]
- Yee, S.K.; Milanovic, J.V.; Hughes, F.M. Overview and Comparative Analysis of Gas Turbine Models for System Stability Studies. IEEE Trans. Power Syst. 2008, 23, 108–118. [Google Scholar] [CrossRef]
- Kim, H.; Degner, M.W.; Guerrero, J.M.; Briz, F.; Lorenz, R.D. Discrete-Time Current Regulator Design for AC Machine Drives. IEEE Trans. Ind. Appl. 2010, 46, 1425–1435. [Google Scholar]
- Ji, H.-K.; Wang, G.; Kil, G.-S. Optimal Detection and Identification of DC Series Arc in Power Distribution System on Shipboards. Energies 2020, 13, 5973. [Google Scholar] [CrossRef]
- Jeon, W.; Wang, Y.P.; Jeong, J.H.; Lyu, S.K.; Jung, S.Y. Power Characteristic Analysis of Assumed Short Circuit Instance of Electric Ship Propulsion System. Korea Ocean. Eng. Soc. 2008, 32, 323–329. [Google Scholar]
- Martín, S.S.; Fernández, M.B. Model and performance simulation for overcurrent relay and fault-circuit-breaker using Simulink. Int. J. Electr. Eng. Educ. 2006, 43, 80–91. [Google Scholar] [CrossRef]
- Huang, J.; Qi, L.; Gu, J.; Lu, Z.; Sun, J.; Yu, C. Servo Motor Fault Diagnosis Based on Data Fusion. In Proceedings of the 33rd Chinese Control and Decision Conference (CCDC), Kunming, China, 22–24 May 2021; pp. 104–110. [Google Scholar] [CrossRef]
- Guo, Y.; Chen, Y.; Tan, M.; Jia, K.; Chen, J.; Wang, J. Content-aware convolutional neural networks. Neural Netw. 2021, 143, 657–668. [Google Scholar] [CrossRef]
- Arulmozhi, P.; Abirami, S. DSHPoolF: Deep supervised hashing based on selective pool feature map for image retrieval. Vis. Comput. 2021, 37, 2391–2405. [Google Scholar] [CrossRef]









| Parameter | Value |
|---|---|
| 1560 kVA | |
| 480 V | |
| 0.8 | |
| 60 Hz | |
| Polar logarithm, p | 2 |
| 0.022 (pu) | |
| 2.49 (pu) | |
| 1.22 (pu) | |
| 0.15 (pu) | |
| 0.17 (pu) | |
| 0.19 (pu) | |
| 4.4754 | |
| 0.0667 | |
| 0.1 |
| Parameter | Value |
|---|---|
| 750 kVA | |
| 480 V | |
| 0.8 | |
| 60 Hz | |
| Polar logarithm, p | 2 |
| 0.022 (pu) | |
| 0.11 (pu) | |
| 0.021 (pu) | |
| 0.11 (pu) | |
| 3.7 (pu) |
| Faults Type | Schematic Diagram |
|---|---|
| Single-phase short-circuit grounding | ![]() |
| Two-phase short circuit | ![]() |
| Two-phase short-circuit grounding | ![]() |
| Three-phase short circuit | ![]() |
| Single-phase disconnection | ![]() |
| Two-phase disconnection | ![]() |
| Network Layer | Input | Filter | Output |
|---|---|---|---|
| Conv 0 | |||
| Maxpooling 0 | |||
| Conv 1 | |||
| Maxpooling 1 | |||
| Conv 2 | |||
| Conv 3 | |||
| Maxpooling 2 | |||
| FC 1 | |||
| FC 2 |
| Network Layer | Input | Filter | Output |
|---|---|---|---|
| Conv 0 | |||
| Maxpooling 0 | |||
| Conv 1 | |||
| Maxpooling 1 | |||
| Conv 2 | |||
| Conv 3 | |||
| Maxpooling 2 | |||
| FC 1 | |||
| FC 2 |
| Fault Category | Fault Location | Improved CNN | CCN |
|---|---|---|---|
| Single-phase short-circuit grounding | Synchronous generator | 99% | 90% |
| Asynchronous generator | 99% | 86% | |
| Main load | 98% | 91% | |
| Secondary load | 99% | 86% | |
| Two-phase short- circuit | Synchronous generator | 99% | 87% |
| Asynchronous generator | 99% | 90% | |
| Main load | 99% | 91% | |
| Secondary load | 98% | 88% | |
| Two-phase short-circuit grounding | Synchronous generator | 98% | 90% |
| Asynchronous generator | 99% | 90% | |
| Main load | 99% | 87% | |
| Secondary load | 99% | 91% | |
| Three-phase short circuit | Synchronous generator | 99% | 86% |
| Asynchronous generator | 98% | 87% | |
| Main load | 99% | 85% | |
| Secondary load | 99% | 88% | |
| Single-phase disconnection | Synchronous generator | 99% | 86% |
| Asynchronous generator | 99% | 89% | |
| Main load | 98% | 90% | |
| Secondary load | 99% | 88% | |
| Two-phase disconnection | Synchronous generator | 98% | 90% |
| Asynchronous generator | 98% | 87% | |
| Main load | 99% | 91% | |
| Secondary load | 99% | 87% |
Publisher’s Note: MDPI stays neutral with regard to jurisdictional claims in published maps and institutional affiliations. |
© 2022 by the authors. Licensee MDPI, Basel, Switzerland. This article is an open access article distributed under the terms and conditions of the Creative Commons Attribution (CC BY) license (https://creativecommons.org/licenses/by/4.0/).
Share and Cite
Yu, C.; Qi, L.; Sun, J.; Jiang, C.; Su, J.; Shu, W. Fault Diagnosis Technology for Ship Electrical Power System. Energies 2022, 15, 1287. https://doi.org/10.3390/en15041287
Yu C, Qi L, Sun J, Jiang C, Su J, Shu W. Fault Diagnosis Technology for Ship Electrical Power System. Energies. 2022; 15(4):1287. https://doi.org/10.3390/en15041287
Chicago/Turabian StyleYu, Chaochun, Liang Qi, Jie Sun, Chunhui Jiang, Jun Su, and Wentao Shu. 2022. "Fault Diagnosis Technology for Ship Electrical Power System" Energies 15, no. 4: 1287. https://doi.org/10.3390/en15041287
APA StyleYu, C., Qi, L., Sun, J., Jiang, C., Su, J., & Shu, W. (2022). Fault Diagnosis Technology for Ship Electrical Power System. Energies, 15(4), 1287. https://doi.org/10.3390/en15041287







