Alternative Solutions for Small Hydropower Plants
Abstract
:1. Introduction
2. Prefabrication and Modular Unification of Building Technologies for Small-Scale Hydropower
- external dimensions of individual prefabricated elements;
- arrangement of reinforcement;
- number, position and dimensions of holes;
- installation layout;
- anchoring elements;
- plan and order for placing individual elements;
- corner and additional reinforcements;
- means of support;
- locations and methods of protection against moisture or water;
- assembly of foundation and additional concretes.
3. Turbine Set Module with an Electric Energy Generation System
3.1. Energy Conversion Efficiency
3.2. Semi-Kaplan Turbine
3.2.1. Numerical CFD Calculations of the Flow System
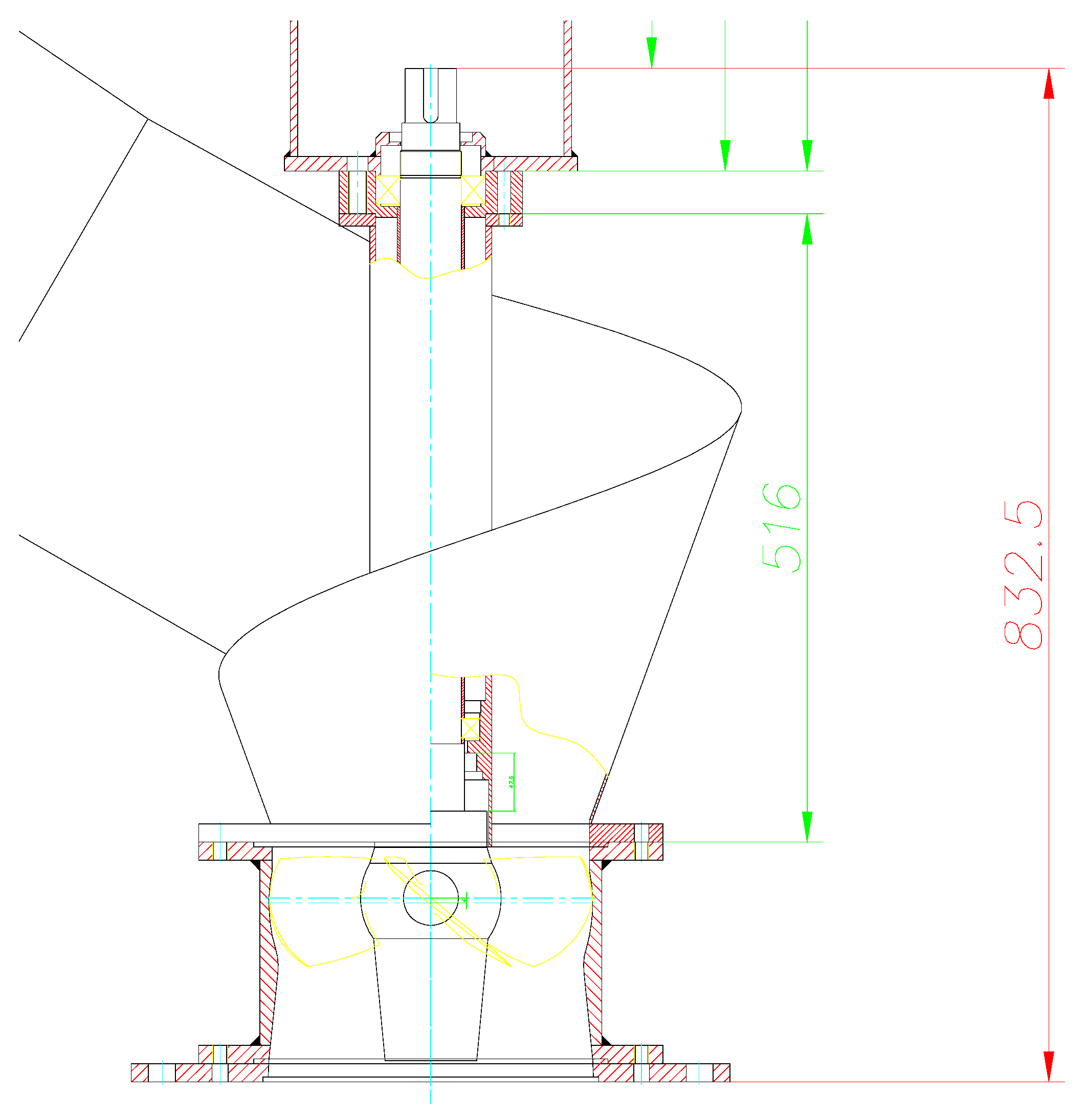
- An inlet pipe (cylindrical) in front of the turbine (diameter Ø390 mm);

- 2.
- An elbow with a rectilinear part with cross-sections changing from round with a diameter of ~Ø390 mm (on the inlet side) to a quadrilateral (on the outlet side), adapted to the shape of the inlet spiral;

- 3.
- A spiral in front of the runner, including an upward extension of the vertical shaft beyond the flow system;

- 4.
- Runners with a diameter of Ø265 mm (four and five blades);

- 5.
- A conical draft tube (axisymmetric);

- 6.
- An outlet pipe that was cylindrical apart from the elements belonging to the turbine (diameter Ø490 mm);

- –
- second-order discretization, i.e., the scheme of ‘second-order upwind’;
- –
- double-precision when solving;
- –
- at least 8000 iterations for each case;
- –
- a 2 m net head (hereinafter referred to as the reference head);
- –
- a k-ω SST turbulence model, where the computational mesh was created with a dimensionless distance from the wall Y+ below the value 3 (turbulence intensity at inlet: 3.14%; turbulence intensity at outlet: 3.06%), calculated based on the formula:
3.2.2. Model Tests of the Flow System
- angular setting of the runner blades: 22°;
- rotational speed: n = ~714 rpm;
- volumetric flow rate: Q = ~0.144 m3/s;
- turbine efficiency: η = ~82.1%;
- kinematic specific speed: = ~160;
- dynamic specific speed: = ~530;
- double-reduced rotational speed: = ~131 rpm;
- double-reduced volumetric flow rate: = ~1.457 m3/s.
3.2.3. Energy Parameters of Turbines
- power on the turbine shaft:
- volumetric flow rate:
- rotational speed:
3.3. Electric Power Generation System
3.3.1. Permanent Magnet-Excited Generator
3.3.2. Power Electronic Converter in the SHP Control System
4. Discussion
5. Conclusions
Author Contributions
Funding
Conflicts of Interest
Abbreviations
| SHP | Small Hydropower Plants |
| PM | Permanent Magnet |
| PEC | Power Electronic Converter |
| PMG | Permanent Magnet Generator |
| SVM | Space Vector Modulation |
| SPWM | Sinusoidal Pulse Width Modulation |
| VOC | Voltage-Oriented Control (VOC) |
| DPC | Direct Power Control Reynolds-Averaged Navier–Stokes |
| SST | Shear-Stress Transport |
| THD | Total Harmonic Distortion |
| FEM | Finite Element Method |
References
- Xu, J.; Ni, T.; Zheng, B. Hydropower development trends from a technological paradigm perspective. Energy Convers. Manag. 2015, 90, 195–206. [Google Scholar] [CrossRef]
- Sachdev, H.S.; Akella, A.K.; Kumar, N. Analysis and evaluation of small hydropower plants: A bibliographical survey. Renew. Sustain. Energy Rev. 2015, 51, 1013–1022. [Google Scholar] [CrossRef]
- Manzano-Agugliaro, F.; Taher, M.; Zapata-Sierra, A.; Juaidi, A.; Montoya, F.G. An overview of research and energy evolution for small hydropower in Europe. Renew. Sustain. Energy Rev. 2017, 75, 476–489. [Google Scholar] [CrossRef]
- Penche, C. Layman’s Guidebook on How to Develop a Small Hydro Site; ESHA: Bruselas, Belgium, 1998. [Google Scholar]
- Christ, A. Hydrostatic seals for large diameters. In Proceedings of the 9th International Conference of Fluid Sealing, Noordwijkerhout, The Netherlands, 1–3 April 1981. [Google Scholar]
- Hopper, H.R.; Mayer, H.W.; Severn, B. Manitoba HYDRO and STRAFLO Units. In Proceedings of the 92nd E.I.C. Annual Congress, St. John’s, NL, Canada, 25–26 May 1978. [Google Scholar]
- Frust, A. Ausbau des Rheinkraftwerks Laufenburg—Fünf Jahre Betriebserfahrung mit Straflo-Turbinen. Bulletin 1998, 2, 25–29. [Google Scholar]
- Schiffer, J. Experimental investigation of the rim-lip seal of a double regulated Straflo Kaplan turbine under extreme conditions. In Promoting the Versatile Role of Hydro, Proceedings of the Hydro—International Conference and Exhibiton—Innsbruck, Austria 7–10 October 2013; Aqua~Media International Ltd.: Wallington, UK, 2013. [Google Scholar]
- Gautam, N.; Rentschler, A.; Schneider, T.; Binder, A. Modeling and analysis of parallel connected permanent magnet synchronous generators in a small hydropower plant. WSEAS Trans. Power Syst. 2006, 1, 825–830. [Google Scholar]
- Xiaoli, C.; Binder, A.; Schlemmer, E. Straight-Flow permanent magnet synchronous generator design for small hydro power plants. In Proceedings of the 2007 International Conference on Clean Electrical Power, Capri, Italy, 21–23 May 2007; pp. 323–328. [Google Scholar]
- Borkowski, D.; Węgiel, T. Small Hydropower Plant with Integrated Turbine-Generators Working at Variable Speed. IEEE Trans. Energy Convers. 2013, 28, 452–459. [Google Scholar] [CrossRef]
- Węgiel, T.; Borkowski, D.; Liszka, D. Efficiency analysis of an energy conversion system for a variable speed small hydropower plant. In Proceedings of the International Conference on the Sustainable Energy and Environment Development (SEED), Kraków, Poland, 17–19 May 2016. [Google Scholar] [CrossRef] [Green Version]
- Borkowski, D.; Węgiel, M.; Ocłoń, P.; Węgiel, T. CFD model and experimental verification of water turbine integrated with electrical generator. Energy 2019, 185, 875–883. [Google Scholar] [CrossRef]
- KWI Architects Engineers Consultants. Status Report on Variable Speed Operation in Small Hydropower; Energie: St. Pölten, Austria, 2000. [Google Scholar]
- Nababan, S.; Muljadi, E.; Blaabjerg, F. An overview of power topologies for micro-hydro turbines. In Proceedings of the 2012 3rd IEEE International Symposium on Power Electronics for Distributed Generation Systems (PEDG), Aalborg, Denmark, 25–28 June 2012; pp. 737–744. [Google Scholar]
- Iliev, I.; Trivedi, C.; Dahlhaug, O.G. Variable-speed operation of Francis turbines: A review of the perspectives and challenges. Renew. Sustain. Energy Rev. 2019, 103, 109–121. [Google Scholar] [CrossRef]
- Fraile-Ardanuy, J.; Wilhelmi, J.R.; Fraile-Mora, J.J.; Pérez, J.I. Variable-Speed hydro generation: Operational aspects and control. IEEE Trans. Energy Convers. 2006, 21, 569–574. [Google Scholar] [CrossRef]
- Valavi, M.; Nysveen, A. Variable-Speed Operation of Hydropower Plants: A Look at the Past, Present, and Future. IEEE Ind. Appl. Mag. 2018, 24, 18–27. [Google Scholar] [CrossRef] [Green Version]
- Zhou, J.; Xu, Y.; Zheng, Y.; Zhang, Y. Optimization of Guide Vane Closing Schemes of Pumped Storage Hydro Unit Using an Enhanced Multi-Objective Gravitational Search Algorithm. Energies 2017, 10, 911. [Google Scholar] [CrossRef]
- Bortoni, E.; Souza, Z.d.; Viana, A.; Villa-Nova, H.; Rezek, Â.; Pinto, L.; Siniscalchi, R.; Bragança, R.; Bernardes, J., Jr. The Benefits of Variable Speed Operation in Hydropower Plants Driven by Francis Turbines. Energies 2019, 12, 3719. [Google Scholar] [CrossRef] [Green Version]
- Guo, B.; Mohamed, A.; Bacha, S.; Alamir, M.; Boudinet, C.; Pouget, J. Reduced-Scale Models of Variable Speed Hydro-Electric Plants for Power Hardware-in-the-Loop Real-Time Simulations. Energies 2020, 13, 5764. [Google Scholar] [CrossRef]
- Wang, H.; Ma, Z. Regulation Characteristics and Load Optimization of Pump-Turbine in Variable-Speed Operation. Energies 2021, 14, 8484. [Google Scholar] [CrossRef]
- Borkowski, D.; Majdak, M. Small hydropower plants with variable speed operation—an optimal operation curve determination. Energies 2020, 13, 6230. [Google Scholar] [CrossRef]
- Gao, J.; Dai, L.; Liu, X.; Du, X.; Luo, D.; Huang, S. Variable-Speed Hydropower Generation: System Modeling, Optimal Control, and Experimental Validation. IEEE Trans. Ind. Electron. 2021, 68, 10902–10912. [Google Scholar] [CrossRef]
- Belhadji, L.; Bacha, S.; Munteanu, I.; Rumeau, A.; Roye, D. Adaptive MPPT Applied to Variable-Speed Microhydropower Plant. IEEE Trans. Energy Convers. 2013, 28, 34–43. [Google Scholar] [CrossRef]
- Borkowski, D. Maximum Efficiency Point Tracking (MEPT) for Variable Speed Small Hydropower Plant with Neural Network Based Estimation of Turbine Discharge. IEEE Trans. Energy Convers. 2017, 32, 1090–1098. [Google Scholar] [CrossRef]
- Borkowski, D. Analytical Model of Small Hydropower Plant Working at Variable Speed. IEEE Trans. Energy Convers. 2018, 33, 1886–1894. [Google Scholar] [CrossRef]
- Iman-Eini, H.; Frey, D.; Bacha, S.; Boudinet, C.; Schanen, J. Evaluation of loss effect on optimum operation of variable speed micro-hydropower energy conversion systems. Renew. Energy 2019, 131, 1022–1034. [Google Scholar] [CrossRef]
- Guo, B.; Bacha, S.; Alamir, M.; Imaneinc, H. An anti-disturbance ADRC based MPPT for variable speed micro-hydropower plant. In Proceedings of the IECON 2017—43rd Annual Conference of the IEEE Industrial Electronics Society, Beijing, China, 29 October–1 November 2017; pp. 1783–1789. [Google Scholar] [CrossRef]
- Borkowski, D. Identification of the Optimal Control Characteristics of a Small Hydropower Plant Using Artificial Neural Networks and the Support Vector Machines Method. J. Hydraul. Res. 2019, 57, 715–723. [Google Scholar] [CrossRef]
- Joseph, A.; Chelliah, T.R. A Review of Power Electronic Converters for Variable Speed Pumped Storage Plants: Configurations, Operational Challenges, and Future Scopes. IEEE J. Emerg. Sel. Top. Power Electron. 2018, 6, 103–119. [Google Scholar] [CrossRef]
- Gupta, A.K.; Khambadkone, A.M. A space vector PWM scheme for multilevel inverters based on two-level space vector PWM. IEEE Trans. Ind. Electron. 2006, 53, 1631–1639. [Google Scholar] [CrossRef]
- Malinowski, M.; Jasiński, M.; Kaźmierkowski, M.P. Simple direct power control of three-phase PWM rectifier using space-vector modulation (DPC-SVM). IEEE Trans. Ind. Electron. 2004, 51, 447–454. [Google Scholar] [CrossRef]
- Sobczyk, T.; Mazgaj, W.; Szular, Z.; Wegiel, T. Higher harmonics of converter currents in energy conversion system of small water plants. In Proceedings of the 2011 IEEE International Symposium on Industrial Electronics (ISIE), Gdansk, Poland, 27–30 June 2011; IEEE: New York, NY, USA, 2011. [Google Scholar]
- Krzemianowski, Z.; Banaszek, M.; Tesch, K. Experimental validation of numerical model within a flow configuration of the model kaplan turbine. Mech. Mech. Eng. 2011, 15, 297–307. [Google Scholar]
- Krzemianowski, Z.; Steller, J. High specific speed Francis turbine for small hydro purposes—design methodology based on solving the inverse problem in fluid mechanics and the cavitation test experience. Renew. Energy 2021, 169, 1210–1228. [Google Scholar] [CrossRef]
- Krzemianowski, Z. Engineering design of the low-head Kaplan hydraulic turbine blades using the inverse problem method. Bull. Pol. Acad. Sci. Tech. Sci. 2019, 67, 1133–1147. [Google Scholar]
- Norm IEC 60041:1994; Field Acceptance Tests to Determine the Hydraulic Performance of Hydraulic Turbines, Storage Pumps and Pump-Turbines. International Electrotechnical Commission (IEC): London, UK, 1994.
- Norm IEC 60193:1999; Hydraulic Turbines, Storage Pumps and Pump-Turbines. Model Acceptance Tests. International Electrotechnical Commission (IEC): London, UK, 1999.
- Zhu, Z.Q.; Howe, D. Influence of design parameters on cogging torque in permanent magnet machines. IEEE Trans. Energy Convers. 2000, 15, 407–412. [Google Scholar] [CrossRef] [Green Version]
- Gieras, J.F.; Wing, M. Permanent Magnet Motor Technology; Marcel Dekker, Inc.: New York, NY, USA, 2002. [Google Scholar]
- Hanselman, D.D. Brushless Permanent Magnet Motor Design; The Writers’ Collective: Orono, ME, USA, 2003. [Google Scholar]
- Juha Pyrhonen, T.J.; Hrabovcov’a, V. Design of Rotating Electrical Machines; John Wiley and Sons: Hoboken, NJ, USA, 2008. [Google Scholar]
- Wegiel, T. Cogging torque analysis based on energy approach in surface-mounted PM machines. In Proceedings of the International Symposium on Electrical Machines (SME), Naleczow, Poland, 18–21 June 2017. [Google Scholar] [CrossRef]


























| No. | Runner Variant | Total Number of Computational Nodes of the Modeled Domain | Total Number of Computational Cells of the Modeled Domain |
|---|---|---|---|
| 1 | Four-blade runner | 8,239,079 | 7,946,666 |
| 2 | Five-blade runner | 9,366,036 | 8,991,908 |
| Listing | Stator | Rotor |
|---|---|---|
| Steel grade | Metal Sheets M350-50A | Structural Steel St 3 |
| Średnica żelaza | 775/540 mm | 533/380 mm |
| Gap | 3.5 mm | |
| Length of iron | 280 mm | |
| Number of poles | 2p = 20 | |
| Number of slots | 72 slots | slotless rotor |
| Type of winding | 3-phase, 2-layer | --- |
| Winding pitch | 4 slots | --- |
| Number of turns/phases | 144 turns | --- |
| Number of parallel circuits | 2 parallel circuits | --- |
| Winding factor | 94.2% | --- |
| Slot depth | 57 mm | --- |
| Slot opening width | 5.5 mm | --- |
| Tooth width | 13 mm | --- |
| Tooth tip thickness | 3.5 mm | --- |
| Winding configuration | ![]() | --- |
| Phase resistance at 20 °C temp. | 16.5 mΩ | --- |
| Magnet type | --- | N40 |
| Magnet angle | --- | 15° |
| Magnet thickness | --- | 10 mm |
Publisher’s Note: MDPI stays neutral with regard to jurisdictional claims in published maps and institutional affiliations. |
© 2022 by the authors. Licensee MDPI, Basel, Switzerland. This article is an open access article distributed under the terms and conditions of the Creative Commons Attribution (CC BY) license (https://creativecommons.org/licenses/by/4.0/).
Share and Cite
Liszka, D.; Krzemianowski, Z.; Węgiel, T.; Borkowski, D.; Polniak, A.; Wawrzykowski, K.; Cebula, A. Alternative Solutions for Small Hydropower Plants. Energies 2022, 15, 1275. https://doi.org/10.3390/en15041275
Liszka D, Krzemianowski Z, Węgiel T, Borkowski D, Polniak A, Wawrzykowski K, Cebula A. Alternative Solutions for Small Hydropower Plants. Energies. 2022; 15(4):1275. https://doi.org/10.3390/en15041275
Chicago/Turabian StyleLiszka, Damian, Zbigniew Krzemianowski, Tomasz Węgiel, Dariusz Borkowski, Andrzej Polniak, Konrad Wawrzykowski, and Artur Cebula. 2022. "Alternative Solutions for Small Hydropower Plants" Energies 15, no. 4: 1275. https://doi.org/10.3390/en15041275
APA StyleLiszka, D., Krzemianowski, Z., Węgiel, T., Borkowski, D., Polniak, A., Wawrzykowski, K., & Cebula, A. (2022). Alternative Solutions for Small Hydropower Plants. Energies, 15(4), 1275. https://doi.org/10.3390/en15041275


