Experimental Flow Boiling Study of R245a at High Reduced Pressures in a Large Diameter Horizontal Tube
Abstract
1. Introduction
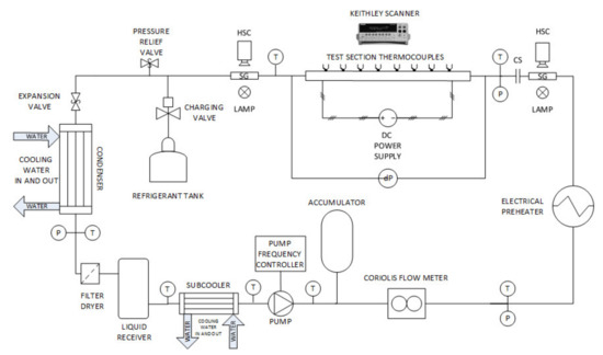
2. Experimental Setup and Data Reduction
2.1. Data Reduction
2.2. Uncertainties on Calculated Parameters
3. Results
- A nucleate boiling dominance that is associated with a plateau of high heat transfer coefficient values at the low vapor quality region,
- A transition region implying a decline of the nucleate boiling that is associated with the decreasing heat transfer coefficients at the mid-range vapor quality region,
- A subsequent secondary plateau of values implying the emergence of the convective boiling with the increasing vapor quality,
- A final steep decrease in values implying a dry-out,
- The effect of carbon steel surface roughness, especially where the nucleate boiling is active,
- The large diameter of the used tube,
- The relatively high saturation temperature in combination with the thermo-physical characteristics of R245fa as shown in Table 2 for the experimental conditions.
3.1. Influence of Mass Flux
3.2. Influence of Saturation Temperature
3.3. Influence of Heat Flux
4. Synthesis and Discussion
5. Conclusions
Author Contributions
Funding
Institutional Review Board Statement
Informed Consent Statement
Data Availability Statement
Conflicts of Interest
Nomenclature
| A | Area (m2) |
| Co | Convection number (-) |
| D | Diameter (mm) |
| G | Mass flux (kg/m2s) |
| L | Length (m) |
| Mass flow rate (kg/s) | |
| NuD | Nusselt number based on equivalent diameter (-) |
| P | Pressure (bar) |
| Pr | Prandtl number (-) |
| RaD | Rayleigh number based on equivalent diameter (-) |
| Heat flux (kW/m2) | |
| Volumetric heat flux (kW/m3) | |
| Heating power (W) | |
| T | Temperature (°C) |
| v0 | Surface efficiency (-) |
| x | Vapor quality (-) |
| X | Variable (-) |
| Xtt | Lockhart-Martinelli parameter (-) |
| y | Quantity (-) |
| z | A point’s distance to the tube inlet (m) |
| Subscripts | |
| amb | Ambient |
| av | Average |
| b | Bulk |
| bottom, B | Bottom section |
| el | Electrical |
| H | Enthalpy |
| i | Counter |
| in | Inner |
| ins | Insulation |
| L | Liquid |
| loss | Heat loss |
| LV | Liquid to vapor |
| n | n-th variable |
| o | Outer |
| r | Reduced |
| s | Surface |
| sat | Saturation |
| side, S | Side section |
| top, T | Top section |
| tp | Two-phase |
| ts | Test section |
| tube, | Tube |
| V | Vapor |
| w | Wall |
| z | Location |
| Greek | |
| µL | Liquid viscosity (Pa.s) |
| ρL | Liquid density (kg/m3) |
| ρV | Vapor density (kg/m3) |
| λL | Liquid thermal conductivity (W/m.K) |
| Abbreviations | |
| CS | Capacitive sensor |
| DOZ | Dry-Out Zone |
| FBZ | Flow Boiling Zone |
| HSC | High-speed camera |
| I.D. | Inner diameter |
| LT | Low temperature |
| MAE | Mean absolute error |
| MRE | Mean relative error |
| NBD | Nucleate Boiling Dominant |
| WNBD | Weak Nucleate Boiling Dominance |
| ORC | Organic Rankine cycle |
| WHR | Waste heat recovery |
Appendix A
| Author(s) | Working Fluid and Test Section Details | |
|---|---|---|
| Kundu et al. [56] | R134a Circular, smooth, copper tube Resistive Heating D = 7 mm | Tsat= 5–9 °C pr = 0.08–0.14 G = 100–400 = 2–10 x = 0.1–0.9 |
| Shao et al. [57] | R134a Circular, smooth tube Resistive Heating D = 10 mm | Tsat = 25 °C pr = 0.16 G = 250–400 = 0–10 x = 0–0.8 |
| Greco and Vanoli [41] | R22, R134a Circular, smooth, stainless steel tube Joule Heating D = 6 mm | Tsat = −4–29 °C pr = 0.07–0.17 G = 365 = 18.3–20.4 x = 0–1 |
| Yu et al. [33] | R22, R134a, R123, R114, R12 Circular, smooth and rough, copper tube Secondary heating fluid D = 7.9 and 8.4 mm L = 6 m | Tsat = 19–99 °C pr = 0.06–0.18 G = 100–361 = 2–111 x = 0–1 |
| Grauso et al. [58] | CO2 Circular, smooth and copper tube Resistive heating D = 6 mm L = 0.78 m | Tsat = 8–12 °C pr = 0.57–0.63 G = 150–500 = 5–20 x = 0–1 |
| Park and Hrnjak [59] | R22, CO2 Circular, smooth and copper tube Secondary heating fluid D = 6.1 mm L = 0.15 m | Tsat = −30–−15 °C pr = 0.03–0.32 G = 100–400 = 5–15 x = 0.1–0.8 |
| Yu et al. [60] | R134a Circular, smooth and copper tube Joule heating D = 10.7 mm L = 1.5 m | Tsat = 6 °C pr = 0.09 G = 163–408 = 2.2–56 x = 0–0.6 |
| Del Col [61] | R22, R125, R134a Circular, smooth and copper tube Secondary heating fluid D = 8 mm L = 1 m | Tsat = 24–45 °C pr = 0.19–0.41 G = 200–600 = 9–52 x = 0.07–0.91 |
| Greco [40] | R22, R134a Circular, smooth and copper tube Joule heating D = 6 mm L = 6 m | Tsat = −22–50 °C pr = 0.06–0.33 G = 200–1100 = 3.5–47 x = 0–1 |
| Choi et al. [36] | R22, R134a, R32 Circular, smooth and copper tube Joule heating D = 7.75 mm L = 5.9 m | Tsat = −9–9 °C pr = 0.05–0.19 G = 240–850 = 4.2–28.6 x = 0–1 |
| Shin et al. [62] | R22, R32, R134a, R290, R600a Circular, smooth and stainless steel Joule heating D = 7.7 mm L = 5.9 m | Tsat = 12 °C pr = 0.11–0.20 G = 265–742 = 10–30 x = 0.05–0.7 |
| Eckels and Pate [63] | R12, R134a Circular, smooth and copper tube Secondary heating fluid D = 8 mm L = 3.67 m | Tsat = 5–15 °C pr = 0.09–0.12 G = 125–400 = 7–15 x = 0.05–0.88 |
| Wongsa-ngam et al. [37] | R134a Circular, microfin and smooth and copper tube Secondary heating fluid D = 8.1 mm L = 2.5 m | Tsat = 10–20 °C pr = 0.10–0.13 G = 400–800 = 10 x = 0.1–0.9 |
| Sripattrapan et al. [64] | R134a Circular, smooth and copper tube Secondary heating fluid D = 7.1 mm L = 2.5 m | Tsat = 18 °C pr = 0.12 G = 376–1061 = 10–30 x = 0.12–0.55 |
| Chengjun et al. [65] | R12, R22, R134a Circular, smooth and copper tube Secondary heating fluid D = 6 mm L = 6 m | Tsat = 5 °C pr = 0.09–0.12 G = 50–300 = 10–30 x = 0–1 |
| Niederkruger et al. [21] | R12 Circular, smooth and nickel tube Resistive heating D = 14 mm L = 0.2 m | Tsat = 16–98 °C pr = 0.12–0.77 G = 9.5–100 = 10–30 x = 0.1–0.8 |
| Balachander and Raja [47] | R134a Circular, smooth and copper tube Secondary heating fluid D = 7.49 mm L = 1 m | Tsat = −10–0 °C pr = 0.05–0.07 G = 57–102 = 2–18 x = 0–1 |
| Lim and Kim [66] | R134a, R123 Circular, smooth and stainless steel tube Joule heating D = 10 mm L = 2 m | Tsat = 21 °C pr = 0.15–0.16 G = 150–600 = 5–50 x = 0–1 |
| Kabelac and De Buhr [67] | Ammonia Circular, smooth and low fin and aluminum tube Secondary heating fluid D = 10 mm L = 0.45 m | Tsat = −40–4 °C pr = 0.01–0.10 G = 50–150 = 17–75x = 0–1 |
| Akhavan-Behabadi et al. [68] | R134a Circular, smooth and tape insert and copper tube Resistive heating D = 7.5 mm L = 0.126 m | Tsat = −19–3 °C pr = 0.03–0.06 G = 54–136 = 1.8–0.53 x = 0.2–1 |
| Mastrullo et al. [55] | CO2 Circular, smooth and stainless steel tube Joule heating D = 10 mm L = 0.12 m | Tsat = −7.5–6 °C pr = 0.38–0.55 G = 200–349 = 10–20.6 x = 0.02–0.98 |
| Mastrullo et al. [69] | CO2, R134a Circular, smooth and stainless steel tube Joule heating D = 6 mm L = 1.2 m | Tsat = −9–20 °C pr = 0.05–0.14 G = 197–472 = 8.5–20.1 x = 0.05–0.95 |
| Wattelet et al. [70] | R134a, R22 Circular, smooth and copper tube Joule heating D = 7.04 mm L = 2.43 m | Tsat = −15–5 °C pr = 0.04–0.09 G = 25–100 = 2–10 x = 0.1–0.9 |
| Panek et al. [71] | R134a, R12 Circular, smooth and copper tube Joule heating D = 10.92 mm L = 2.43 m | Tsat = −15–5 °C pr = 0.06–0.12 G = 200–500 = 5–30 x = 0.1–0.9 |
| Yun et al. [42] | CO2, R134a Circular, smooth and stainless steel tube Joule heating D = 6 mm L = 1.4 m | Tsat = 5–10 °C pr = 0.09–0.61 G = 170–320 = 10–20 x = 0.1–0.85 |
| da Silva Lima et al. [27] | R134a Circular, smooth and copper tube Secondary heating fluid D = 13.84 mm L = 3.1 m | Tsat = 5–20 °C pr = 0.08–0.14 G = 300–500 = 7.5–17.5 x = 0.01–0.99 |
| Spindler and Müller-Steinhagen [72] | R134a Circular, microfin and copper tube Resistive heating D = 8.95 mm L = 1 m | Tsat = −20–10 °C pr = 0.03–0.10 G = 25–150 = 1–15 x = 0.1–0.7 |
| Kedzierski and Kaul [73] | R134a, R12 Circular, smooth and quartz tube Joule heating D = 9 mm | Tsat = 18 °C pr = 0.13 = 15–30 x = 0–1 |
| Torikoshi and Ebisu [74] | R134a, R12 Circular, smooth tube D = 8.7 mm L = 3.2 m | Tsat = 5–15 °C pr = 0.09–0.12 G = 45–200 x = 0.2–1 |
| Kattan et al. [75] | R134a Circular, smooth and copper tube D = 12 mm L = 3.2 m | Tsat = −2–10 pr = 0.07–0.10 G = 100–300 x = 0.18–0.9 |
| Kanizawa et al. [76] | R134a Circular, smooth and twisted tape and copper tube Res. heating D = 12.7 and 15.9 mm L = 2 m | Tsat = 5–15 °C pr = 0.09–0.12 G = 75–200 = 5–10 x = 0.05–0.95 |
| Seo and Kim [77] | R22 Circular, smooth and microfin tube Resistive heating D = 7 and 9.52 mm L = 3 m | Tsat = −15–5 °C pr = 0.06–0.12 G = 70–211 = 5–15 x = 0.2–0.85 |
| Wang et al. [78] | R22 Circular, smooth tube Secondary heating fluid D = 6.54 mm L = 1.3 m | Tsat = 2–7 °C pr = 0.11–0.12 G = 50–700 = 2.5–20x = 0–1 |
| Oh et al. [53] | CO2, R22, R134a Circular, smooth and stainless steel tube Resistive heating D = 7.75 mm L = 5 m | Tsat = −5–5 °C pr = 0.41–0.54 G = 200–500 = 10–40 x = 0–1 |
| Saiz-Jabardo and Bandarra-Filho [79] | R134a, R22 Circular, smooth and copper tube Resistive heating D = 12.7 mm L = 2 m | Tsat = 8–15 °C pr = 0.10–0.16 G = 50–500 = 5–20 x = 0.05–0.9 |
| Kuo and Wang [38] | R22 Circular, smooth and microfin Secondary heating fluid D = 9.52 mm L = 1.3 m | Tsat = 6–10 °C pr = 0.12–0.14 G = 100–300 = 6–14 x = 0.1–0.8 |
| Greco and Vanoli [35] | R22 Circular, smooth and stainless steel tube Joule heating D = 6 mm L = 6 m | Tsat = −15.5–20 °C pr = 0.06–0.18 G = 233–303 = 10.5–17 x = 0–1 |
| Murata and Hashizume [80] | R123 Circular, smooth and spirally grooved tubes D = 10.3 mm | Tsat = 47–118 °C pr = 0.05–1 G = 100–300 x = 0–1 |
| Bandarra-Filho and Saiz-Jabardo [79] | R134a Circular, smooth and grooved Copper tubes Resistive heating D = 7, 7.93 and 9.52 mm L = 1.5 m | Tsat = 5 °C pr = 0.08 G = 70–1100 x = 0.05–0.95 |
| Padovan et al. [43] | R134a Circular, microfin and copper tubes Secondary heating fluid D = 7.69 mm L = 1.4 m | Tsat = 30–42 °C pr = 0.19–0.27 G = 80–600 = 14–83.5x = 0.1–0.99 |
| Yoon et al. [39] | CO2 Circular, smooth and stainless steel tube Joule heating D = 7.53 mm L = 5 m | Tsat = −4–20 °C pr = 0.42–0.77 G = 200–530 = 12–20 x = 0–1 |
| Schlager et al. [81] | R22 Circular, microfin and stainless steel tube Heating fluid D = 11.7 mm L = 3.67 m | Tsat = 0–5 °C pr = 0.10–0.12 G = 75–400 x = 0.15–0.85 |
| Schael and Kind [82] | CO2 Circular, smooth and microfin and copper tube Resistive heating D = 14 mm L = 0.2 m | Tsat = 5 °C pr = 0.54 G = 75–500 = 1–70x = 0.1–0.9 |
| Hihara and Dang [83] | CO2 Circular, smooth tube D = 6 mm | Tsat = 5–15 °C pr = 0.54–0.69 G = 360–1440 = 4.5–36 x = 0.1–0.9 |
| Takamatsu et al. [84] | R134a, R22, R114, R12 Circular, smooth and copper tube Secondary heating fluid D = 7.9 mm L = 6 m | Tsat = 11–42.5 °C pr = 0.13–0.23 G = 100–350 = 1.9–85.9 x = 0–0.95 |
| Colombo et al. [85] | R134a Circular, smooth and microfin and copper tube Secondary heating fluid D = 8.92 mm | Tsat = 5 °C pr = 0.09 G = 100–340 = 6–15 x = 0.25–1 |
| Lee et al. [86] | R290, R600a, R1270, R22 Circular, smooth and copper tube Secondary heating fluid D = 9.52 and 12.7 mm L = 5.8 m | Tsat = −10–10 °C pr = 0.03–0.25 G = 50–200 = 4–26 x = 0.1–1 |
| Wellsandt and Vamling [87] | R134a Circular, microfin and copper tube Secondary heating fluid D = 9.1 mm L = 4 m | Tsat = −1–10 °C pr = 0.07–0.10 G = 162–366 = 0.1–38 x = 0.08–1 |
| Aprea et al. [19] | R22 Circular, smooth and copper tube Secondary heating fluid D = 20 mm | Tsat = −10–−5 °C pr = 0.07–0.08 G = 30–140 = 1.9–9.1 x = 0.15–1 |
| Lillo et al. [88] | R290 Circular, smooth and stainless steel tube Joule heating D = 6 mm L = 0.193 mm | Tsat = 25–35 °C pr = 0.29–0.33 G = 150–500 = 2.5–40 x = 0–1 |
| Kim et al. [89] | CO2 Circular, smooth and copper tube Secondary heating fluid D = 11.2 mm L = 0.15 m | Tsat = −30–−15 °C pr = 0.18–0.29 G = 40–200 = 2–10x = 0.1–0.8 |
| Chamra et al. [90] | R22 Circular, smooth and microfin and copper tube D = 14.88 mm L = 2.44 m | Tsat = 2.2 °C pr = 0.11 G = 45–181 = 8–15 x = 0.22–1 |
| Hambraeus [91] | R134a Circular, smooth and copper tube Resistive heating D = 12 mm L = 10 m | Tsat = −5–20 °C pr = 0.06–0.14 G = 60–300 = 2–10 x = 0–1 |
| Lillo et al. [54] | R1233zd(E) Circular, smooth and stainless steel tube Joule heating D = 6 mm L = 0.193 mm | Tsat = 24.2–65.2 °C pr = 0.036–0.125 G = 147–300 = 2.4–40.9 x = 0.008–0.977 |
| Yang et al. [92] | R600a Circular, smooth and stainless steel tube Resistive heating D = 6 mm L = 0.2 m | Tsat = 8–32 °C pr = 0.06–0.11 G = 67–194 = 10.6–75.0 x = 0–1 |
| Qiu et al. [93] | R600a, R1234ze(E) Circular, smooth and copper tube Resistive heating D = 8 mm L = 2.4 m | Tsat = 20 °C pr = 0.09–0.11 G = 200–400 = 5–10 x = 0.1–0.9 |
| Yang et al. [44] | R1234ze(E) Circular, smooth and stainless steel tube Resistive heating D = 6 mm L = 0.2 m | Tsat = 8–32 °C pr = 0.06–0.11 G = 130–258 = 10.6–74.8 x = 0–1 |
References
- Chen, H.; Goswami, D.Y.; Stefanakos, E.K. A review of thermodynamic cycles and working fluids for the conversion of low-grade heat. Renew. Sustain. Energy Rev. 2010, 14, 3059–3067. [Google Scholar] [CrossRef]
- Lecompte, S.; Lemmens, S.; Huisseune, H.; Broek, M.V.D.; De Paepe, M. Multi-Objective Thermo-Economic Optimization Strategy for ORCs Applied to Subcritical and Transcritical Cycles for Waste Heat Recovery. Energies 2015, 8, 2714–2741. [Google Scholar] [CrossRef]
- Quoilin, S.; Broek, M.V.D.; Declaye, S.; Dewallef, P.; Lemort, V. Techno-economic survey of Organic Rankine Cycle (ORC) systems. Renew. Sustain. Energy Rev. 2013, 22, 168–186. [Google Scholar] [CrossRef]
- Bao, J.; Zhao, L. A review of working fluid and expander selections for organic Rankine cycle. Renew. Sustain. Energy Rev. 2013, 24, 325–342. [Google Scholar] [CrossRef]
- Kaya, A.; Lazova, M.; de Paepe, M. Design and Rating of an Evaporator for Waste Heat Recovery Organic Rankine Cycle Using Ses36. In Proceedings of the 3rd International Seminar on ORC Power Systems, Brussels, Belgium, 12–14 October 2015; pp. 1–10. [Google Scholar]
- Walraven, D.; Laenen, B.; D’Haeseleer, W. Optimum configuration of shell-and-tube heat exchangers for the use in low-temperature organic Rankine cycles. Energy Convers. Manag. 2014, 83, 177–187. [Google Scholar] [CrossRef]
- Walraven, D.; Laenen, B.; D’Haeseleer, W. Comparison of shell-and-tube with plate heat exchangers for the use in low-temperature organic Rankine cycles. Energy Convers. Manag. 2014, 87, 227–237. [Google Scholar] [CrossRef]
- Capata, R.; Zangrillo, E. Preliminary Design of Compact Condenser in an Organic Rankine Cycle System for the Low Grade Waste Heat Recovery. Energies 2014, 7, 8008–8035. [Google Scholar] [CrossRef]
- Erhart, T.G.; Eicker, U.; Infield, D. Influence of Condenser Conditions on Organic Rankine Cycle Load Characteristics. J. Eng. Gas Turbines Power 2013, 135, 042301. [Google Scholar] [CrossRef]
- Kaya, A.; Lazova, M.; Bağcı, Ö.; Lecompte, S.; Ameel, B.; De Paepe, M. Design Sensitivity Analysis of a Plate-Finned Air-Cooled Condenser for Low-Temperature Organic Rankine Cycles. Heat Transf. Eng. 2016, 38, 1018–1033. [Google Scholar] [CrossRef]
- Xu, J.; Luo, X.; Chen, Y.; Mo, S. Multi-criteria Design Optimization and Screening of Heat Exchangers for a Subcritical ORC. Energy Procedia 2015, 75, 1639–1645. [Google Scholar] [CrossRef][Green Version]
- Lecompte, S.; Huisseune, H.; Broek, M.V.D.; De Schampheleire, S.; De Paepe, M. Part load based thermo-economic optimization of the Organic Rankine Cycle (ORC) applied to a combined heat and power (CHP) system. Appl. Energy 2013, 111, 871–881. [Google Scholar] [CrossRef]
- Imran, M.; Usman, M.; Park, B.-S.; Kim, H.-J.; Lee, D.-H. Multi-objective optimization of evaporator of organic Rankine cycle (ORC) for low temperature geothermal heat source. Appl. Therm. Eng. 2015, 80, 1–9. [Google Scholar] [CrossRef]
- Fischer, J. Comparison of trilateral cycles and organic Rankine cycles. Energy 2011, 36, 6208–6219. [Google Scholar] [CrossRef]
- Chen, J. A Correlation for Boiling Heat Transfer to Saturated Fluids in Convective Flow. Ind. Eng. Chem. Process Des. Dev. 1962, 5, 322–329. [Google Scholar] [CrossRef]
- Shah, M.M. Chart Correlation for Saturated Boiling Heat Transfer: Equations and Further Study. ASHRAE Trans. 1982, 88, 185–196. [Google Scholar]
- Gungor, K.E.; Winterton, R.H.S. A general correlation for flow boiling in tubes and annuli. Int. J. Heat Mass Transf. 1986, 29, 351–358. [Google Scholar] [CrossRef]
- Kandlikar, S.G. A General Correlation for Saturated Two-Phase Flow Boiling Heat Transfer Inside Horizontal and Vertical Tubes. J. Heat Transf. 1990, 112, 219–228. [Google Scholar] [CrossRef]
- Aprea, C.; Rossi, F.; Greco, A. Experimental evaluation of R22 and R407C evaporative heat transfer coefficients in a vapour compression plant. Int. J. Refrig. 2000, 23, 366–377. [Google Scholar] [CrossRef]
- Cooper, M. Heat flow rates in saturated nucleate pool boiling-A wide-ranging examination using reduced properties. In Advances in Heat Transfer; Hartnett, J.P., Irvine, T.F., Eds.; Elsevier: Amsterdam, The Netherlands, 1984; Volume 16, pp. 157–239. [Google Scholar] [CrossRef]
- Niederkrüger, M.; Steiner, D.; Schlünder, E.-U. Horizontal flow boiling experiments of saturated pure components and mixtures of R846-R12 at high pressures. Int. J. Refrig. 1992, 15, 48–58. [Google Scholar] [CrossRef]
- Müller-Steinhagen, H.; Heck, K. A simple friction pressure drop correlation for two-phase flow in pipes. Chem. Eng. Process. Process Intensif. 1986, 20, 297–308. [Google Scholar] [CrossRef]
- Churchill, S.W.; Chu, H.H. Correlating equations for laminar and turbulent free convection from a horizontal cylinder. Int. J. Heat Mass Transf. 1975, 18, 1049–1053. [Google Scholar] [CrossRef]
- Gnielinski, V. New equation for heat and mass transfer in turbulent pipe and channel flow. Int. Chem. Eng. 1976, 16, 359–368. [Google Scholar]
- Bell, I.H.; Wronski, J.; Quoilin, S.; Lemort, V. Pure and Pseudo-pure Fluid Thermophysical Property Evaluation and the Open-Source Thermophysical Property Library CoolProp. Ind. Eng. Chem. Res. 2014, 53, 2498–2508. [Google Scholar] [CrossRef] [PubMed]
- Charnay, R.; Revellin, R.; Bonjour, J. Flow boiling heat transfer in minichannels at high saturation temperatures: Part I – Experimental investigation and analysis of the heat transfer mechanisms. Int. J. Heat Mass Transf. 2015, 87, 636–652. [Google Scholar] [CrossRef]
- da Silva Lima, R.J.; Quibén, J.M.; Thome, J.R. Flow boiling in horizontal smooth tubes: New heat transfer results for R-134a at three saturation temperatures. Appl. Therm. Eng. 2009, 29, 1289–1298. [Google Scholar] [CrossRef]
- Quibén, J.M.; Cheng, L.; Lima, R.J.D.S.; Thome, J.R. Flow boiling in horizontal flattened tubes: Part II—Flow boiling heat transfer results and model. Int. J. Heat Mass Transf. 2009, 52, 3645–3653. [Google Scholar] [CrossRef]
- Kandlikar, S.G. Heat Transfer Characteristics in Partial Boiling, Fully Developed Boiling, and Significant Void Flow Regions of Subcooled Flow Boiling. J. Heat Transf. 1998, 120, 395–401. [Google Scholar] [CrossRef]
- Cheng, L.; Mewes, D. Advances in Multiphase Flow and Heat Transfer; Bentham Science Publishers: Sharjah, United Arab Emirates, 2012; Volume 2, p. 314. [Google Scholar]
- Fang, X.; Zhou, Z.; Wang, H. Heat transfer correlation for saturated flow boiling of water. Appl. Therm. Eng. 2015, 76, 147–156. [Google Scholar] [CrossRef]
- Copetti, J.B.; Macagnan, M.H.; Zinani, F.; Kunsler, N.L. Flow boiling heat transfer and pressure drop of R-134a in a mini tube: An experimental investigation. Exp. Therm. Fluid Sci. 2011, 35, 636–644. [Google Scholar] [CrossRef]
- Yu, J.; Momoki, S.; Koyama, S. Experimental study of surface effect on flow boiling heat transfer in horizontal smooth tubes. Int. J. Heat Mass Transf. 1999, 42, 1909–1918. [Google Scholar] [CrossRef]
- Zürcher, O.; Favrat, D.; Thome, J. Development of a diabatic two-phase flow pattern map for horizontal flow boiling. Int. J. Heat Mass Transf. 2002, 45, 291–301. [Google Scholar] [CrossRef]
- Greco, A.; Vanoli, G.P. Evaporation of refrigerants in a smooth horizontal tube: Prediction of R22 and R507 heat transfer coefficients and pressure drop. Appl. Therm. Eng. 2004, 24, 2189–2206. [Google Scholar] [CrossRef]
- Choi, T.; Kim, Y.; Kim, M.; Ro, S. Evaporation heat transfer of R-32, R-134a, R-32/134a, and R-32/125/134a inside a horizontal smooth tube. Int. J. Heat Mass Transf. 2000, 43, 3651–3660. [Google Scholar] [CrossRef]
- Wongsa-ngam, J.; Nualboonrueng, T.; Wongwises, S. Performance of smooth and micro-fin tubes in high mass flux region of R-134a during evaporation. Heat Mass Transf. 2004, 40, 425–435. [Google Scholar] [CrossRef]
- Kuo, C.; Wang, C. In-tube evaporation of HCFC-22 in a 9.52 mm micro-fin/smooth tube. Int. J. Heat Mass Transf. 1996, 39, 2559–2569. [Google Scholar] [CrossRef]
- Yoon, S.H.; Cho, E.S.; Hwang, Y.W.; Kim, M.S.; Min, K.; Kim, Y. Characteristics of evaporative heat transfer and pressure drop of carbon dioxide and correlation development. Int. J. Refrig. 2004, 27, 111–119. [Google Scholar] [CrossRef]
- Greco, A. Convective boiling of pure and mixed refrigerants: An experimental study of the major parameters affecting heat transfer. Int. J. Heat Mass Transf. 2008, 51, 896–909. [Google Scholar] [CrossRef]
- Greco, A.; Vanoli, G.P. Flow-boiling of R22, R134a, R507, R404A and R410A inside a smooth horizontal tube. Int. J. Refrig. 2005, 28, 872–880. [Google Scholar] [CrossRef]
- Yun, R.; Kim, Y.; Kim, M.S.; Choi, Y. Boiling heat transfer and dryout phenomenon of CO2 in a horizontal smooth tube. Int. J. Heat Mass Transf. 2003, 46, 2353–2361. [Google Scholar] [CrossRef]
- Padovan, A.; Del Col, D.; Rossetto, L. Experimental study on flow boiling of R134a and R410A in a horizontal microfin tube at high saturation temperatures. Appl. Therm. Eng. 2011, 31, 3814–3826. [Google Scholar] [CrossRef]
- Yang, Z.-Q.; Chen, G.-F.; Yao, Y.; Song, Q.-L.; Shen, J.; Gong, M.-Q. Experimental study on flow boiling heat transfer and pressure drop in a horizontal tube for R1234ze(E) versus R600a. Int. J. Refrig. 2018, 85, 334–352. [Google Scholar] [CrossRef]
- Hardik, B.; Prabhu, S. Boiling pressure drop and local heat transfer distribution of water in horizontal straight tubes at low pressure. Int. J. Therm. Sci. 2016, 110, 65–82. [Google Scholar] [CrossRef]
- Hsieh, Y.; Lie, Y.; Lin, T. Saturated flow boiling heat transfer of refrigerant R-410A in a horizontal annular finned duct. Int. J. Heat Mass Transf. 2007, 50, 1442–1454. [Google Scholar] [CrossRef]
- Balachander, P.; Raja, B. Investigation on the boiling heat transfer characteristics of R404A and R134a under stratified flow condition. Heat Mass Transf. 2014, 51, 825–835. [Google Scholar] [CrossRef]
- Kasza, K.E.; Didascalou, T.; Wambsganss, M.W. Microscale flow visualization of nucleate boiling in small channels: Mechanisms influencing heat transfer. In Compact Heat Exchangers for the Process Industries; University of Kentucky: Lexington, KY, USA, 1997. [Google Scholar]
- Kattan, N.; Thome, J.R.; Favrat, D. Flow Boiling in Horizontal Tubes: Part 1—Development of a Diabatic Two-Phase Flow Pattern Map. J. Heat Transf. 1998, 120, 140–147. [Google Scholar] [CrossRef]
- Thome, J.R. Update on advances in flow pattern based two-phase heat transfer models. Exp. Therm. Fluid Sci. 2005, 29, 341–349. [Google Scholar] [CrossRef]
- Mastrullo, R.; Mauro, A.; Thome, J.; Toto, D.; Vanoli, G.P. Flow pattern maps for convective boiling of CO2 and R410A in a horizontal smooth tube: Experiments and new correlations analyzing the effect of the reduced pressure. Int. J. Heat Mass Transf. 2012, 55, 1519–1528. [Google Scholar] [CrossRef]
- Lee, S.-J.; Choi, J.-Y.; Lee, J.-H.; Kwon, Y.-C. Experimental Study on Characteristics of Evaporation Heat Transfer of CO2 in a Smooth Tube. J. Energy Eng. 2007, 16, 181–186. [Google Scholar]
- Oh, H.-K.; Ku, H.-G.; Roh, G.-S.; Son, C.-H.; Park, S.-J. Flow boiling heat transfer characteristics of carbon dioxide in a horizontal tube. Appl. Therm. Eng. 2008, 28, 1022–1030. [Google Scholar] [CrossRef]
- Lillo, G.; Mastrullo, R.; Mauro, A.; Viscito, L. Flow boiling of R1233zd(E) in a horizontal tube: Experiments, assessment and correlation for asymmetric annular flow. Int. J. Heat Mass Transf. 2019, 129, 547–561. [Google Scholar] [CrossRef]
- Mastrullo, R.; Mauro, A.W.; Rosato, A.; Vanoli, G.P. Carbon dioxide local heat transfer coefficients during flow boiling in a horizontal circular smooth tube. Int. J. Heat Mass Transf. 2009, 52, 4184–4194. [Google Scholar] [CrossRef]
- Kundu, A.; Kumar, R.; Gupta, A. Comparative experimental study on flow boiling heat transfer characteristics of pure and mixed refrigerants. Int. J. Refrig. 2014, 45, 136–147. [Google Scholar] [CrossRef]
- Shao, J.; Li, X.; Guo, Z.; Ma, T.; Liu, R.; Tian, X. Flow pattern, pressure drop and heat transfer coefficient during two-phase flow boiling of R134a in pump-assisted separate heat pipe. Exp. Therm. Fluid Sci. 2017, 85, 240–247. [Google Scholar] [CrossRef]
- Grauso, S.; Mastrullo, R.; Mauro, A.; Vanoli, G.P. Flow boiling of R410A and CO2 from low to medium reduced pressures in macro channels: Experiments and assessment of prediction methods. Int. J. Heat Mass Transf. 2013, 56, 107–118. [Google Scholar] [CrossRef]
- Park, C.; Hrnjak, P. CO2 and R410A flow boiling heat transfer, pressure drop, and flow pattern at low temperatures in a horizontal smooth tube. Int. J. Refrig. 2007, 30, 166–178. [Google Scholar] [CrossRef]
- Yu, M.-H.; Lin, T.-K.; Tseng, C.-C. Heat transfer and flow pattern during two-phase flow boiling of R-134a in horizontal smooth and microfin tubes. Int. J. Refrig. 2002, 25, 789–798. [Google Scholar] [CrossRef]
- Del Col, D. Flow boiling of halogenated refrigerants at high saturation temperature in a horizontal smooth tube. Exp. Therm. Fluid Sci. 2010, 34, 234–245. [Google Scholar] [CrossRef]
- Shin, J.Y.; Kim, M.S.; Ro, S.T. Experimental study on forced convective boiling heat transfer of pure refrigerants and refrigerant mixtures in a horizontal tube. Int. J. Refrig. 1997, 20, 267–275. [Google Scholar] [CrossRef]
- Eckels, S.; Pate, M. An experimental comparison of evaporation and condensation heat transfer coefficients for HFC-134a and CFC. Int. J. Refrig. 1991, 14, 70–77. [Google Scholar] [CrossRef]
- Sripattrapan, W.; Wongchang, T.; Wongwises, S. Heat transfer and two-phase flow characteristics of refrigerants flowing under varied heat flux in a double-pipe evaporator. Heat Mass Transf. 2004, 40, 653–664. [Google Scholar] [CrossRef]
- Chengjun, G.; Weicheng, W.; Lining, Z. Influence of tube’s diameter on boiling heat transfer performance in small diameter tubes. J. Therm. Sci. 1998, 7, 49–53. [Google Scholar]
- Lim, T.W.; Kim, J.H. An experimental investigation of heat transfer in forced convective boiling of R134a, R123 and R134a/R123 in a horizontal tube. KSME Int. J. 2004, 18, 513–525. [Google Scholar] [CrossRef]
- Kabelac, S.; de Buhr, H.-J. Flow boiling of ammonia in a plain and a low finned horizontal tube. Int. J. Refrig. 2001, 24, 41–50. [Google Scholar] [CrossRef]
- Akhavan-Behabadi, M.; Kumar, R.; Jamali, M. Investigation on heat transfer and pressure drop during swirl flow boiling of R-134a in a horizontal tube. Int. J. Heat Mass Transf. 2009, 52, 1918–1927. [Google Scholar] [CrossRef]
- Mastrullo, N.; Mauro, A.; Rosato, A.; Vanoli, G. Comparison of R744 and R134a heat transfer coefficients during flow boiling in a horizontal circular smooth tube. Renew. Energy Power Qual. J. 2009, 1, 577–581. [Google Scholar] [CrossRef]
- Wattelet, J.P.; Chato, J.C.; Christoffersen, B.R.; Gaibel, J.A. Heat Transfer Flow Regimes of Refrigerants in a Horizon-tal-Tube Evaporator. Ph.D. Thesis, University of Illinois at Urbana-Champaign, Champaign, IL, USA, 1994. [Google Scholar]
- Panek, J.S.; Chato, J.C.; Jabardo, J.M.S.; de Souza, A.L.; Wattelet, J.P. Evaporation Heat Transfer and Pressure Drop in Ozone-Safe Refrigerants and Refrigerant-Oil Mixtures; Air Conditioning and Refrigeration Center, College of Engineering, University of Illinois at Urbana-Champaign: Champaign, IL, USA, 1992; Volume 61801. [Google Scholar]
- Spindler, K.; Müller-Steinhagen, H. Flow boiling heat transfer of R134a and R404A in a microfin tube at low mass fluxes and low heat fluxes. Heat Mass Transf. 2007, 45, 967–977. [Google Scholar] [CrossRef]
- Kedzierski, M.A.; Kaul, M.P. Horizontal nucleate flow boiling heat transfer coefficient measurements and visual obser-vations for R12, R134a and R134a/ester lubricant mixtures. In The 6th International Symposium on Transport Phenomena in Thermal Engineering, Seoul, Korea, 9–13 May 1993; Begell House: Danbury, CT, USA, 1993; pp. 111–116. [Google Scholar]
- Torikoshi, K.; Ebisu, T. Heat transfer and pressure drop characteristics of R-134a, R-32, and a mixture of R-32/R-134a inside a horizontal tube. ASHRAE Trans. 1999, 2, 90–96. [Google Scholar]
- Kattan, N.; Favrat, D.; Thome, J.R. Two-Phase Flow Patterns during Evaporation of the New Refrigerants in Horizontal Tubes. In Proceedings of the European Two-Phase Flow Group Meeting, Hannover, Germany, 7–10 June 1993; p. H2. [Google Scholar]
- Kanizawa, F.T.; Mogaji, T.S.; Ribatski, G. Evaluation of the heat transfer enhancement and pressure drop penalty during flow boiling inside tubes containing twisted tape insert. Appl. Therm. Eng. 2014, 70, 328–340. [Google Scholar] [CrossRef]
- Seo, K.; Kim, Y. Evaporation heat transfer and pressure drop of R-22 in 7 and 9.52 mm smooth/micro-fin tubes. Int. J. Heat Mass Transf. 2000, 43, 2869–2882. [Google Scholar] [CrossRef]
- Wang, C.C.; Lin, S.P.; Yu, J.G.; Lu, C. An experimental study of convective boiling of refrigerants R-22 and R-410A. Atlanta, GA: American Society of Heating. Refrig. Air-Cond. Eng. 1998, 104, 1144. [Google Scholar]
- Jabardo, J.M.S.; Filho, E.P.B. Convective boiling of halocarbon refrigerants flowing in a horizontal copper tube – an experimental study. Exp. Therm. Fluid Sci. 2000, 23, 93–104. [Google Scholar] [CrossRef]
- Murata, K.; Hashizume, K. Forced Convective Boiling of Nonazeotropic Refrigerant Mixtures Inside Tubes. J. Heat Transf. 1993, 115, 680–689. [Google Scholar] [CrossRef]
- Schlager, L.M.; Pate, M.B.; Bergles, A.E. Evaporation and Condensation Heat Transfer and Pressure Drop in Horizontal, 12. 7-mm Microfin Tubes with Refrigerant J. Heat Transf. 1990, 112, 1041–1047. [Google Scholar] [CrossRef]
- Schael, A.-E.; Kind, M. Flow pattern and heat transfer characteristics during flow boiling of CO2 in a horizontal micro fin tube and comparison with smooth tube data. Int. J. Refrig. 2005, 28, 1186–1195. [Google Scholar] [CrossRef]
- Hihara, E.; Dang, C. Boiling Heat Transfer of Carbon Dioxide in Horizontal Tubes. In Proceedings of the ASME/JSME 2007 Thermal Engineering Heat Transfer Summer Conference, Vancouver, BC, Canada, 8–12 July 2007; ASME International: New York, NY, USA, 2007; Volume 3, pp. 843–849. [Google Scholar]
- Takamatsu, H.; Momoki, S.; Fujii, T. A correlation for forced convective boiling heat transfer of pure refrigerants in a horizontal smooth tube. Int. J. Heat Mass Transf. 1993, 36, 3351–3360. [Google Scholar] [CrossRef]
- Colombo, L.; Lucchini, A.; Muzzio, A. Flow patterns, heat transfer and pressure drop for evaporation and condensation of R134A in microfin tubes. Int. J. Refrig. 2012, 35, 2150–2165. [Google Scholar] [CrossRef]
- Lee, H.; Yoon, J.; Kim, J.; Bansal, P. Evaporating heat transfer and pressure drop of hydrocarbon refrigerants in 9.52 and 12.70mm smooth tube. Int. J. Heat Mass Transf. 2005, 48, 2351–2359. [Google Scholar] [CrossRef]
- Wellsandt, S.; Vamling, L. Evaporation of R134a in a horizontal herringbone microfin tube: Heat transfer and pressure drop. Int. J. Refrig. 2005, 28, 889–900. [Google Scholar] [CrossRef]
- Lillo, G.; Mastrullo, R.; Mauro, A.; Viscito, L. Flow boiling heat transfer, dry-out vapor quality and pressure drop of propane (R290): Experiments and assessment of predictive methods. Int. J. Heat Mass Transf. 2018, 126, 1236–1252. [Google Scholar] [CrossRef]
- Kim, S.; Pehlivanoglu, N.; Hrnjak, P.G. R744 Flow Boiling Heat Transfer with and Without Oil at Low Temperatures in 11.2 mm Horizontal Smooth Tube. In Proceedings of the International Refrigeration and Air Conditioning Conference at Purdue, West Lafayette, IN, USA, 12–15 July 2010; p. 1132. [Google Scholar]
- Chamra, L.; Webb, R.; Randlett, M. Advanced micro-fin tubes for evaporation. Int. J. Heat Mass Transf. 1996, 39, 1827–1838. [Google Scholar] [CrossRef]
- Hambraeus, K. Heat transfer coefficient during two-phase flow boiling of HFC-134a. Int. J. Refrig. 1991, 14, 357–362. [Google Scholar] [CrossRef]
- Yang, Z.; Gong, M.; Chen, G.; Zou, X.; Shen, J. Two-phase flow patterns, heat transfer and pressure drop characteristics of R600a during flow boiling inside a horizontal tube. Appl. Therm. Eng. 2017, 120, 654–671. [Google Scholar] [CrossRef]
- Qiu, J.; Zhang, H.; Yu, X.; Qi, Y.; Lou, J.; Wang, X. Experimental investigation of flow boiling heat transfer and pressure drops characteristic of R1234ze(E), R600a, and a mixture of R1234ze(E)/R32 in a horizontal smooth tube. Adv. Mech. Eng. 2015, 7, 168781401560631. [Google Scholar] [CrossRef]












| Quantity | Value | Absolute Uncertainty | Relative Uncertainty | Unit |
|---|---|---|---|---|
| D | 21.2 | 0.01 | ±0.0005 | mm |
| G | 100–350 | ±0.2–0.7 | ±0.05% | kg/m2s |
| 10,000–30,000 | ±56–137.1 | ±0.03% | W/m2 | |
| Tsat | 85–120 | ±0.84 K | - | °C |
| psat | 8–20 | ±0.109 | ±1.1–2.5% | bar |
| htp | 3469–5549 | ±164–406 | ±7.2% | W/m2s |
| Tsat | Pr | ρL (kg/m3) | ρV (kg/m3) | µL (µPa-s) | λL (W/m-K) |
|---|---|---|---|---|---|
| 85 °C | 0.24 | 1152 | 49 | 198 | 0.074 |
| 100 °C | 0.34 | 1093 | 72 | 165 | 0.070 |
| 105 °C | 0.38 | 1072 | 81 | 156 | 0.068 |
| 110 °C | 0.43 | 1049 | 92 | 146 | 0.067 |
| 115 °C | 0.47 | 1024 | 105 | 137 | 0.065 |
| 120 °C | 0.52 | 998 | 119 | 128 | 0.063 |
Publisher’s Note: MDPI stays neutral with regard to jurisdictional claims in published maps and institutional affiliations. |
© 2022 by the authors. Licensee MDPI, Basel, Switzerland. This article is an open access article distributed under the terms and conditions of the Creative Commons Attribution (CC BY) license (https://creativecommons.org/licenses/by/4.0/).
Share and Cite
Kaya, A.; Lecompte, S.; De Paepe, M. Experimental Flow Boiling Study of R245a at High Reduced Pressures in a Large Diameter Horizontal Tube. Energies 2022, 15, 864. https://doi.org/10.3390/en15030864
Kaya A, Lecompte S, De Paepe M. Experimental Flow Boiling Study of R245a at High Reduced Pressures in a Large Diameter Horizontal Tube. Energies. 2022; 15(3):864. https://doi.org/10.3390/en15030864
Chicago/Turabian StyleKaya, Alihan, Steven Lecompte, and Michel De Paepe. 2022. "Experimental Flow Boiling Study of R245a at High Reduced Pressures in a Large Diameter Horizontal Tube" Energies 15, no. 3: 864. https://doi.org/10.3390/en15030864
APA StyleKaya, A., Lecompte, S., & De Paepe, M. (2022). Experimental Flow Boiling Study of R245a at High Reduced Pressures in a Large Diameter Horizontal Tube. Energies, 15(3), 864. https://doi.org/10.3390/en15030864

