Next Article in Journal
Analysis of an Energy Management System of a Small Plant Connected to the Rural Power System
Next Article in Special Issue
Magnetic Material Modelling of Electrical Machines
Previous Article in Journal
Laboratory Studies on Permeability of Coals Using Briquettes: Understanding Underground Storage of CO2
Previous Article in Special Issue
Application of Surrogate Optimization Routine with Clustering Technique for Optimal Design of an Induction Motor
 
 
Due to scheduled maintenance work on our servers, there may be short service disruptions on this website between 11:00 and 12:00 CEST on March 28th.
Font Type:
Arial Georgia Verdana
Font Size:
Aa Aa Aa
Line Spacing:
Column Width:
Background:
Article

PV Generator-Fed Water Pumping System Based on a SRM with a Multilevel Fault-Tolerant Converter

1
SustainRD, EST Setubal, Polytechnic Institute of Setúbal, 2914-508 Setúbal, Portugal
2
Instituto de Engenharia de Sistemas e Computadores—Investigação e Desenvolvimento em Lisboa (INESC-ID), 1000-029 Lisboa, Portugal
3
Centre of Technology and Systems (CTS-UNINOVA), 2829-516 Caparica, Portugal
4
ISEL—Instituto Politécnico de Lisboa, 1959-007 Lisboa, Portugal
*
Author to whom correspondence should be addressed.
Energies 2022, 15(3), 720; https://doi.org/10.3390/en15030720
Submission received: 23 December 2021 / Revised: 10 January 2022 / Accepted: 13 January 2022 / Published: 19 January 2022
(This article belongs to the Special Issue Magnetic Material Modelling of Electrical Machines)

Abstract

:
This paper presents a pumping system supplied by a PV generator that is based on a switched reluctance machine (SRM). Water pumping systems are fundamental in many applications. Most of them can be used only during the day; therefore, they are highly recommended for use with PV generators. For the interface between the PV panels and the motor, a new multilevel converter is proposed. This converter is designed in order to ensure fault-tolerant capability for open switch faults. The converter is based on two three-level inverters, with some extra switches. Moreover, to reduce the number of switches, the converter is designed to provide inverse currents in the motor windings. Due to the characteristics of this motor, the inverse currents do not change the torque direction. In this way, it was possible to obtain an SRM drive with fault-tolerant capability for transistor faults; it is also a low-cost solution, due to the reduced number of switches and drives. These characteristics of fault-tolerant capability and low cost are important in applications such as water pumping systems supplied by PV generators. The proposed system was verified by several tests that were carried out by a simulation program. The experimental results, obtained from a laboratory prototype, are also presented, with the purpose of validating the simulation tests.

1. Introduction

One of the applications for which PV generators are considered highly adequate is water pumping systems [1,2,3,4]. In many of these systems the operation is compatible with the intermittency of the electrical energy supplied by the generators. Therefore, it is possible to implement a completely renewable and clean solution that does not produce greenhouse gases. On the other hand, it is extremely important and appropriate to implement it in rural and remote areas [4,5,6]. Taking these factors into consideration, the development of a reliable and economical pumping system is fundamental.
One of the aspects that must be considered in a pumping system is the choice of the electric motor. Several types of motor can be used in this type of application [6]. However, one of the motors that is considered the most interesting is the switching reluctance machine (SRM). When compared to other industrial motors, this motor is considered simple in design [7]. As a consequence, several applications and research studies have been performed [8,9,10,11,12]. From these applications and studies, it was possible to verify that in fact, the SRM showed excellent characteristics for this kind of application.
One fundamental aspect of the application of an SRM is the electronic power converter that must be used to operate the motor; several topologies can be adopted. The classic solution is the asymmetrical half-bridge topology [13,14,15]. However, many other two-level topologies have been presented and proposed. Most of those topologies are characterized to reduce the number of electronic power components [16,17,18,19,20]. However, electronic power converters are prone to faults in their switches [21]. Thus, in order to consider this aspect, several topologies have been developed with the purpose of providing fault-tolerant capability for this type of faults. The approach to developing these converters is based on the introduction of extra switches and/or relays. An example in which an extra leg and relays to connect it to the faulty phase are introduced can be seen in [22]. Another topology that introduces new switches and relays was also proposed in [23]. In this topology, instead of using a leg with a switch and a diode, a classical leg with two switches and two diodes is used. One interesting concept that is used in the context of this topology is that in fault-tolerant mode, changes in the current excitation are also considered. Another topology in which extra switches were introduced, but with the purpose of minimizing them, is presented in [24]. A fault-tolerant system with extra switches and windings (dual-channel switched reluctance motor) was also proposed by [25]. It is characterized by two operational models. The first operational model works like a three-phase conventional SRM delivered by an H-bridge inverter, driven by square-wave currents. The second operational model involves two SRMs, mutually coupled, being supplied by sine-wave currents. These operational models are used to solve various faults, and the corresponding remedial current strategies are proposed to perform fault-tolerant operation. In [26], another topology was proposed with extra switches that can be arranged to work in the usual and modular driving modes so that the advantages of both driving methods can be applied. A topology with two additional switches and six thyristors, complementing the classical AHB, was also proposed [27]. In [28], a topology that uses a standby single-phase full bridge in combination with an extra group of mechanical switches replacing up to four faulty active switches was presented. However, this solution is not capable of isolating short-circuit failures in controlled-power semiconductors. The fault-tolerant solution presented in [29] combines a classical AHB topology with a classical redundant VSI topology applied to a three-phase SRM. The redundant three-phase VSI is linked to every central-tapped winding phase. In [30], a fault-tolerant topology with an additional classical single-phase full-bridge joined with six mechanical relays applied to a three-phase SRM was presented. Each phase of the converter is divided into three windings to connect additional controlled power semiconductors in fault-tolerant operation. In [31], the use of two inverter legs for each phase for a special six-phase 12/8 SRM was proposed to increase drive system reliability, based on the concept of increasing the number of legs per phase of the inverter. This proposal uses a mutually coupled dual three-phase SRM.
Solutions in which only relays are used were also proposed [32,33]. The first solution benefits from the independence between SRM phases and demands static switches linked between phases that are not in sequence. The second solution uses the same principle presented in [32] with some enhancements regarding fault-tolerant operation. This solution uses healthy legs to control two phases that are not in a sequence; for example, in a four-phase SRM, phases ‘A’ and ‘C’ or phases ‘B’ and ‘D’. It uses various changeover solid-state relays (SSRs) to link the faulty legs to other healthy phases, so as to replace and isolate the faulty devices. This solution offers the advantage of isolating faulty controlled power semiconductors regardless of the failure mode. Another category of power converter topology that can be used with the SRM features the ability to generate multilevel voltages. Consequently, it is possible to improve the performance of the machine and reduce the power semiconductors’ switching frequency [34]. Another important aspect of multilevel topologies is that they can provide fault-tolerant capability. In this way, T-type and neutral point clamped asymmetric half-bridge (NPC) topologies have been studied [34,35,36,37,38]. However, these topologies present some limitations regarding their fault-tolerant capability for all types of faults. Topologies based on the modular multilevel converter (MMC) were also proposed. One of the solutions is the classical asymmetric MMC [34]. In this solution, the MMC’s structure is linked to the asymmetric bridge converter [39]. In [40], an NPC-AHB converter with intrinsic dc-link voltage boosting capacitors was presented. This topology was developed for an 8/6 SRM and characterized by two NPC-AHB converters, one of which was connected to phases A and C and the other to phases B and D. This converter was proposed for applications involving high-speed electric vehicles. In [41], a modular structure based on an asymmetric half-bridge converter topology, with a central-tapped winding node, for an 8/6 SRM, was proposed. This solution was specifically developed for electric and hybrid electric vehicles. Another proposed topology [42] also offers boost capability, but with symmetrical legs and a common point for the machine windings. This topology features a high number of power switches and requires complex control to balance the floating capacitor.
Topologies based on these classical forms, but with reduced numbers of switches, were also proposed [43,44,45,46]. However, they become severely affected regarding their fault tolerance capability. In this way, an NPC topology, modified by adding active switches to the inverter’s clamping diodes, combined with another group of power switches and diodes linked to each branch of the converter, was also proposed [47]. However, the number of switches of the converter is very high. Thus, to provide a complete fault tolerance capability regarding all types of power semiconductors faults, and even multiple faults with a reduced number of switches, a four-quadrant NPC topology for an SRM was proposed [48]. This topology also uses the concept that in fault-tolerant mode, the change in the current excitation is also considered. However, this solution is still characterized by a high number of controlled-power semiconductors.
With the objective of providing multilevel operation, as well as fault-tolerant capability for open-switch faults, a new topology is proposed in this work. Few studies have addressed multilevel converters to SRMs with fault-tolerant capability. Thus, the proposed solution provides multilevel characteristics, but contrary to the solutions described previously, this topology is characterized by a reduced number of power semiconductors. This results in an SRM with fault-tolerant capability for open-switch faults. Thus, with the reduction in the number of switches and transistor drives, it is possible to reduce the cost of the solution. These aspects of fault-tolerant capability and reduced costs are extremely important in several applications in water pumping systems supplied by PV generators. In reality, these applications are often used in poor countries and in remote regions. Furthermore, in fault-tolerant mode, the change in the current excitation is also considered. The characteristics and fault-tolerant capability of the proposed topology are verified through several tests using a simulation platform and a laboratory prototype.

2. Torque Characteristic of the SRM

In an SRM, the reluctance of the magnetic circuit depends on the position of the rotor. The reluctance circuit is influenced by the geometry of the machine and some of its constructive parameters, such as the type, thickness, and lamination factor of the used ferromagnetic material. To apply a (reluctance) torque in this machine, a variation of the reluctance is fundamental, and controlling the time of energizing and deenergizing of the stator phases is necessary to adequately control it. The mathematical model of an SRM is considered complex, with nonlinearities in the magnetic circuit. The SRM electrical equation can be expressed as Equation (1), for each phase. Usually, the mutual inductance is neglected, which means that the magnetic influence among phases is not considered:
u j = R j i j + d ψ j ( θ r , i j ) d t
where uj is the phase voltage, ij the phase current, Rj the phase resistance, θr the rotor position, j is the considered phase, and ψj (θr, ij) is the phase linkage flux. Equation (1) can be rewritten as:
u j = R j i j + ψ j ( θ r , i j ) i j d i j d t + ψ j ( θ r , i j ) θ r ω r
In Equation (2), the last term corresponds to the back EMF, which depends on the speed of the rotor, ωr, meaning that the back EMF of the motor will present high values during high-speed operation. Consequently, the input voltage should be even higher to guarantee the phase current. For this situation, a multilevel converter could be the adequate solution, imposing a high value of DC voltage. Particularly during periods of phase energizing and deenergizing, high voltage values are required to minimize the commutation time between phases and the possibility of negative values for phase torque. The multilevel converter could also be advantageous at lower speeds, using lower voltage values, improving the efficiency level by diminishing the switching frequency.
To complete the mathematical model of the SRM, an equation for the torque developed by each phase (Tj) should be written. To obtain the total torque, the torque developed by each phase should be added for each time instant. Each phase torque is obtained by calculating the variation of the magnetic co-energy (WC) related to the variation of the rotor position, as in Equation (3):
T j ( θ r , i j ) = W C ( θ r , i j ) θ r | i j = c o n s t
where the magnetic co-energy is defined in Equation (4):
W C ( θ r , i j ) = 0 i j ψ j ( θ r , i ) d i
The linkage flux of each phase can be expressed as in Equation (5):
ψ j ( θ r , i j ) = L j ( θ r ) i j
where the magnetic self-inductance coefficient (Lj) is introduced, not depending on the phase current, ij. However, it could be considered non-linear, depending on the position of the rotor [48].
Using Equation (5), the torque developed by each phase and represented in Equation (3) can be rewritten as:
T j ( θ r , i j ) = 1 2 d L j ( θ r ) d θ r i j 2
Which leads to the main conclusion, that the torque value is independent of the phase current signal. This conclusion is relevant to sustain the methodology proposed here.

3. Proposed Fault Tolerant Multilevel Converter for a SRM

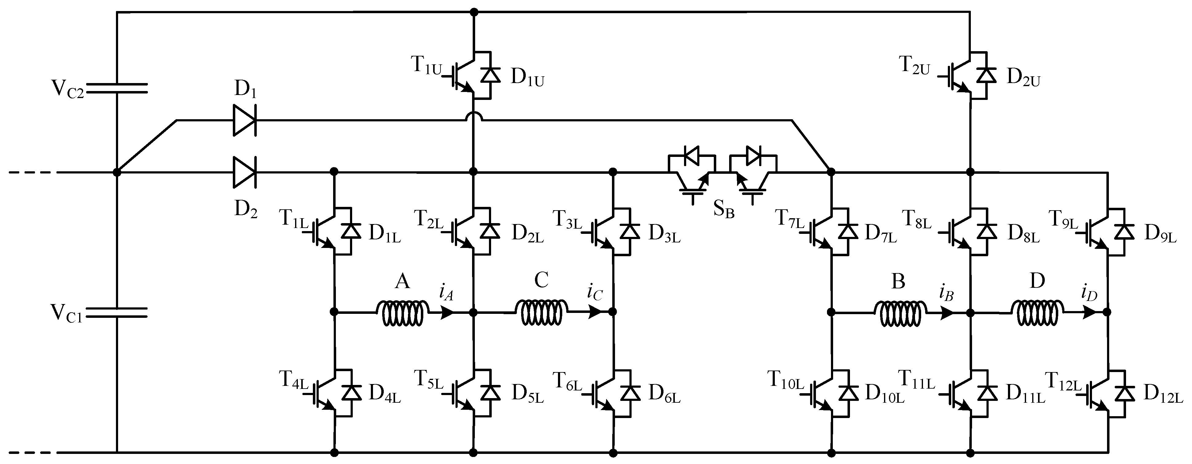
As mentioned in the first section, SRMs are highly recommended for application to pumping systems. However, these motors require a power converter. On the other hand, if the system is supplied by PV panels, a DC–DC converter between those panels and the SRM power converter is usually required. This typical structure is shown in Figure 1, where it is possible to see the three main parts, the PV generators, the power converter, and the SRM.
SRMs are typically supplied by two-level power converters. However, as mentioned previously, multilevel converters present several advantages, due to which they are an increasingly interesting alternative. However, these converters do not provide fault-tolerant operation or require a high number of switches. Therefore, a multilevel converter with fault-tolerant operation and a reduced number of switches is proposed in this work. The proposed solution, which is adapted for a 8/6 SRM, is presented in Figure 2. As can be seen, this topology consists of two three-phase two-level voltage source inverters and extra switches. These extra switches are used to connect both positive buses of the three-phase voltage source inverters (bidirectional switch) and, in turn, to connect these to the upper capacitor. The PV generator is connected to the lower capacitor; accordingly, the voltage of the upper capacitor should be controlled.
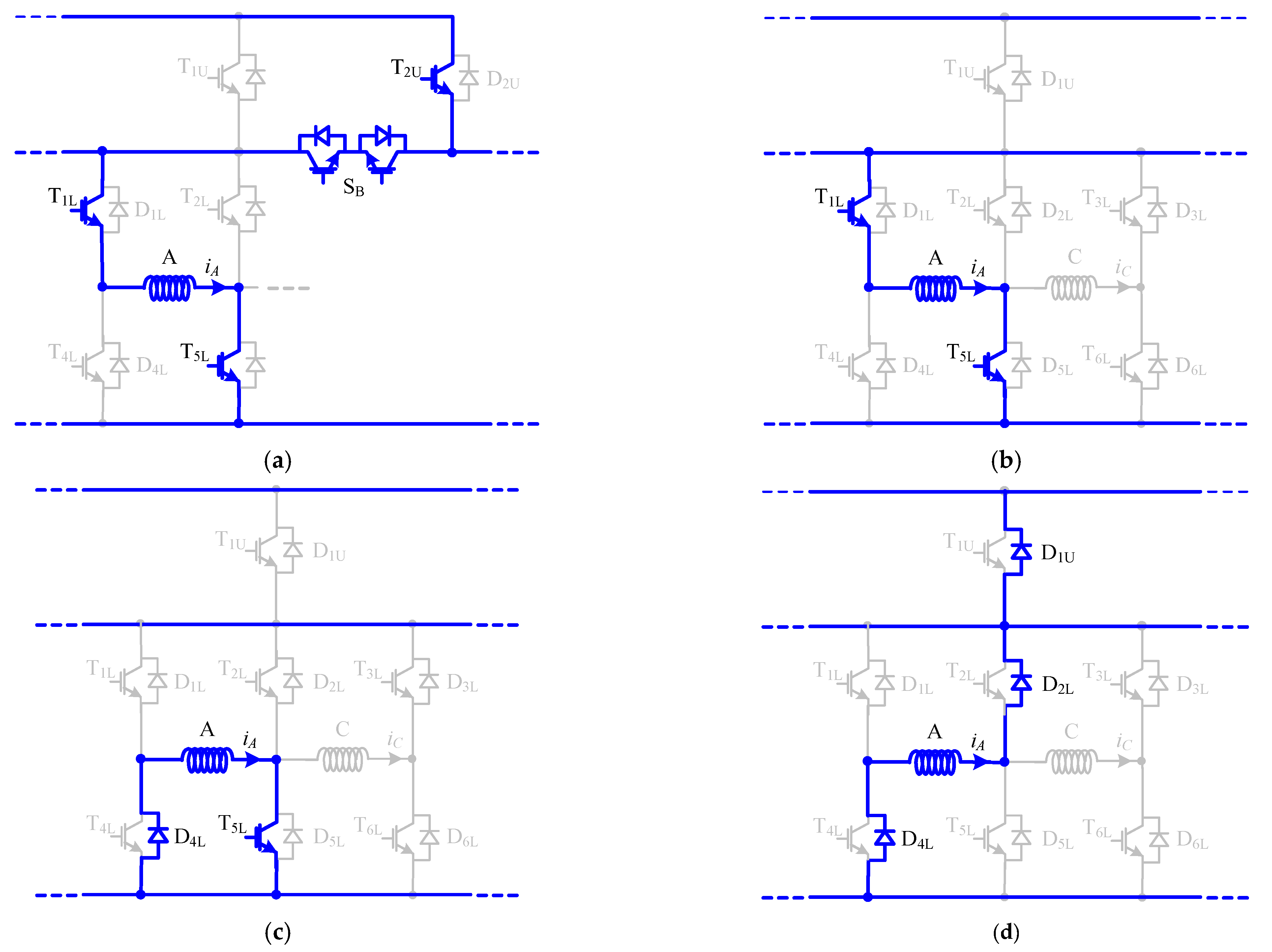
When the converter operates in healthy mode, the bidirectional switch SB is always off. This converter allows multilevel operation, since it allows the application of four voltage levels to each motor winding four voltage level, namely, +VDC1 + VDC2, +VDC1, 0 and –VDC1–VDC2. Therefore, there are four possible topological arrangements, as shown in Figure 3 for the case of phase A. The application of the maximum positive voltage (+VDC1 + VDC2) is obtained when the power semiconductors T1U, T1L, and T5L are ON (Figure 3a). The intermediate positive voltage (+VDC1) is obtained with the two power semiconductors T1L and T5L in ON state (Figure 3b). Regarding the state associated with the 0 voltage, it is obtained when diode D4L and transistor T5L are ON (Figure 3c). This last state can also be achieved with the diode D2L and transistor T1L in the ON condition. Finally, for the last state (the application of the negative voltage –VDC1–VDC2), the diodes D2L and D4L are ON (Figure 3d).
One important characteristic of the proposed topology is that during an open switch fault, it can provide fault-tolerant capability. This fault-tolerant capability is achieved by changing the switches that are controlled under the concept of the bidirectional current excitation. Let us consider the example of a fault in the transistor T1L. During this kind of fault, it is not possible to apply a positive voltage to the motor winding phase A. Thus, to settle this problem, instead of using transistors T1L and T5L, transistors S2L and T4L are used. Consequently, the current in the motor winding phase A flows in the opposite direction when compared with the healthy condition. In Figure 4, it is possible to analyze the new circuits for this fault-tolerant mode. If the fault is in the upper switch, such as T1U, then when the maximum voltage applied to the motor windings A or C is needed, instead of this transistor, transistor T2U and the bidirectional switch SB should be used. The new circuits for this fault condition can be observed in Figure 5. It should be noted that for this kind of fault, the change in direction of the current excitation is not needed.
Through the analysis that was performed for the proposed topology, it was possible to confirm the system’s fault-tolerant capability. As verified, this capability was achieved by changing the transistors that were being used by other ones and in some conditions by the inversion of the current excitation in the winding affected by the fault.
Since the developed topology was designed with the purpose of reducing the number of switches and drives for the transistors, there is a consequence regarding the power switches’ balanced losses. In fact, this is the disadvantage of this topology, since the two upper switches, T1U and T2U, will experience greater power losses, since each of them are common to two phases. However, this fact is true for higher motor speeds, since it is in these operational modes that the maximum positive voltage is required. For lower speeds, it is the contrary. In this last case, the maximum voltages are practically not required; accordingly, the upper switches are not operated.

4. Control of the Proposed Converter

To control the proposed multilevel fault-tolerant converter, from the point of view of the motor, several approaches can be used. For this work, a current controller for the motor windings was used. The adopted approach can be seen in Figure 6, where the full scheme is presented. As shown in this figure, the current controller is associated with a modulator that is specially developed for this fault-tolerant converter.
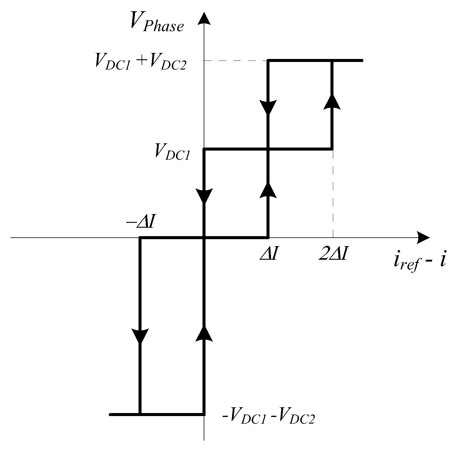
The current controller is responsible for the regulation of the motor winding currents. For this purpose, a current hysteresis controller was used, but designed to allow the generation of the four voltage levels (generating at their output four different values that are associated with the switch combination to generate the required voltage). In this way, the controller followed the conditions presented in Equation (7). The generation of the four different values can also be seen in Figure 7.
{ i f i r e f i + 2 Δ i λ = 4 V p h a s e = + V C 1 + V C 2 i f + Δ i i r e f i < + 2 Δ i λ = 3 o r 4 V p h a s e = + V C 1 o r + V C 1 + V C 2 i f 0 i r e f i < + Δ i λ = 2 o r 3 V p h a s e = 0 o r + V C 1 i f Δ i i r e f i < 0 λ = 1 o r 2 V p h a s e = 0 o r V C 1 V C 2 i f i r e f i < Δ i λ = 1 V p h a s e = V C 1 V C 2
A modulator is developed to generate the switch combination as a result of the current controller. Therefore, considering the four values at the output of the current controller (λ), the switches that must be turned ON and OFF, associated to phase A, are given by in Table 1. In this table, several possible conditions are presented, being the negative signal of the current the representation of the inversion of the current excitation in the winding.
Another aspect that must be considered is the control of the capacitor voltage. The capacitor voltage VC1 is controlled by an outer loop that gives the current reference. For this loop, a PI controller is adopted. The scheme of this outer loop can be seen in Figure 8.
Another aspect that needs to be considered is the balance of the floating capacitor voltage VC2. This balance is ensured by the definition of a voltage reference for that capacitor and control of the switches T1U and T2U as a function of this reference. In this way, the gating signals of these switches are inhibited when the voltage of the capacitor C2 is higher than the reference value.

5. Reliability Evaluation

This section presents a brief study about the theoretical probability of failure expected from the classic NPC-AHB [38] and the proposed fault-tolerant topology presented in Figure 2, after a failure in the IGBTs of one phase (winding A). In this analysis, the open-circuit failure mode and the ability to reach the desired voltage level were considered. Reliability measures the probability of a system failing within a given time interval (0, t), i.e., reliability is a function of time, R(t) [49]. With a constant failure rate component, λ, reliability is determined by an exponential distribution (8):
R ( t ) = e λ t
The reliability of stand-by systems with redundancy, featuring ideal switching without repair and constant and identical failure rates, can be described by the Poisson distribution (9) [50].
R ( t ) = k = 0 n 1 ( λ t ) 2 k ! e λ t
The probability of failure is then calculated by (10):
Q ( t ) = 1 R ( t )
Table 2 and Table 3, below, present the estimated probability of failure after five years (5 × 8760 = 43800 h) of operation and with a constant failure rate of λ = 1.6577 × 10−6 h−1 (failure rate according to Coffin–Manson method [51]) for the NPC-AHB and the proposed topology after the first failure regarding different power devices and desired voltage levels.
From this analysis, it is possible to conclude that the proposed solution is much more reliable regarding the open circuit failure mode than the classic NPC-AHB, independently of the device under failure and desired voltage level.

6. Simulation Results

The proposed PV generator feeding a water pumping system based on an SRM with a multilevel fault-tolerant converter was first tested by computer simulations. The simulation of this test system was performed through the use of MATLAB 2017a with Simulink version 8.9. Associated with this program, the Simulink Library, namely the Simscape/PowerSystems blockset, was also used. A discrete simulation type with a sampling time of 1 microsecond was also used. The model of the SRM was the model present in the examples of the Simulink. For the power semiconductors, the models present in the simscape/power systems/specialized technology/fundamental blocks/power electronics library were used. For these computer simulation tests, the capacitor C1 was connected to a PV generator that consisted of a PV panel and a classical DC–DC Boost converter. The PV panel allows the generation of a maximum power of 320 W. For the Boost and the proposed multilevel converter, an inductor of 0.4 mH and capacitors of 470 μF were considered.
The pumping system with the proposed multilevel power converter was initially tested under normal conditions. An irradiance of 1000 W/m2 and a temperature of 25 °C were considered. For this test, a torque of 2.5 Nm and a speed of around 800 rpm were considered. The results of this test can be seen in Figure 9. This figure presents the voltage applied to the motor winding A, as well as the motor winding currents. Analyzing Figure 9a, it is possible to confirm the multilevel operation of the converter. Initially, when the motor winding A was excited, the maximum voltage was applied. Regarding the motor winding currents, it is possible to observe in Figure 9b that they were controlled and the reference value was around 4 A. Another aspect that was analyzed was the efficiency of the power electronic converter. Taking into consideration this operating mode, the efficiency was 92.8%. Regarding the power losses of the transistors, it is also possible to see that the lower transistors (T1L, T2L, T5L, T6L, T7U, T8L, T11L and T12L) were in the ON condition for much more time than the upper transistors (T1U and T2U). However, each of the upper transistors was common to two phases. Therefore, in this mode of operation, the power losses of the upper transistors were similar to the losses in the lower transistors. For the upper transistors, the power losses were around 46.2% of the total losses, while for the lower transistors, they were 53.8%.
Another test in which the system was initially disconnected (capacitors discharged) and that turned ON when t = 0 s under the same irradiance and temperature conditions as the previous test, was performed to analyze the behavior of the proposed pumping system with the proposed converter and controllers. The result of the voltage across both capacitors can be seen in Figure 10. Through this figure, it is possible to confirm that initially, the capacitors were discharged and that, after connecting the system, they changed until they achieved the reference value. It is also possible to confirm that although, during the transient time, the voltages across the capacitors were different, they both stabilized with the same value (reference). In this way, it is possible to confirm that the controller ensured the balance between the capacitors.
Tests with the proposed converter in healthy, faulty, and fault-tolerant conditions were also performed. A test in which, initially, the converter operated in healthy mode, following after t = 0.5 s with a fault in transistor T1U and after t = 0.52 s in fault-tolerant mode, can be seen in Figure 11. This figure shows that after the switch fault, it was no longer possible to apply the maximum voltage (VC1 + VC2). However, this limitation disappeared after the reconfiguration of the circuit (fault-tolerant mode). In fact, analyzing the winding currents, it is possible to verify that between 0.5 s and 0.52 s (during the fault) they were affected and began to decrease their values. However, after the reconfiguration of the circuit, the winding currents started to recover. Another test, with a different fault, was also performed. In this case, the fault was in one of the switches of the three-phase modules, namely transistor T1L. The consequences of this fault and operation in fault-tolerant mode can be seen in Figure 12. After the fault (t = 0.5 s), it was not possible to apply a voltage to the SRM winding of phase A. Therefore, the current in this phase was zero. To overcome this problem, the fault-tolerant mode was applied at t = 0.52 s. In this last mode, the voltage was applied again to the SRM winding of phase A. However, as shown by the results of this last test, for this transistor fault, inverse voltages and negative currents to the SRM windings began to apply.

7. Experimental Results

The verification of the simulation tests and theoretical considerations was also confirmed by some experimental tests using a laboratorial prototype. For the Boost and proposed multilevel converter similar components used in the simulation tests, an inductor of 0.4 mH and two capacitors of 470 μF were considered. To provide the DC voltage to the system, a controlled EA PS8360-30 2U (up to 360 VDC, 30 A) power supply, adjusted to 200 VDC, was used. This power supply makes it possible to emulate the PV generator (PV panels + DC–DC converter) in different weather conditions. The system was connected to a four-phase 8/6 SRM, the new proposed inverter, circuit drives, and sensors. The pumping system was emulated through a DC machine operating as a generator connected to the shaft of the four-phase 8/6 SRM. The control algorithm of the SRM drive was performed on a DSPACE tool. For the power semiconductors, IXGN72N60C3H1 and CM600DY-13T IGBTs and MUR1540 diodes were selected. The waveform signals were acquired by a TDS3014C oscilloscope.
The first experimental test was performed in normal conditions (without failures) considering a stationary voltage and current from the power supply. In this situation, the PV generator (PV panels + DC–DC converter) presented 200 VDC, which corresponds to an irradiance of 1000 W/m2, and the PV panels exhibited a temperature of 25 °C, boosted by the DC–DC converter. The first experimental result can be seen in Figure 13, showing the multilevel voltage applied to the motor winding A (Figure 13a) and the SRM winding currents (Figure 13b). Analyzing Figure 13, it is possible to confirm the desired multilevel operation of the converter and the controlled winding currents around the reference value (around 6 A). In this case, the current was slightly higher than the current presented in the simulations. However, this increase was due to the fact that the power supplied to the motor was adjusted to ensure the same speed, of 800 rpm. The efficiency of the power electronic converter in this operating mode was around 91.2%. This value was lower than the value obtained for the simulation, but it can be considered similar. Regarding the power losses of the transistors, they were also similar to the those obtained by simulation. In this case, the power losses of the upper transistors were around 43.8% of the total losses, while for the lower transistors, they were 56.2%.
Another experimental test was performed to analyze the behavior of the proposed system considering the initial conditions. In this experimental test, the power supply was initially disconnected and then switched on to evaluate the transient voltage in the input capacitors of the multilevel converter. The experimental results of the voltage across both capacitors considering these initial conditions can be seen in Figure 14. Analyzing this figure, it is possible to observe that, initially, the capacitors were fully discharged and after switching ON the power source, the transient voltage increased until achieving the reference value. It can be seen that the adopted control strategy was able to stabilize and balance the voltages of both capacitors. The duration of this transient depended on the dynamics of several components and imposed load.
Another set of experimental tests was dedicated to analyzing the behavior of the system regarding the introduction of open-circuit failures in the power devices of the converter, making it possible to explore the features of the fault-tolerant operation. The first experimental result regarding the fault-tolerant operation can be seen in Figure 15. In this test, an open-circuit failure in the transistor T1U at a certain moment in time was introduced, showing the change from healthy to fault operation during a couple of periods. After the fault detection and circuit reconfiguration, the converter started the fault-tolerant operation. Notably, that the open-circuit failure in the transistor T1U generated the loss of the maximum voltage level (+VDC), since this device is an outer device connected to this voltage level. As a consequence, as demonstrated by the experimental results in Figure 15a, after the open-circuit failure of this device, the converter only operated with +VDC/2, which created difficulties for controlling the winding currents (Figure 15b). After the introduction of the fault-tolerant operation, the voltages and currents returned to normal operation. Notably, this failure mode did not require the inversion of the winding currents.
A second experimental test of this kind was performed considering an open-circuit failure in one of the switches of the three-phase modules, the transistor T1L. The experimental results of this test can be seen in Figure 16. In Figure 16a, it is possible to observe that this faut was introduced when the converter operated normally, creating a complete voltage loss in the winding of phase A. As a consequence of this fault, the voltage and current (Figure 16b) of phase A are missing. After fault detection and reconfiguration of the circuit, it was possible to observe that the multilevel voltages and current returned to the reference values. Nevertheless, the fault in this device (and other devices in the three-phase modules) required winding voltage and current inversion. This was possible to perform thanks to the design adopted for the topology, allowing the creation of alternative paths to recover voltage levels regardless of the polarity, exploiting the characteristics of the SRM to achieve the desired fault tolerance.
Comparing these experimental results with those obtained by simulation, it is possible to verify that they are not precisely equal. However, it can be concluded that they are very similar. The small differences were expected, since in the simulation model, several components, such as the SRM, the power semiconductors, and the passive components, were simplified compared with the real components.

8. Discussion

As described above, a topology was designed to provide fault-tolerant capability but with a reduction of the power semiconductors and transistor drives in order to reduce the cost of the system. In Table 4, a comparison with equivalent topologies with fault-tolerant capability is presented. In fact, this new topology only requires sixteen switches and two extra diodes. The topology presented in [48] requires twenty-six switches and eight extra diodes. Furthermore, this topology also requires eight additional relays. Due to the number of switches and the requirement of additional relays, the cost of this converter is high. The topology presented in [49] requires 32 switches and 16 extra diodes. It does not require extra relays, but the number of switches is very high; accordingly, the cost is also high. A topology that also presents multilevel characteristics and a reduced number of switches is presented in [35]. This topology requires the same number of switches as the proposed topology, but a higher number of diodes. On the other hand, it does not provide full fault-tolerant operation, since for some faults, it does not offer the ability to restore the initial operation. Another aspect is the modularity, for which the topologies [35,47] present low abilities. On the other hand, the topology of [48] presents a high capability regarding the modularity, since it uses NPC legs that are also used in the drives. Regarding the proposed topology, it can be considered as medium, since in part of the circuit, it is possible to use classical three-phase two-level inverter modules.

9. Conclusions

This work presented a PV generator that feeds a water pumping system based on an SRM. Associated with the SRM, a new multilevel converter is used. The topology was developed with the purpose of providing five voltage levels to the SRM windings. Besides the multilevel operation, this converter is also characterized by its ability to provide fault-tolerant operation during an open-switch fault. The converter was also developed with the purpose of reducing the number of power semiconductors and avoiding relays. To ensure this, the concept that in fault-tolerant mode, the change of the current excitation is also used was considered. On the other hand, the converter was based on two classical three-phase voltage source inverters, in which the four windings of the SRM are connected. All these aspects make it possible to reduce the cost of the fault-tolerant power converter for the SRM drive. The converter was also compared with other solutions. Furthermore, a study about the theoretical probability of failure expected from the SRM drive was also performed. The operation of the proposed converter in healthy and faulty mode was also analyzed. In addition, a control system and modulator for this converter were developed and presented. This system also ensures that the voltage across the two capacitors that is part of the converter is balanced. This paper also presents several test results performed with the proposed PV generator that feeds a water pumping system based on an SRM. The results confirm the ability of the proposed converter to operate with fault tolerance. These results also show the ability of the converter to control the currents in the SRM windings in both directions. This aspect proved to be essential in reducing the number of converter switches.

Author Contributions

Conceptualization, V.F.P. and A.J.P.; methodology, V.F.P.; validation, A.C., M.C. and D.F.; formal analysis, V.F.P., A.C. and A.J.P.; investigation, V.F.P. and A.C.; writing—original draft preparation, V.F.P. and A.J.P.; writing—review and editing, D.F., M.C. and A.J.P.; visualization, D.F., A.J.P. and M.C.; supervision, A.J.P. All authors have read and agreed to the published version of the manuscript.

Funding

This research was funded by national funds through FCT-Fundação para a Ciência e a Tecnologia, under projects UIDB/50021/2020 and UIDB/00066/2020.

Institutional Review Board Statement

Not applicable.

Informed Consent Statement

Not applicable.

Data Availability Statement

Not applicable.

Acknowledgments

This research was supported by national funds through FCT-Fundação para a Ciência e a Tecnologia, under projects UIDB/50021/2020 and UIDB/00066/2020.

Conflicts of Interest

The authors declare no conflict of interest.

References

  1. Periasamy, P.; Jain, N.; Singh, I. A review on development of photovoltaic water pumping system. Renew. Sustain. Energy Rev. 2015, 43, 918–925. [Google Scholar] [CrossRef]
  2. Angadi, S.; Yaragatti, U.R.; Suresh, Y.; Raju, A.B. Comprehensive review on solar, wind and hybrid wind-PV water pumping systems-an electrical engineering perspective. CPSS Trans. Power Electron. Appl. 2021, 6, 1–19. [Google Scholar] [CrossRef]
  3. Stoyanov, L.; Bachev, I.; Zarkov, Z.; Lazarov, V.; Notton, G. Multivariate Analysis of a Wind–PV-Based Water Pumping Hybrid System for Irrigation Purposes. Energies 2021, 14, 3231. [Google Scholar] [CrossRef]
  4. Muralidhar, K.; Rajasekar, N. A review of various components of solar water-pumping system: Configuration, characteristics, and performance. Int. Trans. Electr. Energy Syst. 2021, 31, 1–33. [Google Scholar] [CrossRef]
  5. Shepovalova, O.V.; Belenov, A.T.; Chirkov, S.V. Review of photovoltaic water pumping system research. Energy Rep. 2020, 6, 306–324. [Google Scholar] [CrossRef]
  6. Chandel, S.; Naik, M.N.; Chandel, R. Review of solar photovoltaic water pumping system technology for irrigation and community drinking water supplies. Renew. Sustain. Energy Rev. 2015, 49, 1084–1099. [Google Scholar] [CrossRef]
  7. El-Kharashi, E. Design and predicting efficiency of highly nonlinear hollow cylinders switched reluctance motor. Energy Convers. Manag. 2007, 48, 2261–2275. [Google Scholar] [CrossRef]
  8. Narayana, V.; Mishra, A.K.; Singh, B. Development of low-cost PV array-fed SRM drive-based water pumping system utilizing CSC converter. IET Power Electron. 2017, 10, 156–168. [Google Scholar] [CrossRef]
  9. Cordeiro, A.; Fernão Pires, V.; Foito, D.; Pires, A.J.; Martins, J.F. Three-level quadratic boost DC-DC converter associated to a SRM drive for water pumping photovoltaic powered systems. Sol. Energy 2020, 209, 42–56. [Google Scholar] [CrossRef]
  10. Han, G.; Chen, H.; Guan, G. Low-cost SRM drive system with reduced current sensors and position sensors. IET Electr. Power Appl. 2019, 13, 853–862. [Google Scholar] [CrossRef]
  11. Mishra, A.K.; Singh, B. Efficient solar-powered water pump with single-input dual-output DC–DC converter employing four-phase SRM drive. IET Power Electron. 2020, 13, 3435–3444. [Google Scholar] [CrossRef]
  12. Koreboina, V.B.; Narasimharaju, B.L.; Vinod Kumar, D.M. Performance evaluation of switched reluctance motor PWM control in pv-fed water pump system. Int. J. Renew. Energy Res. 2016, 6, 941–950. [Google Scholar]
  13. Hrabovcová, V.; Rafajdus, P.; Lipták, M.; Szabó, L. Performance of converters suitable for switched reluctance generator (SGR) operation. J. Electr. Eng. 2013, 64, 201–211. [Google Scholar]
  14. Pires, V.F.; Pires, A.J.; Cordeiro, A.; Foito, D. A Review of the Power Converter Interfaces for Switched Reluctance Machines. Energies 2020, 13, 3490. [Google Scholar] [CrossRef]
  15. Ellabban, O.; Abu-Rub, H. Switched reluctance motor converter topologies: A review. In Proceedings of the IEEE International Conference on Industrial Technology, Busan, Korea, 26 February–1 March 2014; pp. 840–846. [Google Scholar]
  16. Barnes, M.; Pollock, C. Power electronic converters for switched reluctance drives. IEEE Trans. Power Electron. 1998, 13, 1100–1111. [Google Scholar] [CrossRef]
  17. Zhang, Z.; Cheung, N.C.; Cheng, K.W.E.; Xue, X.D.; Lin, J.K.; Bao, Y.J. Analysis and design of a cost effective converter for switched reluctance motor drives using component sharing. In Proceedings of the 2011 4th International Conference on Power Electronics Systems and Applications, Hong Kong, China, 8–10 June 2011; pp. 1–6. [Google Scholar]
  18. Tomczewski, K.; Wrobel, K. Improved C-dump converter for switched reluctance motor drives. IET Power Electron. 2014, 7, 2628–2635. [Google Scholar] [CrossRef]
  19. Dhumal, K.R.; Dhamse, S.S. Solar PV array based water pumping by using SRM drive: A review. In Proceedings of the 2018 International Conference on Computation of Power, Energy, Information and Communication (ICCPEIC), Chennai, India, 28–29 March 2018; pp. 140–146. [Google Scholar]
  20. Kobler, R.; Andessner, D.; Amrhein, W. Development of a SRM power electronic system with a reduced number of power semiconductors. In Proceedings of the 2011 3rd International Youth Conference on Energetics (IYCE), Leiria, Portugal, 7–9 July 2011; pp. 1–7. [Google Scholar]
  21. Gan, C.; Chen, Y.; Qu, R.; Yu, Z.; Kong, W.; Hu, Y. An Overview of Fault-Diagnosis and Fault-Tolerance Techniques for Switched Reluctance Machine Systems. IEEE Access 2019, 7, 174822–174838. [Google Scholar] [CrossRef]
  22. Cordeiro, A.; Pires, V.F.; Pires, A.J.; Martins, J.F.; Chen, H. Fault-tolerant voltage-source-inverters for switched reluctance motor drives. In Proceedings of the 2019 IEEE 13th International Conference on Compatibility, Power Electronics and Power Engineering (CPE-POWERENG), Sonderborg, Denmark, 23–25 April 2019; pp. 1–6. [Google Scholar]
  23. Sun, Q.; Wu, J.; Gan, C.; Guo, J. Modular full-bridge converter for three-phase switched reluctance motors with integrated fault-tolerance capability. IEEE Trans. Power Electron. 2019, 34, 2622–2634. [Google Scholar] [CrossRef]
  24. Fang, C.; Chen, H. Design rule for fault-tolerant converters of switched reluctance motors. J. Power Electron. 2021, 21, 1690–1700. [Google Scholar] [CrossRef]
  25. Chen, Q.; Xu, D.; Xu, L.; Wang, J.; Lin, Z.; Zhu, X. Fault-tolerant operation of a novel dual-channel switched reluctance motor using two 3-phase standard inverters. IEEE Trans. Appl. Supercond. 2018, 28, 1–5. [Google Scholar] [CrossRef]
  26. Mohamed, A.H.; Vansompel, H.; Sergeant, P. Reconfigurable Modular Fault-Tolerant Converter Topology for Switched Reluctance Motors. IEEE J. Emerg. Sel. Top. Power Electron. 2021. [Google Scholar] [CrossRef]
  27. Azer, P.; Ye, J.; Emadi, A. Advanced Fault-Tolerant Control Strategy for Switched Reluctance Motor Drives. In Proceedings of the 2018 IEEE Transportation Electrification Conference and Expo (ITEC), Long Beach, CA, USA, 20–25 June 2018. [Google Scholar]
  28. Ali, N.; Gao, Q.; Xu, C.; Makys, P.; Stulrajter, M. Fault diagnosis and tolerant control for power converter in SRM drives. J. Eng. 2018, 13, 546–551. [Google Scholar] [CrossRef]
  29. Hu, Y.; Gan, C.; Cao, W.; Li, W.; Finney, S.J. Central-Tapped Node Linked Modular Fault-Tolerance Topology for SRM Applications. IEEE Trans. Power Electron. 2016, 31, 1541–1554. [Google Scholar] [CrossRef] [Green Version]
  30. Hu, Y.; Gan, C.; Cao, W.; Zhang, J.; Li, W.; Finney, S.J. Flexible Fault-Tolerant Topology for Switched Reluctance Motor Drives. IEEE Trans. Power Electron. 2016, 31, 4654–4668. [Google Scholar] [CrossRef] [Green Version]
  31. Ding, W.; Hu, Y.; Wu, L. Investigation and Experimental Test of Fault-Tolerant Operation of a Mutually Coupled Dual Three-Phase SRM Drive Under Faulty Conditions. IEEE Trans. Power Electron. 2015, 30, 6857–6872. [Google Scholar] [CrossRef]
  32. Gameiro, N.S.; Marques Cardoso, A.J. Fault tolerant power converter for switched reluctance drives. In Proceedings of the 2008 18th International Conference on Electrical Machines, Vilamoura, Portugal, 6–9 September 2008; pp. 1–6. [Google Scholar]
  33. Pires, V.F.; Amaral, T.G.; Cordeiro, A.; Foito, D.; Pires, A.J.; Martins, J.F. Fault-tolerant SRM drive with a diagnosis method based on the entropy feature approach. Appl. Sci. 2020, 10, 3516. [Google Scholar] [CrossRef]
  34. Patil, D.; Wang, S.; Gu, L. Multilevel converter topologies for high-power high-speed switched reluctance motor: Performance comparison. In Proceedings of the 2016 IEEE Applied Power Electronics Conference and Exposition (APEC), Long Beach, CA, USA, 20–24 March 2016; pp. 2889–2896. [Google Scholar]
  35. Ma, M.; Yuan, K.; Yang, Q.; Yang, S. Open-circuit fault-tolerant control strategy based on five-level power converter for SRM system. CES Trans. Electr. Mach. Syst. 2019, 3, 178–186. [Google Scholar] [CrossRef]
  36. Azer, P.; Bauman, J. An Asymmetric Three-Level T-Type Converter for Switched Reluctance Motor Drives in Hybrid Electric Vehicles. In Proceedings of the IEEE Transportation Electrification Conference and Expo, Novi, MI, USA, 19–21 June 2019; pp. 1–6. [Google Scholar]
  37. Scholtz, P.A.; Gitau, M.N. Carrier Modulation Schemes of Asymmetric, Multileveled, Switched Reluctance Machine Drives. In Proceedings of the 22nd IEEE International Conference on Industrial Technology (ICIT), Valencia, Spain. 10–12 March 2021; pp. 160–165. [Google Scholar]
  38. Peng, F.; Ye, J.; Emadi, A. An Asymmetric Three-Level Neutral Point Diode Clamped Converter for Switched Reluctance Motor Drives. IEEE Trans. Power Electron. 2017, 32, 8618–8631. [Google Scholar] [CrossRef]
  39. Gan, C.; Sun, Q.; Wu, J.; Kong, W.; Shi, C.; Hu, Y. MMC-Based SRM Drives With Decentralized Battery Energy Storage System for Hybrid Electric Vehicles. IEEE Trans. Power Electron. 2019, 34, 2608–2621. [Google Scholar] [CrossRef]
  40. Abdel-Aziz, A.A.; Ahmed, K.H.; Wang, S.; Massoud, A.M.; Williams, B.W. A Neutral-Point Diode-Clamped Converter With Inherent Voltage-Boosting for a Four-Phase SRM Drive. IEEE Trans. Ind. Electron. 2020, 67, 5313–5324. [Google Scholar] [CrossRef]
  41. Hu, Y.; Gan, C.; Cao, W.; Li, C.; Finney, S.J. Split Converter-Fed SRM Drive for Flexible Charging in EV/HEV Applications. IEEE Trans. Ind. Electron. 2015, 62, 6085–6095. [Google Scholar] [CrossRef] [Green Version]
  42. Song, S.; Peng, C.; Guo, Z.; Ma, R.; Liu, W. Direct Instantaneous Torque Control of Switched Reluctance Machine Based on Modular Multi-Level Power Converter. In Proceedings of the 22nd International Conference on Electrical Machines and Systems, Harbin, China, 11–14 August 2019; pp. 1–6. [Google Scholar]
  43. Pires, V.F.; Cordeiro, A.; Pires, A.J.; Martins, J.F.; Chen, H. A multilevel topology based on the T-type converter for SRM drives. In Proceedings of the 2018 16th Biennial Baltic Electronics Conference (BEC), Tallinn, Estonia, 8–10 October 2018; pp. 1–4. [Google Scholar]
  44. Lee, D.; Wang, H.; Ahn, J. An advanced multi-level converter for four-phase SRM drive. In Proceedings of the 2008 IEEE Power Electronics Specialists Conference, Rhodes, Greece, 15–19 June 2008; pp. 2050–2056. [Google Scholar]
  45. Tang, Y.; He, Y.; Wang, F.; Xie, H.; Rodríguez, J.; Kennel, R. A Drive Topology for High-Speed SRM With Bidirectional Energy Flow and Fast Demagnetization Voltage. IEEE Trans. Ind. Electron. 2021, 68, 9242–9253. [Google Scholar] [CrossRef]
  46. Lee, D.; Ahn, J. A Novel Four-Level Converter and Instantaneous Switching Angle Detector for High Speed SRM Drive. IEEE Trans. Power Electron. 2007, 22, 2034–2041. [Google Scholar] [CrossRef]
  47. Pires, V.F.; Cordeiro, A.; Foito, D.; Pires, A.J. Fault-Tolerant Multilevel Converter to Feed a Switched Reluctance Machine. Machines 2022, 10, 35. [Google Scholar] [CrossRef]
  48. Pires, V.F.; Cordeiro, A.; Foito, D.; Pires, A.J.; Martins, J.; Chen, H. A multilevel fault-tolerant power converter for a switched reluctance machine drive. IEEE Access 2020, 8, 21917–21931. [Google Scholar] [CrossRef]
  49. Rausand, M.; Hoyland, A. System Reliability Theory—Models, Statistical Methods, and Applications, 2nd ed.; John Wiley & Sons: Hoboken, NJ, USA, 2004; ISBN-13 978-0471471332. [Google Scholar]
  50. Hardas, R.G.; Munshi, A.P.; Kadwane, S.G. Reliability of different levels of cascaded H-Bridge inverter: An investigation and comparison. In Proceedings of the IEEE International Conference on Advanced Communications, Control and Computing Technologies, Ramanathapuram, India, 8–10 May 2014; pp. 349–354. [Google Scholar]
  51. Smith, D.J. Reliability Mantainability and Risk—Practical Method for Engineers, 6th ed.; Elsevier Butterworth-Heinemann: Burlington, MA, USA, 2001. [Google Scholar]
Figure 1. Typical structure of a pumping system with a PV generator and a SRM.
Figure 1. Typical structure of a pumping system with a PV generator and a SRM.
Energies 15 00720 g001
Figure 2. Proposed multilevel fault tolerant converter for the 8/6 SRM.
Figure 2. Proposed multilevel fault tolerant converter for the 8/6 SRM.
Energies 15 00720 g002
Figure 3. Topological arrangements of the multilevel converter associated to phase A in healthy condition: (a) voltage level +VC1 + VC2; (b) voltage level +VC1; (c) voltage level 0; (d) voltage level –VC1VC2.
Figure 3. Topological arrangements of the multilevel converter associated to phase A in healthy condition: (a) voltage level +VC1 + VC2; (b) voltage level +VC1; (c) voltage level 0; (d) voltage level –VC1VC2.
Energies 15 00720 g003aEnergies 15 00720 g003b
Figure 4. Topological arrangements of the multilevel converter associated to phase A in S1L open transistor fault and fault-tolerant mode: (a) voltage level +VC1 + VC2; (b) voltage level +VC1; (c) voltage level 0; (d) voltage level –VC1VC2.
Figure 4. Topological arrangements of the multilevel converter associated to phase A in S1L open transistor fault and fault-tolerant mode: (a) voltage level +VC1 + VC2; (b) voltage level +VC1; (c) voltage level 0; (d) voltage level –VC1VC2.
Energies 15 00720 g004aEnergies 15 00720 g004b
Figure 5. Topological arrangements of the multilevel converter associated to phase A in S1U open transistor fault and fault-tolerant mode: (a) voltage level +VC1 + VC2; (b) voltage level +VC1; (c) voltage level 0; (d) voltage level –VC1VC2.
Figure 5. Topological arrangements of the multilevel converter associated to phase A in S1U open transistor fault and fault-tolerant mode: (a) voltage level +VC1 + VC2; (b) voltage level +VC1; (c) voltage level 0; (d) voltage level –VC1VC2.
Energies 15 00720 g005
Figure 6. Full scheme of the adopted control approach for the proposed multilevel fault-tolerant converter.
Figure 6. Full scheme of the adopted control approach for the proposed multilevel fault-tolerant converter.
Energies 15 00720 g006
Figure 7. Multilevel hysteresis comparator associated with the current controller.
Figure 7. Multilevel hysteresis comparator associated with the current controller.
Energies 15 00720 g007
Figure 8. Control of the voltage capacitor VC1.
Figure 8. Control of the voltage capacitor VC1.
Energies 15 00720 g008
Figure 9. Simulation test with the converter operating in normal mode performed for an irradiance of 1000 W/m2 and with a temperature of 25 °C: (a) winding voltage of phase A; (b) winding currents.
Figure 9. Simulation test with the converter operating in normal mode performed for an irradiance of 1000 W/m2 and with a temperature of 25 °C: (a) winding voltage of phase A; (b) winding currents.
Energies 15 00720 g009
Figure 10. Voltages across the capacitors C1 and C2 during the connection period.
Figure 10. Voltages across the capacitors C1 and C2 during the connection period.
Energies 15 00720 g010
Figure 11. Simulation test with the converter operating in normal mode, fault in transistor T1U, and fault-tolerant mode: (a) winding voltage of phase A; (b) winding currents.
Figure 11. Simulation test with the converter operating in normal mode, fault in transistor T1U, and fault-tolerant mode: (a) winding voltage of phase A; (b) winding currents.
Energies 15 00720 g011
Figure 12. Simulation test with the converter operating in normal mode, fault in transistor T1L, and fault tolerant mode: (a) winding voltage of phase A; (b) winding currents.
Figure 12. Simulation test with the converter operating in normal mode, fault in transistor T1L, and fault tolerant mode: (a) winding voltage of phase A; (b) winding currents.
Energies 15 00720 g012
Figure 13. Experimental results with the converter operating in normal mode (without failures) considering a stable voltage from the PV generator (200 VDC): (a) multilevel voltage of winding phase A; (b) winding currents of the four-phase 8/6 SRM.
Figure 13. Experimental results with the converter operating in normal mode (without failures) considering a stable voltage from the PV generator (200 VDC): (a) multilevel voltage of winding phase A; (b) winding currents of the four-phase 8/6 SRM.
Energies 15 00720 g013
Figure 14. Experimental results of the voltages across the capacitors C1 and C2 during the initial transient after connecting the PV generator.
Figure 14. Experimental results of the voltages across the capacitors C1 and C2 during the initial transient after connecting the PV generator.
Energies 15 00720 g014
Figure 15. Experimental results with the converter operating in normal mode, followed by an open-circuit failure in the transistor the T1U and finally fault-tolerant mode: (a) winding voltage of phase A; (b) winding currents.
Figure 15. Experimental results with the converter operating in normal mode, followed by an open-circuit failure in the transistor the T1U and finally fault-tolerant mode: (a) winding voltage of phase A; (b) winding currents.
Energies 15 00720 g015
Figure 16. Experimental results with the converter operating in normal mode, followed by an open-circuit failure in the transistor the T1L and, finally, fault-tolerant mode: (a) winding voltage of phase A; (b) winding currents.
Figure 16. Experimental results with the converter operating in normal mode, followed by an open-circuit failure in the transistor the T1L and, finally, fault-tolerant mode: (a) winding voltage of phase A; (b) winding currents.
Energies 15 00720 g016
Table 1. Condition of the switches associated to phase A function of the output of the current controller.
Table 1. Condition of the switches associated to phase A function of the output of the current controller.
λT1UT2UT1LT2LT3LT4LT5LT6LSBCurrent DirectionVoltage Level
4101000100++VC1 + VC2
4100101000+VC1 + VC2
4011000101++VC1 + VC2
4010101001+VC1 + VC2
3001000100++VC1
3000101000+VC1
2001000000+0
2000000100+0
20001000000
20000010000
1000000000+VC1VC2
1000000000VC1VC2
Table 2. Estimated probability of failure within 5 years after the first failure (NPC-AHB).
Table 2. Estimated probability of failure within 5 years after the first failure (NPC-AHB).
Open-Circuit Failures
Device Failure+2 V+V0 V
T1AFail 10.19570.070
T2AFail 1Fail 10.1351
T3AFail 1Fail 10.1351
T4AFail 10.19570.070
1 Fail—The converter fails immediately to achieve the desired voltage when the failure occurs in the specified power device.
Table 3. Estimated probability of failure within 5 years after the first failure considering the proposed topology.
Table 3. Estimated probability of failure within 5 years after the first failure considering the proposed topology.
Open-Circuit Failures
Device Failure+2 V+V0 V
T1U1.82 × 10−22.33 × 10−52.40 × 10−5
T1L4.93 × 10−20.13513.43 × 10−4
T5L4.93 × 10−20.13513.43 × 10−4
T2U9.46 × 10−31.82 × 10−22.40 × 10−5
SB9.46 × 10−31.82 × 10−22.40 × 10−5
Table 4. Comparison with equivalent multilevel topologies with fault-tolerant capability.
Table 4. Comparison with equivalent multilevel topologies with fault-tolerant capability.
Topology
Characteristics[47][48][35]Proposed
Number of switches32261616
Extra diodes16882
Additional relaysYesNoNoNo
Converter modularityLowHighLowMedium
Fault tolerant abilityFullFullPartialFull
CostHighMediumLowLow
Publisher’s Note: MDPI stays neutral with regard to jurisdictional claims in published maps and institutional affiliations.

Share and Cite

MDPI and ACS Style

Pires, V.F.; Foito, D.; Cordeiro, A.; Chaves, M.; Pires, A.J. PV Generator-Fed Water Pumping System Based on a SRM with a Multilevel Fault-Tolerant Converter. Energies 2022, 15, 720. https://doi.org/10.3390/en15030720

AMA Style

Pires VF, Foito D, Cordeiro A, Chaves M, Pires AJ. PV Generator-Fed Water Pumping System Based on a SRM with a Multilevel Fault-Tolerant Converter. Energies. 2022; 15(3):720. https://doi.org/10.3390/en15030720

Chicago/Turabian Style

Pires, Vitor Fernão, Daniel Foito, Armando Cordeiro, Miguel Chaves, and Armando J. Pires. 2022. "PV Generator-Fed Water Pumping System Based on a SRM with a Multilevel Fault-Tolerant Converter" Energies 15, no. 3: 720. https://doi.org/10.3390/en15030720

APA Style

Pires, V. F., Foito, D., Cordeiro, A., Chaves, M., & Pires, A. J. (2022). PV Generator-Fed Water Pumping System Based on a SRM with a Multilevel Fault-Tolerant Converter. Energies, 15(3), 720. https://doi.org/10.3390/en15030720

Note that from the first issue of 2016, this journal uses article numbers instead of page numbers. See further details here.

Article Metrics

Back to TopTop