Stochastic versus Fuzzy Models—A Discussion Centered on the Reliability of an Electrical Power Supply System in a Large European Hospital
Abstract
1. Introduction
2. Theoretical Framework
2.1. Maintenance of Electrical Systems in Hospitals
2.2. Petri Nets
2.3. Fuzzy Inference System (FIS)
2.4. Stochastic Time Petri Nets (STPNs) and Markov Chains
- Observations of process X at several moments in the past;
- Only the most recent observations of X.
2.5. CPNTools Software Simulator Description
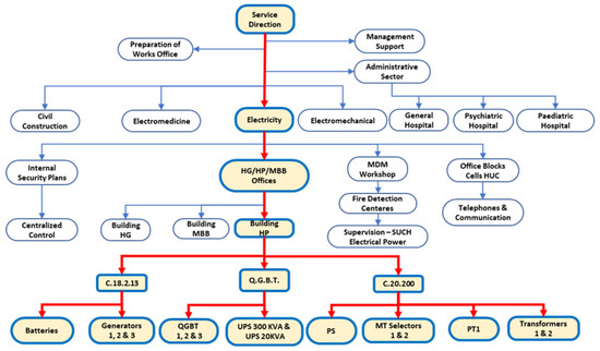
3. Description of Electrical Power Supply System of a Large European Hospital
3.1. Profile of a Large European Hospital
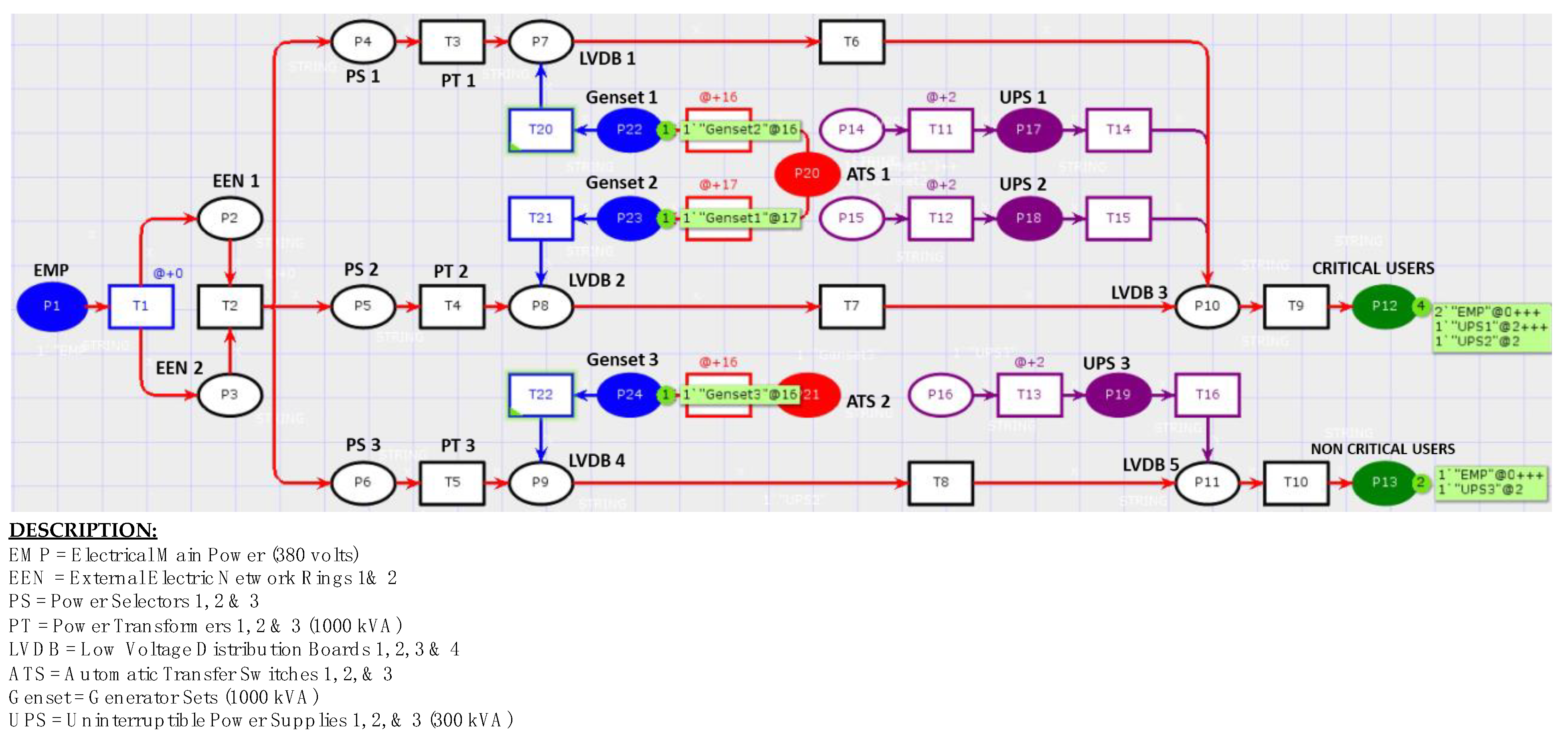
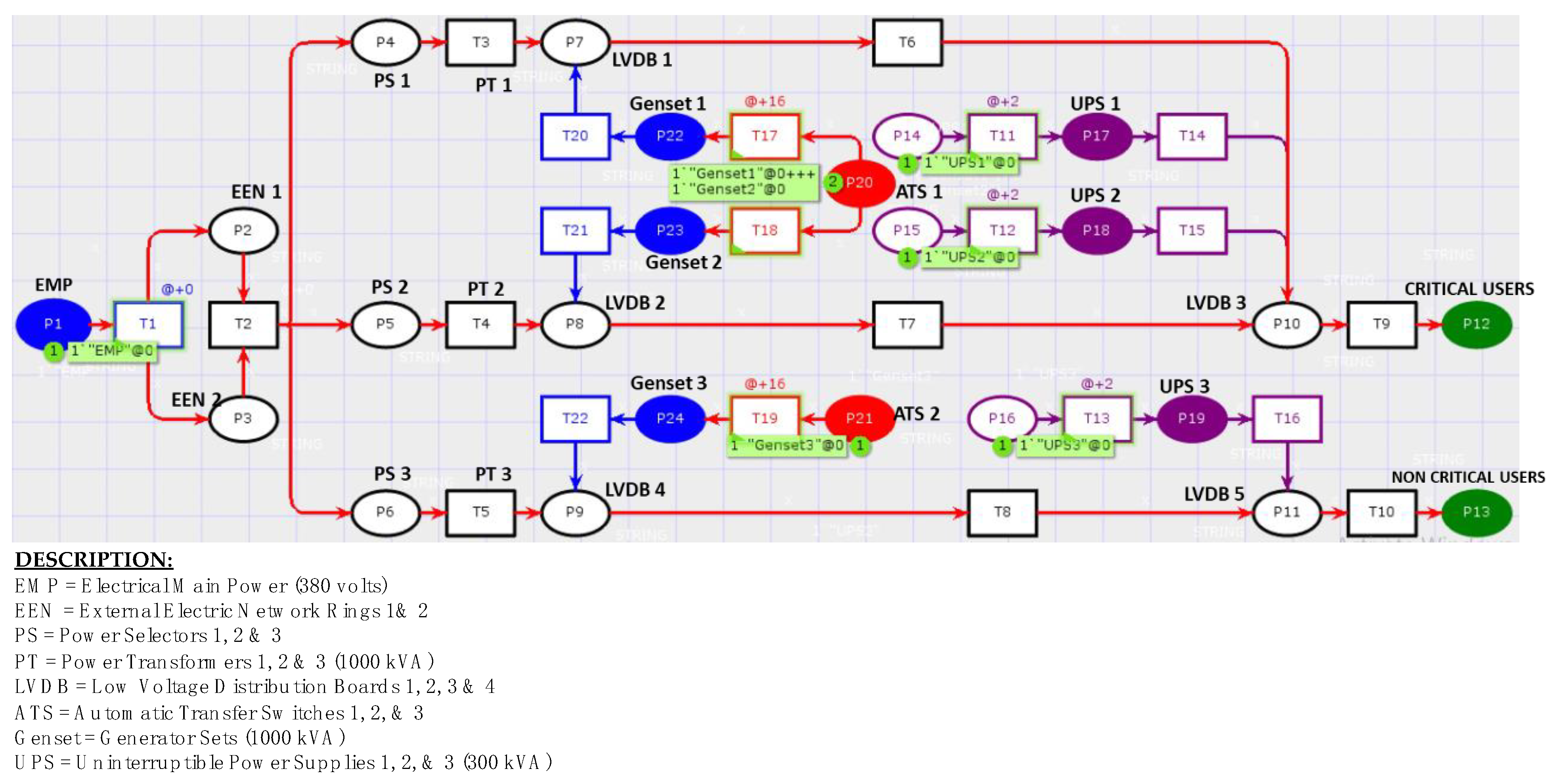
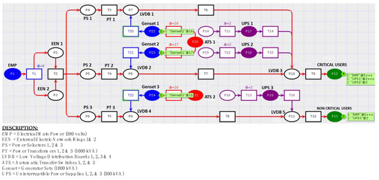
3.2. Modeling the Hospitals Electrical System Using Block Diagrams
3.3. Generators, Automatic Transfer Switch (ATS), and UPS
4. Dynamic Modeling of the Hospitals Electrical System Using Petri Nets
4.1. Modeling the Hospital Electrical System Using Petri Net Software Simulator CPNTools
4.2. Hospital Electrical System Block Diagrams
4.3. Fuzzification Data Processing
4.4. Modeling with Markov Chains and Stochastic Matrixes Processes

4.5. Stochastic versus Fuzzy Processes
5. Discussion
6. Conclusions
Author Contributions
Funding
Institutional Review Board Statement
Informed Consent Statement
Data Availability Statement
Conflicts of Interest
References
- Pinto, C.A.; Farinha, J.T.; Singh, S. Contributions of Petri Nets to the Reliability and Availability of an Electrical Power supply system in a Big European Hospital—A Case Study. WSEAS Trans. Syst. Control. 2021, 16, 21–42. [Google Scholar] [CrossRef]
- Pinto, C.A.; Farinha, J.T.; Singh, S.; Raposo, H. Increasing the reliability of an Electrical Power supply system in a Big European Hospital through the Petri Nets and Fuzzy Inference System Mamdani Modeling. Appl. Sci. 2021, 11, 2604. [Google Scholar] [CrossRef]
- American Hospital Association (AHA). Hospital Engineering Handbook; American Hospital Association: Chicago, IL, USA, 1980; ISBN 0-939450-74-7. [Google Scholar]
- Ni, J.; Gu, X.; Jin, X. Preventive maintenance opportunities for large production systems. CIRP Ann. 2015, 64, 447–450. [Google Scholar] [CrossRef]
- Hennequin, S.; Ramirez Restrepo, L.M. Fuzzy model of joint maintenance and production control under sustainability constraints. IFAC-PapersOnLine 2016, 49, 1216–1221. [Google Scholar] [CrossRef]
- Macchi, M.; Roda, I.; Fumagalli, L. On the focal concepts of maintenance in the Digital era. IFAC-PapersOnLine 2020, 53, 84–89. [Google Scholar] [CrossRef]
- Sheu, S.-H.; Chang, C.-C.; Chen, Y.-L.; Zhang, Z.G. Optimal preventive maintenance and repair policies for multi-state systems. Reliab. Eng. Syst. Saf. 2015, 140, 78–87. [Google Scholar] [CrossRef]
- Lagrange, A.; de Simón-Martín, M.; González-Martínez, A.; Bracco, S.; Rosales-Asensio, E. Sustainable microgrids with energy storage to increase power resilience in critical facilities: An application to a hospital. Int. J. Electr. Power Energy Syst. 2020, 119, 105865. [Google Scholar] [CrossRef]
- Balali, A.; Valipour, A. Prioritization of passive measures for energy optimisation designing sustainable hospitals and health centers. J. Build. Eng. 2021, 35, 101992. [Google Scholar] [CrossRef]
- Yousefli, Z.; Nasiri, F.; Moselhi, O. Maintenance workflow management in hospitals: An automated multi-agent facility management system. J. Build. Eng. 2020, 32, 101431. [Google Scholar] [CrossRef]
- Christiansen, N.; Kaltschmitt, M.; Dzukowski, F.; Isensee, F. Electricity consumption of medical plug loads in hospital laboratories: Identification, evaluation, prediction, and verification. Energy Build. 2015, 107, 392–406. [Google Scholar] [CrossRef]
- Calixto, E. Reliability, Availability, and Maintainability (RAM Analysis). In Gas and Oil Reliability Engineering; Elsevier: Amsterdam, The Netherlands, 2016; pp. 269–470. [Google Scholar] [CrossRef]
- Sutton, I. Reliability, Availability, and Maintainability. In Process Risk and Reliability Management; Elsevier: Amsterdam, The Netherlands, 2015; pp. 667–688. [Google Scholar] [CrossRef]
- Sharma, R.K.; Sharma, P. An integrated framework to optimise RAM and cost decisions in a process plant. J. Loss Prev. Process Ind. 2012, 25, 883–904. [Google Scholar] [CrossRef]
- Pirbhulal, S.; Gkioulos, V.; Katsikas, S. A Systematic Literature Review on RAMS analysis for critical infrastructures protection. Int. J. Crit. Infrastruct. Prot. 2021, 33, 100427. [Google Scholar] [CrossRef]
- Wang, J. Timed Petri Nets: Theory and Application; Springer: Boston, MA, USA, 1998; ISBN 978-1-4615-5537-7. [Google Scholar]
- Grunt, O.; Briš, R. SPN as a tool for risk modeling of fires in process industries. J. Loss Prev. Process Ind. 2015, 34, 72–81. [Google Scholar] [CrossRef]
- Aloini, D.; Dulmin, R.; Mininno, V. Modeling and assessing ERP project risks: A Petri Net approach. Eur. J. Oper. Res. 2012, 220, 484–495. [Google Scholar] [CrossRef]
- Li, W.; He, M.; Sun, Y.; Cao, Q. A novel layered fuzzy Petri nets modelling and reasoning method for process equipment failure risk assessment. J. Loss Prev. Process Ind. 2019, 62, 103953. [Google Scholar] [CrossRef]
- Li, Z.; Wang, S.; Zhao, T.; Liu, B. A hazard analysis via an improved timed coloured Petri net with time-space coupling safety constraint. Chin. J. Aeronaut. 2016, 29, 1027–1041. [Google Scholar] [CrossRef]
- Liu, X.; Zhang, J.; Zhu, P. Modeling cyber-physical attacks based on probabilistic coloured Petri nets and mixed-strategy game theory. Int. J. Crit. Infrastruct. Prot. 2017, 16, 13–25. [Google Scholar] [CrossRef]
- Kiran, T.R.; Rajput, S.P.S. An effectiveness model for an indirect evaporative cooling (IEC) system: Comparison of artificial neural networks (ANN), adaptive neuro-fuzzy inference system (ANFIS) and fuzzy inference system (FIS) approach. Appl. Soft Comput. 2011, 11, 3525–3533. [Google Scholar] [CrossRef]
- Yel, E.; Yalpir, S. Prediction of primary treatment effluent parameters by Fuzzy Inference System (FIS) approach. Procedia Comput. Sci. 2011, 3, 659–665. [Google Scholar] [CrossRef][Green Version]
- Ain, Q.; Iqbal, S.; Khan, S.; Malik, A.; Ahmad, I.; Javaid, N. IoT Operating System Based Fuzzy Inference System for Home Energy Management System in Smart Buildings. Sensors 2018, 18, 2802. [Google Scholar] [CrossRef] [PubMed]
- Akgun, A.; Sezer, E.; Nefeslioglu, H.; Gokceoglu, C.; Pradhan, B. An easy-to-use MATLAB program (MamLand) for the assessment of landslide susceptibility using a Mamdani fuzzy algorithm. Comput. Geosci. 2012, 38, 23–34. [Google Scholar] [CrossRef]
- Bizimana, H.; Altunkaynak, A. Modeling the initiation of sediment motion under a wide range of flow conditions using a Geno-Mamdani Fuzzy Inference System method. Int. J. Sediment Res. 2020, 35, 467–483. [Google Scholar] [CrossRef]
- Khosravanian, R.; Sabah, M.; Wood, D.A.; Shahryari, A. Weight on drill bit prediction models: Sugeno-type and Mamdani-type fuzzy inference systems compared. J. Nat. Gas Sci. Eng. 2016, 36, 280–297. [Google Scholar] [CrossRef]
- Gonbadi, A.M.; Katebi, Y.; Doniavi, A. A generic two-stage fuzzy inference system for dynamic prioritization of customers. Expert Syst. Appl. 2019, 131, 240–253. [Google Scholar] [CrossRef]
- Jain, N.; Singh, A.R. Sustainable supplier selection under must-be criteria through a Fuzzy inference system. J. Clean. Prod. 2020, 248, 119275. [Google Scholar] [CrossRef]
- Jiang, X.; Mahadevan, S.; Yuan, Y. A fuzzy stochastic neural network model for structural system identification. Mech. Syst. Signal Process. 2017, 82, 394–411. [Google Scholar] [CrossRef]
- Sharifi, M.; Hosseini-Motlagh, S.-M.; Samani, M.R.G.; Kalhor, T. Novel resilient-sustainable strategies for second-generation biofuel network design considering Neem and Eruca Sativa under hybrid stochastic fuzzy robust approach. Comput. Chem. Eng. 2020, 143, 107073. [Google Scholar] [CrossRef]
- Mahdi, I.; Chalah, S.; Nadji, B. Reliability study of a system dedicated to renewable energies using stochastic Petri nets: Application to photovoltaic (PV) system. Energy Procedia 2017, 136, 513–520. [Google Scholar] [CrossRef]
- Volovoi, V.; Peterson, D.K. Coupling reliability and logistical considerations for complex system of systems using Stochastic Petri Nets. In Proceedings of the 2011 Winter Simulation Conference (WSC), Phoenix, AZ, USA, 11–14 December 2011. [Google Scholar] [CrossRef]
- Dhople, S.V.; DeVille, L.; Domínguez-García, A.D. A Stochastic Hybrid Systems framework for analysis of Markov reward models. Reliab. Eng. Syst. Saf. 2014, 123, 158–170. [Google Scholar] [CrossRef][Green Version]
- Wang, Y.-F.; Cheng, S.; Hsu, M.-H. Incorporating the Markov chain concept into a fuzzy stochastic prediction of stock indexes. Appl. Soft Comput. 2010, 10, 613–617. [Google Scholar] [CrossRef]
- Jensen, K.; Kristensen, L. Coloured Petri Nets: Modeling and Validation of Concurrent Systems; Springer Nature: Basingstoke, UK, 2009. [Google Scholar]



















| No. | Name of Items | Values | Units |
|---|---|---|---|
| 1 | Electrical Main Power | 380 | MVA |
| 2 | Gensets 01 | 1000 | KVA |
| 3 | Gensets 02 | 1000 | KVA |
| 4 | Automatic Transfer Switch (ATS) | Connect to Electrical Main Power or Gensets | Not Applicable |
| 5 | UPS 01 | 300 | KVA |
| 6 | UPS 02 | 300 | KVA |
| Main Power | 420 | |
| Genset 1 and 2 | 700 | 2 Genset |
| ATS | 140 | |
| UPS 1 and 2 | 220 | 2 UPS |
| Fuzzy Low set | µLow (420) | 0 | |
| Fuzzy Normal set | µNormal (420) | 0.8 | |
| Fuzzy High set | µHigh (420) | 0.2 | |
| Fuzzy set On | µOn (700) | 0.7 | |
| Fuzzy set Off | µOff (700) | 0.3 × 2 | Two Genset |
| Fuzzy Function set | µFunction (140) | 0.7 | |
| Fuzzy Not Function set | µOff (700) | 0.3 | |
| Fuzzy set On | µOn (220) | 0.73 | |
| Fuzzy set Off | µOff (220) | 0.27 × 2 | Two UPS |
From ![]() | ||||||||
|---|---|---|---|---|---|---|---|---|
| EMB | ATS | Genset 1 | Genset 2 | UPS 1 | UPS 2 | LVDB | To | |
| EM | 0.2 | 0 | 0 | 0 | 0 | 0 | 0 | ![]() |
| AST | 0.8 | 0.3 | 0.7 | 0 | 0 | 0 | 0 | |
| Genset 1 | 0 | 0 | 0.3 | 0 | 0 | 0 | 0 | |
| Genset 2 | 0 | 0 | 0 | 0.3 | 0 | 0 | 0 | |
| UPS 1 | 0 | 0.35 | 0 | 0 | 0.27 | 0 | 0 | |
| UPS 2 | 0 | 0.35 | 0 | 0 | 0 | 0.27 | 0 | |
| LVDB | 0 | 0 | 0 | 0 | 0.73 | 0.73 | 1 | |
| 0.14286 | = | π1 | = | EMP |
| 0.14286 | = | π2 | = | ATS |
| 0.14286 | = | π3 | = | Genset 1 |
| 0.14286 | = | π4 | = | Genset 2 |
| 0.14286 | = | π5 | = | UPS 1 |
| 0.14286 | = | π6 | = | UPS 2 |
| 0.14286 | = | π7 | = | LVDB |
| ∑ = 1 |
| Problems Faced by Researchers | Stochastic vs. Fuzzy | |
|---|---|---|
| Unclear and inaccurate data | YES | YES |
| Data not available in the field | NO | YES |
| Data that can be added according to human experience | NO | YES |
| Rules are made based on human logic on data | NO | YES |
| Discrete state and continuous state | YES | YES |
| Discrete-time and continuous-time | YES | YES |
| Multidimensional problems | YES | YES |
| Complicated data | YES | YES |
Publisher’s Note: MDPI stays neutral with regard to jurisdictional claims in published maps and institutional affiliations. |
© 2022 by the authors. Licensee MDPI, Basel, Switzerland. This article is an open access article distributed under the terms and conditions of the Creative Commons Attribution (CC BY) license (https://creativecommons.org/licenses/by/4.0/).
Share and Cite
Pinto, C.A.; Farinha, J.T.; Raposo, H.; Galar, D. Stochastic versus Fuzzy Models—A Discussion Centered on the Reliability of an Electrical Power Supply System in a Large European Hospital. Energies 2022, 15, 1024. https://doi.org/10.3390/en15031024
Pinto CA, Farinha JT, Raposo H, Galar D. Stochastic versus Fuzzy Models—A Discussion Centered on the Reliability of an Electrical Power Supply System in a Large European Hospital. Energies. 2022; 15(3):1024. https://doi.org/10.3390/en15031024
Chicago/Turabian StylePinto, Constâncio António, José Torres Farinha, Hugo Raposo, and Diego Galar. 2022. "Stochastic versus Fuzzy Models—A Discussion Centered on the Reliability of an Electrical Power Supply System in a Large European Hospital" Energies 15, no. 3: 1024. https://doi.org/10.3390/en15031024
APA StylePinto, C. A., Farinha, J. T., Raposo, H., & Galar, D. (2022). Stochastic versus Fuzzy Models—A Discussion Centered on the Reliability of an Electrical Power Supply System in a Large European Hospital. Energies, 15(3), 1024. https://doi.org/10.3390/en15031024



