Development and Experimental Validation of Novel Thevenin-Based Hysteretic Models for Li-Po Battery Packs Employed in Fixed-Wing UAVs
Abstract
1. Introduction
1.1. Research Context
1.2. Motivation of the Research
- electrochemical models;
- architectural models;
- circuit-oriented models;
- machine learning models.
- Thevenin-based models [30,31,32,33,34], providing a time-domain description of the battery dynamics, which is simulated via resistor–capacitor (RC) grids. The circuitry parameters are typically identified by measuring the battery voltage response under discharging and/or charging pulse waves of current.
- Impedance-based models [35,36,37,38], providing a frequency-domain description of the battery dynamics, in which each component of the model represents an electrochemical process. The conversion of these models from the frequency to time domain is often burdensome, and the model parameters are identified using sophisticated electrochemical spectroscopy methods.
- development of a generalised Thevenin-based battery model, including hysteretic phenomena related to device elements (OCV, internal resistance, relaxation times);
- development of an ad hoc procedure for the model parameters’ identification, starting from experimental measurements;
- construction of a database characterising the response of a Li-Po battery pack for UAV applications (LCO LiPo 1850 6S 22.2 V [46]) for different temperatures and charge rates.
2. Materials and Methods
2.1. State of the Art of Thevenin-Based Models
- electrochemistry [54].

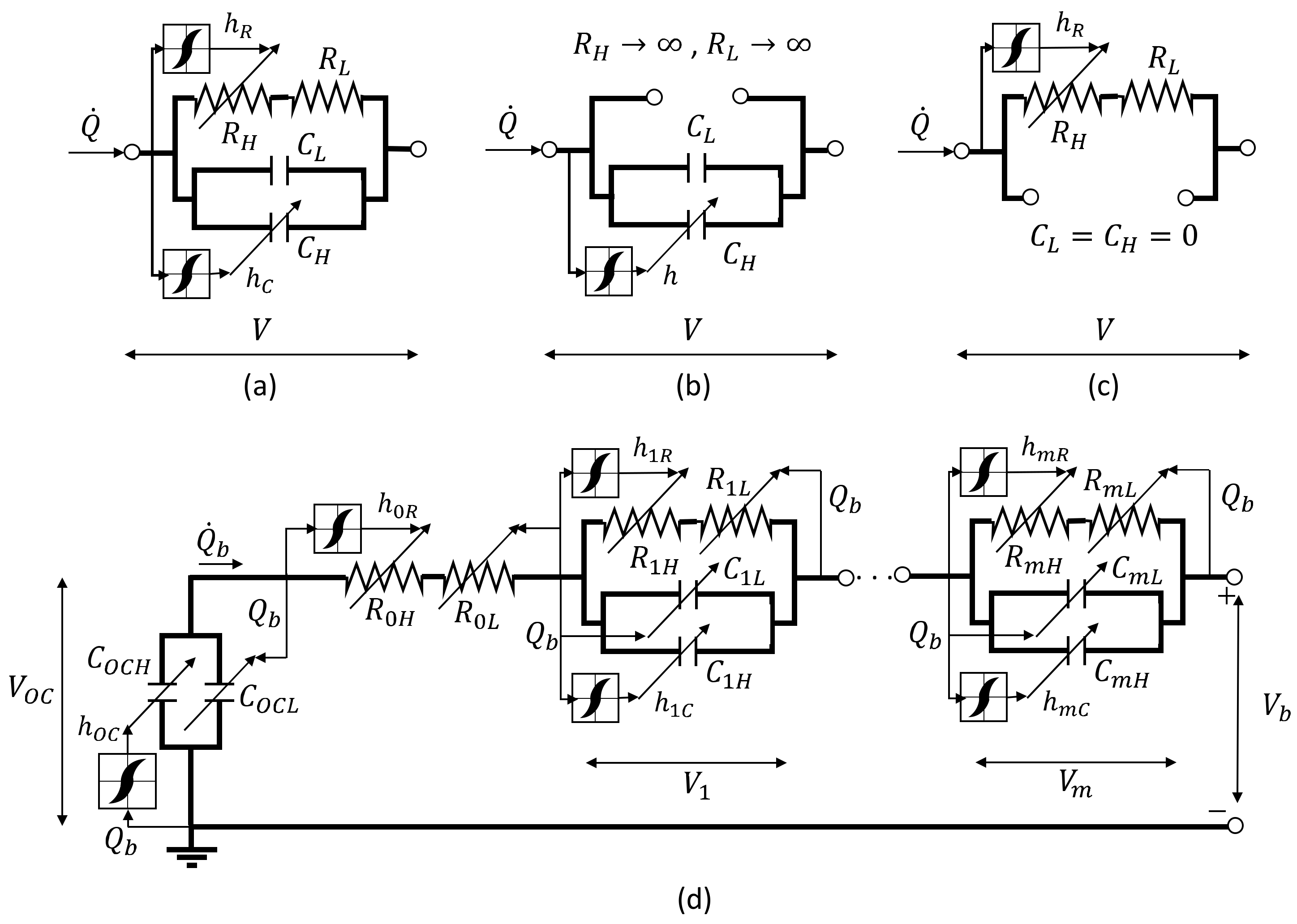
2.2. Generalised Thevenin Circuit with Modular Hysteretic Grids

2.3. Experimental Set-Up
- a thermal chamber with hot and cold zones—see Figure 4a;
- an electronic control unit (see Figure 4b), including a
- ○
- TENMA-30V-5A DC (Farnell, Leeds, UK) bench power supply [63];
- ○
- RIGOL-DL-3031A DC (ALLdata, Milano, Italy) electronic loading system, to regulate the pulse-wave current input [64];
- ○
- VOLTCRAFT-V-CHARGER 240 (Conrad, Hirschau, Germany) battery charger, with cell balancing capabilities [65];
- ○
- KEYSIGHT-DAQ970A (Keysight, Colorado Springs, United States) data acquisition system [66];

2.4. Experimental Measurements for Model Parameter Identification
2.5. Adaptation of the Generalised Model to the Reference Battery
3. Results
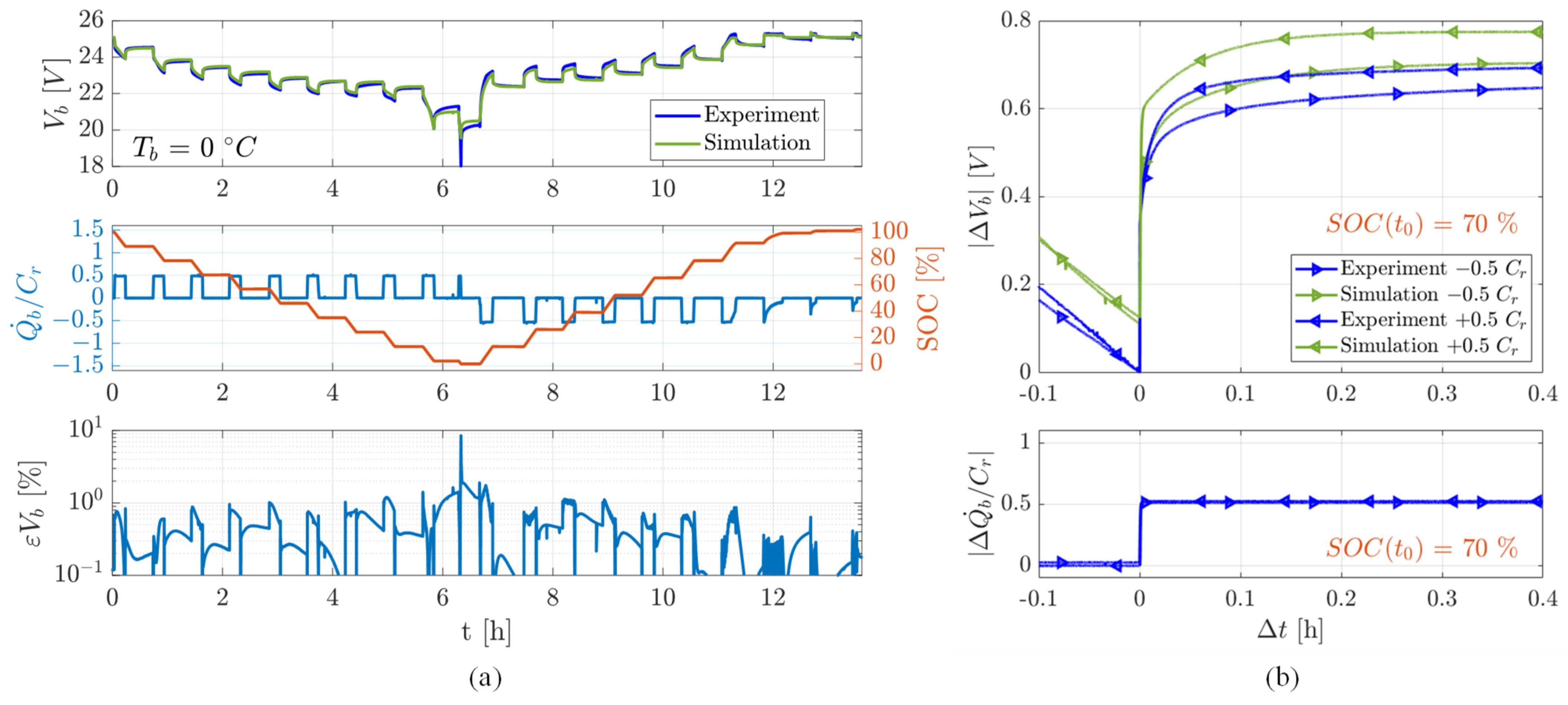
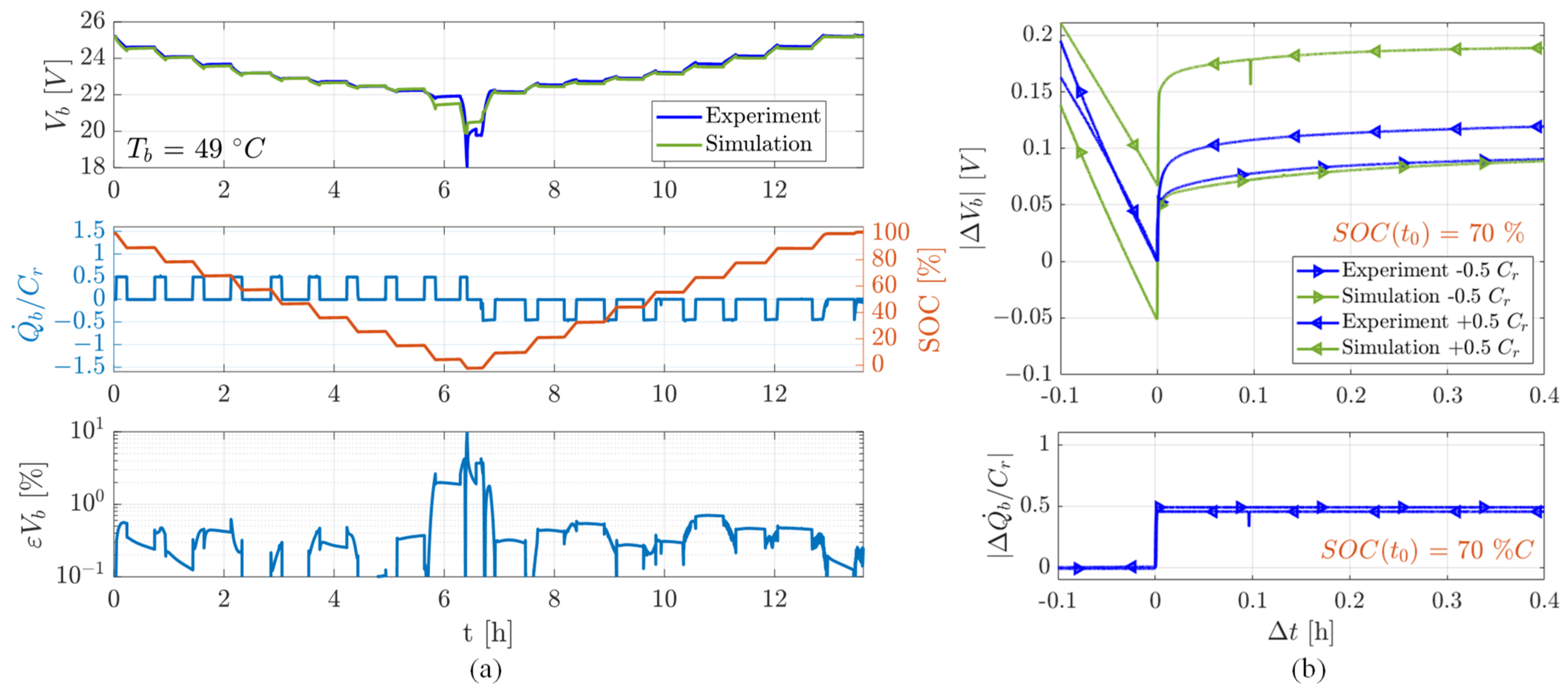
3.1. HPPC Test Simulation




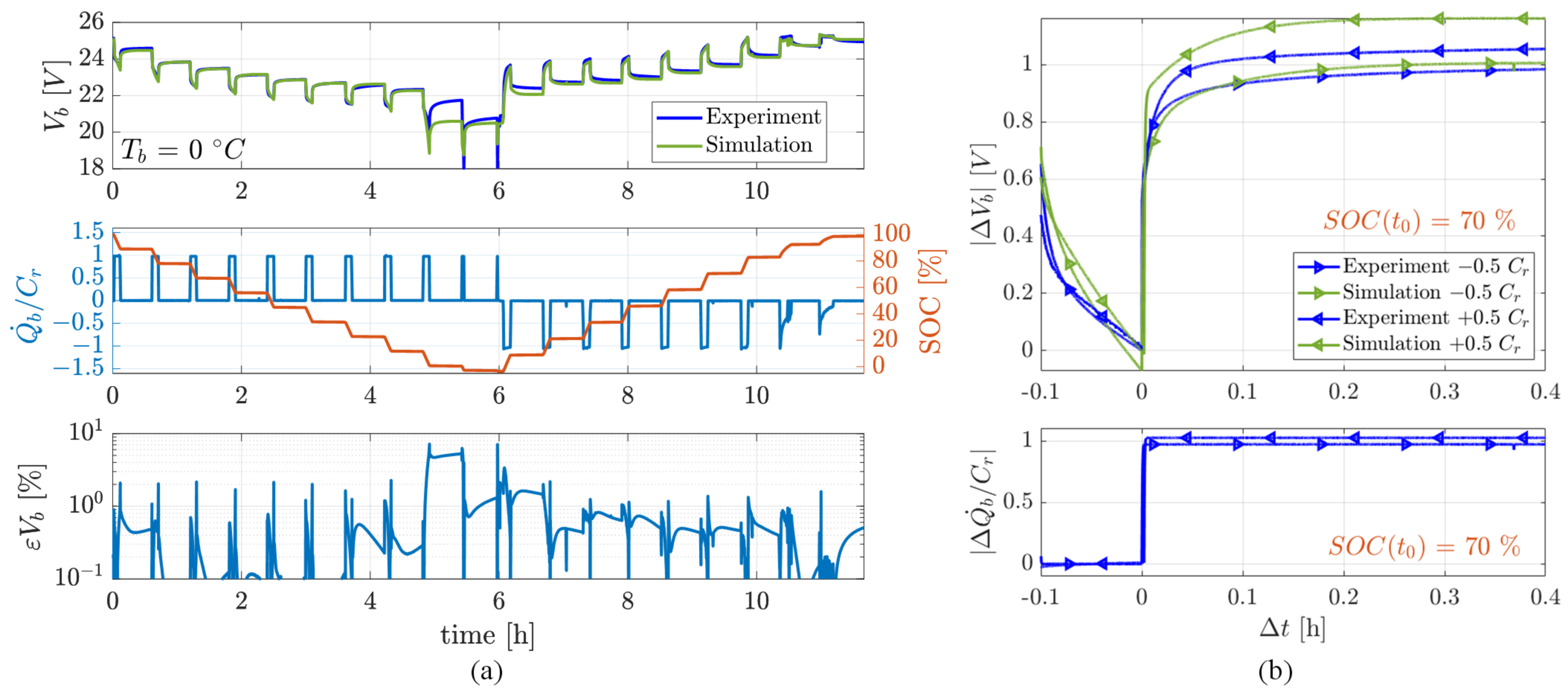
3.2. Flight Mission Simulation
- take-off/on-ground: hot day conditions with ( = 40 °C);climb (2 m/s rate): the battery operates under a negative temperature gradient, passing from 40 °C to approximately 1 °C at 6 km altitude (cruise);
- cruise: the battery operates at constant temperature ( = 1 °C);
- descent (2 m/s rate): the battery operates under a positive temperature gradient, passing from approximately 1 °C to 40 °C (on-ground).

4. Discussion
5. Conclusions
Author Contributions
Funding
Informed Consent Statement
Data Availability Statement
Acknowledgments
Conflicts of Interest
Appendix A
| Cr [−] | ||||||||||||
|---|---|---|---|---|---|---|---|---|---|---|---|---|
| SOC (%) | 100 | 90 | 80 | 70 | 60 | 50 | 40 | 30 | 20 | 10 | 0 | |
| 0 | −0.5 | 25.06 | 24.539 | 23.87 | 23.5 | 23.084 | 22.84 | 22.662 | 22.589 | 22.515 | 22.2 | 20.723 |
| 0.5 | 25.1 | 24.55 | 23.9 | 23.699 | 23.4 | 23 | 22.872 | 22.769 | 22.6 | 22.2 | 20.279 | |
| −1 | 25.133 | 24.65 | 23.832 | 23.6 | 23.23 | 22.95 | 22.73 | 22.552 | 22.443 | 22.2 | 20.862 | |
| 1 | 25.05 | 24.55 | 23.9 | 23.714 | 23.364 | 23.042 | 22.9 | 22.805 | 22.749 | 22.1 | 20.2 | |
| 15 | −0.5 | 25.208 | 24.7 | 23.987 | 23.9 | 23.179 | 23.2 | 22.743 | 22.8 | 22.5 | 22.15 | 20.2 |
| 0.5 | 25.208 | 24.7 | 23.987 | 23.9 | 23.179 | 23.2 | 22.743 | 22.8 | 22.5 | 22.15 | 20.2 | |
| −1 | 25.201 | 24.65 | 24.1 | 23.7 | 23.3 | 23 | 22.872 | 22.77 | 22.5 | 22.22 | 20.875 | |
| 1 | 25.181 | 24.7 | 24.1 | 23.7 | 23.4 | 23 | 22.888 | 22.767 | 22.569 | 22.15 | 20.329 | |
| −1.5 | 25.15 | 24.574 | 23.932 | 23.6 | 23.153 | 22.892 | 22.8 | 22.609 | 22.37 | 22.3 | 20.5 | |
| 1.5 | 25.201 | 24.65 | 24.1 | 23.7 | 23.3 | 23 | 22.872 | 22.77 | 22.5 | 22.22 | 20.875 | |
| 49 | −0.5 | 25.196 | 24.614 | 24.081 | 23.7 | 23.25 | 23.1 | 22.723 | 22.468 | 22.234 | 22.2 | 20 |
| 0.5 | 25.25 | 24.658 | 24.19 | 23.75 | 23.37 | 23 | 22.808 | 22.63 | 22.55 | 22.057 | 19.788 | |
| −1 | 25.149 | 24.576 | 24.044 | 23.7 | 23.167 | 22.883 | 22.7 | 22.453 | 22.334 | 22.1 | 20.875 | |
| 1 | 25.133 | 24.7 | 24.1 | 23.75 | 23.35 | 23 | 22.7 | 22.701 | 22.37 | 22.1 | 20.834 | |
| −1.5 | 25.15 | 24.573 | 24.036 | 23.624 | 23.161 | 22.874 | 22.692 | 22.57 | 22.3 | 22.1 | 20.5 | |
| 1.5 | 25.165 | 24.5 | 24.1 | 23.64 | 23.33 | 23.01 | 22.8 | 22.722 | 22.563 | 22.15 | 21.226 | |
| Cr [−] | ||||||||||||
|---|---|---|---|---|---|---|---|---|---|---|---|---|
| SOC (%) | 100 | 90 | 80 | 70 | 60 | 50 | 40 | 30 | 20 | 10 | 0 | |
| 0 | −0.5 | 0.3798 | 0.3825 | 0.3798 | 0.3807 | 0.3852 | 0.3825 | 0.3857 | 0.3825 | 0.3834 | 0.3881 | 0.4348 |
| 0.5 | 0.332 | 0.335 | 0.322 | 0.323 | 0.328 | 0.326 | 0.328 | 0.3306 | 0.33 | 0.35 | 0.6 | |
| −1 | 0.4043 | 0.3492 | 0.3535 | 0.4023 | 0.3286 | 0.3821 | 0.3661 | 0.3466 | 0.351 | 0.3553 | 0.7102 | |
| 1 | 0.3216 | 0.3246 | 0.344 | 0.312 | 0.324 | 0.304 | 0.328 | 0.3306 | 0.3573 | 0.3596 | 0.5345 | |
| 15 | −0.5 | 0.4043 | 0.3492 | 0.3535 | 0.4023 | 0.3286 | 0.3821 | 0.3661 | 0.3466 | 0.351 | 0.3553 | 0.7102 |
| 0.5 | 0.3216 | 0.3246 | 0.344 | 0.312 | 0.324 | 0.304 | 0.328 | 0.3306 | 0.3573 | 0.3596 | 0.5345 | |
| −1 | 0.1619 | 0.1652 | 0.14 | 0.2 | 0.1323 | 0.166 | 0.1602 | 0.1528 | 0.1552 | 0.2 | 0.6 | |
| 1 | 0.1619 | 0.1652 | 0.14 | 0.2 | 0.1323 | 0.166 | 0.1602 | 0.1528 | 0.1552 | 0.2 | 0.6 | |
| −1.5 | 0.18 | 0.17 | 0.16 | 0.1697 | 0.1718 | 0.17 | 0.1667 | 0.18 | 0.1784 | 0.18 | 0.25 | |
| 1.5 | 0.15 | 0.14 | 0.1417 | 0.1308 | 0.1286 | 0.1206 | 0.1477 | 0.1385 | 0.15 | 0.17 | 0.3597 | |
| 49 | −0.5 | 0.1402 | 0.1318 | 0.1022 | 0.1023 | 0.0903 | 0.1025 | 0.101 | 0.105 | 0.096 | 0.1668 | 0.5393 |
| 0.5 | 0.18 | 0.17 | 0.16 | 0.1697 | 0.1718 | 0.17 | 0.1667 | 0.18 | 0.1784 | 0.18 | 0.25 | |
| −1 | 0.027 | 0.0255 | 0.048 | 0.0375 | 0.045 | 0.045 | 0.036 | 0.045 | 0.0375 | 0.0525 | 0.15 | |
| 1 | 0.0462 | 0.0517 | 0.0473 | 0.0495 | 0.0517 | 0.0485 | 0.0476 | 0.0468 | 0.0506 | 0.0572 | 0.1505 | |
| −1.5 | 0.0468 | 0.0487 | 0.0527 | 0.052 | 0.0409 | 0.055 | 0.0528 | 0.0433 | 0.0458 | 0.0484 | 0.21 | |
| 1.5 | 0.055 | 0.055 | 0.0551 | 0.0542 | 0.0549 | 0.0558 | 0.0557 | 0.0542 | 0.055 | 0.0567 | 0.0708 | |
| Cr [−] | ||||||||||||
|---|---|---|---|---|---|---|---|---|---|---|---|---|
| SOC (%) | 100 | 90 | 80 | 70 | 60 | 50 | 40 | 30 | 20 | 10 | 0 | |
| 0 | −0.5 | 0.08 | 0.0787 | 0.0837 | 0.0837 | 0.0854 | 0.0835 | 0.0816 | 0.0792 | 0.0769 | 0.12 | 0.2974 |
| 0.5 | 0.2 | 0.21 | 0.1881 | 0.19 | 0.21 | 0.2038 | 0.2 | 0.1811 | 0.2 | 0.22 | 0.45 | |
| −1 | 0.07 | 0.073 | 0.0751 | 0.076 | 0.072 | 0.0682 | 0.0684 | 0.0683 | 0.0704 | 0.0724 | 0.1514 | |
| 1 | 0.15 | 0.195 | 0.2265 | 0.219 | 0.18 | 0.2056 | 0.2056 | 0.208 | 0.2103 | 0.375 | 1.125 | |
| 15 | −0.5 | 0.07 | 0.073 | 0.0751 | 0.076 | 0.072 | 0.0682 | 0.0684 | 0.0683 | 0.0704 | 0.0724 | 0.1514 |
| 0.5 | 0.15 | 0.195 | 0.2265 | 0.219 | 0.18 | 0.2056 | 0.2056 | 0.208 | 0.2103 | 0.375 | 1.125 | |
| −1 | 0.09 | 0.07 | 0.1 | 0.09 | 0.08 | 0.1 | 0.08 | 0.09 | 0.1 | 0.11 | 0.3 | |
| 1 | 0.0917 | 0.0916 | 0.0917 | 0.097 | 0.1035 | 0.1 | 0.0843 | 0.0848 | 0.1 | 0.1083 | 0.2296 | |
| −1.5 | 0.08 | 0.07 | 0.085 | 0.0714 | 0.0576 | 0.076 | 0.06 | 0.0794 | 0.0711 | 0.1 | 0.4265 | |
| 1.5 | 0.06 | 0.07 | 0.05 | 0.05 | 0.043 | 0.0591 | 0.06 | 0.0636 | 0.06 | 0.0798 | 0.3 | |
| 49 | −0.5 | 0.065 | 0.067 | 0.0683 | 0.065 | 0.067 | 0.0663 | 0.0585 | 0.0728 | 0.0715 | 0.0975 | 0.2275 |
| 0.5 | 0.08 | 0.07 | 0.085 | 0.0714 | 0.0576 | 0.076 | 0.06 | 0.0794 | 0.0711 | 0.1 | 0.4265 | |
| −1 | 0.0244 | 0.0216 | 0.0214 | 0.04 | 0.025 | 0.036 | 0.0354 | 0.03 | 0.029 | 0.05 | 0.3 | |
| 1 | 0.02 | 0.0195 | 0.0191 | 0.0161 | 0.0178 | 0.019 | 0.017 | 0.018 | 0.0179 | 0.042 | 0.5 | |
| −1.5 | 0.0135 | 0.0141 | 0.0144 | 0.0111 | 0.0107 | 0.0106 | 0.0107 | 0.01 | 0.0092 | 0.015 | 0.09 | |
| 1.5 | 0.019 | 0.0215 | 0.0195 | 0.021 | 0.019 | 0.022 | 0.021 | 0.02 | 0.024 | 0.024 | 0.4 | |
| Cr [−] | ||||||||||||
|---|---|---|---|---|---|---|---|---|---|---|---|---|
| SOC (%) | 100 | 90 | 80 | 70 | 60 | 50 | 40 | 30 | 20 | 10 | 0 | |
| 0 | −0.5 | 0.1647 | 0.168 | 0.176 | 0.172 | 0.164 | 0.1767 | 0.1868 | 0.1866 | 0.1865 | 0.2 | 0.52 |
| 0.5 | 0.225 | 0.2115 | 0.2277 | 0.2034 | 0.207 | 0.2115 | 0.215 | 0.2268 | 0.2214 | 0.225 | 0.6847 | |
| −1 | 0.1615 | 0.1554 | 0.1521 | 0.1533 | 0.1548 | 0.1585 | 0.1614 | 0.155 | 0.16 | 0.17 | 0.35 | |
| 1 | 0.215 | 0.2135 | 0.2153 | 0.206 | 0.2 | 0.215 | 0.2089 | 0.205 | 0.21 | 0.25 | 0.95 | |
| 15 | −0.5 | 0.1615 | 0.1554 | 0.1521 | 0.1533 | 0.1548 | 0.1585 | 0.1614 | 0.155 | 0.16 | 0.17 | 0.35 |
| 0.5 | 0.215 | 0.2135 | 0.2153 | 0.206 | 0.2 | 0.215 | 0.2089 | 0.205 | 0.21 | 0.25 | 0.95 | |
| −1 | 0.12 | 0.14 | 0.0855 | 0.1411 | 0.14 | 0.1 | 0.14 | 0.16 | 0.15 | 0.17 | 0.6 | |
| 1 | 0.12 | 0.07 | 0.0855 | 0.11 | 0.08 | 0.09 | 0.11 | 0.13 | 0.11 | 0.12 | 0.4 | |
| −1.5 | 0.1039 | 0.1 | 0.09 | 0.1 | 0.09 | 0.09 | 0.0899 | 0.09 | 0.1 | 0.1271 | 0.5 | |
| 1.5 | 0.11 | 0.09 | 0.1 | 0.1 | 0.09 | 0.09 | 0.0899 | 0.08 | 0.11 | 0.1271 | 0.4 | |
| 49 | −0.5 | 0.0954 | 0.0958 | 0.0945 | 0.0958 | 0.0951 | 0.0945 | 0.0958 | 0.0977 | 0.0983 | 0.0977 | 0.1575 |
| 0.5 | 0.1039 | 0.1 | 0.09 | 0.1 | 0.09 | 0.09 | 0.0899 | 0.09 | 0.1 | 0.1271 | 0.5 | |
| −1 | 0.0142 | 0.024 | 0.025 | 0.026 | 0.0262 | 0.023 | 0.0217 | 0.018 | 0.0307 | 0.1 | 0.35 | |
| 1 | 0.045 | 0.0305 | 0.0286 | 0.026 | 0.03 | 0.035 | 0.0389 | 0.0345 | 0.046 | 0.05 | 1.5 | |
| −1.5 | 0.02 | 0.018 | 0.0168 | 0.023 | 0.0178 | 0.016 | 0.022 | 0.0246 | 0.0228 | 0.05 | 0.26 | |
| 1.5 | 0.051 | 0.052 | 0.053 | 0.054 | 0.053 | 0.052 | 0.051 | 0.052 | 0.055 | 0.06 | 0.2 | |
| Cr [−] | ||||||||||||
|---|---|---|---|---|---|---|---|---|---|---|---|---|
| SOC (%) | 100 | 90 | 80 | 70 | 60 | 50 | 40 | 30 | 20 | 10 | 0 | |
| 0 | −0.5 | 285 | 274.8 | 269.7 | 271 | 264.1 | 260.6 | 264.8 | 274.5 | 284.1 | 183.3 | 76.7 |
| 0.5 | 55.5 | 49 | 53.2 | 50.7 | 53 | 54.5 | 53.2 | 55.2 | 48 | 48.2 | 24.4 | |
| −1 | 350 | 318 | 319.1 | 340.3 | 339.2 | 331.8 | 346.2 | 350.6 | 341.5 | 332.4 | 168.5 | |
| 1 | 136.7 | 116.9 | 99.3 | 96.8 | 120 | 99.4 | 99.4 | 97.3 | 95.3 | 57.3 | 18.2 | |
| 15 | −0.5 | 350 | 318 | 319.1 | 340.3 | 339.2 | 331.8 | 346.2 | 350.6 | 341.5 | 332.4 | 168.5 |
| 0.5 | 136.7 | 116.9 | 99.3 | 96.8 | 120 | 99.4 | 99.4 | 97.3 | 95.3 | 57.3 | 18.2 | |
| −1 | 207.4 | 210 | 187.3 | 201.5 | 215 | 190 | 220 | 214.8 | 165.6 | 157.6 | 77.8 | |
| 1 | 310.9 | 297.6 | 303.5 | 356.2 | 372 | 339.5 | 360 | 339.9 | 362.8 | 254.4 | 60.5 | |
| −1.5 | 259.1 | 248 | 252.9 | 296.8 | 310 | 282.9 | 300 | 283.3 | 302.4 | 212 | 50.4 | |
| 1.5 | 425 | 371.4 | 560 | 582.3 | 539.1 | 431.2 | 547.9 | 393.1 | 440.6 | 376.1 | 92.5 | |
| 49 | −0.5 | 375 | 370 | 373.3 | 387.7 | 367.4 | 369.5 | 370 | 357.7 | 330 | 300 | 100 |
| 0.5 | 475 | 571.4 | 411.8 | 592.9 | 565.1 | 519.7 | 636.7 | 490.3 | 506.3 | 359 | 82.1 | |
| −1 | 730 | 780 | 750 | 650 | 700 | 680.6 | 670.5 | 700 | 689.7 | 433.1 | 83.3 | |
| 1 | 1275 | 1450 | 1380 | 1350 | 1421.9 | 1450 | 1364.7 | 1515.3 | 1250 | 800 | 40 | |
| −1.5 | 814.8 | 922 | 833.3 | 936.9 | 996.8 | 995.3 | 995.3 | 903.6 | 1018.9 | 800 | 111.1 | |
| 1.5 | 2050 | 2150 | 1980 | 2150 | 2150 | 1950 | 2105 | 2122.7 | 2000 | 1000 | 112.5 | |
| Cr [−] | ||||||||||||
|---|---|---|---|---|---|---|---|---|---|---|---|---|
| SOC (%) | 100 | 90 | 80 | 70 | 60 | 50 | 40 | 30 | 20 | 10 | 0 | |
| 0 | −0.5 | 1777.6 | 1666.7 | 1613.6 | 1651.2 | 1746.3 | 1576.3 | 1491.2 | 1495.1 | 1499 | 1365.9 | 546.2 |
| 0.5 | 1163.1 | 1192 | 1193 | 1215 | 1218 | 1218 | 1202.6 | 1200 | 1182 | 1200 | 805 | |
| −1 | 1981.4 | 1995.5 | 2005.3 | 2089.6 | 2026.4 | 1976.3 | 1962.2 | 1967.7 | 1812.5 | 1856.5 | 857.1 | |
| 1 | 1441.9 | 1498.8 | 1463.1 | 1577.7 | 1690 | 1441.9 | 1460 | 1487.8 | 1523.8 | 1400 | 384.2 | |
| 15 | −0.5 | 1981.4 | 1995.5 | 2005.3 | 2089.6 | 2026.4 | 1976.3 | 1962.2 | 1967.7 | 1812.5 | 1856.5 | 857.1 |
| 0.5 | 1441.9 | 1498.8 | 1463.1 | 1577.7 | 1690 | 1441.9 | 1460 | 1487.8 | 1523.8 | 1400 | 384.2 | |
| −1 | 3500 | 3085.7 | 2964 | 3443.2 | 3450 | 3000 | 3500 | 3000 | 2923.9 | 2470.6 | 101.6 | |
| 1 | 2480 | 2571.4 | 2470 | 2869.3 | 2875 | 2500 | 2142.9 | 1863 | 2436.6 | 2058.8 | 84.6 | |
| −1.5 | 3754.5 | 3800 | 4388.9 | 3850 | 4422.2 | 4222.2 | 4394.9 | 4277.8 | 3900 | 2989.5 | 770 | |
| 1.5 | 3181.8 | 3190 | 3150 | 3100 | 3555.6 | 3333.3 | 3290 | 3125 | 3090 | 3000 | 500 | |
| 49 | −0.5 | 4610 | 4699.2 | 4814.8 | 4751.5 | 4814.5 | 4656.1 | 4751.5 | 4659.5 | 4985.8 | 4608.3 | 2888.9 |
| 0.5 | 4332.1 | 4400 | 4611.1 | 4100 | 4666.7 | 4444.4 | 5563.2 | 5000 | 5050 | 3304.2 | 800 | |
| −1 | 15,000 | 14,583.3 | 13,800 | 13,653,8 | 13,923.2 | 15,304.3 | 16,613.9 | 14,500 | 11,390.1 | 12,500 | 616.7 | |
| 1 | 12,580 | 12,580 | 12,395 | 12,385 | 12,398 | 12,857.1 | 12,000 | 11,385 | 11,390 | 10,380 | 3085 | |
| −1.5 | 20,000 | 22,000 | 20,500 | 20,543.5 | 20,500 | 20,000 | 21,477.3 | 18,473.6 | 20,597.5 | 11,900 | 2019.2 | |
| 1.5 | 15,196.1 | 15,149.6 | 13,808.8 | 13,657.4 | 14,386.8 | 14,038.5 | 14,460.8 | 14,423.1 | 13,863.6 | 13,333.3 | 3937.5 | |
Appendix B

References
- Chan, C.C. The state of the art of electric and hybrid vehicles. Proc. IEEE 2002, 90, 247–275. [Google Scholar] [CrossRef]
- Lu, W.; Zhang, D.; Zhang, J.; Li, T.; Hu, T. Design and implementation of a gasoline-electric hybrid propulsion system for a micro triple tilt-rotor VTOL UAV. In Proceedings of the 2017 6th Data Driven Control and Learning Systems (DDCLS), Chongqing, China, 26–27 May 2017. [Google Scholar] [CrossRef]
- Wall, T.J.; Meyer, R. A Survey of Hybrid Electric Propulsion for Aircraft. In Proceedings of the 53rd AIAA/SAE/ASEE Joint Propulsion Conference, Atlanta, GA, USA, 10–12 July 2017. [Google Scholar] [CrossRef]
- Harmon, F.G.; Frank, A.A.; Chattot, J.-J. Conceptual design and simulation of a small hybrid-electric unmanned. J. Aircr. 2006, 43, 1490–1498. [Google Scholar] [CrossRef]
- Hiserote, R.; Harmon, F. Analysis of hybrid-electric propulsion system designs for small unmanned aircraft systems. In Proceedings of the 8th Annual International Energy Conversion Engineering Conference, Nashville, TN, USA, 25–28 July 2010. [Google Scholar] [CrossRef]
- Hugo, J.Y.; Gonzalez, L. On Parallel Hybrid-Electric propulsion System for Unmanned Aerial Vehicles Energy-efficient electric machines. Prog. Aerosp. Sci. 2012, 51, 1–17. [Google Scholar] [CrossRef]
- Xie, Y.; Savvaris, A.; Tsourdos, A.; Laycock, J.; Farmer, A. Modelling and Control of a Hybrid Electric Propulsion System for Unmanned Aerial Vehicles. In Proceedings of the 2018 IEEE Aerospace Conference, Big Sky, MT, USA, 3–10 March 2018. [Google Scholar] [CrossRef]
- Suti, A.; Di Rito, G.; Galatolo, R. Climbing performance enhancement of small fixed-wing UAVs via hybrid electric propulsion. In Proceedings of the 2021 IEEE Workshop on Electrical Machines Design, Control and Diagnosis (WEMDCD), Modena, Italy, 8–9 April 2021. [Google Scholar] [CrossRef]
- Sky Eye Systems. Available online: https://www.skyeyesystems.it/ (accessed on 31 October 2022).
- Chen, W.; Liang, J.; Yang, Z.; Li, G. A Review of Lithium-Ion Battery for Electric Vehicle Applications and Beyond. Energy Procedia 2019, 158, 4363–4368. [Google Scholar] [CrossRef]
- Miao, Y.; Hynan, P.; von Jouanne, A.; Yokochi, A. Current Li-Ion Battery Technologies in Electric Vehicles and Opportunities for Advancements. Energies 2019, 12, 1074. [Google Scholar] [CrossRef]
- Ghiji, M.; Novozhilov, V.; Moinuddin, K.; Joseph, P.; Burch, I.; Suendermann, B.; Gamble, G. A Review of Lithium-Ion Battery Fire Suppression. Energies 2020, 13, 5117. [Google Scholar] [CrossRef]
- Sanad, M.M.S.; Azab, A.A.; Taha, T.A. Inducing lattice defects in calcium ferrite anode materials for improved electrochemical performance in lithium-ion batteries. Ceram. Int. 2022, 48, 12537–12583. [Google Scholar] [CrossRef]
- Nitta, N.; Wu, F.; Lee, J.T.; Yushin, G. Li-ion battery materials: Present and future. Mater. Today 2015, 18, 5. [Google Scholar] [CrossRef]
- Sanad, M.M.S.; Toghan, A. Unveiling the role of trivalent cation incorporation in Li-rich Mn-based layered cathode materials for low-cost lithium-ion batteries. Appl. Phys. 2021, 127, 733. [Google Scholar] [CrossRef]
- Damiano, A.; Porru, M.; Salimbeni, A.; Serpi, A.; Castiglia, V.; Di Tommaso, A.O.; Miceli, R.; Schettino, G. Batteries for Aerospace: A Brief Review. In Proceedings of the 2018 AEIT International Annual Conference, Bari, Italy, 3–5 October 2018. [Google Scholar] [CrossRef]
- Manetti, A.; Abba, A.; Merati, A.; Savaresi, S.M.; Geraci, A. A new BMS Architecture Based on Cell Redundancy. IEEE Trans. Ind. Electron. 2011, 58, 9. [Google Scholar] [CrossRef]
- Qi, J.; Lu, D.D.-C. Review of battery cell balancing techniques. In Proceedings of the 2014 Australasian Universities Power Engineering Conference (AUPEC), Perth, WA, Australia, 28 September–1 October 2014. [Google Scholar] [CrossRef]
- Khalid, A.; Stevenson, A.; Sawarat, A.I. Overview of Technical Specifications for Grid-Connected Microgrid Battery Energy Storage Systems. IEEE Access 2021, 9, 163554–163593. [Google Scholar] [CrossRef]
- Khalid, A.; Sawarat, A.I. Battery Module Performance Analysis under Varying Interconnection Topology for Electric Vehicles. In Proceeding of the 2019 IEEE Transportation Electrification Conference (ITEC-India), Bengaluru, India, 17–19 December 2019. [Google Scholar] [CrossRef]
- Tamilselvi, S.; Gunasundari, S.; Karuppiah, N.; Razak RK, A.; Madhusudan, S.; Nagarajan, V.M.; Sathish, T.; Shamim, M.Z.M.; Saleel, C.A.; Afzal, A. A Review on Battery Modelling Techniques. Sustainability 2021, 13, 10042. [Google Scholar] [CrossRef]
- Smith, K.; Wang, C.-Y. Solid-state diffusion limitations on pulse operation of a lithium ion cell for hybrid electric vehicles. J. Power Source 2006, 161, 628–639. [Google Scholar] [CrossRef]
- Seaman, A.; Dao, T.-S.; McPhee, J. A survey of mathematics-based equivalent-circuit and electrochemical battery models for hybrid and electric vehicle simulation. J. Power Source 2014, 256, 410–423. [Google Scholar] [CrossRef]
- Hutzenalaub, T.; Thiele, S.; Paust, N.; Spotnitz, R.; Zengerle, R.; Walchshofer, C. Three-dimensional electrochemical Li-ion battery modelling featuring a focused ion-beam/scanning electron microscopy based three-phase reconstruction of a LiCoO2 cathode. Electrochim. Acta 2014, 115, 131–139. [Google Scholar] [CrossRef]
- Manwell, J.F.; McGrowan, J.G. Lead acid battery storage model for hybrid energy systems. Solar Energy 1993, 50, 399–405. [Google Scholar] [CrossRef]
- Fotouhi, A.; Auger, D.J.; Propp, K.; Longo, S.; Wild, M. A review on electric vehicle battery modelling: From Litium-ion toward Lithium-Sulphur. Renew. Sustain. Energy Rev. 2016, 56, 1008–1021. [Google Scholar] [CrossRef]
- Rodrigues, L.M.; Montez, C.; Moraes, R.; Portugal, P.; Vasques, F. A Temperature-Dependent Battery Model for Wireless Sensor Networks. Sensors 2017, 17, 422. [Google Scholar] [CrossRef]
- Chiasserini, C.-F.; Rao, R.R. Improving battery performance by using traffic shaping techniques. IEEE J. Sel. Areas Commun. 2001, 19, 1385–1394. [Google Scholar] [CrossRef]
- Tao, L.; Ma, J.; Cheng, Y.; Noktehdan, A.; Chong, J.; Lu, C. A review of stochastic battery model and health management. Renew. Sustain. Energy Rev. 2017, 80, 716–732. [Google Scholar] [CrossRef]
- Chen, M.; Rincon-Mora, G.A. Accurate electrical battery model capable of predicting runtime and I-V performance. IEEE Trans. Energy Convers. 2006, 21, 504–511. [Google Scholar] [CrossRef]
- El Ghossein, N.; Salameh, J.P.; Karami, N.; El Hassan, M.; Najjar, M.B. Survey on electrical modelling methods applied on different battery types. In Proceedings of the 2015 Third International Conference on Technological Advances in Electrical, Electronics and Computer Engineering (TAEECE), Beirut, Lebanon, 29 April–1 May 2015. [Google Scholar] [CrossRef]
- Feng, D.; Huang, J.; Jin, P.; Chen, H.; Wang, A.; Zheng, M. Parameter Identification and Dynamic Simulation of Lithium-Ion Power Battery Based on DP Model. In Proceedings of the 2019 14th IEEE Conference on Industrial Electronics and Applications (ICIEA), Xi’an, China, 19–21 June 2019. [Google Scholar] [CrossRef]
- Frivaldsky, M.; Simcak, M. Evaluation of the Accuracy of the Identified Equivalent Electrical Circuit of LiPePO4 Battery through Verified Measurements. Batteries 2022, 8, 38. [Google Scholar] [CrossRef]
- Di Rito, G.; Suti, A.; Ricci, A.; Galatolo, R.; Mattei, G. Experimental characterisation of Li-Po battery packs and BLDC machines for hybrid propulsion systems of lightweight UAVs. In Proceedings of the 2022 IEEE 9th International Workshop on Metrology for AeroSpace (MetroAeroSpace), Pisa, Italy, 27–29 June 2022. [Google Scholar] [CrossRef]
- Westerhoff, U.; Kurbach, K.; Lienesch, F.; Kurrat, M. Analysis of Lithium-Ion Battery Models Based on Electrochemical Impedance Spectroscopy. Energy Technol. 2016, 4, 1620–1630. [Google Scholar] [CrossRef]
- Choi, W.; Shin, H.-C.; Kim, J.M.; Choi, J.-Y.; Yoon, W.-S. Modeling and Applications of Electrochemical Impedance Spectroscopy (EIS) for Lithium-ion Batteries. J. Electrochem. Sci. Technol. 2020, 11, 1–13. [Google Scholar] [CrossRef]
- Paccha-Herrera, E.; Calderón-Muñoz, W.R.; Orchard, M.; Jaramillo, F.; Medjaher, K. Thermal Modeling Approaches for a LiCoO2 Lithium-ion Battery—A Comparative Study with Experimental Validation. Batteries 2020, 6, 40. [Google Scholar] [CrossRef]
- Iurilli, P.; Brivio, C.; Wood, V. On the use of electrochemical impedance spectroscopy to characterize and model the aging phenomena of lithium-ion batteries: A critical review. J. Power Source 2021, 505, 229860. [Google Scholar] [CrossRef]
- Boujoudar, Y.; Elmoussaoui, H.; Lamhamdi, T. Lithium-ion batteries modeling and state of charge estimation using artificial neural network. Int. J. Electr. Comput. Eng. 2019, 9, 3415–3422. [Google Scholar] [CrossRef]
- Almeida, G.C.S.; Souza, A.C.Z.d.; Ribeiro, P.F. A Neural Network Application for a Lithium-Ion Battery Pack State-of-Charge Estimator with Enhanced Accuracy. Proceedings 2020, 58, 33. [Google Scholar] [CrossRef]
- Cui, Z.; Dai, J.; Sun, J.; Li, D.; Wang, L.; Wang, K. Hybrid Methods Using Neural Network and Kalman Filter for the State of Charge Estimation of Lithium-Ion Battery. Math. Probl. Eng. 2022, 2022, 9616124. [Google Scholar] [CrossRef]
- Jin, Y.; Zhao, W.; Li, Z.; Liu, B.; Wang, K. SOC estimation of lithium-ion battery considering the influence of discharge rate. Energy Rep. 2021, 7, 1436–1446. [Google Scholar] [CrossRef]
- Angermeier, S.; Ketterer, J.; Karcher, C. Liquid-Based Battery Temperature Control of Electric Buses. Energies 2020, 13, 4990. [Google Scholar] [CrossRef]
- Sequino, L.; Eancaruso, E.; Vaglieco, B.M. Modeling Study of the Battery Pack for the Electric Conversion of a Commercial Vehicle. In Proceedings of the 15th International Conference on Engines & Vehicles, Capri, Italy, 12–16 September 2021. [Google Scholar] [CrossRef]
- Zhang, Z.; Tian, X.; Ge, X. Dynamic Characteristics of the Bouc–Wen Nonlinear Isolation System. Appl. Sci. 2021, 11, 6106. [Google Scholar] [CrossRef]
- Maxamps. Lithium Batteries. Available online: https://maxamps.com/products/lipo-1850-6s-22-2v-battery-pack (accessed on 2 November 2022).
- García-Plaza, M.; Carrasco, J.; Peña-Asensio, A.; Alonso-Martínez, J.; Arnaltes Gómez, S. Hysteresis effect influence on electrochemical battery modeling. Electr. Power Syst. Res. 2017, 152, 27–35. [Google Scholar] [CrossRef]
- Yamada, A.; Koizumi, H.; Sonoyama, N.; Kanno, R. Phase Change in LixFePO4. Electrochem. Solid-State Lett. 2005, 8, A409–A413. [Google Scholar] [CrossRef]
- Morgan, D.; van der Ven, A.; Ceder, G. Li Conductivity in Lix MPO4 (M=Mn, Fe, Co, Ni) Olivine Materials. Electrochem. Solid-State Lett. 2003, 7, A30–A32. [Google Scholar] [CrossRef]
- Srinivasan, V.; Newman, J. Discharge Model for the Lithium Iron-Phosphate Electrode. J. Electrochem. Soc. 2004, 9, A1517–A1529. [Google Scholar] [CrossRef]
- Srinivasan, V.; Newman, J. Existence of Path-Dependence in the LiFePO4 Electrode. Electrochem. Solid-State Lett. 2006, 10, A110–A114. [Google Scholar] [CrossRef]
- Dreyer, W.; Jamnik, J.; Guhlke, C.; Huth, R.; Moškon, J.; Gaberšček, M. The thermodynamic origin of hysteresis in insertion batteries. Nat. Mater. 2010, 9, 448–453. [Google Scholar] [CrossRef]
- He, Y.; He, R.; Guo, B.; Zhang, Z.; Yang, S.; Liu, X.; Zhao, X.; Pan, Y.; Yan, X.; Li, S. Modeling of Dynamic Hysteresis Characters for the Lithium-Ion Battery. J. Electrochem. Soc. 2020, 167, 090532. [Google Scholar] [CrossRef]
- Zheng, T.; McKinnon, W.R.; Dahn, J.R. Hysteresis during Lithium Insertion in Hydrogen-Containing Carbons. J. Electrochem. Soc. 1996, 143, 2137–2145. [Google Scholar] [CrossRef]
- Baronti, F.; Femia, N.; Saletti, R.; Visone, C.; Zamboni, W. Preisach modelling of lithium-iron-phosphate battery hysteresis. J. Energy Storage 2015, 4, 51–61. [Google Scholar] [CrossRef]
- Hassani, V.; Tjahjowidodo, T.; Nho Do, T. A survey on hysteresis modeling, identification and control. Mech. Syst. Signal Process. 2014, 49, 209–233. [Google Scholar] [CrossRef]
- Ikhouane, F. A survey of the Hysteretic Duhem Model. Arch. Comput. Methods Eng. 2017, 25, 965–1002. [Google Scholar] [CrossRef]
- Liu, Y.; Liu, H.; Wu, H.; Zou, D. Modelling and compensation of hysteresis in piezoelectric actuators based on Maxwell approach. IET Electron. Lett. 2016, 52, 188–190. [Google Scholar] [CrossRef]
- Baronti, F.; Zamboni, W.; Fermia, N.; Roncella, R.; Saletti, R. Experimental analysis of open- circuit voltage hysteresis in lithium-iron-phosphate batteries. In Proceedings of the IECON 2013—39th Annual Conference of the IEEE Industrial Electronics Society, Vienna, Austria, 10–13 November 2013. [Google Scholar] [CrossRef]
- Lei, X.; Zhao, X.; Wang, G.; Liu, W. A Novel Temperature–Hysteresis Model for Power Battery of Electric Vehicles with an Adaptive Joint Estimator on State of Charge and Power. Energies 2019, 12, 3621. [Google Scholar] [CrossRef]
- Antonucci, V.; Artale, G.; Brunaccini, G.; Caravello, G.; Cataliotti, A.; Cosentino, V.; Di Cara, D.; Ferraro, M.; Guaiana, S.; Panzavecchia, N.; et al. Li-ion Battery Modeling and State of Charge Estimation Method Including the Hysteresis Effect. Electronics 2019, 8, 1324. [Google Scholar] [CrossRef]
- Madani, S.S.; Schaltz, E.; Knudsen Kær, S. An Electrical Equivalent Circuit Model of a Lithium Titanate Oxide Battery. Batteries 2019, 5, 31. [Google Scholar] [CrossRef]
- Farnel, Bench Power Supply. Available online: https://it.farnell.com/tenma/72-2540/alimentatore-1-canale-30v-5a-prog/dp/2445412?gclid=CjwKCAiAvK2bBhB8EiwAZUbP1OpLjFFBAcZ14BSO57kkLHU-ofiOVa7v7j3n12pA7IKxb471UPRINBoC2akQAvD_BwE&mckv=_dc|pcrid||plid||kword||match||slid||product|2445412|pgrid||ptaid|&CMP=KNC-GIT-GEN-SHOPPING-PMAX-Low-Roas_26-Sept-22&gross_price=true (accessed on 2 November 2022).
- Rigol. Possibilities and more. Available online: https://www.rigolitalia.it/products/carico-programmabile-rigol-dl3031-350w-150v-60a (accessed on 4 November 2022).
- Conrad. VOLTCRAFT V-Charger 240 Quadro Scale Model. Available online: https://www.conrad.com/p/voltcraft-v-charge-240-quadro-scale-model-multifunction-charger-12-v-230-v-12-a-lipolymer-lifepo-li-ion-lihv-nicd-1489899 (accessed on 5 November 2022).
- Keysight. Available online: https://www.keysight.com/us/en/products/modular/data-acquisition-daq/digital-acquisition-benchtop-system/daq970a-data-acquisition-system.html (accessed on 5 November 2022).
- Gandolfo, D.; Brandão, A.; Patiño, D.; Molina, M. Dynamic model of lithium polymer battery—Load resistor method for electric parameters identification. J. Energy Inst. 2015, 88, 470–479. [Google Scholar] [CrossRef]
- Yu, Y.; Narayan, N.; Vega-Garita, V.; Popovic-Gerber, J.; Qin, Z.; Wagemaker, M.; Bauer, P.; Zeman, M. Constructing Accurate Equivalent Electrical Circuit Models of Lithium Iron Phosphate and Lead–Acid Battery Cells for Solar Home System Applications. Energies 2018, 11, 2305. [Google Scholar] [CrossRef]
- Mathworks, Generate Parameter Data for Equivalent Circuit Battery Block. Available online: https://www.mathworks.com/help/autoblks/ug/generate-parameter-data-for-estimations-circuit-battery-block.html (accessed on 25 September 2022).
- Rftekhari, A. Energy efficiency: A critically important but neglected factor in battery research. Sustain. Energy Fuels 2017, 1, 2053–2060. [Google Scholar] [CrossRef]








| Dependence | ||||
|---|---|---|---|---|
| Parameter | ||||
| Major | Minor | Minor | Minor | |
| Major | Minor | Minor | Major | |
| Major | Major | Major | Major | |
| Major | Minor | Minor | Major | |
| Description | Value |
|---|---|
| Cathode | LiCoO2 |
| Anode | Graphite |
| Nominal capacity | 1850 mAh |
| Maximum voltage | 25.2 V |
| Nominal voltage | 22.2 V |
| Cut-off voltage | 18 V |
| Maximum continuous current | 5 Cr (9250 mA) |
| Cells number | 6 |
| Mass | 235 g |
| Dimensions | 86 × 35 × 38 mm |
| 0 | 0.5 | 50 | 0.454 | 50 | 0.213 |
| 1 | 0.2 | ||||
| 1.5 (*) | 0.2 | ||||
| 15 | 0.5 | 5 | 0.085 | 10 | 0.0294 |
| 1 | 0.05 | 0.0225 | |||
| 1.5 | 0.06 | 0.085 | |||
| 49 | 0.5 | 50 | 0.143 | 50 | 0.0533 |
| 1 | 0.09 | 0.0167 | |||
| 1.5 | 0.071 | 0.0167 |
Publisher’s Note: MDPI stays neutral with regard to jurisdictional claims in published maps and institutional affiliations. |
© 2022 by the authors. Licensee MDPI, Basel, Switzerland. This article is an open access article distributed under the terms and conditions of the Creative Commons Attribution (CC BY) license (https://creativecommons.org/licenses/by/4.0/).
Share and Cite
Suti, A.; Di Rito, G.; Mattei, G. Development and Experimental Validation of Novel Thevenin-Based Hysteretic Models for Li-Po Battery Packs Employed in Fixed-Wing UAVs. Energies 2022, 15, 9249. https://doi.org/10.3390/en15239249
Suti A, Di Rito G, Mattei G. Development and Experimental Validation of Novel Thevenin-Based Hysteretic Models for Li-Po Battery Packs Employed in Fixed-Wing UAVs. Energies. 2022; 15(23):9249. https://doi.org/10.3390/en15239249
Chicago/Turabian StyleSuti, Aleksander, Gianpietro Di Rito, and Giuseppe Mattei. 2022. "Development and Experimental Validation of Novel Thevenin-Based Hysteretic Models for Li-Po Battery Packs Employed in Fixed-Wing UAVs" Energies 15, no. 23: 9249. https://doi.org/10.3390/en15239249
APA StyleSuti, A., Di Rito, G., & Mattei, G. (2022). Development and Experimental Validation of Novel Thevenin-Based Hysteretic Models for Li-Po Battery Packs Employed in Fixed-Wing UAVs. Energies, 15(23), 9249. https://doi.org/10.3390/en15239249

