Analysis of the Influence of the Gas Infrared Heater and Equipment Element Relative Positions on Industrial Premises Thermal Conditions
Abstract
1. Introduction
2. Experimental Investigations
2.1. Selecting Data for the Experiments
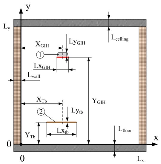
2.2. Experimental Box and Equipment
2.3. Experimental Technique
2.4. The Main Experimental Results
3. Mathematical Statement and Solution Method
4. Model Verification
5. Main Results of Numerical Simulation and Discussion






6. Conclusions
Author Contributions
Funding
Data Availability Statement
Conflicts of Interest
Nomenclature
| GIH | gas infrared heaters |
| WHR | waste heat recovery |
| Symbols | |
| Cp | isobaric heat capacity, [J·kg−1·K−1] |
| cμ, cε1, cε2 | parameters in k-ε model, [–] |
| acceleration created by the mass forces, [m/s2] | |
| FUp_GIH | GIH upper surface area, [m2] |
| unit tensor, [–] | |
| k | turbulent kinetic energy, [m2s−2] |
| Lx | size of the area in the directions X, [m] |
| Ly | size of the area in the directions Y, [m] |
| p | pressure, [Pa] |
| qF_GIE | determined by rated heat output, [W/m−2] |
| qgas | conductive-convective heat flux density to this surface, [W/m−2] |
| qrad | radiation heat density from all radiating surfaces, [W/m−2] |
| qsol | heat flux density to the surface, [W/m−2] |
| QV_GIH | rated heat output, [BT] |
| T | temperature, [K] |
| TF_GIH | GIH side surfaces temperature, [K] |
| velocity vector, [m s−1] | |
| X,Y | coordinates, [m] |
| Greek symbols | |
| ε | turbulence dissipation rate, [m2s−3] |
| ηRad | radiant efficiency [–] |
| ρ | density, [m3/kg] |
| κ | thermal conductivity, [Wm−1K−1] |
| μ | dynamic viscosity coefficient, [m2s−1] |
| μt | turbulent dynamic viscosity coefficient, [m2s−1] |
| σε, σκ | parameters in k-ε model, [–] |
| τ | time, [s] |
| Subscripts | |
| 0 | initial values |
| Tb | horizontal panel |
References
- Meha, D.; Dragusha, B.; Thakur, J.; Novosel, T.; Duić, N. A novel spatial based approach for estimation of space heating demand saving potential and CO2 emissions reduction in urban areas. Energy 2021, 225, 120251. [Google Scholar] [CrossRef]
- Connolly, D.; Lund, H.; Mathiesen, B.V.; Werner, S.; Möller, B.; Persson, U.; Boermans, T.; Trier, D.; Østergaard, P.A.; Nielsen, S. Heat Roadmap Europe: Combining district heating with heat savings to decarbonise the EU energy system. Energy Policy 2014, 65, 475–489. [Google Scholar] [CrossRef]
- Liu, X.; Zhang, T.; Liu, X.; Li, L.; Lin, L.; Jiang, Y. Energy saving potential for space heating in Chinese airport terminals: The impact of air infiltration. Energy 2021, 215, 119175. [Google Scholar] [CrossRef]
- Kobelev, N.; Emelyanov, S.; Kretova, V.; Morzhavin, A.; Amelin, V.; Kobelev, V. Energy-saving Solution in the Heating System of Buildings. Procedia Eng. 2015, 117, 186–190. [Google Scholar] [CrossRef][Green Version]
- Shen, P.; Wang, Z.; Ji, Y. Exploring potential for residential energy saving in New York using developed lightweight prototypical building models based on survey data in the past decades. Sustain. Cities Soc. 2021, 66, 102659. [Google Scholar] [CrossRef]
- Jezierski, W.; Sadowska, B.; Pawłowski, K. Impact of changes in the required thermal insulation of building envelope on energy demand, heating costs, emissions, and temperature in buildings. Energies 2021, 14, 56. [Google Scholar] [CrossRef]
- ASHRAE 55-2017; Standard 55-2017–Thermal Environmental Conditions for Human Occupancy (ANSI/ASHRAE Approved). ASHRAE: Atlanta, GA, USA, 2017.
- ISO 7730; Moderate Thermal Environment–Determination of the PMV and PPD Indices and Specification of the Conditions for Thermal Comfort. International Organization for Standardization: Geneva, Switzerland, 2005.
- De Dear, R.J.; Brager, G.S. Thermal comfort in naturally ventilated buildings: Revisions to ASHRAE Standard 55. Energy Build. 2002, 34, 549–561. [Google Scholar] [CrossRef]
- Olesen, B.W.; Parsons, K.C. Introduction to thermal comfort standards and to the proposed new version of EN ISO 7730. Energ. Build. 2002, 34, 537–548. [Google Scholar] [CrossRef]
- Li, C.Z.; Zhang, L.; Liang, X.; Xiao, B.; Tam, V.W.Y.; Lai, X.; Chen, Z. Advances in the research of building energy saving. Energy Build. 2022, 254, 111556. [Google Scholar] [CrossRef]
- Yan, C.; Wang, S.; Shan, K.; Lu, Y. A simplified analytical model to evaluate the impact of radiant heat on building cooling load. Appl. Therm. Eng. 2015, 77, 30–41. [Google Scholar] [CrossRef]
- Wang, D.; Wu, C.; Liu, Y.; Chen, P.; Liu, J. Experimental study on the thermal performance of an enhanced-convection overhead radiant floor heating system. Energy Build. 2017, 135, 233–243. [Google Scholar] [CrossRef]
- Yu, T.; Heiselberg, P.; Lei, B.; Pomianowski, M.; Zhang, C.; Jensen, R. Experimental investigation of cooling performance of a novel HVAC system combining natural ventilation with diffuse ceiling inlet and TABS. Energy Build. 2015, 105, 165–177. [Google Scholar] [CrossRef]
- Song, W.; Zhang, Z.; Chen, Z.; Wang, F.; Yang, B. Thermal comfort and energy performance of personal comfort systems (PCS): A systematic review and meta-analysis. Energy Build. 2022, 256, 111747. [Google Scholar] [CrossRef]
- Lin, B.; Wang, Z.; Sun, H.; Zhu, Y.; Ouyang, Q. Evaluation and comparison of thermal comfort of convective and radiant heating terminals in office buildings. Build. Environ. 2016, 106, 91–102. [Google Scholar] [CrossRef]
- Karmann, C.; Schiavon, S.; Bauman, F. Thermal comfort in buildings using radiant vs. all-air systems: A critical literature review. Build. Environ. 2017, 111, 123–131. [Google Scholar] [CrossRef]
- Fallah, M.; Medghalchi, Z. Proposal of a new approach for avoiding Anti-Insulation in residential buildings by considering occupant’s comfort condition. Therm. Sci. Eng. Prog. 2020, 20, 100721. [Google Scholar] [CrossRef]
- Sun, H.; Duan, M.; Wu, Y.; Lin, B.; Yang, Z.; Zhao, H. Thermal performance investigation of a novel heating terminal integrated with flat heat pipe and heat transfer enhancement. Energy 2021, 236, 121411. [Google Scholar] [CrossRef]
- Oravec, J.; Šikula, O.; Krajčík, M.; Arıcı, M.; Mohapl, M. A comparative study on the applicability of six radiant floor, wall, and ceiling heating systems based on thermal performance analysis. J. Build. Eng. 2021, 36, 102133. [Google Scholar] [CrossRef]
- Jiang, S.; Li, X.; Lyu, W.; Wang, B.; Shi, W. Numerical investigation of the energy efficiency of a serial pipe-embedded external wall system considering water temperature changes in the pipeline. J. Build. Eng. 2020, 31, 101435. [Google Scholar] [CrossRef]
- Zhang, C.; Pomianowski, M.; Heiselberg, P.K.; Yu, T. A review of integrated radiant heating/cooling with ventilation systems-Thermal comfort and indoor air quality. Energy Build. 2020, 223, 110094. [Google Scholar] [CrossRef]
- Peng, P.; Gong, G.; Deng, X.; Liang, C.; Li, W. Field study and numerical investigation on heating performance of air carrying energy radiant air-conditioning system in an office. Energy Build. 2020, 209, 109712. [Google Scholar] [CrossRef]
- Võsa, K.-V.; Ferrantelli, A.; Kurnitskia, J. A combined analytical model for increasing the accuracy of heat emission predictions in rooms heated by radiators. J. Build. Eng. 2019, 23, 291–300. [Google Scholar] [CrossRef]
- Cardemil, J.M.; Schneider, W.; Behzad, M.; Starke, A.R. Thermal analysis of a water source heat pump for space heating using an outdoor pool as a heat source. J. Build. Eng. 2019, 3, 101581. [Google Scholar] [CrossRef]
- Gourlis, G.; Kovacic, I. Building Information Modelling for analysis of energy efficient industrial buildings–A case study. Renew. Sustain. Energy Rev. 2017, 68, 953–963. [Google Scholar] [CrossRef]
- Meng, X.; Wang, Y.; Liu, T.; Xing, X.; Cao, Y.; Zhao, J. Influence of radiation on predictive accuracy in numerical simulations of the thermal environment in industrial buildings with buoyancy-driven natural ventilation. Appl. Therm. Eng. 2016, 96, 473–480. [Google Scholar] [CrossRef]
- Ascione, F.; Bianco, N.; Iovane, T.; Mauro, G.M.; Napolitano, D.F.; Ruggiano, A.; Viscido, L. A real industrial building: Modeling, calibration and Pareto optimization of energy retrofit. J. Build. Eng. 2020, 29, 101186. [Google Scholar] [CrossRef]
- De Angelisa, A.; Saro, O.; Truant, M. Evaporative cooling systems to improve internal comfort in industrial buildings. Energy Procedia 2017, 126, 313–320. [Google Scholar] [CrossRef]
- Liu, G.; Zhou, X.; Yan, J.; Yan, G. A temperature and time-sharing dynamic control approach for space heating of buildings in district heating system. Energy 2021, 221, 119835. [Google Scholar] [CrossRef]
- Moutinho, V.; Moreira, A.C.; Silva, P.M. The driving forces of change in energy-related CO2 emissions in Eastern, Western, Northern and Southern Europe: The LMDI approach to decomposition analysis. Renew. Sustain. Energy Rev. 2015, 50, 1485–1499. [Google Scholar] [CrossRef]
- Yang, L.; Yan, H.; Lam, J.C. Thermal comfort and building energy consumption implications–A review. Appl. Energy 2014, 115, 164–173. [Google Scholar] [CrossRef]
- Kurilenko, N.I.; Kurilenko, E.Y.; Mamontov, G.Y. New approach to microclimate parameter selection for the production area with heat supply systems based on gas infrared radiators. EPJ Web Conf. 2016, 110, 01033. [Google Scholar] [CrossRef]
- Kuznetsov, G.V.; Kurilenko, N.I.; Maksimov, V.I.; Nagornova, T.A. Experimental and numerical study of heat transfer in production area heated by gas infrared source. Int. J. Therm. Sci. 2020, 154, 106396. [Google Scholar] [CrossRef]
- Kuznetsov, G.V.; Maksimov, V.I.; Nagornova, T.A. Prognostic potential of free convection models for analysis of thermal conditions of heat supply objects. Therm. Sci. 2018, 22, 545–556. [Google Scholar] [CrossRef]
- Wang, H.; Xu, M.; Bian, C. Experimental comparison of local direct heating to improve thermal comfort of workers. Build. Environ. 2020, 177, 106884. [Google Scholar] [CrossRef]
- Rhee, K.-N.; Kim, K.W. A 50 year review of basic and applied research in radiant heating and cooling systems for the built environment. Build. Environ. 2015, 91, 166–190. [Google Scholar] [CrossRef]
- Lee, E.H. 2.30 A Review on Applications of Infrared Heating for Food Processing in Comparison to Other Industries. In Innovative Food Processing Technologies; Knoerzer, K., Muthukumarappan, K., Eds.; Elsevier: Amsterdam, The Netherlands, 2021; pp. 431–455. [Google Scholar] [CrossRef]
- Wang, H.; Kaur, S.; Elzouka, M.; Prasher, R. A nano-photonic filter for near infrared radiative heater. Appl. Therm. Eng. 2019, 153, 221–224. [Google Scholar] [CrossRef]
- Maznoy, A.; Kirdyashkin, A.; Pichugin, N.; Zambalov, S.; Petrov, D. Development of a new infrared heater based on an annular cylindrical radiant burner for direct heating applications. Energy 2020, 204, 117965. [Google Scholar] [CrossRef]
- Lee, E.-H.; Yang, D.-Y. Experimental and numerical analysis of a parabolic reflector with a radiant heat source. Int. J. Heat Mass Transf. 2015, 85, 860–864. [Google Scholar] [CrossRef]
- Brown, K.J.; Farrelly, R.; O’Shaughnessy, S.M.; Robinson, A.J. Energy efficiency of electrical infrared heating elements. Appl. Energy 2016, 162, 581–588. [Google Scholar] [CrossRef]
- Kavga, A.; Karanastasi, E.; Konstas, I.; Panidis, T. Performance of an Infrared Heating System in a Production Greenhouse. IFAC Proc. 2013, 46, 235–240. [Google Scholar] [CrossRef]
- Maksimov, V.I.; Nagornova, T.A.; Kurilenko, N.I.; Voloshko, I.V. Advantage analysis of systems for ensuring local working zones thermal conditions based on gas infrared emitters in comparison with traditional convective heating systems. Bull. Tomsk. Polytech. Univ. Geo Assets Eng. 2021, 332, 128–141. [Google Scholar] [CrossRef]
- Dudkiewicz, E.; Szałański, P. Overview of exhaust gas heat recovery technologies for radiant heating systems in large halls. Therm. Sci. Eng. Prog. 2020, 18, 100522. [Google Scholar] [CrossRef]
- Dudkiewicz, E.; Jeżowiecki, J. The influence of orientation of a gas-fired direct radiant heater on radiant temperature distribution at a work station. Energy Build. 2011, 43, 1222–1230. [Google Scholar] [CrossRef]
- Kuznetsov, G.V.; Kurilenko, N.I.; Maksimov, V.I.; Mamontov, G.Y.; Nagornova, T.A. Heat transfer under heating of a local region of a large production area by gas infrared radiators. J. Eng. Phys. Thermophys. 2013, 86, 519–524. [Google Scholar] [CrossRef]
- Mikhailenko, S.A.; Miroshnichenko, I.V.; Sheremet, M.A. Thermal radiation and natural convection in a large-scale enclosure heated from below: Building application. Build. Simul. 2021, 14, 681–691. [Google Scholar] [CrossRef]
- Kurilenko, N.I.; Mamontov, G.Y.; Mikhaylova, L.Y. Temperature patterns in the gas infrared radiator heating area. EPJ Web Conf. 2015, 82, 01006. [Google Scholar] [CrossRef]
- Kuznetsov, G.V.; Maksimov, V.I.; Nagornova, T.A.; Voloshko, I.V.; Gutareva, N.Y.; Kurilenko, N.I. Experimental determination of the worker’s clothing surface temperature during the ceramic gas heater operation. Therm. Sci. Eng. Prog. 2021, 22, 100851. [Google Scholar] [CrossRef]
- U.S. Department of Energy. DOE Fundamentals handbook. In Thermodynamics, Heat Transfer and Fluid Flow (Volume 2 of 3); U.S. Department of Energy: Washington, DC, USA, 2016. [Google Scholar]
- Haynes, W.M. Handbook of Chemistry and Physics 2015–2016; CRC/Taylor & Francis: Boca Raton, FL, USA, 2015. [Google Scholar]
- Hesaraki, A.; Huda, N. A comparative review on the application of radiant low-temperature heating and high-temperature cooling for energy, thermal comfort, indoor air quality, design and control. Sustain. Energy Technol. Assess. 2022, 49, 101661. [Google Scholar] [CrossRef]
- Batchelor, G.K. An Introduction to Fluid Dynamics; Cambridge University Press: Cambridge, UK, 2000. [Google Scholar]
- Tritton, D.J. Physical Fluid Dynamics, 2nd ed.; Clarendon Press: Oxford, UK, 1988. [Google Scholar]
- Wilcox, D.C. Turbulence Modeling for CFD, 2nd ed.; DCW Industries: Mumbai, India, 1988. [Google Scholar]
- Kuzmin, D.; Mierka, O.; Turek, S. On the Implementation of the k-ε Turbulence Model in Incompressible Flow Solvers Based on a Finite Element Discretization. Int. J. Comput. Sci. Math. 2007, 1, 193–206. [Google Scholar] [CrossRef]
- Siegel, R.; Howell, J. Thermal Radiation Heat Transfer, 4th ed.; Taylor & Francis: New York, NY, USA, 2002. [Google Scholar]










| Object | Thickness (m) | Material | Density (kg m–3) | Heat Capacity (J kg−1 K–1) | Thermal Conductivity (W K−1 m–1) | Blackness |
|---|---|---|---|---|---|---|
| Floor, ceiling, walls | 0.1 | Concrete | 2500 | 2400 | 1.55 | 0.95 |
| Walls | 0.7 | Brick | 1700 | 880 | 0.81 | 0.93 |
| Horizontal panel | 0.02 | Pine | 520 | 2300 | 0.15 | 0.4 |
| Air Temperature Measurement | ||||||||||
| Thermocouple Numbers | 0′ | 1′ | 2′ | 3′ | 4′ | 5′ | 6′ | 7′ | 8′ | 9′ |
| X, m | 0 | 0 | 0 | 0 | 0 | 0 | 0 | 0 | 0 | 0 |
| Z, m | 0 | 0 | 0 | 0 | 0 | 0 | 0 | 0 | 0 | 0 |
| Y, m | 0.05 | 0.4 | 0.74 | 0.755 | 1.0 | 1.2 | 1.4 | 1.6 | 1.8 | 2.0 |
| Floor temperature measurement | ||||||||||
| Thermocouple numbers | 0 | 1 | 2 | 3 | 4 | 5 | ||||
| X, m | 0 | −0.2 | −0.4 | −0.6 | −0.8 | −1 | ||||
| Z, m | 0 | 0 | 0 | 0 | 0 | 0 | ||||
| Y, m | 0 | 0 | 0 | 0 | 0 | 0 | ||||
| Temperature measurement on the panel in the GIH influence zone | ||||||||||
| 1 s | 2 s | 3 s | 4 s | 5 s | ||||||
| X, m | 0 | −0.3 | 0.3 | 0 | 0.6 | |||||
| Z, m | 0 | 0 | 0 | 0.28 | 0.28 | |||||
| Y, m | 0.755 | 0.755 | 0.755 | 0.755 | 0.755 | |||||
| Description of Panel Location | The Coordinates of the Panel Center | Figure Link |
|---|---|---|
| The panel is located under the GIH at a height of 0.455 m from the floor | XTb = 1.6 m YTb = 0.455 m | Figure 11 |
| The panel is located under the GIH at a height of 1.055 m from the floor | XTb = 1.6 m YTb = 1.055 m | Figure 12 |
| The panel is located near the right wall of the area at a height of 0.755 m from the floor | XTb = 0.6 m YTb = 0.755 m | Figure 13 |
| The panel is located in the center of the area at a height of 0.755 m from the floor | XTb = 2.5 m YTb = 0.755 m | Figure 14 |
| The panel is located near the left wall of the area at a height of 0.755 m from the floor | XTb = 4.4 m YTb = 0.755 m | Figure 15 |
Publisher’s Note: MDPI stays neutral with regard to jurisdictional claims in published maps and institutional affiliations. |
© 2022 by the authors. Licensee MDPI, Basel, Switzerland. This article is an open access article distributed under the terms and conditions of the Creative Commons Attribution (CC BY) license (https://creativecommons.org/licenses/by/4.0/).
Share and Cite
Borisov, B.V.; Vyatkin, A.V.; Kuznetsov, G.V.; Maksimov, V.I.; Nagornova, T.A. Analysis of the Influence of the Gas Infrared Heater and Equipment Element Relative Positions on Industrial Premises Thermal Conditions. Energies 2022, 15, 8749. https://doi.org/10.3390/en15228749
Borisov BV, Vyatkin AV, Kuznetsov GV, Maksimov VI, Nagornova TA. Analysis of the Influence of the Gas Infrared Heater and Equipment Element Relative Positions on Industrial Premises Thermal Conditions. Energies. 2022; 15(22):8749. https://doi.org/10.3390/en15228749
Chicago/Turabian StyleBorisov, Boris Vladimirovich, Alexander Vitalievich Vyatkin, Geniy Vladimirovich Kuznetsov, Vyacheslav Ivanovich Maksimov, and Tatiana Aleksandrovna Nagornova. 2022. "Analysis of the Influence of the Gas Infrared Heater and Equipment Element Relative Positions on Industrial Premises Thermal Conditions" Energies 15, no. 22: 8749. https://doi.org/10.3390/en15228749
APA StyleBorisov, B. V., Vyatkin, A. V., Kuznetsov, G. V., Maksimov, V. I., & Nagornova, T. A. (2022). Analysis of the Influence of the Gas Infrared Heater and Equipment Element Relative Positions on Industrial Premises Thermal Conditions. Energies, 15(22), 8749. https://doi.org/10.3390/en15228749

