Next Article in Journal
Autonomous Vehicle Adoption in Developing Countries: Futurist Insights
Previous Article in Journal
Powder Bed Fusion 3D Printing and Performance of Stainless-Steel Bipolar Plate with Rectangular Microchannels and Microribs
 
 
Font Type:
Arial Georgia Verdana
Font Size:
Aa Aa Aa
Line Spacing:
Column Width:
Background:
Review

Methods of Diagnosing the Insulation of Electric Machines Windings

1
Łukasiewicz Research Network—Institute of Electrical Drives and Machines KOMEL, 40-203 Katowice, Poland
2
Faculty of Electrical Engineering, Silesian University of Technology, 44-100 Gliwice, Poland
*
Author to whom correspondence should be addressed.
Energies 2022, 15(22), 8465; https://doi.org/10.3390/en15228465
Submission received: 12 October 2022 / Revised: 3 November 2022 / Accepted: 9 November 2022 / Published: 12 November 2022

Abstract

The presented article concerns issues related to the diagnostics of the technical condition of the insulation of electrical machines. It discusses the importance of the operational supervision, maintenance and diagnostics of electrical machine insulation systems. The structure of the insulation system is presented and known solutions for making winding insulation are described. The negative impact of conditions and various exposures on the technical condition of the insulation system is described. Special attention is focused on the review of available diagnostic methods for insulating systems of electrical machines. These methods have been arranged in a systematic order according to the type of tests to be carried out.

1. Introduction

There are many strategic drives in every major industrial facility, which contain electrical machines. It is necessary to keep the electrical machines in good technical condition in order for the production process runs as a plan. The technical condition of electrical machines depends on the quality of their workmanship, the accuracy of installation at the workplace, the quality of supply, operating conditions, and the correctness of cooling and maintenance [1]. The quality of energy is characterized, among others, by voltage value, symmetry of three-phase voltages, and harmonic content. The operating conditions are defined by frequency of starts, starting time, repeated starts, overloads and impulsive change of the load torque [2,3,4]. Cooling is determined by the heat receiving system from the machine and its patency, e.g., the condition of air filters.

1.1. Operational Supervision, Maintence and Diagnostics

Drives, which are an important element of the production installation, should work reliably because failure can cause significant economic losses or threaten the safety of people. Electric machines work reliably for many years if they are properly operated, supervised, maintained and diagnosed. A graph of the technical condition of a machine during its operation is shown in Figure 1.
Operational supervision includes the registration and viewing of the recorded operating parameters of the machine, that is, voltage, current, temperature (winding and the package of stator sheets, bearings), vibrations of bearing shields, correct operation of cooling and lubrication, and periodic measurements of insulation resistance [5]. Early detection of faults reduces repair costs and protects the machine against breakdown. The rectification of faults usually requires stopping the machine. However, this can be done at a convenient time for the functioning. More attention should be paid to the control of the above-mentioned parameters in the first days of operation of a new or renovated machine.
Maintenance includes the specification of the necessary work, and planning its scope and duration in order to minimize downtime. It also includes checking the electrical switchgear and the correct operation of protections, periodic replacement of grease or oil in the bearings, cleaning and replacing filters in the cooling system, cleaning the machine outside and inside (if possible without disassembling the machine), and checking and tightening the bolts.
Diagnostics is the process of determining the technical condition of or capability of a component, machine or device to perform its function. Diagnostics deals with the assessment of the technical condition of machines and devices. It determines their suitability for the implementation of the tasks for which they are intended and the examination of the quality of their work. It is carried out in order to assess the current technical condition of machines (e.g., to assess the degree of insulation wear) and to detect internal damage. The results of the diagnostic tests are used to predict the duration of further reliable operation of machines. The scope of the repair is determined, the time of its execution is planned or a new machine is ordered [6]. Otherwise, the losses caused by the failure and the resulting shutdown may exceed the cost of purchasing a new machine. The above remark assumes greater importance in the case of generating sources installed in system power plants, where the occurrence of a failure may additionally result in the deprivation of energy supply to a large number of customers. In order to minimize the risk of failure and related losses, periodic diagnostic tests are performed, which include, among other things, testing of the winding insulation system.
A significant number of failures, i.e., unexpected and unplanned stops of drives equipped with electrical machines, are caused by damage to the insulation system [3,4,5,6,7].
In an effort to extend the period of failure-free operation, manufacturers of electrical machinery establish a periodic inspection schedule for operators based on the expected course of damage intensity, which is illustrated in Figure 1. Three characteristic periods can be distinguished in it:
  • The run-in period, in which technological, manufacturing and material defects become apparent;
  • The period of normal operation, in which the intensity of damage during normal operation of the machine remains at a similar level;
  • A period of increased damage intensity caused by the wear and aging process. During this period, further operation of the machine from an economic point of view may not be profitable.

1.2. Insulation System

The insulating system of the windings of electrical machines is multi-layer and consists of coil and main (slot) insulation [2,8,9,10,11]. The thickness of the insulation is selected with a margin so that its durability to breakdown is greater than the existing voltage. The safety factor of the dielectric strength of the main insulation kiz is expressed by the equation:
k i z = U p U N ,
where: Up—insulation breakdown voltage, UN—rated voltage.
The breakdown safety factor for new insulation is kiz > 5. The dielectric strength of the insulation is checked during the withstand voltage test, where the test voltage UPR is selected according to the following requirement:
U P R = 2 U N + 1000 .
Gas inclusions (air) inside the insulation and between the insulation and the slot are important elements which reduce the safety factor. Three areas can be distinguished in the winding along the length of the windings:
  • End winding area;
  • End extension area;
  • Coils sides (slot area).
There is a serial layering of solid dielectric and air with high and low dielectric permeability in the end winding area. The air increases the dielectric strength of the insulating system in the end winding area. The end extension area is located at the exit of the coil sides from the slots and near the radial air channels. The slots area, as the name suggests, is located in the slots. The presence of air gaps in the insulation of the slots and end extension area deteriorates the dielectric properties of the insulation [10].
If there is an air layer in the insulation, for which the dielectric permittivity εP is 1 compared to other insulation materials for which εK is between 4 and 10, the dielectric stress in the air layer is εKP times greater than in the dielectric layers. Then, electric discharges occur in the air layer, especially during surges, which are common phenomena in networks supplying electric drives. Progressive electric erosion can, over time, reduce the dielectric strength of the insulation and lead to its breakdown [4,10,11,12,13].
Testing of partial discharges arising in insulation is one of the diagnostic methods of winding insulation. The occurrence of air gaps favors the penetration of dusts, which are usually conductive in an industrial environment (metals, carbon). Therefore, more sophisticated technologies are used for applying the insulation and varnish. The varnish should fill the free spaces of the slot. From the known impregnation technologies, the best results are achieved by the VPI (vacuum pressure impregnation) technology. The impregnation varnish should meet the following basic requirements [7,12]:
  • Flexible, as the windings vibrate especially during direct starts of asynchronous motors;
  • High heat resistance (temperature class F or H);
  • Low viscosity, which allows it to penetrate the free spaces in the slot.
An example of the winding insulation of a high-voltage double-layer electric machine is shown in Figure 2.
Particularly noteworthy is the implementation of epoxy resins in the insulation system of electric machines. These resins are applied to the surface of the stator core and the rotor in the form of a powder. Then, these cores are exposed to high temperatures. As a result, a very good, uniform and durable insulation is obtained, both for the edge sheets at the exit from the slots, as well as the entire slot. This method reduces the mechanical stresses on the winding due to packaging imperfections. Due to the technology, this method is used mainly for small machines. An example of coating a core with epoxy resin is shown in Figure 3.
The reduction of existing exposures is also achieved by vacuum impregnation. As a result of using an appropriate technology and the right mixture of impregnation varnish ingredients, it is possible to guarantee very good heat dissipation from the motor and greater resistance to shocks, vibrations, chemicals, water, dust and other external factors, as shown in Figure 4.

1.3. Insulation Aging Phenomenon

During many years of operation of electrical machines, it is important to monitor the process of insulation aging. Proper assessment of the degree of wear of the insulation of the windings of electrical machines is the basis for planning their repairs.
Each insulation system, turn-to-turn insulation and main insulation is characterized by a capacitance and resistance to the stator core and to other turns of this coil and this winding. In polarization methods for diagnosing winding insulation, electrical phenomena occurring in the capacitance and resistance of the insulation are used. During many years of operation, the insulation system of electrical machines is exposed, among others, to the surrounding environment, which causes the insulation system to age. The factors determining the aging of the insulation system are:
  • Temperature;
  • Mechanical vibrations;
  • Atmospheric environment.
The operating temperature of electric machine windings varies over a wide range. Large fluctuations in the temperature of windings lead to constant changes in their length resulting from the phenomenon of thermal expansion of solids. Changes in the length of windings caused by large and frequent temperature fluctuations expose the insulation to a significant reduction in its service life. The aging of insulation under the influence of an alternating electric field develops as a result of two overlapping phenomena: the alternating polarization of the dielectric, causing the formation of losses in the insulation (which is greater the greater the dielectric loss factor) and incomplete discharges. Incomplete discharges occur in gaseous inclusions inside the dielectric and between the insulation surface and the walls of the machine grooves, as well as on the insulation surface of the winding facing the metal parts of the machine. These discharges lead to high local temperatures, combined with the formation of chemical compounds that destroy the insulation. The above phenomena affect the insulation temperature, and both lead to irreversible changes in the structure of the dielectric, especially when it is accompanied by vibrations, moisture and gases contained in the air, e.g., ozone. The insulation parameters deteriorate. New, modern insulation systems, especially those made using the VPI technology, have very good insulation parameters. The dielectric strength changes slowly during the operation of the machine. However, this insulation also ages and changes its parameters. This is influenced by [3,4,6,7,8,9,13,16,17,18,19,20]:
  • Electrical exposure;
  • Thermal exposure;
  • Mechanical exposure;
  • Thermomechanical exposure;
  • Environmental exposure.

1.3.1. Electrical Exposure

The electric field is the main source of continuous electrical exposure to the insulation system [13]. The dielectric strength of new insulation systems is usually not less than five times than of the rated voltage. Therefore, it is possible to rule out the possibility of an electric breakdown mechanism occurring only under the influence of operating voltages. At the operating voltage, the action of the electric field may also manifest itself in the ionization of the gases contained in the gaps of the layered system. The effect of partial discharges in the gap on the change of the structure of the insulating system is a complex phenomenon. It is related to the energy released pointwise causing local overheating of the insulation system. In the case of local partial discharges, very active ozone O3 and nitrogen oxides are formed [13]. Mica is the most resistant to partial discharges. Papers, pressboard, oilcloth and electro-insulating varnishes have low resistance. Obviously, the effect of partial discharges must be taken into account when electrical machines are designed and constructed. Prolonged exposure to high intensity of partial discharges can lead to the deep erosion of insulating materials and the reduction of dielectric strength [4,12]. Therefore, discharge-resistant materials, such as mica and mica products, are used in the insulation systems of electrical machines [9,10,16]. The possibility of gaps in the insulation is limited by the use of an appropriate manufacturing technology. Based on tests of actual insulation systems, it has been shown that partial discharges at operating voltage do not cause changes in the structure that would significantly reduce the dielectric strength. Therefore, the isolation technology does not exclude the existence of gas gaps in the insulating system. A complete elimination of the gaps is difficult to achieve and increases production costs. A high electrical exposure to winding insulation also occurs in machines supplied from inverters [4,12,21,22]. Switching overvoltage is also dangerous. This occurs in transient states when switching electrical machines on and off, in particular when using high-speed vacuum circuit breakers. When discussing the exposures caused by the action of electric fields, the risks that arise during withstand voltage tests cannot be ignored. According to the applicable standards, any new electric machine supplied with a rated voltage of 6 kV and above must be tested both to the frame and between the phases with an industrial frequency and RMS value of test voltage UPR = (2UN + 1000) V for 1 min. It is a safety test and therefore is obligatory. This test should not be repeated. In some operating manuals of electrical machines, it is recommended to carry out this test after a longer standstill, renovation and general inspection, but using a reduced voltage. This test has a negative effect on the durability of the insulation.

1.3.2. Thermal Exposure

The heat is released during normal operation inside the electric machine as a result of losses, which determines the temperature distribution [20]. On the basis of thermal calculations, materials and technologies for the execution of insulation systems are selected [2,8]. High winding temperature affects insulation materials. When the working conditions are unfavorable, it causes permanent changes in the structure of the material, such as:
  • Dielectric loss;
  • Permittivity;
  • Dielectric strength;
  • Carbonization of the insulation at very high temperatures;
  • Changes in mechanical properties, in many cases irreversible, especially when the impregnating varnish dries (evaporates) or hardens. This changes the strength properties, cracks occur and the insulation delaminates.
When the permissible temperature is exceeded for a short time, gas bubbles and ruptures will form. The deformation caused by the action of mechanical forces (different temperature coefficients for insulation and copper, changes in linear dimensions) and mechanical loads increases. Increased temperature accelerates the phenomena of oxidation, thermal breakdown and surface discharges. This is the result of a change in electrical permittivity, depolymerization and dissociation of synthetic resins, and the release of active chemicals. All these phenomena lead to a deterioration of the properties of the insulation system over time and, consequently, to a reduction of the breakdown voltage.

1.3.3. Mechanical Exposure

The reason for the mechanical exposure of the insulation system is electrodynamic forces and, in rotor winding, centrifugal forces [20]. These activities are manifested primarily in transitional states. The maximum value of the current determines the value of the electrodynamic forces. The significant exposures occuring in the area of the winding ends during the operation of short-circuit currents. As the machine’s rated power increases, the value of the short-circuit currents also increases. Since the voltage and the reactance of the winding also depend on the rated power, the electrodynamic forces depending on the square of the surge current are approximately proportional to the power.
For insulation systems, the most dangerous are bending stresses occurring in the end winding area, causing their permanent deformation and damage in the end extension area where bars exits from the slots [16]. The effects of these exposures are cumulative. Destructive changes in the winding’s copper and in the insulation system increase as a function of the number of exposures. Fatigue phenomena occur, leading to cracks in the copper and in the winding insulation as well. Serious damage to the fastening structures of the end winding area and cracks in the bandages on rotors windings surface also occur. The circumferential forces also act on the slot insulation. These are the forces of inertia depending on the mass of the bars and the acceleration of the rotor, increased by the electrodynamic forces resulting from the interaction of the current and the radial component of the magnetic field in the slots. The consequence of the magnetic core packing is uneven side surfaces of the slots. The occurrence of these forces causes permanent dents in the insulation in the core assembly. Such dents are visible on almost every disassembled winding. The deformations damage the outer surface of the insulation, which reduces its dielectric strength to breakdown.

1.3.4. Thermomechanical Exposures

Thermomechanical exposures are of particular importance during the operation of electrical machines and are often the cause of the most serious changes in the insulation system. These exposures lead to dangerous delamination, cracks and other deformations of the insulating system, which reduce its electrical strength. This is mainly due to the movements of the windings in relation to the stator and rotor cores as a result of cyclical temperature changes [8,19]. With different thermal expansion coefficients of the copper windings and core, temperature differences and different thermal time constants of the copper windings and cores, dilatation movements arise, causing the windings to shift in the slots. This causes damage to the slot insulation.

1.3.5. Environmental Exposure

Environmental exposures are defined as a set of factors occurring in the surroundings of an electric machine. Factors influencing the deterioration of the insulation system are:
  • Moisture in the windings;
  • Ambient humidity;
  • High ambient temperature [19];
  • High pressure [19,23];
  • Leakage and penetration of oil from bearings or gears;
  • Exposure to chemical agents related to the location [20];
  • Presence of filings in the coolant;
  • Dust and powder;
  • Exposure to radiation.
The above factors, both individually and collectively, affect the condition of the machine’s insulation system.

2. Review of Diagnostic Methods of Electrical Machine Insulation Systems—Main Insulation

In order to prevent and minimize the consequences of failures of strategic electrical machines in many industries, diagnostic tests of the winding insulation system are performed during the periods of inspections and repairs. It is one of the key elements of the operational reliability of these machines. The scrupulous performance of diagnostic tests at specified intervals allows us to estimate the degree of degradation of winding insulation. Therefore, the duration of trouble-free operation can be determined and assessed. Actions in this area prevent expenses related to costly breakdowns, downtime of the drive system and other cases resulting from dangerous insulation damage. The insulating systems of the windings of electric machines operate in very difficult conditions. They are exposed to high temperatures, mechanical forces and the electromagnetic field. The reliability of their work is therefore dependent on the degradation processes of the insulation system that it undergoes during operation. It can be seen that damage to insulation systems most often occurs in high-voltage machines. In the case of low-voltage machines, this problem practically does not occur. For this reason, tests of this type are mainly carried out on high-voltage machines. Most often they aim to define diagnostic indicators describing the degree of insulation degradation.
The diagnostics of insulation systems of electrical machines is mainly based on:
  • DC polarization methods;
  • Partial discharge method;
  • The method of determining the loss of the insulation system tgδ.
The diagnostic methods that will be presented in this review relate to the study of main isolation. Assuming that the winding insulation system “ages” evenly, the diagnostics of the main insulation system is sufficient. The results of diagnostic tests make it possible to determine the criteria parameters for the assessment of the technical condition of the insulation. These criteria allow us to predict the duration of further reliable operation of the machine (for subsequent tests) and to plan the repair or replacement of the machine.
The basic measurement that should be performed before starting any repair work is to determine the insulation resistance (IR) [7,24]. The insulation resistance determines the insulation between the winding and the core and housing of the electrical machine. This type of test can be used on most motors. It is ideal for detecting insulation damage or assembly errors [25]. The method uses DC voltage for measurement. It is simple to implement. It allows us to quickly and easily visualize the general condition of the winding insulation system. The measurement of insulation resistance in IR mode is automatically terminated after the programmed time. As standard, this measurement is performed after 60 s. Depending on the value of the rated voltage of the tested machine, the insulation resistance measurement is performed at a different value of the test voltage. The values are presented in Table 1 [7,26,27].
The values of the insulation resistance in relation to the condition of the insulation system are presented in Table 2 [7].

2.1. Determination of the Absorption Coefficient DAR

When performing insulation resistance measurements, one observes an increase in its value as time passes, counting from the moment the test voltage is applied. Measuring the insulation resistance after 15 s and 60 s, respectively, from the moment the test voltage is applied, the absorption coefficient DAR is determined. The DAR absorption coefficient is defined as the ratio of the insulation resistance measured after 60 s from the moment of starting the R60 measurements to the resistance measured after 15 s, R15 [25]. The dependence of the absorption coefficient on the condition of the insulation system is presented in Table 3.
DAR = R 60 R 15
The measurement of the absorption coefficient is one of the simplest measurements for quickly assessing the overall condition of an insulation system. To determine whether an insulation system is dry, wet, clean or dirty, an absorption coefficient must be determined. This allows us to make the right decision in relation to the performance of further activities related to the overhaul of the machine. If the stator is dirty and wet, it must be washed and dried. During the drying process, the insulation resistance of the windings should be checked.

2.2. Determination of the Polarization Index PI

The polarization index (PI) is defined as the ratio of the insulation resistance measured after 10 min. R600 to resistance is measured after 1 min, R60 [25,26]. This is one of the several tests included in the Megger test.
PI = R 600 R 60
The polarization index can be considered positive if the obtained values meet the criteria set out in Table 4. This table shows that the minimum recommended value of the PI index should be at least 2.0. Electrical machines for which the PI index value < 2.0 are rarely suitable for further operation. However, Table 5 contains the minimum values of the PI polarization index for various insulation classes [26,27]. The PI values in Table 4 and Table 5 apply to both DC and AC electrical machines.

2.3. Determination of the Dielectric Discharge Factor DD

Unlike other measurement methods, the measurement of the DD parameter measures the current flowing in the insulating circuit during the discharge of the dielectric. It is a diagnostic test to assess the degree of insulation degradation caused by the aging of the material and the presence of gas inclusions in the insulation material. This is also one of several tests for the Megger test.
The measurement result depends on the discharge characteristics of the insulating system, so the state inside the dielectric is tested, regardless of surface contamination. In order for the insulation system to be properly diagnosed, the dielectric must first be charged for an appropriate period of time. The default and recommended charging time is 30 min. After this time, the insulating system should be fully charged and the dielectric polarized, so that the only current in the measuring circuit is the leakage current through the insulator. During discharge, the capacitive component of the current drops very quickly. This is the result of a relatively small discharge circuit time constant, on the order of a few seconds. The second component, which is the absorption current, decays much slower due to the much larger discharge time constant, reaching several minutes (Figure 5).
The default discharge time in DD mode is 1 min. After this time, the discharge current and the capacity of the insulation system should be measured. Based on the knowledge of the test voltage used in the measurements, the value of the parameter DD is calculated from the dependence:
DD = I 1 min U C ,
where:
I1min—current value [mA] measured after 1 min. from the start of discharging the insulation,
U—test voltage [V],
C—capacitance of the tested insulation system [F].
In multi-layer insulation systems, damage to one of the layers may not significantly reduce the value of the insulation resistance. Such a fault condition is usually not detectable in normal measurements of insulation resistance and during the determination of the DAR and PI coefficients. Only the measurement of the DD coefficient can reveal the flow of excessive absorption current, which may occur when one of the layers of the multilayer dielectric is damaged or contaminated. The time constant of this layer will be different from the time constant of the other layers. This will cause more current to flow than if the insulation was uniform (no damage). The dielectric discharge measurement criterion is presented in Table 6. The DD index depends on temperature, so in order to benchmark the results of the DD index, measurements should be made under similar temperature conditions.

2.4. Step Voltage Test SV

Measurement with a stepwise increasing voltage SV is based on the assumption that an insulation in good technical condition shows a constant insulation resistance regardless of the test voltage value, while an aged, dirty or damp insulation shows a lower resistance at higher voltage values. The SV test is normally performed as a five-step measurement over 5 min. The test voltage is increased every minute by one fifth of the final voltage value. Differences in insulation resistance greater than 25% are assumed to indicate the presence of contamination or moisture. The SV tests are part of the Megger test.

2.5. Measurement of the Dielectric Loss Factor tgδ

The quantity characterizing dielectrics is the tangent of the dielectric loss angle tgδ, i.e., the ratio of the intensity of the real component (IR) to the imaginary component (IC) of the electric current flowing through the dielectric in an alternating electric field (Figure 6) [9].
t g δ = I R I C .
This measurement can only be performed in a linear system. In the case of an isolation system, it is an RC two-terminal. The insulation system of a new machine, in most cases, in the voltage range from 0 to 2UN, meets this criterion. The tgδ factor may therefore be one of the criteria when comparing different new insulation systems with one another. To assess the technical condition of machines in operation, in particular when their insulation system is significantly worn, the measurement of tgδ as a criterion for assessing the degree of this wear is of little use. Such an insulation system very rarely meets the condition of linearity. The values of the dielectric loss factor tgδ are determined from measurements made, inter alia, with the Schering bridge, the diagram of which is shown in Figure 7.
t g δ = I R X I C X = 1 ω R x C x = ω C 4 R 4 .
In electric machines, the measurement of the dielectric loss factor tgδ is recommended for very large machines, i.e., with a rated power greater than 20 MVA. This measurement is performed at rated voltage, usually 6 kV or 10 kV, which allows us to increase the sensitivity of the measuring system, which is indicated by the vibrating galvanometer. When making measurements on new or rarely-used machines, the obtained results are satisfactory, while when performing measurements on machines with a significant degree of insulation wear, the Schering bridge cannot be brought to a state of equilibrium because the insulation system is usually non-linear and cannot be balanced. For this reason, this method is of little use in the observation of aging processes. The criterion for insulation of stator windings made with thermosetting technology by one of the manufacturers is as follows:
t g δ 0.2 U N 0.03 ,
( Δ t g δ / Δ t U ) max 0.3 % / kV .
On the other hand, the criterion of insulation of stator windings made with the VPI technology:
t g δ 0.2 U N 0.01 ,
( Δ t g δ / Δ t U ) max 0.6 % / kV .

2.6. Insulation Testing with Voltage Surges

Testing the insulation with voltage surges is used as a comparative method in the series production of motors (stators, rotors of commutator motors). This test is performed as an inter-operative activity. This method can detect damage, or even weakening, of both the coil and the main insulation, depending on where the voltage is applied. Insulation testing with voltage surges is also performed for diagnostic purposes [24].
The test is performed by applying the test voltage to the winding ends. This makes it possible to evaluate the coil insulation. By applying voltage between the winding and the magnetic core, the main insulation can be assessed. The shape and number of oscillations depend on the condition of the insulating system.
Specialized equipment for this purpose is also produced. It is based on connecting a charged capacitor to the winding. A rapidly increasing voltage surge of high value and significant energy appears on the winding. This voltage is excited in the circuit by a capacitor winding, the current of which, depending on the parameters of the circuit, is oscillatingly declining or aperiodically declining. The decay waveform is compared with the previously recorded waveform (for the good or new winding) and on this basis it is assessed to what extent the winding insulation has deteriorated. This method is ambiguous and different results can be obtained when measurements are performed with different equipment.
The method is based on the use of voltages that are much higher than during operation. During this test, an insulation defect that is invisible under rated conditions can be detected [24].

2.7. Insulation Testing with the High Voltage Ramp Method

The method consists of testing the current response of the electrical machine’s insulation system to voltage increase. The voltage increase can take place in steps of ΔU up to the value of 1.5 UN, or linearly with the appropriate slew rate. As a criterion for assessing the condition of the insulation, the absorption coefficient expressed by the formula is used:
K a = i 30 M i 30 C ,
where i30M—the measured value of the leakage current and i30C—the calculated value of the leakage current.
The absorption coefficient Ka for new and good quality insulation made on the basis of epoxy resins should be less than 2, while in the case of degraded insulation its values can reach Ka = 5–7.
For the voltage impulse method, a device has been developed that enables the generation of a voltage wave in the tested winding. On the screen of this device, the response of the RLC system, winding to the excitation by such a surge is observed. The method of generating a voltage wave in such devices has a huge impact on the obtained test results—the voltage is applied to the tested winding from a charged capacitor.

2.8. Multiple Criteria Method of Direct Current (WMPS)

Testing the insulation system of windings of electric machines with DC voltage is the simplest method of assessing the technical condition of insulation. The diagnosis of the DC isolation system consists of three tests:
  • Determination of the characteristic R60 = f(U), if possible in the voltage range from zero to 2UN;
  • Measurement of the time course of the leakage current ip = f(t) after step-by-step switching on the fully discharged insulation system, of direct voltage with a rated value of Uo = UN or higher;
  • Charging the insulation system to the voltage UoUN (to the steady state), then disconnecting the supply voltage and shorting the insulation system for time tz then opening the insulation system and measuring the voltage recovery process on the insulation system Uod = f(t).
The first two tests are commonly used in periodic insulation tests, as they are recommended in the operating manuals of electrical machines. However, the scope of these tests is usually limited to one voltage value of 2500 V, 1000 V or 500 V. In the recommended diagnostic test program, the scope of these tests is extended to determine the characteristic R60 = f(U), if it is possible to 2UN and the determination of ip = f(t) at UN.
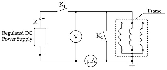
The third test is the most important for diagnosing the technical condition of insulation and assessing its wear. The tests are carried out in the measuring system shown in Figure 8. The basic element of this system is a DC power supply Z with a value adjustable in the range from zero to 2UN, a microammeter, an electrostatic voltmeter and the K1 and K2 switches that allow us to perform individual tests.
It is very important that the insulation resistance of the switches and the internal resistance of the voltmeters do not affect the measurement results. If this is the case, it is better not to install the switches, and to perform the switching operations manually in an insulating glove.
Based on many years of experience and several thousand tested machines of various sizes and with various levels of insulation wear, criteria for assessing the technical condition of winding insulation (Table 7) were developed, which were classified on a scale from 5 to 0 (Table 8).
The criteria given in Table 7 were appreciated by the personnel responsible for the reliable operation of electrical machines, as they allow the forecast of their reliable operation and the planning of repairs and the replacement of machines.
Figure 9, Figure 10, Figure 11 and Figure 12 show a graphic interpretation of the insulation technical condition assessment criteria for a machine with a very good insulation system—grade 5.

2.9. On-Line Monitoring

The technical condition of the insulation system can also be determined by continuous monitoring of the electrical machine. For this purpose, the measurements of various physical quantities are used [24,28,29,30,31,32,33,34,35,36,37,38]:
  • Magnetic flux;
  • Temperature;
  • Stator current;
This method is usually preferred in industrial applications where the production process is continuous. The main advantage is that the machine does not have to be taken out of service. The technical condition is assessed on an ongoing basis during operation. Predictive maintenance is easier because the machine is constantly monitored. A failure in the initial phase can be detected immediately and remedial actions can be planned to avoid more serious downtime. The disadvantage is that online monitoring techniques often require the installation of additional equipment that should be fitted to each monitored machine. Compared to offline testing, some failures are more difficult or even impossible to detect. However, recently, many sensorless and non-invasive methods based on electrical signatures, such as current and voltage, have emerged. The monitoring algorithm is implemented in the apparatus located in the control center or even inside the motor control devices. The uses of various measurement methods for the online diagnostics of the insulation system are shown in Table 9 [24,28,29,30,31,32,33,34,35,36,37,38,39,40,41,42,43,44,45].

2.9.1. Temperature Monitoring

Continuous monitoring of the machine temperature and its trends can be used over time to determine the technical condition of the insulation system. The machine can be equipped with temperature sensors located in the winding faces and slots, core, bearing shields, etc. They can serve as a safety device and inform the personnel about the thermal condition of the machine. Even the detection of small abnormal temperature fluctuations can allow the detection of damage to the insulation system [24,28,29,30,38].

2.9.2. Determination of High-Frequency Impedance/Turn Capacitance

A system that uses high-frequency impedance determination is used to observe aging and thus deterioration of the coil insulation condition. This is done by detecting even small changes in the turn capacitance of the winding.
A low-value, high-frequency signal is introduced into the winding. The frequency is selected close to the resonant frequency. This signal is measured at the machine with a magnetic probe. The phase change between the implemented and the measured signals is used as an indicator of the change in resonant frequency, i.e., turn capacitance. On the basis of cyclical measurements, the condition of the insulation system can be monitored [24,39].

2.9.3. Negative-Sequence Current Measurement

A turn-to-turn short circuit causes a negative sequence change in the stator current. This can be used as an indicator of the deterioration of the machine’s insulation system. The problem is that other factors contribute to the negative sequence change of the current, such as supply asymmetry, load changes, etc. [24,31].

2.9.4. Determination of Components of the Impedance Matrix

The basis for using the method is to determine the impedance matrix depending on the rotational speed for a healthy machine. The use of the designated matrix for other machines of the same type carries a high risk of error, because the impedance matrix is strongly influenced by design imperfections and assembly differences. Damage to the coil insulation changes the capacitance of the insulation system, and thus changes the impedance. By comparing the impedance of the machine at a given rotational speed with the standard, it is possible to track changes in the insulation system. The method eliminates the influence of supply voltage fluctuations and slip [24,39,40].

2.9.5. Measurement of Zero Sequence Voltage

The method uses zero sequence voltage monitoring. In a machine in perfect condition, the zero sequence value is zero. If the condition of the turn insulation deteriorates, a zero sequence appears in the voltage. It is important to use filters that eliminate the indications coming from higher harmonics.
The method produces ambiguous results because the change of the zero sequence is also influenced by fluctuations in the supply voltage and the load. Access to the winding star point is required [24,41].

2.9.6. Measurement of the Leakage Flux

For a machine in perfect condition, the leakage flux should be zero. In fact, a machine is never that perfect because of imperfect workmanship. Thus, the dissipation flux for a machine in good technical condition has a low value. The occurrence of turn-to-turn short circuits changes this flux. Some of its frequency components are strongly dependent on the condition of the insulation system. Thus, they can be a marker for detecting insulation faults. The disadvantage of this method is that the best results are achieved when the machine is fully loaded. It is also necessary to install a measuring coil [24,28,32,33,34,37,38].

2.9.7. Stator Current Analysis

Turn-to-turn short circuits change some of the harmonics in the stator current. This can be used as an indicator of the deterioration of the machine’s insulation system. The problem is that other factors also contribute to the negative sequence change of the current, such as power unbalance and load changes. Information on which harmonics are responsible only for the damage to the insulation system is still imprecise [24,35,36,37,38].

2.9.8. Online Partial Discharge Measurement

The method based on the measurement of partial discharges can be used both online and offline. The disadvantage is the expensive equipment. This method is mainly used for testing high voltage machines. In low voltage machines, the discharge level is too low for the method to achieve good results. It is based on the detection of discharges that arise in the event of a failure of the insulation system.
Various sensors are used for this. Some have to be mounted inside the machine, which makes the method difficult to use. Optical sensors react to the light that accompanies the discharges. Gas sensors are used for ozone detection. There are also known approaches where a radio wave receiver is used to detect partial discharges [24,28,38,42,43,44,45].

3. Review of Diagnostic Methods of Electrical Machine Insulation Systems—Turn-To-Turn Insulation

As described in Section 1.2, the insulation system of the electric machine consists of main and turn-to-turn insulation. Electrical machine failure statistics show that the most common type of stator failure is short circuit between turns. It is also the most serious and fastest growing electrical short circuit caused by overheating the shorted turns. If the initial interturn short circuit is not detected and repaired in time, it can become a phase-to-phase or phase-to-ground fault, causing a serious machine failure.
Winding insulation tests are carried out for newly wound machine windings and for machines already in operation. Diagnostics of the turn-to-turn insulation should be preceded by tests of the main insulation. As in the case of the main insulation, the turn-to-turn insulation of an electric machine works in much more difficult conditions when supplied from power electronic converters than when supplied with a sinusoidal one. Over the years, a number of diagnostic methods have been developed to assess the condition of the machine turn-to-turn insulation. The most important of them are presented in Section 3.1, Section 3.2, Section 3.3, Section 3.4 and Section 3.5.

3.1. Winding Resistance Measurement

The measurement of the resistance of individual winding phases is the basic and the simplest obligatory method of checking the condition of the winding insulation of the machine during production, among others. Assuming that the electromagnetic circuit of a multi-phase electrical machine is symmetrical, any asymmetry in the resistance values of individual phases or the lack of stable measurements might mean that the turn-to-turn insulation might be damaged [46]. The disadvantage of the method is the ability to detect full galvanic short circuits between turns of the winding. An analogous method of detecting turn short-circuits in a winding is the measurement of the inductance or impedance of individual winding phases when supplied with alternating voltage [47,48].

3.2. Thermographic Research

An extension of the method described in Section 3.1 is the method based on the observation of the temperature distribution of the windings [49,50]. A short circuit between individual turns in a string or a short circuit between adjacent turns when the machine winding is supplied with direct current may manifest as a point increase of the temperature within the short-circuit, which can be easily observed using a thermal camera. The tests can be carried out by supplying each phase separately. It is important that the current must have the same value in each phase. Due to the necessity of access to the winding, these tests are usually performed for the stator with the removed rotor. Similar to the previous method, thermographic tests enable the detection of coil insulation defects only in the case of full galvanic short circuits. During this test, the appropriate current value should be selected and the winding temperature should be monitored. The occurrence of a short circuit may be manifested by high temperature at a given point and may be associated with the emission of smoke and sparking. The use of thermovision image processing algorithms enables the determination of potential interturn damage to the windings of the working machine, which was presented, among others, in reference [51].

3.3. Surge Test

The high-voltage surge test method is one of the most popular and most effective methods of assessing the condition of winding insulation in machines. This method consists of connecting a charged capacitor to the winding and recording the discharge current or voltage decay on the winding. It is a comparative method—the above-mentioned waveforms are recorded on individual winding phases and compared with each other. In the case of full symmetry of the windings and no insulation defects, the test results are identical voltage waveforms. Any anomaly in the winding insulation system is manifested by a change in the frequency and damping decrement of the decaying wave. Examples of voltage waveforms for healthy and damaged insulation are shown in Figure 13. The analysis of time waveforms allows us to make a quick and easy determination of the condition of turn-to-turn insulation. It enables damage detection between individual turns as well as winding strands. Importantly, the method detects both short circuits and deterioration of the insulation’s condition. This is due to the fact that, during the test, the tested winding is subjected to a voltage higher than the working voltage.

3.4. Braking of the DC-Current Method

Another method that is similar to the high-voltage pulse method is the DC-off method [1,51]. The research methodology consists of supplying the tested circuit with direct current of a value much lower than the rated current of the tested machine. Where possible, the windings for each phase are measured separately and, if this is not possible, measurements can be made on the windings connected to each other. The technical condition of the winding insulation is assessed on the basis of the recorded voltage generated at the winding terminals, from which the following quantities are compared:
  • Induced voltage frequency;
  • Induced voltage shape;
  • Logarithmic damping factor.
The results of the measurements make it possible to assess the technical condition of the turn-to-turn insulation and to detect turn short circuits in the winding.

3.5. Other Methods

In addition to the basic methods of detecting inter-turn faults in the windings of electric machines listed and described above, other equally interesting and effective methods have been developed over the years. These include, among others, a method based on measuring the magnetic field outside the stator yoke. The results presented in [52] show good performance in detecting the aforementioned damage in terms of both location and severity of damage. Due to the fact that the vast majority of electrical machines are powered by power electronic converters, on-line methods of turn-to-turn faults based on control algorithms [53,54] and using zero-sequence signal injection [55] have been developed. Methods based on artificial intelligence and genetic algorithms are also often used to assess the technical condition of the insulation [56,57,58].
Artificial neural networks are derived from neural systems occurring in living organisms. They emulate processes occurring in the nervous system. Research on living organisms gave rise to the development of neural network models and contributed to their use in technology. The parameters of an artificial neural network include the activation function, the threshold value and the weights of the corresponding inputs.
Among the most important stages that determine the correct operation of the network is its learning process. The process of learning a neural network involves the appropriate selection of parameters according to the accepted pattern.
Artificial neural networks used in technology have a multi-layer structure, in which the input layer, output layer and hidden layers can be distinguished [59]. The input layer contains the number of neurons corresponding to the number of input signals, while the output layer contains the number of neurons corresponding to the number of output signals. The hidden layer can contain any number of neurons. It is in this layer that signal processing is performed. The process of learning, created by the user, an artificial neural network itself is an iterative and multistage process and not infrequently time-consuming, requiring the development of mathematical models mapping the behavior of objects in different operating states (alternatively, real objects are used as a basis for learning to teach the artificial neural network).
The authors of the paper [57] focused on the diagnosis of stator short-circuits of an induction machine supplied from a three-phase network with a frequency of 50 Hz. The learning of the neural network was extended to the diagnosis of stator winding short-circuits in the presence of an asymmetrical supply voltage of the machine. The basis for learning the artificial neural network was the phase voltage and current signals of the induction machine. The efficiency of winding short circuit detection using ANFIS was determined to be 99%. On the other hand, the paper [60] presented the effectiveness of diagnosing short-circuit windings in the stator of an induction machine powered using an inverter. The basis for the development of the algorithm based on ANN was the measurements of the components of stator voltages and currents in x and y axes. The advantage of the presented method for diagnostic purposes is the use of signals from the inverter control system without the need for additional measurement sensors. The results obtained by the authors indicate a 99% efficiency in the diagnosis of short-circuiting, noting that the main task of ANN is only to indicate the symptoms that accompany short-circuiting in the machine.
In recent years, there has been a growing interest in the literature in the diagnosis of multilayer insulating systems using THZ time-domain spectroscopy. Using this method, it is possible, for example, to measure the material properties of the insulation (e.g., the complex electrical permeability of the dielectric). This approach is categorized as a non-invasive diagnostic method for insulating systems such as winding bars [61], used, for example, in synchronous generators, and used to assess the condition of insulation at the subsurface level.

4. Conclusions

Diagnostics of electrical machines is an important aspect of maintaining the operation of electric drives. Systematic diagnostic tests allow for continuous control of the condition of machines and appropriate responses in the event of deterioration of the technical condition. Winding failures are one of the main causes of the failure of electrical machines. Along with the development of power electronics and the increase in the frequency and speed of transistors switching, the insulation systems of electric machines windings are subjected to more and more difficult operating conditions. Therefore, it is crucial to develop better and more precise methods of winding insulation diagnostics—both main and turn-to-turn. The development of the field of machines and electric drives has contributed to the development of various diagnostic methods. Depending on the conditions and type of machine, different methods can be selected to determine the condition of the insulation.

Funding

This research received no external funding.

Data Availability Statement

Not applicable.

Conflicts of Interest

The authors declare no conflict of interest.

References

  1. Baranski, M.; Decner, A.; Polak, A. Selected Diagnostic Methods of Electrical Machines Operating in Industrial Conditions. IEEE Trans. Dielect. Electr. Insul. 2014, 21, 2047–2054. [Google Scholar] [CrossRef]
  2. Silwal, B.; Sergeant, P. Thermally Induced Mechanical Stress in the Stator Windings of Electrical Machines. Energies 2018, 11, 2113. [Google Scholar] [CrossRef]
  3. Rusu-Zagar, C.; Notingher, P.; Stancu, C. Ageing and Degradation of Electrical Machines Insulation. J. Int. Sci. Publ. Mater. Methods Technol. 2014, 8, 256–546. [Google Scholar]
  4. Danikas, M.G.; Karlis, A. A Review on Electrical Machines Insulation Aging and Its Relation to the Power Electronics Arrangements with Emphasis on Wind Turbine Generators. Renew. Sustain. Energy Rev. 2011, 15, 1748–1752. [Google Scholar] [CrossRef]
  5. Guedes, A.S.; Silva, S.M. Insulation Failures Prognosis in Electric Machines: Preventive Detection and Time to Failure Forecast. IET Electr. Power Appl. 2020, 14, 1108–1117. [Google Scholar] [CrossRef]
  6. Lahoud, N.; Faucher, J.; Malec, D.; Maussion, P. Electrical Aging of the Insulation of Low-Voltage Machines: Model Definition and Test with the Design of Experiments. IEEE Trans. Ind. Electron. 2013, 60, 4147–4155. [Google Scholar] [CrossRef]
  7. Selema, A.; Ibrahim, M.N.; Sergeant, P. Electrical Machines Winding Technology: Latest Advancements for Transportation Electrification. Machines 2022, 10, 563. [Google Scholar] [CrossRef]
  8. Yang, L.; Pauli, F.; Hameyer, K. Influence of Thermal-Mechanical Stress on the Insulation System of a Low Voltage Electrical Machine. Arch. Electr. Eng. Electr. Eng. 2020, 70, 233–244. [Google Scholar] [CrossRef]
  9. Elspass, L.; Schlegel, S.; Bärnklau, H. Comparison of Methods to Detect Thermomechanical Ageing of the Insulation System for Rotating High-Voltage Machines. In Proceedings of the 27th Nordic Insulation Symposium, Trondheim, Norway, 13–15 June 2022; Volume 27. [Google Scholar] [CrossRef]
  10. Barré, O.; Napame, B. The Insulation for Machines Having a High Lifespan Expectancy, Design, Tests and Acceptance Criteria Issues. Machines 2017, 5, 7. [Google Scholar] [CrossRef]
  11. Hemmati, R.; Wu, F.; El-Refaie, A. Survey of Insulation Systems in Electrical Machines. In Proceedings of the 2019 IEEE International Electric Machines & Drives Conference (IEMDC), San Diego, CA, USA, 12–15 May 2019; pp. 2069–2076. [Google Scholar]
  12. Florkowski, M.; Florkowska, B.; Zydron, P. Partial Discharges in Insulating Systems of Low Voltage Electric Motors Fed by Power Electronics—Twisted-Pair Samples Evaluation. Energies 2019, 12, 768. [Google Scholar] [CrossRef]
  13. Mayoux, C. Degradation of Insulating Materials under Electrical Stress. IEEE Trans. Dielect. Electr. Insul. 2000, 7, 590–601. [Google Scholar] [CrossRef]
  14. Available online: https://www.3m.com (accessed on 9 September 2022).
  15. Benevelli-Group. Available online: https://benevelli-group.com (accessed on 9 September 2022).
  16. Mitsui, H.; Yoshida, K.; Inoue, Y.; Kawahara, K. Mechanical Degradation of High Voltage Rotating Machine Insulation. IEEE Trans. Elect. Insul. 1981, EI-16, 351–359. [Google Scholar] [CrossRef]
  17. Munih, T.; Miljavec, D. A Method for Accelerated Ageing of Electric Machine Insulation. In Proceedings of the 16th International Conference on Mechatronics-Mechatronika 2014, Brno, Czech Republic, 3–5 December 2014; pp. 65–70. [Google Scholar]
  18. Kolcunova, I.; Hrinko, M.; Kurimsky, J. Short-Term Thermal Stress of High Voltage Coil. Prz. Elektrotechniczny 2013, 89, 16–19. [Google Scholar]
  19. Zhang, J.; Wang, R.; Fang, Y.; Lin, Y. Insulation Degradation Analysis Due to Thermo-Mechanical Stress in Deep-Sea Oil-Filled Motors. Energies 2022, 15, 3963. [Google Scholar] [CrossRef]
  20. Wood, J.W. Mechanical Stresses in Rotating Machines and Insulation Design Considerations. In Proceedings of the IEE Colloquium on the Mechanical Influence on Electrical Insulation Performance, London, UK, 28 February 1995; Volume 1995, p. 2. [Google Scholar]
  21. Mirza, A.Y.; Bazzi, A.; Nguyen, H.H.; Cao, Y. Motor Stator Insulation Stress Due to Multilevel Inverter Voltage Output Levels and Power Quality. Energies 2022, 15, 4091. [Google Scholar] [CrossRef]
  22. Xie, Y.; Zhang, J.; Leonardi, F.; Munoz, A.R.; Liang, F.; Degner, M.W. Modeling and Verification of Electrical Stress in Inverter-Driven Electric Machine Windings. In Proceedings of the 2018 IEEE Energy Conversion Congress and Exposition (ECCE), Portland, OR, USA, 23–27 September 2018; pp. 5742–5749. [Google Scholar]
  23. Wang, R.; Cai, L.; Zhang, J.; Huang, X.; Fang, Y. Coupled Thermo-Mechanical Stress Analysis of Insulation in Deep-Sea Oil-Filled Motors. In Proceedings of the 2021 IEEE 4th Student Conference on Electric Machines and Systems (SCEMS), Huzhou, China, 1 December 2021; pp. 1–6. [Google Scholar]
  24. Grubic, S.; Aller, J.M.; Lu, B.; Habetler, T.G. A Survey on Testing and Monitoring Methods for Stator Insulation Systems of Low-Voltage Induction Machines Focusing on Turn Insulation Problems. IEEE Trans. Ind. Electron. 2008, 55, 4127–4136. [Google Scholar] [CrossRef]
  25. Torkaman, H.; Karimi, F. Measurement Variations of Insulation Resistance/Polarization Index during Utilizing Time in HV Electrical Machines–A Survey. Measurement 2015, 59, 21–29. [Google Scholar] [CrossRef]
  26. IEEE Std 43-2000; Recommended Practice for Testing Insulation Resistance of Rotating Machinery. IEEE: Piscataway, NJ, USA, 2000.
  27. Gonzalez, E.A.; Petráš, I.; Ortigueira, M.D. Novel Polarization Index Evaluation Formula and Fractional-Order Dynamics in Electric Motor Insulation Resistance. Fract. Calc. Appl. Anal. 2018, 21, 613–627. [Google Scholar] [CrossRef]
  28. Stone, G.C. Advancements during the Past Quarter Century in On-Line Monitoring of Motor and Generator Winding Insulation. IEEE Trans. Dielect. Electr. Insul. 2002, 9, 746–751. [Google Scholar] [CrossRef]
  29. Lee, S.-B.; Habetler, T.G. An Online Stator Winding Resistance Estimation Technique for Temperature Monitoring of Line-Connected Induction Machines. IEEE Trans. Ind. Applicat. 2003, 39, 685–694. [Google Scholar] [CrossRef]
  30. Gao, Z.; Habetler, T.; Harley, R.; Colby, R. A Sensorless Adaptive Stator Winding Temperature Estimator for Mains-Fed Induction Machines with Continuous-Operation Periodic Duty Cycles. In Proceedings of the Conference Record of the 2006 IEEE Industry Applications Conference Forty-First IAS Annual Meeting, Tampa, FL, USA, 8–12 October 2006; Volume 1, pp. 448–455. [Google Scholar]
  31. Kliman, G.B.; Premerlani, W.J.; Koegl, R.A.; Hoeweler, D. A New Approach to On-Line Turn Fault Detection in AC Motors. In Proceedings of the IAS’96, Conference Record of the 1996 IEEE Industry Applications Conference Thirty-First IAS Annual Meeting, San Diego, CA, USA, 6–10 October 1996; Volume 1, pp. 687–693. [Google Scholar]
  32. Penman, J.; Sedding, H.G.; Lloyd, B.A.; Fink, W.T. Detection and Location of Interturn Short Circuits in the Stator Windings of Operating Motors. IEEE Trans. Energy Convers. 1994, 9, 652–658. [Google Scholar] [CrossRef]
  33. Assaf, T.; Henao, H.; Capolino, G.-A. Simplified Axial Flux Spectrum Method to Detect Incipient Stator Inter-Turn Short-Circuits in Induction Machine. In Proceedings of the 2004 IEEE International Symposium on Industrial Electronics, Ajaccio, France, 4–7 May 2004; Volume 2, pp. 815–819. [Google Scholar]
  34. Rodriguez, I.; Alves, R.; Guzman, V. Analysis of Air Gap Flux to Detect Induction Motor Faults. In Proceedings of the 41st International Universities Power Engineering Conference, Newcastle upon Tyne, UK, 6–8 September 2006; pp. 690–694. [Google Scholar]
  35. Joksimovic, G.M.; Penman, J. The Detection of Inter-Turn Short Circuits in the Stator Windings of Operating Motors. IEEE Trans. Ind. Electron. 2000, 47, 1078–1084. [Google Scholar] [CrossRef]
  36. Gentile, G.; Meo, S.; Ometto, A. Induction Motor Current Signature Analysis to Diagnostics, of Stator Short Circuits. In Proceedings of the 4th IEEE International Symposium on Diagnostics for Electric Machines, Power Electronics and Drives (SDEMPED 2003), Atlanta, GA, USA, 24–26 August 2003; pp. 47–51. [Google Scholar]
  37. Stavrou, A.; Sedding, H.G.; Penman, J. Current Monitoring for Detecting Inter-Turn Short Circuits in Induction Motors. IEEE Trans. Energy Convers. 2001, 16, 32–37. [Google Scholar] [CrossRef]
  38. Siddique, A.; Yadava, G.S.; Singh, B. A Review of Stator Fault Monitoring Techniques of Induction Motors. IEEE Trans. Energy Convers. 2005, 20, 106–114. [Google Scholar] [CrossRef]
  39. Werynski, P.; Roger, D.; Corton, R.; Brudny, J.F. Proposition of a New Method for In-Service Monitoring of the Aging of Stator Winding Insulation in AC Motors. IEEE Trans. Energy Convers. 2006, 21, 673–681. [Google Scholar] [CrossRef]
  40. Kohler, J.L.; Sottile, J.; Trutt, F.C. Condition Monitoring of Stator Windings in Induction Motors. I. Experimental Investigation of the Effective Negative-Sequence Impedance Detector. IEEE Trans. Ind. Applicat. 2002, 38, 1447–1453. [Google Scholar] [CrossRef]
  41. Cash, M.A.; Habetler, T.G.; Kliman, G.B. Insulation Failure Prediction in AC Machines Using Line-Neutral Voltages. IEEE Trans. Ind. Applicat. 1998, 34, 1234–1239. [Google Scholar] [CrossRef]
  42. Stone, G.C.; Lloyd, B.A.; Campbell, S.R.; Sedding, H.G. Development of Automatic, Continuous Partial Discharge Monitoring Systems to Detect Motor and Generator Partial Discharges. In Proceedings of the 1997 IEEE International Electric Machines and Drives Conference Record, Milwaukee, WI, USA, 18–21 May 1997; pp. MA2/3.1–MA2/3.3. [Google Scholar]
  43. Campbell, S.R.; Stone, G.C. Investigations into the Use of Temperature Detectors as Stator Winding Partial Discharge Detectors. In Proceedings of the Conference Record of the 2006 IEEE International Symposium on Electrical Insulation, Toronto, ON, Canada, 11–14 June 2006; pp. 369–375. [Google Scholar]
  44. Hayakawa, N.; Okubo, H. Partial Discharge Characteristics of Inverter-Fed Motor Coil Samples under Ac and Surge Voltage Conditions. IEEE Electr. Insul. Mag. 2005, 21, 5–10. [Google Scholar] [CrossRef]
  45. Okubo, H.; Hayakawa, N.; Montanari, G. Technical Development on Partial Discharge Measurement and Electrical Insulation Techniques for Low Voltage Motors Driven by Voltage Inverters. IEEE Trans. Dielect. Electr. Insul. 2007, 14, 1516–1530. [Google Scholar] [CrossRef]
  46. Qi, P.; Li, Y.; Ma, M.; Wu, Y. Diagnosis of Inter-turn Short Circuit in Excitation Winding of Pumped Storage Unit Based on Frequency-resolved Circulation Spectrum. IET Electr. Power Appl. 2022. [Google Scholar] [CrossRef]
  47. Baker WinAST Electric Motor Quality Control System; Megger Baker Instruments: Fort Collins, CO, USA, 2019.
  48. Guide to Low Voltage Motor Testing; Megger Limited: Dover, UK, 2019.
  49. Baranski, M. PM Electrical Machines Diagnostic—Methods Selected. Prz. Elektrotechniczny 2014, 8, 1283–1288. [Google Scholar]
  50. Baranski, M.; Polak, A. Thermal Diagnostic in Electrical Machines. Prz. Elektrotechniczny 2014, 33, 2097. [Google Scholar]
  51. Decner, A.; Polak, A. Diagnostic Tests of Turn-to-Turn Insulation. In Proceedings of the The XIX International Conference on Electrical Machines ICEM 2010, Rome, Italy, 6–8 September 2010; pp. 1–3. [Google Scholar]
  52. Liu, X.; Miao, W.; Xu, Q.; Cao, L.; Liu, C.; Pong, P.W.T. Inter-Turn Short-Circuit Fault Detection Approach for Permanent Magnet Synchronous Machines Through Stray Magnetic Field Sensing. IEEE Sens. J. 2019, 19, 7884–7895. [Google Scholar] [CrossRef]
  53. Cruz, S.M.A.; Cardoso, A.J.M. Diagnosis of Stator Inter-Turn Short Circuits in DTC Induction Motor Drives. IEEE Trans. Ind. Applicat. 2004, 40, 1349–1360. [Google Scholar] [CrossRef]
  54. Tallam, R.M.; Habetler, T.G.; Harley, R.G. Stator Winding Turn-Fault Detection for Closed-Loop Induction Motor Drives. IEEE Trans. Ind. Applicat. 2003, 39, 720–724. [Google Scholar] [CrossRef]
  55. Otero, M.; Barrera, P.M.; Bossio, G.R.; Leidhold, R. Stator Inter-turn Faults Diagnosis in Induction Motors Using Zero-sequence Signal Injection. IET Electr. Power Appl. 2020, 14, 2731–2738. [Google Scholar] [CrossRef]
  56. Nyanteh, Y.D. Application of Artificial Intelligence to Rotating Machine Condition Monitoring. Ph.D. Thesis, The Florida State University, Tallahassee, FL, USA, 2013. [Google Scholar]
  57. Ahmed, S.M.; Abu-Rub, H.; Refaat, S.; Iqbal, A. Diagnosis of Stator Turn-to-Turn Fault and Stator Voltage Unbalance Fault Using ANFIS. Int. J. Electr. Comput. Eng. 2013, 3, 129–135. [Google Scholar] [CrossRef]
  58. Devi, N.R.; Siva Sarma, D.V.S.S.; Ramana Rao, P.V. Diagnosis and Classification of Stator Winding Insulation Faults on a Three-Phase Induction Motor Using Wavelet and MNN. IEEE Trans. Dielect. Electr. Insul. 2016, 23, 2543–2555. [Google Scholar] [CrossRef]
  59. Imoru, O.; Nelwamondo, F.V.; Jimoh, A.; Ayodele, T.R. A Neural Network Approach to Detect Winding Faults in Electrical Machine. Int. J. Emerg. Electr. Power Syst. 2021, 22, 31–41. [Google Scholar] [CrossRef]
  60. Skowron, M.; Wolkiewicz, M.; Tarchała, G. Stator Winding Fault Diagnosis of Induction Motor Operating under the Field-Oriented Control with Convolutional Neural Networks. Bull. Pol. Acad. Sci. 2020, 68, 1039–1048. [Google Scholar] [CrossRef]
  61. Cimino, A.; Jenau, F.; Staubach, C.; Mashkin, A.; Pohlmann, F. Analysis of Fault Detection in the Electrical Insulation System of Rotating Machines. In Proceedings of the 2018 International Conference on Diagnostics in Electrical Engineering (Diagnostika), Pilsen, Czech Republic, 4–7 September 2018; pp. 1–4. [Google Scholar]
Figure 1. Graph of the technical condition of a machine during its operation.
Figure 1. Graph of the technical condition of a machine during its operation.
Energies 15 08465 g001
Figure 2. Cross-section of a slot of an electric motor with a double-layer winding.
Figure 2. Cross-section of a slot of an electric motor with a double-layer winding.
Energies 15 08465 g002
Figure 3. An example of coating a core with epoxy resin [14].
Figure 3. An example of coating a core with epoxy resin [14].
Energies 15 08465 g003
Figure 4. The winding ends sealed with epoxy resin [15].
Figure 4. The winding ends sealed with epoxy resin [15].
Energies 15 08465 g004
Figure 5. Currents in the insulating system during the discharge of the dielectric.
Figure 5. Currents in the insulating system during the discharge of the dielectric.
Energies 15 08465 g005
Figure 6. Dielectric loss factor tgδ.
Figure 6. Dielectric loss factor tgδ.
Energies 15 08465 g006
Figure 7. Schering Bridge.
Figure 7. Schering Bridge.
Energies 15 08465 g007
Figure 8. Scheme of the measuring system for the WMPS method.
Figure 8. Scheme of the measuring system for the WMPS method.
Energies 15 08465 g008
Figure 9. Characteristic UP = f(U).
Figure 9. Characteristic UP = f(U).
Energies 15 08465 g009
Figure 10. Characteristic R60 = f(U).
Figure 10. Characteristic R60 = f(U).
Energies 15 08465 g010
Figure 11. Characteristic iP = f(t).
Figure 11. Characteristic iP = f(t).
Energies 15 08465 g011
Figure 12. Characteristic Uod/U0 = f(t).
Figure 12. Characteristic Uod/U0 = f(t).
Energies 15 08465 g012
Figure 13. Example of surge test results.
Figure 13. Example of surge test results.
Energies 15 08465 g013
Table 1. Values of test voltages during the measurement IR.
Table 1. Values of test voltages during the measurement IR.
Rated Voltage [V]Test Voltage [V]
<1000500
1000–2500500–1000
2501–50001000–2500
5001–12,0002500–5000
>12,0005000–10,000
Table 2. Influence of the IR insulation resistance on the condition of the insulation system.
Table 2. Influence of the IR insulation resistance on the condition of the insulation system.
IR [MΩ]The Condition of the Insulation
≤2Bad
2–5Critical
5–10Incorrect
10–50Good
50–100Very good
Table 3. Dependence of the absorption coefficient DAR on the condition of the insulation system.
Table 3. Dependence of the absorption coefficient DAR on the condition of the insulation system.
DARThe Condition of the Insulation
<1.25Incorrect
1.25–1.6Good
>1.6Very good
Table 4. Dependence of the polarization index on the condition of the insulation system.
Table 4. Dependence of the polarization index on the condition of the insulation system.
PIThe Condition of the Insulation
1.0–2.0Incorrect
2.0–4.0Good
>4.0Very good
Table 5. Insulation classes and the minimum PI value.
Table 5. Insulation classes and the minimum PI value.
PIInsulation Class
1.5A
2.0B
2.0F
2.0H
Table 6. The criterion for the evaluation of the dielectric discharge measurement.
Table 6. The criterion for the evaluation of the dielectric discharge measurement.
DDThe Condition of the Insulation
>7Bad
4–7Doubtful
2–4Good
<2Very good
Table 7. Criteria for the assessment of the technical condition of insulation on the basis of the WMPS method.
Table 7. Criteria for the assessment of the technical condition of insulation on the basis of the WMPS method.
Insulation System ParameterAssessment of the Technical Condition of the Insulation
543210
Breakdown voltage UP/UN>3>3>2~1.5~1~1
Resistance R60/UN (kΩ/V)UN ≥ 6 kV>50>20>10>10>10<3
UN < 6 kV>50>20>10>3>1<1
Short circuit time tz (s)UN ≥ 6 kV303030110
UN < 6 kV101010100
Maximum value of the recovery voltage
Uodmax/U0
>0.1≥0.1≥0.05≥0.0100
Recovery time tod (s)UN ≥ 6 kV>240>120>30~1000
UN < 6 kV>120>60>15~500
Leakage current fluctuations at UN i p 60 max i p 60 min i p 60 av <0.5<1>1>1>20
Absorption coefficient iP15/iP60UN ≥ 6 kV>1.5>1.2>1111
UN < 6 kV>1.3>1.1>1111
Table 8. Score assessment in the WMPS method.
Table 8. Score assessment in the WMPS method.
AssessmentThe Condition of the Insulation
0Damaged
1Inadequate
2Less than adequate
3Sufficient
4Good
5Very good
Table 9. Online diagnostic methods of the insulation system.
Table 9. Online diagnostic methods of the insulation system.
MethodApplicationAttributes
Temperature monitoringDetection of damage to the main insulation and turn-to-turn insulation(−) invasive method—requires the installation of a temperature sensor,
(−) requires additional information, e.g., ambient temperature.
Measurement of high-frequency impedance/coil insulation capacitanceDetection of damage to the turn-to-turn insulation(−) invasive method,
(−) not very popular.
Negative-sequence current measurementDetection of damage to the turn-to-turn insulation(+) non-invasive method,
(−) the lack of specific criteria complicates the assessment.
Determination of components of the impedance matrixDetection of damage to the turn-to-turn insulation(+) non-invasive method,
(−) the lack of specific criteria complicates the assessment.
Measurement of zero sequence voltageDetection of damage to the turn-to-turn insulation(+) non-invasive method,
(−) the lack of specific criteria complicates the assessment.
Measurement of the leakage fluxDetection of damage to the turn-to-turn insulation(−) invasive method,
(−) the results depend on the level of load.
Stator current analysisDetection of damage to the turn-to-turn insulation(+) non-invasive method,
(−) requires further research to confirm the results.
Online partial discharge measurementDetection of damage to the main insulation and turn-to-turn insulation(−) requires the installation of additional equipment,
(−) not used in low voltage machines,
(−) difficult interpretation of results,
(+) good results in practice.
OzoneDetection of damage to the main insulation and turn-to-turn insulation(−) invasive method
Publisher’s Note: MDPI stays neutral with regard to jurisdictional claims in published maps and institutional affiliations.

Share and Cite

MDPI and ACS Style

Decner, A.; Baranski, M.; Jarek, T.; Berhausen, S. Methods of Diagnosing the Insulation of Electric Machines Windings. Energies 2022, 15, 8465. https://doi.org/10.3390/en15228465

AMA Style

Decner A, Baranski M, Jarek T, Berhausen S. Methods of Diagnosing the Insulation of Electric Machines Windings. Energies. 2022; 15(22):8465. https://doi.org/10.3390/en15228465

Chicago/Turabian Style

Decner, Adam, Marcin Baranski, Tomasz Jarek, and Sebastian Berhausen. 2022. "Methods of Diagnosing the Insulation of Electric Machines Windings" Energies 15, no. 22: 8465. https://doi.org/10.3390/en15228465

APA Style

Decner, A., Baranski, M., Jarek, T., & Berhausen, S. (2022). Methods of Diagnosing the Insulation of Electric Machines Windings. Energies, 15(22), 8465. https://doi.org/10.3390/en15228465

Note that from the first issue of 2016, this journal uses article numbers instead of page numbers. See further details here.

Article Metrics

Back to TopTop