Next Article in Journal
A Particle Swarm Optimization Technique Tuned TID Controller for Frequency and Voltage Regulation with Penetration of Electric Vehicles and Distributed Generations
Previous Article in Journal
Sustainable Buildings: Heating, Ventilation, and Air-Conditioning
 
 
Font Type:
Arial Georgia Verdana
Font Size:
Aa Aa Aa
Line Spacing:
Column Width:
Background:
Article

Coupled Model and Node Importance Evaluation of Electric Power Cyber-Physical Systems Considering Carbon Power Flow

1
Information and Communication Company, State Grid Liaoning Electric Power Co., Ltd., Shenyang 110006, China
2
Research Institute, State Grid Liaoning Electric Power Co., Ltd., Shenyang 110000, China
3
Beijing Energy and Power Information Security Engineering Technology Research Center, North China Electric Power University, Changping District, Beijing 102206, China
*
Author to whom correspondence should be addressed.
Energies 2022, 15(21), 8223; https://doi.org/10.3390/en15218223
Submission received: 9 October 2022 / Revised: 30 October 2022 / Accepted: 1 November 2022 / Published: 3 November 2022

Abstract

To improve the distributed carbon emission optimization control capability of the smart distribution network system, thereby reducing the carbon emissions in the distribution process, it is a very important issue to comprehensively analyze the importance of the node carbon emission flow of the smart distribution network. This paper transforms the power grid into a carbon emission flow network through power flow calculations: Based on the complex network theory, it determines the coupling scale of the two networks by means of the correlation coefficient method and the correlation matrix method, and establishes a coupling network model based on the carbon emission flow network; Combining the different business characteristics of carbon emission flow and information flow, an evaluation index system considering the dual-network coupling scale is established, and a multi-indicator comprehensive evaluation method that combines the Topsis and grey relational analysis method, that can objectively evaluate indicators that contain subjective components was proposed; The obtained node importance values can be used to determine the relative key line, greater sum node importance values represent a greater carbon emission impact of the line, providing a sequential basis for the carbon reduction and restructuring of the distribution network; Taking the 3-machine 9-node system as an example, the carbon flow distribution in the corresponding network is calculated, and the comprehensive importance value of the coupling node is calculated to analyze the rationality of this method.

1. Introduction

Due to a worldwide energy shortage and the greenhouse effect, reducing CO 2 emissions and developing a low carbon economy has become inevitable [1,2]. As one of the main sources of carbon emissions, the energy industry, especially the electric power industry, which accounts for a major part of total carbon emissions resulting from fossil fuel combustion, urgently needs to take the lead in steps to reduce carbon emissions [3,4,5]. However, as a complex network mainly composed of the power grid and the power communication network, the distribution network involves electricity consumption problems of many people and needs to be systematically transformed to reduce carbon emissions step by step.
Due to the temporal and spatial asynchrony of carbon emission flow in the whole “generating-transmission-distribution-use”, the distribution and electricity consumption sides determine the flow of the entire carbon emissions [6]. In the smart distribution network system, carbon emission flow, energy flow, and information flow are coupled with each other [7]. As an important energy scheduling and conversion device node in the smart distribution network system, the energy router plays a very important role in the transfer of carbon emission flow in the entire network [8]. Therefore, it is a very important issue to comprehensively analyze the importance of the node carbon emission flow of the smart distribution network to improve the distributed carbon emission optimization control capability of the smart distribution network system [9].
At present, most of the worldwide power energy networks are mainly focused on the modeling and importance assessment of a single network of the power grid or the power communication network, and less analysis is carried out from the perspective of information energy coupling, even though there are fewer problems related to carbon emission flow [10,11]. To complement the lack of research in this area, it is necessary to start with the analysis and statistics of carbon emission flows and the node importance assessment mechanism of the coupled system.
In terms of carbon emission flow, the calculation of carbon emissions in the power system mainly includes macro statistics [12] and carbon flow analysis [13,14]. The macro statistics method is based on total energy consumption, but it is impossible to track the specific flow of carbon emissions, which is not conducive to the division and determination of carbon emission responsibilities. The carbon flow analysis method is usually combined with the power flow analysis to achieve accurate tracking and positioning of the specific flow direction of carbon emissions by introducing the concepts of node carbon potential, carbon flow rate, carbon emission intensity, etc., and the emissions of power plants are fairly distributed to each node load and each branch power [15,16,17,18].
In terms of node importance assessment of coupled network architectures, many scholars have proposed assessment methods to assess the importance of power grid nodes based on complex network theory, fuzzy theory, and the evaluation matrix method to determine the core backbone network frame [19,20,21,22,23]. For power communication networks, the literature [24] gives a calculation method for the business importance of power communication network nodes based on the difference in power service performance. Combining the literature [25] with the topology of the communication network, the analytic hierarchy process is used to construct an index system for identifying the key nodes of the power communication network. The above studies are aimed at the power grid and the power communication network, but none of them is combined to analyze the node importance of the coupled network, neglecting the coupling relationship between the power grid and the power communication network in terms of topology and service characteristics. In [26], the coupling network model is based on the energy router as a node, but the evaluation method is more biased towards the information flow and more subjective. In [27], by analyzing the cascade faults and failure processes of the cyber-physical systems, the importance of power network nodes coupled with information energy can be evaluated to a certain extent, but the complex service characteristics of power communication networks are ignored.
Therefore, this paper will calculate the carbon emissions of the entire power grid through the power flow calculation, thereby transforming the power grid into a carbon emission flow network. Based on the complex network theory, it will study the similarities and differences in the network topology and business relationship between the power grid and the power communication network, and determine the coupling scale of the two networks utilizing the correlation coefficient method and the correlation matrix method, and establish a coupling network model based on the carbon emission flow network. The corresponding importance values are, respectively, determined according to the carbon emission flow and information flow business through an objective empowerment method that combines the Topsis and grey relational analysis method, objectively evaluating indicators that contain subjective components, and the coupling scale is used to adjust the ratio of the carbon emission flow importance to the information flow importance. The obtained node importance values can be used to determine the relative key line, providing a sequential basis for the carbon reduction and restructuring of the distribution network. Finally, taking the 3-machine 9-node system as an example, the carbon flow distribution in the corresponding network is calculated, and the importance value of the coupling node is calculated to analyze its rationality.

2. Coupling Architecture Analysis of Distribution Network

2.1. Dual-Network Coupling Model

The smart distribution network system is a complex physical system deeply coupled with information and energy, and it is also a new stage in the development of the energy internet and a new form of application. The smart distribution network is mainly composed of the power grid and the power communication network, of which the power communication network is a dedicated communication network that provides production, control, and management communication services for the power system, and its power supply comes from the power grid. To synthesize the service characteristics and topology of the two to evaluate the importance of nodes, it is necessary to combine the similarity of the node characteristics of the two networks and model them in a coupled manner. As shown in Figure 1, suppose that the power grid uses substations and micro-grids (including loads, small distributed power sources and energy storage, etc.) as network nodes, and the power communication network uses a multi-service transport platform (MSTP), dispatch centers, micro-grids, and power sales companies as network nodes.
In Figure 1, the coupling dotted line between the two networks represents the inter-dependencies between nodes [28]. According to the relevant concepts in graph theory, the network topology of the power grid and the power communication network is defined separately as G V P ,   E P and G V C ,   E C , where V is the node collection, collectively refer to nodes in different networks as a node v i , then v i P V P , v i C V C ; E is the link collection, the same goes for e P and e C .

2.2. Coupled Model Analysis

Since the carbon emission flow network, namely the power grid, and the power communication network have certain similarities and differences in the topological structure, it is necessary to analyze the inter-dependence of the two networks from the perspective of complex network theory [29] based on the dual-network coupling model in Figure 1, and evaluate the similarity of the mapped nodes from four angles: node degree, node betweenness, node clustering coefficient, and node efficiency value. The specific indicators are as follows:
Node degree: The node degree of nodes in the power grid and the power communication network are d e g v i P and d e g v i C , respectively, indicates the number of links directly associated with nodes in the power grid and power communication network. Since the energy flow is directed, its nodal degree needs to be directional, the number of links with nodes as the starting point of the link is the node output degree d e g + v i , and the number of links with the node as the endpoint is the node input degree d e g v i , the relationship between the node input and out-degree and the node degree is shown in Equation (1):
deg v i = 1 2 d e g + v i + d e g v i
Node betweenness: The node betweenness is used to indicate how much a node is radiated globally in the network, then
B i = j k δ j k i δ j k
where δ j k is the number of paths under the shortest routing principle from the node v j to the node v k , and δ j k i is the number of δ j k through the node v i .
Node clustering coefficient: The node clustering coefficient of a node is used to describe its connection to neighboring nodes, then
C i = 2   d e g v i n n 1
where n is the total number of nodes in the network.
Node efficiency value: The node efficiency value reflects how closely a node is connected to other nodes, then
L i ¯ = 1 n 1 i j d i j
where d i j is the number of nodes from node v i to node v j passed under the shortest routing principle.
According to Equations (1)–(4), the network relationship of any node in the distribution network can be determined by the matrix χ i = deg v i , B i , C i , L i ¯ = χ i 1 , χ i 2 , χ i 3 , χ i 4 . According to the inter-dependencies of the nodes of the two networks shown in Figure 1, the number of directed correlation paths from the carbon emission flow network to the power communication network obtains the correlation degree of the two, and the correlation matrix [30] can be obtained as shown in Equation (5):
{ M = [ O 3 × 4 O 3 × 3 A 2 ( 3 × 5 ) O 3 × 4 E 3 × 3 A 3 ( 3 × 5 ) A 1 ( 4 × 4 ) O 4 × 3 A 4 ( 4 × 5 ) ] A 1 ( 4 × 4 ) = [ 1 1 0 0 1 0 1 0 0 0 0 1 0 0 0 0 ] A 2 ( 3 × 5 ) = [ 0 1 0 0 0 1 0 0 0 0 0 0 1 0 0 ] A 3 ( 3 × 5 ) = [ O 2 × 3 O 2 × 1 O 2 × 1 O 1 × 3 1 0 ] A 4 ( 4 × 5 ) = [ O 3 × 4 O 3 × 1 O 1 × 4 1 ]
The element of the correlation matrix M i j is the correlation degree between the carbon emission flow network node v i P and the power communication network node v j C , which is 1 when the two are associated, and 0 otherwise.
As can be seen from the correlation relationship shown in Figure 1 and the correlation matrix, a carbon emission flow network node may correspond to several power communication network nodes. In order to more reasonably reflect the coupling relationship between the two networks, the coupling scale value S n based on the node of the carbon emission flow network is introduced, then
S n = j = 1 N M i j × λ i j
where n 1 , N , in the coupling model of two networks based on a carbon emission flow network, N = 9 ; λ i j is the mapping scale of the pair of nodes in the association, and its calculation process is shown in Equation (7):
λ i j = 1 l = 1 R χ i l χ j l 2 R · χ i · χ j
where R is the number of elements in the matrix χ , etc. R = 4.
According to Equations (1)–(7), the coupling scale values for all nodes in the coupling model can be obtained, as shown in Table 1.
According to the node coupling scale value in Table 1, combined with the two-network coupling model shown in Figure 1, the dual-network coupling system based on the carbon emission flow network shown in Figure 2 can be equivalently obtained. The coupling scale of the two networks reflects the degree of interdependence between the two networks on the nodes of the carbon emission flow network, and when the system is evaluated based on the node importance of carbon emission flow, this scale value can affect the weight distribution between the different indicators of information flow and carbon emission flow, and affect the comprehensive node importance value based on the carbon emission flow.

3. Carbon Emission Flow Calculation

3.1. Power Flow Calculation

Since the power flow of the power grid determines the carbon emission flow of the power grid, it is necessary to first determine the power flow distribution of the power grid, and clarify the relationship between active power, reactive power, and network loss. Power flow calculations are usually solved using the Newton-Lafson method [31], which yields the voltage amplitude U i and angle δ i of each node.
P G i P L i = U i j = 1 n U j G i j cos δ i j + B i j sin δ i j
Q G i Q L i = U i j = 1 n U j G i j cos δ i j B i j sin δ i j
where P G i and Q G i are, respectively, the active and reactive output of the generator connected to node i ; P L i and Q L i are, respectively, the active and reactive load of the generator connected to node i ; G i j and B i j are, respectively, the negative values of conductance and susceptance of the branch i j ; U i and U j are, respectively, the voltage amplitude of node i and node j ; δ i j is the difference in voltage angle between node i and node j , i.e. δ i j = δ i δ j , where δ i and δ j are, respectively, the voltage angles of node i and node j .
According to the above power flow calculation results, the active and loss calculation formulas of each branch transmission are, respectively:
P i j = U i U j G i j cos δ i j + B i j sin δ i j
P i j l o s s = 2 U i U j G i j cos δ i j
where P i j is the active power flowing through the branch i j , and its positive direction is node i to node j ; P i j l o s s is the active loss of the branch i j .

3.2. Power Generation Power-Sharing

Taking the line composed of node i and node j as an example for interpretation and analysis, as shown in Figure 3, where the load power connected by the node is P L i and the generator power connected by the node is P G j . According to the branch power flow direction shown in Figure 3, the relationship between the branch power and the network loss and the power flowing through the node are as follows:
P i j = P j i + P i j l o s s
P j = i U j P j i + P G j
where P j is the power flowing through node j ; U j is the node set of node j , which is directly connected to node j and has flowed to node j .
Rewrite Equation (13) to
P j i U j P j i P i · P i = P G j
Equation (14) can be expressed in matrix form as follows:
A S P = P G
where matrix P G = P G 1 P G 2 P G n T is a column vector composed of the active power of the generator at each node; P = P 1 P 2 P n T is a column vector composed of power flowing through each node; A S n × n is the power flow distribution matrix, and its elements are calculated as:
A S j i = 1 ,   i = j P G i / P i ,   i U j , j = 1 , 2 , , n 0 ,     o t h e r s
where A S j i is the element of column i and row j in the matrix A S .
According to the principle that the flowing power of the node is equal to the total outflow power, the power generation power can be distributed to the load of each node, the power of each branch, and the network loss.
The load P L k of node k can be expressed as the sum of the contributions of each generator by the proportional distribution principle as follows:
P L k = P L k P k P k = P L k P k e k T A S 1 P G
where e k is a unit column vector with a total length of n and the k th element as 1.
The load power obtained by the node from the generator accessing the node can be expressed as:
P L k , G i = P L k P G i P k e k T A S 1 e i
where e i is a unit column vector with a total length of n and the i th element as 1.
Similarly, the power obtained by the branch k j from the generator accessing node i and the resulting network loss can be, respectively, expressed as:
P k j , G i = P k j P G i P k e k T A S 1 e i
P k j l o s s = P k j l o s s P G i P k e k T A S 1 e i  
According to the active power of the node generator set, the active power vector of the unit is obtained, and then the power flow distribution matrix is obtained from the node system topology map, which can directly obtain the active components provided by the node load, branch power and network loss of each node generator. Considering that the operation of the generator and the carbon emissions are carried out simultaneously, the power of the unit is directly related to the carbon emissions in various places, and the two are consistent in the overall distribution. If the carbon emissions corresponding to the power generation are known, they can still be distributed proportionally, and the active components of each generator can be apportioned in the same proportion, so as to obtain the distribution characteristics of the carbon emissions of the unit in the power network and refine the carbon emissions in the whole process.

3.3. Modeling of Carbon Emissions from Source-Side Units

The source-end unit generates electricity from fossil fuel, water conservancy, wind energy, etc., of which the thermal power generation unit accounts for the largest proportion. The rotor of the generator of the thermal system is driven by burning fossil fuels to generate and utilize steam water vapor, and finally generates electrical energy, which emits a large amount of carbon, which emits a large amount of carbon dioxide into the air in the process. In the carbon flow analysis method, the carbon dioxide generated per unit of power generation is usually used to express the carbon emission intensity of the unit, the unit of carbon emission intensity is t co 2 / MW · h . In actual production, factors such as unit capacity specifications, fuel quality, operating status, and load rate all can affect the carbon emission intensity. The carbon emission intensity of coal-fired units E G [32] is calculated as follows:
w i = a i P G i 2 + b i P G i + c i ζ i / P G i × 10 3
E G i = ξ i · η i · 1 μ i · M C O 2 M C · w i 10 3
where a i , b i , and c i are, respectively, the characteristic parameters of the unit under normal operating conditions of the power coal consumption curve, which can be obtained by fitting the curve of historical data; w i is the standard coal consumption of unit i , and the unit of which is g / kW · h ; ζ i is the coefficient of correction, which is related to the operating state of the unit, for the convenience of calculation, the default unit in this article is normal operation, ζ i is adopted as 1.0; M C O 2 is the molar mass of carbon dioxide, adopted as 44 g / mol ; M C is the molar mass of carbon, adopted as 12 g / mol ; η i is the carbon content of the coal combustion of the unit, adopted as 90%; ξ i is the carbon oxidation rate of the coal burned in the unit, adopted as 98%; μ i is the carbon capture rate, which depends on the performance of the carbon capture device installed in the power plant where the specific unit is located, adopted as 80% [33].

3.4. Carbon Emission Flow Index Calculation

The source generates electricity at the unit, and the electrical energy is boosted and transmitted to the transmission line through the voltage transformer, and the carbon emission flow is moved on the branch road and node due to the movement of the electric energy flow. Therefore, a branch carbon emission sharing model is established, the carbon emissions generated by the unit are mapped to the topology of the power grid, and the carbon emissions of the unit are apportioned according to the principle of proportional distribution, so as to obtain indicators such as the load of each node, the carbon flow rate of the branch road, the network loss carbon flow rate and the node carbon potential.

3.4.1. Carbon Flow Rate

The nodal load carbon flow rate means that the carbon dioxide emissions generated by the load per hour of electricity consumption are equivalent to the carbon dioxide emissions on the power generation side, the unit of which is t co 2 / MW · h . According to Formula (18), the carbon flow rate component of node k undertaken by the unit i is as follows:
R L k , G i = P L k , G i E G i
Similarly, the carbon flow rate of the active power of the branch k j and the carbon flow rate of the network loss undertaken by the obtainable unit i are, respectively, as follows:
R k j , G i = P k j , G i E G i
R k j , G i l o s s = P k j , G i l o s s E G i
From the above Equations (23)–(25), the carbon emissions generated in all links can be equivalently converted and distributed in detail, and then after simple calculation, the carbon flow rate indicators, such as the node load carbon flow rate required in the carbon emission network, can be obtained.

3.4.2. Node Carbon Potential

The node carbon potential is the ratio of the sum of the branch carbon flow rates flowing into the node to the power flowing through the node, indicating that the carbon emissions generated by the unit of electricity consumed by the node are equivalent to the carbon emissions on the power generation side, the unit of which is t co 2 / MW · h . For node j , its node carbon potential can be expressed as follows:
E N j = i U j R i j R i j l o s s / P j
Through the above Equations (8)–(26), the required node carbon flow rate and node carbon potential can be calculated.

4. Coupled Network Node Importance Evaluation Indicators

4.1. Node Importance Composition

Taking into account the directivity of communication and power services, Section 2 of this paper constructs a carbon emission stream transmission system, as shown in Figure 2, from the perspective of network topology characteristics, and obtains the coupling node scale value considering the topological characteristics. Since the coupling node has both information flow and carbon emission flow services, in order to evaluate the important nodes of the network architecture, it is necessary to comprehensively analyze the importance of the coupling nodes from the aspects of information and carbon emissions.

4.2. Node Importance of the Information Flow

The information network in the power carbon emission network system is the key factor to achieving regional coordination and intelligent dispatch, business adjustment, and improvement, and the reliable transmission of information flow is a necessary condition to ensure the safety, stability, low carbon, and energy saving of the power carbon emission network system. In the model proposed in this paper, the information flow includes communication services that provide production, control, and management functions for the carbon stream transmission system, which plays an important role in the adjustment of the carbon emission flow network. At the same time, the low degree of node coupling will affect the comprehensive adjustment ability in the process of power transmission, and the real-time statistics of carbon emission flow networks are difficult to achieve, and then the emission reduction adjustment of the power transmission system cannot be realized, which is not conducive to long-term development. Therefore, when screening important nodes in the system, it is urgent to consider the node importance of the information flow, analyze the requirements objects and indicator requirements of different services in the information flow, and attach great importance to the nodes with high-importance information flow services in order to achieve the accurate distribution of the importance values of the coupled network nodes and the reasonable and efficient allocation of core network resources.
Table 2 lists the indicator items and corresponding control points for the information flow. For the control points under the carbon emission flow transmission system: the centralization corresponds to monitoring, telemetry, telemetry, telesensing, scheduling, and other highly important indicator items; hierarchical centralization corresponds to more important indicator items such as the management information of production operations; services such as line protection and fault recording corresponds to adjacency have high importance but have lower vulnerability than hierarchical concentration; the dispersion corresponds to the relatively low importance of indicator items such as the office. Therefore, the positive order of control point importance under the “Distribution Attribute” indicator in this paper is concentration, hierarchical concentration, adjacency, and dispersion.
In order to unify with the forward linearity of the indicators listed, the original importance values of the control points of each indicator item need to be normalized, and the specific processing method is as follows:
a i = a i min a i max a i min a i · k + q
where a i is the importance value of control point i of an indicator item, then a i j represents the importance value of the control point j of indicator item i , and a i is the normalized importance value calculated by a i . In order to distribute the results between [0.5,1] to facilitate subsequent calculations, k = q = 0.5 is used here. Since the business of the selected information flow is a production business and does not involve management business, the information flow business attribute indicator items do not affect the final node information flow importance value, so this indicator item can be ignored.
Each information flow indicator item has different requirements for its control points, and according to Table 2, the distribution of normalized importance values of the control points of information flow indicator items can be obtained, as shown in Table 3.

4.3. Node Importance of the Carbon Emission Flow

The carbon emission flow transmission system equivalent in Figure 2 is coupled with the power grid structure as the main body, so the importance value of each node needs to be evaluated in conjunction with the importance value of the carbon emission flow. However, due to the fact that there is no similar type of power communication network in the power grid, the node importance of the carbon emission flow is constructed from the perspective of topology structure and carbon emission indicator distribution, and the node importance indicator of the carbon emission flow and the energy flow node importance of the power grid are the same in terms of topology. The specific evaluation indicators are as follows:
(1)
Connectivity:
Connectivity reflects how well nodes are connected to other nodes in the network, depending on the average efficiency value   L i ¯ of the remaining nodes when the node being evaluated fails, it is calculated as:
C = 1 n 1 i = 1 n 1   L i ¯
where n is the total number of system network nodes;   L i ¯ is the node efficiency value that does not contain the evaluation node.
(2)
Equilibrium degree:
The equilibrium degree reflects the impact on the distribution of the carbon emission flow of the system at the structural level when a single node fails, and its specific value depends on the energy flow of the remaining nodes after the failure of the node being evaluated, that is, the input and output of the carbon emission flow, the Equation is as follows:
E i = 1 n 1 j = 1 n 1 S j S j
where S j and S j are, respectively, the number of energy flow input and output lines of the other nodes before and after the failure of node i .
(3)
Node carbon potential:
From Section 3.4.2, it can be seen that the node carbon potential indicates that the carbon emissions generated by the unit of electricity consumed by the node are equivalent to the carbon emissions on the power generation side, similar to the carbon emission intensity of the node, reflecting the unit carbon emissions of the node.
(4)
Node load carbon flow rate:
From Section 3.4.1, it can be seen that the node carbon potential represents the carbon dioxide emissions generated by the hourly consumption of electricity by the node load, which is equivalent to the carbon dioxide emissions on the power generation side and can be used to represent the actual carbon emissions of the assessed node load itself.
Connectivity and equilibrium degree assess the importance of nodes at the topology level. The node carbon potential and node load carbon flow rate can be analyzed from the actual carbon emission flow load.

4.4. Node Importance Analysis Steps

In summary, the node importance of this paper needs to comprehensively consider the information flow and carbon emission flow contained in the indicator items. The analysis steps include: (1) Calculating the importance value of the control point of the indicator item a i j ; (2) According to the weight solution method of the indicator item, the weight of each indicator item ω i is determined in combination with a i j ; (3) The node importance values of information flow and carbon emission flow are, respectively, obtained as I n I and I n C ; (4) According to the scale values of each node in the power carbon emission flow transmission system in Figure 2, the comprehensive importance value of the node n is obtained as I n .

5. Importance Evaluation Mechanism Based on Objective Weighting Method

5.1. Improved Objective Weighting Method

To accurately analyze the comprehensive importance of each node in the carbon emission transmission system, the importance values of different target items should be analyzed, and the comprehensive importance values of nodes should be calculated based on the specific distribution of the target items in the system. Due to the subjective factors of some information flow indicators, to make the evaluation results of node importance more reasonable, the evaluation method needs to be more objective. In this paper, the objective weighting method combined with the TOPSIS and grey relational analysis method is adopted to evaluate node importance value, as shown in Figure 4.
The interpretation of Figure 4 is as follows:
(1)
The target term refers to the specific content of the carbon emission flow and information flow of the system, i is the sequence number of the target item, i = 1, 2, …, N . When N = 2, it refers to the target term of the carbon emission stream, and when N = 11, it refers to the information flow target item.
(2)
For the specified target item i , the importance of an indicator item a i : a i 1 , a i 2 , …, a i M , j is the serial number of an indicator, j = 1,2, …, M . M = 4 refers to the carbon emission flow indicator term, and M = 5 refers to the information flow indicator term.
(3)
The fusion weighting method uses the improved objective weighting method which combines the TOPSIS method and grey relation method to calculate the weight. The advantages of the two methods are integrated to make the final index weight value more objective and reasonable.
(4)
After the weight value of each indicator obtained by the fusion weighting method, combined with the quantitative value of each node indicator, the importance value I i of the indicator i is calculated.
(5)
On the basis of (4), combined with the node scale value S n in Section 2.2, the comprehensive importance value I n of node n is obtained.
The basic idea of grey correlation analysis is to judge whether the sequence curves are closely connected according to the similarity degree of their geometric shapes. If the curves are close to each other, the correlation degree between the corresponding sequences will be greater, and vice versa. Therefore, it is necessary to have more accurate reference terms to improve the accuracy of evaluation when using the grey correlation analysis method for evaluation. In the TOPSIS method, the original data matrix needs to be processed first to get the forward matrix, and then the forward matrix is standardized to eliminate the influence of each index dimension, and the optimal scheme and the worst scheme in the limited scheme are found. Therefore, this paper adopts the fusion weighting method combining the TOPSIS method and the grey correlation analysis method to obtain the optimal and worst sequence through the TOPSIS method, which provides reasonable reference terms for the grey correlation analysis method. It fully combines the advantages of the high decision-making accuracy of the TOPSIS method and the grey correlation degree applicable to poor information and effectively improves the evaluation accuracy.

5.2. The Calculation Flow of the Fusion Weighting Method

(1)
Get the maximum and minimum reference vector.
Quantization values of information flow and carbon emission flow indicators can be obtained from the contents in Section 4.2 and Section 4.3. The quantization values of carbon emission flow indicators need to be normalized through data processing, as shown in Equation (27), where k = 0.8 and q = 0.2 are taken to make the final normalized results distributed between [0.2,1]. The indicator matrix X = a i j N × M can be obtained after data forward processing. Find the maximum and minimum values of each indicator, and construct the maximum and minimum reference vectors, which are, respectively:
V max = max a 1 j , max a 2 j , , max a N j T , V min = min a 1 j , min a 2 j , , min a N j T
(2)
Calculate the correlation coefficient with the reference vector.
Here, the correlation coefficient between the maximum reference vector is taken as an example.
Step 1: Generate the absolute value matrix A .
Subtract the maximum reference vector V m a x column by column from the index matrix X , and take the absolute value of the result to generate the absolute value matrix A :
A = a 11 v m a x 1 a 12 v m a x 1 a 1 M v m a x 1 a 21 v m a x 2 a 22 v m a x 2 a 2 M v m a x 2 a N 1 v m a x N a N 2 v m a x N a N M v m a x N
Let d m a x be the maximum value in the absolute value matrix element and d m i n be the minimum value.
Step 2: Calculate the grey incidence matrix.
The grey incidence matrix B = b i j N × M is constructed from the obtained correlation parameters, and its elements are calculated as:
b i j = d m i n + ρ d m a x A i j + ρ d m a x
where ρ is the discrimination coefficient, and ρ is set as = 0.5.
Step 3: Calculate the grey correlation degree.
Let ξ j m a x be the correlation coefficient between the index matrix and the maximum reference vector, and its expression is:
ξ j m a x = I = 1 N b i j N
Similarly, the correlation coefficient ξ j m i n between the indicator matrix and the minimum reference vector can be calculated.
(3)
Calculate the comprehensive correlation coefficient and weight.
After calculating the correlation coefficients between the index matrix and the maximum and minimum reference vectors, it is necessary to transform them into comprehensive correlation coefficients s .
s j = 1 1 + ξ j m i n / ξ j m a x 2
After obtaining the comprehensive correlation coefficient ω j , it needs to be transformed into the required weight, so as to calculate the importance value of the target item, whose calculation formula is:
ω j = s j j = 1 N s j
(4)
Node comprehensive importance value.
The weight I i obtained from (3) can be used to calculate the importance value of the target i item:
I i = j = 1 M a i j ω j
When I C n and I I n are used to represent the importance value of carbon emission flow and information flow of node n , then the importance value of carbon emission flow is:
I C n = i = 1 4 I i
The importance value of node information flow can be obtained similarly. Combined with the coupling scale value of the two networks obtained in Equation (7), we can obtain the comprehensive importance value of node n :
  I n = I C n + I I n × S n

6. Analysis of Examples

6.1. Node Importance Calculation

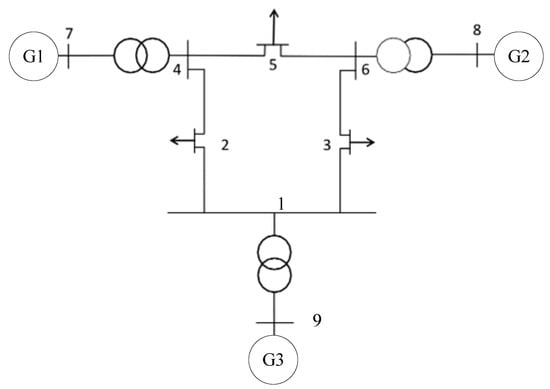
Taking the coupled model of the carbon emission flow system shown in Figure 1 as an example, the simplified power grid with 3 machines and 9 nodes is selected for the carbon emission flow network, as shown in Figure 5.
To evaluate the importance of each coupling node, the following three steps are required for analysis and calculation:
(1)
Calculation of the importance of nodes on the carbon emission flow side.
Taking the example of IEEE 3 machine 9 nodes shown in Figure 5, the carbon emission flow indicators of nodes and branches are calculated, among which units G 1 , G 2 , G 3 , that is, the units corresponding to nodes 7, 8, and 9 are coal-fired units. Some unit parameters are shown in Table 4.
After sorting out the data of the original example, the active power vector of the unit P G = 0.7164 , 1.6300 , 0.8500 T , the node flowing power vector P = 0.7164 , 1.2730 , 0.9136 , 1.4300 , 1.0000 , 0.8360 , 1.6300 , 0.8500 , 0.7164 T , and related parameters such as branch power loss. The node load, branch, and network loss power can be calculated separately from Equations (8)–(20), then the corresponding carbon flow rate can be calculated from Equations (21)–(25), and finally, the required node carbon potential can be calculated from Equation (26). The calculation results of the required relevant carbon emission indicators are shown in Table 5.
The obtained node carbon emission flow parameters, namely node carbon flow rate and node carbon potential, and the network topology parameters obtained from Figure 1, namely node connectivity and equilibrium degree, are normalized. The above data are sorted out to obtain the importance indicators of all nodes in the carbon emission network, as shown in Table 6.
Based on the obtained node importance indicator value, the carbon emission flow importance value of the node can be calculated according to the process shown in Section 5.2. Take node 1 as an example, calculate the node importance value of the carbon emission flow of node 1. According to the table, the maximum reference vector of the carbon emission flow node importance indicator term V m a x = 0.723 , 1.000 , 1.000 , 1.000 , 1.000 , 0.838 , 1.000 , 1.000 , 0.723 T , the minimum reference vector V m i n = 0.200 , 0.362 , 0.344 , 0.200 , 0.200 , 0.200 , 0.446 , 0.446 , 0.273 T . To obtain the correlation coefficient with the largest reference vector ξ j m a x and generate the absolute value matrix A m a x , there is:
A m a x = [ 0.523 0.523 0.458 0.000 0.000 0.000 0.607 0.638 0.000 0.000 0.656 0.449 0.800 0.800 0.495 0.000 0.000 0.000 0.800 0.800 0.638 0.638 0.000 0.139 0.554 0.400 0.478 0.000 0.554 0.400 0.000 0.301 0.277 0.123 0.450 0.000 ]
The largest element in the absolute value matrix is 0.800, and the smallest element is 0.000, namely d m a x = 0.8, d m i n = 0. All the elements of the grey incidence matrix B m a x can be calculated from Equation (32):
B m a x = [ 0.433 0.433 0.466 1.000 1.000 1.000 0.397 0.385 1.000 1.000 0.379 0.471 0.333 0.333 0.447 1.000 1.000 1.000 0.333 0.333 0.285 0.385 1.000 0.742 0.419 0.500 0.456 1.000 0.419 0.500 1.000 0.571 0.591 0.765 0.471 1.000 ]
According to Equation (33), the correlation coefficient ξ j m a x between the index item matrix and the maximum reference vector, namely the grey correlation degree of the criterion term, is ξ 1 m a x = 0.620, ξ 2 m a x = 0.657, ξ 3 m a x = 0.549, ξ 4 m a x = 0.722. Similarly, the correlation coefficient between the standard item matrix and the minimum reference vector ξ j m i n can be obtained, and is ξ 1 m i n = 0.755, ξ 2 m i n = 0.677, ξ 3 m i n = 0.719, ξ 4 m i n = 0.656. According to Equation (34), the maximum and minimum correlation coefficients s obtained are transformed into comprehensive correlation coefficients, which are s 1 = 0.597, s 2 = 0.515, s 3 = 0.632, s 4 = 0.452, and then the comprehensive correlation coefficients are transformed into weights ω j by Equation (35), which are ω 1 = 0.272, ω 2 = 0.234, ω 3 = 0.288, ω 4 = 0.206. Finally, the node importance value I C 1 of carbon emission flow of node 1 can be calculated through Equation (36) and (37), which is equal to 0.591. Similarly, the node importance value of the carbon emission flow of other nodes can be obtained, and the results are shown in Table 7.
(2)
Calculation of the importance of nodes on the information flow side.
According to the importance distribution of information flow indicators in Table 3, the importance value of each information flow indicator I i can be calculated by the same method, and the result is shown in Table 8.
The importance value of the information flow node of each node can be calculated according to the different indicators and importance values contained in the electrical equipment of each voltage level node. The results are shown in Table 9. If the same node contains multiple criteria, the node importance value is the greater among them.
(3)
Node comprehensive importance calculation.
Combined with the node carbon emission flow and information flow importance data obtained from (1) and (2) in Section 6.1 and Equation (38) in Section 5.2, the comprehensive importance of nodes I n can be calculated, as shown in Table 10.
In order to reflect the relationship among the carbon emission flow, information flow, and comprehensive node importance of all nodes, the importance values obtained above should be normalized according to Equation (27) and compared with the data of the same node, and the comparison results are shown in Figure 6.
As can be seen from Figure 6, the node importance screening of a single factor has certain limitations. Taking the comparison between node 2 and node 3 as an example, considering only the carbon emission flow-related indicators, node 3 has higher importance than node 2, but the information flow importance of node 2 is higher than node 3. Finally, in the coupled network, node 2 has higher comprehensive importance than node 3. Therefore, the evaluation of node importance by considering the importance of carbon emission flow or information flow alone cannot fully reflect the importance degree of nodes in the coupled network. It is necessary to obtain the comprehensive importance degree of nodes by combining the coupling scale based on the carbon emission network to comprehensively evaluate nodes.

6.2. Line Selection Considering Node Importance

The node importance analysis of the two-network coupling model based on the carbon emission flow network can provide a reference for the construction of its key line, that is, adding the optimal solution search with node importance as an additional objective function in the existing multi-objective optimization process.
To achieve the goal of energy saving and emission reduction, the line with the largest sum of node comprehensive importance values centered on the importance of carbon emission flow should be first restructured to reduce carbon emissions.
Considering the directivity of the carbon emission flow network, namely the power grid, there are six complete lines in total, as shown in Figure 7, and the evaluation results are as follows:
1 st : node   9 1 2 ,   sum = 4.174 2 nd : node   9 1 3 , sum = 4.120 3 rd : node   7 4 2 , sum = 4.361 4 th : node   7 4 5 , sum = 4.320 5 th : node   8 6 5 , sum = 4.423 6 th : node   8 6 3 , sum = 4.410
Evaluation node contrast by above knowable, node 5, 6, 8 of nodes in the line of highest importance value, namely the line in the coupling network based on carbon flow network is the most important in the network, in order to reduce carbon emissions, and need to start from the line to power system restructuring, and the rest of the lines of reorganization order can also be obtained by the comprehensive importance value of the sort.

7. Conclusions

This paper calculates the carbon emissions of the entire power grid through the power flow calculation, thereby transforming the power grid into a carbon emission flow network. Based on the complex network theory, it studies the similarities in the network topology and business relationship between the power grid and the power communication network, and determines the coupling scale of the two networks by means of the correlation coefficient method and the correlation matrix method, and establishes a coupling network model based on the carbon emission flow network. In order to further evaluate the important nodes of the coupling network, combined with the different business characteristics of carbon emission flow and information flow, a multi-index comprehensive evaluation system considering the coupling scale of the two networks is established, a method that combines two objective weighting methods to objectively evaluate indicators that contain subjective components. Finally, the obtained node importance values can provide a sequential basis for the carbon reduction and restructuring of the distribution network by determining the relative core path, greater sum node importance values represent a greater carbon emission impact on the line and need to be prioritized to transformation, so as to realize the improvement of the distributed carbon emission optimization control ability of the intelligent distribution network step by step. The method written in this paper is a power grid transformation method based on the consideration of carbon emissions, which does not take into account the actual economic requirements. It can be further improved by considering the actual economic operation.

Author Contributions

Conceptualization, H.X. and C.Y.; methodology, H.X. and J.Y.; software, H.S.; validation, T.L., J.S. and H.C.; formal analysis, H.S.; investigation, Z.L.; resources, C.Y. and G.G.; data curation, H.S.; writing—original draft preparation, T.L.; writing—review and editing, C.Y.; visualization, H.X.; supervision, S.R.; project administration, C.Y.; funding acquisition, G.G. and H.S. All authors have read and agreed to the published version of the manuscript.

Funding

This project was supported by the Science and Technology Project of State Grid Liaoning Electric Power Co., LTD.: Research on traceability technology of clean energy carbon trend based on blockchain under the “Carbon Peaking and Carbon Neutralit” goal project(2022YF-82).

Data Availability Statement

Not applicable.

Acknowledgments

We are indebted to Gangjun Gong and Heyang Sun for their insightful suggestions on the original manuscript. All the editors and anonymous reviewers are gratefully acknowledged.

Conflicts of Interest

The authors declare no conflict of interest.

References

  1. Khamis, S.B.; Chen, F. The Impact of Carbon Emission (co2) on Economic Growth: Evidence from Sub-Saharan Africa. Int. J. Sci. Bus. 2022, 15, 19–27. [Google Scholar]
  2. Lippke, B.; Puettmann, M.E.; Johnson, L.; Gustafson, R.; Venditti, R.; Steele, P.; Katers, J.F.; Taylor, A.; Volk, T.A.; Oneil, E.; et al. Carbon Emission Reduction Impacts from Alternative Biofuels. For. Prod. J. 2012, 64, 296–304. [Google Scholar] [CrossRef]
  3. Choi, B.B.; Lee, D.; Psaros, J. An analysis of Australian company carbon emission disclosures. Pac. Account. Rev. 2013, 25, 58–79. [Google Scholar] [CrossRef]
  4. Yan, D.; Lei, Y.; Li, L.; Song, W. Carbon emission efficiency and spatial clustering analyses in China’s thermal power industry: Evidence from the provincial level. J. Clean. Prod. 2017, 156, 518–527. [Google Scholar] [CrossRef]
  5. Sun, W.; Cai, H.; Wang, Y.W. Refined Laspeyres Decomposition-Based Analysis of Relationship between Economy and Electric Carbon Productivity from the Provincial Perspective Development Mode and Policy. Energies 2018, 11, 3426. [Google Scholar] [CrossRef]
  6. Apergis, N.; Payne, J.E. The emissions, energy consumption, and growth nexus: Evidence from the commonwealth of independent states. Energy Policy 2010, 38, 650–655. [Google Scholar] [CrossRef]
  7. Yu, M.; Cao, E. Strategic information sharing and competition under cap-and-trade regulation. Ind. Manag. Data Syst. 2019, 119, 639–655. [Google Scholar] [CrossRef]
  8. Gao, M.; Wang, K.; He, L. Probabilistic Model Checking and Scheduling Implementation of an Energy Router System in Energy Internet for Green Cities. IEEE Trans. Ind. Inform. 2018, 14, 1501–1510. [Google Scholar] [CrossRef]
  9. Huang, X.Q.; Han, T.; Ansari, N. Smart Grid Enabled Mobile Networks: Jointly Optimizing BS Operation and Power Distribution. IEEE/ACM Trans. Netw. 2017, 25, 1832–1845. [Google Scholar] [CrossRef]
  10. Wu, D.; Lesieutre, B.C.; Ramanathan, P.; Kakunoori, B. Preserving Privacy of AC Optimal Power Flow Models in Multi-Party Electric Grids. IEEE Trans. Smart Grid 2016, 7, 2050–2060. [Google Scholar] [CrossRef]
  11. Amani, A.M.; Jalili, M. Power Grids as Complex Networks: Resilience and Reliability Analysis. IEEE Access 2021, 9, 119010–119031. [Google Scholar] [CrossRef]
  12. Wang, C.; Lu, Z.; Qiao, Y. A consideration of the wind power benefits in day-ahead scheduling of wind-coal intensive power systems. IEEE Trans. Power Syst. 2013, 28, 236–245. [Google Scholar] [CrossRef]
  13. Cai, Y.; Li, B.; Hu, Z.; Song, Y.; Zhao, Y. Calculation of carbon emission index of coal-fired generating unit and analysis on influencing factors. Power Syst. Technol. 2013, 37, 1185–1189. [Google Scholar]
  14. Hiwatashi, K.; Oka, T. Specific Environmental Load of Constructing Reclaimed Land Calculation of Energy Consumption and Carbon Emission About Construction. Trans. Soc. Heat. Air-Cond. Sanit. Eng. Jpn. 2004, 29, 83–91. [Google Scholar]
  15. Wu, Y.C.; Ding, M.; Zhang, L.J. Power flow analysis in electrical power networks including wind farms. Proc. Chin. Soc. Electr. Eng. 2005, 25, 36–39. [Google Scholar]
  16. Alinjak, T.; Pavic, I.; Stojkov, M. Improvement of backward/forward sweep power flow method by using modified breadth-first search strategy. IET Gener. Transm. Distrib. 2017, 11, 102–109. [Google Scholar] [CrossRef]
  17. Chen, D.; Xian, W.J.; Wu, T.; Guo, R.P. Allocation of carbon emission flow in hybrid electricity market. Power Syst. Technol. 2016, 40, 1683–1688. [Google Scholar]
  18. Feng, X.; Yang, J. Improvement and enhancement of carbon emission flow theory considering power loss. Electr. Power Autom. Equip. 2016, 36, 81–86. [Google Scholar]
  19. Xu, L.; Liu, J.; Liu, Y.; Bazargan, M. Node importance classified comprehensive assessment. Proc. CSEE 2014, 34, 1609–1617. [Google Scholar]
  20. Guo, N.; Guo, P.; Madhavan, R.; Zhao, J.; Liu, Y. Assessing the Vulnerability of Megaprojects Using Complex Network Theory. Proj. Manag. J. 2020, 51, 429–439. [Google Scholar] [CrossRef]
  21. Pan, X.D.; Wu, J.; Liu, D.C.; Wang, H.; Zhao, Y. A method for constructing core backbone grid in differential planning based on importance degrees of components. Autom. Electr. Power Syst. 2014, 38, 40–46. [Google Scholar]
  22. Edelman, K.A. The Efficient Evaluation of the Hypergeometric Function of a Matrix Argument. Math. Comput. 2006, 75, 833–846. [Google Scholar]
  23. Fu, Z.H.; Sun, L.; Lin, Z.Z.; Wen, F.S.; Zhu, B.Q.; Xu, L.Z. Bi-level network reconfiguration optimization based on node importance evaluation matrix. Electr. Power Autom. Equip. 2016, 36, 37–42. [Google Scholar]
  24. Fan, B.; Zeng, Y.; Tang, L.R. Vulnerability assessment of power communication network based on information entropy. J. Electron. Inf. Technol. 2014, 36, 2138–2144. [Google Scholar]
  25. Changchao, L.; Zhongjian, K.; Hongguo, Y.; Yunliang, N.; Weixiu, L. Identification of key nodes considering different roles of power businesses in power communication system and power system. J. Electr. Eng. Technol. 2019, 14, 1407–1419. [Google Scholar] [CrossRef]
  26. Gong, G.J.; Zhang, Z.N.; Zhang, X.Y.; Gao, S.; Su, C.; Lu, J. Coupling model, network architecture and node importance evaluation of distributed information energy system. Proc. CSEE 2020, 40, 5412–5426. [Google Scholar]
  27. Nguyen, D.T.; Shen, Y.; Thai, M.T. Detecting critical nodes in interdependent power network for vulnerability assessment. Smart Grid IEEE Trans. 2013, 4, 151–159. [Google Scholar] [CrossRef]
  28. Abad Torres, J.; Roy, S. Graph-theoretic characterisations of zeros for the input–output dynamics of complex network processes. Int. J. Control 2014, 87, 940–950. [Google Scholar] [CrossRef]
  29. Zhao, C.; Zhao, J.; Wu, C.; Wang, X.; Xue, F.; Lu, S. Power Grid Partitioning Based on Functional Community Structure. IEEE Access 2019, 7, 152624–152634. [Google Scholar] [CrossRef]
  30. Namaki, A.; Shirazi, A.; Raei, R.; Jafari, G. Network analysis of a financial market based on genuine correlation and threshold method. Phys. A Stat. Mech. Its Appl. 2011, 390, 3835–3841. [Google Scholar] [CrossRef]
  31. Jankovic, S.; Ivanovic, B. Application of combined Newton-Raphson method to large load flow models. Electr. Power Syst. Res. 2015, 127, 134–140. [Google Scholar] [CrossRef]
  32. Yang, J.; Feng, X.; Tang, Y.; Yan, J.; He, H.; Luo, C. A Power System Optimal Dispatch Strategy Considering the Flow of Carbon Emissions and Large Consumers. Energies 2015, 8, 9087–9106. [Google Scholar] [CrossRef]
  33. Zhang, Z. Techno-economic Assessment of Carbon Capture and Storage Facilities Coupled to Coal-Fired Power Plants. Energy Environ. 2015, 26, 1069–1080. [Google Scholar] [CrossRef]
Figure 1. Dual-network coupling model.
Figure 1. Dual-network coupling model.
Energies 15 08223 g001
Figure 2. A dual-network coupling system based on carbon emission flow network.
Figure 2. A dual-network coupling system based on carbon emission flow network.
Energies 15 08223 g002
Figure 3. Branch power and loss.
Figure 3. Branch power and loss.
Energies 15 08223 g003
Figure 4. Assessment Methodology Flowchart.
Figure 4. Assessment Methodology Flowchart.
Energies 15 08223 g004
Figure 5. 3-machine 9-node power grid.
Figure 5. 3-machine 9-node power grid.
Energies 15 08223 g005
Figure 6. Comparison chart of node importance value distribution.
Figure 6. Comparison chart of node importance value distribution.
Energies 15 08223 g006
Figure 7. Node comprehensive importance lines.
Figure 7. Node comprehensive importance lines.
Energies 15 08223 g007
Table 1. Node scale value of the two-network coupling model.
Table 1. Node scale value of the two-network coupling model.
Node Ordinal Coupling   Scale   Value   S n
10.78
20.76
30.71
40.82
50.79
60.81
71.45
81.43
91.48
Table 2. Information flow indicator items, indicator item control points, and their value distribution.
Table 2. Information flow indicator items, indicator item control points, and their value distribution.
Information Flow Indicator Items
Business AttributesSafe ZoneReal-TimeData TypeDistribution AttributesBusiness Channels
indicator item control pointsProduction operations (1/1) *Zone I (3/1)
Zone II (2/0.75)
Zone III (1/0.5)
10 ms (7/1)
3 0 ms (6/0.92)
100 ms (5/0.83)
150 ms (4/0.75)
25 0 ms (3/0.67)
1 s (2/1)
1 min (1/0.5)
Voice (3/1)
Data (2/0.75)
Multimedia (1/0.5)
Concentration (4/1)
Hierarchical concentration (3/0.83)
Adjacency (2/0.67)
Dispersion (1/0.5)
E12 Fibre Dedicated Channel (4/1)
Dispatch data private networks (3/0.83)
Integrated data network channel (2/0.67)
Wireless public network (1/0.5)
* (Original control point value/normalized control point value).
Table 3. Indicator items control point values.
Table 3. Indicator items control point values.
NumberThe Business NameSafe ZoneReal-TimeData TypeDistribution AttributesBusiness Channels
1Line protection110.750.671
2Stabilization system10.920.750.831
3Scheduling automation10.830.7510.83
4Dispatching telephone10.75110.83
5Stability management information system0.750.50.750.830.83
6Electricity metering telemetry system0.750.50.7511
7Fault recording and double-ended ranging0.750.920.750.670.83
8Electricity market0.750.580.7510.83
9DMIS system0.50.580.750.50.67
10Power quality/cable monitoring system0.50.580.7510.67
11Primary equipment online monitoring system0.50.580.510.67
Table 4. Partial unit parameters.
Table 4. Partial unit parameters.
Unit NumberNode NumberGenerator Characteristic Coefficient
a i ( t / MW · h 2 ) b i ( t / MW · h ) c i ( t )
170.003752.000
280.001751.750
390.006251.000
Table 5. Carbon emission flow indicators.
Table 5. Carbon emission flow indicators.
Node NumberNode Carbon PotentialNode Load Carbon Flow Rate
12.143.03
22.612.25
32.432.66
43.033.63
51.901.90
64.262.98
73.093.63
84.862.98
92.173.03
Table 6. Normalized carbon emission flow importance indicators.
Table 6. Normalized carbon emission flow importance indicators.
Node NumberConnectivityEquilibrium DegreeNode Carbon PotentialNode Load Carbon Flow Rate
10.2000.2000.2650.723
21.0001.0000.3930.362
31.0001.0000.3440.551
40.2000.2000.5051.000
51.0001.0000.2000.200
60.2000.2000.8380.699
70.4460.6000.5221.000
80.4460.6001.0000.699
90.4460.6000.2730.723
Table 7. Node importance value of carbon emission flow.
Table 7. Node importance value of carbon emission flow.
Node NumberVoltage Level Node   Importance   Value   of   Carbon   Emission   Flow   I C
1110 KV0.326
20.694
30.719
40.453
50.605
60.487
7220 KV0.627
80.694
90.489
Table 8. The importance value I i of each information flow indicator item.
Table 8. The importance value I i of each information flow indicator item.
Number   i The Business Name Importance   Value   I i
1Line protection0.875
2Stabilization system0.904
3Scheduling automation0.892
4Dispatching telephone0.924
5Stability management information system0.754
6Electricity metering telemetry system0.838
7Fault recording and double-ended ranging0.773
8Electricity market0.808
9DMIS system0.595
10Power quality/cable monitoring system0.720
11Primary equipment online monitoring system0.720
Table 9. Node importance value of information flow.
Table 9. Node importance value of information flow.
Node NumberVoltage Level Node   Importance   Value   of   Information   Flow   I I
1110 kV0.875
20.808
30.754
40.773
50.838
60.808
Table 10. Comprehensive node importance value.
Table 10. Comprehensive node importance value.
Node NumberVoltage Level Node   Comprehensive   Importance   Value   I n
1110 kV1.009
21.308
31.254
41.087
51.267
61.141
7220 kV1.966
82.015
91.857
Publisher’s Note: MDPI stays neutral with regard to jurisdictional claims in published maps and institutional affiliations.

Share and Cite

MDPI and ACS Style

Yang, C.; Sun, H.; Li, T.; Xie, H.; Lei, Z.; Song, J.; Cai, H.; Yang, J.; Gong, G.; Ren, S. Coupled Model and Node Importance Evaluation of Electric Power Cyber-Physical Systems Considering Carbon Power Flow. Energies 2022, 15, 8223. https://doi.org/10.3390/en15218223

AMA Style

Yang C, Sun H, Li T, Xie H, Lei Z, Song J, Cai H, Yang J, Gong G, Ren S. Coupled Model and Node Importance Evaluation of Electric Power Cyber-Physical Systems Considering Carbon Power Flow. Energies. 2022; 15(21):8223. https://doi.org/10.3390/en15218223

Chicago/Turabian Style

Yang, Chao, Heyang Sun, Tong Li, Hengji Xie, Zhenjiang Lei, Jinliang Song, He Cai, Jiaxuan Yang, Gangjun Gong, and Shuai Ren. 2022. "Coupled Model and Node Importance Evaluation of Electric Power Cyber-Physical Systems Considering Carbon Power Flow" Energies 15, no. 21: 8223. https://doi.org/10.3390/en15218223

APA Style

Yang, C., Sun, H., Li, T., Xie, H., Lei, Z., Song, J., Cai, H., Yang, J., Gong, G., & Ren, S. (2022). Coupled Model and Node Importance Evaluation of Electric Power Cyber-Physical Systems Considering Carbon Power Flow. Energies, 15(21), 8223. https://doi.org/10.3390/en15218223

Note that from the first issue of 2016, this journal uses article numbers instead of page numbers. See further details here.

Article Metrics

Back to TopTop