Smart Fault Monitoring and Normalizing of a Power Distribution System Using IoT
Abstract
1. Introduction
Research Contribution
- ➢
- Design and development of hardware prototype for the fault monitoring and normalizing of a power distribution system based on part of a real distribution network system.
- ➢
- Integration of IoT technology with the power system to gather all the input data from the system and route it to different endpoints for data processing and visualization.
- ➢
- Accomplished field device control from the cloud.
- ➢
- The shortened duration of fault location enables the improvement of the SAIFI and SAIDI indices.
2. Problem Statement
3. Literature Review
3.1. Smart Grid Components
3.2. Outage Management
3.3. Existing Fault Monitoring Techniques
3.4. Smart Measurement Devices
3.5. Distribution Automation (DA) Application
3.6. Advancement in Communication Technologies
3.7. SCADA Technologies
3.8. Microsoft Azure
4. Research Methodology
4.1. Research Consideration
4.2. Structure of Distribution Feeder Network
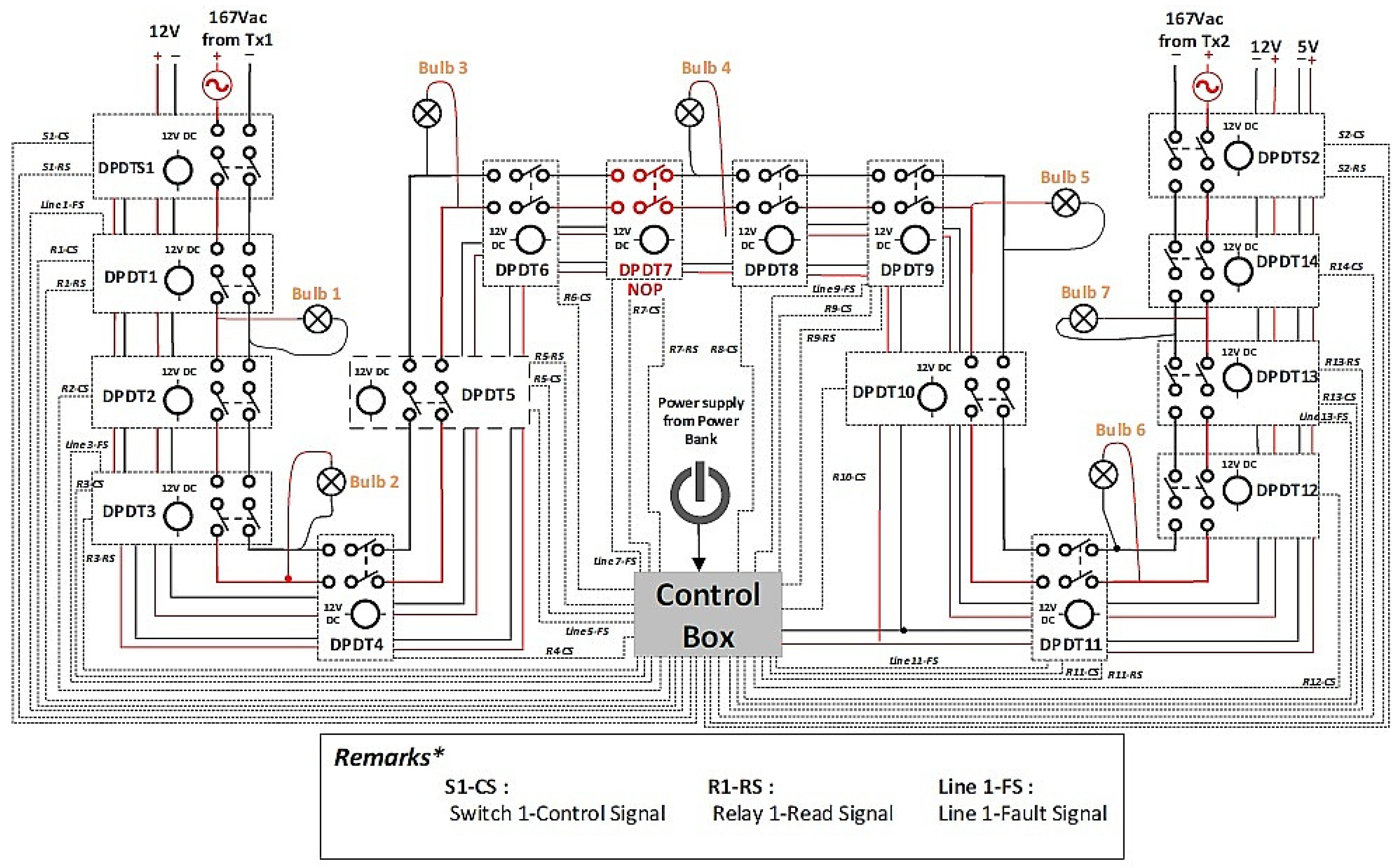
4.3. Hardware Prototype Configuration
4.4. Hardware Configuration
4.4.1. Autotransformer
4.4.2. Double Pole Double Throw Relays and Fault Switch
4.4.3. IoT Device Development
4.4.4. Web Application Development
5. Results and Discussions
5.1. Normal Operating Condition
5.2. Simulating Fault on Line 11
5.3. Simulating Faults on Lines 5 and 7
5.4. Performance of the System
6. Conclusions
Author Contributions
Funding
Data Availability Statement
Conflicts of Interest
Abbreviations
References
- Tuballa, M.L.; Abundo, M.L. A review of the development of Smart Grid technologies. Renew. Sustain. Energy Rev. 2016, 59, 710–725. [Google Scholar] [CrossRef]
- El-hawary, M.E. The Smart Grid—State-of-the-art and Future Trends. Electr. Power Compon. Syst. 2014, 42, 239–250. [Google Scholar] [CrossRef]
- U.S. Department of Energy. What is the Smart Grid? Available online: https://www.smartgrid.gov/the_smart_grid/smart_grid.html (accessed on 6 October 2019).
- Yildiran, N.; Tacer, M.E. The Future’s Power System: Smart Grid. Int. J. Electron. Mech. Mechatron. Eng. 2016, 6, 1047–1055. [Google Scholar] [CrossRef]
- Gupta, P.; Chhabra, J. IoT based Smart Home design using power and security management. In Proceedings of the 2016 International Conference on Innovation and Challenges in Cyber Security (ICICCS-INBUSH), Greater Noida, India, 3–5 February 2016; pp. 6–10. [Google Scholar] [CrossRef]
- Tom, R.J.; Sankaranarayanan, S. IoT based SCADA integrated with Fog for power distribution automation. In Proceedings of the 2017 12th Iberian Conference on Information Systems and Technologies (CISTI), Lisbon, Portugal, 21–24 June 2017. [Google Scholar]
- Agüero, J.R. Applying Self-Healing Schemes to Modern Power Distribution Systems. In Proceedings of the 2012 IEEE Power and Energy Society General Meeting, San Diego, CA, USA, 22–26 July 2012. [Google Scholar]
- Nath, R.; Thakur, R. ZigBee and GSM Based Fault Detection System for Low Tension Pillar. In Intelligent Communication, Control and Devices; Springer: Singapore, 2018; pp. 761–768. [Google Scholar]
- Pawar, R.R.; Wagh, P.A.; Deosarkar, S.B. Distribution Transformer Monitoring System Using Internet of Things (IoT). In Proceedings of the 2017 International Conference on Computational Intelligence in Data Science (ICCIDS), Chennai, India, 2–3 June 2017. [Google Scholar]
- Suresh, S.; Nagarajan, R.; Sakthivel, L.; Logesh, V.; Mohandass, C.; Tamilselvan, G. Transmission Line Fault Monitoring and Identification System by Using Internet of Things. Int. J. Adv. Eng. Res. Sci. 2017, 4, 9–14. [Google Scholar] [CrossRef]
- Gungor, V.C.; Sahin, D.; Kocak, T.; Ergut, S.; Buccella, C.; Cecati, C.; Hancke, G.P. Smart Grid Technologies: Communication Technologies and Standards. IEEE Trans. Ind. Inform. 2011, 7, 529–539. [Google Scholar] [CrossRef]
- Xu, X.; Chen, T.; Minami, M. Intelligent fault prediction system based on internet of things. Comput. Math. Appl. 2012, 64, 833–839. [Google Scholar] [CrossRef]
- Yang, F.; Stoupis, J.; Donde, V. Feeder automation for an electric power distribution system. U.S. Patent 8,121,740 B2, 21 February 2012. [Google Scholar]
- Shende, P.; Thakur, A.; Muley, D.; Gadekar, S. PLC Based Fault Location, Isolation and Service Restoration for Distribution System. In Proceedings of the International Conference on Communication and Information Processing (ICCIP) 2019, Choqing, China, 15–17 November 2019. [Google Scholar]
- Chen, K.; Huang, C.; He, J. Fault detection, classification and location for transmission lines and distribution systems: A review on the methods. High Volt. 2016, 1, 25–33. [Google Scholar] [CrossRef]
- Sánchez-Ayala, G.; Agüerc, J.R.; Elizondo, D.; Lelic, M. Current trends on applications of PMUs in distribution systems. In Proceedings of the 2013 IEEE PES Innovative Smart Grid Technologies Conference (ISGT), Washington, DC, USA, 24–27 February 2013. [Google Scholar]
- Wang, B.; Xu, W.; Pan, Z. Voltage sag state estimation for power distribution systems. IEEE Trans. Power Syst. 2005, 20, 806–812. [Google Scholar] [CrossRef]
- Peter, G.; Bin Iderus, S. Design of enhanced energy meter using GSM prepaid system and protective relays. Mater. Today Proc. 2021, 39, 582–589. [Google Scholar] [CrossRef]
- Fan, K.; Gao, M.; Xu., B.; Zhang, X. Distributed Distribution Automation system based on the identification of tie-switch. In Proceedings of the 2014 IEEE PES General Meeting|Conference & Exposition, National Harbor, MD, USA, 27–31 July 2014. [Google Scholar]
- Jasu, S.; Dubey, B.K.; Pandey, D.K. Fault Location, Isolation, and Service Restoration (FLISR) Technique using IEC 61850 GOOSE. In Proceedings of the 2013 IEEE Power & Energy Society General Meeting, Vancouver, BC, Canada, 21–25 July 2013. [Google Scholar]
- Sugarek, J.P. Fault Location, Isolation, and Service Restoration Technologies Reduce Outage Impact and Duration; U.S. Department of Energy Office of Electricity Delivery and Energy Reliability: Washington, DC, USA, 2014.
- Oancea, C.D. GSM infrastructure used for data transmission. In Proceedings of the 2011 7th International Symposium on Advanced Topics in Electrical Engineering (ATEE), Bucharest, Romania, 12–14 May 2011. [Google Scholar]
- Peter, G.; Iderus, S.B. Trust and deadline aware scheduling algorithm for cloud infrastructure using ant colony optimization. In Proceedings of the 2016 International Conference on Innovation and Challenges in Cyber Security (ICICCS-INBUSH), Greater Noida, India, 3–5 February 2016; pp. 187–191. [Google Scholar] [CrossRef]
- Rahman, S.; Dey, S.K.; Bhawmick, B.K.; Das, N.K. Design and implementation of real time transformer health monitoring system using GSM technology. In Proceedings of the 2017 International Conference on Electrical, Computer and Communication Engineering (ECCE), Cox’s Bazar, Bangladesh, 22–23 December 2017. [Google Scholar]
- Sarkar, J.; Ugle, S.; Yadav, A.; Ugale, U. Distribution Line Fault Detection & GSM Module Based Fault Signaling System. Int. J. Res. Appl. Sci. Eng. Technol. 2016, 4, 452. [Google Scholar]
- Tie, Z.; Wang, Z. GPRS-based fault monitoring for distribution grid. In Proceedings of the 2010 IEEE/ASME International Conference on Mechatronic and Embedded Systems and Applications, Qingdao, China, 15–17 July 2010. [Google Scholar]
- Zhang, H.; Deng, Z.; Liu, L. Design of Remote Fault Diagnosis System Based on GPRS Technique. J. Jiangsu Univ. Sci. Technol. (Nat. Sci. Ed.) 2006, 20, 54–57. [Google Scholar]
- Zhang, B.; Wang, M. How Will the Improvements of Electricity Supply Quality in Poor Regions Reduce the Regional Economic Gaps? A Case Study of China. Energies 2021, 14, 3456. [Google Scholar] [CrossRef]
- Maier, A.; Sharp, A.; Vagapov, Y. Comparative Analysis and Practical Implementation of the ESP32 Microcontroller Module for the Internet of Things. In Proceedings of the 2017 Internet Technologies and Applications (ITA), Wrexham, UK, 12–15 September 2017. [Google Scholar]
- Wang, S.; Wan, J.; Li, D.; Zhang, C. Implementing Smart Factory of Industrie 4.0: An Outlook. Int. J. Distrib. Sens. Netw. 2016, 12, 3159805. [Google Scholar] [CrossRef]
- Wan, J.; Tang, S.; Shu, Z.; Li, D.; Wang, S. Software-Defined Industrial Internet of Things in the Context of Industry 4.0. IEEE Sens. J. 2016, 16, 7373–7380. [Google Scholar] [CrossRef]
- Chen, F.; Deng, P.; Wan, J.; Zhang, D.; Vasilakos, A.V.; Rong, X. Data Mining for the Internet of Things: Literature Review and Challenges. Int. J. Distrib. Sens. Netw. 2015, 11, 431047. [Google Scholar] [CrossRef]
- Ahmed, M.M.; Soo, W.L. Supervisory Control and Data Acquisition System (SCADA) based customized Remote Terminal Unit (RTU) for distribution automation system. In Proceedings of the 2008 IEEE 2nd International Power and Energy Conference, Johor Bahru, Malaysia, 1–3 December 2008. [Google Scholar]
- Ahmed, M.M. New Supervisory Control and Data Acquisition (SCADA) Based Fault Isolation System for Low Voltage Distribution Systems. In Proceedings of the International Conference on Computer and Communication Engineering (ICCCE 2010), Kuala Lumpur, Malaysia, 11–12 May 2010. [Google Scholar]
- Peter, G.; Praghash, K.; Sherine, A.; Ganji, V. A Combined PWM and AEM-Based AC Voltage Controller for Resistive Loads. Math. Probl. Eng. 2022, 2022, 1–11. [Google Scholar] [CrossRef]
- Vandikas, K.; Tsiatsis, V. Performance Evaluation of an IoT Platform. In Proceedings of the 2014 Eighth International Conference on Next Generation Mobile Apps, Services and Technologies, Oxford, UK, 10–12 September 2014. [Google Scholar]
- Patti, E.; Acquaviva, A. IoT platform for Smart Cities: Requirements and implementation case studies. In Proceedings of the 2016 IEEE 2nd International Forum on Research and Technologies for Society and Industry Leveraging a Better Tomorrow (RTSI), Bologna, Italy, 7–9 September 2016. [Google Scholar]
- Guth, J.; Breitenbücher, U.; Falkenthal, M.; Leymann, F.; Reinfurt, L. Comparison of IoT platform architectures: A field study based on a reference architecture. In Proceedings of the 2016 Cloudification of the Internet of Things (CIoT), Paris, France, 23–25 November 2016. [Google Scholar]
- Bhardwaj, S.; Jain, L.; Jain, S. Cloud computing: A study of infrastructure as a service (IAAS). Int. J. Eng. Inf. Technol. 2010, 2, 60–63. [Google Scholar]
- Pflanzner, T.; Kertesz, A. A survey of IoT cloud providers. In Proceedings of the 2016 39th International Convention on Information and Communication Technology, Electronics and Microelectronics (MIPRO), Opatija, Croatia, 30 May–3 June 2016. [Google Scholar]
- Microsoft Azure IoT Reference Architecture, Microsoft Corporation. 2019. Available online: https://azure.microsoft.com/en-us/blog/azure-iot-reference-architecture-update/ (accessed on 24 November 2019).
- Al-Qaseemi, S.A.; Almulhim, H.A.; Almulhim, M.F.; Chaudhry, S.R. IoT Architecture Challenges and Issues: Lack of Standardization. In Proceedings of the 2016 Future Technologies Conference (FTC), San Francisco, CA, USA, 6–7 December 2016. [Google Scholar]
- Suárez, A.D.; Parra, O.J.S.; Forero, J.H.D. Design of an Elevator Monitoring Application using Internet of Things. Int. J. Appl. Eng. Res. 2018, 13, 4195–4202. [Google Scholar]
- Justin, F.; Peter, G.; Stonier, A.A.; Ganji, V. Power quality improvement for vehicle-to-grid and grid-to-vehicle technology in a microgrid. Int. Trans. Electr. Energy Syst. 2022, 2022, 2409188. [Google Scholar] [CrossRef]

























| Category | Average Time Taken (Seconds) | Fault Locating, Isolating and Normalizing (Minutes) | SAIDI/SAIFI Indices |
|---|---|---|---|
| System initialization | 16.67 | <5 | Excellent |
| Data transmitting from IoT to cloud and vice versa | 1.15 | <5 | Excellent |
| Data transmitting interval | 2.25 | <5 | Excellent |
| Notification alert | 7.39 | <5 | Excellent |
Publisher’s Note: MDPI stays neutral with regard to jurisdictional claims in published maps and institutional affiliations. |
© 2022 by the authors. Licensee MDPI, Basel, Switzerland. This article is an open access article distributed under the terms and conditions of the Creative Commons Attribution (CC BY) license (https://creativecommons.org/licenses/by/4.0/).
Share and Cite
Peter, G.; Stonier, A.A.; Gupta, P.; Gavilanes, D.; Vergara, M.M.; Lung sin, J. Smart Fault Monitoring and Normalizing of a Power Distribution System Using IoT. Energies 2022, 15, 8206. https://doi.org/10.3390/en15218206
Peter G, Stonier AA, Gupta P, Gavilanes D, Vergara MM, Lung sin J. Smart Fault Monitoring and Normalizing of a Power Distribution System Using IoT. Energies. 2022; 15(21):8206. https://doi.org/10.3390/en15218206
Chicago/Turabian StylePeter, Geno, Albert Alexander Stonier, Punit Gupta, Daniel Gavilanes, Manuel Masias Vergara, and Jong Lung sin. 2022. "Smart Fault Monitoring and Normalizing of a Power Distribution System Using IoT" Energies 15, no. 21: 8206. https://doi.org/10.3390/en15218206
APA StylePeter, G., Stonier, A. A., Gupta, P., Gavilanes, D., Vergara, M. M., & Lung sin, J. (2022). Smart Fault Monitoring and Normalizing of a Power Distribution System Using IoT. Energies, 15(21), 8206. https://doi.org/10.3390/en15218206

