A New Carrier Phase-Shift Modulation Based on Switching the Displacement Angle
Abstract
:1. Introduction
2. Principal of CPS Modulation for MMC
2.1. Basic Topology of MMC
2.2. CPS Modulation and Harmonic Analysis
2.3. Selection of Displacement Angle of Carrier Wave with Minimum Output Voltage Harmonic or Cancellation of Circulating Current Harmonic
3. SDA-Based CPS Modulation
4. Simulation Result
4.1. Simulation Platform and Relevant Parameters
4.2. Comparative Experiment with Simulation
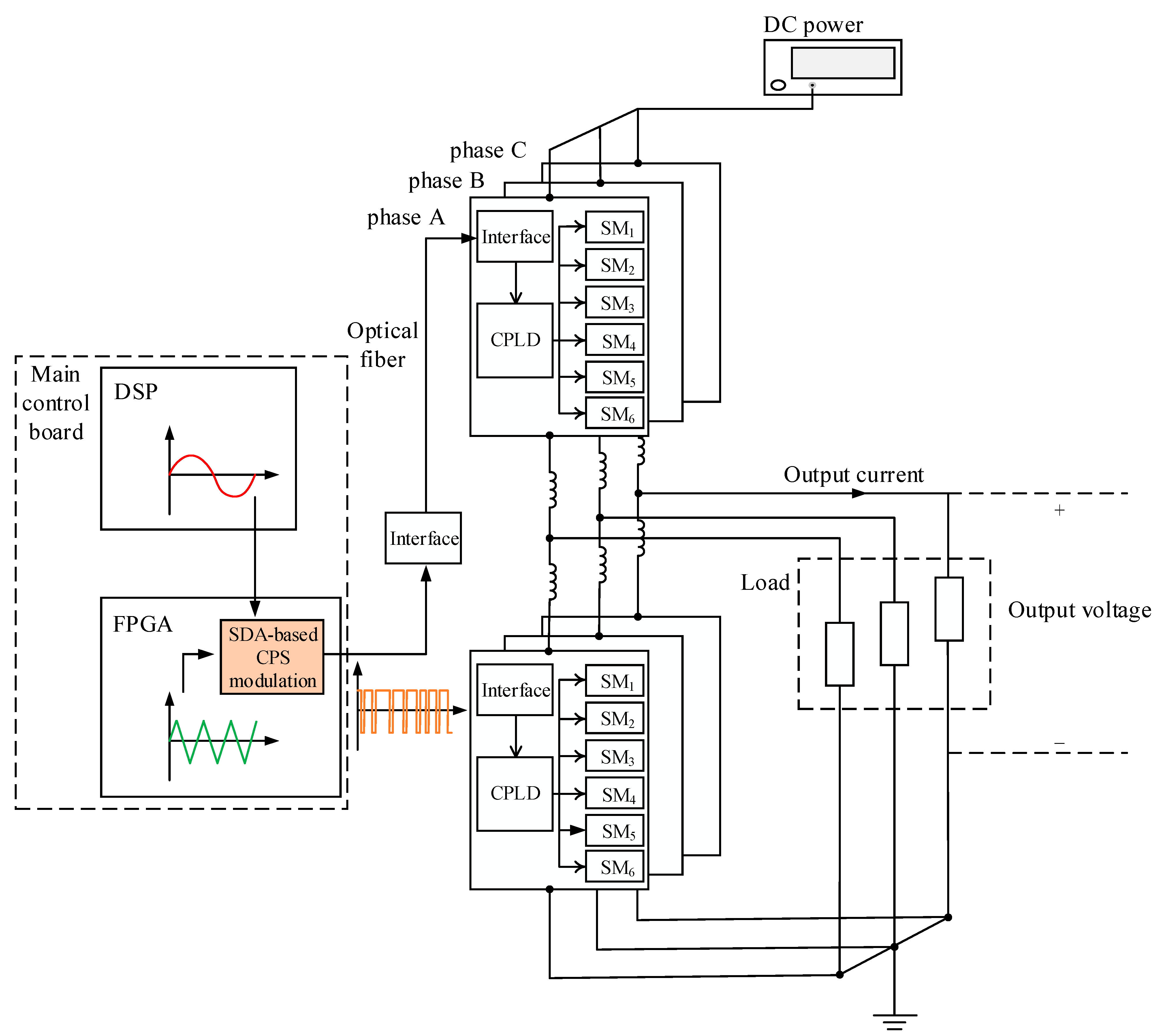
5. Verification with MMC Prototype
6. Conclusions
Author Contributions
Funding
Data Availability Statement
Conflicts of Interest
References
- Yan, Z.; Xue-Hao, H.; Guang-Fu, T.; Zhi-Yuan, H. A study on MMC model and its current control strategies. In Proceedings of the 2nd International Symposium on Power Electronics for Distributed Generation Systems, Hefei, China, 16–18 June 2010; pp. 259–264. [Google Scholar]
- Lesnicar, A.; Marquardt, R. An innovative modular multilevel converter topology suitable for a wide power range. In Proceedings of the 2003 IEEE Bologna Power Tech Conference Proceedings, Bologna, Italy, 23–26 June 2003; Volume 2, p. 6. [Google Scholar]
- Zhang, L.; Zou, Y.; Yu, J.; Qin, J.; Vittal, V.; Karady, G.G.; Shi, D.; Wang, Z. Modeling, control, and protection of modular multilevel converter-based multi-terminal HVDC systems: A review. CSEE J. Power Energy Syst. 2017, 3, 340–352. [Google Scholar] [CrossRef]
- Sun, T.; Pei, X. Comparison Analysis on EMI Sources of MMC Under NLM and CPS-PWM Strategies. In Proceedings of the 2019 4th IEEE Workshop on the Electronic Grid (eGRID), Xiamen, China, 11–14 November 2019; pp. 1–4. [Google Scholar]
- Li, N.; Gao, F.; Hao, T.; Ma, Z.; Zhang, C. SOH Balancing Control Method for the MMC Battery Energy Storage System. IEEE Trans. Ind. Electron. 2018, 65, 6581–6591. [Google Scholar] [CrossRef]
- Bayat, H.; Yazdani, A. A Hybrid MMC-Based Photovoltaic and Battery Energy Storage System. IEEE Power Energy Technol. Syst. J. 2019, 6, 32–40. [Google Scholar] [CrossRef]
- Guobang, B.; Wei, N.; Lusong, Z.; Wenyong, Y.; Jianwen, L.; Xiaotang, M. SVG control function and realization of modular multi-level DC ice melting device. In Proceedings of the 2021 IEEE 16th Conference on Industrial Electronics and Applications (ICIEA), Chengdu, China, 1–4 August 2021; pp. 1261–1266. [Google Scholar]
- Guobang, B.; Xiaohong, M.; Yangzeyu, O.; Li, L.; Jianwen, L.; Binyuan, W. Research on Influencing Factors of voltage control for MMC type mobile DC ice melting device. In Proceedings of the 2021 IEEE 16th Conference on Industrial Electronics and Applications (ICIEA), Chengdu, China, 1–4 August 2021; pp. 1256–1260. [Google Scholar]
- Elserougi, A.A.; Abdel-Khalik, A.S.; Massoud, A.M.; Ahmed, S. An asymmetrical six-phase induction motor drive based on nine-arm Modular Multilevel Converter (9AMMC) with circulating current suppression. In Proceedings of the 2015 4th International Conference on Electric Power and Energy Conversion Systems (EPECS), Sharjah, United Arab Emirates, 24–26 November 2015; pp. 1–6. [Google Scholar]
- Zhao, F.; Xiao, G.; Yang, D.; Wu, Z.; Meng, X. A Flexible Reduced Capacitor Voltages Strategy for Variable-Speed Drives with Modular Multilevel Converter. In Proceedings of the 2018 International Power Electronics Conference (IPEC-Niigata 2018 -ECCE Asia), Niigata, Japan, 20–24 May 2018; pp. 1549–1553. [Google Scholar]
- Zhou, Y.; Jiang, D.Z.; Yin, R.; Liang, Y.Q. An improved topology of Unified Power Flow Controller based on MMC with Fault Current Limiting. In Proceedings of the 8th IET International Conference on Power Electronics, Machines and Drives (PEMD 2016), Glasgow, UK, 19–21 April 2016; pp. 1–6. [Google Scholar]
- Hao, Q.; Man, J.; Gao, F.; Guan, M. Voltage Limit Control of Modular Multilevel Converter Based Unified Power Flow Controller Under Unbalanced Grid Conditions. IEEE Trans. Power Deliv. 2018, 33, 1319–1327. [Google Scholar] [CrossRef]
- LI, Y.; LIU, C.; CAI, X. A Developed Dual MMC Isolated DC Solid State Transformer and Its Modulation Strategy. In Proceedings of the 2018 International Power Electronics Conference (IPEC-Niigata 2018 -ECCE Asia), Niigata, Japan, 20–24 May 2018; pp. 2245–2249. [Google Scholar]
- Zheng, G.; Chen, Y.; Kang, Y. A Modular Multilevel Converter (MMC) Based Solid-State Transformer (SST) Topology With Simplified Energy Conversion Process and Magnetic Integration. IEEE Trans. Ind. Electron. 2021, 68, 7725–7735. [Google Scholar] [CrossRef]
- Feng, L.; Xu, X.; Wang, W.; Wang, L.; Zhang, H.; Li, W.; Zhang, Y. The design and implementation of global energy interconnection digital research platform. In Proceedings of the 2017 IEEE Conference on Energy Internet and Energy System Integration (EI2), Beijing, China, 26–28 November 2017; pp. 1–5. [Google Scholar]
- Deng, Y.; Wang, Y.; Teo, K.H.; Harley, R.G. A Simplified Space Vector Modulation Scheme for Multilevel Converters. IEEE Trans. Power Electron. 2016, 31, 1873–1886. [Google Scholar] [CrossRef]
- Sharma, V.K.; Anand, V.; Vaish, V.; Bharti, R. A new control scheme for modular converters. In Proceedings of the 2015 57th International Symposium ELMAR (ELMAR), Zadar, Croatia, 28–30 September 2015; pp. 137–140. [Google Scholar]
- Hu, P.; Jiang, D. A Level-Increased Nearest Level Modulation Method for Modular Multilevel Converters. IEEE Trans. Power Electron. 2015, 30, 1836–1842. [Google Scholar] [CrossRef]
- Liu, H.; Zhang, C.; Xu, L.; Sun, X.; Gu, S.; Li, X. Voltage Balancing Control Strategy for MMC Based on NLM Algorithm. In Proceedings of the 2019 14th IEEE Conference on Industrial Electronics and Applications (ICIEA), Xi’an, China, 19–21 June 2019; pp. 1075–1079. [Google Scholar]
- Mei, J.; Shen, K.; Xiao, B.; Tolbert, L.M.; Zheng, J. A New Selective Loop Bias Mapping Phase Disposition PWM With Dynamic Voltage Balance Capability for Modular Multilevel Converter. IEEE Trans. Ind. Electron. 2014, 61, 798–807. [Google Scholar] [CrossRef]
- McGrath, B.P.; Teixeira, C.A.; Holmes, D.G. Optimized Phase Disposition (PD) Modulation of a Modular Multilevel Converter. IEEE Trans. Ind. Appl. 2017, 53, 4624–4633. [Google Scholar] [CrossRef]
- Zhang, H.; Meng, Y.; Wang, X.; Zou, Y.; Wu, X.; Liu, C.; Zhou, Q.; Zhu, W. An improved CPS-SPWM and unified modulation strategy for multilevel converter. In Proceedings of the 2016 IEEE PES Asia-Pacific Power and Energy Engineering Conference (APPEEC), Xi’an, China, 25–28 October 2016; pp. 1306–1310. [Google Scholar]
- Bashir, S.B.; Zidan, H.A.; Memon, Z.A. A Modified CPS-PWM for Capacitor Voltage Ripples Reduction of Modular Multilevel Converter Based Variable Speed Drive. In Proceedings of the 2020 IEEE 29th International Symposium on Industrial Electronics (ISIE), Delft, The Netherlands, 17–19 June 2020; pp. 601–605. [Google Scholar]
- Yang, J.; Liu, J.; Shi, Y.; Zhao, N.; Zhang, J.; Fu, L.; Zheng, T.Q. Carrier-Based Digital PWM and Multirate Technique of a Cascaded H-Bridge Converter for Power Electronic Traction Transformers. IEEE J. Emerg. Sel. Top. Power Electron. 2019, 7, 1207–1223. [Google Scholar] [CrossRef]
- He, S.; Zhou, D.; Wang, X.; Zhao, Z.; Blaabjerg, F. A Review of Multisampling Techniques in Power Electronics Applications. IEEE Trans. Power Electron. 2022, 37, 10514–10533. [Google Scholar] [CrossRef]
- Li, B.; Yang, R.; Xu, D.; Wang, G.; Wang, W.; Xu, D. Analysis of the Phase-Shifted Carrier Modulation for Modular Multilevel Converters. IEEE Trans. Power Electron. 2015, 30, 297–310. [Google Scholar] [CrossRef]
- Yang, S.; Shao, Z.; Zheng, W.; Chen, F. Mitigation of Background Harmonics Effect on MMC Controller Based on a Novel Coordinate Transformation Technique. IEEE Access 2019, 7, 167113–167126. [Google Scholar] [CrossRef]
- Lu, S.; Yuan, L.; Li, K.; Zhao, Z. An Improved Phase-Shifted Carrier Modulation Scheme for a Hybrid Modular Multilevel Converter. IEEE Trans. Power Electron. 2017, 32, 81–97. [Google Scholar] [CrossRef]
- Wang, H.; Yang, S.; Chen, H.; Feng, X.; Blaabjerg, F. Synchronization for an MMC Distributed Control System Considering Disturbances Introduced by Submodule Asynchrony. IEEE Trans. Power Electron. 2020, 35, 12834–12845. [Google Scholar] [CrossRef]
- Sha, G.; Duan, Q.; Sheng, W.; Ma, C.; Zhao, C.; Zhang, Y.; Tian, J. Research on Multi-Port DC-DC Converter Based on Modular Multilevel Converter and Cascaded H Bridges for MVDC Applications. IEEE Access 2021, 9, 95006–95022. [Google Scholar] [CrossRef]
- Gauttam, G.; Hrishikesan, V.M.; Kumar, C. Single Phase Modular Multilevel Converter for Photovoltaic Application. In Proceedings of the 2022 4th International Conference on Energy, Power and Environment (ICEPE), Shillong, India, 29 April–1 May 2022; pp. 1–6. [Google Scholar]
- Koleff, L.; Conde, M.; Hayashi, P.; Sacco, F.; Enomoto, K.; Pellini, E.; Komatsu, W.; Matakas, L. Development of a FPGA-Based Control System for Modular Multilevel Converter Applications. In Proceedings of the 2019 IEEE 15th Brazilian Power Electronics Conference and 5th IEEE Southern Power Electronics Conference (COBEP/SPEC), Santos, Brazil, 1–4 December 2019; pp. 1–6. [Google Scholar]














| Parameter Name | Parameter Value |
|---|---|
| Number of submodules on one arm | 3 |
| DC voltage | 300 V |
| Reference voltage frequency | 50 Hz |
| Rated voltage of submodule | 100 V |
| Capacitance of submodule | 0.001867 F |
| Arm inductance | 0.0008 H |
| Triangular carrier frequency | 1000 Hz |
| Modulation index | 0.87 |
| θ | The Maximum Amplitude of the Circulating Current Near Frequency Nfc | The Maximum Amplitude of the Output Voltage Near Frequency Nfc |
|---|---|---|
| θ = 0 | 1.2 A | 1.5 V |
| θ = π/N | 0.005 A | 21 V |
| n = 1 | 0.6 A | 10.5 V |
| n = 2 | 0.6 A | 12 V |
| n = 3 | 0.6 A | 9.55 V |
| n = 4 | 0.6 A | 11.6 V |
| n = 5 | 0.9 A | 14 V |
| n = 6 | 0.6 A | 10.5 V |
| n = 7 | 0.6 A | 9.8 V |
| n = 8 | 0.6 A | 10.5 V |
| n = 9 | 0.6 A | 10.5 V |
Publisher’s Note: MDPI stays neutral with regard to jurisdictional claims in published maps and institutional affiliations. |
© 2022 by the authors. Licensee MDPI, Basel, Switzerland. This article is an open access article distributed under the terms and conditions of the Creative Commons Attribution (CC BY) license (https://creativecommons.org/licenses/by/4.0/).
Share and Cite
Chen, Y.; Song, S.; Liao, Z.; Luo, D.; Lin, D.; Wei, D. A New Carrier Phase-Shift Modulation Based on Switching the Displacement Angle. Energies 2022, 15, 7954. https://doi.org/10.3390/en15217954
Chen Y, Song S, Liao Z, Luo D, Lin D, Wei D. A New Carrier Phase-Shift Modulation Based on Switching the Displacement Angle. Energies. 2022; 15(21):7954. https://doi.org/10.3390/en15217954
Chicago/Turabian StyleChen, Yugang, Shuxiang Song, Zhixian Liao, Dan Luo, Dong Lin, and Duqu Wei. 2022. "A New Carrier Phase-Shift Modulation Based on Switching the Displacement Angle" Energies 15, no. 21: 7954. https://doi.org/10.3390/en15217954
APA StyleChen, Y., Song, S., Liao, Z., Luo, D., Lin, D., & Wei, D. (2022). A New Carrier Phase-Shift Modulation Based on Switching the Displacement Angle. Energies, 15(21), 7954. https://doi.org/10.3390/en15217954
