Next Article in Journal
3SSC-A-Based Step-Down DC–DC Converters: Analysis, Design and Experimental Validation
Previous Article in Journal
Reference Test Method for Calculating the Thermal Effect of Coal Spontaneous Combustion
Previous Article in Special Issue
Thermal Stress Characteristics of Dissimilar Joints Joining Ti-64 and CCM via Linear Friction Welding
 
 
Font Type:
Arial Georgia Verdana
Font Size:
Aa Aa Aa
Line Spacing:
Column Width:
Background:
Article

Improved Structural Local Thermal Energy Planning Based on Prosumer Profile: Part B

by
Adamantios G. Papatsounis
* and
Pantelis N. Botsaris
Department of Production and Management Engineering, Laboratory of Mechanical Design (MeDiLab), Sector of Materials, Processes and Mechanics, Democritus University of Thrace, Vas. Sofias 12, 67100 Xanthi, Greece
*
Author to whom correspondence should be addressed.
Energies 2022, 15(20), 7708; https://doi.org/10.3390/en15207708
Submission received: 23 September 2022 / Revised: 10 October 2022 / Accepted: 13 October 2022 / Published: 19 October 2022
(This article belongs to the Special Issue Advanced Thermal Analysis and Management Technology)

Abstract

Distributed energy systems (DES) are currently at the forefront of the energy transition. Their placement brings production closer to the demand side of urban and sub-urban environments, making optimal design a necessity. However, the complexity of accurately addressing the energy demands via DES has received increasing research attention. This is mainly due to the impact they have on the energy transition’s socioeconomic aspect, as these systems are far from viable in most cases, especially when cutting-edge renewable technologies are involved. The current study aims to provide a practical and non-repetitive approach to DES design, explicitly referring to thermal distributed supply systems (TDESS). The authors present the last two of their three-layer Hierarchically Dependent Layering Methodology (HDLM) approach in designing a thermal local energy community (TLEC) from the ground up. The 2nd layer is the superstructure design of the TLEC, where a map approach is introduced and explores several combinations of the selected equipment, how they will interact to meet the heating and cooling loads and how they will form the superstructure. The 3rd is the economic assessment of the proposed scenario. The study results indicate relative ease of use of the model, as a non a priori approach is needed. Additionally, the proposed solution is economically viable as the respective performance indicators suggest.

Graphical Abstract

1. Introduction

The future of energy is highly dependent on the integration of renewable technologies into the energy map. Distributed energy systems (DES), either electrical or thermal, provide solutions to the integration issue, but present complicated sitting and design issues [1,2]. The main focus of the literature has been the creation of electrical DES, especially in the context of Local Energy Communities (LECs) [3]. However, Distributed Thermal Energy Supply Systems (DTESS) have gained increasing attention, mainly because of the role thermal energy has on the energy map [4]. These systems are designed near the consumers, mostly in sub-urban environments, and thus, optimization of design, equipment configuration per case and optimization of energy density are a necessity [1].
To address the issue of equipment selection and design optimization, the research focus is on complex mathematical models, multi-criteria analysis and optimization algorithms [5]. Research works include that by D’Isanto M. et al., who introduced the Jacobean singularity factor to eliminate the multi-integer’s approach complexity [6]. In order to avoid the complexity of multi-criteria/multi-integer approach, Yokoyama R. et al. approached that issue via a decomposition method. By decomposing the problem, they were able to limit the number of outcomes for the multi-integer problem and to reduce the computational intensity of the solution [7]. One common issue with these approaches is the computational intensity they require [8]. Thus, an a priori approach is introduced in most cases to reduce the effort needed. By using an a priori approach, the designer is required to have extensive knowledge of the system under study and to acknowledge the fact that the final solution on the superstructure system might be sub-optimal [8,9]. Existing approaches in the literature include Multi Integer Linear Programming (MILP) techniques [7], superstructure-based systems [8], multi-criteria technology-relevant analysis [10] such as the Analytical Hierarchical Process (AHP) methodology implementation in urban-level energy system selection [11]. These methods are used in order to eliminate the uncertainty of the process and the operability of the final solution.
The uncertainty in the design process is mostly aleatory (exact time and magnitude of the demand for heating and/or cooling energy). This leads to over-dimensioning of the involved equipment, from the side of the designer, to satisfy the demands of the consumers [8]. In such cases, the equipment underperforms and issues of system stability and increased expenditures arise [12]. Complex time-series and forecasting tools are used in order to minimize the randomness of the load and to better design DES [13]. More specific works, especially in the field of electrical DES, are the ones of Abdon A., who developed a decision support tool for battery technology selection based on the load profile of the system under review. Their study concluded that the uncertainty factor, especially at the new battery technologies, significantly influenced the life cycle and LCoE of the overall proposed system [14]. Additional concerns were raised by the Editorial of Sustainable Development of Energy, Water and Environment Systems (SDEWE) conference, which reported that the extensive tools that construct and operate DES are of utmost importance, due to the part they play in the energy transition [15]. Kazas G. et al. building on that gap, developed a time-series energy demand profile generation algorithm, for the purposes of thermal energy management in district systems. Their model aggregated several demand profiles into one characteristic, on which the design process should rely. By unifying that heterogeneous energy demands, they eliminated a significant portion of the uncertainty related to the design of such systems [16].
One important aspect is the part-load performance of the involved equipment in TDESSs. In order to maximize the energy production, minimize the operational cost and the price of the energy provided, the part-load performance of the equipment needs to be considered [8,17]. By defining the percentage of the load in which the equipment is most likely to perform as expected, the cost of the produced energy is significantly reduced, as stated in [18]. Along with the operation of the respective equipment, in DES design, more than one renewable energy production technologies cooperate. This cooperation provides stability and mainly exploits the renewable potential of the place. The interconnection and cooperation of these technologies is one of the most complex issues [8]. Specifically, Bugaeva T. et al. adequately explains the significance of decision support tools, which aid the structure of energy systems in a local and regional context [11]. One very important aspect of the matter is, as Navarro L. et al. argue, the integration of thermal storage as one additional challenge towards the integration of innovative solution for collective energy [19]. Additionally, the structured opinion of Voll P. et al. states that the creation of such systems is characterized by high complexity due to its many levels. In the opinion of the authors, these levels are the synthesis, the design and the operation phase, each requiring different tools to optimize and develop [20].
In this study, a superstructure-based approach is considered to design a DTESS for a TLEC located in Kimmeria, Greece. The proposed methodology is part of a three-layer approach (Hierarchically Dependent Layering Methodology - HDLM) from which, the first of the three layers was presented in [9]. The second and third layer are presented in the current study and their aim is to design the DTESS in a way that addresses the prosumers’ demands (second layer) with the development of a superstructure system, and to assess the economic feasibility of the proposed design (third layer). The novelty of the study lies on the use of logic circuit approach in the design of the hydraulic system, which aids the simplification of the design algorithm without any repeating steps (optimization algorithms). The use of logic circuits and their hydraulic equivalents results in a final superstructure design, which is exploitable from a system’s engineer or researcher to modify, implement and evaluate its feasibility; this is the main difference between this research work and the existing literature, where only theoretical connections in multi-vector systems are proposed [5,7,8,10,11,12,21]. Thus, the proposed HDLM methodology can uniformly be integrated into the decision-making process of municipality-level infrastructure design and on regional, national and international directive enactment due to its applicability and quality of result. Thus, the proposed HDLM methodology can uniformly be integrated into the decision-making process of municipality-level infrastructure design and on regional, national and international directive enactment due to its applicability and quality of result.
The study is structured as follows: Section 2—Materials and Methods, Section 3—Application of the methodology from Section 2. Section 4 is the Results and Discussion while Section 5 presents the Conclusions.

2. Materials and Methods

In Part A, where the HDLM methodology was introduced, the authors focused on classifying potential prosumers of TLECs based on their yearly thermal energy demand. More information about the 1st layer of the proposed methodology is available on [9]. The proposed methodology is divided in three layers: the 1st layer concerns the prosumers’ thermal energy consumption profile, the 2nd is the design of the superstructure energy production system to cover the respective consumption profile and the 3rd addresses the economic feasibility of the proposed system. In this study, the 2nd and 3rd layers are presented.
The proposed methodology focuses on two aspects of DTESS design: the selection of the appropriate technology based on criteria weighting and the construction of the system to address the needs of the TLEC. The first stage was approached via an AHP method, based on well-established research works, while the second one introduces a novel method of designing hydraulic thermal energy systems using logic gates for the construction of a P-graph (see Figure 1). The first novelty of the method lies on the elimination of a priori step from the side of the designer, which is one of the fundamental issues of complex systems design [20]. The second novelty is the proposition of a final superstructure layout. By proposing a layout, modifications, control strategies and installation decisions on case-specific aspects can be made.

2.1. Second Layer: Study and Development of the Superstructure

The first step in any superstructure design is the technology selection process. However, due to the variety of renewable technologies available and the intricacies of the different applications, some multi-criteria analysis methods should be incorporated in order to find the most appropriate ones. The AHP method is part of MCA approaches, which are applied in complex decision-making processes and especially in cases where different criteria have different significance factors. The use of the AHP method aims at evaluating the importance of the multiple criteria for the selection of appropriate technologies for energy production, by applying weights. The criteria most widely used in cases of DTESS systems are: Economical, Technical, Sociopolitical and Environmental, which are analyzed in the following subsection [11,22].

2.1.1. AHP for Technology Selection

The economic aspect of any technology selected to service at any system is one of the most important criterion. Common sub-criteria used for the evaluation of the economic aspect are: Capital Expenditures (CAPEX), Operational Expenditures (OPEX) and Levelized Cost of Energy (LCoE) [22,23]. While CAPEX and OPEX are widely used in techno-economic analysis, the LCoE is considered a more concise indicator of the economic performance of an energy production of storage technology [10,22]. In this study, the economic aspect of the technologies are represented by the sub-criterion of LCoE as it instils not only the performance of the equipment, but its service life and the annual production or storage of energy.
The technical aspect of the commercial renewable energy technologies is a key factor towards their selection or their elimination from AHP applications. Some of the most commonly used sub-criteria for the technical aspect evaluation are: Efficiency (Coefficient of Performance—COP), Technical Maturity, Reliability, Primary Resource Availability and Capacity Factor (the ratio of total annual energy generation over installed capacity) [24,25,26]. The Capacity Factor along with Technical Maturity and the Primary Resource Availability are considered the most consistent and characteristic indicators and thus will be used in this study [10,25,26].
For the sociopolitical criterion, both the contribution of the technology to the society and the legal/political implications of its use are considered. Some of the sub-criteria of the sociopolitical criterion are: Legal incentives, Legal acceptance, Local welfare and Social acceptance [23]. The legal/political sub-criteria are still immature as the legal framework for several TLEC systems and technologies used is under implementation [3]. As for the social sub-criteria, the uncertainty of addressing them is still prohibitive. The reason for the high levels of uncertainty are the different levels of renewable technology penetration, to each individual society. In the current study, no sociopolitical indicators are used.
The environmental aspect of the technologies is one of the most significant ones. The designer of a DTESS focuses on implementing a more sustainable, viable and efficient solution to a TLEC. Environmental indicators such as emissions and land required for the installation of the respective technology are widely used for decision making in DTESS systems [11,22,23]. The sub-criteria expressing these indicators are: GHG emissions (or CO 2 equivalents) and Land use and are both used in the present study.
Table 1 summarizes the application of the AHP method for the selected sub-criteria. The values in Table 1 are the product of an extensive literature review of the most case-specific research work. As an example, in the initial step of AHP table filling, the LCoE’s correlation was 6 to 7 times more important to the Technological Maturity sub-criteria in the existing literature [24]. Therefore, the authors’ choice assumption was the worst-case scenario of 7. Figure 2 indicates the weighted sums of the factors considered in the AHP, which significantly contribute to the sub-criteria hierarchy. The results of the hierarchical method indicate that the LCoE and Primary Resource Availability are the most important sub-criteria. The Capacity Factor and Technological Maturity are also included in the important sub-criteria based on the background works [10,11,23,25,26]. The Random Index (R.I.) used for the 7 criteria in the AHP method is 1.32 and the λ m a x coefficient 6.17.
In Table 2, the quantitative and qualitative measures for the selected sub-criteria are presented. The technologies which exploit the primary energy resources are included in a collective manner (e.g., solar thermal collectors are divided in many different types such as flat-plate, concentrating collectors, etc.) As LCoE and Primary Energy Resource Availability are the most important sub-criteria, the indicative values for the respective technologies propose Solar Thermal Collectors, Geothermal Heat Pumps (GHP) and Biomass Boilers (BBs) as the best fit.
According to Table 2, the Capacity Factor also presents significant improvements (Capacity Factor for Biomass boilers: 54 and for GHPs: 71.7, while for the STCs is relatively low at 15). Concerning the Primary Resource Availability sub-criterion, all three technologies have adequate reserves. Their Reliability is also promising as all three are reliable enough to be included in the superstructure design process.
Despite the AHP’s results on the weights of the selected sub-criteria, the topographic constraints are also important in local planning [8,25]. In most cases, however, it is often overlooked in an attempt to reduce the complexity of DTESS design. Therefore, the results of the AHP along with the aforementioned point, propose the selection of Biomass boilers, Solar Thermal Collectors (STCs) and GHPs, which are also a group of technologies that demand the least amount of land available for the installation, according to Table 2.

2.1.2. Technology Selection

The identification of the most important criteria is significant for the selection of the appropriate technologies. As selected from the AHP method, a technology pool including all the available equipment in an advanced commercial stage are presented in Table 3. In order to choose the pertinent equipment, the results of the AHP method are used. For the selection phase, the most efficient technologies are selected for the final planning of the superstructure (see Figure 1).
The technology selection phase of any renewable energy system is highly affected by part-load performances of the equipment, the standardization of the marketable products to fixed capacities and the minimum operating loads of the equipment [8,17]. Additionally, DTESS systems based on renewable energy, have certain degrees of uncertainty in the energy production frequency and consistency [1]. Thus, in addition the exploitation of primary sources, back-up systems such as biomass boilers and Thermal Energy Storage (TES) systems need to be included in such superstructures.
Solar collectors are one of the most promising and well-established technologies in DTESS systems [36]. However, when incorporated in superstructure systems, several design characteristics should be considered prior to their selection. The temperature range of the collector, for example, is directly affecting the system’s performance. As Table 3 shows, Parabolic Solar Collectors (PSCs) have a high temperature range (appropriate in applications where steam production is essential—e.g., electrical energy production) with low COP, while Flat Plate Collectors (FPCs) have a wide temperature range but significantly increased COP. A wide temperature range—which is also referred to as operating range—provides flexibility to the loads to be covered. The intermittent nature of the solar energy, though, as well as the “duck-curve’s” incompatibility with the thermal loads, signifies the need for a buffering infrastructure, placed between the solar collectors’ array and the load to be covered [37].
TES systems provide a certain stability to systems solely dependent on solar collectors, as they store the produced thermal energy for consumption on demand. In Table 3, the most marketable TES technologies are mentioned. The energy content of both sensible and latent heat energy storage solutions is one of the most important factors when selecting the thermal storage medium. Considering the operating range, the required thermal energy provided to exploit the latent heat of melting, should be provided by the solar collector or any other thermal energy production asset. For example, electrical production generation applications require a temperature range of saturated water of over 300 °C, which is achieved only with a pre-selection of FPCs arrays, and not ETCs or PSCs. Additionally, several studies have examined the importance of m 3 of storage volume to m 2 of solar collectors’ area for several applications, domestic or industrial. The ideal range for that ratio is 1∼10 (e.g., if the ratio is 1, for every m 3 of thermal storage, there is 1 m 2 of solar collector area), depending on the importance of the system stability measure and the depth of storage time (short or long term storage) [19,37].
For the selection of the appropriate BB, OL-GHP, DGX and Chiller, the part-load ratio performance, the energy content of the fuel used (wood pellet or woodchip) and the COP—CEER indicators are considered. These equipment are affected by efficiency losses when in part-load load, which significantly reduce the total efficiency of the operating superstructure. Considering these criteria, as mentioned in Table 3, the most prominent equipment for thermal energy production and incorporation to the total superstructure are: FPCs, water-to-water OL-GHP, WP-BB and AbC (for cooling), while the most suitable TES system is the sensible heat storage water-medium system while for latent heat storage a salt-hydrate solution.

2.1.3. Truth Table and Quine–McCluskey Method (Karnaugh Maps—K-Maps)

After the selection of the technologies to be included in the superstructure, a binary approach towards the operation and load coverage follows, e.g., when the FPC cover the total thermal or cooling load, depending on the season, the output binary variable is 1, otherwise, it is 0. No part-load performance is considered in that stage of the design. When performed for all the selected equipment, the result is then structured on a “Connectivity matrix”, as it is commonly referred to [8]. However, the Connectivity matrix is constructed only for visual representation of the load-to-equipment coverage. If expanded, the Connectivity matrix is transcended to a Truth table and a resulting Karnaugh map, known from binary logic of electrical circuit design. The result of the Karnaugh map with the Quine–McCluskey method is the resulting superstructure optimum approach [8,38].
The Karnaugh map is a Boolean algebraic simplification tool, where binary variables are combined to express the output of a function (F). For the purpose of this study, as variables act the selected thermal energy production and storage equipment, while as the output function (F)—the heating (h) and cooling (c) load. Thus, when the designer expects the equipment (or a combination of them) to cover either load, the truth table assigns 1 to the respective equipment and at the output function. The assignment of the 1 s and 0 s to the Truth table has the inherent difficulty of choosing which equipment serves as main actors of the energy production process. As an example, if the designer chooses that the FPC will not cover the respective load (assigns 0 at the respective line at the Truth table), then the equipment should be considered only in full-load situations. That results in uncertainty at the design process where other factors including part-load operation scenarios and equipment performance should be considered (Multi-Integer Linear Programming—MILP).

2.1.4. Maximal Generation Matrices (MGMs) and P-Graph Approach

The step of output function configuration is necessary for the creation of the P-graph. Process synthesis problems, such as a DTESS design, can be represented by a sum of decision alternatives (the solutions of the F function). The representation of these alternatives as a graph is the Process graph or P-graph. Friedler et al. introduced the P-graph approach as a compact mathematical tool, applicable to all complex synthesis and process problems, even when these are undertaken in stages [38].
One inseparable component of P-graph approach, is maximal structures. Maximal structures in the form of matrices are called Maximal Generation Matrices (MGM) and they represent the maximum number of units contributing to the process. The result of that process might be a product, a service or as used in the present study, a thermal energy production process. In Section 3, Figure 3 represents the MGM for the case under study, while Figure 4—the corresponding P-graph.

2.1.5. Logic Circuits in Hydraulic Systems

The final stage of the design of the second layer refers to the hydraulic infrastructure layout. That step exploits the output of the P-graph approach and translates it into the respective hydraulic scheme. The necessary step from the logic gate of the P-graph approach to the mechanical design aspect of the schematic (to-be built superstructure), uses a conversion of the known logic gates (AND, OR, etc.) to a hydraulic plan with several types of valves and differential control. The conversion of AND and OR gate to hydraulic valve equivalents are available at Appendix A [39].
The flowchart in Figure 1 represents the steps described above. These steps are the procedure of the 2nd layer of the HDLM method and the focus of the layer is to propose a final superstructure design for DTESS cases. In that procedure, after the MCA for the suitable criteria selection, an equipment selection follows, which is performed via exploiting the pool of available technologies. Following that step, the designer may choose to opt for high-performing equipment and then decide whether that equipment will be a main actor for the system (thus, initially completing the truth table and Karnaugh map). By completing that step, the designer may construct the MGM and the P-graph of the system, relying on the information provided from the Karnaugh map and finally assigning the respective gates to their hydraulic equivalents in order to present the final superstructure layout.

2.2. Third Layer: Socioeconomic Evaluation of the Proposed Superstructure

The proposed system’s aim is to cover the heating and cooling needs of a Thermal Local Energy Community (TLEC). In order to assess its viability, several Key Performance Indicators (KPIs) are incorporated. The procedure of assessing the viability and economic feasibility of the proposed superstructure is depicted in Figure 5. After the construction of the final layout of the system, the designer may continue with the economic assessment of the proposed system. In order to proceed, the first step of the 3rd layer is to calculate the CAPEX and OPEX of the system according to up-to-date market values. For the next step, the calculation of the produced thermal and cooling energy may be performed, so that the LCoE of the system can be adequately assessed. If there are any limitations on budget (CAPEX) or on the cost of energy (LCoE), the designer may decide to return to the 2nd layer, and differentiate the installed capacity of any of the chosen equipment.
The most important KPIs used in DTESS systems, according to [7,10,14,18,21] and the information provided in Section 2.1.1, are the Capital Expenditures (CAPEX), the Operational Expenditures (OPEX), the CO 2 equivalents emissions, the system’s yearly energy production, the Levelized Cost of Energy (LCoE), the total land used for the system and the combined capacity factor.
The available capital for the initial investment is important when choosing the appropriate technology. Thus, after the initial design proposition for the superstructure, a balance validation should follow to check whether the solution is viable. CAPEX acts as the buffer between the design and the implementation [31,32]. Of equal significance, for the feasibility of a DTESS system, is the OPEX. If the operational costs for the proposed system are disproportionate to the existing, there are significant design decisions to be made, especially in the reliability and maintainability aspects of the chosen technologies [4,22]. As far the cost of the produced energy is concerned, the LCoE is the most important factor according to [14,15,22]. In that case, if CAPEX and OPEX thresholds are met, the LCoE is the next important indicator of the system’s viability. The last indicator of feasibility for the system is the land use, as most often than not, DTESS design propositions fail as they require significant land area, which might not be available, or its acquisition will raise the capital costs excessively [22].

3. Case Study

This section focuses on the application of the aforementioned algorithm for the DTESS system design on a real TLEC in Greece. First, the case study description and heating/cooling load calculations are presented. Next, the steps described in Section 2 are applied to the case study. At the end of this section, a complete hydraulic installation proposition for the case study will be presented.

3.1. Case Study Description

The case of Kimmeria, Xanthi, as presented in Part A of the current study, is used [9]. As approached in the 1st layer of HDLM [9], the total thermal energy required for the complex of the 8 buildings of the University’s student residencies is 1814.48 MWh t h /year. That yearly thermal energy demand refers to the thermal energy demand for the heating season with no transmission losses included in the calculation. The transmission losses in district heating networks vary depending on the ambient conditions of the system, the insulation type and thickness. Several studies have approached the issue and have concluded that the district’s grid thermal losses are between 12% and 16% of the thermal energy produced [40,41]. As such, and because of the poorly insulated district network of the case study, the worst case of 16% is considered, resulting in a total of 2014.8 MWh t h /year.
The authors also used the Heating and Cooling Degree Days’ methodology (HDD and CDD) to test the validity of their model’s results as proposed by Kalogirou S. [30]. The results of the HDD method are: D D h = 1864.9 , with a reference temperature of −9 C and for indoor design temperature of 21 C. The peak heating load is 1209.32 kW p , h e a t i n g . Heating requirement with the DD method: 2142.18 MWh t h . The results of the CDD method are: D D c = 559.47 , with reference temperature 36 C and for indoor design temperature of 25 C. The peak cooling load is 1451.2 kW p , c o o l i n g . The cooling requirement with the DD method is 405.47 MWh c .
The difference between the HDD method and the HDLM 1st Layer approach is at 1.7%, which is considered acceptable by the authoring team. Since the difference is insignificant, the calculations that follow use the 2142.18 MWh t h /yr [9]. Figure 6 shows the heating and cooling load variation throughout the year. According to the National Directive on Energy Use in Buildings in Greece, the difference between heating and cooling loads is significant, especially in the northern areas of Greece [42].
The technologies selected from Section 2.1.2 are used as presented in Table 4. These are the Biomass Boiler (WP-BB), Solar Panels (FPC), Geothermal Heat Pumps (OL-GHP) and water-based sensible TESS system. For the coverage of the cooling needs, an Absorption chiller (AbC) is also added. As the absorption chiller produces cooling energy by consuming thermal energy, it is approached as a thermal load for the DTESS.
The four-variable truth table and the results for both heating and cooling load approaches are shown in Table 5. It should be noted that the consideration for the different combinations of equipment for response to the load were made based on the peak loads for heating and cooling. In these peak loads, an additional 10% is added for safety and to avoid the underdimensioning of the system. An example in the second line of Table 5, the biomass boiler is OFF, the collectors do not produce any thermal energy, the OL-GHPs are OFF, and the TESS is fully charged. In that case, the designer’s decision is that the TESS alone cannot meet the heating load, but it can cover the cooling in the summer case.
As described in Section 2.1.3, for the truth table of Table 5, the corresponding Karnaugh map is presented in Table 6. Based on the Quine–McCluskey method, the equation that simplifies the Karnaugh map for the heating (h) is given in Equation (1) [43].
h = C D + B C + A D + A C + A B
By exploiting the above approach to the cooling (c) load, Equation (2) provides the simplified approach of the Karnaugh map of Table 7 [43].
c = C + A + B D
The results of Equations (1) and (2) is the MGM as depicted in Figure 3. The thermal energy production assets (Biomass Boiler, Solar panels and Geothermal Heat Pumps) are all contributing to the thermal load, either via the charging of the TESS, or by covering it directly. These thermal loads might be the heating load or the thermal energy required for the production of the cooling energy by the absorption chiller.
The TESS plays an integral part for the operation of the system, as it creates the necessary buffering effect between the production and the consumption of the thermal energy. Cooling energy storage (CTESS) is not employed and the cooling energy is considered to be produced only in times of demand. A CTESS system would be necessary if there was no TESS considered in the initial design of the system, as it would be unfeasible to exploit the renewable thermal energy produced when needed [44].
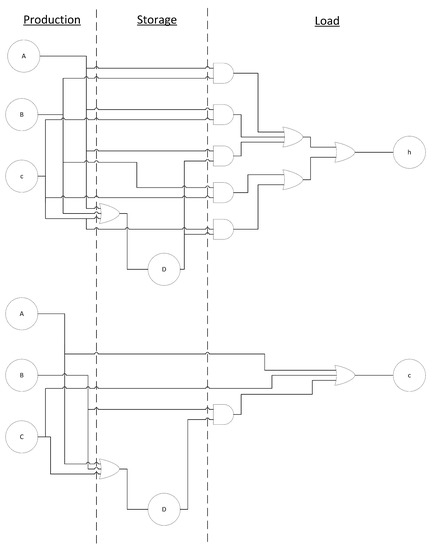
As described in Section 2.1.4, the MGM representation is an aspect of a larger group of solutions, all included in a P-graph (Figure 4). The P-graph, in this case study, is produced as shown by Equations (1) and (2).
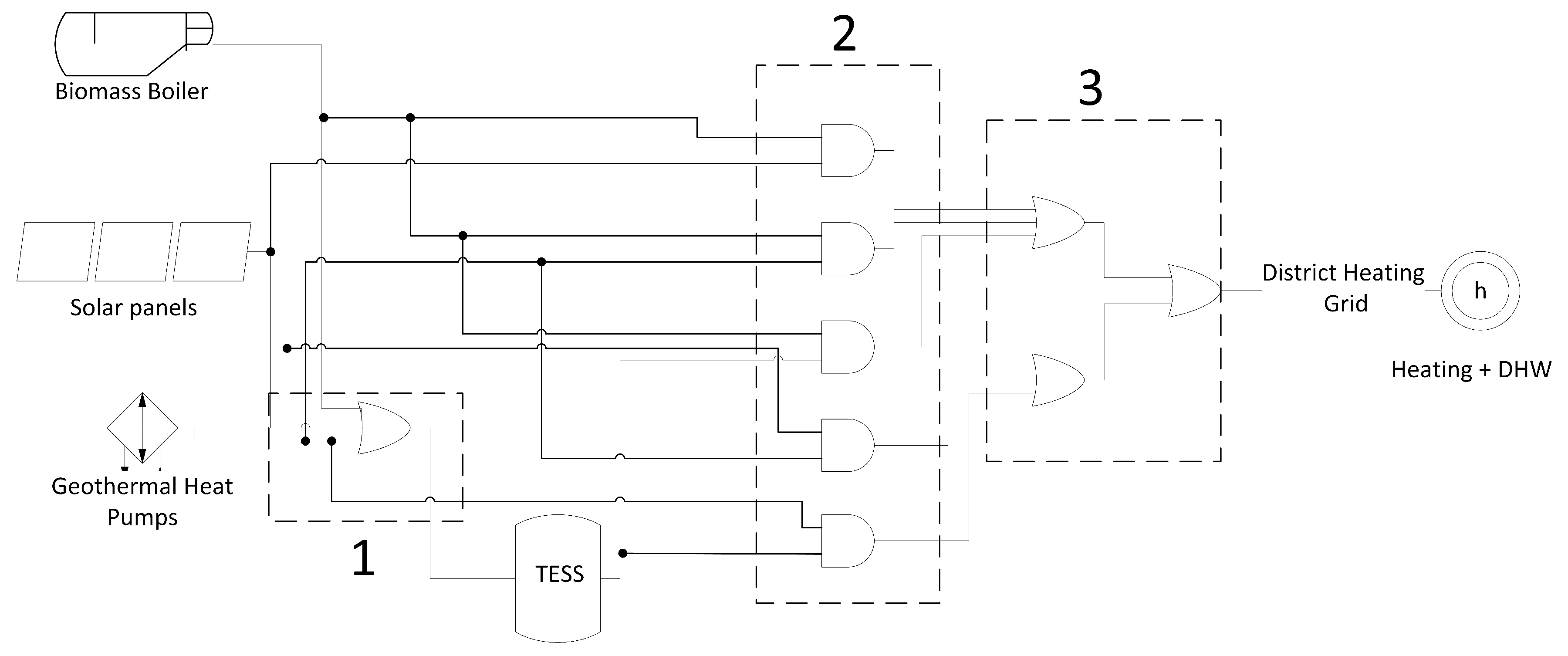
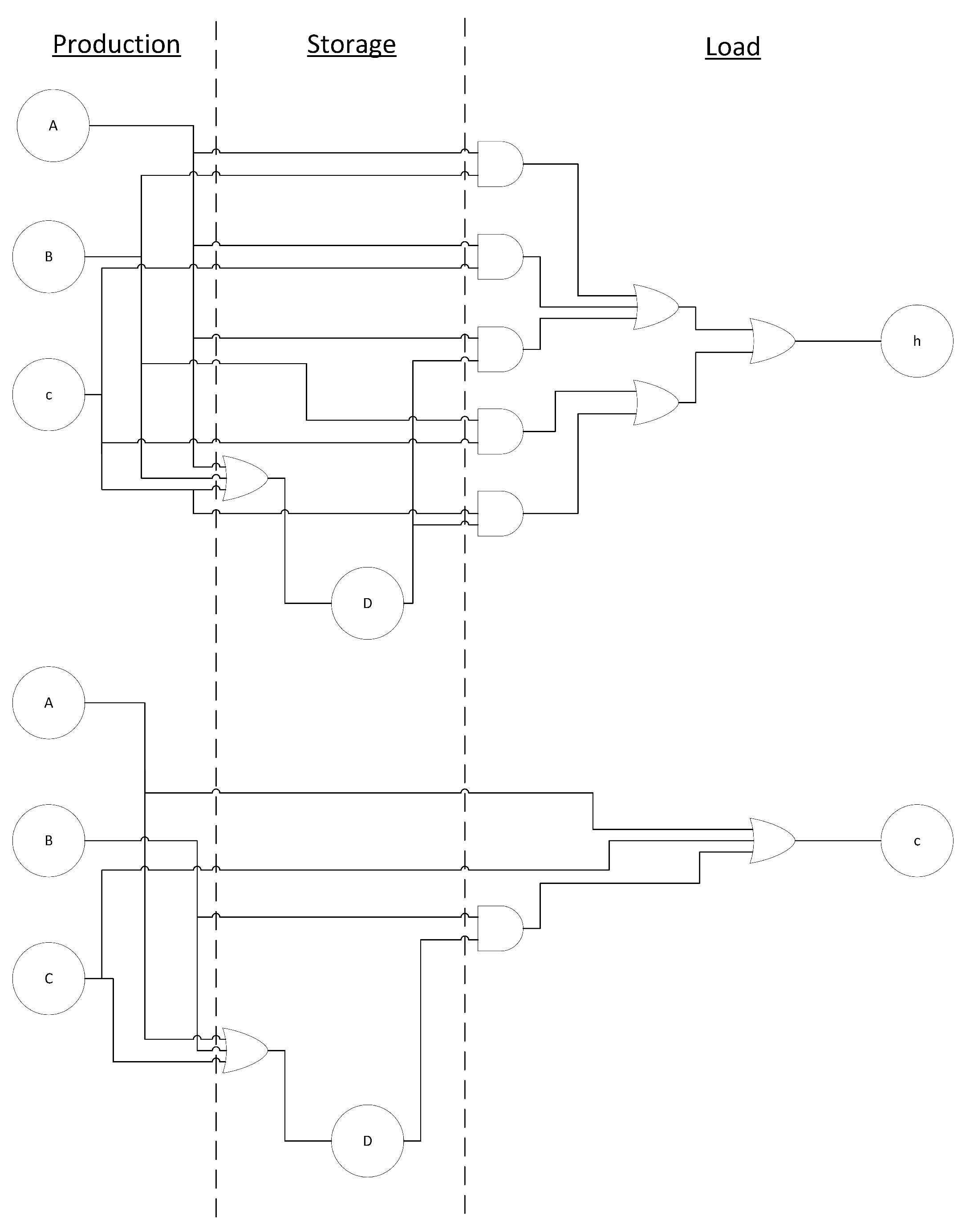
The expansion of the P-graph with the incorporation of all four pieces of equipment, is presented in Figure 7 and Figure 8 for the heating and cooling scenario, respectively. The extra details add the necessary design information on the graph and numerate the logic gates, which will then be modelled in the hydraulic system’s layout. In Figure 7, logic gate 1 depicts the charging process of the TESS by the thermal energy production equipment, the BB, the FPCs and the OL-GHP, as depicted in Figure 4 for the heating scenario.
Logic gates 2 and 3 represent the different combinations between the thermal energy production equipment and the TESS contribution to cover the heating load. Figure 8 follows the same pattern, as logic gate 1 refers to the charging process of the TESS, while 2 and 3 logic gates represent the different cooling load coverage combinations.

3.2. Heating Scenario

For the heating scenario, a peak load of 1330.25 kW t h , p (10% increase on the 1209.32 kW p , h e a t i n g ) needs to be covered by the production system. As a baseline scenario, a completely discharged TESS is considered, and thus, the only option is to cover the load completely by the production system. An additional consideration is the domestic hot water use (DHW) which accounts for approximately 10% of the thermal energy required. The aim of the DTESS design is to cover the worst case scenario of the heating demand.
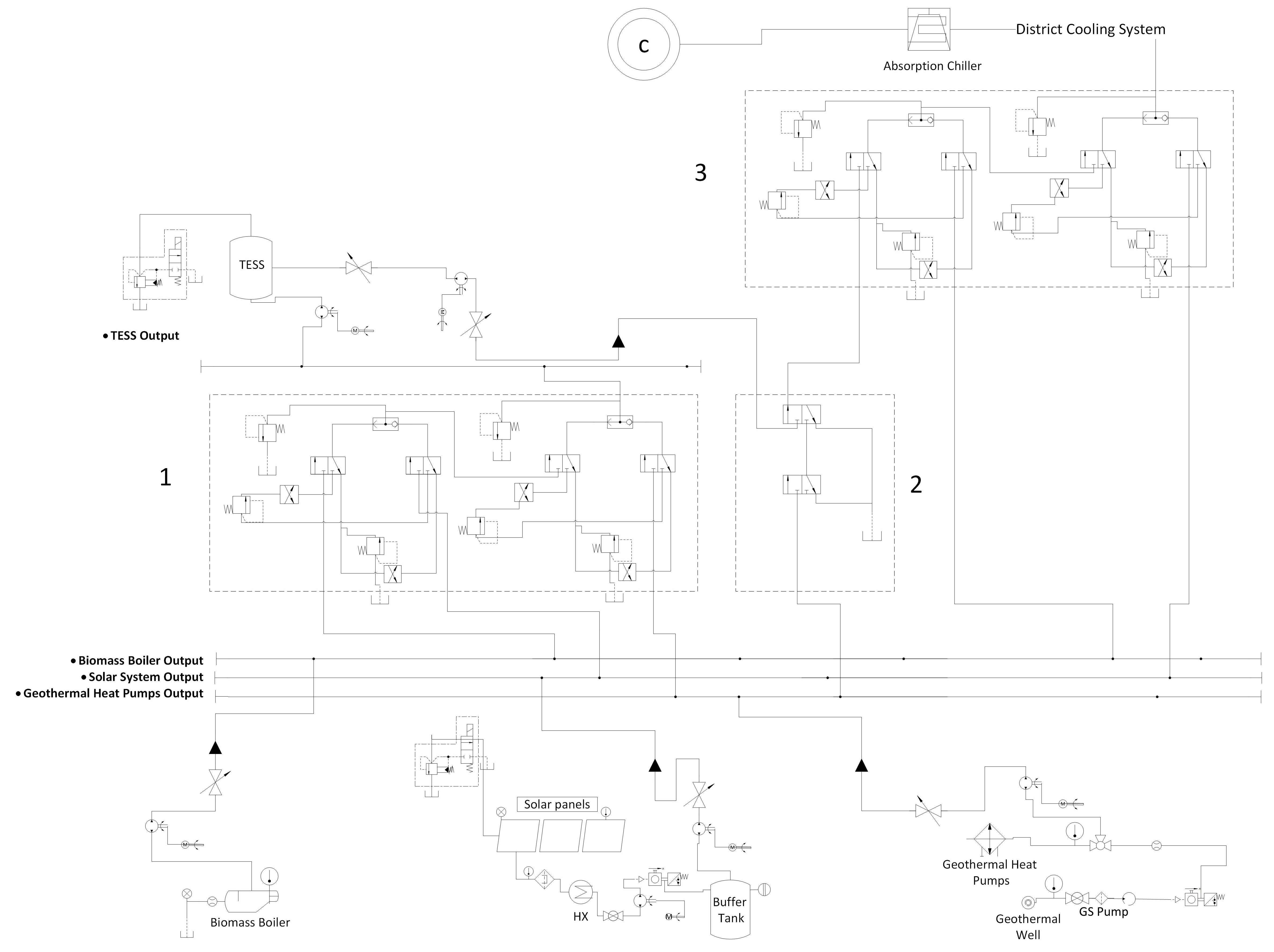
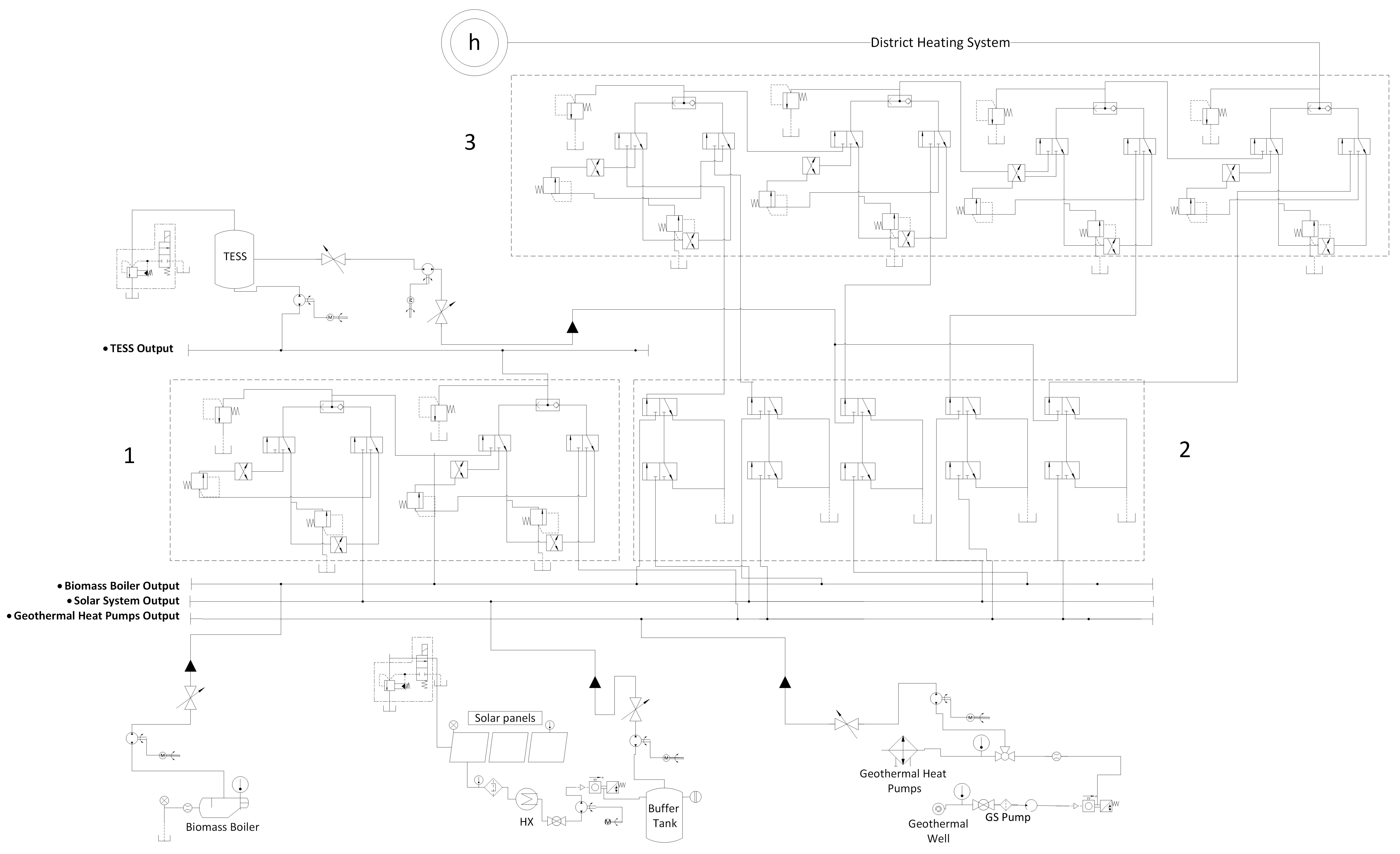
The final design for the heating case is depicted in Figure 9. The proposed layout is a product of the P-graph in Figure 7 and every logic gate is included using the hydraulic valve equivalent, as mentioned in Appendix A. As described above, the worst-case scenario where TESS is discharged and the FPCs are not producing energy (not enough solar radiation), the OL-GHPs along with the WP-BB are covering the heating load. The initial dimensioning of the system, for the WP-BB and the OL-GHP, is performed in the worst-case scenario. During the worst-case scenario, a full-load situation is demanded from the system.
While the WP-BB operates optimally during full-load scenarios, the OL-GHP underperforms. In a full-load scenario, the GHP operates at sub-optimal COP, resulting in less thermal energy produced for every kW of input energy [45]. Thus, for the worst-case scenario, a favorable dimensioning of the WP-BB’s capacity is observed, which optimizes the DTESS’ performance. The dimensioning of the FPCs is deliberately not considered during the heating scenario (winter scenario) because of the low performance of solar panels during this time of the year.

3.3. Cooling Scenario

As for the cooling scenario, the cooling load is covered by absorption chiller(s). The required thermal energy input for the operation of the chiller depends on the part-load ratio. For the peak load scenario, a 10% safety factor is considered and the cooling load to be covered is 1596.32 kW c , p . The worst-case scenario includes discharged TESS and optionally, no WP-BB operation is considered. In that case, the FPCs’ nominal capacity is such that the full thermal load required for the production of the necessary cooling energy is produced. In peak load (full-load), the COP of the chiller(s) is near 1. In that case, the maximum thermal energy required is 1596.32 kW c , p .
Figure 10 presents the hydraulic valve equivalent of the P-graph of Figure 8. Unlike the heating scenario, the P-graph for the cooling energy production is less versatile. The proposed energy production vectors are either the WP-BB, or the FPCs, or the combination of TESS and OL-GHPs. The logic gates 1, 2 and 3 are designed according to Figure 8 as their hydraulic equivalents.

4. Results and Discussion

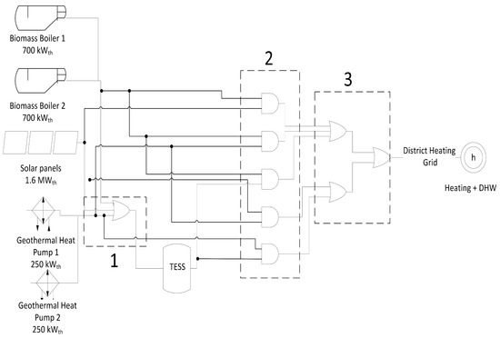
As described in Section 3.2 and Section 3.3, the heating and cooling worst-case scenarios provide important input for the dimensioning of the system. To meet the full heating load (1330.25 kW p , h e a t i n g ), the biomass boiler’s capacity is set at 1.4 MW t h . For the coverage of the cooling load, the FPCs’ nominal capacity is set at 1.6 MW t h (1596.32 kW p , c o o l i n g ). While the OL-GHP is included in the superstructure, because of its low temperature range (<45 C, unless a two-stage heat pump is considered for increased temperature output >75 C), it is unable to cover either the heating or the cooling load [4,8,15]. However, its operation is sufficient as a back-up system or in operational scenarios where part-load situations occur. Its nominal capacity is set at 500 kW t h . As far as the TESS is concerned, Sillman S. suggests that the performance of a solar-thermal system with storage increases linearly up to the point of every kW t h produced during the most sunny summer day is stored in the TESS [37]. In that case, the TESS’s capacity is 1.24 MW t h (1.6 MW t h of FPCs of approximately 78% efficiency), or 50 m 3 of storage.
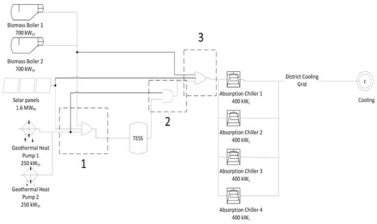
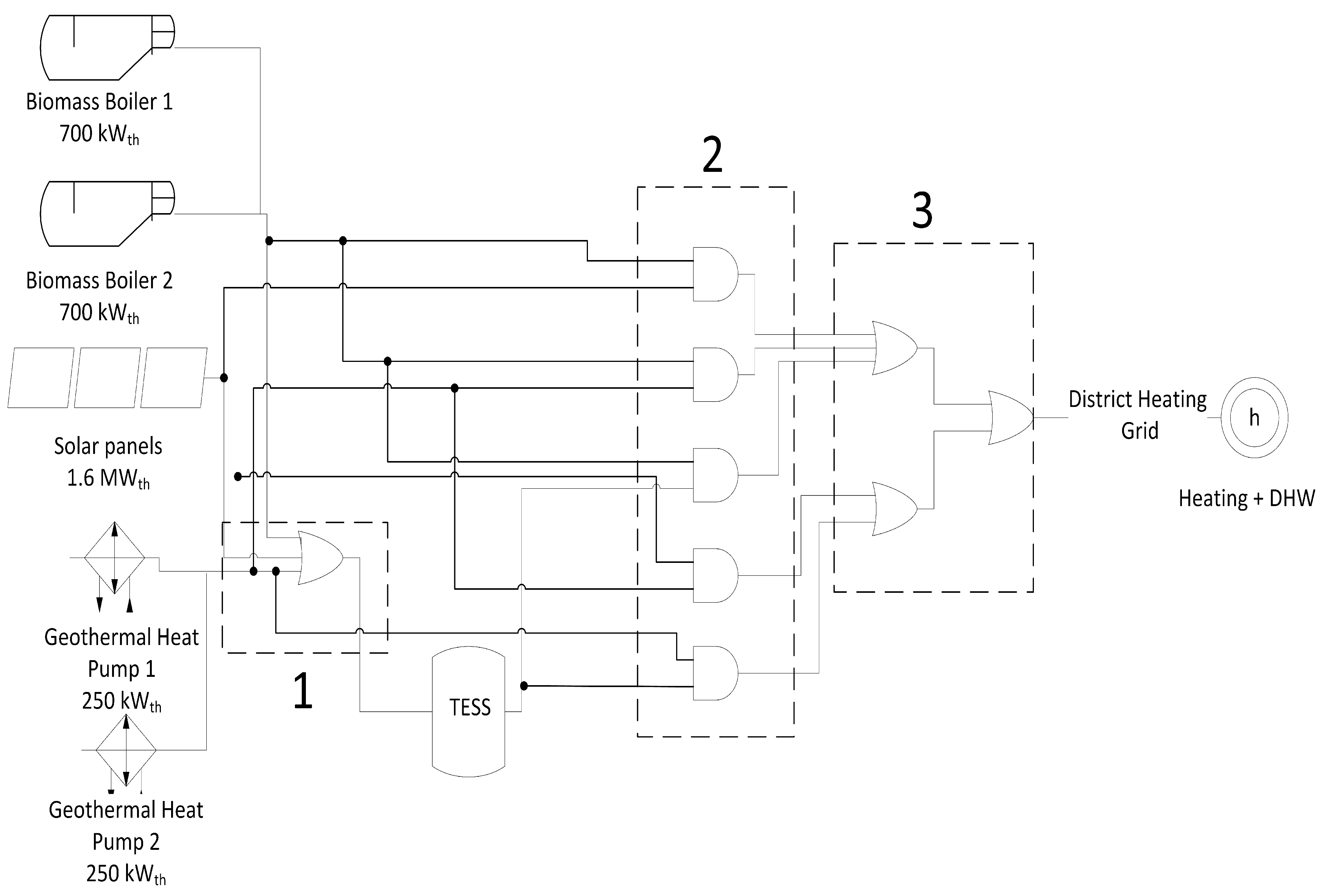
The final design of the superstructure of the DTESS should address both the worst-case and the part-load cases of the system under investigation. In order to avoid the constant part-load performance of the biomass boiler, the nominal capacity of 1.4 MW t h is divided into 2 separate boilers of 700 kW t h each. By approaching the system in that manner, inertia issues of a significantly larger boiler are avoided and maintainability increases. For the case of the OL-GHP, the option of two heat pumps of 250 kW t h each, connected in parallel, is picked. The absorption chiller is the only actor of the cooling energy production system and its installed capacity is set at 1.6 MW c . To maintain a certain part-load performance and to improve maintainability, the cooling system is assumed to be divided into four chillers of 400 kW c connected in parallel. Figure 11 and Figure 12 represent the final P-graphs for the heating and cooling scenario, including the installed capacities of the parallel equipment.
In both cases, the TESS’s design followed a black-box approach as the number of vessels, their interconnection and the charging principle requires further investigation [19] and it is outside the scope of the current study.

Economic Feasibility

For the third and final layer, the techno-economic assessment of the proposed DTESS follows. Table 8 presents the equivalent costs of the equipment under consideration. The prices mentioned refer to pre-COVID pricing [46]. Table 9 shows the Key Performance Indicators (KPIs) of the proposed system.
It is worth noting that the process leading to the final implementation of the system does not include the costs of the district system or costs for peripheral control equipment. The results leading up to the implementation indicate that the proposed LCoE for both heating and cooling are relatively high when compared to the existing fossil fuel based system (0.15 €/kWh). In order to decrease the LCoE value, the designer is referred to the second layer and to modify the installed capacities of the proposed system (see Figure 5). The implementation of this work is under investigation from the research team of this study.
If, however, funding schemes alleviate the initial cost of the proposed system, the LCoE might drop even bellow the conventional system’s price. A funding scheme such as any national incentive might provide over 80% funding of initiatives which aid the energy transition [3]. If 80% funding is considered, the LCoE of the proposed system will be 0.21 €/kWh for the heating and 0.59 €/kWh for the cooling. The issue of technology maturity for the technologies used also affects the final energy price. The prices for renewable technologies are dropping and partially funding schemes and intensive research are responsible for the progress [47]. Addressing the technology maturity and market penetration stage of these technologies will decrease the LCoE of renewable DTESSs even more.
Some limitations of the HDLM methodology, to the best knowledge of the authors, are: (i) the extensive mathematical structure of the first layer, which includes several mathematical processes with different degrees of combination efficiency [9], (ii) the decision-making process at the Truth Table (second layer), which might result in many different superstructure systems, (iii) the return loop from layer 3 to layer 2 in cases, where the economic thresholds set by the design team, are not met. A first approach indicates that the less intrusive way of changing the CAPEX of the proposed system, is to scale down the dimensioning of the most expensive (€/kW) equipment. This might result in scaling up the installed capacity of another equipment, differentiating the initial cost of the investment. However, more detailed analysis is needed, as if there are land area limitations, some solutions might be unfeasible, so another way of reducing the cost might be appropriate.
The main difference of the HDLM methodology and the existing optimization approaches for DTESS systems, is mainly the final proposition of the system. To the best knowledge of the research team, there is no algorithm developed that proposes a final hydraulic design, which is easily exploitable by any researcher, designer or engineer. The importance of that feature is that many layout limitations can be solved early on, and further studies can be incorporated. Studies such as valves and fittings selection, position and placement, control strategies for prioritization of operation of the different actors of the DTESS system, etc.

5. Conclusions

The attempt of the current study is to present a novel structured way of designing DTESSs. The authors focused on the last two layers of their three-layer HDLM TLEC design approach. The first layer was presented on Part A of the study and focused on defining the prosumers’ energy profile [9]. The second layer is a mathematically structured approach towards designing DTESS, based on the information from layer 1 and designs the system to address the demands of the prosumers. The third layer is the economic and KPI assessment of the proposed system from layer 2.
The proposed methodology for layer 2 is a novel way of eliminating the a priori requirement of complex energy systems design. The introduction of appropriate technologies’ selection via AHP method significantly reduces unfeasible solutions and the complexity of the design. As a next step, the authors suggest a Karnaugh map approach which optimizes the design process via exploring several combinations of the selected equipment and how they will interact to meet the heating and cooling loads. Following that step, the design of P-graph and Maximal Generation matrices exploit the information of the Karnaugh map and present a first superstructure approach for the system. To conclude the second layer, the authors investigated the application of logic circuits in hydraulic systems, and they presented a complete mechanical design solution for both heating and cooling scenarios using the case study of Kimmeria, Xanthi. The proposition of a final hydraulic system layout for the superstructure is novel and such an approach is not yet mentioned in the literature available, to the best knowledge of the authors.
As far as the third layer is concerned, the economic evaluation of the proposed system provided useful insight for the feasibility of the solution. The LCoE of the system was considered competitive on behalf of the authors, who support the position of the funding and incentivisation needed for such initiatives. The results of the study signify the practicality of the approach as the designer decides only on a combination of equipment to meet the load. Thus, the proposed methodology differs from the existing research attempts as no optimization process is involved and thus, less computational effort is required. The proposed HDLM methodology can also be uniformly integrated into the decision-making process of municipality-level infrastructure design, as a low level of expertise is required. On the regional and multi-national level, the legal enactment of directives promoting TLECs may be accelerated as the methodology is highly applicable and the quality of its level of results is high.
The concluding remarks on this study strongly underline the practicality of logic circuits use, integrated in hydraulic system design. The process is previously referred to in the literature, but little focus is given. More detail is needed for case-specific AHP criteria as the results provide a small number of renewable technologies suitable to cover the local demands. Socio-political criteria of renewable DTESS require further investigation. Additionally, the authors highlight the importance of the truth table completion, as the decisions represented in the table highly affect the final design of the system.

Author Contributions

Conceptualization, A.G.P. and P.N.B.; Data curation, A.G.P.; Formal analysis, A.G.P.; Investigation, A.G.P.; Methodology, A.G.P.; Supervision, P.N.B.; Validation, P.N.B.; Visualization, A.G.P. and P.N.B.; Writing—original draft, A.G.P.; Writing—review & editing, A.G.P. and P.N.B. All authors have read and agreed to the published version of the manuscript.

Funding

The current research received no funding.

Data Availability Statement

Not applicable.

Conflicts of Interest

The authors declare no conflict of interest.

Abbreviations

The following abbreviations are used in this manuscript:
AbCAbsorption ChillerGHGGreenhouse Gasses
AdCAdsorption ChillerHDDHeating Degree Days
AHPAnalytical Hierarchical MethodHDLMHierarchically Dependent Layering Methodology
BBBiomass BoilerK-mapKarnaugh map
CAPEXCapital ExpendituresLCoELevelized Cost of Energy
COPCoefficient of PerformanceLECLocal Energy Community
CEERCombined Electrical Efficiency RatioMGMMaximal Generation Matrix
CDDCooling Degree DaysMILPMulti-Integer Linear Programming
CTESSCooling Thermal Energy Storage SystemMCAMulti Criteria Analysis
TESThermal Energy StorageOPEXOperational Expenditures
DeCDesiccant ChillerPSCParabolic Solar Collector
DESDistributed Energy SystemTESThermal Energy Storage
ETCEvacuated Tube CollectorTDESSThermal Distribution Energy Supply System
FPCFlat Plate CollectorTLECThermal Local Energy Community
GHPGeothermal Heat Pump

Appendix A

Figure A1. Logic gates and their respective hydraulic scheme.
Figure A1. Logic gates and their respective hydraulic scheme.
Energies 15 07708 g0a1

References

  1. Mavromatidis, G.; Orehounig, K.; Carmeliet, J. A review of uncertainty characterisation approaches for the optimal design of distributed energy systems. Renew. Sustain. Energy Rev. 2018, 88, 258–277. [Google Scholar] [CrossRef]
  2. Akorede, M.F.; Hizam, H.; Pouresmaeil, E. Distributed energy resources and benefits to the environment. Renew. Sustain. Energy Rev. 2010, 14, 724–734. [Google Scholar] [CrossRef]
  3. Papatsounis, A.G.; Botsaris, P.N.; Katsavounis, S. Thermal/Cooling Energy on Local Energy Communities: A Critical Review. Energies 2022, 15, 1117. [Google Scholar] [CrossRef]
  4. Dorać, B.; Grozdek, M.; Pukšec, T.; Duić, N. Excess heat utilization combined with thermal storage integration in district heating systems using renewables. Therm. Sci. 2020, 24, 3673–3684. [Google Scholar] [CrossRef]
  5. Caballero, J.A.; Grossmann, I.E. Synthesis of complex thermally coupled distillation systems including divided wall columns. AIChE J. 2013, 59, 1139–1159. [Google Scholar] [CrossRef]
  6. D’Isanto, M.; Manenti, F.; Grottoli, M.G.; Altavilla, M.; Marco, R.D. Online Superstructure Optimization for Energy Saving of an Industrial Gas Distribution System. Chem. Eng. 2012, 29, 385–390. [Google Scholar]
  7. Yokoyama, R.; Hasegawa, Y.; Ito, K. A MILP decomposition approach to large scale optimization in structural design of energy supply systems. Energy Convers. Manag. 2002, 43, 771–790. [Google Scholar] [CrossRef]
  8. Voll, P.; Klaffke, C.; Hennen, M.; Bardow, A. Automated superstructure-based synthesis and optimization of distributed energy supply systems. Energy 2013, 50, 374–388. [Google Scholar] [CrossRef]
  9. Papatsounis, A.G.; Botsaris, P.N.; Katsavounis, S. Improved Structural Local Thermal Energy Planning Based on Prosumer Profile: Part A. Appl. Sci. 2022, 12, 5355. [Google Scholar] [CrossRef]
  10. Diakoulaki, D.; Karangelis, F. Multi-criteria decision analysis and cost-benefit analysis of alternative scenarios for the power generation sector in Greece. Renew. Sustain. Energy Rev. 2007, 11, 716–727. [Google Scholar] [CrossRef]
  11. Bugaeva, T.; Filippova, I.; Tribunskii, N. Applying the Analytic Hierarchy Process to Decision Making on the Development of Urban Energy System. In Proceedings of the 2nd International Scientific Conference on Innovations in Digital Economy: SPBPU IDE-2020, St. Petersburg, Russia, 22–23 October 2020; pp. 1–6. [Google Scholar]
  12. Khoury, J.; Mbayed, R.; Salloum, G.; Monmasson, E. Optimal sizing of a residential PV-battery backup for an intermittent primary energy source under realistic constraints. Energy Build. 2015, 105, 206–216. [Google Scholar] [CrossRef]
  13. Mehrjerdi, H.; Rakhshani, E. Correlation of multiple time-scale and uncertainty modelling for renewable energy-load profiles in wind powered system. J. Clean. Prod. 2019, 236, 117644. [Google Scholar] [CrossRef]
  14. Abdon, A.; Zhang, X.; Parra, D.; Patel, M.K.; Bauer, C.; Worlitschek, J. Techno-economic and environmental assessment of stationary electricity storage technologies for different time scales. Energy 2017, 139, 1173–1187. [Google Scholar] [CrossRef]
  15. Kılkış, Ş.; Krajać, G.; Duić, N.; Montorsi, L.; Wang, Q.; Rosen, M.A. Research frontiers in sustainable development of energy, water and environment systems in a time of climate crisis. Energy Convers. Manag. 2019, 199, 111938. [Google Scholar] [CrossRef]
  16. Kazas, G.; Fabrizio, E.; Perino, M. Energy demand profile generation with detailed time resolution at an urban district scale: A reference building approach and case study. Appl. Energy 2017, 193, 243–262. [Google Scholar] [CrossRef]
  17. Trojanowski, R.; Butcher, D.T.A.; Wei, G.; Celebi, Y. New York State Energy Research and Development Authority. In Performance of a Biomass Boiler in a Load Profile Test; Brookhaven National Laboratory (BNL-211372-2019-INRE): Upton, NY, USA, 2019. [Google Scholar]
  18. Trieb, F.; Liu, P.; Koll, G. Thermal Storage Power Plants (TSPP)-Operation modes for flexible renewable power supply. J. Energy Storage 2022, 50, 104282. [Google Scholar] [CrossRef]
  19. Navarro, L.; Gracia, A.D.; Colclough, S.; Browne, M.; McCormack, S.J.; Griffiths, P.; Cabeza, L.F. Thermal energy storage in building integrated thermal systems: A review. Part 1. active storage systems. Renew. Energy 2016, 88, 526–547. [Google Scholar] [CrossRef]
  20. Voll, P.; Lampe, M.; Wrobel, G.; Bardow, A. Superstructure-free synthesis and optimization of distributed industrial energy supply systems. Energy 2012, 45, 424–435. [Google Scholar] [CrossRef]
  21. Papatsounis, A.G.; Botsaris, P.N.; Lymperopoulos, K.A.; Rotas, R.; Kanellia, Z.; Iliadis, P.; Nikolopoulos, N. Operation assessment of a hybrid solar-biomass energy system with absorption refrigeration scenarios. Energy Sources Part A Recover. Util. Environ. Eff. 2022, 44, 700–717. [Google Scholar] [CrossRef]
  22. Troldborg, M.; Heslop, S.; Hough, R.L. Assessing the sustainability of renewable energy technologies using multi-criteria analysis: Suitability of approach for national-scale assessments and associated uncertainties. Renew. Sustain. Energy Rev. 2014, 39, 1173–1184. [Google Scholar] [CrossRef]
  23. Mostafaeipour, A.; Sedeh, A.S.; Chowdhury, S.; Techato, K. Ranking potential renewable energy systems to power on-farm fertilizer production. Sustainability 2020, 12, 7850. [Google Scholar] [CrossRef]
  24. Lee, H.C.; Chang, C.T. Comparative analysis of MCDM methods for ranking renewable energy sources in Taiwan. Renew. Sustain. Energy Rev. 2018, 92, 883–896. [Google Scholar] [CrossRef]
  25. Stein, E.W. A comprehensive multi-criteria model to rank electric energy production technologies. Renew. Sustain. Energy Rev. 2013, 22, 640–654. [Google Scholar] [CrossRef]
  26. Streimikiene, D.; Balezentis, T.; Krisciukaitienė, I.; Balezentis, A. Prioritizing sustainable electricity production technologies: MCDM approach. Renew. Sustain. Energy Rev. 2012, 16, 3302–3311. [Google Scholar] [CrossRef]
  27. Garni, H.A.; Kassem, A.; Awasthi, A.; Komljenovic, D.; Al-Haddad, K. A multicriteria decision making approach for evaluating renewable power generation sources in Saudi Arabia. Sustain. Energy Technol. Assess. 2016, 16, 137–150. [Google Scholar] [CrossRef]
  28. Haddad, B.; Liazid, A.; Ferreira, P. A multi-criteria approach to rank renewables for the Algerian electricity system. Renew. Energy 2017, 107, 462–472. [Google Scholar] [CrossRef]
  29. Zhongming, Z.; Wei, L. Renewable Energy in Europe-Approximated Recent Growth and Knock-On Effects; European Environment Agency: Copenhagen, Denmark, 2015. [Google Scholar]
  30. Kalogirou, S.A. Solar Energy Engineering: Processes and Systems, 2nd ed.; Elsevier: Oxford, UK, 2014; pp. 331–332. [Google Scholar]
  31. Bhattacharjee, R.; Bhattacharjee, S. Viability of a concentrated solar power system in a low sun belt prefecture. Front. Energy 2020, 14, 850–866. [Google Scholar] [CrossRef]
  32. Langer, J.; Quist, J.; Blok, K. Recent progress in the economics of ocean thermal energy conversion: Critical review and research agenda. Renew. Sustain. Energy Rev. 2020, 130, 109960. [Google Scholar] [CrossRef]
  33. Maximov, S.A.; Mehmood, S.; Friedrich, D. Multi-objective optimisation of a solar district heating network with seasonal storage for conditions in cities of southern Chile. Sustain. Cities Soc. 2021, 73, 103087. [Google Scholar] [CrossRef]
  34. Hemmatabady, H.; Welsch, B.; Formhals, J.; Sass, I. AI-based enviro-economic optimization of solar-coupled and standalone geothermal systems for heating and cooling. Appl. Energy 2022, 311, 118652. [Google Scholar] [CrossRef]
  35. International Trade Administration. Privacy Shield Framework. 2020. Available online: https://www.privacyshield.gov/article?id=Greece-Renewable-Energy (accessed on 11 October 2022).
  36. Bazri, S.; Badruddin, I.A.; Naghavi, M.S.; Bahiraei, M. A review of numerical studies on solar collectors integrated with latent heat storage systems employing fins or nanoparticles. Renew. Energy 2018, 118, 761–778. [Google Scholar] [CrossRef]
  37. Sillman, S. The Trade-Off between Collector Area, Storage Volume, and Building Conservation in Annual Storage Solar Heating Systems; Solar Energy Research Institute: Bangi, Selangor, Malaysia, 1981. [Google Scholar]
  38. Friedler, F.; Tarjan, K.; Huang, Y.W.; Fan, L.T. Graph-theoretic approach to process synthesis: Axioms and theorems. Chem. Eng. Sci. 1992, 47, 1973–1988. [Google Scholar] [CrossRef]
  39. Dobândă, E.; Bordeaşu, I. Using logic gates in fluid power systems control (Part 1). In Proceedings of the 2017 International Conference on Hydraulics and Pneumatics—HERVEX, Băile Govora, Romania, 8–10 November 2017; pp. 42–47. [Google Scholar]
  40. Vesterlund, M.; Sandberg, J.; Lindblom, B.; Dahl, J. Evaluation of losses in district heating system, a case study. In Proceedings of the International Conference on Efficiency, Cost, Optimization, Simulation and Environmental Impact of Energy Systems, Guilin, China, 16–19 July 2013. [Google Scholar]
  41. Çomaklı, K.; Yüksel, B.; Çomaklı, Ö. Evaluation of energy and exergy losses in district heating network. Appl. Therm. Eng. 2004, 24, 1009–1017. [Google Scholar] [CrossRef]
  42. Dascalaki, E.G.; Balaras, C.A.; Gaglia, A.G.; Droutsa, K.G.; Kontoyiannidis, S. Energy performance of buildings—EPBD in Greece. Energy Policy 2012, 45, 469–477. [Google Scholar] [CrossRef]
  43. Swiatczak, M.D. Different algorithms, different models. Qual. Quant. 2022, 56, 1913–1937. [Google Scholar] [CrossRef]
  44. Ban, M.; Krajać, G.; Grozdek, M.; Ćurko, T.; Duić, N. The role of cool thermal energy storage (CTES) in the integration of renewable energy sources (RES) and peak load reduction. Energy 2012, 48, 108–117. [Google Scholar] [CrossRef]
  45. Chen, X.; Zhang, G.; Peng, J.; Lin, X.; Liu, T. The performance of an open-loop lake water heat pump system in south China. Appl. Therm. Eng. 2006, 26, 2255–2261. [Google Scholar] [CrossRef]
  46. IEA. Renewable Energy Prospects for the European Union: Preview for Policy Makers; International Renewable Energy Agency: Abu Dhabi, United Arab Emirates, 2018. Available online: https://policycommons.net/artifacts/1623058/renewable-energy-prospects-for-the-european-union/2312984/ (accessed on 12 October 2022).
  47. Rademakers, K.; Smith, M.; Demurtas, A.; Vega, P.C.T.; Janzow, N.; Zibell, L.; Hoogland, O.; Pollier, K.; Crènes, M.; Radigois, G. Study on Energy Prices, Costs and Their Impact on Industry and Households: Final Report; Publications Office: Luxembourg, 2020. [Google Scholar]
Figure 1. Flowchart representing the research procedure of the 2nd layer of HDLM.
Figure 1. Flowchart representing the research procedure of the 2nd layer of HDLM.
Energies 15 07708 g001
Figure 2. Weighted summed values of the sub-criteria as calculated using the AHP method (R.I. = 1.32, λ m a x = 6.17) (Table 1).
Figure 2. Weighted summed values of the sub-criteria as calculated using the AHP method (R.I. = 1.32, λ m a x = 6.17) (Table 1).
Energies 15 07708 g002
Figure 3. MGM representation of the system layout.
Figure 3. MGM representation of the system layout.
Energies 15 07708 g003
Figure 4. P-graph approach representing Equations (1) and (2) for the heating and cooling scenario, respectively.
Figure 4. P-graph approach representing Equations (1) and (2) for the heating and cooling scenario, respectively.
Energies 15 07708 g004
Figure 5. Flowchart representing the research procedure of the 3rd layer of HDLM.
Figure 5. Flowchart representing the research procedure of the 3rd layer of HDLM.
Energies 15 07708 g005
Figure 6. Yearly fluctuation of heating and cooling load for the case of Kimmeria, Xanthi, as proposed in [16].
Figure 6. Yearly fluctuation of heating and cooling load for the case of Kimmeria, Xanthi, as proposed in [16].
Energies 15 07708 g006
Figure 7. Expanded P-graph including the equipment to be used and logic gate numeration, for the heating scenario.
Figure 7. Expanded P-graph including the equipment to be used and logic gate numeration, for the heating scenario.
Energies 15 07708 g007
Figure 8. Expanded P-graph including the equipment to be used and logic gate numeration, for the cooling scenario.
Figure 8. Expanded P-graph including the equipment to be used and logic gate numeration, for the cooling scenario.
Energies 15 07708 g008
Figure 9. Proposed superstructure to cover the heating needs of the case study.
Figure 9. Proposed superstructure to cover the heating needs of the case study.
Energies 15 07708 g009
Figure 10. Proposed superstructure to cover the cooling needs of the case study.
Figure 10. Proposed superstructure to cover the cooling needs of the case study.
Energies 15 07708 g010
Figure 11. Final P-graph representing the proposed superstructure of the system for the heating scenario.
Figure 11. Final P-graph representing the proposed superstructure of the system for the heating scenario.
Energies 15 07708 g011
Figure 12. Final P-graph representing the proposed superstructure of the system for the cooling scenario.
Figure 12. Final P-graph representing the proposed superstructure of the system for the cooling scenario.
Energies 15 07708 g012
Table 1. Consistency matrix of the AHP. The most important sub-criteria for the technology selection process from [22,24,27,28].
Table 1. Consistency matrix of the AHP. The most important sub-criteria for the technology selection process from [22,24,27,28].
Technological MaturityLCoEReliabilityLand UseGHG EmissionsPrimary Resource AvailabilityCapacity FactorWeighted SumCriteria Values
Technological Maturity1.7900.5103.2850.9545.6760.4570.55513.22941.7905
LCoE12.5333.57111.52.2267.2982.2851.66741.08133.5714
Reliability0.4470.5101.6420.6364.0541.1425.00013.43401.6429
Land Use0.59680.5100.8210.3180.2070.7610.2383.44920.3180
GHG Emissions0.59680.3960.3281.2720.8100.3260.5554.28730.8109
Primary Resource Availability8.9523.5713.2860.9545.6762.2855.00029.72552.2857
Capacity Factor5.3713.5710.5472.222.4320.7611.66716.57791.6667
Table 2. Qualitative and quantitative measures of efficiency of several renewable primary resources [7,10,11,15,17,19,22,23,24,26,29,30].
Table 2. Qualitative and quantitative measures of efficiency of several renewable primary resources [7,10,11,15,17,19,22,23,24,26,29,30].
Primary Energy ResourceTechnologyLCoE—€/kWh [31,32,33,34]Technological MaturityReliabilityGHG Emissions—g of CO 2 eq /kWhLand Use—m 2 /kWPrimary Resource Availability [29,35]Capacity Factor [24,25,26]
WindOnshore wind turbines0.35 [32]MatureLow15200High27
SolarSolar thermal collectors0.195 [31]MatureMedium4040Medium15
HydroNone
BiomassBiomass boilers0.2 [33]MatureMedium10025Medium54
GeothermalGeothermal heat pumps0.16 [34]MatureHigh40100High71.7
Table 3. Technologies used for the exploitation of the primary resources available [4,5,11,15,17,18,19,22,23,24].
Table 3. Technologies used for the exploitation of the primary resources available [4,5,11,15,17,18,19,22,23,24].
Technology Pool
Solar Collectors
COPTemperature Range€/kWh
Flat plate collectors (FPC)50–70%150–500 C0.2
Evacuated tube collectors (ETC)30–50%<75 C0.192
Parabolic solar collectors (PSC)30–50%<200 C0.22
Geothermal Heat Pumps
Water-to-Water (CEER)Water-to-Air (CEER)
Open-loop (OL-GHP)4.13.50.16
Direct Geo-Exchanger (DGX)3.63.10.11
Biomass Boilers
Energy Content (kWh/kg)Density (kg/m 3 )
Woodchip (WC-BB)3.52500.18
Wood pellet (WP-BB)4.76500.2
Chillers
COP
Absorption Chillers (AbC)0.6–0.80.9
Adsorption Chillers (AdC)0.35–0.5n/a
Desiccant Chillers (DeC)0.5–0.8n/a
Thermal Storage [19]
Sensible heat
kWh t h /m 3 Operating range€/kg
Water23.268 Δ T = 20 C0.34 (in combined systems)
Granite13.85 Δ T = 20 Cn/a
Latent heat of melting
Water84.762T m e l t i n g = 0 C0.45
Paraffins49.86T m e l t i n g = 5–130 C3.2
Salt hydrates83.1T m e l t i n g = 5–130 C4.5
Salts166.2∼415.5T m e l t i n g = 300–800 C5.6
Table 4. The symbols used to describe the technologies included in the final superstructure design.
Table 4. The symbols used to describe the technologies included in the final superstructure design.
EquipmentSymbol
Biomass BoilerA
Solar PanelsB
Geothermal Heat PumpsC
TESSD
Table 5. Four-Variable truth table for heating (h) and cooling (c) equations.
Table 5. Four-Variable truth table for heating (h) and cooling (c) equations.
ABCDhc
000000
000100
001001
001111
010000
010101
011011
011111
100001
100111
101011
101111
110011
110111
111011
111111
Table 6. Karnaugh map according to Table 5 for the heating loads.
Table 6. Karnaugh map according to Table 5 for the heating loads.
AB/CD00011110
000010
010011
111111
100111
Table 7. Karnaugh map according to Table 5 for the cooling loads.
Table 7. Karnaugh map according to Table 5 for the cooling loads.
AB/CD00011110
000011
010111
111111
101111
Table 8. Levelised costs of produced energy per technology used [46,47].
Table 8. Levelised costs of produced energy per technology used [46,47].
Equipment€/kW
Biomass Boiler131.74
Flat plate collectors363
Geothermal heat pump (open-loop)753.8
TESS (water)60.73
Absorption chiller353.1
Table 9. Key Performance Indicators for the proposed superstructure.
Table 9. Key Performance Indicators for the proposed superstructure.
Key Performance IndicatorValue
Initial Cost1,710,132.5 €
CAPEX2,052,159 €
OPEX205,215.9 €
CO 2 e q u i v . 244,000 tonnes of CO 2
Heating energy produced yearly2484.92 MWh t h
Cooling energy produced yearly470.34 MWh c
LCoE heating0.506 €/kWh
LCoE cooling1.201 €/kWh
Total land use2902 m 2
Capacity factor621.23
Publisher’s Note: MDPI stays neutral with regard to jurisdictional claims in published maps and institutional affiliations.

Share and Cite

MDPI and ACS Style

Papatsounis, A.G.; Botsaris, P.N. Improved Structural Local Thermal Energy Planning Based on Prosumer Profile: Part B. Energies 2022, 15, 7708. https://doi.org/10.3390/en15207708

AMA Style

Papatsounis AG, Botsaris PN. Improved Structural Local Thermal Energy Planning Based on Prosumer Profile: Part B. Energies. 2022; 15(20):7708. https://doi.org/10.3390/en15207708

Chicago/Turabian Style

Papatsounis, Adamantios G., and Pantelis N. Botsaris. 2022. "Improved Structural Local Thermal Energy Planning Based on Prosumer Profile: Part B" Energies 15, no. 20: 7708. https://doi.org/10.3390/en15207708

APA Style

Papatsounis, A. G., & Botsaris, P. N. (2022). Improved Structural Local Thermal Energy Planning Based on Prosumer Profile: Part B. Energies, 15(20), 7708. https://doi.org/10.3390/en15207708

Note that from the first issue of 2016, this journal uses article numbers instead of page numbers. See further details here.

Article Metrics

Back to TopTop